Abstract
The increasing complexity of modern power systems (MPSs), driven by the integration of renewable energy sources and multi-area configurations, demands robust and adaptive load frequency control (LFC) strategies. This paper proposes a novel approach to the LFC of the MPS by integrating a proportional–integral–derivative (PID) controller optimized using the gray wolf optimizer (GWO) algorithm. The effectiveness of the GWO-PID method is evaluated on multi-area power systems, including systems integrated with wind energy. The GWO-PID controller shows superior frequency stability, achieving deviations of 49.67 Hz, 49.68 Hz, 49.87 Hz, 49.87 Hz and 49.88 Hz for area 1 and area 2 of the two-area multisource MPS, as well as for area 1, area 2 and area 3 in the three-area multisource MPS. The results demonstrate significant improvements in frequency stabilization, reduced oscillations and enhanced steady-state accuracy compared to traditional optimization techniques. This study emphasizes the scalability and adaptability of the proposed method to changing load conditions and complexity of the MPSs, providing a potential solution to ensure stability and reliability for the MPSs.
1. Introduction
The continuous and fast growth of industrialization and modernization has led to an exponential increase in energy demand, along with the increasing integration of renewable energy sources in the 21st century. This rapid progression has introduced significant challenges to the stability and reliability of power systems globally. In multi-area power grid systems, the fluctuation between electricity generation and consumption is always present. With the high connection density and complex structure of the present general power grid, the problem of frequency stability also arises. If left uncontrolled, these frequency deviations can result in serious consequences, such as equipment damage and large-scale power outages. Maintaining frequency stability through the balance between generation power and consumption load is a key factor in ensuring the safe and sustainable operation of the system. The load frequency control (LFC) method has been applied for a long time to address this issue, based on transfer function models that help monitor and adjust factors such as frequency error and load disturbance.
From the early days of the power grid in the late 19th century, frequency control has been recognized as a crucial factor in the operation of the power system. From the initial manual control methods, automatic techniques have gradually been developed, with applications such as PI and PID controllers helping to improve speed and accuracy in frequency regulation. However, while PI and PID controllers have been widely used in linear systems due to their simplicity and effectiveness, they have severe limitations in modern power systems. These controllers frequently struggle with dynamic and nonlinear systems, particularly ones that incorporate renewable energy sources such as wind and solar power, which are extremely intermittent and unpredictable. Furthermore, set parameters in traditional controllers limit their adaptability to huge time delays and unforeseen load disturbances, resulting in slower recovery and making stability difficult to maintain in practical circumstances.
With its increasing complexity due to the integration of renewable energy sources and the development of smart grids, modern power systems (MPSs) have created many challenges, making the research and improvement of LFC strategies extremely important. The study [1] investigates these issues, highlighting the necessity for novel methods to handle the dynamic effects of these factors. In addition, ref. [2] provides a complete assessment of LFC models, following the evolution of techniques from traditional methods to those designed for smart grid systems. This review emphasizes significant research gaps and future approaches, highlighting the need to address LFC’s expanding complexity. Furthermore, ref. [3] provides an overview of LFC, highlighting its critical role in maintaining energy and frequency balance, along with various factors influencing its performance, such as renewables, DC links and cybersecurity challenges. These studies demonstrate the critical requirement for reliable and flexible technologies to ensure dependable power systems function in the face of current challenges.
Recent advances in LFC methods have greatly improved system stability and flexibility. For example, ref. [4] describes a unified PID tuning strategy based on two-degree-of-freedom internal model control that improves damping performance in multi-area systems. Similarly, ref. [5] analyzes a cascaded FOPI-FOPIDN controller optimized with the ADIWACO-PSO algorithm, demonstrating outstanding resilience and scalability, particularly in systems that incorporate renewable energy sources. Furthermore, ref. [6] describes a two-degree-of-freedom tilt-integral-derivative controller fine-tuned with the whale optimization algorithm, which achieves exceptional performance under nonlinear operating circumstances. These discoveries underscore the critical importance of optimization approaches in developing LFC designs, paving the path for novel solutions to changing system complexity. However, the approach given in [6] could not be applied for the LFC of power systems with multi-source integrated renewable energy.
Optimization techniques like swarm and evolutionary algorithms have been frequently used to increase LFC performance. Papers [7,8] illustrate the usefulness of particle swarm optimization (PSO) and genetic algorithms (GAs) in improving PID controllers, resulting in improved frequency stability and dynamic responsiveness in multi-source two-area power systems (TAPSs). Expanding on this, ref. [9] presents a PSP-PID controller optimized using PSO to provide consistent performance under changing load situations. This method is considered to be applied for the LFC of TAPSs without renewable energy. In comparison, ref. [10] compares GA, grey wolf optimizer (GWO) and PSO for optimizing PID gains, with PSO-PID appearing as the most successful at dampening oscillations in linked systems. Furthermore, ref. [11] handles system complexity and restrictions in interconnected power systems using GA-based optimization. Advanced applications of the whale optimization algorithm and its enhanced variation (EWOA) are investigated in [12,13], resulting in higher convergence and accuracy in nonlinear systems with renewable integration. Furthermore, ref. [14] proposes the most valuable player algorithm (MVPA) for load frequency control, achieving superior performance with reduced settling time and overshoot. In addition to these approaches, ref. [15] uses the artificial rabbits algorithm to optimize PID controllers, delivering considerable ITAE reduction while outperforming traditional techniques such as PSO, DE and JAYA. Collectively, these works demonstrate the transformational power of contemporary optimization approaches in LFC design.
Bio-inspired optimization strategies have also demonstrated substantial potential for improving LFC performance. For example, ref. [16] uses the moth flame optimization method to optimize a two-degree-of-freedom PID controller, resulting in quicker settling times and less overshoot in multi-area power systems. Similarly, ref. [17] uses MFO to create a fractional-order PID controller for simultaneous frequency and voltage control, displaying better stability than typical PID controllers. Meanwhile, ref. [18] introduces a time-domain multi-objective function approach using cuckoo search optimization (CSA) to optimize PID controllers, improving stability and reducing frequency deviations in two-area thermal power systems. In [19], the aquila optimization algorithm is used to optimize fractional-order controllers in deregulated hybrid power systems, effectively reducing area control errors and frequency fluctuations while outperforming competing strategies. These bio-inspired methods provide versatile and efficient tools for addressing the increasing complexity of two-area modern power systems.
In addition to optimization techniques, machine learning and artificial intelligence (AI) have emerged as transformational technologies for LFC. For example, ref. [20] proposes an optimum LFC design employing an artificial neural network optimized using PSO, resulting in quicker frequency recovery and lower mean square error than conventional techniques. Building on this, ref. [21] describes a deep reinforcement learning-based LFC method that uses the soft actor–critic algorithm to efficiently attenuate frequency variations induced by renewable energy integration while outperforming classic PID and model predictive control strategies. Furthermore, ref. [22] presents a cloud-based intelligent PI controller that uses a cloud model to adaptively modify parameters, resulting in resilient frequency stability in grids with large-scale wind power integration. Similarly, ref. [23] optimizes a fuzzy logic-based LFC for island hybrid power systems using Artificial Bee Colony, which improves power and frequency stability. In [24], ABC-optimized PID controllers are used for hybrid hydrothermal systems, displaying higher performance under load disturbances. Finally, ref. [25] compares several intelligent control algorithms and concludes that PSO-PID controllers are the most effective at improving frequency stability while reducing overshoot and settling time which could be applied for the LFC of TAPSs without renewable energy. These studies [21,22,23,24,25] illustrate the expanding potential of artificial intelligence and machine learning to meet the issues of renewable energy integration and current grid dynamics.
The integration of wind energy into multi-area power systems has been the focus of several recent studies. For instance, ref. [26] investigates the impact of wind power integration on system frequency regulation, analyzing its effects on frequency deviation, inertia, regulation capability, tie-line power flows and area control errors. This study also explores the maximum wind power penetration level that can be accommodated without exceeding frequency deviation limits. Building on this, ref. [27] introduces a robust hierarchical LFC strategy tailored for multi-area power systems with wind energy. By combining model predictive control for wind power tracking and an improved event-triggered scheme to reduce computational burden, this study incorporates a robust performance index and uncertainty modeling to enhance frequency stability under wind power intermittency. These findings emphasize the critical need for advanced control approaches to address the challenges posed by renewable energy integration.
After reviewing various methods in the field of LFC, this paper specifically investigates the use of a PID controller in conjunction with the GWO algorithm to increase the efficiency of frequency regulation and solving the limitations of the above approaches such as without consideration of renewable energy, multi-source generations. The main contributions of this paper are presented as follows:
- A PID controller optimized by the GWO algorithm was developed to address the challenges of increasing power system complexity and various energy sources and ensure robust parameter tuning for dynamic conditions in the LFC of the MPSs.
- The proposed method is realistic for the LFC of the MPSs, including configurations with hydro power plants, thermal power plants and renewable energies integration, to evaluate its effectiveness in maintaining frequency and improving the control performance of the MPS.
- Simulation results demonstrate that the GWO-PID method achieves superior control performance compared to traditional optimization techniques, with significant improvements in overshoot and settling time. Moreover, the scalability and adaptability of the suggested scheme make it highly appropriate for complex and renewable-integrated power systems.
2. Model of Power System-Integrated Hydro and Thermal Power Plants
This study focuses on oscillation frequency stability within multi-area power systems, particularly in hydro and thermal power plants. Transfer functions represent the multiple components involved in modeling and simulating such systems. These functions are vital in developing a mathematical model that explains behavior; as a result, analysis of reactions created by various situations and control techniques developed to keep the system optimal is possible. A thorough examination of the transfer function equations will reveal much about the operation of various power plants and assist in optimizing control in this complex system.
The parameters of the transfer function equation must be determined precisely for best modeling accuracy. The parameters were taken from the article [28] and applied to the simulation procedure. For each scenario, there will be parameter sets provided in tables, allowing for practical analysis and simulation.
Once the mathematical model is established, the study begins by studying the hydropower and thermal power plants separately before examining how the system performs when both are combined. Hydropower facilities can swiftly vary their production to adapt to sudden variations in load by changing the water turbine settings, making them ideal for handling unexpected demand surges. Thermal power plants, on the other hand, provide a more consistent power supply, but their reaction time is longer, which might result in frequency imbalances when there are considerable load variations. By examining each type of plant independently, we obtain a greater knowledge of how they function, which allows us to address the more complicated difficulties that develop when the plants are linked together in a larger system.
By sensing the change in frequency via the deviation between the actual frequency and the nominal frequency (50 Hz), the speed governor controls the primary energy (water or steam) supplied to the turbine to adjust the speed and power of the generator actively. The transfer function of the speed governor is illustrated as follows [29]:
where is the Laplace variable; is the time constant of the speed governor.
The turbine receives the output signal of the speed governor to convert the primary energy into mechanical power . The transfer function describing the turbine is as follows [29]:
where is the time constant of the turbine.
In the case where the power plant uses a reheat turbine, in addition to the usual transfer function equations, the heat recovery system also incorporates a transfer function to reflect the dynamics of the reheating process. In the frequency control system diagram, the reheat component improves efficiency through condensation, which reduces heat loss. The transfer function of this component is represented as follows [29]:
where and are the amplification factor and the time constant of the reheating process.
For hydropower plants, the transfer function representing the governor is a combination of several components, including two transfer functions that characterize the response of the governor valve and the one that simulates the effect of the water column, specifically [29]:
where , and are time constants representing the dynamic characteristics of the hydro governor system.
The speed governor transfer function in a hydropower plant is more complicated than that of a normal one. This is needed because it is a must, when simulating this type of power plant, to be able to simulate things like pressure transients and water flow. These are represented via time-constant parameters that more closely resemble system behavior. Such a complex structure is necessary for the stability of the system due to load or frequency variation.
The hydropower plant turbine transfer function is implemented in order to accurately model the hydraulic responses of the system which can help minimize oscillations and enhance stability. As opposed to the conventional turbine, due to the system characteristics when load changes including water flow, and pressure which have a hysteretic characteristic, the transfer function of a water turbine is built with different features [29]:
where is the time constant of the water turbine.
The power system receives the output signal from the turbine and directly transforms the mechanical energy into electrical energy to supply the loads. Moreover, this component of the control system is where the process of comparing the mechanical and consumption power occurs, after many stages to create a signal of the frequency deviation—which is the basis for adjusting and preserving system frequency.
The transfer function of the power system is the core part of the frequency control model, the parameters in this equation are gained by modifying the basic variables [29]:
where is derived from the load-damping factor value and is derived from the inertia constant and the load-damping factor.
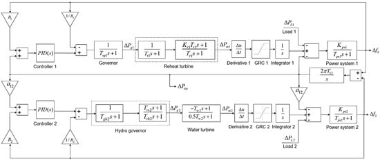
Based on the transfer functions represent the multiple components of the power systems, the model of power system integrated hydro and thermal power plants can be derived as Figures 2 and 5.
3. Gray Wolf Optimizer Algorithm
GWO is a nature-inspired optimization algorithm introduced by Seyedali Mirjalili in 2014 [30]. It simulates the hunting behavior and social hierarchy of gray wolves in the wild. GWO operates based on a population where each wolf represents a potential solution. The algorithm is efficient for complex problems due to the modeling of wolves’ biological and social strategies. There are four key roles within a wolf pack, and each of them represents the solutions in the algorithm processing as follows: Alpha (): The best solution in the GWO algorithm. Beta (): The optimized solution but less influence than Alpha. Delta (): The third best solution in this method. Omega (): Other potential solutions.
These roles guide the optimization process to improve the stability and dynamic response of systems, specifically the frequency control in power plants in this research.
The GWO algorithm uses the pack’s structure for frequency control optimization, especially when adjusting PID parameters. Figure 1 describes the basic cycle of the GWO algorithm. The process is similar to a hunting sequence:
Figure 1.
Flowchart of the GWO algorithm.
- Encircling the prey: Wolves (solution candidates) move around the prey (optimal solution), guided by Alpha, Beta and Delta.
- Narrowing the search space: Wolves refine their search towards the optimal area.
- Exploration: If the solution is not satisfactory, wolves explore other regions to find better solutions.
GWO’s optimization is driven by mathematical equations simulating the wolves’ behavior in hunting. The distance between a wolf and the prey is calculated as follows:
where is the distance between the prey and the predator; is the adjusting vector to help change the direction of the wolf pack—this factor can be calculated by a random function; is the current location of the prey (the optimal or nearly optimal solution); is the current location of the wolf in the search space.
The new position of the wolf is updated as follows:
where is the new location of the wolf; is the vector that adjusts the direction of the wolf, affecting the level of “breakthrough” in search behavior.
The narrowing of the search space is performed by adjusting two vectors and as follows:
where is a value that decreases from 2 to 0 throughout the execution process of the algorithm, helping narrow the search range from the whole space to the optimal area; are random values ranging from 0 to 1, utilized to create various directions.
The locations of Alpha, Beta and Delta wolves are averaged to guide the movement:
where are the locations of Alpha, Beta and Delta; is the new location being considered.
GWO is known for its simplicity, effectiveness and ability to balance exploitation (refining the search) and exploration (searching wider spaces). It performs well in solving complex optimization problems, especially nonlinear and multi-objective ones. The real performance of GWO method will be estimated for the determination of shortening the overshoot attended by settling time. In order to influence that goal, the minimizing of integral time absolute error () is applied to be the main objective function, thorough as follows:
where and are the real-time and total simulation time, respectively. The integral of time-weighted absolute error (ITAE) was employed as the main performance criterion in this study to optimize the PID controller parameters (, , ) using the GWO algorithm. The ITAE criterion ensures minimized frequency deviation, reduced overshoot and faster settling times, as reflected in the simulation results. Additionally, the simulation results demonstrate that the GWO-PID method achieves minimal ITAE values, indicating high control accuracy and minimal error under various scenarios.
Based on the proposed GWO method and main objective function, the , , of the proposed PID control is achieved.
For real application, the integral term can be rewritten as , in which is the area control error sampled at discrete time instances and is the sampling interval.
4. Simulation Results and Discussions
The simulation in this section focuses on analyzing and evaluating the frequency control capability in multi-area power systems for two cases as follows:
- Case 1: Load frequency control with two-areas power system-integrated reheat thermal power plant and hydropower plant.
- Case 2: Frequency control with three areas power system-integrated wind power.
Through these analyses, the section will clarify the role of control strategies in ensuring system frequency stability and functional efficiency under different scenarios of operation.
4.1. Case 1: Load Frequency Control with Two-Areas Power System-Integrated Reheat Thermal Power Plant and Hydropower Plant in Figure 2
A load disturbance of 0.03 per unit (pu) magnitude will be imposed on the system at time t = 1 s. This simulation is designed to last for 30 s which should be enough time to observe the frequency response of the system and to evaluate the behavior of the control strategies applied.
To account for the inherent nonlinearities in the system, a Governor Rate Constraint (GRC) block is introduced immediately after the turbine transfer function in each control loop. The GRC block limits the rate of change of the turbine’s output power to reflect the physical constraints of mechanical components. This placement ensures that the model accurately represents real-world operational constraints and stabilizes frequency deviations effectively. These constraints introduce nonlinearities into the system model, providing a more realistic simulation, and enabling a comprehensive study of control strategies to manage these nonlinearities effectively.
For applying the optimization algorithm GWO, 40 search agents and 20 maximum iterations will be set. These parameters ensure that the algorithm can explore sufficient potential solutions in the search space while maintaining computational efficiency within a reasonable time frame.
Figure 2.
Model of frequency control system for reheat thermal power plant and hydropower plant integration.
Figure 2.
Model of frequency control system for reheat thermal power plant and hydropower plant integration.

This model illustrates the interconnected structure of the frequency control system between two areas, with area 1 using a reheat thermal power plant and area 2 using a hydropower plant with power system parameters as shown in Table 1. Conducted simulations and obtained results can be found in Table 2.
Table 1.
Power system parameters for case 1 [28].
Table 2.
Optimized PID parameters and frequency deviation of case 1.
When the load changes at the 1 s mark, the frequency in area 1 decreases rapidly, reaching a minimum of around −0.33 Hz at 4.5 s. It then oscillates with decreasing amplitude until approximately 17 s. Afterward, the frequency stabilizes and approaches a value close to 0. The control system in area 1 recovers effectively, with the system returning to equilibrium about 16 s after the load fluctuation as seen in Figure 3.
Figure 3.
Frequency deviation (Hz) over time (seconds) for case 1.
The frequency of area 2 drops sharply to around −0.32 Hz at 4.5 s when the load changes at the 1 s mark. However, it recovers faster than area 1, with the frequency oscillating and stabilizing by the 16th second. The control system in area 2 stabilizes in about 15 s, showing quicker recovery than area 1.
The GWO algorithm demonstrates a steady convergence rate in optimizing PID parameters, with a noticeable initial decrease in the objective function value, as shown in Figure 4. By the 16th iteration, it stabilizes with minimal changes, successfully identifying the optimal PID values.
Figure 4.
Convergence of controllers for case 1.
Remark 1.
In comparison with other studies, the power system considered in this approach has a more general structure than the PS structure given in [10,12,15,20]. Moreover, the proposed controller based on GWO performs better in transient conditions in terms of zero frequency error, low negative peak overshot and settling time, which is beneficial to ensure stability and reliability for the MPS.
4.2. Case 2: Frequency Control with Three-Areas Power System-Integrated Wind Power
In order to ensure generality in the simulation process, the execution time will be extended to 60 s. This period is sufficient to observe the changes in frequency and power throughout the control process and bring the system to a stable state.
The GWO algorithm uses 50 search agents to explore various potential solutions, with a maximum of 30 iterations to optimize the PID control parameters, ensuring efficient frequency and power adjustment.
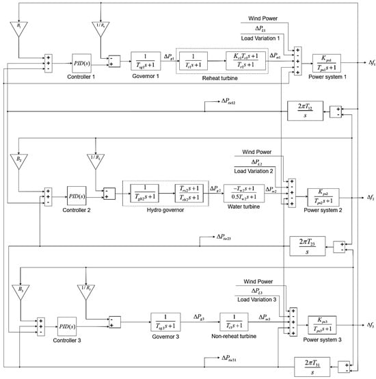
The frequency control model involves three areas as Figure 5: area 1 with a reheat thermal power plant, area 2 with a hydropower plant and area 3 with a non-reheat thermal power plant, integrated with wind power. Unlike the previous scenario, the load remains constant at 0.05 pu from the 1 s mark. The primary variable is the wind power output, which fluctuates due to changes in wind speed, introducing dynamic elements that simulate realistic renewable energy conditions.
Figure 5.
Model of frequency control system for reheat thermal, hydropower and non-reheat thermal power plants with integrated wind power.
A simulated setup was designed to model the operation of a wind power plant as seen in Figure 6, focusing on the interaction of variables affecting energy conversion from wind to electrical power. The wind speed is processed through a model that incorporates a turbine’s mathematical behavior and power-limiting mechanisms based on speed thresholds. The simulation structure reflects the actual properties and behavior of wind turbines under various conditions, with a detailed circuit diagram illustrating the setup.
Figure 6.
Model for calculating output power of wind power plant.
The parameters used for simulation will remain the same as those in Table 3. However, additional parameters specific to the wind power plant will be incorporated. These include the rated power, rotational speed of the turbine and critical wind speed levels such as cut-in speed, cut-out speed and rated speed. These values will be presented in the table below.
Table 3.
Wind power plant parameters.
The simulation will run tests on various wind speed scenarios created based on real operational circumstances, as seen in Figure 7. These instances involve wind speeds that range from below the starting threshold to over the shutdown criterion. This enables the study of the wind turbine’s performance and behavior throughout its operational cycle, as well as the analysis of the system’s reaction capabilities when wind speeds vary unevenly.
Figure 7.
Wind speed variation (m/s) over time (seconds).
The wind speed change scenario is set up with specific stages: In the first 5 s, the wind speed only reaches 2 m/s, below the cut-in threshold, preventing the turbine from starting. From 5 to 15 s, the wind speed increases to 6 m/s, surpassing the cut-in threshold, and the turbine begins to operate and generate electrical power. The 15 to 30 s period marks the wind speed reaching 12 m/s, exactly at the rated speed threshold, with the turbine operating at maximum power, effectively harnessing the wind energy. From 30 to 35 s, although the wind speed increases to 25 m/s, exceeding the rated threshold but still within the cut-out limit, the turbine continues to operate stably at rated power. However, when the wind speed exceeds the cut-out threshold and reaches 30 m/s between 35 and 50 s, the system shuts down to protect the system. Ultimately, the wind speed steadily drops between 50 and 60 s to 10 m/s, reaching a safe level for the turbine to resume normal operation. The wind speed change scenario is simulated to create a chart visualizing the changes over time as follows:
With the wind power simulation model, along with the wind speed values changing over time, the output power value of the wind power plant is calculated as seen in Figure 8. The power graph (pu) is displayed as shown below.
Figure 8.
Wind power output (pu) over time (seconds).
Experiments are conducted on the wind speed variation scenario applied directly to the wind energy model, and after 30 iterations, the results can be found in Table 4.
Table 4.
Optimized PID parameters, frequency deviation and tie-line power of case 2.
In Figure 9, the reheat thermal power plant manages load and wind power fluctuations effectively. At 1 s, a 0.05 pu load increase causes the frequency to drop to −0.13 Hz. With wind power inactive (2 m/s), stabilization begins after 1.8 s. By 5 s, wind speed rises to 6 m/s, activating wind power and stabilizing the frequency with a 0.01 Hz increase. At 15 s, 12 m/s wind causes minor oscillations around 0.04 Hz before stabilizing. When wind speed exceeds the cut-out threshold at 35 s, the turbine shuts down, causing a drop to −0.05 Hz, stabilizing within 5 s. At 50 s, wind resumes at 10 m/s, with a slight 0.03 Hz increase and quick stabilization. The plant shows strong control over these variations. The hydropower plant frequency in area 2 responds swiftly and adapts well to fluctuations. At 1 s, a 0.05 pu load increase causes the frequency to drop to −0.13 Hz, oscillating and stabilizing within 4 s. By 5 s, with wind power contributing, the frequency rises slightly by 0.01 Hz and stabilizes. At 15 s, stronger winds lead to a deviation of 0.04 Hz before stability is maintained. At 35 s, wind power disconnects, causing a drop to −0.05 Hz, stabilizing in 2 s. By 50 s, as wind power resumes (10 m/s), the frequency increases by 0.03 Hz and stabilizes within 2 s. The hydropower plant demonstrates robust frequency regulation under dynamic conditions. In area 3, the non-reheat thermal power plant frequency responds slower to load and wind fluctuations. At 1 s, a 0.05 pu load increase dropped the frequency to −0.12 Hz, stabilizing by 7 s as wind power activated. When wind power reached its rated value, the frequency rose by 0.04 Hz for 3 s before stabilizing. At 35 s, wind power shut down, causing a frequency drop to −0.04 Hz, stabilizing by 40 s. At 50 s, as wind power resumed, the frequency briefly oscillated by 0.03 Hz before stabilizing. Despite slower responses, the plant effectively manages fluctuations.
Figure 9.
Frequency deviation (Hz) over time (seconds) for case 2.
Figure 10 shows the tie-line power between reheat thermal power plant and hydropower plant. In the wind power variation scenario, the interconnection power between the reheat thermal and hydropower plants undergoes notable fluctuations. At 1 s, a load increase causes the power to peak at 0.029 pu at 1.5 s, drop to −0.008 pu and stabilize by 15 s. When wind power activates at 5 s, the interconnection power decreases slightly to −0.011 pu and stabilizes until 30 s. At 35 s, wind power stops due to high speeds, causing the power to rise to 0.011 pu before stabilizing. At 50 s, as wind power resumes, the power briefly fluctuates around −0.008 pu before stabilizing.
Figure 10.
Tie-lie power (pu) over time (seconds) for case 2.
The tie-line power between the hydropower plant and the non-reheat thermal power plant highlights the effects of load and wind power fluctuations. At 1 s, a load increase causes oscillations, peaking at −0.031 pu at 1.5 s, stabilizing around 14 s as wind power integrates. When wind power operates at rated capacity, the tie-line power fluctuates by 0.011 pu, stabilizing by 25 s. At 35 s, with wind power disconnected, the power drops to −0.012 pu, stabilizing quickly after minor oscillations. Upon reintegration of wind power, the power rises to 0.008 pu, achieving stability within 3 s.
The interconnection between the non-reheat and reheat thermal power plants shows minimal responses to load and wind power fluctuations, with low-amplitude oscillations. At 1 s, a load increase causes a power deviation, peaking at 0.006 pu at 2 s and stabilizing by 15 s. When wind power stabilizes at its nominal value, the power deviation slightly decreases to −0.002 pu. At 35 s, the wind power shutdown results in a rise to 0.0021 pu, which gradually dampens. By 50 s, a minor oscillation to −0.001 pu occurs, with the system quickly returning to stability.
The convergence graph demonstrates the effectiveness of the GWO algorithm in optimizing PID parameters, with rapid improvement in the objective function during the initial iterations and stabilization by the 13th iteration, as seen in Figure 11. This reflects a well-balanced optimization process.
Figure 11.
Convergence of controllers for case 2.
In the interconnected system with wind energy integration, the GWO-optimized frequency control system effectively manages load fluctuations and wind power oscillations, ensuring overall frequency stability despite system complexity. The model’s adaptability and robust performance highlight its practical potential for modern power networks with renewable energy sources.
Remark 2.
The results demonstrate that the proposed controller based on the GWO algorithm tuning is satisfactory since there are no oscillations in the progression variable before it spreads a steady state. This is revealed by the detail that the controller output leads the WP throughout vacillation. This indicates that the PID controller optimized by the GWO algorithm shows a fast and effective response to load changes and wind power variations, which is useful in improving the performance of the MPS.
Remark 3.
The PS considered in this study has a more general structure than the PS structure given in [6,7,9,19,23,24,25,27,28], which is beneficial for the MPS characterized by the integration of multiple generation sources, such as hydro, thermal and renewable power. Moreover, the scalability and adaptability of the suggested scheme make it highly appropriate for complex and renewable-integrated power systems.
5. Conclusions
This study has successfully analyzed and evaluated the frequency control capability of multi-area power systems under different configurations. The integration of PID controllers, optimized by the GWO algorithm, has demonstrated significant improvements in system stability, minimized frequency deviation and achieved faster recovery times. The simulations revealed that, particularly in cases integrating wind power, the maximum frequency deviation was limited to −0.13 Hz, even after significant fluctuations in wind power generation. Moreover, under these conditions, the system required no more than 5 s to stabilize and return to equilibrium, highlighting the method’s rapid response and robustness in managing renewable energy variability. These results validate the effectiveness of the proposed control strategies in adapting to load fluctuations and integrating renewable energy sources within multi-area power systems. Furthermore, the scalability and adaptability of the proposed method make it highly suitable for complex and renewable-integrated power systems, addressing the challenges of increasing system complexity and diverse energy sources. While the proposed method is robust and adaptable under most tested scenarios, it is important to note certain limitations. The GWO-PID approach may face challenges in systems with cyberattacks on the control system or vulnerabilities in the communication infrastructure, hardware limitations, data acquisition latency and communication delays. Addressing these challenges could be a direction for future research to further enhance the method’s robustness and adaptability.
Author Contributions
Conceptualization, D.T.T. and V.N.N.T.; methodology, D.H.T.; software, D.T.T.; validation, V.V.H. and D.H.T.; formal analysis, D.H.T.; investigation, D.H.T.; resources, D.H.T.; data curation, D.H.T.; writing—original draft preparation, V.N.N.T.; writing—review and editing, D.T.T.; visualization, D.H.T.; supervision, D.T.T.; project administration, D.H.T.; funding acquisition, V.V.H. All authors have read and agreed to the published version of the manuscript.
Funding
This research is funded by Ton Duc Thang University under grant number <FOSTECT.2023.30>.
Data Availability Statement
Data are contained within the article.
Conflicts of Interest
The authors declare no conflicts of interest.
References
- Liu, X.; Qiao, S.; Liu, Z. A survey on load frequency control of multi-area power systems: Recent challenges and Strategies. Energies 2023, 16, 2323. [Google Scholar] [CrossRef]
- Alhelou, H.H.; Hamedani-Golshan, M.E.; Zamani, R.; Heydarian-Forushani, E.; Siano, P. Challenges and opportunities of load frequency control in conventional, modern and future smart power systems: A comprehensive review. Energies 2018, 11, 2497. [Google Scholar] [CrossRef]
- Rasolomampionona, D.D.; Połecki, M.; Zagrajek, K.; Wróblewski, W.; Januszewski, M. A Comprehensive Review of Load Frequency Control Technologies. Energies 2024, 17, 2915. [Google Scholar] [CrossRef]
- Tan, W. Unified tuning of PID load frequency controller for power systems via IMC. IEEE Trans. Power Syst. 2009, 25, 341–350. [Google Scholar] [CrossRef]
- Sekyere, Y.O.; Effah, F.B.; Okyere, P.Y. Optimally tuned cascaded FOPI-FOPIDN with improved PSO for load frequency control in interconnected power systems with RES. J. Electr. Syst. Inf. Technol. 2024, 11, 25. [Google Scholar] [CrossRef]
- Sahu, P.R.; Simhadri, K.; Mohanty, B.; Hota, P.K.; Abdelaziz, A.Y.; Albalawi, F.; Elsisi, M. Effective load frequency control of power system with two-degree freedom tilt-integral-derivative based on whale optimization algorithm. Sustainability 2023, 15, 1515. [Google Scholar] [CrossRef]
- Qu, Z.; Younis, W.; Liu, X.; Junejo, A.K.; Almutairi, S.Z.; Wang, P. Optimized PID controller for load frequency control in multi-source and dual-area power systems using PSO and GA algorithms. IEEE Access 2024, 12, 2169–3536. [Google Scholar] [CrossRef]
- Osman, A.M.; Magzoub, M.A.; Salem, A. Load frequency control in two-area power system using GA, SA and PSO algorithms: A comparative study. In Proceedings of the 2021 31st IEEE Australasian Universities Power Engineering Conference (AUPEC), Perth, Australia, 26–30 September 2021; pp. 1–8. [Google Scholar]
- Ogar, V.N.; Hussain, S.; Gamage, K.A. Load frequency control using the particle swarm optimisation algorithm and PID controller for effective monitoring of transmission line. Energies 2023, 16, 5748. [Google Scholar] [CrossRef]
- Hemeida, A.; Mohamed, S.; Mahmoud, M. Load frequency control using optimized control techniques. JES J. Eng. Sci. 2020, 48, 1119–11136. [Google Scholar] [CrossRef]
- Tammam, M.A.; Aboelela, M.A.S.; Moustafa, M.A.; Seif, A.E.A. Load frequency controller design for interconnected electric power system. In Proceedings of the 55th Annual Power Industry Division Symposium POWID, Austin, TX, USA, 3–8 June 2012; pp. 68–73. [Google Scholar]
- Saxena, S.; Parkh, K.; Jandid, R. Whale optimization algorithm-based PID controller design of two-area load frequency control with nonlinearities. Int. J. Res. Eng. Sci. Manag. 2020, 3, 1–6. [Google Scholar]
- Gbadega, P.A.; Sun, Y. Multi-area load frequency regulation of a stochastic renewable energy-based power system with SMES using enhanced-WOA-tuned PID controller. Heliyon 2023, 9, e19199. [Google Scholar] [CrossRef] [PubMed]
- Verma, A.; Asim, M.; Mahboob, R. Load frequency control in power systems using the Most Valuable Player Algorithm. Indian J. Sci. Technol. 2023, 16, 3854–3861. [Google Scholar] [CrossRef]
- El-Sehiemy, R.; Shaheen, A.; Ginidi, A.; Al-Gahtani, S.F. Proportional-integral-derivative controller-based artificial rabbit’s algorithm for load frequency control in multi-area power systems. Fractal Fract. 2023, 7, 97. [Google Scholar] [CrossRef]
- Gupta, N.K.; Singh, A.K.; Mahanty, R.N. Load frequency control with moth-flame optimizer algorithm tuned 2-DOF-PID controller of the interconnected unequal three-area power system with and without non-linearity. Int. J. Syst. Assur. Eng. Manag. 2023, 14, 1912–1932. [Google Scholar] [CrossRef]
- Lal, D.K.; Barisal, A.K. Combined load frequency and terminal voltage control of power systems using moth flame optimization algorithm. J. Electr. Syst. Inf. Technol. 2019, 6, 1–24. [Google Scholar] [CrossRef]
- Mishra, S.; Kumar, P.H.; Ramasamy, R.; Nambiar, R.E.; Puvvada, P. Load frequency control of interconnected power system using cuckoo search algorithm. Bull. Electr. Eng. Inform. 2024, 13, 1465–1474. [Google Scholar] [CrossRef]
- Gupta, D.K.; Dei, G.; Soni, A.K.; Jha, A.V.; Appasani, B.; Bizon, N.; Nsengiyumva, P. Fractional order PID controller for load frequency control in a deregulated hybrid power system using Aquila Optimization. Results Eng. 2024, 23, 102442. [Google Scholar] [CrossRef]
- Al-Majidi, S.D.; Kh. AL-Nussairi, M.; Mohammed, A.J.; Dakhil, A.M.; Abbod, M.F.; Al-Raweshidy, H.S. Design of a load frequency controller based on an optimal neural network. Energies 2022, 15, 6223. [Google Scholar] [CrossRef]
- Zheng, Y.; Tao, J.; Sun, Q.; Sun, H.; Chen, Z.; Sun, M. Deep reinforcement learning-based active disturbance rejection load frequency control of multi-area interconnected power systems with renewable energy. J. Frankl. Inst. 2023, 360, 13908–13931. [Google Scholar] [CrossRef]
- Li, D.; Lv, X.; Zhang, H.; Meng, X.; Xu, Z.; Chen, C.; Liu, T. Cloud model-based intelligent controller for load frequency control of power grid with large-scale wind power integration. Front. Energy Res. 2024, 12, 1477645. [Google Scholar] [CrossRef]
- Kumar, N.K.; Gopi, R.S.; Kuppusamy, R.; Nikolovski, S.; Teekaraman, Y.; Vairavasundaram, I.; Venkateswarulu, S. Fuzzy logic-based load frequency control in an island hybrid power system model using artificial bee colony optimization. Energies 2022, 15, 2199. [Google Scholar] [CrossRef]
- Fathy, A.; Kassem, A.; Zaki, Z.A. A robust artificial bee colony-based load frequency control for hydro-thermal interconnected power system. Sustainability 2022, 14, 13569. [Google Scholar] [CrossRef]
- Bano, F.; Ayaz, M.; Baig, D.E.Z.; Rizvi, S.M.H. Intelligent control algorithms for enhanced frequency stability in single and interconnected power systems. Electronics 2024, 13, 4219. [Google Scholar] [CrossRef]
- Nguyen, N.; Mitra, J. Effect of wind power on load frequency control. In Proceedings of the 2016 IEEE Power and Energy Society General Meeting (PESGM), Boston, MA, USA, 17–21 July 2016; pp. 1–5. [Google Scholar]
- Hu, Z.; Zhang, K.; Su, R.; Wang, R.; Li, Y. Robust cooperative load frequency control for enhancing wind energy integration in multi-area power systems. IEEE Trans. Autom. Sci. Eng. 2024, 22, 1508–1518. [Google Scholar] [CrossRef]
- Can, O.; Ozturk, A.; Eroğlu, H.; Kotb, H. A novel grey wolf optimizer-based load frequency controller for renewable energy sources integrated thermal power systems. Electr. Power Compon. Syst. 2022, 49, 1248–1259. [Google Scholar] [CrossRef]
- Saadat, H. Power System Analysis; McGraw-Hill: New York, NY, USA, 1999. [Google Scholar]
- Mirjalili, S.; Mirjalili, S.M.; Lewis, A. Grey Wolf Optimizer. Adv. Eng. Softw. 2014, 69, 46–61. [Google Scholar] [CrossRef]
Disclaimer/Publisher’s Note: The statements, opinions and data contained in all publications are solely those of the individual author(s) and contributor(s) and not of MDPI and/or the editor(s). MDPI and/or the editor(s) disclaim responsibility for any injury to people or property resulting from any ideas, methods, instructions or products referred to in the content. |
© 2025 by the authors. Licensee MDPI, Basel, Switzerland. This article is an open access article distributed under the terms and conditions of the Creative Commons Attribution (CC BY) license (https://creativecommons.org/licenses/by/4.0/).









