Next Article in Journal
Artificial Intelligence and Nature-Inspired Techniques on Optimal Biodiesel Production: A Review—Recent Trends
Next Article in Special Issue
Novel Topological Aggregation Method for Grid-Forming Converters of Renewable Energy with Threshold Correction
Previous Article in Journal
TSMixer- and Transfer Learning-Based Highly Reliable Prediction with Short-Term Time Series Data in Small-Scale Solar Power Generation Systems
Previous Article in Special Issue
Optimal On-Load Tap Changer Tap Control Method for Voltage Compliance Rate Improvement in Distribution Systems, Based on Field Measurement Data
 
 
Font Type:
Arial Georgia Verdana
Font Size:
Aa Aa Aa
Line Spacing:
Column Width:
Background:
Article

Advanced Capacity-Expansion-Type Unified Power Flow Controller Based on Single-Core Phase-Shifting Transformer

1
Research Institute, State Grid Jiangsu Electric Power Co., Ltd., Nanjing 211103, China
2
State Grid Nanjing Power Supply Company, Nanjing 210024, China
3
School of Electrical Engineering, Southeast University, Nanjing 210096, China
*
Author to whom correspondence should be addressed.
Energies 2025, 18(4), 766; https://doi.org/10.3390/en18040766
Submission received: 3 January 2025 / Revised: 1 February 2025 / Accepted: 5 February 2025 / Published: 7 February 2025
(This article belongs to the Special Issue Measurement Systems for Electric Machines and Motor Drives)

Abstract

In light of the growing complexity and demand in modern power systems, there is an increasing need for reliable, efficient, and flexible power flow control mechanisms. The Unified Power Flow Controller (UPFC), as a fundamental component of Flexible AC Transmission Systems (FACTSs), has garnered considerable attention due to its exceptional capabilities in regulating power flow and maintaining voltage stability. Nevertheless, the expense associated with high-capacity UPFCs is considerable, thereby rendering their practical implementation challenging. Phase-shifting transformers are less costly but require better power flow characteristics. Therefore, this paper puts forth the proposition of an Advanced Capacity-Expansion-Type Unified Power Flow Controller (ACET-UPFC) based on a single-core phase-shifting transformer (SCPST). This proposed topology is designed to enhance the capacity of the conventional UPFC, while maintaining similar power flow characteristics, and demonstrates strong voltage regulation capabilities, enabling connections across different voltage levels, thereby rendering it more economically feasible for large-scale deployment. This paper presents a detailed analysis of the power flow characteristics of the ACET-UPFC, including a theoretical foundation, mathematical modeling, and an investigation into the impact of various design parameters. Moreover, the ACET-UPFC’s capacity expansion capability and power flow characteristics are also examined. The ACET-UPFC is subjected to further investigation through the use of the PLECS simulation platform, thereby offering a more efficient and cost-effective solution for modern power grids.

1. Introduction

In recent years, the continuous growth and increasing complexity of power system demand have led to a corresponding increase in the requirements for the reliability, efficiency, and flexibility of power transmission. The Unified Power Flow Controller (UPFC), on account of its exemplary power flow control capabilities and voltage regulation functions, has emerged as a pivotal research focus within the domain of Flexible AC Transmission Systems (FACTSs) [1].
The UPFC was initially proposed by Dr. Laszlo Gyugyi in 1992 [2], which allows the UPFC to simultaneously compensate for line voltage to control power flow and for reactive current to maintain node voltage, thereby demonstrating enormous potential in voltage regulation and power flow control [3]. As a comprehensive FACTS device, recent research on UPFC has focused on control strategies, optimization design, and practical applications. Alhejji et al. proposed an improved Grasshopper Optimization Algorithm to optimize the configuration of the Center-Node Unified Power Flow Controller. The results show that this method effectively reduces power loss and improves voltage levels, outperforming other optimization algorithms [4]. Zand et al. proposed a novel sensitivity analysis index to optimize the size and location of UPFC for enhancing power quality in distribution systems, demonstrating significant improvements in loss reduction, harmonic distortion mitigation, and line optimization [5]. Sinha et al. investigated voltage instability in interconnected power systems caused by load variations and proposed an optimized UPFC implementation based on sensitive node detection using the L-index method to enhance voltage stability [6]. Polishetty et al. reviewed various UPFC techniques, highlighting conventional and optimization approaches to improve power quality, and demonstrated how UPFC enhances power transmission effectiveness and the voltage stability margin through system compensation [7]. Modern UPFCs employ efficient voltage-source converters (VSCs) to achieve flexible power flow regulation and stabilize grid parameters under dynamic load conditions [5]. Chen et al. proposed a passive sliding mode control strategy for MMC-UPFC to improve dynamic performance and robustness to system parameter variations while also addressing unbalanced grid conditions by compensating negative sequence components through the series side of the converter [8]. Studies have demonstrated that UPFC can markedly enhance transmission capacity, diminish voltage fluctuations, and optimize power loss. Mounika and Balakrishna evaluate the performance of a renewable-energy-source-based grid-connected system incorporating UPFC, demonstrating its superior ability to reduce harmonics and improve power quality compared to conventional Voltage Source Inverters (VSIs) in wind and PV-based systems [9]. Hamid et al. introduced an Evolutionary Programming (EP)-based technique for the optimal placement of UPFCs in large-scale power networks, demonstrating its effectiveness in mitigating voltage deviations and minimizing real power losses while improving voltage stability [10]. Amin et al. proposed an optimal placement strategy for UPFC devices using a modified Particle Swarm Optimization (PSO) algorithm, which successfully minimizes transmission line losses and increases the system’s load capacity [11]. Additionally, recent explorations of simplified UPFC structures, such as transformer-less designs and the introduction of modular multilevel converters, resulted in a reduction in equipment costs and size while enhancing dynamic response capabilities [12]. However, the practical applications of UPFC still face challenges, including high costs, intricate control strategies, and limitations in performance under dynamic conditions.
The development of a hybrid UPFC system, which combines phase-shifting transformers (PSTs) and other power flow control devices, can provide a more scalable solution that is suitable for applications under different grid conditions [13]. PSTs are relatively simple and economically viable, effectively reducing the high equipment and control system investments required for UPFC, thereby lowering system complexity and future maintenance costs [14]. Choudhury et al. presented a communication-free decentralized power flow control scheme for UPFCs and PSTs, using real-time feedback to mitigate line overloading, with supplementary measures for network topology and converter limitations, validated on the IEEE 68-Bus system through RMS simulations [15]. The integration of PSTs also serves to reduce energy losses caused by power conversion, thus improving the overall efficiency of the system. Lashkar Ara et al. (2022) proposed a hybrid Optimal Unified Power Flow Controller (OUPFC) combining a mechanical phase-shifting transformer with a small-scale UPFC. Simulation results on IEEE test systems demonstrated the effectiveness of this approach, with OUPFC outperforming PST and UPFC in optimizing system operation [16]. Rong et al. (2022) proposed a hybrid HPFC topology, integrating PSTs and UPFC with a shared primary winding, which improves power flow regulation accuracy while addressing cost and efficiency concerns. Their study introduced a novel control strategy that integrates PST tap settings with UPFC voltage adjustments, enabling precise power flow control [14]. Additionally, Yuan et al. (2018) developed an improved hybrid electromagnetic UPFC (HEUPFC), integrating a “Sen Transformer” with a smaller capacity UPFC. This system offers economic benefits, flexibility, high reliability, and continuous variable amplitude and phase angle outputs, making it a practical solution for large-scale power systems [17]. Conventional PST can only regulate the phase and cannot adjust the voltage amplitude, which limits the performance of hybrid UPFC systems [14,16,18]. Enhancing the capabilities of PSTs in these hybrid systems could open up more possibilities for their application.
This paper proposes a novel topology to expand the capacity of UPFC to enhance the transmission capacity of the existing power grid, namely, an Advanced Capacity-Expansion-Type Unified Power Flow Controller (ACET-UPFC) based on a single-core phase-shifting transformer (SCPST). The ACET-UPFC expands the capacity of the UPFC while maintaining nearly identical performance in other aspects, making it suitable for scenarios with high-capacity demands. Furthermore, UPFC within the power grid can be augmented with the SCPST, thereby reducing the capital expenditure associated with complete equipment replacement. The SCPST provides the ACET-UPFC with robust voltage regulation capability, enabling its application in interconnecting systems of different voltage levels. This paper provides a comprehensive analysis of the ACET-UPFC, including its theoretical foundation, mathematical modeling, and an investigation into the effects of various design parameters. Additionally, the capacity expansion characteristics of the ACET-UPFC are thoroughly examined. A further investigation of the ACET-UPFC was conducted using the PLECS simulation platform. This simulation compared the voltage and power regulation capabilities of the ACET-UPFC and a conventional UPFC and presented the operational waveforms of the ACET-UPFC to demonstrate its performance characteristics, thereby highlighting its potential as a more efficient and cost-effective solution for modern power grids.

2. Structure of the ACET-UPFC

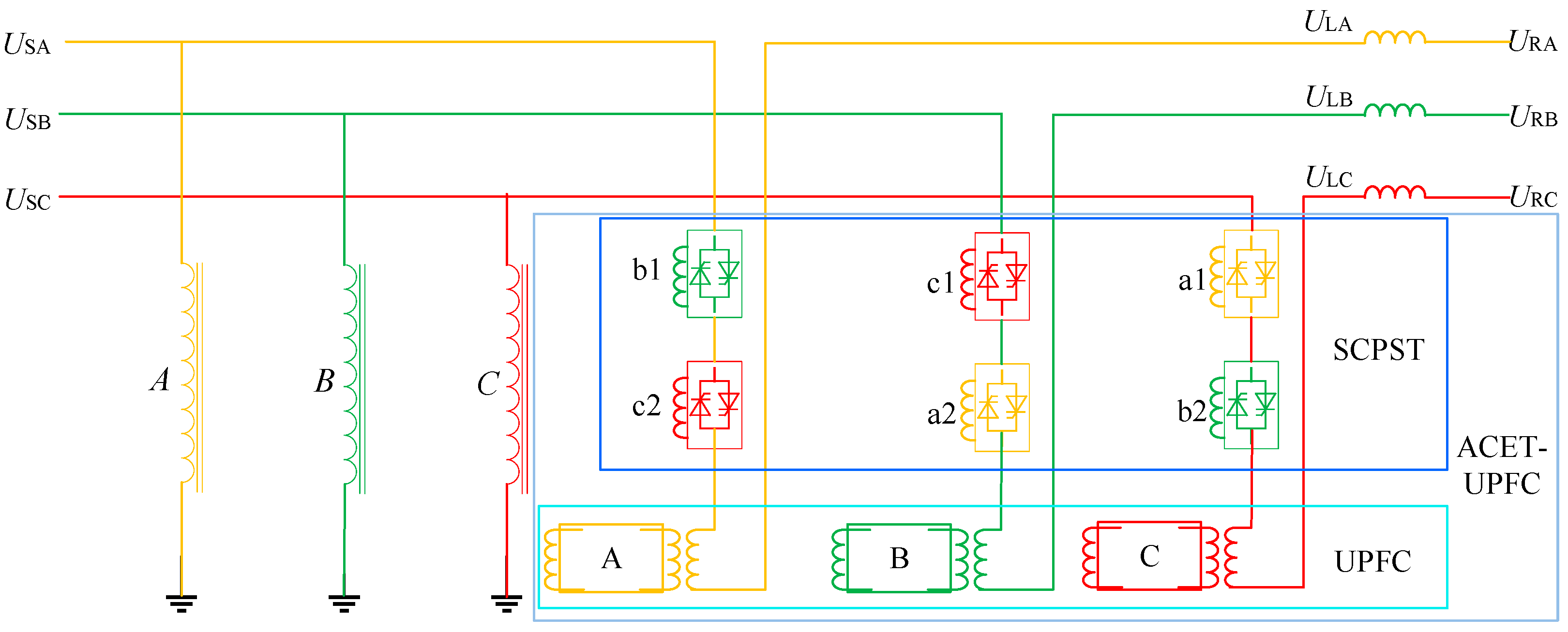
2.1. Topology Structure of UPFC

The topology structure of the proposed ACET-UPFC is based on the topology of the UPFC, and the structure of the latter is of importance with regard to the characteristics under investigation of the former. As shown in Figure 1, the basic structure of the UPFC typically consists of two subsystems based on voltage-source converters (VSCs): one converter connected in parallel with the transmission line and the other in series. The series converter regulates the phase angle of the transmission line by being connected in series with it through an LC filter, absorbing or releasing reactive power, and influencing the direction of power flow, thereby controlling the power. In contrast, the parallel converter adjusts the voltage by being connected in parallel with the transmission line and can provide or absorb reactive power, thereby improving system stability. The two converters are interconnected via a DC link (DC capacitor), ensuring power exchange between the converters.

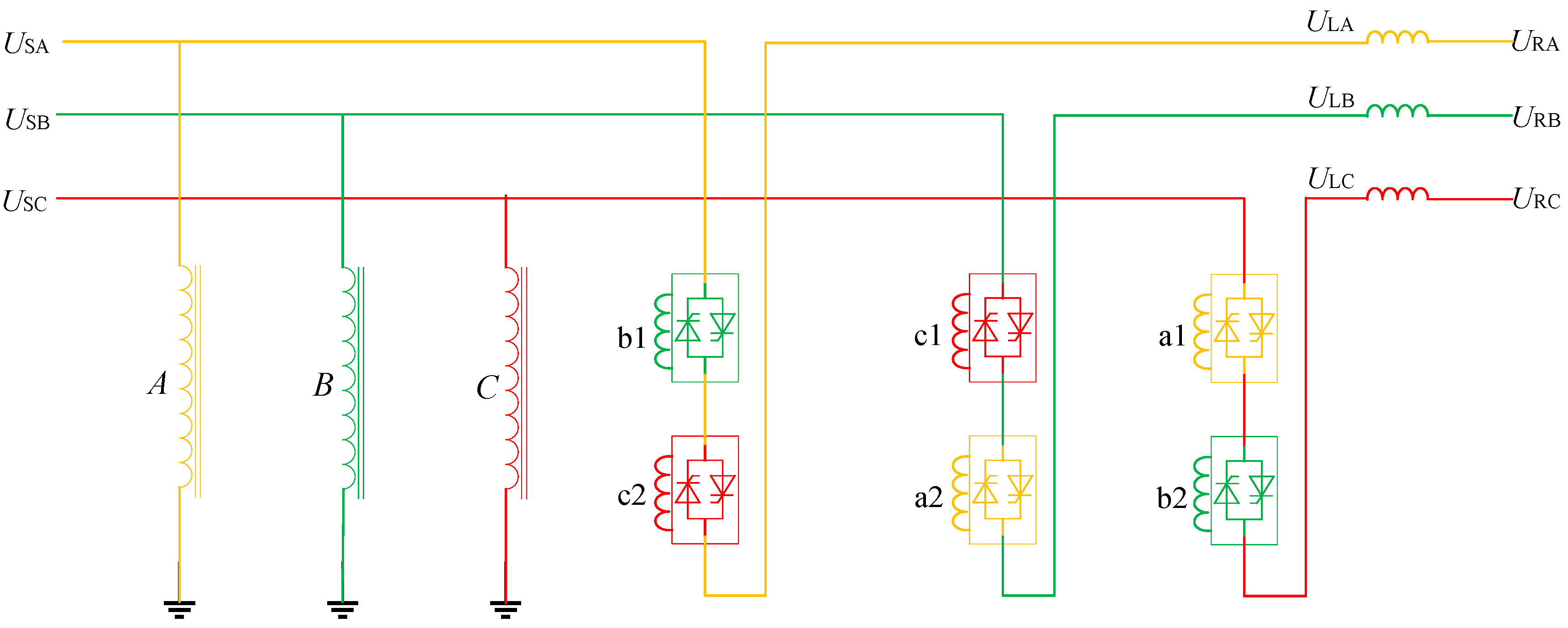
2.2. Topology Structure of SCPST

As shown in Figure 2, the primary side of the SCPST is three-phase grounded. The secondary side comprises a total of six regulating windings: a1 and a2 are wound on the A-phase core, b1 and b2 are wound on the B-phase core, and c1 and c2 are wound on the C-phase core. Furthermore, windings b1 and c2 are connected in series within the A-phase circuit, windings c1 and a2 are connected in series within the B-phase circuit, and windings a1 and b2 are connected in series within the C-phase circuit. The UPFC and SCPST are connected in series in each phase.

2.3. Topology Structure of ACET-UPFC

The basic structure of the proposed ACET -UPFC consists of the UPFC and the SCPST, as shown in Figure 3. The UPFC and SCPST are connected in series in each phase. Given that, the SCPST is regulated by thyristors, which are capable of economically bearing a portion of the capacity of the UPFC but exhibit relatively rigid power flow characteristics.

2.4. Control Framework of the ACET-UPFC

The control module first selects the combination of two voltage-regulating windings of the SCPST that most closely match the target voltage ratio. The voltage adjusted by the SCPST, along with the deviation from the target value, is then compensated by the UPFC.
As shown in Figure 4, the control module of UPFC in the ACET-UPFC achieves phase-shifting and voltage regulation by real-time monitoring and calculating the source-side voltage (US), load-side voltage (UL), and line current (I). The Phase-Locked Loop (PLL) module derives the phase reference angle from US, establishing a critical phase baseline for the control system. The control module determines the required voltage amplitude and phase, translating these parameters into gate control signals for the voltage source converters.
This coordinated approach allows the ACET-UPFC to dynamically adjust the voltage amplitude and phase to adapt to real-time grid conditions. Additionally, the voltage adjustments introduced by the UPFC, in conjunction with those from the SCPST, significantly enhance the UPFC’s regulation capacity.

3. Voltage Regulation Characteristics of the ACET-UPFC

The proposed ACET-UPFC can control the power flow characteristics of the existing power grid by regulating the voltage in series with the grid. To derive the voltage regulation characteristics of the ACET-UPFC, the equivalent circuit of the A-phase of the ACET-UPFC is shown in Figure 5 due to the three-phase symmetrical power grid connected to the ACET-UPFC.

3.1. Voltage Generated by the ACET-UPFC

The voltage on the ACET-UPFC is composed of two parts: the voltage on the SCPST and the voltage on the UPFC (UPA). According to the superposition theorem, the component UPA1 generated by the UPWMA as shown in Figure 4 can be derived as follows:
U PA 1 = U PWMA × j X LA ( R CA j X CA ) R LA + j X LA + j X LGA ( R CA j X CA )   = X LGA X CA + j R CA X LGA R LA R CA X LA X LGA + X LA X CA + X LGA X CA + j ( R LA X LGA R LA X CA + R CA X LA + R CA X LGA ) U PWMA
where USA and ULA are the voltages on the source and load sides, respectively, RLA and XLA represent the resistance and the reactance of the filtering inductance of the UPFC, RCA and XCA represent the resistance and the reactance of the filtering capacitor of the UPFC, and XLGA is the value of the reactance of the transmission line.
Similarly, the component UPA2 generated by the SCPST and voltage sources of the grid can be derived as follows:
U PA 2 = U SUMA × ( R LA + j X LA ) ( R CA j X CA ) j X LGA + ( R LA + j X LA ) ( R CA j X CA )   = R LA R CA + X LA X CA + j ( R CA X LA R LA X CA ) R LA R CA X LA X LGA + X LA X CA + X LGA X CA + j ( R LA X LGA R LA X CA + R CA X L 1 + R CA X LGA ) U SUMA
where
U SUMA = U SA + U b 1 + U c 2 U RA
Therefore, according to the superposition theorem, the value of the voltage UPA generated by the UPFC considering the filtering parameters can be derived as follows:
U PA = U PA 1 + U PA 2           ( X LGA X CA + j R CA X LGA ) U PWMA   = + [ R LA R CA + X LA X CA + j ( R CA X LA R LA X CA ) ] U SUMA R LA R CA X LA X LGA + X LA X CA + X LGA X CA   + j ( R LA X LGA R LA X CA + R CA X L 1 + R CA X LGA )
Let
α = A D , β = B D , γ = 1 β A = X LGA X CA + j R CA X LGA B = R LA R CA + X LA X CA + j ( R CA X LA R LA X CA ) D = R LA R CA X LA X LGA + X LA X CA + X LGA X CA   + j ( R LA X LGA R LA X CA + R CA X L 1 + R CA X LGA )
According to (4), the value of the voltage UΔ generated by the proposed ACET-UPFC can be derived as follows:
U Δ = U PA + U b 1 + U c 2   = U PA + U SA k b 1 e j 2 π 3 + k c 2 e + j 2 π 3   = α U PWMA + β ( U SA U RA ) + γ U SA k b 1 e j 2 π 3 + k c 2 e + j 2 π 3
where kb1 and kc2 are the operation levels of the SCPST.

3.2. Voltage Regulation Range of the ACET-UPFC

To derive the voltage regulation range of the ACET-UPFC, assume that the ranges of the operation levels kb1 and kc2 are [Kmin, Kmax], and the amplitude range of the UPWMA is [0, UPWMmax].
According to the relationship of the angles in complex fields, it can be derived as
k b 1 e j 2 π 3 + k c 2 e j 2 π 3 = 1 2 ( k b 1 + k c 2 ) + j 3 2 ( k b 1 + k c 2 )
Therefore, by separating the real and imaginary parts of USUMA
U Δ = α U PWM + β ( U S U R ) 1 2 γ U S ( k b 1 + k c 2 ) + j 3 2 γ U S ( k b 1 + k c 2 )
To simplify (8), it can be defined as follows:
s = k b 1 + k c 2 2 , d = k b 1 + k c 2 2
Then, according to (9), the following two constraint conditions can be derived as follows:
K m i n s + d K m a x
K m i n s d K m a x
which can also be expressed as follows:
K m i n s d K m a x s
( K m a x s ) d ( K m i n s )
Combining (12) and (13), it can be derived that
max K m i n l s , ( K m a x s ) d min K m a x s , ( K m i n s )
The range of values for s is s [ K min , K max ] . Thus, the joint constraint of s and d defines a square region. In the (s, d) plane, the feasible region is a square centered at s = K min + K max 2 , with vertices at ( K min , 0 ) , ( K max , 0 ) , K min + K max 2 , ± K max K min 2 .
Then, define Z as follows:
Z = γ U S s + j 3 γ U S d
Transforming Z to the complex plane:
x = γ U S s , y = 3 γ U S d
The original square defined by s and d will be transformed into a rhombus, with its center transformed to x = γ U S K min + K max 2 , and the vertices transformed to ( γ U S K min , 0 ) , ( γ U S K max , 0 ) , γ U S K min + K max 2 , ± 3 2 γ U S ( K max K min ) .
Therefore, the voltage regulation range of the ACET-UPFC UΔ is as follows:
U Δ = U 0 + D C
where U 0 = β ( U S U R ) , D is the aforementioned rhombus region, and C is a circle centered at any point of U0 + D, with a radius of αUPWMA.

4. Capacity Expansion Effect of the ACET-UPFC

4.1. Expansion of Voltage Regulation Range by ACET-UPFC

As shown in Figure 6, γ U S s + j 3 γ U S d is represented as UZ. The actual winding adjustment levels are limited, and the originally continuous feasible region of UZ is discretized into the voltages at different taps of the two windings. Assuming the windings are adjustable by ±m levels, when α U PWM U Z max 1 3 m , the discontinuous part will be completely covered by the adjustable voltage components αUPWM on the UPFC.
Since the UPFC is a series-connected component within the ACET-UPFC, it can be derived that
S SUM S UPFC = 3 m
It can be seen that the ACET-UPFC achieves several times the capacity of the UPFC while maintaining the same regulation capability as the UPFC.
The SCPST can provide an in-phase voltage with US, with an amplitude ranging from −γUSKmin to −γUSKmax. Due to the robust voltage regulation capability provided by the SCPST, the ACET-UPFC demonstrates high versatility, enabling its application across various voltage level connections.

4.2. Expansion of Active Power Regulation Range by ACET-UPFC

For the system illustrated in Figure 7,
P = U R U L sin β X
Q = U L 2 X U L U R cos β X
When the line transmits active power only (Q = 0), it follows from (20) that
U L = U R cos β
The value of p is as follows:
P = U R 2 sin β cos β X = U R 2 sin ( 2 β ) 2 X
When U L = U S + α U P W M , the range of β is θ φ UPFCmax , θ + φ UPFCmax , and φ is the phase angle difference between UL and US, where
φ UPFC max = arcsin U PWM U S
Therefore, the regulation range of UPFC is as follows:
P U R 2 sin ( 2 θ 2 φ UPFCmax ) 2 X , U R 2 sin ( 2 θ + 2 φ UPFCmax ) 2 X
The extent of the regulation range of UPFC is as follows:
Δ P = U R 2 2 X sin ( 2 θ + 2 φ UPFCmax ) sin ( 2 θ 2 φ UPFCmax )   = U R 2 X cos ( 2 θ ) sin ( 2 φ UPFCmax )
For the ACET-UPFC, when designing its parameters with UZ > 1.7 US, it follows that φmax > 45°. Therefore, the regulation range of ACET-UPFC is as follows:
P 2 U R 2 2 X , U R 2 2 X
The extent of the regulation range of ACET-UPFC is as follows:
Δ P 2 = U R 2 X
Combining (25) and (27),
Δ P 2 Δ P = 1 cos ( 2 θ ) sin ( 2 φ UPFCmax )
From Equation (23), for the UPFC component within the ACET-UPFC, φUPFCmax is a relatively small value. Consequently, the ACET-UPFC significantly enhances the UPFC’s capability to control active power by several times.

5. Simulations

The proposed ACET-UPFC has been implemented on the PLECS simulation platform. To validate and demonstrate the effectiveness and adaptability, tests have been conducted on two power transmission systems operating at the same and different voltage levels. The parameters of the power grid and the ACET-UPFC are presented in Table 1. UR corresponds to the simulation results shown in Figure 8, Figure 9, Figure 10 and Figure 11, while UR2 pertains to the results in Figure 12. The remaining parameters are applicable to both systems.
As illustrated in Figure 8, the ACET-UPFC extends the circular regulation range of a conventional UPFC to a rhomboid shape. To maintain a sufficient sampling point density, the simulation depicted in Figure 8 only activates transformer tap positions within a ±5 range. This extended range allows for more precise voltage control across a wider set of operating conditions, offering greater flexibility in managing power flow. The results highlight the ACET-UPFC’s improved capability to maintain stable voltage levels, and its potential to improve the overall stability and performance of power systems. This enhancement is especially valuable in systems with complex grid configurations or fluctuating load conditions.
As shown in Figure 9a,b, the proposed ACET-UPFC demonstrates its phase-shifting capability, validating its effectiveness in enhancing power system performance. Specifically, the ACET-UPFC successfully shifts the phase by 30°, showcasing its ability to precisely control power flow direction. Figure 9c illustrates the voltage components of the ACET-UPFC system. It is evident that the UPFC’s voltage constitutes only a small portion of the overall ACET-UPFC voltage. This demonstrates that the ACET-UPFC significantly expands the capacity of the traditional UPFC while maintaining its regulation capabilities.
As shown in Figure 10, the setting of the output active power of the proposed ACET-UPFC is altered from 10 GW to 5 GW at 2 s, and both the corresponding output voltage and the current waveforms of the ACET-UPFC exhibit a smooth transition. By combining the SCPST, the proposed ACET-UPFC can alter the power flow at a considerable range. Simulation results confirm that the ACET-UPFC effectively regulates power flow with high responsiveness while ensuring system stability.
As shown in Figure 11, when transmitting active power only, the phase angle adjustment range of the UPFC is constrained to ±3.3°, whereas the ACET-UPFC extends this range to more than ±45°. This means that the range of active power regulation has been expanded to 17 times its original value. This indicates that the ACET-UPFC considerably improves the capability of the UPFC to regulate active power flow.
To validate the capability of the ACET-UPFC to interconnect systems of different voltage levels, the simulation depicted in Figure 12 was conducted between a 500 kV and a 220 kV power system. Figure 12a illustrates the waveforms when no phase shift is applied, while Figure 12b demonstrates the waveforms with a 30° phase shift. The simulation results validate that the ACET-UPFC can be effectively employed in scenarios requiring the interconnection of different voltage levels and the regulation of both voltage and power.

6. Conclusions

This paper proposes the ACET-UPFC based on the SCPST. The proposed topology successfully integrates phase-shifting devices with traditional UPFC technology, offering a scalable, cost-effective solution that addresses the challenges of increasing capacity and complexity in power systems.
Through theoretical analysis and simulation, it has been demonstrated that the ACET-UPFC significantly expands the adjustable capacity of the traditional UPFC, providing enhanced active power flow control. At the same time, it maintains the same level of voltage regulation and power flow control accuracy as the conventional UPFC. Moreover, the ACET-UPFC exhibits strong voltage regulation capabilities, enabling connections across different voltage levels. The results validate the ACET-UPFC’s capability to handle dynamic grid conditions, reduce system complexity, and lower overall costs compared to traditional configurations.
Moreover, the introduction of innovative design strategies, such as modular converters, has made the ACET-UPFC a promising technology for enhancing power system stability and efficiency. These advancements enable the ACET-UPFC to be a valuable asset in improving the operational flexibility and reliability of power transmission networks, especially in regions with high renewable energy integration or complex grid configurations.
In conclusion, the ACET-UPFC provides an intriguing case study in the development of flexible and efficient power flow control technologies, offering a practical and economically feasible solution for modern and future power systems.

Author Contributions

Methodology, N.Z.; Validation, J.F.; Resources, H.L.; Writing—original draft, C.B.; Writing—review & editing, X.J.; Supervision, J.W. All authors have read and agreed to the published version of the manuscript.

Funding

This study is supported by the science and technology project of State Grid Jiangsu Electric Power Co., Ltd., under grant J2024016.

Data Availability Statement

The original contributions presented in the study are included in the article, further inquiries can be directed to the corresponding author.

Conflicts of Interest

Authors Ningyu Zhang, Huarui Li were employed by the company State Grid Jiangsu Electric Power Co., Ltd. Author Jicheng Fang was employed by the company State Grid Nanjing Power Supply Company. The remaining authors declare that the research was conducted in the absence of any commercial or financial relationships that could be construed as a potential conflict of interest. The funders had no role in the design of the study; in the collection, analyses, or interpretation of data; in the writing of the manuscript; or in the decision to publish the results.

References

  1. Imdadullah; Amrr, S.M.; Asghar, M.S.J.; Ashraf, I.; Meraj, M. A Comprehensive Review of Power Flow Controllers in Interconnected Power System Networks. IEEE Access 2020, 8, 18036. [Google Scholar] [CrossRef]
  2. Gyugyi, L. Unified power-flow control concept for flexible AC transmission systems. In IEE Proceedings C (Generation, Transmission and Distribution); IET Digital Library: Stevenage, UK, 1992; Volume 139, pp. 323–331. [Google Scholar]
  3. Riahinasab, M.; Dehghani, M.; Fathollahi, A.; Behzadfar, M.R. A Brief Overview of the Application of Unified Power Flow Controller in Power Systems. Power 2023, 1, 4. [Google Scholar]
  4. Alhejji, A.; Hussein, M.E.; Kamel, S.; Alyami, S. Optimal Power Flow Solution with an Embedded Center-Node Unified Power Flow Controller Using an Adaptive Grasshopper Optimization Algorithm. IEEE Access 2020, 8, 119020–119037. [Google Scholar] [CrossRef]
  5. Zand, M.; Nasab, M.A.; Padmanaban, S.; Maroti, P.K.; Muyeen, S.M. Sensitivity Analysis Index to Determine the Optimal Location of Multi-Objective UPFC for Improvement of Power Quality Parameters. Energy Rep. 2023, 10, 431–438. [Google Scholar] [CrossRef]
  6. Sinha, N.K.; Devarapalli, R.; Rao, P.N. Novel Approach for Power System Stability Analysis and Improvement: A Case Study Based on UPFC Application. In Intelligent Data Analytics for Power and Energy Systems; Springer: Singapore, 2022; pp. 99–113. [Google Scholar]
  7. Polishetty, V.K.; Balamurugan, G.; Jayaraman, K. A Comprehensive Review of UPFC Techniques for Improving Power Quality. In Proceedings of the 2023 International Conference on Energy, Materials and Communication Engineering (ICEMCE), Madurai, India, 14–15 December 2023; pp. 1–6. [Google Scholar]
  8. Chen, Y.; Wang, H.; Zhu, M.; Liu, M.; Ma, J.; Cai, X. Passive Sliding Mode Controlled UPFC and Its Treatment Strategy of Unbalanced Grid Conditions. Front. Energy Res. 2021, 9, 712397. [Google Scholar] [CrossRef]
  9. Mounika, S.; Balakrishna, A. Performance Evaluation of Renewable Energy Sources Based Grid-Connected System Considering Unified Power Flow Controller. IOP Conf. Ser. Earth Environ. Sci. 2024, 1285, 012009. [Google Scholar] [CrossRef]
  10. Hamid, Z.A.; Salim, N.A.; Rahman, N.A.A.; Aminuddin, S.A.A.S. Mitigation of Voltage Level and Real Power Loss in Transmission System via Optimal UPFC Placement. In Proceedings of the 2022 IEEE International Conference on Power Engineering Application (ICPEA), Shah Alam, Malaysia, 7–8 March 2022; pp. 1–6. [Google Scholar]
  11. Amin, I.; Mahmood, D.; Numan, A. Optimal Location of UPFC Devices for Minimizing Losses in Transmission Line. IOP Conf. Ser. Mater. Sci. Eng. 2020, 881, 012129. [Google Scholar] [CrossRef]
  12. Zhang, J.; Liu, Y.; Zhou, J.; Zang, J.; Shi, G.; Wang, J.; Li, Y.; Yang, X. A Novel Multiport Transformer-Less Unified Power Flow Controller. IEEE Trans. Power Electron. 2023, 39, 4278–4290. [Google Scholar] [CrossRef]
  13. Rashmi, M.C.; Raghu, C.N. Review on Hybrid Power Flow Controllers in Practical Power Systems. In Proceedings of the 2023 Fourth International Conference on Smart Technologies in Computing, Electrical and Electronics (ICSTCEE), Boston, MA, USA, 17–21 July 2023; pp. 1–6. [Google Scholar]
  14. Rong, S.; Liang, J.; Li, X.; Dong, J.; Zhang, R.; Liu, X.; Cui, T. Research on HPFC Coordination Control Strategy with PST and UPFC. In Proceedings of the 2022 China International Conference on Electricity Distribution (CICED), Changsha, China, 7–8 September 2022; pp. 1768–1773. [Google Scholar]
  15. Choudhury, S.; Saçiak, A.; Hanson, J. Communication-Free Decentralized Power Flow Control of Unified Power Flow Controllers and Phase-Shifting Transformers in High Voltage Transmission Systems. IET Gener. Transm. Distrib. 2023, 17, 2938–2952. [Google Scholar] [CrossRef]
  16. Lashkar Ara, A.; Kazemi, A.; Nabavi Niaki, S.A. Modeling of Optimal Unified Power Flow Controller (OUPFC) for Optimal Steady-State Performance of Power Systems. Energy Convers. Manag. 2011, 52, 1325–1333. [Google Scholar] [CrossRef]
  17. Yuan, J.; Liu, L.; Fei, W.; Chen, L.; Chen, B.; Chen, W. Hybrid Electromagnetic Unified Power Flow Controller: A Novel Flexible and Effective Approach to Control Power Flow. IEEE Trans. Power Deliv. 2018, 33, 2061–2069. [Google Scholar] [CrossRef]
  18. Lashkar Ara, A.; Kazemi, A.; Nabavi, A. Improvement of Phase Shifting Transformer Operation by Hybrid Arrangement with UPFC. Int. Rev. Electr. Eng. 2009, 4, 1102–1119. [Google Scholar]
Figure 1. Single-phase structure of the UPFC.
Figure 1. Single-phase structure of the UPFC.
Energies 18 00766 g001
Figure 2. Structure of the SCPST.
Figure 2. Structure of the SCPST.
Energies 18 00766 g002
Figure 3. Structure of the proposed ACET-UPFC.
Figure 3. Structure of the proposed ACET-UPFC.
Energies 18 00766 g003
Figure 4. Control block diagram of the UPFC in ACET-UPFC.
Figure 4. Control block diagram of the UPFC in ACET-UPFC.
Energies 18 00766 g004
Figure 5. The equivalent circuit of the A-phase of the ACET-UPFC.
Figure 5. The equivalent circuit of the A-phase of the ACET-UPFC.
Energies 18 00766 g005
Figure 6. ACET-UPFC’s output voltage.
Figure 6. ACET-UPFC’s output voltage.
Energies 18 00766 g006
Figure 7. Simple model of power flow analysis.
Figure 7. Simple model of power flow analysis.
Energies 18 00766 g007
Figure 8. Comparison of voltage regulation ranges between UPFC and ACET-UPFC.
Figure 8. Comparison of voltage regulation ranges between UPFC and ACET-UPFC.
Energies 18 00766 g008
Figure 9. The 30° phase-shifting voltage waveform of the ACET-UPFC: (a) voltage waveforms of US and UL; (b) phase angle difference between ULA and USA; (c) voltage waveforms of the ACET-UPFC and its UPFC section.
Figure 9. The 30° phase-shifting voltage waveform of the ACET-UPFC: (a) voltage waveforms of US and UL; (b) phase angle difference between ULA and USA; (c) voltage waveforms of the ACET-UPFC and its UPFC section.
Energies 18 00766 g009
Figure 10. Power flow regulating waveforms of ACET-UPFC at 2 s: (a) the voltage waveform; (b) the current waveform; (c) the active power waveform; (d) phase difference between ULA and ILA; (e) the amplitude of ILA.
Figure 10. Power flow regulating waveforms of ACET-UPFC at 2 s: (a) the voltage waveform; (b) the current waveform; (c) the active power waveform; (d) phase difference between ULA and ILA; (e) the amplitude of ILA.
Energies 18 00766 g010
Figure 11. Comparison of phase angle range for active power regulation between ACET-UPFC and UPFC.
Figure 11. Comparison of phase angle range for active power regulation between ACET-UPFC and UPFC.
Energies 18 00766 g011
Figure 12. The voltage waveforms of the ACET-UPFC connecting 500 kV and 220 kV power systems: (a) the voltage waveform without phase shifting; (b) the voltage waveform with a 30° phase shift; (c) phase angle difference between ULA and USA.
Figure 12. The voltage waveforms of the ACET-UPFC connecting 500 kV and 220 kV power systems: (a) the voltage waveform without phase shifting; (b) the voltage waveform with a 30° phase shift; (c) phase angle difference between ULA and USA.
Energies 18 00766 g012
Table 1. Parameters of the grid and ACET-UPFC.
Table 1. Parameters of the grid and ACET-UPFC.
Parameter of GridValueParameter of
ACET-UPFC
Value
US (kV)
UR (kV)
UR2 (kV)
LG (mH)
500
500
220
3
L (mH)3
RL (Ω)0.02
C (mF)4.7
RC (Ω)10
[Kmin, Kmax][−1.7,1.7]
Voltage ratio adjustment per tap0.1
UPWMmax (kV)47.07
Disclaimer/Publisher’s Note: The statements, opinions and data contained in all publications are solely those of the individual author(s) and contributor(s) and not of MDPI and/or the editor(s). MDPI and/or the editor(s) disclaim responsibility for any injury to people or property resulting from any ideas, methods, instructions or products referred to in the content.

Share and Cite

MDPI and ACS Style

Zhang, N.; Li, H.; Fang, J.; Bi, C.; Jin, X.; Wang, J. Advanced Capacity-Expansion-Type Unified Power Flow Controller Based on Single-Core Phase-Shifting Transformer. Energies 2025, 18, 766. https://doi.org/10.3390/en18040766

AMA Style

Zhang N, Li H, Fang J, Bi C, Jin X, Wang J. Advanced Capacity-Expansion-Type Unified Power Flow Controller Based on Single-Core Phase-Shifting Transformer. Energies. 2025; 18(4):766. https://doi.org/10.3390/en18040766

Chicago/Turabian Style

Zhang, Ningyu, Huarui Li, Jicheng Fang, Chongze Bi, Xiaokuan Jin, and Jianhua Wang. 2025. "Advanced Capacity-Expansion-Type Unified Power Flow Controller Based on Single-Core Phase-Shifting Transformer" Energies 18, no. 4: 766. https://doi.org/10.3390/en18040766

APA Style

Zhang, N., Li, H., Fang, J., Bi, C., Jin, X., & Wang, J. (2025). Advanced Capacity-Expansion-Type Unified Power Flow Controller Based on Single-Core Phase-Shifting Transformer. Energies, 18(4), 766. https://doi.org/10.3390/en18040766

Note that from the first issue of 2016, this journal uses article numbers instead of page numbers. See further details here.

Article Metrics

Back to TopTop