Power Quality Improvement with Three-Phase Shunt Active Power Filter Prototype Based on Harmonic Component Separation Method with Low-Pass Filter
Abstract
1. Introduction
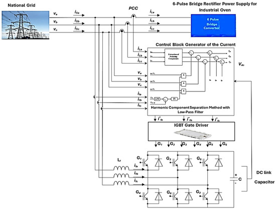
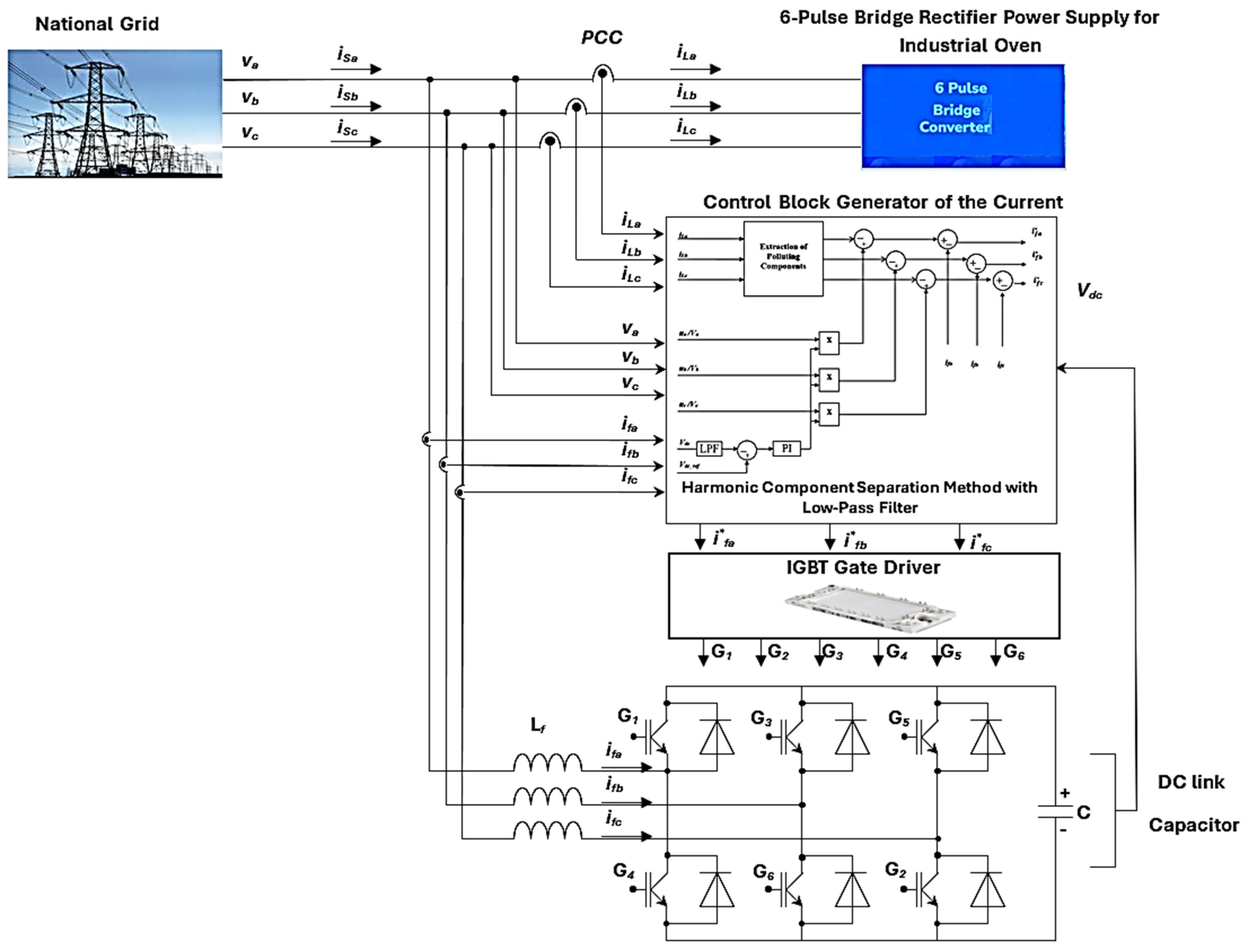
2. Materials and Methods
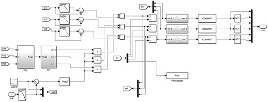
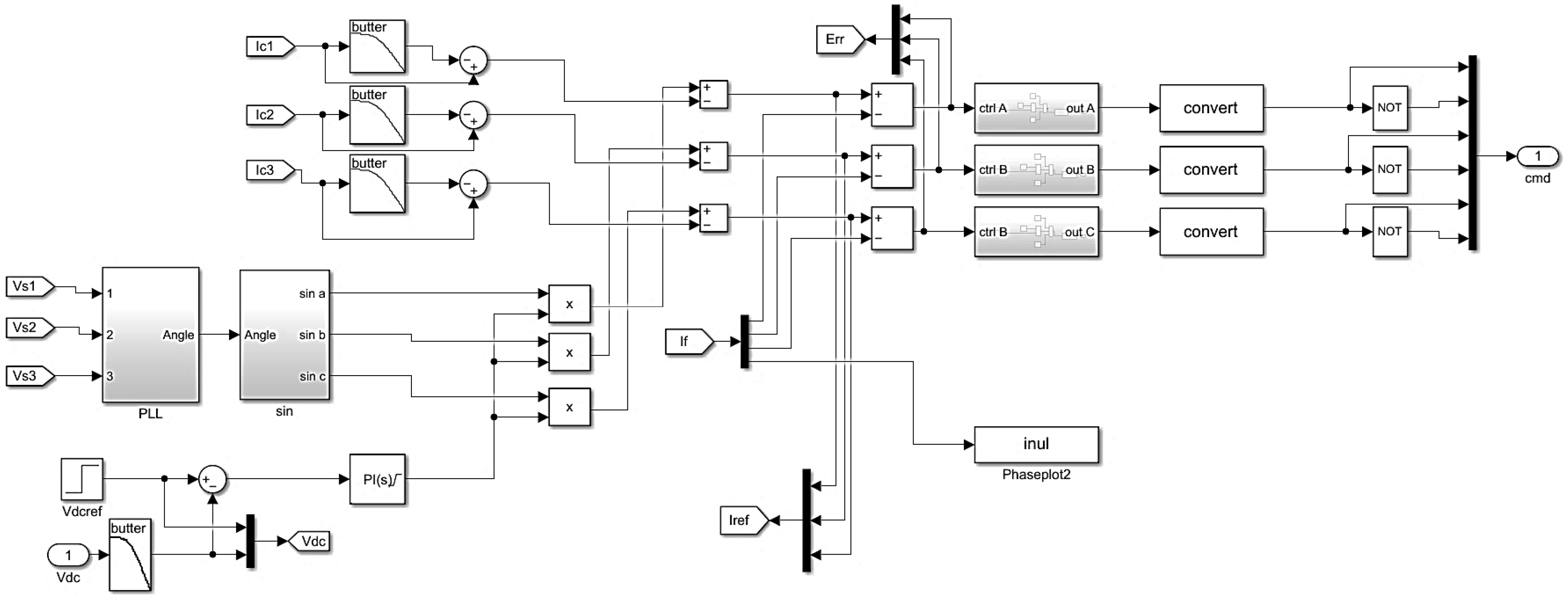
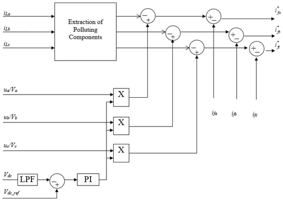
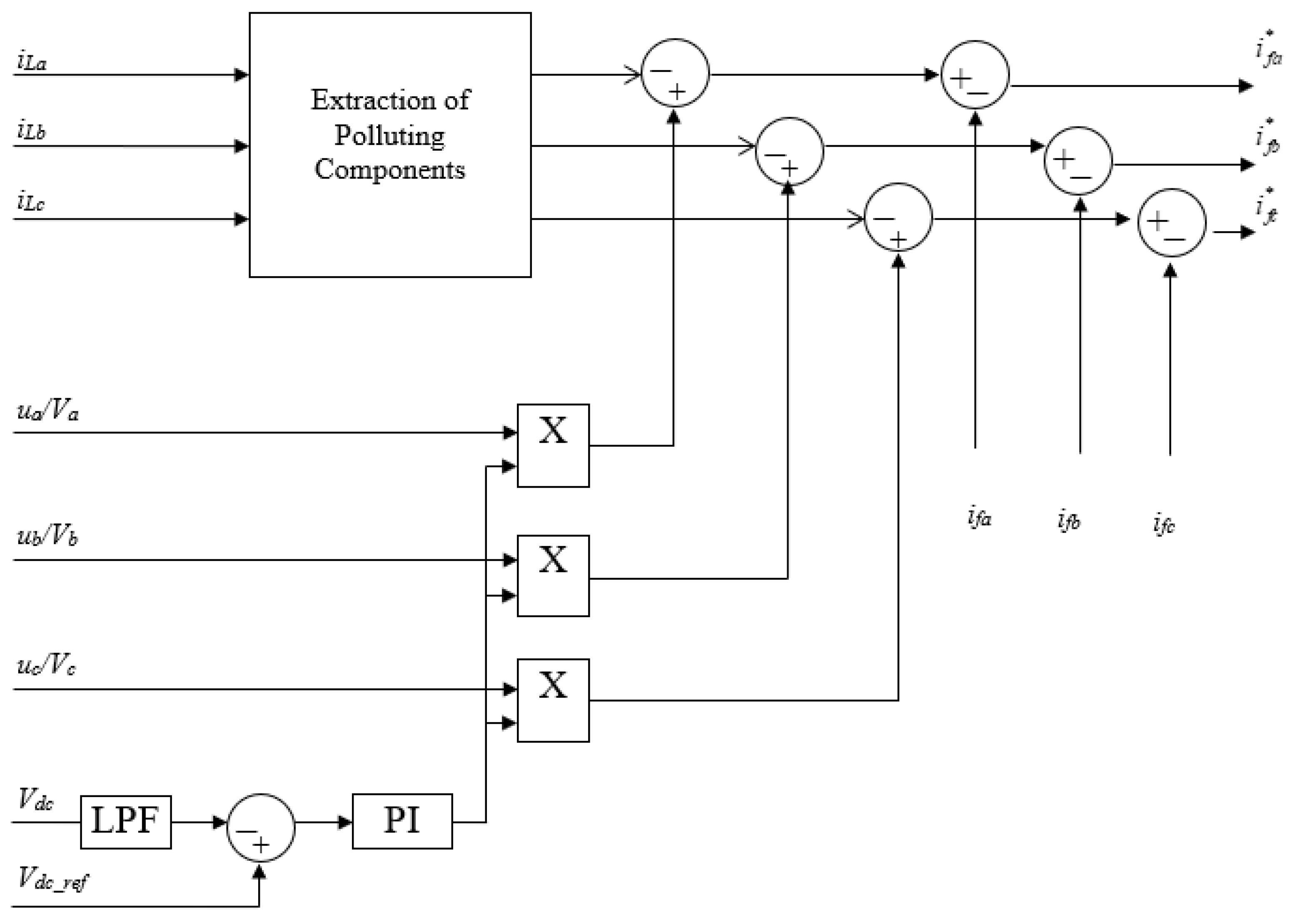
3. Generation of the SAPF Current References
4. Results
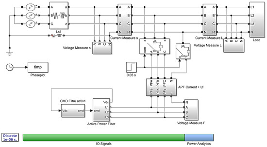
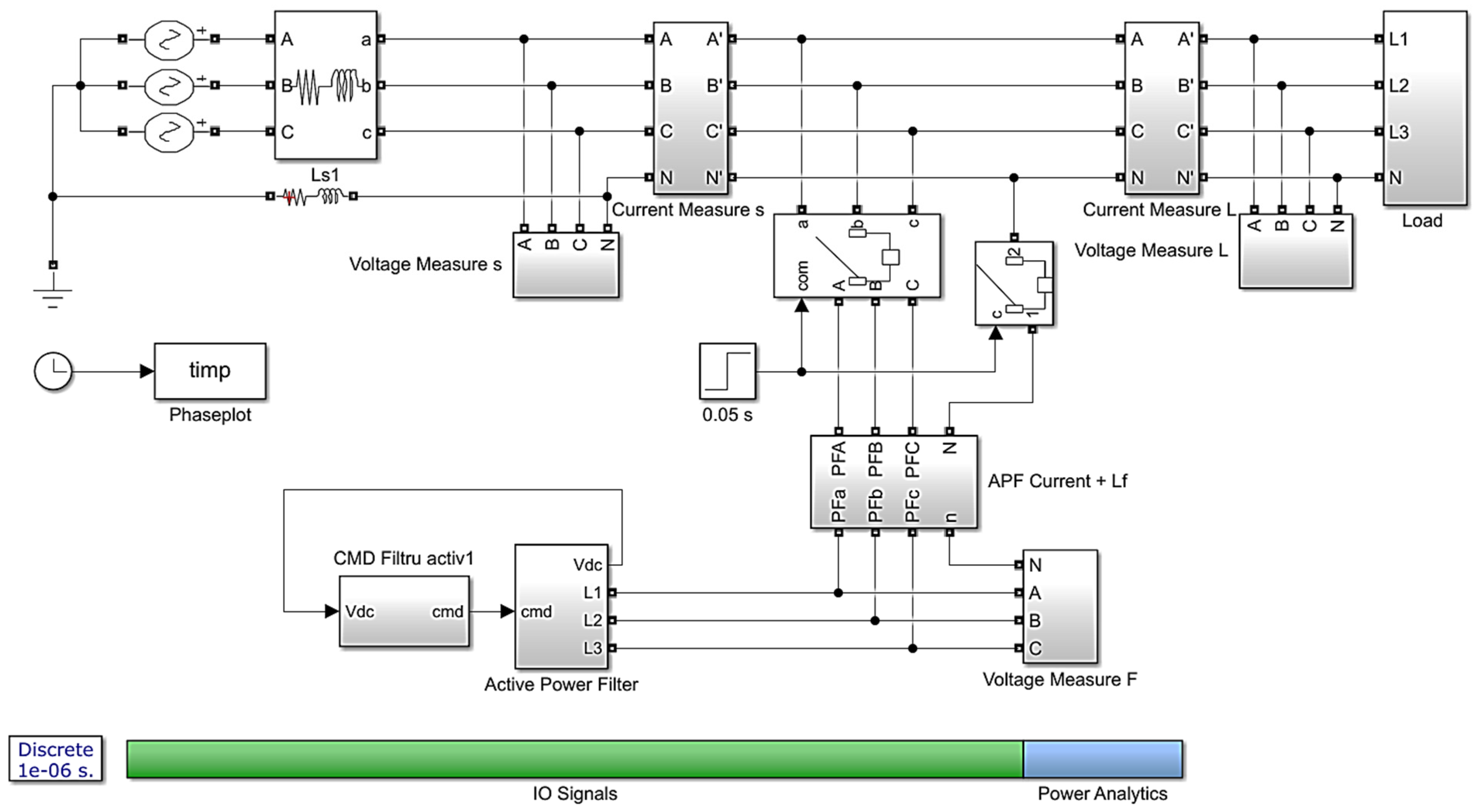
4.1. Numerical Simulation Results
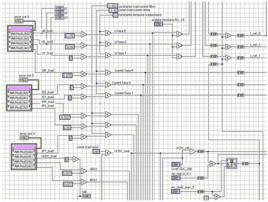
4.2. Experimental Results
5. Conclusions
Author Contributions
Funding
Data Availability Statement
Acknowledgments
Conflicts of Interest
Abbreviations
| APF | Active power filter |
| FPGA | Field-programmable gate array |
| HCSLPF | Harmonic Component Separation Method with a Low–Pass Filter |
| HMI | Human Machine Interface |
| LPF | Low-pass filter |
| PCC | Point of Common Coupling |
| PLL | Phase-locked loop |
| PWM | Pulse width modulation |
| SAPF | Shunt active power filter |
| THD | Total harmonic distortion |
References
- Veronezi, D.; Soulier, M.; Kocsis, T. Energy Solutions for Decarbonization of Industrial Heat Processes. Energies 2024, 17, 5728. [Google Scholar] [CrossRef]
- Wang, Z.; Dou, Z.; Liu, Y.; Guo, J.; Zhao, J.; Yin, W. Research on Microgrid Optimal Scheduling Based on an Improved Honey Badger Algorithm. Electronics 2024, 13, 4491. [Google Scholar] [CrossRef]
- Liu, X.; Liu, X.; Li, L.; Xu, R.; Ban, Q.; Xu, R. Has Trade Liberalization Promoted Energy Efficiency in Enterprises? Sustainability 2024, 16, 9826. [Google Scholar] [CrossRef]
- Song, W.; Cao, X.; Jiang, H.; Li, Z.; Gao, R. Two-Stage Combined Model for Short-Term Electricity Forecasting in Ports. Information 2024, 15, 715. [Google Scholar] [CrossRef]
- Vizitiu, R.; Vizitiu, Ș.; Burlacu, A.; Abid, C.; Balan, M.; Kaba, N. Experimental Investigation of a Water–Air Heat Recovery System. Sustainability 2024, 16, 7686. [Google Scholar] [CrossRef]
- Han, J.; Feng, B.; Chen, Z.; Liang, Z.; Chen, Y.; Liang, X. Simulation and Application of a New Type of Energy-Saving Steel Claw for Aluminum Electrolysis Cells. Sustainability 2024, 16, 8061. [Google Scholar] [CrossRef]
- Xu, H.; Zhang, N.; Li, Z.; Zhuo, Z.; Zhang, Y.; Zhang, Y.; Ding, H. Energy-Saving Speed Planning for Electric Vehicles Based on RHRL in Car following Scenarios. Sustainability 2023, 15, 15947. [Google Scholar] [CrossRef]
- Šolić, A.; Jakus, D.; Vasilj, J.; Jolevski, D. Electric Vehicle Charging Station Power Supply Optimization with V2X Capabilities Based on Mixed-Integer Linear Programming. Sustainability 2023, 15, 16073. [Google Scholar] [CrossRef]
- Hussan, M.; Sarwar, M.; Sarwar, A.; Tariq, M.; Ahmad, S.; Shah Noor Mohamed, A.; Khan, I.; Ali Khan, M. Aquila Optimization Based Harmonic Elimination in a Modified H-Bridge Inverter. Sustainability 2022, 14, 929. [Google Scholar] [CrossRef]
- Prashant; Siddiqui, A.S.; Sarwar, M.; Althobaiti, A.; Ghoneim, S.S.M. Optimal Location and Sizing of Distributed Generators in Power System Network with Power Quality Enhancement Using Fuzzy Logic Controlled D-STATCOM. Sustainability 2022, 14, 3305. [Google Scholar] [CrossRef]
- Rao, S.; Kumar, Y.; Pradeep, D.; Reddy, C.; Flah, A.; Kraiem, H.; Al-Asad, J. Power Quality Improvement in Renewable-Energy-Based Microgrid Clusters Using Fuzzy Space Vector PWM Controlled Inverter. Sustainability 2022, 14, 4663. [Google Scholar] [CrossRef]
- Kumar, Y.; Rao, S.; Padma, K.; Reddy, C.; Pradeep, D.; Flah, A.; Kraiem, H.; Jasiński, M.; Nikolovski, S. Fuzzy Hysteresis Current Controller for Power Quality Enhancement in Renewable Energy Integrated Clusters. Sustainability 2022, 14, 4851. [Google Scholar] [CrossRef]
- Ahmed, M.; Kandil, T.; Ahmed, E. Enhancing Doubly Fed Induction Generator Low-Voltage Ride-through Capability Using Dynamic Voltage Restorer with Adaptive Noise Cancellation Technique. Sustainability 2022, 14, 859. [Google Scholar] [CrossRef]
- Alghaythi, M.; Irudayaraj, G.; Ramu, S.; Govindaraj, P.; Vairavasundaram, I. Mathematical Modeling and Analysis of Capacitor Voltage Balancing for Power Converters with Fewer Switches. Sustainability 2023, 15, 10698. [Google Scholar] [CrossRef]
- Nyamathulla, S.; Chittathuru, D. A Review of Multilevel Inverter Topologies for Grid-Connected Sustainable Solar Photovoltaic Systems. Sustainability 2023, 15, 13376. [Google Scholar] [CrossRef]
- Hoffmann, S.; Bock, M.; Hoene, E. A New Filter Concept for High Pulse-Frequency 3-Phase AFE Motor Drives. Energies 2021, 14, 2814. [Google Scholar] [CrossRef]
- Ertasgin, G.; Whaley, D. Analysis and Optimization of Output Low-Pass Filter for Current-Source Single-Phase Grid-Connected PV Inverters. Appl. Sci. 2024, 14, 10131. [Google Scholar] [CrossRef]
- Rameshkumar, T.; Chandrasekar, P.; Kannadasan, R.; Thiyagarajan, V.; Alsharif, M.; Kim, J. Electrical and Mechanical Characteristics Assessment of Wind Turbine System Employing Acoustic Sensors and Matrix Converter. Sustainability 2022, 14, 4404. [Google Scholar] [CrossRef]
- Anjum, W.; Husain, A.; Abdul Aziz, J.; Fasih ur Rehman, S.; Bakht, M.; Alqaraghuli, H. A Robust Dynamic Control Strategy for Standalone PV System under Variable Load and Environmental Conditions. Sustainability 2022, 14, 4601. [Google Scholar] [CrossRef]
- Akagi, H. New trends in active filters for improving power quality. In Proceedings of the International Conference on Power Electronics, Drives and Energy Systems for Industrial Growth, New Delhi, India, 8–11 January 1996; Volume 1, pp. 417–442. [Google Scholar] [CrossRef]
- Iqbal, M.N.; Baliarsingh, A.K.; Puhan, P.S. Power Quality Improvement using a Novel Controller in Shunt Active Power Filter. In Proceedings of the 2024 1st International Conference on Cognitive, Green and Ubiquitous Computing (IC-CGU), Bhubaneswar, India, 1–2 March 2024; pp. 1–5. [Google Scholar] [CrossRef]
- Ionescu, F.; Six, J.P.; Floricau, D.; Delarue; Nitu, S.; Bogus, C. Electronica de Putere. Convertoare statice (Power Electronics. Static Converters); Editura Tehnica: Bucuresti, Romania, 1998. [Google Scholar]
- EN IEC 61000-6-2:2019; Electromagnetic Compatibility (EMC)—Part 6-2: Generic Standards—Immunity Standard for Industrial Environments. International Electrotechnical Commission: Geneva, Switzerland, 2019.
- EN IEC 61000-6-4:2019; Electromagnetic Compatibility (EMC)—Part 6-4: Generic Standards—Emission Standard for Industrial Environments. International Electrotechnical Commission: Geneva, Switzerland, 2019.
- EN 50178:1997; Electronic Equipment for Use in Power Installations. European Standard: Brussels, Belgium, 1997.
- Hoff, B.; Sulkowski, W. A simple DC-link pre-charging method for three-phase voltage source inverters. In Proceedings of the IECON 2012—38th Annual Conference on IEEE Industrial Electronics Society, Montreal, QC, Canada, 25–28 October 2012. [Google Scholar] [CrossRef]
- Schnetzka, H.R. System for Precharging a DC Link in a Variable Speed Drive. U.S. Patent US7619906B2, 7 July 2009. [Google Scholar]
- Ozguc, M.K.; Ipek, E.; Aras, K.; Erhan, K. Comprehensive Analysis of Pre-Charge Sequence in Automotive Battery Systems. Trans. Environ. Electr. Eng. 2019, 4, 1–6. [Google Scholar] [CrossRef]
- Bose, B.K. An adaptive hysteresis-band current control technique of a voltage-fed PWM inverter for machine drive system. IEEE Trans. Ind. Electron. 1990, 37, 402–408. [Google Scholar] [CrossRef]
- Gupta, N.; Singh, S.P.; Dubey, S.P. DSP based adaptive hysteresis-band current controlled active filter for power quality conditioning under non-sinusoidal supply voltages. Int. J. Eng. Sci. Technol. 2011, 3, 236–252. [Google Scholar] [CrossRef]
- Kumar, R.; Bansal, H.O. Hardware in the loop implementation of wavelet based strategy in shunt active power filter to mitigate power quality issues. Electr. Power Syst. Res. 2019, 169, 92–104. [Google Scholar] [CrossRef]
- Marian, G.; Ionut, E.S.; Constantin, S.R.; Razvan, B. Unification of the Implementation and Testing of Control Algorithms for Three-Phase, Low-Voltage, Parallel-Type Active Power Filters, in Experimental Stand and in Prototypes, Active Power Filters. Patent 137988 A2, 25 August 2022. [Google Scholar]






























| Parameters | Technical Data | ||
|---|---|---|---|
| Rated voltage | 400 V ± 10% [V] | ||
| Nominal frequency | 50 [Hz] | ||
| Rated current | 25 [A] | ||
| Number of phases | 3 phases + PE | ||
| Degree of protection | IP21 | ||
| Cooling method | Forced cooling | ||
| Compliance with standards | EN IEC 61000-6-2 [23], EN IEC 61000-6-4 [24], EN 50178 [25] | ||
| Control method | LabView FPGA, Harmonic Component Separation Method with low-pass filter—HCSLPF | ||
| Communication interface | ETHERNET; RS 232; RS 485; CAN; USB | ||
| Harmonic range | 1–50 (50–2500 Hz/50 Hz) | ||
| Dimensions (L × W × H), mm | 1200 × 300 × 1000 | ||
| Climatic conditions | Ambient temperature | Relative humidity | Atmospheric pressure |
| Operation | 5–40 °C | 5–85% | 86–106 kPA |
| Storage | −25–55 °C | 5–95% | 86–106 kPA |
| Transport | −25–70 °C | 95% | 70–106 kPA |
| Harmonic Level Distortion without SAPF | Harmonic Level Distortion with SAPF | |
|---|---|---|
| THDu [%] | 0.9 | 0.2 |
| THDi [%] | 29.1 | 5.6 |
| Power System | Parameter | Rated Value | SI Units |
|---|---|---|---|
| Power grid | Line voltage (Vs) | 380 | V |
| Grid frequency | 50 | Hz | |
| Nonlinear load | Resistance (R) | 11.75 | Ω |
| Shunt active power filter | Inductance (L) | 0.00356 | H |
| DC link capacitance (C) | 0.0047 | F | |
| Switching frequency (fsw) | 15,000 | Hz | |
| DC link voltage (Vdc) | 690 | V | |
| DC link voltage controller | Proportional gain (kp) | 1.3 | |
| Integral coefficient (ki) | 30 |
Disclaimer/Publisher’s Note: The statements, opinions and data contained in all publications are solely those of the individual author(s) and contributor(s) and not of MDPI and/or the editor(s). MDPI and/or the editor(s) disclaim responsibility for any injury to people or property resulting from any ideas, methods, instructions or products referred to in the content. |
© 2025 by the authors. Licensee MDPI, Basel, Switzerland. This article is an open access article distributed under the terms and conditions of the Creative Commons Attribution (CC BY) license (https://creativecommons.org/licenses/by/4.0/).
Share and Cite
Gaiceanu, M.; Epure, S.; Solea, R.C.; Buhosu, R. Power Quality Improvement with Three-Phase Shunt Active Power Filter Prototype Based on Harmonic Component Separation Method with Low-Pass Filter. Energies 2025, 18, 556. https://doi.org/10.3390/en18030556
Gaiceanu M, Epure S, Solea RC, Buhosu R. Power Quality Improvement with Three-Phase Shunt Active Power Filter Prototype Based on Harmonic Component Separation Method with Low-Pass Filter. Energies. 2025; 18(3):556. https://doi.org/10.3390/en18030556
Chicago/Turabian StyleGaiceanu, Marian, Silviu Epure, Razvan Constantin Solea, and Razvan Buhosu. 2025. "Power Quality Improvement with Three-Phase Shunt Active Power Filter Prototype Based on Harmonic Component Separation Method with Low-Pass Filter" Energies 18, no. 3: 556. https://doi.org/10.3390/en18030556
APA StyleGaiceanu, M., Epure, S., Solea, R. C., & Buhosu, R. (2025). Power Quality Improvement with Three-Phase Shunt Active Power Filter Prototype Based on Harmonic Component Separation Method with Low-Pass Filter. Energies, 18(3), 556. https://doi.org/10.3390/en18030556

