Performance Comparison Between Microstepping and Field-Oriented Control for Hybrid Stepper Motors
Abstract
1. Introduction
2. Hybrid Stepper Motor Model
3. Microstepping Control
Mechanical Resonance
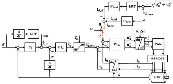
4. Field-Oriented Control with Field Weakening
5. Experimental Results
5.1. Results with Equal to 70
5.2. Results with Equal to 140
5.3. Results with Equal to 48
6. Conclusions
Author Contributions
Funding
Data Availability Statement
Conflicts of Interest
References
- Chung, S.U.; Moon, S.H.; Kim, D.J.; Kim, J.M. Development of a 20-pole–24-slot SPMSM with consequent pole rotor for in-wheel direct drive. IEEE Trans. Ind. Electron. 2016, 63, 302–309. [Google Scholar] [CrossRef]
- Bernardi, F.; Carfagna, E.; Migliazza, G.; Buticchi, G.; Immovilli, F.; Lorenzani, E. Performance analysis of current control strategies for hybrid stepper motors. IEEE Open J. Ind. Electron. Soc. 2022, 3, 460–472. [Google Scholar] [CrossRef]
- Taran, N.; Rallabandi, V.; Heins, G.; Ionel, D.M. Systematically exploring the effects of pole count on the performance and cost limits of ultrahigh efficiency fractional hp axial flux PM machines. IEEE Trans. Ind. Appl. 2020, 56, 117–127. [Google Scholar] [CrossRef]
- Chen, Z.; Gao, X.; Wang, A.; Liang, Z.; Zhang, X. An online open-loop S-curve velocity profile control method for stepping motors on FPGA. IEEE Trans. Ind. Electron. 2024, 71, 16452–16462. [Google Scholar] [CrossRef]
- Hojati, M.; Baktash, A. Design and fabrication of a new hybrid stepper motor with significant improvements in torque density. Eng. Sci. Technol. Int. J. 2021, 24, 1116–1122. [Google Scholar] [CrossRef]
- Derammelaere, S.; Haemers, M.; De Viaene, J.; Verbelen, F.; Stockman, K. A quantitative comparison between BLDC, PMSM, brushed DC and stepping motor technologies. In Proceedings of the 2016 19th International Conference on Electrical Machines and Systems (ICEMS), Chiba, Japan, 13–16 November 2016; pp. 1–5. [Google Scholar]
- Özelçi, E.; Etesami, E.; Rohde, L.A.; Oates, A.C.; Sakar, M.S. A robotic surgery platform for automated tissue micromanipulation in zebrafish embryos. IEEE Robot. Autom. Lett. 2024, 9, 327–334. [Google Scholar] [CrossRef]
- Lenssen, T.; Dankelman, J.; Horeman, T. The SATA-drive: A modular robotic drive for reusable steerable laparoscopic instruments. IEEE Trans. Med. Robot. Bionics 2024, 6, 146–152. [Google Scholar] [CrossRef]
- Zhang, Y.; Meng, M.Q.H.; Liu, L. Design and control of a compact electromagnetically driven laser scanner for robotic-assisted endoscopic microsurgeries. IEEE Trans. Autom. Sci. Eng. 2023, 21, 5997–6010. [Google Scholar] [CrossRef]
- Sun, M.; Yao, Y.; Zhao, X.; Li, L.; Gong, H.; Qiu, J.; Liu, Y.; Zhao, X. Precise aspiration and positioning control based on dynamic model inside and outside the micropipette. IEEE Trans. Autom. Sci. Eng. 2023, 20, 385–393. [Google Scholar] [CrossRef]
- Wang, T.; Song, Z.; Wen, H.; Liu, C. Lower extremity exoskeleton for human spinal cord injury: A comprehensive review. IEEE Open J. Ind. Electron. Soc. 2024, 5, 575–595. [Google Scholar] [CrossRef]
- Wu, Z.; Yao, Y.; Liang, J.; Jiang, F.; Chen, S.; Zhang, S.; Yan, X. Digital twin-driven 3-D position information mutuality and positioning error compensation for robotic arm. IEEE Sensors J. 2023, 23, 27508–27516. [Google Scholar] [CrossRef]
- Groenhuis, V.; Rolff, G.; Bosman, K.; Abelmann, L.; Stramigioli, S. Multi-axis electric stepper motor. IEEE Robot. Autom. Lett. 2021, 6, 7201–7208. [Google Scholar] [CrossRef]
- Yeh, P.C.; Tsai, Y.S.; Lan, C.C. A compliant gripper with two-dimensional force sensing on each finger. IEEE/ASME Trans. Mechatronics 2024, 29, 1041–1051. [Google Scholar] [CrossRef]
- Evangelidis, A.; Dimitriou, N.; Charalampous, P.; Mastos, T.D.; Tzovaras, D. Efficient deep Q-learning for industrial equipment calibration in elevator manufacturing. IEEE Trans. Ind. Inform. 2024, 20, 12220–12230. [Google Scholar] [CrossRef]
- Fathabadi, H. Novel online sensorless dual-axis sun tracker. IEEE/ASME Trans. Mechatronics 2017, 22, 321–328. [Google Scholar] [CrossRef]
- Nguyen, N.D.; Ashraf, I.; Kim, W. Compact model for 3D printer energy estimation and practical energy-saving strategy. Electronics 2021, 10, 483. [Google Scholar] [CrossRef]
- Chou, C.H.; Duan, M.; Okwudire, C.E. A physics-guided data-driven feedforward tracking controller for systems with unmodeled dynamics—Applied to 3D printing. IEEE Access 2023, 11, 14563–14574. [Google Scholar] [CrossRef]
- Li, S.; Chau, K.T.; Liu, W.; Liu, C.; Lee, C.K. Design and control of wireless hybrid stepper motor system. IEEE Trans. Power Electron. 2024, 39, 10518–10531. [Google Scholar] [CrossRef]
- Masi, A.; Butcher, M.; Losito, R.; Picatoste, R. DSP based smart sensorless stepping motor driver for LHC collimators. IEEE Trans. Nucl. Sci. 2013, 60, 3514–3520. [Google Scholar] [CrossRef]
- Masi, A.; Butcher, M.; Martino, M.; Picatoste, R. An application of the extended Kalman filter for a sensorless stepper motor drive working with long cables. IEEE Trans. Ind. Electron. 2012, 59, 4217–4225. [Google Scholar] [CrossRef]
- Rivero-Rodriguez, J.F.; Velarde, L.; Williams, T.; Galdón-Quiroga, J.; García-Muñoz, M.; McClements, K.G. Initial operation of the scintillator-based fast-ion loss detector rotary and reciprocating system in MAST-U. IEEE Trans. Plasma Sci. 2024, 52, 3878–3884. [Google Scholar] [CrossRef]
- Pillans, J. Reducing position errors by vibration optimization of stepper motor drive waveforms. IEEE Trans. Ind. Electron. 2021, 68, 5176–5183. [Google Scholar] [CrossRef]
- Derammelaere, S.; Vervisch, B.; De Belie, F.; Vanwalleghem, B.; Cottyn, J.; Cox, P.; Van den Abeele, G.; Stockman, K.; Vandevelde, L. The efficiency of hybrid stepping motors: Analyzing the impact of control algorithms. IEEE Ind. Appl. Mag. 2014, 20, 50–60. [Google Scholar] [CrossRef]
- Jiang, S.B.; Chuang, H.C.; Kung, C.W.; Deng, X.G.; Shen, Y.P.; Chen, L.W. Innovative microstepping motor controller with excitation angle-current dual-loop feedback control. IEEE Access 2023, 11, 62382–62393. [Google Scholar] [CrossRef]
- Zhou, W.; Li, X.; Qian, J.; Xia, M.; Pu, Y.; Jiang, P.; Huang, J. Frequency modulation based on hyperbolic tangent function for position closed loop control of stepper motor. IEEE Access 2023, 11, 65066–65074. [Google Scholar] [CrossRef]
- Lixian, S.; Rahiman, W. A compound control for hybrid stepper motor based on PI and sliding mode control. IEEE Access 2024, 12, 163536–163550. [Google Scholar] [CrossRef]
- Matsui, N.; Nakamura, M.; Kosaka, T. Instantaneous torque analysis of hybrid stepping motor. IEEE Trans. Ind. Appl. 1996, 32, 1176–1182. [Google Scholar] [CrossRef]
- Arias, A.; Caum, J.; Ibarra, E.; Griñó, R. Reducing the cogging torque effects in hybrid stepper machines by means of resonant controllers. IEEE Trans. Ind. Electron. 2019, 66, 2603–2612. [Google Scholar] [CrossRef]
- Carfagna, E.; Migliazza, G.; Immovilli, F.; Verrelli, C.M.; Lorenzani, E. PMSM-model-based sensorless control of hybrid stepper motors: Performance and robustness to parameters dispersion. In Proceedings of the IECON 2020 The 46th Annual Conference of the IEEE Industrial Electronics Society, Singapore, 18–21 October 2020; pp. 1063–1068. [Google Scholar] [CrossRef]
- EL-Refaie, A.; Jahns, T. Optimal flux weakening in surface PM machines using fractional-slot concentrated windings. IEEE Trans. Ind. Appl. 2005, 41, 790–800. [Google Scholar] [CrossRef]
- Liu, H.; Zhu, Z.Q.; Mohamed, E.; Fu, Y.; Qi, X. Flux-weakening control of nonsalient pole PMSM having large winding inductance, accounting for resistive voltage drop and inverter nonlinearities. IEEE Trans. Power Electron. 2012, 27, 942–952. [Google Scholar] [CrossRef]
- Miguel-Espinar, C.; Heredero-Peris, D.; Gross, G.; Llonch-Masachs, M.; Montesinos-Miracle, D. Maximum torque per voltage flux-weakening strategy with speed limiter for PMSM drives. IEEE Trans. Ind. Electron. 2021, 68, 9254–9264. [Google Scholar] [CrossRef]
- Verrelli, C.M.; Carfagna, E.; Frigieri, M.; Crinto, A.S.; Lorenzani, E. A new Bernard–Praly-like observer for sensorless IPMSMs. Automatica 2022, 140, 110266. [Google Scholar] [CrossRef]
- Lara, J.; Xu, J.; Chandra, A. Effects of rotor position error in the performance of field-oriented-controlled PMSM drives for electric vehicle traction applications. IEEE Trans. Ind. Electron. 2016, 63, 4738–4751. [Google Scholar] [CrossRef]
- Lara, J.; Xu, J.; Chandra, A. A novel algorithm based on polynomial approximations for an efficient error compensation of magnetic analog encoders in PMSMs for EVs. IEEE Trans. Ind. Electron. 2016, 63, 3377–3388. [Google Scholar] [CrossRef]
- Li, W.; Cai, N.; Ning, Z.; Dong, Y.; Wang, H. Error compensation for optical encoder via local-sinusoidal-assisted empirical mode decomposition with an optimization scheme. IEEE Trans. Ind. Electron. 2022, 69, 9596–9604. [Google Scholar] [CrossRef]
- Chuang, H.C.; Kung, C.W.; Chen, L.W.; Jiang, S.B. Nonlinear error correction for magnetic encoders. IEEE Sensors J. 2023, 23, 9129–9135. [Google Scholar] [CrossRef]
- Scelba, G.; De Donato, G.; Elsman, A.A.M.; Tornello, L.D.; Scarcella, G.; Capponi, F.G. Resolution of rotor position measurement: Modeling and impact on speed estimation. IEEE J. Emerg. Sel. Top. Power Electron. 2022, 10, 1992–2004. [Google Scholar] [CrossRef]
- Bellini, A.; Concari, C.; Franceschini, G.; Toscani, A. Mixed-mode PWM for high-performance stepping motors. IEEE Trans. Ind. Electron. 2007, 54, 3167–3177. [Google Scholar] [CrossRef]
- Acarnley, P. Stepping Motors: A Guide to Theory and Practice; IEE Control Engineering Series; Institution of Electrical Engineers: London, UK, 2002. [Google Scholar]
- Senjyu, T.; Uezato, K. Stability analysis and suppression control of rotor oscillation for stepping motors by Lyapunov’s direct method. IEEE Trans. Power Electron. 1995, 10, 333–339. [Google Scholar] [CrossRef]
- Kwon, T.S.; Sul, S.K. Novel antiwindup of a current regulator of a surface-mounted permanent-magnet motor for flux-weakening control. IEEE Trans. Ind. Appl. 2006, 42, 1293–1300. [Google Scholar] [CrossRef]
- Kwon, Y.C.; Kim, S.; Sul, S.K. Voltage feedback current control scheme for improved transient performance of permanent magnet synchronous machine drives. IEEE Trans. Ind. Electron. 2012, 59, 3373–3382. [Google Scholar] [CrossRef]











| Parameter | Stepper 1 | Stepper 2 | Stepper 3 | Stepper 4 | |
|---|---|---|---|---|---|
| Nominal phase current | [] | 10 | 10 | 9 | 9 |
| Rotor teeth | [Adim.] | 50 | 50 | 50 | 50 |
| Stator resistance | [] | 0.23 | 0.22 | 0.16 | 0.12 |
| Stator inductance | [] | 2.3 | 2.3 | 1.5 | 0.85 |
| Torque constant | [] | 0.8 | 0.74 | 0.51 | 0.25 |
| Nominal torque | [] | 7.2 | 6.5 | 4.2 | 2.1 |
| Nominal speed (with of 70 ) | [] | 30 | 35 | 50 | 100 |
| Maximum speed | [] | 314 | 314 | 314 | 314 |
| Weight | M [] | 5.2 | 4.2 | 3 | 2 |
Disclaimer/Publisher’s Note: The statements, opinions and data contained in all publications are solely those of the individual author(s) and contributor(s) and not of MDPI and/or the editor(s). MDPI and/or the editor(s) disclaim responsibility for any injury to people or property resulting from any ideas, methods, instructions or products referred to in the content. |
© 2025 by the authors. Licensee MDPI, Basel, Switzerland. This article is an open access article distributed under the terms and conditions of the Creative Commons Attribution (CC BY) license (https://creativecommons.org/licenses/by/4.0/).
Share and Cite
Carfagna, E.; Migliazza, G.; Medici, M.; Lorenzani, E. Performance Comparison Between Microstepping and Field-Oriented Control for Hybrid Stepper Motors. Energies 2025, 18, 553. https://doi.org/10.3390/en18030553
Carfagna E, Migliazza G, Medici M, Lorenzani E. Performance Comparison Between Microstepping and Field-Oriented Control for Hybrid Stepper Motors. Energies. 2025; 18(3):553. https://doi.org/10.3390/en18030553
Chicago/Turabian StyleCarfagna, Emilio, Giovanni Migliazza, Marcello Medici, and Emilio Lorenzani. 2025. "Performance Comparison Between Microstepping and Field-Oriented Control for Hybrid Stepper Motors" Energies 18, no. 3: 553. https://doi.org/10.3390/en18030553
APA StyleCarfagna, E., Migliazza, G., Medici, M., & Lorenzani, E. (2025). Performance Comparison Between Microstepping and Field-Oriented Control for Hybrid Stepper Motors. Energies, 18(3), 553. https://doi.org/10.3390/en18030553

