Passivity Enhancement Strategy for Voltage-Controlled Aviation Converters with High Harmonic Mitigation Performance
Abstract
1. Introduction
2. Proportional Current Feedback Based Passivity Enhancement Method
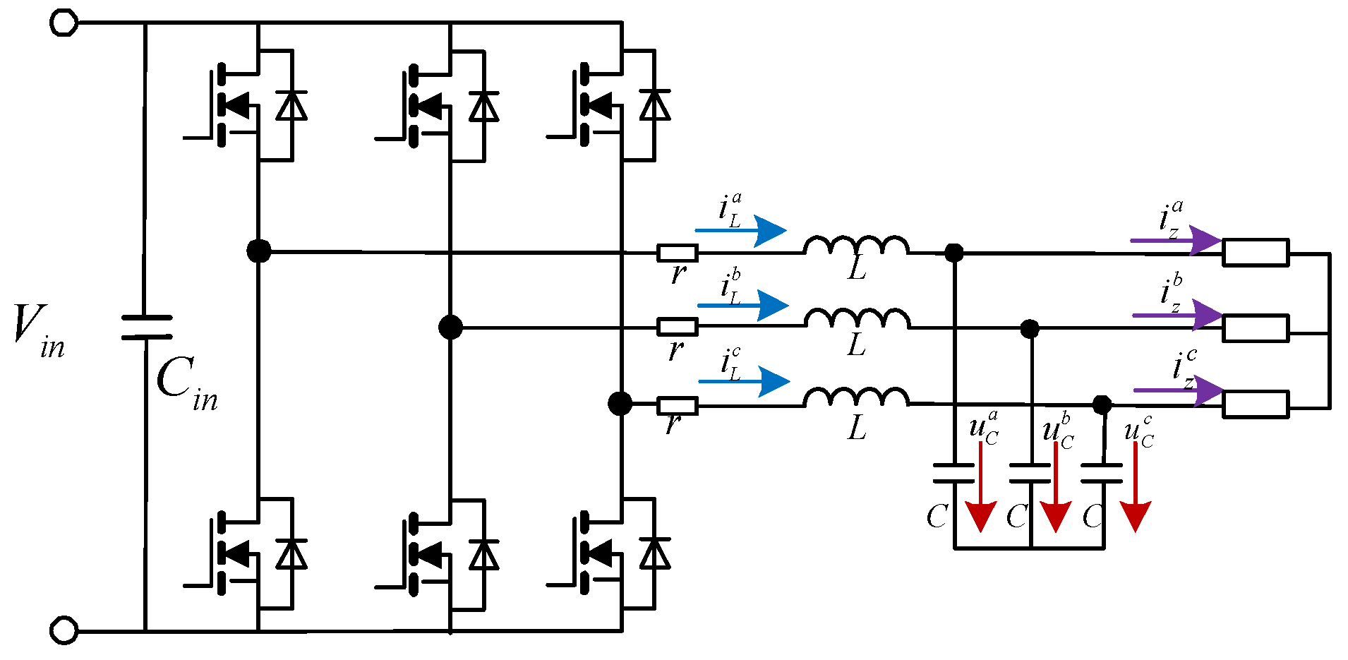
2.1. Impedance Model of the Inverter
2.2. Passive Region of the Inverter
3. SOGI Based Current Feedforward Control Strategy for Passivity Enhancement
4. Passivity-Based Resonant Controller Design Strategy
5. Simulation Results
6. Experimental Results
7. Conclusions
Author Contributions
Funding
Data Availability Statement
Conflicts of Interest
References
- Barzkar, A.; Ghassemi, M. Components of Electrical Power Systems in More and All-Electric Aircraft: A Review. IEEE Trans. Transp. Electr. 2022, 8, 4037–4053. [Google Scholar] [CrossRef]
- Buticchi, G.; Wheeler, P.; Boroyevich, D. The More-Electric Aircraft and Beyond. Proc. IEEE 2023, 111, 356–370. [Google Scholar]
- Catalbas, N.; Pakfiliz, A.G.; Soysal, G. Multilevel Aircraft-Inverter Design Based on Wavelet PWM for More Electric Aircraft. Energies 2024, 17, 2054. [Google Scholar] [CrossRef]
- Emadi, K.; Ehsani, M. Aircraft power systems: Technology, state of the art, and future trends. IEEE Aerosp. Electron. Syst. Mag. 2000, 15, 28–32. [Google Scholar] [CrossRef]
- Sakharuk, T.; Lehman, B.; Stankovic, A. Effects of finite switching frequency and delay on PWM controlled systems. IEEE Trans. Circuits Syst. I Fundam. Theory Appl. 2000, 47, 555–567. [Google Scholar] [CrossRef]
- Liserre, M.; Blaabjerg, F.; Hansen, S. Design and control of an LCL filter-based three-phase active rectifier. IEEE Trans. Ind. Appl. 2005, 41, 1281–1291. [Google Scholar] [CrossRef]
- Wu, W.; He, Y.; Tang, Y.; Blaabjerg, F. A new design method for the passive damped LCL and LLCL filter-based single-phase grid-tied inverter. IEEE Trans. Ind. Electron. 2013, 60, 4339–4350. [Google Scholar] [CrossRef]
- Tang, Y.; Loh, P.; Wang, P.; Choo, F.; Gao, F.; Blaabjerg, F. Generalized design of high performance shunt active power filter with output LCL filter. IEEE Trans. Ind. Electron. 2012, 59, 1443–1452. [Google Scholar]
- Zhang, H.; Wang, X.; He, Y.; Pan, D.; Ruan, X. A Compensation Method to Eliminate the Impact of Time Delay on Capacitor-Current Active Damping. IEEE Trans. Ind. Electron. 2022, 69, 7512–7516. [Google Scholar] [CrossRef]
- Chen, W.; Zhang, Y.; Tu, Y.; Guan, Y.; Shen, K.; Liu, J. Unified Active Damping Strategy Based on Generalized Virtual Impedance in LCL-Type Grid-Connected Inverter. IEEE Trans. Ind. Electron. 2023, 70, 8129–8139. [Google Scholar] [CrossRef]
- Matijevic, E.; Sharma, R.; Zare, F.; Kumar, D. Extremum Seeking as a Tool for Active Damping of Active Front-End Converters. IEEE Trans. Ind. Electron. 2023, 70, 3404–3413. [Google Scholar] [CrossRef]
- Chen, W.; Zhang, Y.; Tu, Y.; Shen, K.; Liu, J. Active Damping Control for LCL Filters with Inverter-Side Current Feedback Only. IEEE Trans. Power Electron. 2022, 37, 10065–10069. [Google Scholar] [CrossRef]
- Parker, S.; McGrath, B.; Holmes, D. Regions of active damping control for LCL filters. IEEE Trans. Ind. Appl. 2014, 50, 424–432. [Google Scholar] [CrossRef]
- Akhavan, A.; Mohammadi, H.; Vasquez, J.; Guerrero, J. Passivity-based design of plug-and-play current-controlled grid-connected inverters. IEEE Trans. Power Electron. 2020, 35, 2135–2150. [Google Scholar] [CrossRef]
- Li, C.; Xie, C.; Ma, G.; Peng, C.; Zou, J. Passivity and Injection Current Quality Enhancement for Single Inverter-Side Current Feedback LCL-Type Grid-Following Inverters. IEEE J. Emerg. Sel. Top. Power Electron. 2025, 13, 2500–2511. [Google Scholar] [CrossRef]
- Huang, Y.; Xie, C.; Peng, C.; Zhou, D.; Zou, J. Rethink and Design of Capacitor-Current-Feedback Active Damping for Grid-Following Inverters from a Passivity Enhancement Perspective. IEEE J. Emerg. Sel. Top. Power Electron. 2024, 12, 2947–2959. [Google Scholar] [CrossRef]
- Ye, J.; Wang, H.; Li, B.; Huang, Y.; Xu, J.; Shen, A. Passivity-Based Controller Design of PCC Voltage Feedforward Active Damping for Grid-Connected Inverters. IEEE Trans. Ind. Electron. 2024, 71, 8752–8762. [Google Scholar] [CrossRef]
- Zhang, Y.; Li, K.; Zhang, L. Hybrid ANPC Grid-Tied Inverter Design with Passivity-Based Sliding Mode Control Strategy. Energies 2024, 17, 3655. [Google Scholar] [CrossRef]
- Xia, Y.; Li, H.; Ye, S.; Shi, J.; Yang, Y.; Li, K. Enhanced MMC-HVDC Power Control via Adaptive VSG-PBC in Weak Grid Environments. Energies 2025, 18, 3327. [Google Scholar] [CrossRef]
- Wen, B.; Burgos, R.; Boroyevich, D.; Mattavelli, P.; Shen, Z. AC stability analysis and DQ frame impedance specifications in power-electronics based distributed power systems. IEEE J. Emerg. Sel. Top. Power Electron. 2017, 5, 1455–1465. [Google Scholar] [CrossRef]
- Sun, J. Impedance-based stability criterion for grid-connected inverters. IEEE Trans. Power Electron. 2011, 26, 3075–3078. [Google Scholar] [CrossRef]
- Harnefors, L.; Wang, X.; Yepes, A.; Blaabjerg, F. Passivity-based stability assessment of grid-connected VSCs: An overview. IEEE J. Emerg. Sel. Top. Power Electron. 2016, 4, 116–125. [Google Scholar] [CrossRef]
- Brune, O. Synthesis of a Finite Two-Terminal Network Whose Driving-Point Impedance Is a Prescribed Function of Frequency. Ph.D. Thesis, Massachusetts Institute of Technology, Cambridge, MA, USA, 1931. [Google Scholar]
- Xie, C.; Li, K.; Zou, J. Passivity-Based Design of Grid-Side Current-Controlled LCL-Type Grid-Connected Inverters. IEEE Trans. Power Electron. 2020, 35, 9813–9823. [Google Scholar] [CrossRef]
- Harnefors, L.; Yepes, A.; Vidal, A.; Doval-Gandoy, J. Passivity-based controller design of grid-connected VSCs for prevention of electrical resonance instability. IEEE Trans. Ind. Electron. 2015, 62, 702–710. [Google Scholar] [CrossRef]
- Li, S.; Lin, H. Passivity Enhancement-Based General Design of Capacitor Current Active Damping for LCL-Type Grid-Tied Inverter. IEEE Trans. Power Electron. 2023, 38, 8223–8236. [Google Scholar] [CrossRef]
- Chen, H.; Cheng, P.; Wang, X. A Passivity-Based Stability Analysis of the Active Damping Technique in the Offshore Wind Farm Applications. IEEE Trans. Ind. Appl. 2018, 54, 5074–5082. [Google Scholar] [CrossRef]
- He, Y.; Wang, X.; Ruan, X. Capacitor-Current Proportional-Integral Positive Feedback Active Damping for LCL-Type Grid-Connected Inverter to Achieve High Robustness Against Grid Impedance Variation. IEEE Trans. Power Electron. 2019, 34, 12423–12436. [Google Scholar] [CrossRef]
- Wang, X.; Blaabjerg, F.; Loh, P. Passivity-Based Stability Analysis and Damping Injection for Multi-paralleled VSCs with LCL Filters. IEEE Trans. Power Electron. 2017, 32, 8922–8935. [Google Scholar] [CrossRef]
- Liao, Y.; Wang, X.; Blaabjerg, F. Passivity-Based Analysis and Design of Linear Voltage Controllers For Voltage-Source Converters. IEEE Open J. Ind. Electron. Soc. 2020, 1, 114–126. [Google Scholar] [CrossRef]
- Wu, G.; He, Y.; Zhang, H. Passivity-Based Stability Analysis and Generic Controller Design for Grid-Forming Inverter. IEEE Trans. Power Electron. 2023, 38, 5832–5843. [Google Scholar] [CrossRef]
- Petric, I.; Mattavelli, P.; Buso, S. Multi-Sampled Grid-Connected VSCs: A Path Toward Inherent Admittance Passivity. IEEE Trans. Power Electron. 2022, 37, 7675–7687. [Google Scholar] [CrossRef]
- Petric, I.; Mattavelli, P.; Buso, S. Investigation of Nonlinearities Introduced by Multi-sampled Pulse-width Modulators. IEEE Trans. Power Electron. 2022, 37, 2538–2550. [Google Scholar] [CrossRef]
- Zmood, D.; Holmes, D. Stationary frame current regulation of PWM inverters with zero steady-state error. IEEE Trans. Power Electron. 2003, 18, 814–822. [Google Scholar] [CrossRef]
- Rodriguez, P.; Luna, A.; Candela, I. Grid synchronization of power converters using multiple second order generalized integrators. In Proceedings of the 2008 34th Annual Conference of IEEE Industrial Electronics, Orlando, FL, USA, 10–13 November 2008; pp. 755–760. [Google Scholar]
- Li, M.; Matas, J.; Mariachet, J.E.; Branco, C.G.C.; Guerrero, J.M. A Fast Power Calculation Algorithm for Three-Phase Droop-Controlled-Inverters Using Combined SOGI Filters and Considering Nonlinear Loads. Energies 2022, 15, 7360. [Google Scholar] [CrossRef]
- Yepes, A.; Freijedo, F.; Lopez, O.; Doval-Gandoy, J. Analysis and Design of Resonant Current Controllers for Voltage-Source Converters by Means of Nyquist Diagrams and Sensitivity Function. IEEE Trans. Ind. Electron. 2011, 58, 5231–5250. [Google Scholar] [CrossRef]
- Yepes, A.; Freijedo, F.; Doval-Gandoy, J.; López, Ó.; Malvar, J.; Fernandez-Comesaña, P. Effects of Discretization Methods on the Performance of Resonant Controllers. IEEE Trans. Power Electron. 2010, 25, 1692–1712. [Google Scholar] [CrossRef]
- MIL-STD-704F; Aircraft Electric Power Characteristics. Department of Defense: Arlington, VA, USA, 2004.


















| Parameters | Symbol | Value |
|---|---|---|
| Filter inductor | L | 0.2 mH |
| Filter capacitor | C | 2 μF |
| Fundamental frequency | fg | 400 Hz |
| Sampling frequency | fs | 50 kHz |
| Switching frequency | fsw | 50 kHz |
| Nominal power | Po | 5 kW |
| Current controller | Gi | 1.9 |
| Voltage controller | Krp | 0.35 |
| Krv | 500 | |
| Voltage feedforward coefficient | Hv | 1 |
| Angle | φ1* | φ5* | φ7* | φ11* | φ13* | φ17* | φ19* | φ23* |
|---|---|---|---|---|---|---|---|---|
| rad | 0 | 0.7 | 0.9 | 1.9 | 2.5 | 3.01 | 3.28 | 3.81 |
| Parameters | Symbol | Value |
|---|---|---|
| Nominal input voltage | Vdc | 360 V |
| Nominal voltage | Vo | 115 V/400 Hz |
| Nominal power | Po | 5 kW |
| Switching frequency | fsw | 50 kHz |
| Filter inductance | L | 0.2 mH |
| Filter capacitor | C | 2 μF |
| Control Scheme | THD (%) |
|---|---|
| Without resonant controller | 16.05% ± 0.3% |
| With resonant controller | 4.19% ± 0.3% |
Disclaimer/Publisher’s Note: The statements, opinions and data contained in all publications are solely those of the individual author(s) and contributor(s) and not of MDPI and/or the editor(s). MDPI and/or the editor(s) disclaim responsibility for any injury to people or property resulting from any ideas, methods, instructions or products referred to in the content. |
© 2025 by the authors. Licensee MDPI, Basel, Switzerland. This article is an open access article distributed under the terms and conditions of the Creative Commons Attribution (CC BY) license (https://creativecommons.org/licenses/by/4.0/).
Share and Cite
Zhao, X.; Wu, A.; Jia, Y.; Chen, X.; Li, X.; Wu, X. Passivity Enhancement Strategy for Voltage-Controlled Aviation Converters with High Harmonic Mitigation Performance. Energies 2025, 18, 5551. https://doi.org/10.3390/en18205551
Zhao X, Wu A, Jia Y, Chen X, Li X, Wu X. Passivity Enhancement Strategy for Voltage-Controlled Aviation Converters with High Harmonic Mitigation Performance. Energies. 2025; 18(20):5551. https://doi.org/10.3390/en18205551
Chicago/Turabian StyleZhao, Xin, Anzhen Wu, Yaoshun Jia, Xiliang Chen, Xiangke Li, and Xiaohua Wu. 2025. "Passivity Enhancement Strategy for Voltage-Controlled Aviation Converters with High Harmonic Mitigation Performance" Energies 18, no. 20: 5551. https://doi.org/10.3390/en18205551
APA StyleZhao, X., Wu, A., Jia, Y., Chen, X., Li, X., & Wu, X. (2025). Passivity Enhancement Strategy for Voltage-Controlled Aviation Converters with High Harmonic Mitigation Performance. Energies, 18(20), 5551. https://doi.org/10.3390/en18205551
