Next Article in Journal
Digital Twin Framework for Energy Transition in Gas Networks Based on Open-Source Tools: Methodology and Case Study in Southern Italy
Previous Article in Journal
Impact of Courtyard Microclimate on Building Thermal Performance Under Hot Weather Conditions: A Review
 
 
Font Type:
Arial Georgia Verdana
Font Size:
Aa Aa Aa
Line Spacing:
Column Width:
Background:
Article

Operational Matching Optimization of Large-Scale Natural Gas Storage Compressor Units

1
Zhongyou Liaohe Engineering Co., Ltd., Panjin 124010, China
2
Liaohe Oilfield (Panjin) Gas Storage Co., Ltd., Panjin 124200, China
3
PetroChina Liaohe Oilfield Company, Panjin 124009, China
4
School of Energy and Power Engineering, Xi’an Jiaotong University, Xi’an 710049, China
*
Author to whom correspondence should be addressed.
Energies 2025, 18(20), 5435; https://doi.org/10.3390/en18205435
Submission received: 15 September 2025 / Revised: 5 October 2025 / Accepted: 7 October 2025 / Published: 15 October 2025

Abstract

As a core device in the natural gas supply chain, the compressor unit of the gas storage reservoir is crucial to the improvement of storage and transportation efficiency through its operation optimization. Based on the basic structure, working principle, and layout mode of the compressor unit of the gas-storage reservoir, this paper establishes a mathematical model for the operation optimization of the compressor unit, proposes an optimization method for the series-parallel operation of the compressor unit, and develops optimization software for the matching operation of the compressor unit. Aiming at the compressor unit used in the gas-storage reservoir with the largest gas injection and production capacity in China, this paper analyzes the variation laws of the compressor inlet temperature and the inlet and outlet pressures during the gas injection cycle, conducts research on the operation-matching optimization of the compressor unit within a one-month long cycle, and obtains the optimization scheme of the series-operation of the compressor unit and the energy-consumption results. Compared with the actual operation data, the monthly power consumption is reduced by 5.12%. The operation optimization situation of the compressor unit on typical days is analyzed to obtain the operation optimization law of the series-connected compressor unit. This research provides a theoretical basis and practical guidance for the operation-scheme optimization of the compressor unit of the gas-storage reservoir and has important practical application value.

1. Introduction

With the growing global energy demand, natural gas has gained more attention. It has high combustion efficiency and low pollutant emissions, so it has clear advantages in cutting greenhouse gas emissions and improving air quality [1,2]. Gas storage facilities are crucial in the natural gas supply chain: they regulate supply–demand balance, ensure supply security, and respond to seasonal demand fluctuations and emergencies. Their regulatory role enables a stable natural gas supply during peak demand, preventing market fluctuations from supply–demand imbalances [3,4].
As the core equipment of gas storage facilities, the operational efficiency and reliability of compressors directly affect the natural gas storage and transportation capacity [5,6]. Moreover, for large-scale gas storage facilities with high-pressure ratios, multiple compressors are often combined into a compressor unit for series-parallel operation, and there is a certain adjustment space for the flow rate and pressure ratio distribution of each compressor. Therefore, optimizing the operational scheme of compressor units is of great significance for improving the overall efficiency of gas storage facilities.
Traditional operational schemes of compressor units are often based on fixed operational parameters and empirical rules, lacking the ability to dynamically adapt to actual working conditions. With the introduction of advanced sensor technology and data analysis algorithms, real-time monitoring of the operational status of compressors has become achievable. Xiaojuan Ma et al. [7] extracted the operational characteristics of compressors and trained a compressor state diagnosis model based on convolutional neural networks to determine the types of compressor faults. With the development of technology and the advancement of data analysis methods, compressor operational optimization schemes based on real-time monitoring and dynamic adjustment have gradually become feasible. Junnan Song et al. [8] developed a centrifugal compressor control system to perform adaptive control on a single centrifugal compressor and evaluate its performance; Li Houpei et al. [9] regulated the photovoltaic air-conditioning compressor based on the DP algorithm to achieve the operational optimization of the entire system. For compressor units composed of multiple compressors, dynamic adjustment of each compressor can also be used to optimize the operational scheme of the unit. Luo Jinping et al. [10] established a model of parallel compressors and load pipeline systems, realized the maximum operational efficiency of the parallel compressor system, and proposed a load distribution strategy under variable working conditions of the system. Previous studies have conducted certain research on the regulation of single compressors and parallel units, but there is less research on the regulation of series compressor units. In the application scenarios of series compressor units, optimizing operational parameters can significantly improve the energy efficiency of the compressor unit, reduce operational costs, and extend the service life of equipment [11,12].
This study aims to explore the optimized operational scheme of series compressor units in gas storage facilities. First, the basic structure and working principle of the compressor unit are introduced, and the main factors affecting its operational efficiency are analyzed. The performance of the compressor unit is affected by multiple factors, including rotational speed, load distribution, and cooling system [13,14,15]. Through in-depth analysis of these factors, the key points for optimization can be identified. Next, an optimization scheme based on real-time monitoring and dynamic adjustment is proposed, and the optimal working conditions of the compressor unit are achieved by adjusting the rotational speed of the compressor. This scheme not only considers the operational efficiency of the equipment but also takes into account the reliability and service life of the equipment. Finally, the effect of the optimized scheme is evaluated through experimental verification and data analysis.

2. Methods

2.1. Overview of the Compressor Unit

The gas storage compressor studied in this paper is a two-cylinder compressor [16,17], which is composed of high-pressure cylinders, low-pressure cylinders, and intermediate coolers connected in series. This structure can meet the working requirements of high-pressure ratios in gas storage facilities. The design of the two-cylinder compressor has significant advantages in handling high-pressure ratio working conditions, which can effectively improve compression efficiency and reduce energy loss [18]. The series configuration of high-pressure and low-pressure cylinders makes the compression process more stable, reduces the mechanical stress and thermal stress that may be caused by single-stage compression, and thus improves the reliability and service life of the equipment. The intermediate cooler is used to reduce the heat generated during the compression process, so that the temperature of the gas entering the low-pressure cylinder is lower, thereby improving the overall compression efficiency and reducing energy consumption [19,20].
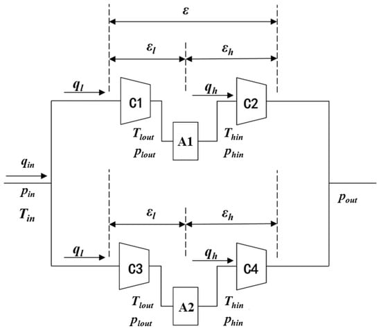
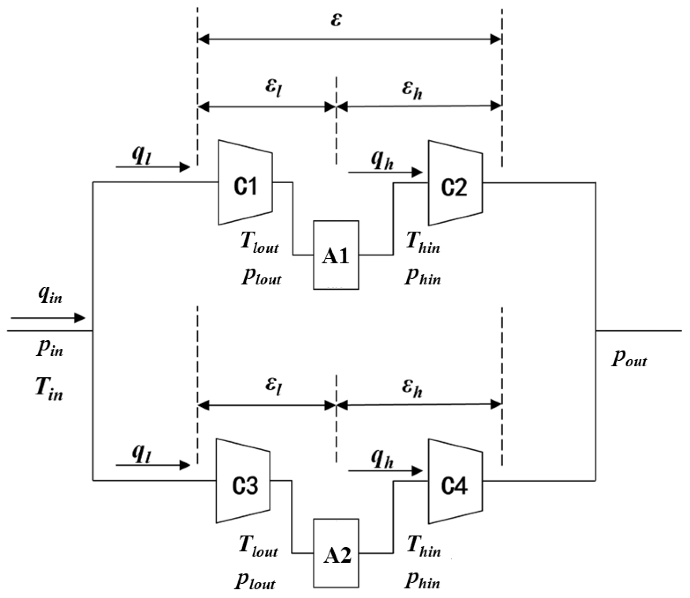
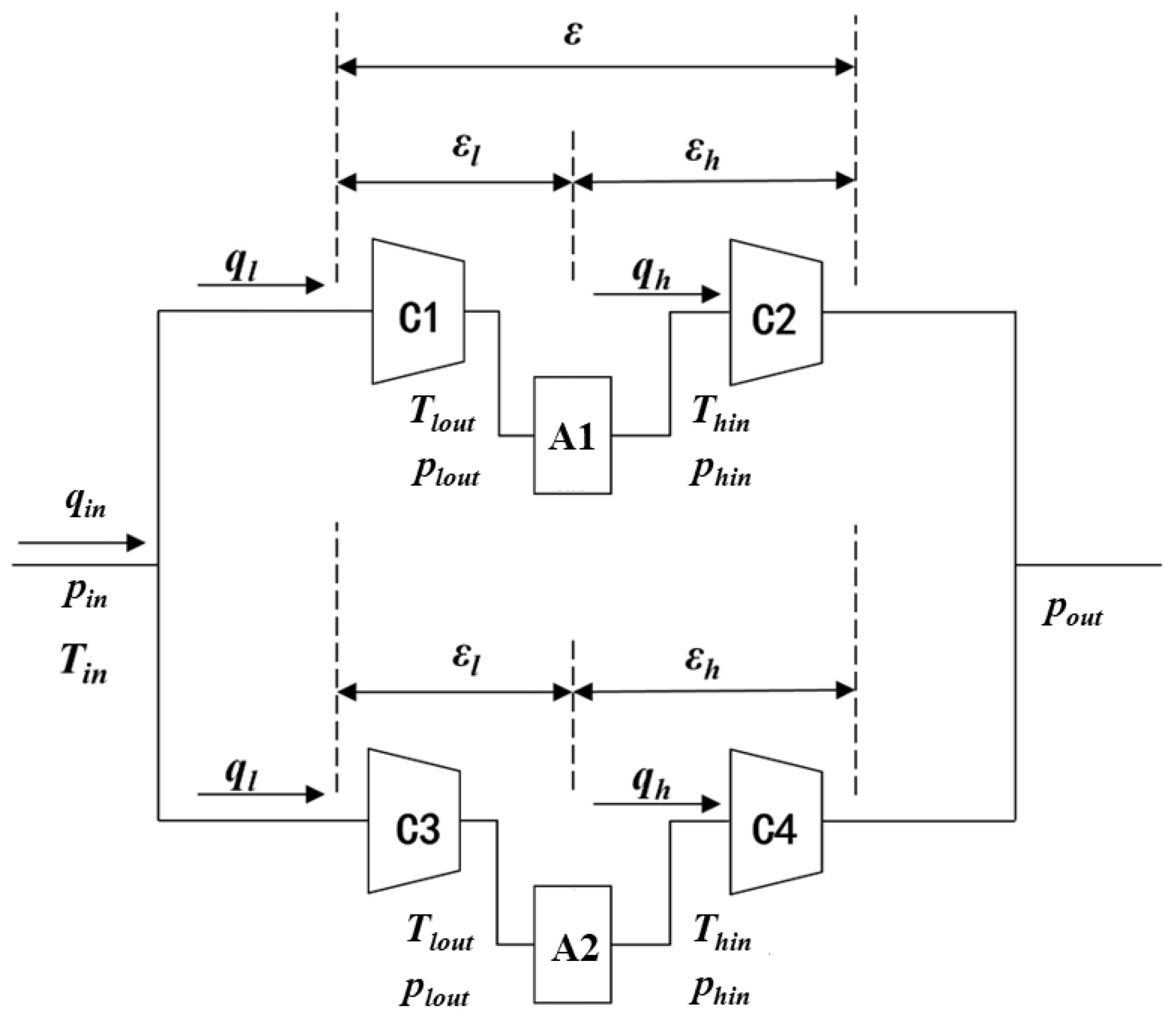
A schematic diagram of the parallel system of two two-cylinder compressors is shown in Figure 1. Among them, C1 and C2 are connected in series to form one compressor; C3 and C4 are connected in series to form another compressor; and the two compressors are of the same model. When the two compressors operate in parallel, the impact of pipeline network differences on the respective compressors is not considered; their operating states can be regarded as consistent, with identical inlet flow rate, pressure, temperature, and outlet pressure. Therefore, the model is simplified, and only one two-cylinder compressor is selected for optimization research. For the compressor composed of C1 and C2, natural gas enters the low-pressure cylinder C1 for the first-stage compression; the high-temperature and high-pressure natural gas discharged from the low-pressure cylinder enters the cooler for cooling; then, it enters the high-pressure cylinder C2 for the second-stage compression; finally, the natural gas is injected into the gas storage facility.

2.2. Mathematical Model of Series Compressor Operation in Gas Storage Facilities

2.2.1. Input Conditions and Independent Variables

Input conditions: Inlet temperature T in (°C); Inlet pressure p in (MPa); Outlet pressure p out (MPa); Inlet volume flow rate q l (m3/h).
Independent variable: Rotational speed of the low-pressure cylinder n l (rpm), where 7410 < n l < 11,970 rpm.

2.2.2. Mathematical Model of the Cooler

The cooler is installed between the low-pressure cylinder and the high-pressure cylinder. Its inlet temperature, i.e., the outlet temperature of the low-pressure cylinder, must satisfy the condition: T lout ≤ 100 °C. If T lout > 100 °C, the cooling capacity of the cooler will be exceeded, and the system cannot operate normally; if T lout ≤ 100 °C, the cooler will perform feedback adjustment according to the inlet temperature to ensure that its outlet temperature (i.e., the inlet temperature of the high-pressure cylinder) T hin = 40 °C, and no pressure loss is considered during the cooling process, so p lout = p hin . The above model is built based on the manual of the cooler used in the compressor system, with its feedback system simplified. The cooler we use adjusts the flow rate of the cooling medium automatically based on the inlet fluid temperature and flow rate to maintain a constant outlet temperature of the cooler.

2.2.3. Mathematical Model of the Compressor

Pressure ratio of the low-pressure cylinder: The pressure ratio ε l of the low-pressure cylinder can be obtained from the compressor pressure ratio curve (Figure 2). The abscissa of the curve is the inlet normalized volume flow rate, and the ordinate is the pressure ratio. The dashed line represents the anti-surge line, and the volume flow rate under all operating conditions lies to the right of this dashed line. It can be considered that the pressure ratio of the low-pressure cylinder is a function of rotational speed and flow rate, as shown in Formula (1):
ε l = f l ( n l , q l )
where fl represents the functional relationship between the pressure ratio of the low-pressure cylinder and rotational speed as well as flow rate.
Power of the low-pressure cylinder: The power P l of the low-pressure cylinder can be obtained from the compressor power curve (Figure 3). It can be considered that the power of the low-pressure cylinder is a function of flow rate and rotational speed, as shown in Formula (2):
P l = g l ( q l , n l )
where gl represents the functional relationship between the power of the low-pressure cylinder and flow rate as well as rotational speed.
Outlet temperature of the low-pressure cylinder: The outlet temperature Tlout of the low-pressure cylinder can be obtained from the compressor exhaust temperature curve (Figure 4). It can be considered that the exhaust temperature of the low-pressure cylinder is a function of flow rate and rotational speed, as shown in Formula (3):
T lout = g l ( q l , n l )
where gl represents the functional relationship between the exhaust temperature of the low-pressure cylinder and flow rate as well as rotational speed.
Pressure ratio of the high-pressure cylinder: From the series pressure ratio relationship of centrifugal compressors,
ε = ε h × ε l
the pressure ratio of the high-pressure cylinder can be derived as follows:
ε h = ε ε l
where ε h is the pressure ratio of the high-pressure cylinder, and ε is the total pressure ratio.
Flow rate of the high-pressure cylinder: The flow rate qh of the high-pressure cylinder q h is calculated as shown in Formula (6):
q h = q l Z h T hin p in Z l T in p hin
where Z l is the gas compression factor under the inlet conditions of the low-pressure cylinder, and Z h is the gas compression factor under the inlet conditions of the high-pressure cylinder.
Rotational speed of the high-pressure cylinder: The rotational speed n h of the high-pressure cylinder can be obtained from the compressor pressure ratio curve. Similar to the low-pressure cylinder, the rotational speed of the high-pressure cylinder is a function of flow rate and pressure ratio, as shown in Formula (7):
n h = h h ( q h , ε h )
where hh represents the functional relationship between the rotational speed of the high-pressure cylinder and flow rate as well as pressure ratio.
Power of the high-pressure cylinder: The power P h of the high-pressure cylinder can be obtained from the compressor power curve. Similarly to the low-pressure cylinder, the power of the high-pressure cylinder is a function of flow rate and rotational speed, as shown in Formula (8):
P h = g h ( q h , n h )
where gh represents the functional relationship between the power of the high-pressure cylinder and flow rate as well as rotational speed.

2.2.4. Target Parameter

The total power Ptot of the compressor unit is the sum of the power of the low-pressure cylinder and the high-pressure cylinder, as shown in Formula (9):
P t o t = P l + P h

2.2.5. Performance Curve Conversion

The relationships between the flow rate, pressure ratio, rotational speed, and power of the compressor (Formulas (4), (5), (7) and (8)) are usually obtained from performance curves. Based on the pressure ratio-flow rate curve and power-flow rate curve of the compressor under specific inlet conditions provided by the manufacturer, the performance curve under the required working conditions is obtained through conversion using the similarity principle. The conversion formulas are as follows [21,22]:
Flow rate conversion:
q * = q R * T i n * R T i n
Rotational speed conversion:
n * = n R * T i n * R T i n
Power conversion:
P * = P p i n * R * T i n * p i n R T i n
In the above formulas, q*, R*, T*, n* and P* are the parameters under the required working conditions; q, R, Tin, n and P are the parameters of the known performance curve; R is the gas constant.
The above model can fully describe the relationship between the aerodynamic parameters during the operation of the compressor, and the operational optimization of the compressor is carried out based on this model.

2.2.6. Model Validation

We selected some typical daily operating conditions from the actual operation of the low-pressure cylinder and compared the model calculation results with the actual data to verify the accuracy of the model. The specific results are shown in Table 1 and Table 2.
It can be seen that the calculation error of the pressure ratio is less than 0.7%, and the calculation error of the power is less than 1.5%. Therefore, it can be considered that the model can well simulate the actual operating conditions of the compressor.

2.3. Operational Optimization Mechanism and Method of Series Compressors

For a two-cylinder series compressor, there is no flow rate distribution problem, and the operational optimization space lies in pressure ratio distribution. If the inlet and outlet pressures of the compressor are given, and the pressure loss of the cooler is not considered, the pressure ratio can be distributed by adjusting the rotational speeds of the high-pressure and low-pressure cylinders, and the minimum power consumption operation can be achieved through reasonable pressure ratio distribution [23,24,25].
This study uses the traversal algorithm [26,27,28,29,30] to solve this problem. Under the premise of meeting the flow rate and pressure ratio requirements, the pressure ratios of the high-pressure and low-pressure cylinders are distributed within the allowable working condition range, all working conditions that meet the requirements are calculated, and the powers under different working conditions are compared to the optimal operational working condition. Based on this algorithm, the compressor unit operational optimization software is developed, which can automatically calculate the optimal pressure ratio distribution of a single unit and the required number of operating units by inputting the compressor inlet conditions, target flow rate, and target pressure ratio.

2.3.1. Compressor Operational Optimization Algorithm

The traversal algorithm is an algorithm that performs calculations on each node along the search path. This study only optimizes the pressure ratio distribution of the compressor and judges the number of operating compressors, resulting in a relatively small total calculation amount. Therefore, the traversal algorithm can be directly used for solving.
For a two-cylinder compressor with given inlet conditions, target flow rate, and target pressure ratio, the steps of the optimization algorithm are as follows:
According to the compressor flow rate, combined with the pressure ratio performance curves of the low-pressure cylinder and high-pressure cylinder, the pressure ratio range ε r _ l 1 of the low-pressure cylinder and the pressure ratio range ε r _ h 1 of the high-pressure cylinder are obtained, respectively.
Using ε r _ l 1 and the total pressure ratio ε , the pressure ratio range ε r _ h 2 of the high-pressure cylinder is calculated by Formula (5).
The intersection of ε r _ h 1 and ε r _ h 2 is taken to obtain the actual pressure ratio range ε r _ h of the high-pressure cylinder. Then, using ε r _ h and the total pressure ratio ε , the actual pressure ratio range ε r _ l of the low-pressure cylinder is calculated by Formula (4).
Traverse the pressure ratio ε l of the low-pressure cylinder within the range of ε r _ l , calculate the total compressor power P t o t corresponding to each ε l , and take the minimum power as the optimal power. The pressure ratio distribution corresponding to this power is the optimal operating condition of the compressor.

2.3.2. Compressor Unit Operation Optimization Software

Based on the traversal algorithm, the compressor unit operation optimization software is developed to realize the working condition optimization of the compressor unit. The basic interface is shown in Figure 5.
The software interface is divided into four parts from top to bottom:
Gas composition input part: It can input the gas composition of the compressor compression working medium and the mole fraction of each component.
Compressor inlet condition and target parameter input part: It can input the compressor’s inlet pressure, inlet temperature, target pressure, and daily flow rate.
Button part: After inputting parameters in parts ① and ②, it can directly calculate the optimal working condition, clear data, display all existing working conditions, and draw performance curves and working condition points.
Result output part: It can output the compressor parameters under the optimal working condition, including the number of operating units, low-pressure cylinder speed, high-pressure cylinder speed, etc.

3. Results

The gas storage compressor unit discussed in this paper has a relatively long time span during the gas injection period, and the gas injection environment (such as inlet pressure and temperature, outlet pressure, etc.) will also change. Based on the actual operation of the gas storage, it is considered that the daily compressor gas injection working condition remains stable, while the working conditions on different dates will change to a certain extent. To obtain a universal compressor unit operation optimization scheme, it is necessary to consider the impact of environmental changes. Therefore, this paper first analyzes the environmental conditions of the compressor unit during the gas injection period to obtain the variation law of environmental parameters, then analyzes the power consumption change in the daily optimal operating condition during the gas injection period combined with environmental parameters, and finally analyzes the compressor aerodynamic parameters under the optimal operating condition and compares them with the aerodynamic parameters during actual operation to obtain a universal compressor operation optimization scheme.

3.1. Analysis of Environmental Conditions During the Gas Injection Period of Gas Storage

Figure 6 shows the pressure change in a certain month (i.e., April) during the gas injection period. The compressor inlet pressure fluctuates in the range of 6.5–7.5 MPa, while the compressor outlet pressure (i.e., the pressure in the gas storage) shows an upward trend, which is caused by the continuous injection of natural gas during the gas injection period. Overall, the compressor inlet pressure remains basically stable during the gas injection period, while the outlet pressure continues to rise, which will lead to a continuous increase in the total pressure ratio. Therefore, the compressor operating conditions need to be adjusted over time.
Figure 7 shows the change in compressor inlet temperature during the gas injection period. The inlet temperature increases with time, gradually rising from 11.5 °C to 12.5 °C. This is because the ambient temperature continues to rise, leading to an increase in the temperature of natural gas. During this period, the temperature fluctuates slightly due to weather reasons. Temperature changes will cause changes in the natural gas compression factor, that is, changes in the natural gas compression capacity, which in turn affects the compressor aerodynamic parameters.

3.2. Power Consumption Analysis

The traversal algorithm is used to optimize the daily operating conditions of the compressor and calculate the optimized compressor power. This is compared with the actual operating power, and the efficiency improvement is calculated, as shown in Figure 8. The daily operating efficiency during the gas injection period is improved. On the 14th day, the compressor was shut down for maintenance temporarily, resulting in a sudden decrease in total power. By counting the daily efficiency improvement, the total efficiency improvement is about 5.12%.

3.3. Analysis of Operating Parameters

The optimal working conditions obtained by the traversal algorithm are analyzed to derive the compressor operation optimization law.
Figure 9 shows the pressure ratio comparison between the optimal working condition and the actual working condition of the compressor on a typical day. It can be seen from the figure that compared with the actual working condition, the pressure ratio of the low-pressure cylinder increases under the optimized working condition, while the pressure ratio of the high-pressure cylinder decreases. Moreover, due to the increase in the pressure ratio of the low-pressure cylinder, the gas pressure at the inlet of the high-pressure cylinder increases and the flow rate decreases.
Figure 10 shows the power comparison on that day. It can be seen that under the optimized working conditions, the power of the low-pressure cylinder increases due to the increase in the pressure ratio of the low-pressure cylinder, while the power of the high-pressure cylinder decreases due to the decrease in the pressure ratio of the high-pressure cylinder. The increase in the power of the low-pressure cylinder is less than the decrease in the power of the high-pressure cylinder; that is, the total power is reduced.
Combined with the compressor operation optimization direction obtained from the operating parameter analysis, the ratio of the pressure ratios of the high-pressure and low-pressure cylinders under all working conditions obtained by the traversal algorithm on a typical day is analyzed, as shown in Figure 11. The total pressure ratio on that day is 3.1.
It can be seen that the total power is affected by the pressure ratio distribution of the low-pressure cylinder and the high-pressure cylinder. As the ratio of the low-pressure cylinder pressure ratio to the high-pressure cylinder pressure ratio increases, the total power first decreases and then increases; that is, there is an optimal pressure ratio that minimizes the total power.

4. Discussion

The research focuses on the operational matching optimization of large-scale natural gas storage compressor units, aiming to solve the problem of low operational efficiency of traditional compressor units caused by fixed parameters and empirical operation. From the analysis of environmental conditions during the gas injection period, the inlet pressure of the compressor remains basically stable, while the inlet temperature and outlet pressure show an upward trend. This dynamic change in environmental parameters indicates that the fixed operational scheme can no longer meet the efficiency requirements of the compressor unit, and dynamic adjustment based on real-time conditions is necessary—this is the core starting point of this study.
In terms of the optimization method, the establishment of the series compressor mathematical model and the application of the traversal algorithm have obvious advantages. The mathematical model comprehensively covers the functional relationships between key parameters such as flow rate, pressure ratio, speed, and power of the low-pressure and high-pressure cylinders, and introduces the performance curve conversion method based on the similarity principle, which ensures the accuracy of the model in different working conditions. Compared with other optimization algorithms (such as neural network models that require a large amount of sample training), the traversal algorithm used in this study has the characteristics of simple logic and strong interpretability. It can traverse all feasible pressure ratio distributions within the allowable range and find the global optimal solution, avoiding the problem of falling into local optimal solutions. This is particularly important for compressor units that require stable and reliable operation—any local optimal deviation may lead to increased energy consumption or even equipment damage.
From the perspective of optimization results, the 5.12% reduction in monthly power consumption and the identification of the optimal pressure ratio (about 1.45) between the low-pressure and high-pressure cylinders provide practical operational guidance for gas storage sites. The analysis of typical daily operating parameters further verifies the rationality of the optimization scheme: increasing the pressure ratio of the low-pressure cylinder appropriately can reduce the load of the high-pressure cylinder, and the net reduction in total power confirms that the pressure ratio distribution is the key to improving efficiency. This conclusion is consistent with the research direction of energy-saving optimization of multi-stage compressors in the field of energy storage, but it is more targeted to the specific scenario of natural gas storage—different from the general industrial compressor optimization, the gas storage compressor needs to adapt to the long-cycle and dynamic pressure changes in the gas storage, and the optimization scheme proposed in this study fully considers this scenario characteristic.
However, this study also has certain limitations. The optimization software developed based on the traversal algorithm currently focuses on the pressure ratio distribution and the number of operating units and does not involve the real-time adjustment of the cooling system parameters (such as the cooling water flow rate of the intermediate cooler). A detailed modeling of the cooler, which takes into account the energy consumption of the cooler and even the entire compressor system, is more helpful for engineering applications. In addition, incorporating the efficiency of the compressor’s electric drive system when calculating power optimization would be more beneficial to the research.
In the context of global energy conservation and emission reduction and the “dual carbon” goal, the research results have practical significance for promoting the efficient operation of natural gas storage. Natural gas, as a clean energy source, its supply security and operational efficiency are crucial to the energy structure transformation. The optimization scheme proposed in this study can not only reduce the operational cost of gas storage but also improve the utilization efficiency of natural gas, which is in line with the development trend of the energy industry. Future research can focus on two aspects: on the one hand, integrate the cooling system into the optimization model to form a more comprehensive multi-parameter collaborative optimization scheme; on the other hand, expand the application scope of the model and verify its universality in different types of gas storage and compressor units through multi-site data.

5. Conclusions

(1)
During the gas injection period of the gas storage, the compressor inlet pressure remains basically stable; the inlet temperature shows an upward trend; and the outlet pressure continues to rise. Therefore, the compressor operating conditions need to be adjusted over time to adapt to the dynamic changes in environmental parameters.
(2)
Based on the traversal algorithm, the compressor unit operation optimization software is developed to realize the working condition optimization of the compressor unit. By optimizing the actual operating conditions of a certain month, the total efficiency is improved by about 5.12%, which verifies the effectiveness of the optimization scheme in reducing energy consumption.
(3)
By analyzing the differences between the optimization scheme and the actual scheme, the optimization scheme of the series compressor unit is obtained: controlling the pressure ratio of the compressor low-pressure cylinder to the high-pressure cylinder to about 1.45 can realize the minimum power consumption of a single unit.
(4)
This study not only provides theoretical support and practical guidance for the operation optimization of gas storage compressor units but also provides new ideas and methods for the efficient and stable operation of the energy industry. It is expected that the results of this study can promote the improvement of gas storage management level and contribute to the sustainable development of the natural gas industry. In the future, with the continuous progress of technology and the in-depth application, the optimization scheme based on real-time monitoring and dynamic adjustment will be applied in more fields, contributing to the efficient and green development of the energy industry.

Author Contributions

Conceptualization, H.C. and J.L.; methodology, J.W.; software, Y.S.; validation, H.C. and J.L.; formal analysis, J.W.; investigation, Y.S.; resources, H.C.; data curation, J.W.; writing—original draft preparation, Y.S.; writing—review and editing, H.C.; visualization, J.L.; supervision, L.L.; project administration, L.L.; funding acquisition, L.L. All authors have read and agreed to the published version of the manuscript.

Funding

This research was funded by “Oil & Gas Major Project”, grant number 2025ZD1401600 and “Shaanxi Key Research and Development Plan—Funded Project”, grant number 2024PT-ZCK-68.

Data Availability Statement

The data that support the findings of this study are available within the article.

Conflicts of Interest

Author Hua Chen was employed by the company Zhongyou Liaohe Engineering Co., Ltd. Author Jianfeng Liu was employed by the company Liaohe Oilfield (Panjin) Gas Storage Co., Ltd. Author Junfei Wang was employed by the PetroChina Liaohe Oilfield Company. The remaining authors declare that the research was conducted in the absence of any commercial or financial relationships that could be construed as a potential conflict of interest.

References

  1. Zhang, M.Q. The Impact Mechanism and Trend Prediction of China’s Natural Gas Demand under the Background of Dual Carbon Goals. Econ. Forum. 2024, 647, 71–87. [Google Scholar]
  2. Manal, A.; Osama, M.; Ahmad, S.A.; Yusuf, B. A review on underground gas storage systems: Natural gas, hydrogen and carbon sequestration. Energy Rep. 2023, 9, 6251–6266. [Google Scholar] [CrossRef]
  3. Manal, A.; Abdulsalam, A.; Ahmad, A.; Yusuf, B. A simulation study of natural gas injection and storage in a partially depleted oil reservoir for seasonal underground energy storage. Nat. Gas Ind. B 2025, 12, 501–514. [Google Scholar]
  4. Peng, J.H.; Zhou, J.; Liang, G.C.; Li, C.Y.; Qin, C. Multi-period integrated scheduling optimization of complex natural gas pipeline network system with underground gas storage to ensure economic and environmental benefits. Energy 2024, 302, 131837. [Google Scholar] [CrossRef]
  5. Xie, S.; He, B.; Chen, L.; Xu, K.; Luo, J.; Li, L.; Wang, B. Key Elements in Integrity Management of Underground Gas Storage: A Framework for Energy Safety. Energies 2025, 18, 378. [Google Scholar] [CrossRef]
  6. Yu, Q. Selection and operation analysis of compressor in Shuangtaizi gas storage. Pet. Eng. Constr. 2023, 49, 22–25. [Google Scholar]
  7. Ma, X.; Wu, X.; Wu, Y.; Wang, Y. Energy system design of offshore natural gas hydrates mining platforms considering multi-period floating wind farm optimization and production profile fluctuation. Energy 2023, 265, 126360. [Google Scholar] [CrossRef]
  8. Song, J.N.; Liu, G.B.; Gong, J.M.; Yang, Q.C.; Zhao, Y.Y.; Li, L.S. Simulation on performance and regulation strategy of centrifugal refrigeration compressor with gas bearings in water chiller. Appl. Therm. Eng. 2024, 236, 121650. [Google Scholar] [CrossRef]
  9. Li, H.P.; Huang, C.; Li, S.H.; Peng, J.Q. Assessment of compressor control in photovoltaic-driven air conditioner based on dynamic programing. Renew. Energy 2025, 244, 122733. [Google Scholar] [CrossRef]
  10. Luo, J.P.; Huang, J.C.; Tian, S. Research on Operating Load Distribution of Compressors in Parallel System Under Variable Working Condition. Chin. J. Turbomach. 2024, 66, 73–77. [Google Scholar]
  11. Cao, K.H.; Xing, T. Analysis and Realization of the Compressor Load Sharing in Gas Compressor Station. Instrum. Users 2024, 66, 73–77. [Google Scholar]
  12. Du, Y.D.; Yu, Z.Y.; Yang, C.; Wang, H.M.; Chua, K.J.E. A recompression supercritical CO2 cycle using heat source storage to achieve low-frequency reactor regulation: Analysis and optimization of load capacity under safe compressor operation. Energy 2024, 301, 131673. [Google Scholar] [CrossRef]
  13. Machu, E.H. Survey of factors influencing reciprocating compressor efficiencies and discharge gas temperatures. In Proceedings of the 8th International Conference on Compressors and their Systems, London, UK, 9–10 September 2013; pp. 375–384. [Google Scholar]
  14. Xin, J.C.; Liu, X.Y.; Liu, F.Y. Study on the influence of variable inlet guide vane slot on the aerodynamic performance in air storage centrifugal compressor. J. Energy Storage 2024, 90, 111907. [Google Scholar] [CrossRef]
  15. Zhang, B.; Xu, N.; Zhang, H.R. Influence of hydrogen blending on the operation of natural gas pipeline network considering the compressor power optimization. Appl. Energy 2024, 358, 122594. [Google Scholar] [CrossRef]
  16. Jiang, X.; Liu, Y.S.; Deng, Y.P. Numerical analysis of a miniature multi-stage compressor at variable altitudes based on stages-in-series method. Appl. Therm. Eng. 2023, 219, 119563. [Google Scholar] [CrossRef]
  17. Wang, Y.T.; Wang, Q.M.; Zhou, E.M. Analysis of Unstable Working Conditions of Gas Compressor with Two Sequential Casings. Fluid Mach. 2011, 39, 25–30. [Google Scholar]
  18. Zhang, H.F.; Wu, J.H.; Xie, F. Dynamic behaviors of the crankshafts in single-cylinder and twin-cylinder rotary compressors. Int. J. Refrig. 2014, 47, 36–45. [Google Scholar] [CrossRef]
  19. Wang, X.C.; Gu, C.W. Matching performance analysis method of multi-compressor series-parallel system for compressed air energy storage. J. Energy Storage 2025, 129, 117299. [Google Scholar] [CrossRef]
  20. Le, S.; Hegab, H. Investigation of a multistage micro gas compressor cascaded in series for increase pressure rise. Sens. Actuators A Phys. 2017, 256, 66–76. [Google Scholar] [CrossRef]
  21. Guillaume, D.; Xavier, C.; Jean-Bernard, C.; Patrick, C. Practical Use of Similarity and Scaling Laws for Centrifugal Compressor Design. In Proceedings of the ASME Turbo Expo 2006: Power for Land, Sea, and Air, Barcelona, Spain, 8–11 May 2006. [Google Scholar]
  22. Xu, Z.; Cheng, N.J.; Li, C.J.; Huang, S.J. Principles of Centrifugal Compressors; Machine Press: Beijing, China, 1990. [Google Scholar]
  23. Andera, C.; Mehmet, M.; Matteo, Z.; Diego, P.; Antonio, D.; Sergio, B. Online performance tracking and load sharing optimization for parallel operation of gas compressors. Comput. Chem. Eng. 2016, 88, 145–156. [Google Scholar] [CrossRef]
  24. Zhao, X.Y.; Li, C.H.; Lu, P.Z.; Li, W.; Qiu, W.W.; Wang, W.C.; Li, Y.X. Optimization of Start-up Strategies of Gas Injection Compressor in Underground Gas Storage Using Deep Reinforcement Learning. Simul. Model. Pract. Theory 2025, 145, 103204. [Google Scholar] [CrossRef]
  25. Du, Y.D.; Yang, C.; Wang, H.M.; Hu, C.X. One-dimensional optimisation design and off-design operation strategy of centrifugal compressor for supercritical carbon dioxide Brayton cycle. Appl. Therm. Eng. 2021, 196, 117318. [Google Scholar] [CrossRef]
  26. Jeremy, Y.; Meera, S.; Jorg, P. A Slice-Traversal Algorithm for Very Large Mapped Volumetric Models. Comput.-Aided Des. 2021, 141, 103102. [Google Scholar]
  27. Matica, L.M. Interpolating algorithms with direct function computation for traversing complex trajectories. IFAC Proc. Vol. 2007, 40, 86–867. [Google Scholar] [CrossRef]
  28. Liu, M.L.; Rao, Y.G. Practice and Analysis of Centrifugal Compressor Optimization Operation in Natural Gas Compressor Stations. Pet. Sci. Technol. Forum 2012, 31, 13–17+74. [Google Scholar]
  29. Gu, Y.T.; Bu, L.F.; Wang, H.W. Graph Based Traversal Algorithm of Multi-route Gathering and Transportation Pipeline in Oilfield. Sci. Technol. Eng. 2022, 22, 2676–2681. [Google Scholar]
  30. Max, J.; Kristoffer, E.; Lars, E. Time Optimal Turbocharger Testing in Gas Stands with a Known Map. IFAC-PapersOnLine 2018, 51, 868–875. [Google Scholar] [CrossRef]
Figure 1. Schematic diagram of the parallel system of two two-cylinder compressors. (C1 and C3 are low-pressure cylinders; C2 and C4 are high-pressure cylinders; A1 and A2 are air coolers).
Figure 1. Schematic diagram of the parallel system of two two-cylinder compressors. (C1 and C3 are low-pressure cylinders; C2 and C4 are high-pressure cylinders; A1 and A2 are air coolers).
Energies 18 05435 g001
Figure 2. Pressure ratio curve of the low-pressure cylinder.
Figure 2. Pressure ratio curve of the low-pressure cylinder.
Energies 18 05435 g002
Figure 3. Power curve of the low-pressure cylinder.
Figure 3. Power curve of the low-pressure cylinder.
Energies 18 05435 g003
Figure 4. Exhaust temperature curve of the low-pressure cylinder.
Figure 4. Exhaust temperature curve of the low-pressure cylinder.
Energies 18 05435 g004
Figure 5. Compressor unit operation optimization software.
Figure 5. Compressor unit operation optimization software.
Energies 18 05435 g005
Figure 6. Variation diagram of compressor inlet and outlet pressures during the gas injection period in gas storage.
Figure 6. Variation diagram of compressor inlet and outlet pressures during the gas injection period in gas storage.
Energies 18 05435 g006
Figure 7. Variation diagram of compressor inlet temperature during the gas injection period in gas storage.
Figure 7. Variation diagram of compressor inlet temperature during the gas injection period in gas storage.
Energies 18 05435 g007
Figure 8. Comparison between optimized operating power and actual operating power of the compressor.
Figure 8. Comparison between optimized operating power and actual operating power of the compressor.
Energies 18 05435 g008
Figure 9. Comparison diagram of pressure ratios between optimal working conditions and actual working conditions of the compressor on typical days: ((a) low-pressure cylinder; (b) high-pressure cylinder. The number at the end of each curve in the figure represents the rotational speed, with the unit being rpm).
Figure 9. Comparison diagram of pressure ratios between optimal working conditions and actual working conditions of the compressor on typical days: ((a) low-pressure cylinder; (b) high-pressure cylinder. The number at the end of each curve in the figure represents the rotational speed, with the unit being rpm).
Energies 18 05435 g009
Figure 10. Comparison diagram of power between optimal working conditions and actual working conditions of the compressor on typical days: ((a) low-pressure cylinder; (b) high-pressure cylinder. The number at the end of each curve in the figure represents the rotational speed, with the unit being rpm).
Figure 10. Comparison diagram of power between optimal working conditions and actual working conditions of the compressor on typical days: ((a) low-pressure cylinder; (b) high-pressure cylinder. The number at the end of each curve in the figure represents the rotational speed, with the unit being rpm).
Energies 18 05435 g010
Figure 11. Relationship diagram between the ratio of low-pressure cylinder pressure ratio and high-pressure cylinder pressure ratio on typical days and power.
Figure 11. Relationship diagram between the ratio of low-pressure cylinder pressure ratio and high-pressure cylinder pressure ratio on typical days and power.
Energies 18 05435 g011
Table 1. Operating Condition Parameters.
Table 1. Operating Condition Parameters.
No.Tin
(°C)
pin
(MPa)
ql
(×104 m3/d)
n
(rpm)
111.36.556477410
213.47.047307412
313.77.417707502
412.56.948368007
Table 2. Model Accuracy Validation.
Table 2. Model Accuracy Validation.
No. ε l _ a c t ε l _ c a l Deviation
(%)
Pl_act
(kW)
Pl_cal
(kW)
Deviation
(%)
11.4731.4630.68566756150.92
21.5921.5810.69512551981.42
31.5971.5910.37541653461.29
41.6711.6730.12641664480.50
Disclaimer/Publisher’s Note: The statements, opinions and data contained in all publications are solely those of the individual author(s) and contributor(s) and not of MDPI and/or the editor(s). MDPI and/or the editor(s) disclaim responsibility for any injury to people or property resulting from any ideas, methods, instructions or products referred to in the content.

Share and Cite

MDPI and ACS Style

Chen, H.; Liu, J.; Wang, J.; Sun, Y.; Liu, L. Operational Matching Optimization of Large-Scale Natural Gas Storage Compressor Units. Energies 2025, 18, 5435. https://doi.org/10.3390/en18205435

AMA Style

Chen H, Liu J, Wang J, Sun Y, Liu L. Operational Matching Optimization of Large-Scale Natural Gas Storage Compressor Units. Energies. 2025; 18(20):5435. https://doi.org/10.3390/en18205435

Chicago/Turabian Style

Chen, Hua, Jianfeng Liu, Junfei Wang, Yukang Sun, and Lijun Liu. 2025. "Operational Matching Optimization of Large-Scale Natural Gas Storage Compressor Units" Energies 18, no. 20: 5435. https://doi.org/10.3390/en18205435

APA Style

Chen, H., Liu, J., Wang, J., Sun, Y., & Liu, L. (2025). Operational Matching Optimization of Large-Scale Natural Gas Storage Compressor Units. Energies, 18(20), 5435. https://doi.org/10.3390/en18205435

Note that from the first issue of 2016, this journal uses article numbers instead of page numbers. See further details here.

Article Metrics

Back to TopTop