Next Article in Journal
Characterisation of Harmonic Resonance Phenomenon of Multi-Parallel PV Inverter Systems: Modelling and Analysis
Previous Article in Journal
High-Order Engineering Fastest Controller and Its Application in Thermal Power Units
 
 
Font Type:
Arial Georgia Verdana
Font Size:
Aa Aa Aa
Line Spacing:
Column Width:
Background:
Article

A Master–Slave Game-Based Strategy for Trading and Allocation of Virtual Power Plants in the Electricity Spot Market

1
Economic and Technical Research Institute, State Grid Anhui Electric Power Co., Ltd., Hefei 230038, China
2
College of Automation & College of Artificial Intelligence, Nanjing University of Posts and Telecommunications, Nanjing 210023, China
*
Author to whom correspondence should be addressed.
Energies 2025, 18(2), 442; https://doi.org/10.3390/en18020442
Submission received: 10 November 2024 / Revised: 13 January 2025 / Accepted: 17 January 2025 / Published: 20 January 2025

Abstract

With the transformation of the energy structure, the integration of numerous small-scale, widely distributed renewable energy sources into the power grid has introduced operational safety challenges. To enhance the operational competitiveness, the virtual power plant (VPP) has emerged to aggregate and manage these distributed energy resources (DERs). However, current research on the VPP’s frequency modulation performance and bidding strategy remains insufficient in the joint market of electrical energy and frequency modulation (FM) ancillary services, with inadequate coordination of internally distributed resources. To fully leverage the flexibility of VPPs and incentivize their participation in electricity market operations, this paper investigates game-based bidding strategies and internal distributed resources allocation methods for VPPs in the joint market for electrical energy and frequency ancillary services. Firstly, the regulatory performance indicators of VPPs participating in the joint market and develops the corresponding market-clearing model. Secondly, to address the competition among distributed resources within VPPs, a master-slave game approach is innovatively employed to optimize the VPP’s trading strategies. This method ensures the rational allocation of electricity consumption among distributed energy resources within the VPP and derives the optimized bidding prices and quantities for both the VPP and its internal members. Finally, the case study shows that the proposed trading strategy provides effective bidding strategies for distributed energy resources participating in the joint market for energy and frequency regulation ancillary services. It enhances the regulatory performance of VPPs in the energy-frequency regulation market, ensures the profitability of distributed energy resources, and contributes to the economically stable operation of the market.

1. Introduction

In the face of the increasingly severe climate crisis and energy security challenges, actively promoting the construction of a new type of power system provides important support for realizing the goal of “peak CO2 emissions”. With the transformation of the energy structure, the uncertainty in the output of numerous widely distributed, small-scale renewable energy sources connected to the grid will exacerbate the operational security of the power system. Virtual Power Plants (VPPs) provide strong support for the operation of the power system by aggregating regulatory resources such as distributed renewable energy sources, microgrids, energy storage systems, and controllable loads, while leveraging intelligent monitoring and optimized coordination and control technologies.
Currently, the VPP plays an important role in tapping and utilizing the regulation potential of DERs, participating in grid balance regulation, and alleviating energy regulation shortages. Among them, European countries represented by Germany mainly use VPPs aggregated with distributed generation to participate in spot power market trading; the United States uses VPPs composed of controllable loads to provide demand response and participate in peak shifting and load filling; and Japan focuses on VPPs composed of customer-side energy storage and distributed generation to participate in demand response.
In order to actively respond to the national energy transition strategy, promote the construction of a new type of power system, and establish and improve the power market mechanism that adapts to the characteristics and development trend of the new type of power system, the VPP, as a new type of market subject, is gradually participating in power market transactions. When participating in the joint clearing of the power energy and FM auxiliary service market, how a VPP can rationally configure its volume bidding strategy in the market according to its market revenue and FM performance is an important issue worth studying. Numerous studies have been conducted on VPP participation in the power market. Guan [1] introduced indicators that mirror the disparities in response performance among controllable loads, encompassing indices for peak regulation and AGC performance. Based on these indicators, two classification techniques—ranking by index and weighting—were devised and subsequently integrated with the NJW spectral clustering algorithm to facilitate the aggregation of controllable loads into virtual entities. Following this, an optimal bidding strategy for ancillary services was proposed, taking into careful consideration the variations in performance among bidding resources. Sun [2] proposed an internally and externally coordinated bidding strategy that can accommodate the participation of virtual power plant operators in the electricity energy market while at the same time participating in the peaking market and facilitating internal coordination among its member entities. A multi-agent, double-layered bidding model encompassing both the operator and its internal members was formulated and resolved through a hybrid approach combining the particle swarm optimization algorithm with the interior point method. The internal power mutual benefit within the VPP cluster was priced independently to incentivize VPP participation in joint scheduling. Liu [3] developed a two-stage joint optimization model incorporating day-ahead coordinated scheduling and day-ahead rolling optimization, recognizing the predictability of stochastic variables and the gradual accumulation of errors over decision time. Gao [4] investigated a spot market-clearing model for VPP participation. The study introduced flexible declaration methods and priority preference parameters to capture the flexible regulation characteristics of VPPs and proposed an evaluation method along with an allocation mechanism for flexibility premiums. Xu [5] established a multi-time scale spot market strategy model, which included the objective functions of the day-ahead, real-time, and balancing markets. It also proposed a multi-type market coupling bidding strategy, considering markets such as frequency regulation and demand response, and introducing carbon trading rules. However, for the multi-time scale decision-making in the above-mentioned literature, further research was still needed on the coordination and balance of different time scales in practical applications. In the multi-type market coupling bidding strategy, the complex relationships and applicability among different markets had not been fully considered.
Zu [6] built a trading system that enables a VPP to attend both primary and auxiliary markets. Considering the uncertainty of renewable energy output and the price consistency between the primary power market and the peaking auxiliary service market, a joint clearing optimization model of a VPP with joint participation of the two markets is established. To ensure the fulfillment of user demand when a VPP participates in FM auxiliary services, Zhan [7] proposed a VPP control strategy based on smart buildings integration. The FM operation modes of these virtual power sources are analyzed, and the typical demand-side resource and virtual energy storage models of smart building-based virtual power sources are established. In addition, XU [8] put forward a bidding strategy for CHP VPPs considering multiple uncertainties in the market environment. The bidding model for CHP VPP participation in the electricity market was developed by considering the uncertainties in electricity prices and renewable energy distribution within the VPP. Yang [9] proposed the optimization and regulation process of a VPP participating in multi-variety transactions in the electricity spot market and established a multi-time scale optimization and regulation model considering assessment mechanisms and multiple uncertainty factors.
The existing literature has identified the VPP as a price taker within the electricity market. However, it overlooks the influence of VPP market behavior on clearing results and the competitive interactions between different VPPs. In contrast to the energy market, the ancillary services market for electricity inherently involves smaller transaction volumes. Furthermore, as the VPP continues to expand in scale and market competition intensifies, the strategic market behavior of the VPP attains the capability to influence market clearing.
To address this gap, Kardakos [10] developed a bi-level model for VPP participation in the day-ahead electricity market, introducing the VPP as a price influencer, a novel approach in this context. This allowed the VPP to strategically bid based on market dynamics, thereby influencing clearing outcomes and maximizing its profits. Shu [11] regarded the VPP as a price maker and established a two-level bidding model for the day-ahead electricity market considering carbon trading. In response to the uncertainty of wind farm output, the information gap decision theory was adopted to provide risk aversion and opportunity seeking strategies. Zhang [12] integrated wind curtailment penalties into the objective functions of the independent system operator and VPPs’ bi-level optimization dispatch, fostering more effective renewable energy integration into the power system. Foroughi [13] modeled an electro-thermal coupled VPP, considering its interactions with both electricity and heat markets, and constructed a two-layer optimization model wherein the VPP acts as a price setter. However, the aforementioned studies primarily focused on individual market participants. Notably, market equilibrium is achieved through the interplay among multiple decision-makers. Consequently, Shafiekhani [14] proposed a strategic bidding model for multiple VPPs engaged in the energy–auxiliary service market. The model seeks to determine the market equilibrium point and utilizes the diagonalization algorithm.
Yi [15] analyzed the revenues of VPPs across different scenarios and proposed a multi-VPP game model that utilized a non-cooperative game approach, taking into account the mutual competition and strategic interactions among VPPs. However, in the above-mentioned literature, the collaborative optimization of the internal resources of virtual power plants was not thoroughly considered. For the multi-VPP game, only a simple non-cooperative game form was taken into consideration, and other possible game structures and cooperation mechanisms were not explored. Wang [16] introduced a game-theoretic model for dispatching multiple VPPs, focusing on a multi-time scale rolling scheduling strategy that combines day-ahead, hours-ahead, and real-time dispatch. Song [17] proposed a two-stage and two-layer stochastic bidding model. Based on the Stackelberg leader–follower game, the bidding strategy of a VPP in the spot joint market was determined. The upper layer aimed to maximize the profit, while the lower layer aimed to minimize the power purchase cost. Multiple scenarios were introduced to deal with the uncertainty of competitors. Wang [18] constructed a day-ahead trading market bidding model that included virtual power plants and electricity selling companies. The optimal electricity purchasing and selling strategies were solved through the game process, and a multi-time window rolling scheduling strategy of the virtual power plant in the real-time market was designed. Zeng [19] designed a leader–follower game framework for spot and reserve market transactions with a VPP as the main body, clarifying the decision-making relationship between the VPP and system operators. A two-layer joint optimized bidding strategy model for a VPP to participate in the spot and reserve markets was constructed. The inner layer model maximized the VPP’s profit, while the outer layer model minimized the total social power purchase cost.
A significant number of distributed energy resources are constrained by their resource types and capacities, rendering them less competitive as individual new market entities. Consequently, forming the VPP by aggregating multiple new market entities can enhance their competitiveness and economic benefits. A crucial aspect of maintaining stable operation within the VPP is the establishment of a fair method for allocating benefits among distributed energy resources. Drawing upon the principle of equitable distribution, Li [20] employed the fairness property of the Shapley value in Cooperative Games to investigate effective collaboration and utility allocation within a multi-agent system, and further enhanced a rapid algorithm for forming a static initial coalition. Li [21] concentrated on formulating optimal bidding strategies for power-to-gas (P2G) facilities, both independently and in coordination with natural gas-generating units (NGGUs), across electricity, ancillary service, and natural gas markets. Recognizing that collaboration between P2G facilities and NGGUs would generate higher profits for both compared to independent participation, Li [21] applied the Shapley value method to fairly distribute the combined profits from the P2G-NGGU partnership. Based on cooperative game theory, Dong [22] formulated both an individual scheduling model for VPPs and a coordinated scheduling model for VPPs and distribution utilities to analyze cooperative opportunities and profit allocation challenges. Li [23] developed a two-stage stochastic optimization model to guide the market strategy of demand-side resource aggregators, accounting for their involvement in the day-ahead energy market, real-time energy market, and reserve market. The aforementioned studies have analyzed the trading decisions of VPPs participating in market operations, offering theoretical support for their enhanced participate in market frequency regulation. However, there is limited analysis on the frequency regulation performance and bidding strategies of VPPs in the joint market for electrical energy and frequency regulation auxiliary services. Furthermore, research on how VPPs coordinate internally distributed resources to participate in the joint market operations remains insufficiently explored.
In response to these deficiencies, this paper introduces a method for the VPP to engage in joint market bidding strategies and dynamic internal resource allocation, utilizing a master–slave game framework. Initially, the operation of the VPP in the electricity and frequency regulation ancillary services markets is examined, and a transaction model is developed to facilitate VPP participation in the integrated market. A comprehensive performance indicator is then proposed to assess the effectiveness of the VPP electricity adjustment and frequency regulation, serving as a foundation for their bidding decisions regarding electricity quantity, frequency regulation capacity, and mileage. A master–slave game approach is then applied to allocate the participation of various distributed energy resources within the VPP, optimizing the bidding prices and quantities for both the VPP and its internal resources in the spot market. Finally, a case study is carried out to assess the effectiveness of the proposed VPP participation strategy in the integrated market.

2. The Trading Model of the Joint Market with VPPs

Different VPP aggregates various distributed energy resources (DERs) into a unified entity to participate in the electricity spot market. The electricity spot market includes the electric energy market and FM auxiliary service market. In the study work, the structure of the joint market for electrical energy and frequency ancillary services is illustrated in Figure 1. This study focuses on a day-ahead model to jointly clear the energy market and frequency regulation ancillary services. During joint market-clearing process, the market operator employs a centralized trading mechanism to optimize and clear total energy and frequency regulation quantities, determining the operation schedule, energy dispatch, and frequency regulation quantities.
In the framework of Figure 1, VPP1 through VPPM, along with other market participants, engage in the energy and frequency ancillary joint market bidding and clearing. The core objective of a VPP is to maximize its revenue under uncertainty by coordinating internal renewable resources (e.g., wind power and photovoltaics) with controllable power sources. The model incorporates elements such as generation cost calculations, operational constraints, energy trading balance, and bidding strategies linked to market prices. In the diagram, blue arrows represent the VPP‘s requested quantities and prices for energy and frequency regulation, while red arrows represent the cleared market prices and quantities for energy and frequency regulation.
Based on the trading results, the VPP leverages strategic pricing to guide DERs in market participation for profit. To maximize its own revenue while minimizing the operational costs of internal DERs, the optimization objective function is achieved. Using a leader-follower game equilibrium theory, the master-slave benefits are optimized. In the diagram, blue arrows indicate the generation power, consumption power, and frequency regulation power of DERs, while red arrows represent the power prices for generation, consumption, and frequency regulation issued by the VPP after game iterations.

2.1. Performance Indicators of a VPP Participating in the Market

The VPP integrates distributed resources, for instance, renewable energy, adjustable loads, and energy storage located at different sites, participating in the entire process of joint market trading, including bidding, clearing, settlement, and allocation [24]. During joint market trading, the regulation performance indicators that the VPP must meet are:
(1) Regulation rate indicators K 1 , m .
The regulation rate indicator K 1 , m refers to the relative response rate of the mth VPP:
V s , m = P M , m m i l ( T b , m ) P M , m m i l ( T a , m ) T b , m T a , m
K 1 , m = V s , m / V p
where V s , m represents the actual response rate of the mth VPP, V p denotes the average standard regulation rate of the VPP, T a , m and T b , m indicate the start and end times of the regulation process for the mth VPP, respectively, and P M , m m i l ( t ) represents the frequency regulation amount of the mth VPP during the time period t.
(2) Response time indicators K 2 , m .
The response time indicator K 2 , m refers to the time delay of the mth VPP in responding to frequency regulation instructions:
K 2 , m = 1 ( T r , m T a , m T b , m T a , m )
where T r , m represents the time delay of the mth VPP in responding to the Automatic Generation Control (AGC) instructions during the scheduling period.
(3) Regulation accuracy indicators K 3 , m .
The regulation accuracy indicator K 3 , m refers to the precision of the mth VPP in responding to frequency regulation instructions:
K 3 , m = 1 P r e f , m P M , m ( T b , m ) + P M , m ( T a , m ) Δ P N
where P r e f , m represents the frequency power reference value issued to the mth VPP by the AGC instructions, and Δ P N denotes the allowable error in the frequency regulation adjustment for the mth VPP.
In frequency regulation ancillary services, differences in the performance of frequency regulation resources lead to variations in transaction settlement. In order to fully incentivize the participation of VPPs in frequency regulation and leverage their rapid response advantages, a comprehensive frequency regulation performance index for the mth VPP under its frequency regulation strategy is proposed. This index includes regulation speed, regulation time, and regulation accuracy.
K d , m = ω 1 K 1 , m + ω 2 K 2 , m + ω 3 K 3 , m
where K d , m represents the frequency regulation performance index for the mth VPP. K 1 , m , K 2 , m , and K 3 , m correspond to the regulation rate, response time, and regulation accuracy indices for the mth VPP. ω 1 , ω 2 , and ω 3 are the respective weight coefficients for each index, as set by the spot market rules.

2.2. Joint Market-Clearing Mechanism of the Electric Energy and FM Ancillary Service

(1) Trade organizations
(a) Information Release
The dispatch agency issues announcements regarding the demand periods and regulation capacities for both the electricity energy market and the frequency regulation ancillary services market.
(b) Transaction Bidding
Market participants submit bids to the trading platform for electricity energy and frequency regulation ancillary services, including information on energy demand, frequency regulation capacity, frequency regulation mileage, and pricing details for different periods. The trading periods are set at 15 min, totaling 96 periods.
(c) Market-clearing Process
Considering grid operation and physical constraints, the joint market optimization clearing is conducted to minimize energy costs to meet the day-ahead market load and frequency regulation demand. This results in clearing results for both electric energy and frequency ancillary services.
(d) Release of Transaction Results
The clearing results are pushed to the trading center and released to market participants.
(2) Joint market-clearing model with VPPs
The electric energy and frequency ancillary services market conducts transaction clearing results with the objective of minimizing the energy costs for the thermal power units and VPPs. The objective function can be formulated as follows:
min F D = t = 1 T s = 1 N G λ b , s , t e P s , t e + λ b , s , t m i l / K d , s P s , t m i l + t = 1 T m = 1 N V P P λ b , m , t g e P m , t g e λ b , m , t c o P m , t c o + λ b , m , t m i l / K d , m P m , t m i l
where λ b , s , t e and λ b , s , t m i l are the declared generation price and frequency regulation price, respectively, for thermal power units in time period t. P s , t e and P s , t m i l are the awarded electricity energy and frequency regulation quantity, respectively, for thermal power unit s in time period t. K d , s represents the frequency regulation performance indicator of thermal power unit s. λ b , m , t g e and λ b , m , t c o are the bidding prices for the generation and consumption modes of virtual power plant m in time period t. P m , t g e and P m , t c o are the awarded electricity energy for the generation and consumption modes of virtual power plant m in time period t, respectively. λ b , m , t m i l is the declared frequency regulation price for virtual power plant m. P m , t m i l is the awarded frequency regulation quantity for virtual power plant m in time period t. In the frequency regulation ancillary services market-clearing process, thermal power units and virtual power plants are ranked based on the ratio of their bid prices to their frequency regulation performance indicators. Therefore, the frequency regulation price for thermal power units and virtual power plants is calculated as the bid price divided by the frequency regulation performance indicator.
The operational constraints mainly include:
(a) Power balance constraint
s = 1 N G P s , t e + m = 1 N V P P ( P m , t g e P m , t c o ) + P P V , t = P d , t l o a d
where P d , t l o a d represents the total load power of time period t.
(b) System frequency modulation constraints
s = 1 N G P s , t m i l + m = 1 N V P P P m , t m i l = P m i l
where P s c a p represents the frequency modulation capacity requirement of the system.
(c) Constraints on the declared quantity of thermal power units
P s , t min P s , t e + P s , t m i l P s , t max
where P s , t min and P s , t max represent the maximum and minimum values of the generation capacity for thermal power units.
(d) Virtual power plant reporting constraints
0 P m , t g e + P s , t m i l α m , t g e P m , max g e 0 P m , t c o + P s , t m i l α m , t c o P m , max c o α m , t g e + α m , t c o 1
where P m , t g e and P m , t c o represent the generation and consumption power of VPP m. P m , max g e and P m , max c o represent the maximum generation power and maximum consumption power of VPP m. α m , t g e and α m , t c o are 0–1 variables corresponding to the generation and consumption modes of VPP m, respectively.

3. VPP Trading Strategy Based on a Master–Slave Game

In alignment with the operational performance requirements of the spot market, the VPP enters the joint market with the objective of maximizing its own profit through strategic bidding. After aggregating its internally distributed energy resources, the VPP participates in the spot electricity market as a single, independent entity. According to the trading results, the VPP uses strategic pricing to guide distributed energy resources in participating in market transactions for profit. To ensure both its profit maximization and the optimal benefits for its internally distributed energy resources, the VPP ultimately optimizes the interests of multiple entities through a Stackelberg game equilibrium theory.
(1) Participants: The VPP and its internal DERs constitute the Stackelberg game as participants. The VPP determines the electricity purchase and sale prices, which are then communicated to the DERs. Based on these prices, the DERs adjust their declared electricity quantities for trading.
(2) Utility functions: The VPP pursues the maximization of its own profits, while the DERs aim to minimize their own costs in the game. The bidding utility function of the VPP is represented as R VPP , and the utility function of the DERs is represented as C D .
(3) Transaction strategies: When the VPP and DERs engage in the game, the VPP adopts the declared electricity price as its strategy, while the DERs adopt the dispatched power as their strategy. Both the VPP and DERs take values within their respective strategy spaces. Through iterative optimization of the game, an equilibrium solution is obtained.

3.1. Bidding Utility Function of the VPP

As the settlement entity in the electricity market, the VPP designs its bidding strategies and allocates quantities for participation in both the energy market and the frequency ancillary services market, taking into account its regulation capabilities. The utility function R m VPP for the mth VPP, with the goal of maximizing profit as its bidding objective, is as follows:
max R m VPP = t = 1 T λ m , t g e P m , t g e λ m , t c o P m , t c o + λ m , t m i l P m , t m i l / K d , m C m , t o p
where λ m , t g e , λ m , t c o , and λ m , t m i l represent the power generation price, power consumption price, and frequency regulation price of the mth VPP. When the power price for distributed resources n are determined by the VPP’s clearing price, the bidding utility function of the mth VPP can be expressed as:
max R m VPP = t = 1 T λ m , t g e n = 1 N P n , t g e λ m , t c o n = 1 N P n , t c o + λ m , t m i l n = 1 N P n , t m i l / K d , m C m , t o p
where P n , t g e , P n , t c o , and P n , t m i l represent the generation power, consumption power, and frequency regulation power, respectively, of distributed energy resource n dispatched by the mth VPP in time period t. N denotes the total number of distributed energy resources n within the mth VPP. C m , t o p represents the operational costs of VPP m, which include the scheduling and manual operational costs for the distributed energy resources of the VPP.

3.2. Distributed Energy Sources Participate in the Operational Utility Function of DERs

With the minimization of its own operational costs as the optimization objective function, the utility function C n D for the operation of the nth distributed energy resource in VPP m can be expressed as:
min C n D = t = 1 T c n , s ( P n , t g e , b + P n , t c o , s + P n , t m i l ) ( λ m , t g e P n , t g e , b + λ m , t c o P n , t c o , s + λ m , t m i l P n , t m i l / K d , m )
where c n , s represents the operating cost per unit of power.
The trading electricity quantity of distributed energy resources cannot exceed their maximum power capacity. The constraints for setting the trading electric power are:
0 P n , t g e , b P n , max g e
0 P n , t c o , s P n , max c o
where P n , t g e , b and P n , t c o , s represent the electricity selling power and electricity purchasing power, respectively, of DER n during period t. Among them,
P n , t g e , b = P n , t g e    , P n , t g e 0 0        , P n , t g e < 0 P n , t c o , s = P n , t c o , P n , t c o < 0 0        , P n , t c o 0
When the electricity quantity of DERs is positive, it indicates their participation in electricity selling behavior; when the electricity quantity is negative, it indicates their participation in electricity purchasing behavior.

3.3. Solution Process of the VPP Bidding Strategy

The revenue of a VPP is dependent on both the clearing price and the dispatched power of its DERs. To maximize its revenue after market clearing, the VPP must take into account the dispatched power of DERs and strategically set its bidding prices in the joint market. This guides DERs to change their operation modes. Through the game, the VPP seeks the optimal trading and operation mode.
With the objectives of maximizing the revenue of the VPP and minimizing the operating cost of DERs, the following master–slave game model for VPP participation in the joint market is established:
min F D { max R m VPP ( λ b , m , t g e , λ b , m , t c o , λ b , m , t m i l , P ) }
s . t . ( λ b , m , t g e , λ b , m , t c o , λ b , m , t m i l ) π m P n = arg min P ^ n C n D ( λ m , t g e , λ m , t c o , λ m , t m i l , P ^ ) P ^ n π n
where ( λ b , m , t g e , λ b , m , t c o , λ b , m , t m i l ) represent the strategy space of virtual power plant m, denoted as π m , ( P n , t g e , b , P n , t c o , s , P n , t m i l ) represent the strategy space of distributed energy source n, denoted as π n , P ^ represent the collection of all distributed energy operation strategies within the VPP, P ^ = [ P ^ 1 , P ^ n , P ^ N ] T , P represent collections of all distributed energy operation optimization solutions inside VPP, P = [ P 1 , P n , P N ] T , and N indicates the total number of distributed energy sources.
The solution to the master–slave game model involves a non-convex, nonlinear integer programming problem with multiple coupled variables. By optimizing the VPP’s revenue and the DERs’ cost to their respective optimal values, the VPP acts as the master in the game, while the DERs act as the followers. By solving the master–slave game modesl, a bargaining breakdown point is obtained, at which point the benefits of all parties can be maximized. This approach enhances the revenue of the VPP, reduces the operating cost of DERs, and improves the bid-winning quantity and revenue of the VPP in the spot electricity market by optimizing its internal energy management strategy.
As shown in Figure 2, the specific steps for solving the trading strategy are as follows:
(1) First, the system load and frequency modulation demand P m i l information will be issued by the joint market.
(2) The VPP m selects the trading strategies in the strategy space π m to declare the generation power price, the consumption power price, the frequency regulation price, and the corresponding regulation quantity.
(3) The generation or consumption power, along with their respective prices, as well as frequency regulation quantity and its price for the VPP m, are obtained through the joint market-clearing process.
(4) Distributed energy n selects the invoked generation power, consumption power, and frequency regulation power in the strategy space π m , based on the generation power price, consumption power price, and frequency regulation price issued by the VPP m, and reports them to the VPP.
(5) Through the continuous iterative solution, whether Formulas (17) and (18) is satisfied, if yes, the optimal solution is reached and the benefits of both parties are maximized.
Figure 2. The solution process of the VPP bidding strategy based on the master–slave game.
Figure 2. The solution process of the VPP bidding strategy based on the master–slave game.
Energies 18 00442 g002

4. Case Study

Using the IEEE 39-bus system as a case study, we investigate the role of VPPs in the trading strategies for the joint market of electric energy and FM ancillary service. Program is conducted using MATLAB 2022a.The YALMIP toolbox is utilized, with the CPLEX solver employed to solve the model. This approach enables the determination of the optimal trading strategies.
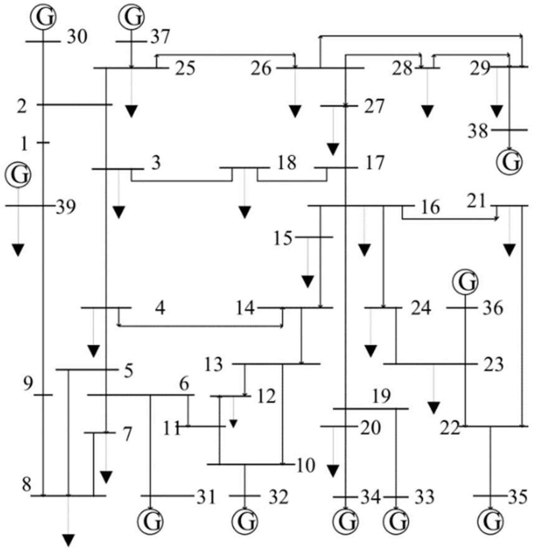
The system comprises thermal power units G1 to G10 and virtual power plants E1 to E4. The thermal power units are located at nodes 30–39, while the four VPPs are situated at nodes 10, 13, 19, and 22. The system wiring diagram is provided in Appendix A Figure A1, and the bidding information for each unit is detailed in Appendix A Table A1 and Table A2.
Daily load curve diagram of the system is shown in Figure 3. The lowest load point occurs around 5 o’clock, with a load of 214 MW, and the peak load occurs around 20 o’clock, with a load of 384 MW.
To evaluate the differences between the proposed method and alternative approaches, this paper establishes the following two scenarios for comparison:
Scenario 1: VPP transaction decision-making where distributed energy resources adopt cost-based pricing.
Scenario 2: VPP transaction decision-making based on a master–slave game.

4.1. Bid Quantity Analysis in the Joint Market

The electricity quantities obtained by each unit in Scenario 1 and Scenario 2 are presented in Figure 4 and Figure 5, respectively. Due to the high bidding prices of VPPs in the electricity market, they can only recover costs by generating electricity during peak load periods with higher electricity prices. Therefore, it is difficult for VPPs to win bids in the electricity market. As a result, there is little difference in the bid-winning quantities between Scenario 1 and Scenario 2 in the electricity market. The trend of electricity quantities won by thermal power units and VPPs closely follows the pattern of load variations. The demand for electricity is almost entirely met by thermal power units. Except for unit G10, other units also generate additional electricity during higher load periods. Due to the high bidding price of unit G10 and the remaining generation capacity of other units, G10 does not win any bids.
The frequency regulation bid acceptance results for each unit in Scenario 1 and Scenario 2 are presented in Figure 6 and Figure 7, respectively. As shown in the figures, due to the superior performance indicators of E1, E2, and E3, the frequency regulation mileage and capacity bids for these three VPPs are relatively low. Therefore, the three units undertake almost all the frequency regulation tasks. By contrast, E4 does not obtain any bid acceptance due to its higher bids. Compared to thermal power units, VPPs have better frequency regulation performance indicators and lower bids, so these VPPs will have priority in securing bids in the frequency regulation ancillary services market.
The high penetration of renewable energy sources in the market introduces significant disruptions to the system, leading to frequency deviations. As shown in Figure 7, after considering the trading strategy of VPPs, the two distributed energy stations E1 and E2, due to their performance and price advantages, can achieve full-load operation throughout the entire period. E3, with a relatively higher price, can still win bids when the load increases. However, E4 does not win any bids because of its higher bidding price and the fact that the other three units can already meet the frequency regulation demand.

4.2. Comparison of VPP Market-Clearing Prices and Avenues

The frequency regulation clearing prices under different scenarios are shown in Figure 8. After considering the game-based trading strategy, the frequency regulation clearing price decreases by approximately (1.02–1.45) CNY/MW. Since the VPP can adjust its bidding strategy to reduce its bids, it can lower the clearing price while ensuring its revenue. By obtaining more bid acceptance to fulfill the frequency regulation tasks issued by the market, the VPP can fully leverage its frequency regulation advantages.
As shown in Table 1, by incorporating the trading strategy of the Virtual Power Plant (VPP), its income has increased. This improvement is due to the enhanced performance of the VPP, which offers greater advantages in both performance and pricing when participating in the frequency modulation ancillary services market. As a result, the VPP’s operational capacity has been strengthened, leading to higher overall income.

4.3. Analysis of Distributed Energy Trading

This section analyzes the income of the VPP and its distributed energy resources by examining the transaction characteristics of three distributed energy sources within Virtual Power Plant 1 across different scenarios. The transaction volumes of the distributed energy resources, as well as the purchase and sale prices set by the VPP according to the game-theoretic trading strategy, are calculated and presented in Figure 9, Figure 10, Figure 11, Figure 12, Figure 13 and Figure 14.
Under Scenario 1, the electricity purchase and sale volumes of three types of DERs are shown in Figure 9, Figure 11 and Figure 13. The electricity purchase and sale volumes of DER 1 closely follow the load variations, while the participation level of DER 2 remains relatively low. DER 3, driven by profit-seeking behavior, purchases a large amount of electricity when prices are low and sells a significant quantity when prices are high. This results in a tendency for its electricity consumption capacity to exceed the set limits. After implementing the trading strategy based on the master–slave game, the electricity purchase and sale volumes for the three DERs are displayed in Figure 10, Figure 12 and Figure 14. The electricity purchase and sale patterns of all three DERs are relatively similar and align closely with the trends in load variation. At this point, the trading electricity volume between the VPP and DERs has increased.
The electricity purchase and sale prices between the VPP and its DERs are presented in Figure 15. The price trends for the VPP’s electricity purchases and sales align closely with the variations in load trends. Through dynamic pricing strategies, it is beneficial to increase the trading electricity volume between the VPP and DERs, as well as to increase the bidding electricity volume in the spot electricity market. During the off-peak load period, from 23:00 to 8:00, when the grid electricity price drops to its lowest value of 0.4745 CNY/kWh, the VPP reduces its electricity purchase price. During the two peak load periods from 8:00 to 11:00 and from 16:00 to 21:00, when the grid electricity price reaches its peak at 1.2133 CNY/kWh, the VPP increases the electricity consumption price.
This trading strategy involves selling electricity during peak hours and purchasing it during off-peak hours, thereby increasing the VPP’s revenue. It also encourages greater participation from DERs in scheduling, which helps them recover their costs more effectively. After adopting the VPP trading strategy, the duration and electricity volume of DERs participating in scheduling increased, leading to an increase in the bidding volume of the VPP in the joint market. This significantly boosts the VPP’s revenue.

5. Conclusions

The trading strategy of VPPs and allocation method of DERs are proposed as emerging market participants in the power spot market for energy and frequency ancillary services. Firstly, a comprehensive performance evaluation index is proposed, based on the frequency regulation capabilities of VPPs, to serve as a foundation for determining their bidding strategies for frequency regulation capacity. Secondly, a bi-level decision-making model is developed for VPPs participating in the integrated market for spot energy and frequency regulation ancillary services. This model facilitates a master–slave game between VPPs aiming to maximize their profits and DERs aiming to minimize their energy allocation costs. The model provides bidding prices for VPPs and allocates the dispatched electricity of DERs reasonably. Finally, case studies are conducted to assess the effectiveness of this trading strategy in the context of new electricity market transactions.
The key conclusions are as follows:
(1) The proposed performance evaluation index, based on the frequency regulation capabilities of Virtual Power Plants (VPPs), effectively establishes a robust foundation for determining optimal bidding strategies. This ensures that VPPs can effectively participate in frequency regulation capacity bidding while meeting system requirements.
(2) The developed bi-level model successfully addresses the master–slave game strategy between the VPPs and their internal DERs. It allows VPPs to maximize their profits by setting optimal bidding prices while ensuring DERs minimize their energy allocation costs. This dual-objective approach balances economic efficiency and operational feasibility.
(3) The rational decision-making method ensures a rational allocation of dispatched electricity among DERs, improving the coordination and efficiency of energy utilization within the VPP framework. This contributes to enhancing the reliability and flexibility of the energy system. The strategy demonstrates its effectiveness in integrating spot energy markets with frequency regulation ancillary services. Case studies validate that the approach is feasible and adaptable to the evolving dynamics of electricity market transactions.
While this work establishes a foundation of the trading strategy of VPPs, several avenues for further research remain. The model could be extended to include interactions and competition among multiple VPPs to provide valuable insights into market dynamics and cooperative strategies. Future work could examine the role of emerging technologies, such as blockchain for secure transactions and artificial intelligence for predictive operation, to enhance the effectiveness of the proposed model. Future researchers could build upon the innovative framework proposed in this study, contributing to the development of more adaptive and efficient VPP strategies in the context of evolving energy systems.

Author Contributions

Conceptualization, L.Z.; Software, L.Q.; Validation, B.W.; Writing—original draft, R.F.; Writing—review & editing, X.J. and C.S.; Project administration, N.Y. All authors have read and agreed to the published version of the manuscript.

Funding

This work was supported by the Science and Technology Project of the Economic and Technical Research Institute, State Grid Anhui Electric Power Corporation of China: Key technology research on the participation of “source network load storage” virtual power plants in the provincial spot market (No. B31209240003).

Data Availability Statement

The original contributions presented in this study are included in the article. Further inquiries can be directed to the corresponding author.

Conflicts of Interest

Authors Na Yang, Liuzhu Zhu, Bao Wang were employed by the company State Grid Anhui Electric Power Co., Ltd., Economic and Technical Research Institute. The remaining authors declare that the research was conducted in the absence of any commercial or financial relationships that could be construed as a potential conflict of interest.

Appendix A

Figure A1. IEEE 39-bus system.
Figure A1. IEEE 39-bus system.
Energies 18 00442 g0a1
Table A1. Declaration information of thermal power units.
Table A1. Declaration information of thermal power units.
Unit NumberNode NumberPmax (p.u.)Pmin (p.u.)Generation QuotationRu/Rd Up/Down Climb Rate (p.u./h)TS/TD Minimum Shutdown/Startup Duration (h)H Start-Up Cost (CNY/time)J Shutdown Cost (CNY/time)Mileage QuoteCapacity QuotationFrequency Modulation PerformanceFrequency Modulation Capacity RatioHistorical Mileage to Capacity Ratio
1301501520035212,019858518120.50.17
2311352025025213,736686818120.50.17
332952025030210,302515118120.50.17
4331102025035210,302515118120.50.17
5341151525025212,019686818120.50.17
6351152030025213,736686818120.50.17
7361202530035217,1708241.618120.50.17
8371351550015215,109.67554.818120.50.17
9381451550020212,087.76524.618120.50.17
10391202050035212,2256524.618120.50.17
Table A2. VPP application information.
Table A2. VPP application information.
VPP No.Node No.Generation Biding Price (CNY/MW)Consumption Biding Price (CNY/MW)Capacity (MW)Frequency Regulation Biding Price (CNY/MW)
1105002006013
2135002006015
3195002006020
4225002006024

References

  1. Guan, S.; Wang, X.; Jiang, C.; Qian, G.; Zhang, M.; Lv, R.; Guo, M. Classification and aggregation of controllable loads based on different responses and optimal bidding strategy of VPP in ancillary market. Power Syst. Technol. 2022, 46, 933–943. [Google Scholar]
  2. Sun, H.; Fan, X.; Hu, S.; Peng, F.; Liu, J.; Sun, C. Internal and external coordination bidding strategy of virtual power plant participating in day-ahead power market. Power Syst. Technol. 2022, 46, 1248–1258. [Google Scholar]
  3. Liu, F.; Xu, Y.; Yang, X.; Li, L.; Fu, G.; Chai, Z. Multi-time scale coordinated operation strategy of virtual power plant clusters considering power interactive sharing. Power Syst. Technol. 2022, 46, 642–654. [Google Scholar]
  4. Gao, H.; Chen, Q.; Jin, T.; Kang, C.; Chen, S. Clearing model and flexible premium evaluation method of spot market considering flexible regulatable characteristics of virtual power plant. Power Syst. Technol. 2023, 47, 194–207. [Google Scholar]
  5. Xu, X.; Chen, H.; Huang, Y.; Wu, X.; Wang, Y.; Lian, J.; Zhang, J. Challenges, strategies and key technologies for virtual power plants in market trading. Power Gener. Technol. 2023, 44, 745–757. [Google Scholar]
  6. Zu, W.; Du, Y.; Li, P.; Yu, X.; Wang, S.; Li, H.; Zhang, Y. Optimization of virtual power plant participating in joint trading in main and auxiliary markets considering uncertainty and correlation. Smart Power 2022, 50, 70–77. [Google Scholar]
  7. Zhan, G.; Yin, S.; Ai, Q.; Chen, Y.; Wang, J.; Cui, Y. A strategy for smart building-based virtual power plants participating in frequency regulation auxiliary service. Electr. Power Eng. Technol. 2022, 41, 13–20. [Google Scholar]
  8. Xu, K.; Guo, C.; Bao, M.; Ding, Y.; Sang, M.; Song, Y.; Hou, Y. Bidding strategy for combined heat and power virtual power plant in electricity market considering multiple uncertainties. Power Syst. Technol. 2022, 46, 3354–3364. [Google Scholar]
  9. Yang, K.; Yang, P.; Zeng, X.; Liu, L.; Jiang, J.; Yuan, J. Optimized regulation strategy of virtual power plantin the electricity spot market environment. Power Syst. Autom. 2023, 45, 11–15+19. [Google Scholar]
  10. Kardakos, E.G.; Simoglou, C.K.; Bakirtzis, A.G. Optimal offering strategy of a virtual power plant: A stochastic bi-level approach. IEEE Trans. Smart Grid 2016, 7, 794–806. [Google Scholar] [CrossRef]
  11. Shu, Z.; Zhu, K.; Wang, C.; Shao, H.; Jia, K. Virtual power plants participating in day-ahead electricity marketbidding strategy considering carbon trading. Electr. Power Eng. Technol. 2024, 43, 58–68+149. [Google Scholar]
  12. Zhang, G.; Wang, X.; Jiang, C.; Zhang, Y.; Wang, Z. Economic analysis of virtual power plants based on bi-level optimization dispatch. Power Syst. Technol. 2016, 40, 2295–2302. [Google Scholar]
  13. Foroughi, M.; Pasban, A.; Moeini-Aghtaie, M.; Fayaz-Heidari, A. A bi-level model for optimal bidding of a multi-carrier technical virtual power plant in energy markets. Int. J. Electr. Power Energy Syst. 2021, 125, 106397. [Google Scholar] [CrossRef]
  14. Shafiekhani, M.; Badri, A.; Shafie-Khan, M.; Catalão João, P.S. Strategic bidding of virtual power plant in energy markets: A bi-level multi-objective approach. Int. J. Electr. Power Energy Syst. 2019, 113, 208–219. [Google Scholar] [CrossRef]
  15. Yi, S.; Hu, J.; Lu, Y.; Ma, J. Trading strategy of multiple virtual power plants in the electricity spot market. Control Eng. China 2022, 29, 1587–1592. [Google Scholar]
  16. Wang, Y.; Ai, X.; Tan, Z.; Yan, L.; Liu, S. Interactive dispatch modes and bidding strategy of multiple virtual power plants based on demand response and game theory. IEEE Trans. Smart Grid 2016, 7, 510–519. [Google Scholar] [CrossRef]
  17. Song, D.; Yin, S.; He, Y.; Li, Z.; Zhang, J.; Jiang, X. Bidding strategy of multiple small and micro entities participating in the spot market based on virtual power plant. South. Power Syst. Technol. 2021, 15, 75–84. [Google Scholar]
  18. Wang, Q.; Du, X.; Zhao, W.; Zhang, J.; Shang, Y.; Zhang, W.; Jia, Y. Spot market bidding and scheduling strategies considering the participation of virtual power plants under carbon trading. Mod. Electr. Power 2024, 41, 152–160. [Google Scholar]
  19. Zeng, Z.; Sun, Q.; Zhao, W.; Bai, Y.; Deng, S.; Guo, J. Joint optimized operation of electricity spot and reserve markets considering bidding strategies for virtual power plants. IEEE Access 2024, 34, 166114–166125. [Google Scholar] [CrossRef]
  20. Li, T. Research on Game Alliance Formation and Allocation Issues for Multi-Agent Systems. Master’s Thesis, Yunnan University, Kunming, China, 2013. [Google Scholar]
  21. Li, Y.; Liu, W.; Wen, F.; Dong, C.; Zheng, Y.; Zhang, R. Combined bidding strategies between power-to-gas facilities and natural gas generating units. Autom. Electr. Power Syst. 2017, 41, 9–17. [Google Scholar]
  22. Dong, W.; Wang, Q.; Yang, L. A coordinated dispatching model for a distribution utility and virtual power plants with wind/photovoltaic/hydro generators. Autom. Electr. Power Syst. 2015, 39, 75–81. [Google Scholar]
  23. Li, B.; Wang, X.; Jiang, C.; Zhao, Y. Market strategy modeling and risk profit analysis of demand-side resource aggregator. Autom. Electr. Power Syst. 2018, 42, 119–126. [Google Scholar]
  24. The NERC Resources Subcommittee. Balancing and Frequency Control; North American Electric Reliability Corporation: Atlanta, GA, USA, 2021; pp. 1–36. [Google Scholar]
Figure 1. VPP participation in the joint market structure.
Figure 1. VPP participation in the joint market structure.
Energies 18 00442 g001
Figure 3. Daily load curve diagram of the system.
Figure 3. Daily load curve diagram of the system.
Energies 18 00442 g003
Figure 4. Power-off energy of each unit in Scenario 1.
Figure 4. Power-off energy of each unit in Scenario 1.
Energies 18 00442 g004
Figure 5. Power-off energy of each unit in Scenario 2.
Figure 5. Power-off energy of each unit in Scenario 2.
Energies 18 00442 g005
Figure 6. Frequency modulation of each unit in Scenario 1.
Figure 6. Frequency modulation of each unit in Scenario 1.
Energies 18 00442 g006
Figure 7. Scalars in frequency modulation of each unit in Scenario 2.
Figure 7. Scalars in frequency modulation of each unit in Scenario 2.
Energies 18 00442 g007
Figure 8. Frequency clearing prices in different scenarios.
Figure 8. Frequency clearing prices in different scenarios.
Energies 18 00442 g008
Figure 9. DER1 purchased and sold electricity in Scenario 1.
Figure 9. DER1 purchased and sold electricity in Scenario 1.
Energies 18 00442 g009
Figure 10. DER1 purchased and sold electricity in Scenario 2.
Figure 10. DER1 purchased and sold electricity in Scenario 2.
Energies 18 00442 g010
Figure 11. DER2 purchased and sold electricity in Scenario 1.
Figure 11. DER2 purchased and sold electricity in Scenario 1.
Energies 18 00442 g011
Figure 12. DER2 purchased and sold electricity in Scenario 2.
Figure 12. DER2 purchased and sold electricity in Scenario 2.
Energies 18 00442 g012
Figure 13. DER3 purchased and sold electricity in Scenario 1.
Figure 13. DER3 purchased and sold electricity in Scenario 1.
Energies 18 00442 g013
Figure 14. DER3 purchased and sold electricity in Scenario 2.
Figure 14. DER3 purchased and sold electricity in Scenario 2.
Energies 18 00442 g014
Figure 15. The electricity purchase and sale prices between the VPP and its DERs.
Figure 15. The electricity purchase and sale prices between the VPP and its DERs.
Energies 18 00442 g015
Table 1. Benefits of different virtual power plants.
Table 1. Benefits of different virtual power plants.
Benefits/CNYE1E2E3E4
Scenario 1175,453117,38760,9057351
Scenario 2192,967129,50866,8418039
Disclaimer/Publisher’s Note: The statements, opinions and data contained in all publications are solely those of the individual author(s) and contributor(s) and not of MDPI and/or the editor(s). MDPI and/or the editor(s) disclaim responsibility for any injury to people or property resulting from any ideas, methods, instructions or products referred to in the content.

Share and Cite

MDPI and ACS Style

Yang, N.; Zhu, L.; Wang, B.; Fu, R.; Qi, L.; Jiang, X.; Sun, C. A Master–Slave Game-Based Strategy for Trading and Allocation of Virtual Power Plants in the Electricity Spot Market. Energies 2025, 18, 442. https://doi.org/10.3390/en18020442

AMA Style

Yang N, Zhu L, Wang B, Fu R, Qi L, Jiang X, Sun C. A Master–Slave Game-Based Strategy for Trading and Allocation of Virtual Power Plants in the Electricity Spot Market. Energies. 2025; 18(2):442. https://doi.org/10.3390/en18020442

Chicago/Turabian Style

Yang, Na, Liuzhu Zhu, Bao Wang, Rong Fu, Ling Qi, Xin Jiang, and Chengyang Sun. 2025. "A Master–Slave Game-Based Strategy for Trading and Allocation of Virtual Power Plants in the Electricity Spot Market" Energies 18, no. 2: 442. https://doi.org/10.3390/en18020442

APA Style

Yang, N., Zhu, L., Wang, B., Fu, R., Qi, L., Jiang, X., & Sun, C. (2025). A Master–Slave Game-Based Strategy for Trading and Allocation of Virtual Power Plants in the Electricity Spot Market. Energies, 18(2), 442. https://doi.org/10.3390/en18020442

Note that from the first issue of 2016, this journal uses article numbers instead of page numbers. See further details here.

Article Metrics

Back to TopTop