Magnetic Integrated Multi-Trap Filters Using Mutual Inductance to Mitigate Current Harmonics in Grid-Connected Power Electronics Converters
Abstract
1. Introduction
- Integrated multi-trap filters are developed and verified.
- A comprehensive investigation into magnetic integration for various inductors is provided.
- The harmonic reduction and size minimization validate the proposed methodology.
- The proposed filters are applicable in a range of electrical power systems, including industrial systems, renewable energies, transportation, etc.
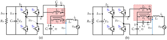
2. System Structure and Modeling of TTL and LTT Filters
3. Magnetic Integration Approach and Design of TTL and LTT Filters
3.1. Magnetic Integration Approach
3.2. Design of the Proposed Magnetic Integrated Filters
3.3. Comparison of Integrated and Discrete Inductor Sizes
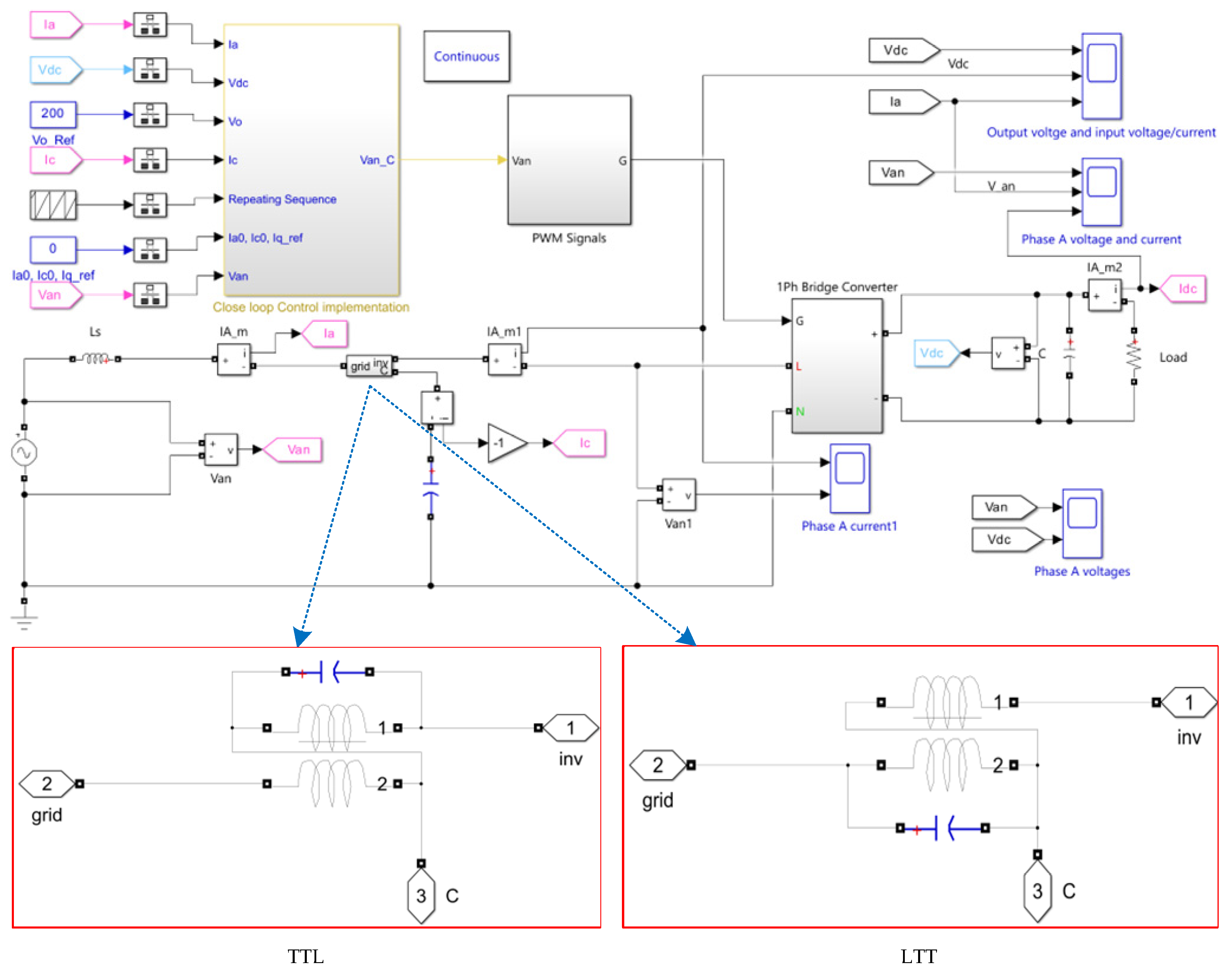
4. Simulation and HIL Experimental Results
4.1. Simulation Results
4.2. HIL Experimental Results
5. Conclusions
- The proposed filters contain significantly fewer discrete passive components than discrete filter designs, achieving a size reduction of 35.4%.
- They provide efficient harmonic suppression, achieving a grid-side current THD below 0.90%.
- The approach enables the creation of adaptable filters with effective inductor integration.
- The design demonstrates strong reliability and stability under dynamic and transient conditions.
Author Contributions
Funding
Data Availability Statement
Conflicts of Interest
References
- Abubakr, H.; Vasquez, J.C.; Mahmoud, K.; Darwish, M.M.F.; Guerrero, J.M. Comprehensive review on renewable energy sources in Egypt—current status, grid codes and future vision. IEEE Access 2022, 10, 4081–4101. [Google Scholar] [CrossRef]
- Al-Gabalawy, M.; Mahmoud, K.; Darwish, M.; Dawson, J.; Lehtonen, M.; Hosny, N. Reliable and robust observer for simultaneously estimating state-of-charge and state-of-health of LiFePO4 batteries. Appl. Sci. 2021, 11, 3609. [Google Scholar] [CrossRef]
- Seifi, K.; Moallem, M. An adaptive PR controller for synchronizing grid-connected inverters. IEEE Trans. Ind. Electron. 2019, 66, 2034–2043. [Google Scholar] [CrossRef]
- Tarzamni, H.; Kurdkandi, N.V.; Gohari, H.S.; Lehtonen, M.; Husev, O.; Blaabjerg, F. Ultra-high step-up DC-DC converters based on center-tapped inductors. IEEE Access 2021, 9, 136373–136383. [Google Scholar] [CrossRef]
- Al-Barashi, M.M.; Ibrahim, D.K.; El-Zahab, E.E.-D.A. Evaluating connecting Al-Mukha new wind farm to Yemen power system. Int. J. Electr. Energy 2015, 3, 57–67. [Google Scholar] [CrossRef]
- Al-Barashi, M.; Ibrahim, D.K.; El-zahab, E.E.A. Evaluating the energy system in Yemen. J. Electr. Eng. 2016, 16, 1–5. [Google Scholar]
- ILangella, R.; Testa, A. IEEE Recommended Practice and Requirements for Harmonic Control in Electric Power Systems; IEEE: Piscataway, NJ, USA, 2014; Volume 2014. [Google Scholar] [CrossRef]
- Abbas, A.S.; El-Sehiemy, R.A.; El-Ela, A.A.; Ali, E.S.; Mahmoud, K.; Lehtonen, M.; Darwish, M.M.F. Optimal harmonic mitigation in distribution systems with inverter based distributed generation. Appl. Sci. 2021, 11, 774. [Google Scholar] [CrossRef]
- Beres, R.N.; Wang, X.; Liserre, M.; Blaabjerg, F.; Bak, C.L. A review of passive power Filters for three-phase grid-connected voltage-source converters. IEEE J. Emerg. Sel. Top. Power Electron. 2016, 4, 54–69. [Google Scholar] [CrossRef]
- Cittanti, D.; Mandrile, F.; Gregorio, M.; Bojoi, R. Design space optimization of a three-phase LCL filter for electric vehicle ultra-fast battery charging. Energies 2021, 14, 1303. [Google Scholar] [CrossRef]
- Zheng, C.; Liu, Y.; Liu, S.; Li, Q.; Dai, S.; Tang, Y.; Zhang, B.; Mao, M. An integrated design approach for LCL-type inverter to improve its adaptation in weak grid. Energies 2019, 12, 2637. [Google Scholar] [CrossRef]
- Yao, W.; Yang, Y.; Xu, Y.; Blaabjerg, F.; Liu, S.; Wilson, G. Phase reshaping via all-pass filters for robust LCL-filter active damping. IEEE Trans. Power Electron. 2020, 35, 3114–3126. [Google Scholar] [CrossRef]
- Dragicevic, T.; Zheng, C.; Rodriguez, J.; Blaabjerg, F. Robust quasi-predictive control of LCL-filtered grid converters. IEEE Trans. Power Electron. 2020, 35, 1934–1946. [Google Scholar] [CrossRef]
- Awal, M.A.; Yu, H.; Della Flora, L.; Yu, W.; Lukic, S.; Husain, I. Observer based admittance shaping for resonance damping in voltage source converters with LCL filter. In Proceedings of the 2019 IEEE Energy Conversion Congress and Exposition, ECCE 2019, Baltimore, MD, USA, 29 September–3 October 2019; pp. 4455–4462. [Google Scholar]
- Pan, D.; Ruan, X.; Wang, X. Direct realization of digital differentiators in discrete domain for active damping of LCL-type grid-connected inverter. IEEE Trans. Power Electron. 2018, 33, 8461–8473. [Google Scholar] [CrossRef]
- Tong, L.; Chen, C.; Zhang, J. Iterative design method of LCL filter for grid-connected converter to achieve optimal filter parameter combination. J. Eng. 2019, 2019, 1532–1538. [Google Scholar] [CrossRef]
- Saleem, M.; Choi, K.-Y.; Kim, R.-Y. Resonance damping for an LCL filter type grid-connected inverter with active disturbance rejection control under grid impedance uncertainty. Int. J. Electr. Power Energy Syst. 2019, 109, 444–454. [Google Scholar] [CrossRef]
- Wu, F.; Shen, F.; Zhang, Z.; Ye, J.; Shen, A.; Xu, J. An LCPSL filter with multi-Tuned traps for grid-connected converters. In Proceedings of the 2017 IEEE 18th Workshop on Control and Modeling for Power Electronics, COMPEL 2017, Stanford, CA, USA, 9–12 July 2017; pp. 1–7. [Google Scholar]
- Pan, D.; Wang, X.; Blaabjerg, F.; Gong, H. Active damping of LCL-filter resonance using a digital resonant-notch (biquad) filter. In Proceedings of the 2018 20th European Conference on Power Electronics and Applications, EPE 2018 ECCE Europe, Riga, Latvia, 17–21 September 2018; pp. P.1–P.9. [Google Scholar]
- Wu, L.; Liu, T.; Hao, X. Coordination control strategy for LLCL-filter based grid-tied inverter with indirect sliding mode power control and virtual impedance. J. Eng. 2019, 2019, 2804–2809. [Google Scholar] [CrossRef]
- Huang, M.; Wang, X.; Loh, P.C.; Blaabjerg, F. LLCL-filtered grid converter with improved stability and robustness. IEEE Trans. Power Electron. 2016, 31, 3958–3967. [Google Scholar] [CrossRef]
- Li, F.; Zhang, X.; Zhu, H.; Li, H.; Yu, C. An LCL-LC filter for grid-connected converter: Topology, parameter, and analysis. IEEE Trans. Power Electron. 2015, 30, 5067–5077. [Google Scholar] [CrossRef]
- Xu, J.; Yang, J.; Ye, J.; Zhang, Z.; Shen, A. An LTCL filter for three-phase grid-connected converters. IEEE Trans. Power Electron. 2014, 29, 4322–4338. [Google Scholar] [CrossRef]
- Xu, J.; Bian, S.; Qian, Q.; Xie, S. Stability-oriented design for LCL-LC-trap filters in grid-connected applications considering certain variation of grid im-pedance. In Proceedings of the 2018 IEEE International Power Electronics and Application Conference and Exposition, PEAC 2018, Shenzhen, China, 4–7 November 2018; pp. 1343–1348. [Google Scholar]
- Wu, W.; Sun, Y.; Lin, Z.; Tang, T.; Blaabjerg, F.; Chung, H.S.-H. A new LCL-filter with in-series parallel resonant circuit for single-phase grid-tied inverter. IEEE Trans. Ind. Electron. 2014, 61, 4640–4644. [Google Scholar] [CrossRef]
- Fang, J.; Xiao, G.; Yang, X.; Tang, Y. Parameter design of a novel series-parallel-resonant LCL filter for single-phase half-bridge active power filters. IEEE Trans. Power Electron. 2017, 32, 200–217. [Google Scholar] [CrossRef]
- Anzalchi, A.; Moghaddami, M.; Moghaddasi, A.; Sarwat, A.I.; Rathore, A.K. A new topology of higher order power filter for single-phase grid-tied voltage-source inverters. IEEE Trans. Ind. Electron. 2016, 63, 7511–7522. [Google Scholar] [CrossRef]
- Cheng, Z.; Pei, L.; Li, L.; Wang, C.; Liu, J. Characteristics and design methods of new inverter output double-trap LCL filter for HS-PMSM drives. In Proceedings of the 2021 24th International Conference on Electrical Machines and Systems (ICEMS), Gyeongju, Republic of Korea, 31 October–3 November 2021; pp. 1880–1885. [Google Scholar]
- Sahoo, S.K.; Bhattacharya, T. Phase-shifted carrier-based synchronized sinusoidal PWM techniques for a cascaded H-bridge multilevel inverter. IEEE Trans. Power Electron. 2018, 33, 513–524. [Google Scholar] [CrossRef]
- Fang, J.; Li, X.; Yang, X.; Tang, Y. An integrated trap-LCL filter with reduced current harmonics for grid-connected converters under weak grid conditions. IEEE Trans. Power Electron. 2017, 32, 8446–8457. [Google Scholar] [CrossRef]
- Al-Barashi, M.; Liu, Z.; Saeed, M.S.R.; Wu, S. Fully integrated TL-C-L filter for grid-connected converters to reduce current harmonics. In Proceedings of the 2021 IEEE 12th Energy Conversion Congress and Exposition—Asia (ECCE-Asia), Singapore, 24–27 May 2021; IEEE: Singapore, 2021; pp. 1789–1794. [Google Scholar]
- Gohil, G.; Bede, L.; Teodorescu, R.; Kerekes, T.; Blaabjerg, F. Optimized integrated harmonic filter inductor for dual-converter-fed open-end transformer topology. IEEE Trans. Power Electron. 2017, 32, 1818–1831. [Google Scholar] [CrossRef]
- Li, X.; Fang, J.; Lin, P.; Tang, Y. Active magnetic decoupling for improving the performance of integrated LCL-filters in grid-connected converters. IEEE Trans. Ind. Electron. 2017, 65, 1367–1376. [Google Scholar] [CrossRef]
- Jiang, S.; Liu, Y.; Ye, X.; Pan, X. Design of a fully integrated EMI filter for a single-phase grid-connected inverter. IEEE Trans. Ind. Electron. 2021, 68, 12296–12309. [Google Scholar] [CrossRef]
- Liu, Y.; Xu, J.; Shuai, Z.; Li, Y.; Peng, Y.; Liang, C.; Cui, G.; Hu, S.; Zhang, M.; Xie, B. A novel harmonic suppression traction transformer with integrated filtering inductors for railway systems. Energies 2020, 13, 473. [Google Scholar] [CrossRef]
- Tong, N.; Xu, J.; Xiang, J.; Liu, Y.; Kong, L. High-order harmonic elimination and resonance damping based on inductive-filtering transformer for electrified railway transportation system. IEEE Trans. Ind. Appl. 2022, 58, 5157–5170. [Google Scholar] [CrossRef]
- Al-Barashi, M.; Wang, Y.; Lan, B.; Bhutta, M.S. Magnetic integrated double-trap filter utilizing the mutual inductance for reducing current harmonics in high-speed railway traction inverters. Sci. Rep. 2024, 14, 1–23. [Google Scholar] [CrossRef] [PubMed]
- Al-Barashi, M.; Meng, X.; Liu, Z.; Saeed, M.S.R.; Tasiu, I.A.; Wu, S. Enhancing power quality of high-speed railway traction converters by fully integrated T-LCL filter. IET Power Electron. 2023, 16, 699–714. [Google Scholar] [CrossRef]
- Pan, D.; Ruan, X.; Bao, C.; Li, W.; Wang, X. Magnetic integration of the LCL filter in grid-connected inverters. IEEE Trans. Power Electron. 2014, 29, 1573–1578. [Google Scholar] [CrossRef]
- Chen, F.; Jiang, S.; Jin, D.; Mei, Z. Magnetic integrated LCL filter design for a 2.5 kW three-phase grid-connected inverter with double closed-loop control. J. Power Electron. 2022, 22, 338–350. [Google Scholar] [CrossRef]
- Liu, Y.; See, K.Y.; Tseng, K.J.; Simanjorang, R.; Lai, J.-S. Magnetic integration of three-phase LCL filter with delta-yoke composite core. IEEE Trans. Power Electron. 2017, 32, 3835–3843. [Google Scholar] [CrossRef]
- Fang, J.; Li, H.; Tang, Y. A magnetic integrated LLCL filter for grid-connected voltage-source converters. IEEE Trans. Power Electron. 2016, 32, 1725–1730. [Google Scholar] [CrossRef]
- Al-Barashi, M.; Wu, S.; Liu, Z.; Meng, X.; Tasiu, I.A. Magnetic integrated LLCL filter with resonant frequency above Nyquist frequency. IET Power Electron. 2022, 15, 1409–1428. [Google Scholar] [CrossRef]
- Al-Barashi, M.; Wang, Y.; Zou, A.; Yao, X.; Li, G.; Shao, N.; Tang, Z. Improving power quality in aircraft systems: Usage of integrated LLCL filter for harmonic mitigation. In Proceedings of the 2024 3rd International Conference on Energy and Electrical Power Systems, ICEEPS 2024, Guangzhou, China, 14–16 July 2024; pp. 937–941. [Google Scholar]
- Al-Barashi, M.; Wang, Y.; Bhutta, M.S. High-frequency harmonics suppression in high-speed railway through magnetic integrated LLCL filter. PLoS ONE 2024, 19, e0304464. [Google Scholar] [CrossRef] [PubMed]
- Li, X.; Lin, P.; Tang, Y. Magnetic integration of LTL filter with two LC-traps for grid-connected power converters. IEEE J. Emerg. Sel. Top. Power Electron. 2018, 6, 1434–1446. [Google Scholar] [CrossRef]
- Memon, M.A.; Mekhilef, S.; Mubin, M. Selective harmonic elimination in multilevel inverter using hybrid APSO algorithm. IET Power Electron. 2018, 11, 1673–1680. [Google Scholar] [CrossRef]
- Kundu, S.; Bhowmick, S.; Banerjee, S. Improvement of power utilisation capability for a three-phase seven-level CHB inverter using an improved selective harmonic elimination–PWM scheme by sharing a desired proportion of power among the H-bridge cells. IET Power Electron. 2019, 12, 3242–3253. [Google Scholar] [CrossRef]
- Tasiu, I.A.; Liu, Z.; Wu, S.; Yu, W.; Al-Barashi, M.; Ojo, J.O. Review of recent control strategies for the traction converters in high-speed train. IEEE Trans. Transp. Electrif. 2022, 8, 2311–2333. [Google Scholar] [CrossRef]
- Ronanki, D.; Williamson, S.S. Modular multilevel converters for transportation electrification: Challenges and opportunities. IEEE Trans. Transp. Electrif. 2018, 4, 399–407. [Google Scholar] [CrossRef]
- Priya, M.; Ponnambalam, P.; Muralikumar, K. Modular-multilevel converter topologies and applications—A review. IET Power Electron. 2019, 12, 170–183. [Google Scholar] [CrossRef]
- Holmes, D.G.; Lipo, T.A. Pulse Width Modulation for Power Converters: Principles and Practice; Wiley Inc.: Hoboken, NJ, USA, 2003. [Google Scholar]
- Li, X.; Fang, J.; Lin, P.; Tang, Y. A common magnetic integration method for single-phase LCL filters and LLCL filters. In Proceedings of the 2017 IEEE Energy Conversion Congress and Exposition, ECCE 2017, Cincinnati, OH, USA, 1–5 October 2017; pp. 5595–5600. [Google Scholar] [CrossRef]
- Bian, S.; Xu, J.; Qian, Q.; Xie, S. Design and analysis of different passive damping for grid-connected LCL filters to achieve desirable system performance. In Proceedings of the 2018 IEEE International Power Electronics and Application Conference and Exposition, PEAC 2018, Shenzhen, China, 4–7 November 2018; pp. 1740–1745. [Google Scholar]
- Beres, R.N.; Wang, X.; Blaabjerg, F.; Liserre, M.; Bak, C.L. Optimal design of high-order passive-damped filters for grid-connected applications. IEEE Trans. Power Electron. 2016, 31, 2083–2098. [Google Scholar] [CrossRef]
- Xu, J.; Xie, S. LCL-resonance damping strategies for grid-connected inverters with LCL filters: A comprehensive review. J. Mod. Power Syst. Clean Energy 2018, 6, 292–305. [Google Scholar] [CrossRef]
- Gaafar, M.A.; Ahmed, E.M.; Shoyama, M. A two state feedback active damping strategy for the LCL filter resonance in grid-connected converters. J. Power Electron. 2016, 16, 1587–1597. [Google Scholar] [CrossRef]
- Wang, X.; Blaabjerg, F.; Loh, P.C. Grid-current-feedback active damping for LCL resonance in grid-connected voltage-source converters. IEEE Trans. Power Electron. 2016, 31, 213–223. [Google Scholar] [CrossRef]
- Ben Said-Romdhane, M.; Naouar, M.W.; Slama-Belkhodja, I.; Monmasson, E. Robust active damping methods for LCL filter-based grid-connected converters. IEEE Trans. Power Electron. 2017, 32, 6739–6750. [Google Scholar] [CrossRef]
- Roldan-Perez, J.; Bueno, E.J.; Pena-Alzola, R.; Rodriguez-Cabero, A. All-pass-filter-based active damping for VSCs with LCL filters connected to weak grids. IEEE Trans. Power Electron. 2018, 33, 9890–9901. [Google Scholar] [CrossRef]
- Liu, X.; Qi, Y.; Tang, Y.; Guan, Y.; Wang, P.; Blaabjerg, F. Unified active damping control algorithm of inverter for LCL resonance and mechanical torsional vibration suppression. IEEE Trans. Ind. Electron. 2021, 69, 6611–6623. [Google Scholar] [CrossRef]
- Pan, D.; Ruan, X.; Wang, X.; Blaabjerg, F.; Wang, X.; Zhou, Q. A highly robust single-loop current control scheme for grid-connected inverter with an improved LCCL Filter Configuration. IEEE Trans. Power Electron. 2018, 33, 8474–8487. [Google Scholar] [CrossRef]
- Wang, J.; Yan, J.D.; Zou, J. Inherent damping of single-loop digitally controlled voltage source inverters with LCL filters. In Proceedings of the 2016 IEEE 25th International Symposium on Industrial Electronics (ISIE), Santa Clara, CA, USA, 8–10 June 2016; pp. 487–492. [Google Scholar]
- Xia, W.; Kang, J. Stability of LCL-filtered grid-connected inverters with capacitor current feedback active damping considering controller time delays. J. Mod. Power Syst. Clean Energy 2017, 5, 584–598. [Google Scholar] [CrossRef]
- Tang, Y.; Yao, W.; Loh, P.C.; Blaabjerg, F. Design of LCL filters with LCL resonance frequencies beyond the nyquist frequency for grid-connected converters. IEEE J. Emerg. Sel. Top. Power Electron. 2016, 4, 3–14. [Google Scholar] [CrossRef]
- Luo, Z.; Li, X.; Jiang, C.; Li, Z.; Long, T. Permeability-Adjustable Nanocrystalline Flake Ribbon in Customized High-Frequency Magnetic Components. IEEE Trans. Power Electron. 2024, 39, 3477–3485. [Google Scholar] [CrossRef]
- Jiang, C.; Li, X.; Ghosh, S.S.; Zhao, H.; Shen, Y.; Long, T. Nanocrystalline Powder Cores for High-Power High-Frequency Power Electronics Applications. IEEE Trans. Power Electron. 2020, 35, 10821–10830. [Google Scholar] [CrossRef]
- Erickson, R.W.; Maksimović, D. Fundamentals of Power Electronics, 3rd ed.; Springer: Cham, Switzerland, 2020. [Google Scholar]
- TDK Inc. Ferrites and accessories. In EPCOS Data Book; TDK Inc.: Munich, Germany, 2013. [Google Scholar]
- Jiang, S.; Liu, Y.; Mei, Z.; Peng, J.; Lai, C.-M. A magnetic integrated LCL – EMI filter for a single-phase SiC-MOSFET grid-connected inverter. IEEE J. Emerg. Sel. Top. Power Electron. 2020, 8, 601–617. [Google Scholar] [CrossRef]
- Stecca, M.; Soeiro, T.B.; Elizondo, L.R.; Bauer, P.; Palensky, P. LCL filter design for three phase AC-DC converters considering semiconductor modules and magnetics components performance. In Proceedings of the 2020 22nd European Conference on Power Electronics and Applications, EPE 2020 ECCE Europe, Lyon, France, 7–11 September 2020; pp. 1–8. [Google Scholar]
- Wu, W.; Huang, M.; Blaabjerg, F. Efficiency comparison between the LLCL and LCL-filters based single-phase grid-tied inverters. Arch. Electr. Eng. 2014, 63, 63–79. [Google Scholar] [CrossRef]
- Liu, C.; Bai, H.; Ma, R.; Zhang, X.; Gechter, F.; Gao, F. A network analysis modeling method of the power electronic converter for hardware-in-the-loop application. IEEE Trans. Transp. Electrif. 2019, 5, 650–658. [Google Scholar] [CrossRef]
- Tasiu, I.A.; Liu, Z.; Yan, Q.; Chen, H.; Hu, K.; Wu, S. Fuzzy observer-based control for the traction dual rectifiers in high-speed train. IEEE Trans. Veh. Technol. 2021, 70, 303–318. [Google Scholar] [CrossRef]
- Zhu, L.; Jiang, D.; Qu, R.; Tolbert, L.M.; Li, Q. Design of power hardware-in-the-loop simulations for integrated starter–generator systems. IEEE Trans. Transp. Electrif. 2019, 5, 80–92. [Google Scholar] [CrossRef]
- Jiang, Y.; Li, J.; Pan, S.; Zhang, X.; Hu, P.; Zhang, H. Research on the comparison analyses of three-phase discrete and integrated LC filters in three-phase PV inverter. Int. J. Photoenergy 2013, 2013, 1–14. [Google Scholar] [CrossRef]
- Jiang, L.; Chen, Q.; Ren, X. Analysis of a novel coupled inductor for LCL filter in grid-connected inverter. In Proceedings of the 2016 IEEE 2nd Annual Southern Power Electronics Conference, SPEC 2016, Auckland, New Zealand, 5–8 December 2016; pp. 1–6. [Google Scholar]
- Han, Y.; Yang, M.; Li, H.; Yang, P.; Xu, L.; Coelho, E.A.A.; Guerrero, J.M. Modeling and stability analysis of LCL-type grid-connected inverters: A comprehensive overview. IEEE Access 2019, 7, 114975–115001. [Google Scholar] [CrossRef]
- Li, J.; Liu, Q.; Zhai, Y.; Molinas, M.; Wu, M. Analysis of harmonic resonance for locomotive and traction network interacted system considering the frequency-domain passivity properties of the digitally controlled converter. Front. Energy Res. 2020, 8, 1–16. [Google Scholar] [CrossRef]
- Wu, W.; Zhang, Y.; Blaabjerg, F.; Chung, H.S.-H. A new type of three-phase asymmetric-LCL power filter for grid-tied voltage source inverter with step-up transformer. IEEE Trans. Ind. Electron. 2021, 69, 11936–11945. [Google Scholar] [CrossRef]
- Geng, Z.; Liu, Z.; Hu, X.; Liu, J. Low-frequency oscillation suppression of the vehicle–grid system in high-speed railways based on H∞ control. Energies 2018, 11, 1594. [Google Scholar] [CrossRef]
- Feng, F.; Fang, J.; Manandhar, U.; Gooi, H.B.; Xie, P. Impedance-based stability analysis of DAB converters with single-, double- -, or cooperative triple-phase-shift modulations and input LC filter. Front. Energy Res. 2022, 10, 1–12. [Google Scholar] [CrossRef]
- Busarello, T.D.C.; Guerreiro, J.F.; Simoes, M.G.; Pomilio, J.A. Hardware-in-the-loop experimental setup of a LCL-filtered grid-connected inverter with digital proportional-resonant current controller. In Proceedings of the 2021 IEEE 22nd Workshop on Control and Modelling of Power Electronics, COMPEL 2021, Cartagena, Colombia, 2–5 November 2021; pp. 1–8. [Google Scholar]
- Zeni, V.S.; Munaretto, L.; Chaves, H.; Pont, N.C.D.; Gruner, V.F.; Finamor, G. Hardware-in-the-loop simulation of smart hybrid inverter: A comparison of online simulation and practical results. In Proceedings of the Conference Record of the IEEE Photovoltaic Specialists Conference, Calgary, AB, Canada, 15 June–21 August 2020; pp. 2005–2009. [Google Scholar]
- Song, W.; Jiao, S.; Li, Y.W.; Wang, J.; Huang, J. High-frequency harmonic resonance suppression in high-speed railway through single-phase traction converter with LCL filter. IEEE Trans. Transp. Electrif. 2016, 2, 347–356. [Google Scholar] [CrossRef]
- Liu, C.; Guo, X.; Ma, R.; Li, Z.; Gechter, F.; Gao, F. A System-level FPGA-based hardware-in-the-loop test of high-speed train. IEEE Trans. Transp. Electrif. 2018, 4, 912–921. [Google Scholar] [CrossRef]
- Hu, H.; He, Z.; Gao, S. Passive filter design for china high-speed railway with considering harmonic resonance and characteristic harmonics. IEEE Trans. Power Deliv. 2015, 30, 505–514. [Google Scholar] [CrossRef]
- Wu, S.; Liu, Z.; Li, Z.; Zhang, H.; Hu, X. Impedance modeling and stability analysis in vehicle-grid system with CHB-STATCOM. IEEE Trans. Power Syst. 2020, 35, 3026–3039. [Google Scholar] [CrossRef]
- Wu, S.; Liu, Z. Low-frequency stability analysis of vehicle-grid system with active power filter based on dq-frame impedance. IEEE Trans. Power Electron. 2021, 36, 9027–9040. [Google Scholar] [CrossRef]
- Cui, H.; Song, W.; Fang, H.; Ge, X.; Feng, X. Resonant harmonic elimination pulse width modulation-based high-frequency resonance suppression of high-speed railways. IET Power Electron. 2015, 8, 735–742. [Google Scholar] [CrossRef]
- Wu, S.; Jatskevich, J.; Liu, Z.; Lu, B. Admittance decomposition for assessment of APF and STATCOM impact on the low-frequency stability of railway vehicle-grid systems. IEEE Trans. Power Electron. 2022, 37, 15425–15441. [Google Scholar] [CrossRef]
- Alvarez-Gonzalez, F.; Griffo, A.; Sen, B.; Wang, J. Real-time hardware-in-the-loop simulation of permanent-magnet synchronous motor drives under stator faults. IEEE Trans. Ind. Electron. 2017, 64, 6960–6969. [Google Scholar] [CrossRef]
- Amin, M.; Aziz, G.A.A. A Hardware-in-the-loop realization of a robust discrete-time current control of PMa-SynRM for aerospace vehicle applications. IEEE J. Emerg. Sel. Top. Power Electron. 2019, 7, 936–945. [Google Scholar] [CrossRef]
- Zhang, Q.; Zhang, Y.; Huang, K.; Tasiu, I.A.; Lu, B.; Meng, X.; Liu, Z.; Sun, W. Modeling of regenerative braking energy for electric multiple units passing long downhill section. IEEE Trans. Transp. Electrif. 2022, 8, 3742–3758. [Google Scholar] [CrossRef]
- Meng, X.; Liu, Z.; Li, G.; Chen, X.; Wu, S.; Hu, K. A Multi-frequency input-admittance model of locomotive rectifier considering PWM sideband harmonic coupling in electrical railways. IEEE Trans. Transp. Electrif. 2022, 8, 3848–3858. [Google Scholar] [CrossRef]
- Meng, X.; Liu, Z.; Liu, Y.; Zhou, H.; Tasiu, I.A.; Lu, B.; Gou, J.; Liu, J. Conversion and SISO equivalence of impedance model of single-phase converter in electric multiple units. IEEE Trans. Transp. Electrif. 2022, 9, 1363–1378. [Google Scholar] [CrossRef]
- Liu, Z.; Li, G.; Meng, X.; Zhou, H.; Liu, J. A multi-frequency DQ impedance measurement algorithm for single-phase vehicle-grid system in electrified railways. IEEE Trans. Veh. Technol. 2022, 71, 1372–1383. [Google Scholar] [CrossRef]
- Saket, M.A.; Shafiei, N.; Ordonez, M. Planar transformer winding technique for reduced capacitance in LLC power converters. In Proceedings of the ECCE 2016—IEEE Energy Conversion Congress and Exposition, Proceedings, Milwaukee, WI, USA, 18–22 September 2016; pp. 1–6. [Google Scholar]





















| Filter Type | TTL | LTT | SPRLCL |
|---|---|---|---|
| Li (mH) | 0.45 | 0.45 | 0.45 |
| Cf (µF) | 1.4 | 1.4 | 1.4 |
| Lg (mH) | 0.45 | 0.45 | 0.45 |
| Ls (mH) | 3 | 3 | 3 |
| Cg (nF) | - | 39.09 | 35.18 |
| Ci (nF) | 39.09 | - | - |
| Lf (µH) | - | - | 45 |
| Mig (µH) | 45 | 45 | - |
| kMig | 0.1 | 0.1 | - |
| Description | Symbol | Value |
|---|---|---|
| Rated power | Po | 1 kW |
| Network voltage (RMS) | Vgg | 110 V |
| Dc-link voltage | Vdc | 200 V |
| Dc-link capacitor | Cdc | 1000 µF |
| Dc-link resistor | Rdc | 40 Ω |
| Fundamental frequency | fo | 50 Hz |
| Switching frequency | fsw | 10 kHz |
| Index | TTL | LTT | SPRLCL |
|---|---|---|---|
| Harmonics at 2fsw (% Iref) | 0.25 | 0.15 | 0.00 |
| Harmonics at 4fsw (% Iref) | 0.02 | 0.00 | 0.00 |
| Harmonics at 6fsw (% Iref) | 0.01 | 0.00 | 0.01 |
| THD of ig (%) | 0.90 | 0.85 | 0.83 |
| Core size (×10−5 m3) | 11.3 | 11.3 | 17.5 |
Disclaimer/Publisher’s Note: The statements, opinions and data contained in all publications are solely those of the individual author(s) and contributor(s) and not of MDPI and/or the editor(s). MDPI and/or the editor(s) disclaim responsibility for any injury to people or property resulting from any ideas, methods, instructions or products referred to in the content. |
© 2025 by the authors. Licensee MDPI, Basel, Switzerland. This article is an open access article distributed under the terms and conditions of the Creative Commons Attribution (CC BY) license (https://creativecommons.org/licenses/by/4.0/).
Share and Cite
Al-Barashi, M.; Zou, A.; Wang, Y.; Luo, W.; Shao, N.; Tang, Z.; Lu, B. Magnetic Integrated Multi-Trap Filters Using Mutual Inductance to Mitigate Current Harmonics in Grid-Connected Power Electronics Converters. Energies 2025, 18, 423. https://doi.org/10.3390/en18020423
Al-Barashi M, Zou A, Wang Y, Luo W, Shao N, Tang Z, Lu B. Magnetic Integrated Multi-Trap Filters Using Mutual Inductance to Mitigate Current Harmonics in Grid-Connected Power Electronics Converters. Energies. 2025; 18(2):423. https://doi.org/10.3390/en18020423
Chicago/Turabian StyleAl-Barashi, Maged, Aicheng Zou, Yongjun Wang, Wei Luo, Nan Shao, Zeyu Tang, and Bing Lu. 2025. "Magnetic Integrated Multi-Trap Filters Using Mutual Inductance to Mitigate Current Harmonics in Grid-Connected Power Electronics Converters" Energies 18, no. 2: 423. https://doi.org/10.3390/en18020423
APA StyleAl-Barashi, M., Zou, A., Wang, Y., Luo, W., Shao, N., Tang, Z., & Lu, B. (2025). Magnetic Integrated Multi-Trap Filters Using Mutual Inductance to Mitigate Current Harmonics in Grid-Connected Power Electronics Converters. Energies, 18(2), 423. https://doi.org/10.3390/en18020423

