Next Article in Journal
The Effect of Intake Temperature on the Idle Combustion Cycle Variation of Two-Stroke Aviation Kerosene Piston Engines
Previous Article in Journal
Steam Reforming of High-Concentration Toluene as a Model Biomass Tar Using a Nickel Catalyst Supported on Carbon Black
 
 
Due to scheduled maintenance work on our servers, there may be short service disruptions on this website between 11:00 and 12:00 CEST on March 28th.
Font Type:
Arial Georgia Verdana
Font Size:
Aa Aa Aa
Line Spacing:
Column Width:
Background:
Article

Theoretical Calculation of Heat and Material Balance for Oil Sludge Pyrolysis Process by Solid Heat Carrier Method

State Key Laboratory of Heavy Oil Processing, Key Laboratory of Optical Detection Technology for Oil and Gas, China University of Petroleum, Beijing 102249, China
*
Author to whom correspondence should be addressed.
Energies 2025, 18(2), 329; https://doi.org/10.3390/en18020329
Submission received: 2 December 2024 / Revised: 26 December 2024 / Accepted: 9 January 2025 / Published: 13 January 2025
(This article belongs to the Section J: Thermal Management)

Abstract

In this study, oil sludge from Jilin Petrochemical of China was selected to carry out the Fischer assay and proximate analysis. According to the properties of the Jilin oil sludge and its pyrolysates, the material and heat balance of the pyrolysis process was deduced theoretically based on 1000 kg of received base oil sludge. The results show that the solid heat carrier method can be used in the pyrolysis of oil sludge, and a new process flow is proposed. According to the heat required and heat provided in the rotary reactor and in the fluidized bed, 5940 kg of ash was needed as a solid heat carrier, and 25 kg of liquefied petroleum gas was needed as a supplementary fuel besides the semi-coke and retorting gas. The total input heat and output heat were 13.65 GJ and 10.04 GJ. The loss was 3.61 GJ and the thermal efficiency was 73.6%.

1. Introduction

Oil sludge is one of the main solid contaminants produced in the petroleum industry. It is usually generated during the crude oil exploitation, storage, transport and refining process [1,2]. Oil sludge is a complex emulsion formed by the various petroleum hydrocarbons, water, heavy metals and solid particles [3]. As oil sludge contains a number of toxic substances with high concentrations, many people are concerned about its effective disposal to reduce the damage to the environment [4]. Therefore, many methods for the treatment of oil sludge have been proposed, including pyrolysis, combustion, solvent extraction, solidification, bioremediation, microwave radiation, chemical demulsification and so on [5,6,7,8,9,10]. Among these methods, the pyrolysis method has the advantages of a large processing capacity and good processing effect, and the pyrolysis products, such as the pyrolysis oil, semi-coke and retorting gas, can be efficiently recovered and used; therefore, it has received more attention among scholars worldwide.
The pyrolysis method is used to volatilize and pyrolyze the organic matter in oil sludge under high temperatures and inert atmospheric conditions [11]. Pyrolysis oil, pyrolysis water and retorting gas will be obtained by condensing [12]. During the pyrolysis process, the content of organic matter is reduced to below 1%, small amounts of sulfides and nitrides are discharged, and heavy metals can also be stable in the semi-coke [13,14,15]. Because pyrolysis is an endothermic process, the organic matter in the oil sludge needs external energy. The pyrolysis gas and semi-coke, with high heat value, can be used as fuels to provide heat for the pyrolysis process, which can realize the comprehensive utilization of oil sludge resources and reduce the treatment cost [16].
Some studies on the use of the pyrolysis method to dispose of oil sludge have been reported over the past few years. Shen et al. [17] indicated that, under the conditions of a fluidized bed temperature of 525 °C and gas phase residence time of 1.5 s, the maximum oil yield was 30 wt% of the oil sludge supply. Karayildirim et al. [18] illustrated that the primary decomposition of oil sludge occurred at temperatures ranging from 100 to 350 °C; when the temperature rose to 400 °C, inorganic materials began to decompose and carbonaceous residues accounted for 38 wt%. Chang et al. [19] found that, under a nitrogen atmosphere and a heating rate of 5.2 K/min, the pyrolysis reaction was complex and significant in the range of 450–800 K. The pyrolysis residue of oil sludge showed high viscosity below 623 K, while it showed a less viscous or solid form above 713 K. The noncondensable gas products were CO2 (50.88 wt%), hydrocarbons (HCs, 25.23 wt%), H2O (17.78 wt%) and CO (6.11 wt%). Punnaruttanakun et al. [20] studied the pyrolysis of API separator sludge at different heating rates, and the results showed that the sludge underwent volatilization at approximately 230–270 °C and the main pyrolysis process at approximately 415–440 °C, depending on the heating rate. Shie et al. [21] found that chemical additives, such as sodium and potassium compounds, could increase the reaction rate in a certain temperature range during pyrolysis at 377–437 °C. Liu et al. [22] found that approximately 80% of the total organic carbon content (TOC) in oil sludge could be converted into available hydrocarbons during pyrolysis, and the yield of hydrocarbons was significant in the range of 600–723 K. Gong et al. [23] studied the pyrolysis performance of oil sludge using a thermal gravimetric analysis apparatus and a tube furnace reactor, and the results showed that the pyrolysis chars produced above 450 °C had a well-developed pore structure, and the catalytic pyrolysis of oil sludge at 450 °C could increase the yield of pyrolysis oil and reduce the potential ecological risks of heavy metals in the pyrolysis char.
Zhang et al. [24] found that, during the oil sludge (OS) combustion process, most of the sulfur is present in the form of SO2 release, with a small amount of COS, H2S and CS2 release. Nitrogen in the combustion process occurs in the form of NOx release, as well as NH3 and HCN release. The sulfur fixation capacity of CaO decreases with an increase in the combustion temperature and is almost completely ineffective at 1100 °C. As the temperature increases, the ability of CaO to reduce the NOx emissions increases first and then decreases. Song et al. [25] investigated oil sludge and steel slag disposed of in a self-designed continuous pyrolysis magnetic (CPM) separation process. With an increase in the pyrolysis temperature, the grade and recovery of steel slag increased. The grade of steel slag decreases with an increase in strength, but the recovery rate of steel slag increases. The high temperature promotes the reduction reaction of the reducing gas and carbon in steel slag, and more magnetite minerals can be obtained from the steel slag. When the temperature reaches 650 °C, the sludge combined with 20% steel slag can yield recovery of 55.03%. Milato et al. [26] studied three mesoporous zeolite catalysts (CBV 720, 760 and 780) to pyrolyze sludge at 450 °C. The external surface of the catalyst plays a decisive role in the catalytic activity, and CBV-780 is an efficient catalyst because of its low acidity and the uniform distribution of mesopores, affecting the selectivity of the secondary reactions. Gong et al. [27] modeled the thermal treatment process of oil sludge by using an Aspen Plus. With the rise in the pyrolysis temperature, the carbon flow rate of the pyrolysis gas first increases, and the growth rate keeps decreasing, increasing sharply above 650 °C.
Schmidt et al. [28] showed that the optimum pyrolysis temperature in fluidized bed reactors was between 500 °C and 650 °C, and it could recover up to 84 wt% of the oil. Karayildirim et al. [18] studied the pyrolysis process of oil sludge by using TG/MS and a fixed bed. In the fixed bed experiment, the catalyst’s effects on the yield and quality of organic and inorganic residues were investigated during the pyrolysis of oil sludge. The results showed that the pyrolysis oil contained many aliphatic compounds with high heat values and slightly higher viscosity than diesel oil, and the gaseous products contained a number of combustible gases. Park et al. [28] studied the rapid pyrolysis of sewage sludge and the characteristics of the oil products using a fluidized bed and catalyst bed reactor. The results showed that more oil products were obtained at the pyrolysis temperature of 450 °C, and the material particles were too large (>1 mm) or too small (<1 mm), which could affect the product distribution. Qin et al. [29] studied the pyrolysis of oil shale and a shale oil sludge mixture and showed that an increase in the sludge content promoted the pyrolysis process and increased the heating rate. According to the kinetic calculations, the activation energy of the mixture increased with an increase in the reaction degree, while the frequency factor decreased with an increase in the reaction depth. The optimum temperature range for co-pyrolysis was 374–666 °C.
In recent years, most research on sludge pyrolysis in various countries has remained at the stage of experimental research or pilot development. There are few reports of successful industrial applications and commercial operations. According to the different reactors, the main pyrolysis methods are fixed bed pyrolysis, fluidized bed pyrolysis, rotary kiln pyrolysis and so on. The fixed bed reactor is the most widely used, and the reactor core is generally a vertical or horizontal quartz tube. The fixed bed reactor has the advantages of easy installation, simple operation and a low cost. However, this type of reactor is unable to achieve continuous feeding, and the material is not evenly heated. Conesa et al. [30] reported a pilot-scale fixed bed pyrolysis experiment at a temperature of 350–530 °C. Cheng et al. [31] added a stirring system to the traditional fixed bed pyrolysis device to heat the sludge evenly, thus improving the pyrolysis effect of the sludge. The furnace of the rotary kiln pyrolysis furnace is rotatable, and the sludge rolls in the high temperature furnace while moving to the outlet. The pyrolysis of the sludge is completed in the continuous rolling state. Ma et al. [32] investigated the pyrolysis process of oil sludge in a rotary kiln reactor with and without a solid heat carrier. The results showed that the yield of oil reached 87.9% when the reaction temperature was 550 °C and the ratio of the solid heat carrier to the mixture was 1:2, and an appropriate solid heat carrier can promote the recovery of oil sludge. In a fluidized bed reactor, the gas blows the sludge particles, causing the particles to surge in the furnace. Due to the fluid movement of the sludge particles, the heat transfer effect is enhanced and the temperature distribution in the cavity is uniform. The pyrolytic properties of sludge were studied in a fluidized bed reactor at 400–600 °C, and the energy consumption was reduced to 2.4–2.9 MJ/kg oil sludge [33].
Most pervious works have focused on the investigation of the pyrolysis characteristics of oil sludge and the influence of the operation conditions on the pyrolysis process, such as the heating rate, final pyrolysis temperature, pyrolysis atmosphere, reaction time, catalyst, etc. Moreover, most data were obtained using laboratory reactors, including the fixed bed reactor, the fluidized bed reactor, etc. However, there are few studies on the comprehensive utilization of oil sludge resources, especially the recovery and utilization of the pyrolysis oil, retorting gas and semi-coke, and there is no detailed analysis of the heat and material variations in each component in the pyrolysis process.
The solid heat carrier method and Galoter Retort have advantages when they are chosen to carry out the oil sludge pyrolysis. The ash generated from the combustion process can be used as a solid heat carrier to provide heat for pyrolysis and to solve the energy consumption problem of the pyrolysis process. The pyrolysis products, including the semi-coke and retorting gas, can be used as fuel in the combustion process, and they can be discharged completely after combustion. The Galoter Retort, a rotary solid heat carrier pyrolysis furnace, has been successfully used to treat oil shale in Estonia since 1984, with a capacity of 3000 tons per day. It includes a drying section, a pyrolysis section and a combustion section [34,35,36]. In the drying section, the bottom-up 590–650 °C flue gas is used to dry the oil shale feed from the top in the airflow dryer. In the pyrolysis stage, the 740–800 °C shale ash is used as a solid heat carrier and mixed with 110–140 °C dry shale in the mixer to form a flow state, and the mass ratio is about 3:1. The mixed material enters the rotary reactor and undergoes pyrolysis to produce shale oil and shale gas, with a residence time of about 14 to 16 min. In the combustion stage, the mixture of shale ash and semi-coke is burned in an air jet burner at 760–810 °C. After separation by the cyclone, the flue gas is used to dry the oil shale, and the shale ash is used as a solid heat carrier for recycling.
In this study, oil sludge from Jilin Petrochemical of China was selected as the research object. The feasibility of applying the Galoter Retort to oil sludge pyrolysis and the process flow using the solid heat carrier method were discussed. Based on the properties of the Jilin oil sludge and its pyrolysates, the material and heat balance of the pyrolysis process were deduced theoretically.

2. Materials and Methods

2.1. Materials

The oil sludge was obtained from Jilin Petrochemical in Jilin Province, China. The Fischer assay and proximate analysis of oil sludge were performed according to ASTM D3904-90 and ASTM D3172-13, respectively, and the results are illustrated in Table 1.
It can be seen from Table 1 that the oil content of the oil sludge is 14.74%, which is relatively high and suitable for pyrolysis treatment. Since the water content of the oil sludge is as high as 72.82%, more external energy is needed in the pyrolysis process. According to the proximate analysis, the high volatiles and fixed carbon prove that the heat value of the oil sludge is high. The ash content is 6.04%, and it can be used as a solid heat carrier to provide heat for the pyrolysis process.

2.2. Basic Properties of Pyrolysates

The proximate analysis of the semi-coke is shown in Table 2. According to Table 2, the heat value of the semi-coke is relatively high due to the high content of volatiles and fixed carbon. This allows the semi-coke itself to provide a large amount of heat when it is burned in the fluidized bed. However, since the semi-coke yield is low (10.18%), additional fuel is required during combustion.
Pyrolysates containing pyrolysis oil, water vapor and retorting gas were passed through the outlet tube into a conical flask, which was placed in an ice water mixture for condensation. The pyrolysis oil and water remained in the conical flask. The retorting gas was collected using a vacuum gas bag, and the composition was analyzed with an Agilent-6890 gas chromatograph. The chromatographic conditions were as follows: the initial column temperature was 50 °C for 3 min, and the temperature was raised to 100 °C at 5 °C/min and then to 180 °C for 3 min at 10 °C/min. The flow rates of H2, air and N2 in the FID were 40, 650 and 20 mL/min. The temperature of the injection port was 50 °C and that of the detector for the FID and TCD was 250 °C. The composition of the retorting gas is listed in Table 3.
The heat value, specific heat capacity and average relative molecular mass of the retorting gas can be calculated from the gas composition, and the results are listed in Table 4. It is shown that the heat value of the retorting gas is relatively high (29,317 kJ/kg) because of its high H2, CH4 and C2H6 content. The retorting gas can be utilized in the fluidized bed to supply heat for semi-coke combustion, so as to obtain a solid heat carrier with a high temperature.

3. Results and Discussion

3.1. Comparison of Jilin Oil Sludge Pyrolysis and Estonia Oil Shale Pyrolysis

Compared to the pyrolysis process of the Estonia oil shale in the Galoter Retort, it is considered that this process is feasible for the pyrolysis of oil sludge. Both oil sludge and oil shale have high oil content, and they are suitable for treatment by pyrolysis. The thermal values of the semi-cokes produced by the pyrolysis of oil sludge and oil shale are high, and each of these two heat values can meet the heat requirement to convert the semi-coke into ash during the combustion process. The components of the retorting gases produced in the pyrolysis process of oil sludge and oil shale are mainly H2, CH4 and C2H6, which have high heat values and can be used as supplementary fuels in the semi-coke combustion process. The ash obtained when burning the semi-coke has a similar composition and specific heat capacity, and they can be used as a solid heat carrier to provide heat for pyrolysis. Some basic data for the Jilin oil sludge and Estonia oil shale are listed in Table 5.
However, due to the differences in the properties of oil sludge and oil shale, the process flow should be modified when using the Galoter Retort. First of all, the process flow of the Galoter Retort has a drying section, and the oil sludge is a complex mixture. Some light components of the oil will evaporate during the drying process, resulting in a decrease in the oil yield. In order to avoid light oil volatilization during the drying process, the sludge feed can be directly mixed with the hot solid heat carrier in the mixing chamber to couple the oil sludge drying process with the pyrolysis process. Secondly, because there is no drying process and the oil sludge has high water content, the pyrolysis process requires more heat—that is, more of the solid heat carrier. Thirdly, in the process of semi-coke combustion, due to the low semi-coke content in the pyrolysis products of the sludge, in order to reach the combustion temperature of 800 °C, some additional energy needs to be added. Then, the fluidized bed can be used instead of the air jet burner during the combustion process. The amount of air provided is also changed from insufficient (air coefficient of 0.89–0.95) to sufficient (air coefficient of 1.00–1.20), so that the combustion process can be fully carried out.

3.2. Process Flow of Solid Heat Carrier Method for Pyrolysis of Oil Sludge

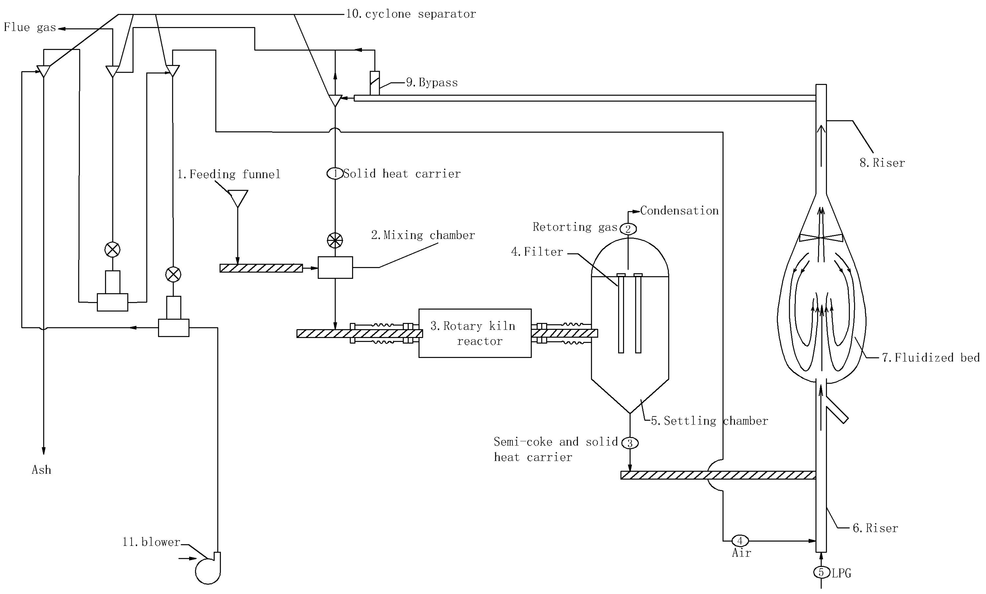
Figure 1 shows the process flow of the solid heat carrier method for the pyrolysis of oil sludge. In the mixing chamber, the hot ash from the combustion process as the solid heat carrier mixes with the oil sludge feed. The mixture is conveyed into the rotary reactor through a screw propeller, and the pyrolysis process is carried out when the rotary reactor rotates at a low speed. Due to the low-speed rotation of the reactor, the heat transfer of the mixture is more uniform, the pyrolysates are exported in time, and the secondary pyrolysis of the pyrolysates is avoided. At the discharge end of the rotary reactor, the pyrolysates, the mixture of the semi-coke and solid heat carrier, are transported to the settling chamber.
The semi-coke, solid heat carrier and larger particles of dust directly fall to the bottom of the settling chamber under the action of gravity. The pyrolysates, after dust removal by the filter, are condensed by the condensation recovery system to complete the separation of the oil, gas and water. The mixture of the semi-coke and solid heat carrier is fed into the riser through the screw, and the combustion air is preheated. The mixture of the semi-coke and solid heat carrier, the retorting gas and the supplementary fuel are raised to the fluidized bed. The burned hot ash is sent to the cyclone separator together with the high-temperature flue gas. Part of the separated hot ash is recycled as a solid heat carrier to provide heat for the pyrolysis process, and the rest is excluded from the system. The separated flue gas can be used to preheat the combustion air and then discharged through the exhaust gas treatment system after cooling.

3.3. Heat Required and Provided in the Rotary Reactor

The temperature of the rotary reactor was 520 °C, and the recycled solid heat carrier that provided heat for the pyrolysis process was the ash produced in the fluidized bed at 800 °C. The heat required in the rotary reactor can be divided into two parts: one is used to heat the dry-based oil sludge to 520 °C, and the other is used to heat the water contained in the oil sludge to 520 °C. Some physical properties of the components are listed in Table 6.
Dry-based oil sludge refers to the remaining part after removing the surface water. The sensible heat Q 1 required to raise the dry-based oil sludge from room temperature or 20 °C to 520 °C can be calculated according to Equation (1):
Q 1 = c 1 m 1 T 1
where c 1 is the specific heat capacity of the oil sludge, kJ/kg·°C; m 1 is the quality of the oil sludge, kg; and T 1 is the temperature difference, °C.
The surface water in the oil sludge undergoes three stages in the rotary reactor. First, the temperature of the water rises from 20 °C to 100 °C; then, the water has a phase transition from liquid to water vapor at 100 °C; and, finally, the water vapor at 100 °C continues to rise to 520 °C. The heat Q 2 required in the three stages is calculated by Equation (2):
Q 2 = c 2 m 2 T 2 + Q   * + c 3 m 3 T 3
where c 2 is the specific heat capacity of the water, kJ/kg·°C; m 2 is the quality of the water, kg; Q   * is the vaporization latent heat of the water, kJ; c 3 is the specific heat capacity of the water vapor, kJ/kg·°C; and m 3 is the quality of the water vapor.
The heat that the solid heat carrier can provide is the sensible heat released during the process from the combustion temperature of 800 °C to the pyrolysis temperature of 520 °C. According to the total heat required, the mass of the solid heat carrier M a s h can be calculated by the following Equation (3):
M a s h = ( Q 1 + Q 2 ) / ( c 4 · T 4 )
where c 4 is the specific heat capacity of ash, kJ/kg·°C. Based on 1000 kg of received base oil sludge, the results regarding the heat required and heat provided in the rotary reactor are listed in Table 7. It is shown that Q 1 = 162.75 MJ, Q 2 = 2332.06 MJ and M a = 5940 kg.

3.4. Heat Required and Provided in the Fluidized Bed

When the pyrolysates and the mixture of the semi-coke and solid heat carrier are transported to the settling chamber, the temperature drops, and the initial temperature of the semi-coke and ash entering the fluidized bed is about 480 °C. The heat Q 3 and Q 4 required to heat the semi-coke and ash to 800 °C is calculated according to Equations (4) and (5), respectively.
Q 3 = c 5 m 5 T 5
Q 4 = c 4 m 6 T 6
where   c 5 is the specific heat capacity of the semi-coke, kJ/kg·°C; m 5 is the quality of the semi-coke; c 4 is the specific heat capacity of the ash, kJ/kg·°C; and m 6 is the quality of the ash.
The semi-coke and retorting gas generated during the pyrolysis process can provide heat for the fluidized bed, and liquefied petroleum gas is chosen as the supplementary fuel. The heat Q 5 and Q 6 provided by the combustion of the semi-coke and retorting gas can be calculated using their heat values, respectively. The heat Q 7 provided by the liquefied petroleum gas is calculated according to the difference in the heat required and provided.
Based on 1000 kg of received base oil sludge, the calculation results regarding the heat required and the heat provided in the fluidized bed are listed in Table 8. According to Q 7 and the heat value of LPG, the mass of the liquefied petroleum gas is 25 kg.

3.5. Material Balance of Whole Pyrolysis Process of Oil Sludge

The material balance is calculated according to the mass of each material input and output of the whole process. The input materials are oil sludge (received base), air and liquefied petroleum gas, and the output materials are pyrolysis oil, water, ash and flue gas. The air required for the combustion of the semi-coke, retorting gas and liquefied petroleum gas in the fluidized bed is calculated by Equation (6), using the ultimate analysis results listed in Table 9.
M a i r = a m i ( 0.115 C i + 0.342 H i 0.043 O i + 0.000 N i + 0.043 S i )
where M a i r is the mass of air, kg; a is the air coefficient; and m i is the mass of the semi-coke, retorting gas and LPG, kg. The element symbol is the ultimate analysis of the semi-coke, retorting gas and LPG, wt%. The air coefficient is set as 1.01, and the quality of the air required for combustion is 954 kg.
Due to the large proportion of C in combustible materials, the composition of the flue gas after combustion is mainly CO2, and the amount of flue gas is estimated according to Equation (7):
M f = 0.21 M a i r · M r c o 2 / M r o 2 + 0.79 M a i r
where M f is the mass of the flue gas, kg; M a i r is the mass of air, kg; and M r is the relative molecular mass of the substance, g/mol. The calculated mass of the flue gas is 1029 kg.
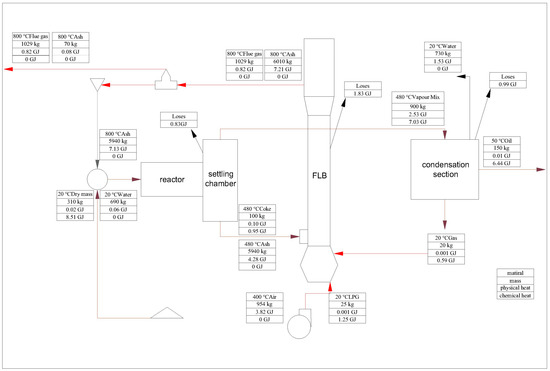
The semi-coke is completely burned in the fluidized bed and converted into ash. The mass of the ash flowing out of the fluidized bed is the sum of the newly generated ash and the circulating solid heat carrier, which can be calculated as 6010 kg according to the industrial analysis of the semi-coke shown in Table 2. After removing 5940 kg of ash used as a solid heat carrier, the mass of the ash in the discharged system was 70 kg. The calculated results regarding the material balance are listed in Table 10. The material composition for the inlet and outlet sides is shown in Figure 2.

3.6. Heat Balance of Whole Pyrolysis Process of Oil Sludge

Based on the results for the material balance, the calculation of the heat balance is performed for the output and input sides of the whole process. The physical heat can be calculated by the following Equation (8):
Q P = c m T
where Q P is the physical heat of each component, kJ; c is the specific heat capacity of each component, kJ/kg·°C. The chemical heat is calculated using Equation (9):
Q c = m H
where Q c is the chemical heat of each component, kJ; H is the heat value of each component, kJ/kg. The specific heat capacity and heat values of the components are listed in Table 11.
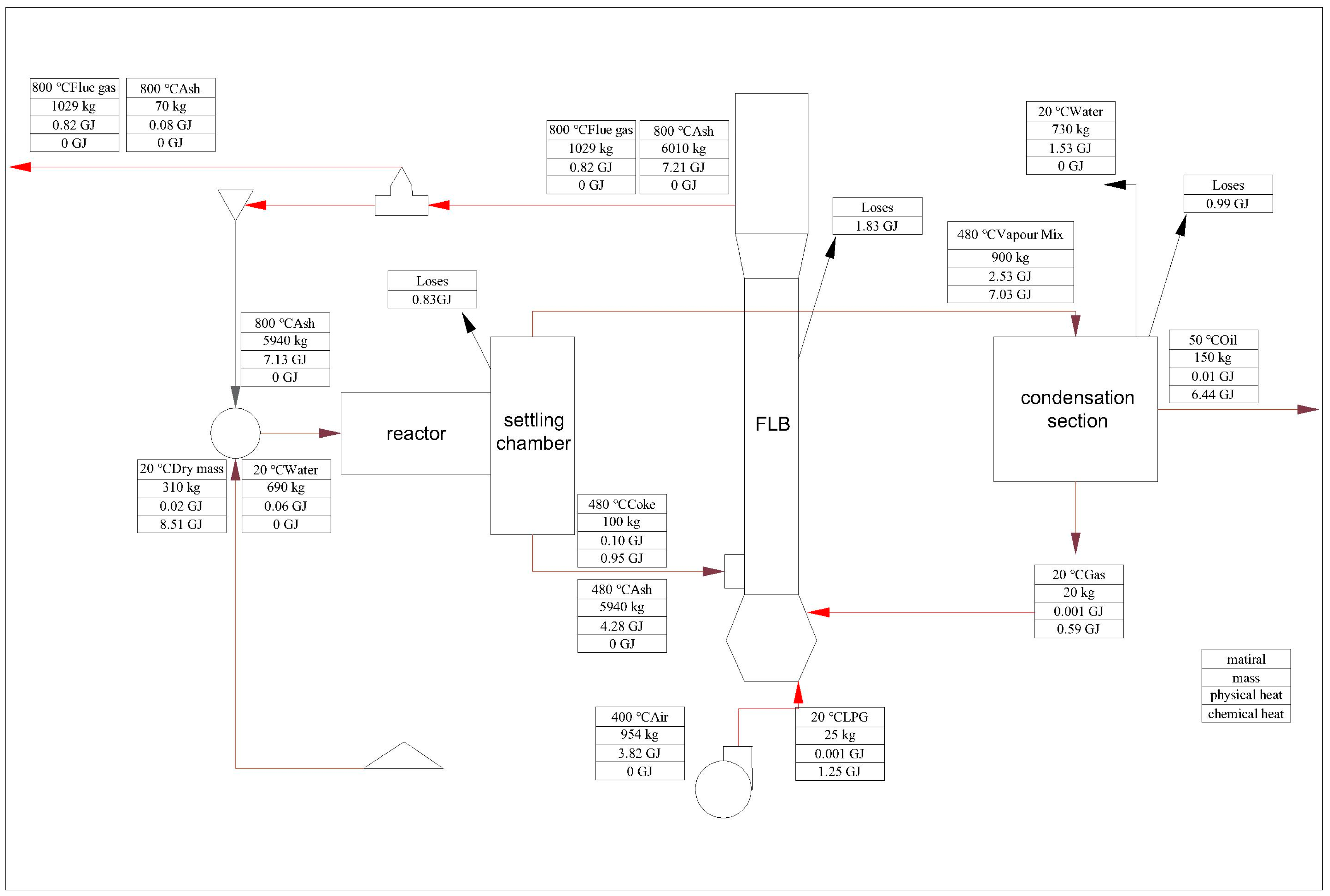
Based on 1000 kg of received base oil sludge, the heat calculation of the whole process was performed, as shown in Figure 3. The input temperature of each component was set at 20 °C and the air was preheated to 400 °C. The output temperatures of the pyrolysis oil, water, ash and flue gas were set at 50 °C, 20 °C, 120 °C and 200 °C, respectively.
Before entering the rotary reactor, oil sludge at 20 °C is mixed with hot ash at 800 °C. The physical heat of the water in the oil sludge is 0.06 GJ and that of the dry-based oil sludge is 0.02 GJ. The chemical heat of the dry-based sludge is calculated based on its heat value (see Table 1) and the result is 8.51 GJ. The physical heat of the hot ash at 800 °C is 7.13 GJ. Since the semi-coke is completely burned in the fluidized bed, the chemical heat of the hot ash is zero. The total heat entering the reactor is 15.72 GJ.
When the materials leave the rotary reactor, they will be separated in a sedimentation chamber with a temperature of 480 °C. The solid phase of the materials contains the solid heat carrier and semi-coke, and the gas phase contains the pyrolysis oil, water vapor and retorting gas. The physical heat of the ash and semi-coke is 4.28 GJ and 0.10 GJ, respectively. Moreover, the chemical heat of the semi-coke is calculated according to its heat value (see Table 2) and the result is 0.95 GJ. The physical heat of the gas-phase mixture is 2.53 GJ, including the pyrolysis oil, water vapor and retorting gas, and the chemical heat is 7.03 GJ, including the hydrocarbon gas and retorting gas. The total heat output from the rotary reactor is 14.89 GJ, the heat loss in the pyrolysis stage is 0.83 GJ, and the thermal efficiency is 94.7%. The heat loss is mainly concentrated in the sedimentation and separation process, because the temperature is 480 °C, which is lower than that of 520 °C in the rotary reactor.
In the condensation stage, the physical heat entering the condenser is 2.53 GJ, the chemical heat is 7.03 GJ, and the total heat is 9.56 GJ. The temperature of the water after condensation is 20 °C, and the physical heat is 1.53 GJ. The temperature of the oil after condensation is 50 °C, the physical heat is 0.01 GJ, and the chemical heat is 6.44 GJ. The temperature of the retorting gas after condensation is 20 °C, the physical heat is 0.001 GJ, and the chemical heat is 0.59 GJ. The total heat leaving the condenser is 8.57 GJ, and the loss is 0.99 GJ. The loss is mainly concentrated in the physical heat lost by natural cooling during the condensation process, and the chemical heat does not change during the condensation process.
In the combustion stage, the physical heat of the semi-coke and ash entering the fluidized bed is 4.38 GJ, and the chemical heat is 0.95 GJ. The retorting gas is added as a fuel to the fluidized bed, with physical heat of 0.001 GJ and chemical heat of 0.59 GJ. In addition, 25 kg of liquefied petroleum gas is required as a supplementary fuel, with physical heat of 0.001 GJ and chemical heat of 1.25 GJ. The air required for combustion is preheated to a temperature of 400 °C by the flue gas, and the physical heat is 0.38 GJ. The total heat entering the fluidized bed is 10.99 GJ. After combustion, the physical heat of the hot ash and flue gas is 7.21 GJ and 0.82 GJ, respectively, and the total heat leaving the fluidized bed is 8.03 GJ. The heat loss in the combustion stage is 1.83 GJ, and the thermal efficiency is 83.3%. The heat loss is mainly concentrated in the heat loss of the burner wall and the outside.
According to the heat balance of the whole process for the pyrolysis of oil sludge, shown in Table 12, the total input heat and output heat are 13.65 GJ and 10.04 GJ, respectively. The loss is 3.61 GJ and the thermal efficiency is 73.6%. At the pyrolysis stage, the heat loss is concentrated in the material settling process. At the condensation stage, the heat loss is due to natural cooling and the condensation of vapor gases. At the burning stage, the heat loss is concentrated in the heat exchange between the fluidized bed and the outside.

4. Conclusions

In this study, oil sludge from Jilin Petrochemical of China was selected as the research object. The feasibility of applying the Galoter Retort to oil sludge pyrolysis and the process flow using the solid heat carrier method were discussed. According to the properties of the Jilin oil sludge and its pyrolysates, the material and heat balance of the pyrolysis process was deduced theoretically based on 1000 kg of received base oil sludge.
The solid heat carrier method can be used in the pyrolysis of oil sludge, and, due to the differences in he properties of oil sludge and oil shale, the process flow was modified when using the Galoter Retort. In order to avoid light oil volatilization during the drying process, the oil sludge feed can be directly mixed with the hot solid heat carrier in the mixing chamber to couple the drying process with the pyrolysis process. In the pyrolysis process, the hot ash generated in the combustion process is used as a solid heat carrier to provide heat to solve the problem of high energy consumption. The fluidized bed is used in the combustion process, and the heat of the semi-coke and retorting gas is fully utilized, which can achieve low pollution discharge and realize the recycling of the solid heat carrier. The waste heat of the flue gas can be preheated for the sludge and discharged after treatment. The ash discharged reached the emission standards and can be used in building materials.
The pyrolysis products of sludge include the pyrolysis oil, pyrolysis gas and pyrolysis semi-coke. Pyrolytic oil is an important product of sludge pyrolysis and has high recycling value [36]. For example, light oils separated from pyrolytic oils (alkanes, cycloalkanes or aromatics with 5–11 carbon atoms) are important feedstocks for cracking, catalytic reforming and ammonia production. The pyrolysis oil is mainly composed of saturated hydrocarbons, aromatic hydrocarbons, gum and asphaltene. Gong et al. [23] conducted a pyrolysis experiment on sludge at 400–600 °C and found that the pyrolysis oil of the sludge was mainly divided into gasoline (IBP-180 °C), diesel (180–350 °C), light oil (350–500 °C), heavy oil (>500 °C) and aviation fuel (140–240 °C) according to its boiling point. The increase in temperature helps to increase the yield of low-boiling-point components (gasoline and jet fuel). This process can use different solid heat carriers or be applied to treat other types of solid waste, such as paper, waste plastics, etc.
According to the heat required and heat provided in the rotary reactor and in the fluidized bed, 5940 kg of ash is needed as a solid heat carrier to provide energy in the pyrolysis process. During the combustion process, 25 kg of liquefied petroleum gas is needed as a supplementary fuel, besides the semi-coke and retorting gas. Regarding the heat and material balance of the whole process, the total volume of 1979 kg of the input components includes oil sludge, air and liquefied petroleum gas, while the total volume of 1979 kg of the output components includes pyrolysis oil, water, ash and flue gas. The total input heat and output heat are 13.65 GJ and 10.04 GJ, respectively. The loss is 3.61 GJ and the thermal efficiency is 73.6%.

Author Contributions

Investigation, Z.Z.; resources, Z.Z.; data curation, Z.Z.; writing—original draft preparation, Z.Z.; writing—review and editing, Z.Z., Y.M., F.G. and C.Y. All authors have read and agreed to the published version of the manuscript.

Funding

This research did not receive any specific grant from funding agencies in the public, commercial.

Data Availability Statement

The original contributions presented in this study are included in the article. Further inquiries can be directed to the corresponding author.

Acknowledgments

I would like to express my sincere gratitude to Shuyuan Li for their invaluable guidance, encouragement, and support throughout this study.

Conflicts of Interest

The authors declare that they have no known competing financial interests or personal relationships that could have appeared to influence the work reported in this paper.

References

  1. Gan, Z.; Zhao, C.; Li, Y.; Chen, G.; Song, Z.; Zhang, Z.; Ran, W. Experimental investigation on smoldering combustion for oil sludge treatment: Influence of key parameters and product analysis. Fuel 2022, 316, 123354. [Google Scholar] [CrossRef]
  2. Zhao, S.; Li, Y.-J.; Qiao, N.; Xu, F.-J.; Chu, G.-W.; Zou, H.-K.; Sun, B.-C. Study on the oil-sludge separation by thermochemical method in rotating packed bed. Chem. Eng. Process.-Process Intensif. 2022, 174, 108878. [Google Scholar] [CrossRef]
  3. Wang, J.; Sun, C.; Lin, B.-C.; Huang, Q.-X.; Ma, Z.-Y.; Chi, Y.; Yan, J.-H. Micro- and mesoporous-enriched carbon materials prepared from a mixture of petroleum-derived oily sludge and biomass. Fuel Process. Technol. 2018, 171, 140–147. [Google Scholar] [CrossRef]
  4. U.S. Environmental Protection Agency. Guidance Manual for Hazardous Waste Permits; PB 84-10057; U.S. Environmental Protection Agency Office of Solid Waste and Emergency Response: Washington, DC, USA, 1989.
  5. Hochberg, S.Y.; Tansel, B.; Laha, S. Materials and energy recovery from oily sludges removed from crude oil storage tanks (tank bottoms): A review of technologies. J. Environ. Manag. 2022, 305, 114428. [Google Scholar] [CrossRef]
  6. Cameotra, S.S.; Singh, P. Bioremediation of oil sludge using crude biosurfactants. Int. Biodeterior. Biodegrad. 2008, 62, 274–280. [Google Scholar] [CrossRef]
  7. Lee, C.; Kim, S.; Park, M.H.; Lee, Y.S.; Lee, C.; Lee, S.; Yang, J.; Kim, J.Y. Valorization of petroleum refinery oil sludges via anaerobic co-digestion with food waste and swine manure. J. Environ. Manag. 2022, 307, 114562. [Google Scholar] [CrossRef]
  8. Taiwo, E.A.; Otolorin, J.A. Oil recovery from petroleum sludge by solvent extraction. Pet. Sci. Technol. 2009, 27, 836–844. [Google Scholar] [CrossRef]
  9. Ran, W.; Zhu, H.; Shen, X.; Zhang, Y. Rheological properties of asphalt mortar with silane coupling agent modified oil sludge pyrolysis residue. Constr. Build. Mater. 2022, 329, 127057. [Google Scholar] [CrossRef]
  10. Elektorowicz, M.; Habibi, S.; Chifrina, R. Effect of electrical potential on the electro-demulsification of oily sludge. J. Colloid Interface Sci. 2006, 295, 535–541. [Google Scholar] [CrossRef] [PubMed]
  11. Fonts, I.; Gea, G.; Azuara, M.; Ábrego, J.; Arauzo, J. Sewage sludge pyrolysis for liquid production: A review, Renew. Sustain. Energy Rev. 2012, 16, 2781–2805. [Google Scholar] [CrossRef]
  12. Zhao, C.; Li, Y.; Gan, Z.; Nie, M. Method of smoldering combustion for refinery oil sludge treatment. J. Hazard. Mater. 2021, 409, 124995. [Google Scholar] [CrossRef]
  13. Liu, J.; Song, W.; Nie, Y. Effects of temperature on pyrolysis products of oil sludge. Front. Environ. Sci. Eng. China 2008, 2, 8–14. [Google Scholar] [CrossRef]
  14. Song, W.; Liu, J.; Nie, Y. Pyrolysis behaviors of oil sludge based on TG/FTIR and PY-GC/MS. Front. Environ. Sci. Eng. China 2010, 4, 59–64. [Google Scholar] [CrossRef]
  15. Wang, W.; Du, W.; He, Y. Study on pyrolysis treatment and utilization of oily sludge. Pet. Plan. Eng. 2006, 16, 15–18. [Google Scholar] [CrossRef]
  16. Schmidt, H.; Kaminsky, W. Pyrolysis of oil sludge in a fluidized bed reactor. Chemosphere 2001, 45, 285–290. [Google Scholar] [CrossRef] [PubMed]
  17. Shen, L.; Zhang, D.-K. An experimental study of oil recovery from sewage sludge by low-temperature pyrolysis in a fluidised-bed. Fuel 2003, 82, 465–472. [Google Scholar] [CrossRef]
  18. Karayildirim, T.; Yanik, J.; Yuksel, M.; Bockhorn, H. Characterization of products from pyrolysis of waste sludges. Fuel 2005, 85, 1498–1508. [Google Scholar] [CrossRef]
  19. Chang, C.-Y.; Shie, J.-L.; Lin, J.-P.; Wu, C.-H.; Lee, D.-J.; Chang, C.-F. Major Products Obtained from the Pyrolysis of Oil Sludge. Energy Fuels 2000, 14, 1176–1183. [Google Scholar] [CrossRef]
  20. Punnaruttanakun, P.; Meeyoo, V.; Kalambaheti, C.; Rangsunvigit, P.; Rirksomboon, T.; Kitiyanan, B. Pyrolysis of API separator sludge. J. Anal. Appl. Pyrolysis 2003, 68–69, 547–560. [Google Scholar] [CrossRef]
  21. Shie, J.-L.; Lin, J.-P.; Chang, C.-Y.; Lee, D.-J.; Wu, C.-H. Pyrolysis of oil sludge with additives of sodium and potassium compounds. Resour. Conserv. Recycl. 2003, 39, 51–64. [Google Scholar] [CrossRef]
  22. Liu, J.; Jiang, X.; Zhou, L.; Han, X.; Cui, Z. Pyrolysis treatment of oil sludge and model-free kinetics analysis. J. Hazard. Mater. 2009, 161, 1208–1215. [Google Scholar] [CrossRef]
  23. Gong, Z.; Liu, C.; Wang, M.; Wang, Z.; Li, X. Experimental study on catalytic pyrolysis of oil sludge under mild temperature. Sci. Total Environ. 2020, 708, 135039. [Google Scholar] [CrossRef]
  24. Zhang, H.; Gong, Z.; Liu, L.; Wang, Z.; Li, X. Study on the Migration Characteristics of Sulfur and Nitrogen during Combustion of Oil Sludge with CaO Additive. Energy Fuels 2020, 34, 6124–6135. [Google Scholar] [CrossRef]
  25. Song, Q.; Zhao, H.; Jia, J.; Zhang, F.; Wang, Z.; Lv, W.; Yang, L.; Zhang, W.; Zhang, Y.; Shu, X. Characterization of the products obtained by pyrolysis of oil sludge with steel slag in a continuous pyrolysis-magnetic separation reactor. Fuel 2019, 255, 115711. [Google Scholar] [CrossRef]
  26. Milato, J.V.; França, R.J.; Marques, M.R.C. Pyrolysis of oil sludge from the offshore petroleum industry: Influence of different mesoporous zeolites catalysts to obtain paraffinic products. Environ. Technol. 2019, 42, 1013–1022. [Google Scholar] [CrossRef] [PubMed]
  27. Gong, Z.; Du, A.; Wang, Z.; Bai, Z.; Wang, Z. Analysis on integrated thermal treatment of oil sludge by Aspen Plus. Waste Manag. 2019, 87, 512–524. [Google Scholar] [CrossRef] [PubMed]
  28. Park, H.J.; Heo, H.S.; Park, Y.K.; Yim, J.H.; Jeon, J.K.; Park, J.; Ryu, C.; Kim, S.S. Clean bio-oil production from fast pyrolysis of sewage sludge: Effects of reaction conditions and metal oxide catalysts. Bioresour. Technol. 2010, 101 (Suppl. S1), S83–S85. [Google Scholar] [CrossRef] [PubMed]
  29. Hong, Q.; Lei, Z.; Lidong, Z.; Hongpeng, L.; Chunxia, J.; Qing, W.; Meiduan, C. Synergy analysis for co-pyrolysis of oil shale and shale oil sludge. Oil Shale 2019, 36, 370–391. [Google Scholar] [CrossRef]
  30. Conesa, J.A.; Moltó, J.; Ariza, J.; Ariza, M.; García-Barneto, A. Study of the thermal decomposition of petrochemical sludge in a pilot plant reactor. J. Anal. Appl. Pyrolysis 2014, 107, 101–106. [Google Scholar] [CrossRef]
  31. Cheng, S.; Wang, Y.; Gao, N.; Takahashi, F.; Li, A.; Yoshikawa, K. Pyrolysis of oil sludge with oil sludge ash additive employing a stirred tank reactor. J. Anal. Appl. Pyrolysis 2016, 120, 511–520. [Google Scholar] [CrossRef]
  32. Ma, Z.; Gao, N.; Xie, L.; Li, A. Study of the fast pyrolysis of oilfield sludge with solid heat carrier in a rotary kiln for pyrolytic oil production. J. Anal. Appl. Pyrolysis 2014, 105, 183–190. [Google Scholar] [CrossRef]
  33. Li, S.Y.; Tang, X.; He, J.; Qian, J. Global Oil Shale Development and Utilization Today—Two Oil Shale Symposiums held in 2012. Sino-Glob. Energy 2013, 18, 3–11, (In Chinese with Engish abstract). [Google Scholar]
  34. Golubev, N. Solid oil shale heat carrier technology for oil shale retorting. Oil Shale 2003, 20, 324–332. [Google Scholar] [CrossRef]
  35. Öpik, I.; Golubev, N.; Kaidalov, A.; Kann, J.; Elenurm, A. Current status of oil shale processing in solid heat carrier UTT(Galoter) retorts in Estonia. Oil Shale 2001, 18, 98–108. [Google Scholar] [CrossRef]
  36. Lin, B.; Wang, J.; Huang, Q.; Chi, Y. Effects of potassium hydroxide on the catalytic pyrolysis of oily sludge for high-quality oil product. Fuel 2017, 200, 124–133. [Google Scholar] [CrossRef]
Figure 1. The process flow of the oil sludge pyrolysis process by the heat carrier method.
Figure 1. The process flow of the oil sludge pyrolysis process by the heat carrier method.
Energies 18 00329 g001
Figure 2. The material composition of the inlet and outlet.
Figure 2. The material composition of the inlet and outlet.
Energies 18 00329 g002
Figure 3. The heat balance of the oil sludge pyrolysis process.
Figure 3. The heat balance of the oil sludge pyrolysis process.
Energies 18 00329 g003
Table 1. Fischer assay and proximate analysis of oil sludge.
Table 1. Fischer assay and proximate analysis of oil sludge.
SampleFischer Assay (%) (Received Basis)Proximate Analysis (%) (Received Basis)Heat Value
(Dry Basis)
kJ/kg
OilWaterSemi-CokeRetorting GasMoistureVolatileAshFixed Carbon
Jilin oil sludge14.7472.8210.182.2669.1519.196.045.6227,454
Table 2. Proximate analysis of semi-coke.
Table 2. Proximate analysis of semi-coke.
SampleMoistureVolatileAshFixed CarbonHeat Value (kJ/kg)
Semi-coke of Jilin oil sludge08.3768.0423.599487
Table 3. Composition of oil sludge retorting gas.
Table 3. Composition of oil sludge retorting gas.
CompositionCH4C2H6C2H4C3H8C3H6C4H10C4H8C5H12C5H10H2CO2CO
V%6.533.712.402.462.761.422.251.051.7048.6422.474.61
Table 4. Physical properties of oil sludge retorting gas.
Table 4. Physical properties of oil sludge retorting gas.
Specific heat capacity of retorting gas (kJ/kg·°C)0.048
Heat value (kJ/kg)29,317.06
Average relative molecular mass (g/mol)21.25
Average density (g/L)0.95
Table 5. Some basic data for Jilin oil sludge and Estonia oil shale.
Table 5. Some basic data for Jilin oil sludge and Estonia oil shale.
Jilin Oil SludgeEstonia Oil Shale
Oil content (%)10.1818.50
Heat value of semi-coke (kJ/kg)94879012
Heat value of retorting gas (kJ/kg)29,31726,281
Specific heat capacity of ash (kJ/kg·°C)1.501.01
Table 6. Some physical properties of components.
Table 6. Some physical properties of components.
Specific heat capacity of water (kJ/kg·°C)4.18
Specific heat capacity of water vapor of 100–500 °C (kJ/kg·°C)1.87
Specific heat capacity of oil sludge (dry basic) (kJ/kg·°C)1.05
Specific heat capacity of semi-coke (kJ/kg·°C)1.05
Specific heat capacity of ash (kJ/kg·°C)1.50
Specific heat capacity of air (kJ/kg·°C)1.00
Specific heat capacity of retorting gas (kJ/kg·°C)2.26
Vaporization latent heat of water (kJ/kg) 2260
Table 7. Heat required and heat provided in the rotary reactor.
Table 7. Heat required and heat provided in the rotary reactor.
Heat Required Heat Provided
Mass (kg)Heat (MJ) Mass (kg)Heat (MJ)
Water6902327.23Ash59402489.98
Oil sludge
(dry basis)
310162.75
Total10002489.98Total59402489.98
Table 8. Heat required and heat provided for fluidized bed, MJ.
Table 8. Heat required and heat provided for fluidized bed, MJ.
Heat RequiredHeat Provided
Semi-coke 34.20Semi-coke965.78
Ash2846.40Retorting gas 662.56
LPG1252.26
Total2880.60Total2880.60
Q3, Heat required of semi-coke, Q4, heat required of ash, Q5, heat provide of semi-coke, Q6, heat provided of retorting gas, Q7, heat provided of LPG.
Table 9. Ultimate analysis of semi-coke, retorting gas and LPG, wt%.
Table 9. Ultimate analysis of semi-coke, retorting gas and LPG, wt%.
AshCHONS
Semi-coke68.0420.442.045.530.972.98
Retorting gas073.2814.9211.8000
LPG097.752.25000
Table 10. The calculated results for the material balance, kg.
Table 10. The calculated results for the material balance, kg.
InputOutput
Oil sludge
(received basis)
1000Pyrolysis oil150
Air954Water730
LPG25Ash70
Flue gas1029
Total1979Total1979
Table 11. The specific heat capacity and heat values of the components.
Table 11. The specific heat capacity and heat values of the components.
Specific Heat Capacity (kJ/kg·°C)Heat Value (kJ/kg)
Air1.000
LPG2.4150,000
Pyrolysis oil1.3842,966
Ash1.500
Flue gas1.000
Table 12. The heat balance of the whole process for the pyrolysis of oil sludge, GJ.
Table 12. The heat balance of the whole process for the pyrolysis of oil sludge, GJ.
InputOutput
MaterialPhysical HeatChemical HeatMaterialPhysical HeatChemical Heat
Pyrolysis stageDry basis0.028.51Vapor mix2.537.03
Water0.060Semi-coke0.100.95
Ash7.130Ash4.280
Total15.72Total14.89
Condensation stageVapor mix2.537.03Oil0.016.44
Water1.530
Retorting gas0.0010.59
Total9.56Total8.57
Burning stageSemi-coke0.100.95Flue gas0.820
Ash4.280Ash7.210
Air3.820
LPG0.0011.25
Retorting gas0.0010.59
Total9.86Total8.03
Whole stageOil sludge
(received basis)
0.088.51Water1.530
Air3.820Pyrolysis oil0.016.44
LPG0.0011.25Ash0.010
Flue gas2.050
Total13.65Total10.44
Disclaimer/Publisher’s Note: The statements, opinions and data contained in all publications are solely those of the individual author(s) and contributor(s) and not of MDPI and/or the editor(s). MDPI and/or the editor(s) disclaim responsibility for any injury to people or property resulting from any ideas, methods, instructions or products referred to in the content.

Share and Cite

MDPI and ACS Style

Zhang, Z.; Ma, Y.; Guo, F.; Yue, C. Theoretical Calculation of Heat and Material Balance for Oil Sludge Pyrolysis Process by Solid Heat Carrier Method. Energies 2025, 18, 329. https://doi.org/10.3390/en18020329

AMA Style

Zhang Z, Ma Y, Guo F, Yue C. Theoretical Calculation of Heat and Material Balance for Oil Sludge Pyrolysis Process by Solid Heat Carrier Method. Energies. 2025; 18(2):329. https://doi.org/10.3390/en18020329

Chicago/Turabian Style

Zhang, Zhengyang, Yue Ma, Fengzhi Guo, and Changtao Yue. 2025. "Theoretical Calculation of Heat and Material Balance for Oil Sludge Pyrolysis Process by Solid Heat Carrier Method" Energies 18, no. 2: 329. https://doi.org/10.3390/en18020329

APA Style

Zhang, Z., Ma, Y., Guo, F., & Yue, C. (2025). Theoretical Calculation of Heat and Material Balance for Oil Sludge Pyrolysis Process by Solid Heat Carrier Method. Energies, 18(2), 329. https://doi.org/10.3390/en18020329

Note that from the first issue of 2016, this journal uses article numbers instead of page numbers. See further details here.

Article Metrics

Back to TopTop