Abstract
The operation and modelling of doubly fed induction generators (DFIGs) are quite different in grid-connected and stand-alone operated wind energy conversion systems (WECSs). Researchers usually simulate DFIGs in these operations using the pre-built models provided in commercial software, which are built using complex modeling techniques that most researchers in the field are unfamiliar with. In this paper, a simple and easy-to-use modeling approach based on the basic dynamic voltage equations of an induction machine (IM) is proposed to provide a more physical and practical understanding of the dynamic behavior of DFIGs, considering the difference between stand-alone and grid-connected operations. The basic theory and various dynamic models of DFIGs are reviewed and discussed to clarify the complexity of using alternative reference frame coordinates and various state variables in these models. A generic fifth-order DFIG model that is defined in an arbitrary general reference coordinate frame is considered. It is a flux-based model that allows for change in the parameters of the DFIG online and can be used only for grid-connected operations under control. In addition, this model is expanded to be used for stand-alone operation, but can also be used for grid-connected mode operation. The stand-alone model consists of a hybrid modeling approach and more closely resembles the real structure of a stand-alone DFIG system. The modeling technique used for the stand-alone DFIG provides a practical, non-mathematical way to solve the challenge of defining the dynamic equation of the stator voltage when different sizes and types of loads are connected to the stator. Many technical research problems and critical events that are challenging in DFIG-based WECSs can be studied using the proposed simulation models. As pioneering examples, several effective simulations are carried out, aiming to provide new researchers in this field with a more practical, in-depth, and intuitive understanding of the theory and operating principle of DFIGs in both stand-alone and grid-connected operations. The accuracy of the proposed stand-alone model is demonstrated by comparative simulation tests performed in parallel operation with two other pre-built models with the same conditions and power size. Furthermore, both proposed models are validated by simulating them for two different-sized DFIGs of 15 kW and 2 MW. In addition, a real experiment is conducted for the current controlled operation of a stand-alone DFIG using the introduced small-sized laboratory hardware setup. The results obtained through simulations and experiment are presented and discussed.
1. Introduction
Since there is a global demand for renewable energy that minimizes carbon emissions, wind turbine systems have become an attractive research area for the academic and industrial sectors. The current installed modern large-scale, i.e., multi-MW WECSs typically operate at variable speeds [1,2]. For these systems, the DFIG still stands out as one of the best options for the manufacturing and supplier sectors, due to its important advantages such as requiring small-sized and low-cost power electronic converters and facilitating independent active and reactive power control [3,4]. Therefore, its market share is expected to continue to increase in the next 5–10 years [5]. However, from a technical standpoint, the DFIG is quite interesting and a bit difficult to understand compared to its traditional counterparts such as the squirrel-cage induction generator (SGIG) and permanent magnet synchronous generator (PMSG). Moreover, from a research and education perspective, real experiments of WECS are impractical and rarely implemented due to the lack of access to real systems at installation sites.
Therefore, research and teaching activities involving WECSs are usually carried out in laboratory-scale test setups, but most often by computer simulation using well-known commercial software packages such as Matlab/Simulink, Plecs, DigSling, Powersim, and others. These software packages offer pre-built demo simulation models of physical systems, which are usually complex and created with some specialized toolboxes that most users may not be familiar with [6,7,8,9]. However, these models are accretive for new researchers and are frequently used in many research studies, even though it is often difficult to establish the relationship between the mathematical model equations of physical systems and their pre-built simulation model. These pre-built models are not very effective or may not be appropriate for all real operational requirements of WECSs since they involve a model of a DFIG with high-order differential equations, which leads to a complex system structure and is not feasible for reducing the computation time to analyze the challenging problems arising in the transient operation of WECSs in large-scale farm applications [10]. Therefore, various simplified modeling approaches are proposed to reduce the order of the generic high-order DFIG models; research aiming to reduce the computational time for simulating large-scale WECSs can be found in [11,12,13]. Moreover, many research and case studies have been proposed to analyze the steady-state and dynamic behavior of the DFIG and to improve the overall control performance and operational safety, increase the system efficiency, and predict and solve the problems under normal and fault conditions. A significant amount of research on the issues can be found in [14,15,16,17,18,19,20,21,22] and the references therein.
In these studies, the aerodynamic model of wind turbines has also been extensively investigated. Therefore, to better simplify the system structure and focus on the DFIG machine itself, the above-mentioned extremes are not considered in this study. The reason for this is that, even though the need for engineers who are employed as maintenance, service, and research staff for the industry field is constantly increasing in the world energy sector, most of the newly graduated engineers have a serious lack of knowledge about renewable energy conversion systems. Therefore, the particular aim of this study is to fill the gap and address the needs of new entrants in this field regarding the fundamentals of variable speed WECSs. In this context, two simulation models of DFIGs are proposed; one is flux-based and the other is current-based. Both models are fifth-order models and are derived from the basic dynamic voltage equation of IM. The flux-based model can be used only for grid-connected operation under control; the current-based model is particularly built for stand-alone operation, but can also be used for grid-connected operations and intentional islanding.
The second model consists of a hybrid modeling approach and is more similar to the real structure of a standalone DFIG system; for the rotor side, the rotor current is selected as the state variable, and the rotor speed and rotor voltage are the inputs of the system, while the stator voltage is the output and the stator current is considered as the system disturbance entering from the load/grid. This modeling technique provides a practical, physical network approach to solve the challenge of defining a dynamic equation for the stator voltage when loads of different sizes and types are connected to the stator.
The advantages of this modeling approach are that users can directly create their own simulation models using the DFIG dynamic voltage equations and easily adapt them to other models defined in various coordinate frames. Another particular advantage is that the parameters of the DFIG model can be changed online, allowing them to test how this will affect DFIG performance or overall controlled DFIG system performance. This opportunity is not available in pre-built models. Moreover, it makes the user more confident about what they accomplish in their simulation tests. Few studies use a similar approach in the literature [15,16], in which only a fixed external load or only a resistive load is considered, which may not be the case in real applications. This issue is discussed in detail in a further section.
With the proposed simulation approach, this study aims at two points; first, to develop an easy-to-use dynamic model to provide more physical and practical understanding on the basic theory of DFIGs through effective simulation tests; second, to show how to perform various tests under control for grid-connected DFIGs, and also to demonstrate critical events such as smooth excitation at system startup, and to test the working principle of variable speed, constant voltage, and constant frequency at sub-synchronous and super-synchronous speeds in stand-alone operation under different load types and no-load conditions. This will enable researchers to study the DFIG’s grid-connection and intentional islanding and some other issues from both theoretical and practical perspectives.
Accordingly, this paper is organized as follows: The basic structure and theoretical background of the DFIG-WEGS are briefly explained with intuitive illustrations in Section 2. To clarify the complexity arising from alternative coordinate frames and selectable state variables, the dynamic model equations of the DFIG are reviewed. Then, various DFIG models available in the literature are addressed and the differences between stand-alone and grid-connected DFIG models are discussed in Section 3. The structure and building of the proposed simulation models built in Matlab/Simulink are presented in Section 4. Section 5 is devoted to the simulation and experimental tests of the DFIG. Conclusions are given in Section 6.
2. Operation Principle of DFIG-WEGS
The DFIG is a wound (slip ring) rotor type induction machine, and its construction simply consists of a three-phase stationary winding fixed to the stator and a three-phase rotary winding fixed to the rotor, as shown in Figure 1. Since the stator and rotor windings are fed from an ac power source, it is often called a doubly fed induction machine (DFIM) and can therefore be operated in various modes, such as operating a motor, transformer, and generator [15,16]. As seen in Figure 1, a prime mover (e.g., diesel engine, wind turbine, or other suitable engine) is needed to rotate the DFIG rotor shaft for both transformer and generator operations; these are briefly summarized below.
Figure 1.
Generic construction of DFIM (DFIG).
1. Motor operation: the prime mover must be disabled, and the rotor windings are short-circuited, while the stator winding is supplied with nominal AC voltage. The adjustment of external resistors connected to the rotor terminals allows the machine to operate at the maximum starting torque, as in the old uses of DFIMs. In real applications, motor operation is also possible in an alternative manner, by supplying nominal AC voltage to the rotor winding and short-circuiting the stator winding.
2. Transformer/generator operation: a DFIM operates as a generator or a rotating transformer if the prime mover rotates the rotor and at the same time the rotor (as the field winding) is supplied with AC voltage. In generator operation, the rotor winding is supplied with power of varying frequency and magnitude to induce a constant voltage in the stator; in the rotating transformer operation, the rotor is supplied with an AC voltage of constant magnitude and frequency, an AC voltage of varying frequency and magnitude is induced in the stator winding depending on the change in mechanical angular velocity, ωm. However, if the rotor speed is set to a constant value, a constant voltage is induced in the stator.
The basic structure of a DFIG-based WECS is illustrated in Figure 2, which helps to give a more physical and intuitive understanding of the operation principle of DFIGs at a variable speed, constant voltage, and constant frequency. In most real applications, the prime mover is a wind turbine, which is coupled to the DFIG shaft via a gearbox and converts the wind power directly into rotary mechanical power though its blades. The turbine shaft speed naturally varies with the wind speed V (m/s) acting on the blade area of the turbine at the installation location. Therefore, depending on the rotational speed change, a DFIG can operate in three different modes, as listed below [15,16]:
Figure 2.
Operation principle of proposed DFIG system.
- Sub-synchronous mode ;
- Super-synchronous mode ;
- Synchronous mode .
In these modes, is the synchronous angular speed and fs is the fixed frequency of the grid or stator voltage. As shown in Figure 2, the stator terminal is directly connected to the grid (for grid-connected operation) or to external loads (for stand-alone operation) as required. In real applications, the rotor current and frequency can be adjusted instantaneously as the rotor speed changes to keep the stator voltage magnitude and frequency constant. This task is normally performed by two power electronic converters connected back-to-back, as shown in Figure 3. One of these converters works as an active front-end rectifier and is responsible for keeping the DC bus voltage constant, while the other works as a variable frequency PWM voltage source inverter (VSI), which is responsible for controlling the active and reactive power to be injected from the stator into the grid or an external load by regulating the rotor current [9,17,18]. However, to simplify the structure of the simulation system and to understand the operating principle of the DFIG in the easiest way, the power converters are ignored in this study. Moreover, the need for a voltage source with variable magnitude and frequency to feed the rotor winding is met by a virtual AC voltage source developed from the stator–rotor voltage relationship in (1), as shown in Figure 2 [23].
where s is the normalized slip and θsl is the slip angle, both of which are given in (2) and (3), respectively, and k is the winding turn ratio (or the rotor-to-stator voltage ratio) if the rotor is at rest, i.e., . In a wind energy system, the typical slip range of the DFIG is ±0.3. This means that the slip value can change from the sub-synchronous to super-synchronous (from +0.3 to −0.3) at most. The slip angle and its normalized value can be calculated by (2) and (3), respectively [15,16].
Figure 3.
Initial excitation methods of stand-alone DFIG.
It is to be noted here that if the rotor of the DFIG is at rest, i.e., , is constant, and slip s = 1, then both the rotor and stator voltage frequency will be the same, i.e., fr = fs. In this case, the rotor voltage magnitude is determined only by the winding turn ratio, k. Hence, the voltage relationship given in (1) becomes at , and in this particular case, the DFIG works like a transformer, which is an unsuitable operation for power generation purposes. However, if the rotor rotates at any speed and is not at a stand-still, the voltage equation given in (1) is always valid, the relationship between the rotor and stator frequency is fr = s·fs, and the relationship between active powers is Pr = s·Ps. Therefore, it can be clearly seen that the DFIG allows for a bi-directional power flow through the rotor, as the direction of the rotor current reverses depending on whether the rotor speed is higher or lower than the synchronous speed. It can be understood that both the stator and rotor can supply power to the grid in super-synchronous operation. This is normally achieved by regulating the DFIG rotor current using a back-to-back connected power converters as shown in Figure 3. In a DFIG system, a mover is also needed to rotate the DFIG rotor and generate voltage, as seen in Figure 3; this could be a wind turbine, diesel engine or small hydro turbine. In this context, there are several technical issues to be considered for the proper operation of DFIG based WECSs [18,19].
- Power imbalance: the power delivered to the grid is determined by an MPPT mechanism, depending on the wind speed in a wind farm for grid-connected operation, which is limited by the generator rated power. However, the imbalance between the captured wind power and the demanded power by the external load is one of the main challenges for stand-alone wind turbine systems. In both operation modes, if the mechanical power captured from the wind is more than the power consumed by the load, the pitch controller is activated to adjust the pitch angle to ensure that the rotor speed is within the allowable operating range. In the opposite case, the captured wind power is not sufficient for the connected load or grid. In stand-alone mode, the wind turbine tries to compensate for the power shortage with the energy stored in its inertia and to supply the load for a certain period of time or to prevent the rotor speed from decreasing excessively by appropriate load shedding. This should be taken into account to guarantee the complete failure of the system and to provide a safe power supply for high-priority loads. More detailed information on the design criteria, startup and operation requirements, and the economic advantages of the DFIG based stand-alone WEGS can be found in [2,3,20,21].
- Initial excitation: the rotor must be supplied with an adjustable AC current to create a magnetic field in the air gap of the machine and induce generator voltage in the stator. The supply voltage can be obtained from the grid for the grid-connected operation. However, for the stand-alone operation at the ruler area, there are several ways to fix the initial excitation problem without requiring grid power, as described in Figure 3. One way is to use an energy-storage (small battery or super-capacitor) element with an isolation diode in the DC link, and the second way is to use the remaining magnet in the core of the machine and an additional AC capacitor connected to the stator terminal. Another solution is to attach a pilot generator on the rotor shaft feeding the excitation winding [19].
- Maintaining voltage and frequency: in the stand-alone and islanding operation of the DFIG system, the challenge of keeping the stator voltage and frequency constant at PPC needs to be considered. This requirement must be satisfied despite the varying turbine speed and varying loads [21].
3. Various Model of DFIM/G
As mentioned above, if the rotor windings are short-circuited, a DFIM can be considered to have the same structure and the same dynamic model as a three-phase squirrel-cage induction machine (SGIM). The dynamic mathematical model of IM is derived from the space voltage equations of the stator and rotor under the assumptions that the structure of the machine is ideal; the three-phase windings are star-connected, symmetrically balanced and sinusoidally distributed, the magnetic core of the machine is linear and has no magnetic saturation, and the skin effects of the wires and iron losses are neglected [24,25]. Under these assumptions, a general model as a compact set of non-linear differential equations derived from the electromagnetic relationship between the stator and rotor windings will be used to describe the dynamics of both IMs (SGIM/DFIM).
However, the equations of the three-phase IM model are usually complex because the state variables and inductances of each phase winding of the stator and rotor varies sinusoidally and are cross-coupled with each other. Therefore, based on the space vector theory, an equivalent space vector model equation defined on two orthogonal axes is preferred to represent a three-phase IM. The space vector theory simplifies the mathematical model of the IM, since it allows the transformation of the three-phase instantaneous state equations into equivalent two-phase space vector equations and eliminates the complexity of time-varying inductances. The derivation of an equivalent two-phase model of IMs and the formulation of phase and coordinate transformations using the well-known Clark and Park transformations can be found in detail in [24]. Accordingly, each set of the three-phase sinusoidal variables (i.e., voltages, currents and flux linkages) can be represented by a space vector and in this context, the space vector equivalent circuit of a DFIM can be introduced, as shown in Figure 4.
Figure 4.
Equivalent space vector circuit of DFIM.
From Figure 4, the basic dynamic model equations of the DFIG can be derived based on the space voltage vector of the stator and rotor given in (4) and (5); these vector are defined on the natural (separated) frame axis (sr-axis) and are valid for both the SGIM and DFIM.
where it is assumed that the rotor parameters are reduced to the stator, and flux linkages are defined as follows:
where
: stator and rotor voltage space vectors (V);
: stator and rotor flux space vectors (Wb);
: stator and rotor current space vectors (A);
Ls, Lr: stator and rotor inductances (H);
Rs, Rr: stator and rotor winding resistances (Ω);
: rotating synchronous speed (rad/s);
: rotor electrical angular speed (rad/s);
: angle between stator and rotor winding axes.
The superscripts “s” and “r” indicate the reference axis frame in which the state variables are defined; “s” indicates that the variable is defined in the axis frame fixed to the stator, and “r” indicates that the variable is defined in the rotating reference axis frame fixed to the rotor. The indices s and r indicate the stator and rotor variables, respectively. The variable is a rotary unit vector (i.e., shift operator) used for the coordinate transformation between the reference coordinate frames, and is the angle between the stator and rotor winding axes. Each of the stator and rotor electrical variables, i.e., voltage, current, and flux linkage, presented as a complex space vector, can be decomposed into real and imaginary parts in the respective reference frame, i.e., for the stator variables and for the rotor variables .
Remark: Some authors oppose the complex representation of space vectors, i.e., , and insist that they should be represented by two orthogonal components, such as [26]. However, it is known that if the representation of is used for the orthogonal space vector model and if is used for the complex space vector model, both notations result in the same dynamic model. Therefore, it does not matter which notation is used to represent the model. Considering the above assumption, the stator voltage can be rewritten with the help of the two versions of the space vector equations, (4) and (6):
Both the above equations consist of two parts: the internal voltage drop, , and emf, the rotor flux-induced . Using Equation (8), a simplified equivalent circuit and phasor diagram of the DFIG stator can be drawn, similar to that of a synchronous generator, as shown in Figure 5. Under the no-load operation, the stator current and hence the internal voltage drop is zero, and thus the stator terminal voltage becomes equal to the induced stator voltage, i.e., , which is given as the function of the rotor current and mutual inductance:
Figure 5.
Equivalent circuit of DFIG stator, and space vectors of stator voltage and current.
To complete the full state model of the DFIG/M, the mechanical part given in (10) also needs to be taken into account.
where is the mechanical torque acting on the rotor shaft corresponding to the external mechanical load in motor mode operation, or an input generated by the wind turbine in generation mode in WEGS, ωm is the rotor mechanical angular speed, and p is the pole pair of the machine. is the electromagnetic torque produced in the air gap of the machine that can be defined in several alternative ways, namely, it can be defined as the cross product of the stator current and rotor flux space vectors, i.e., where (*) denotes the complex conjugate. The details of the other torque expressions with different state variables can be found in [24]. Here, the angular velocity or mechanical torque transmitted from the wind turbine to the DFIM rotor shaft when operating in generator mode are considered as optional inputs to the mechanical part of the system. In this study, the angular velocity is specifically preferred to simplify the simulation tests.
The separated frame model equations in (4)–(6) can be redefined by considering different state variables and alternative reference frame axes. To do this, the stator and rotor voltage space vectors given in (4) and (5) are multiplied by the phase shift operator, depending on the selected reference frame angle. For example, if the voltage Equation (4) is multiplied by , then it will be represented in the rotor frame (DQ-axis), and if (5) is multiplied by , it will be presented in the stationary frame (αβ-axis). Similarly, it is also possible to represent the same Equations (4) and (5) on an arbitrarily chosen general rotating reference frame (xy-axis). For this end, the stator voltage space vector is multiplied by and the rotor voltage space vector is multiplied by . Here, is the angle between the stationary frame (αβ-axis) and an arbitrarily chosen common rotating reference frame (xy-axis). The above multiplication results in the derivation of the general frame model equations defined on the xy-axis.
where the subscript “g” briefly denotes the xy-axis and the relationship between the flux and current variables are given as follows:
Depending on the specific analysis intended or targeted, the model Equations (11) and (12) can be redefined with the aid of (13) and expressed for optional state variables, i.e., the stator and rotor currents stator and rotor flux stator current and rotor flux , or stator flux and rotor current For example, a model with the flux state variables can be called a “flux model” and obtained as follows:
This is the simplest model of the IM/DFIM and can be defined for alternative state variables using Equation (13). If (14) and (15) are rearranged for the stator and rotor currents space vectors , it can be called a “current model” and can be derived as follows:
Considering the orthogonal components of the state variables, both the flux model and current model can be expressed in state-space form. For example, from Equations (16) and (17), the state-space current model defined on the xy-axis can be obtained as given in (18), where both stator and rotor voltages, and the external mechanical torque tL (or optionally the rotor mechanical angular speed ) are considered as the inputs of the DFIG system. Here, it can be seen that rotor electrical speed is one of the state variables of the system and is included in the system matrix A. This is the main reason why the DFIM is a non-linear system [24].
The flux model Equations (14) and (15) with (10), and the current model (16) and (17) with (10), can both represent the well-known fifth-order generic non-linear model equations of an induction machine. These models are valid for both the SGIM and DFIM/DFIG. A version of these models defined on the dq-axis are generally used in many research studies to simulate the controlled operation of a grid-connected DFIG with back-to-back converters under different operation conditions. In these applications, active and reactive power are injected into the grid by regulating the rotor current through a pulse-width-modulated voltage source inverter (PWM-VSI) with power and current feedback control, depending on the input references determined by external (active and reactive power) controllers. In this case, an MPPT controller generates an active power reference based on wind speed, while the reactive power reference is determined by the power quality demands. Regarding the grid-connected operation of the DFIG, there are many research works to solve different operational problems and apply different control strategies, such as direct torque [4] and direct power control under normal and abnormal operating conditions [12,13,14], and there are various research works focusing on different problems [20,21,22]; so, these extreme problems are ignored in this paper. However, the main concern is to focus on the operational characteristics and basic controlled operation, which is presented in the following section.
3.1. Various Coordinate Frame Models
As mentioned earlier, there are several alternative model equations defined in various coordinate frames, as shown in Figure 6. These can be obtained from (18) by appropriate coordinate transformations. An easy way to obtain these models defined in various reference frames is to replace the angular velocity ωg in the model equations [24,25] with any of the ones listed below:
Figure 6.
Coordinate frames of DFIG/DFIM.
ωg = ωg for the arbitrary selected rotating frame (xy-axis);
ωg = ωs for the synchronously rotating frame (dq-axis);
ωg = ωr for the rotating frame fixed to rotor (DQ-axis);
ωg = 0 for the stationery frame fixed to stator (αβ-axis).
However, it is often common for new learners to be confused in understanding and distinguishing between these various models; so, an easy and accurate explanation of the relationship between these models can clarify the confusion. For example, if the arbitrarily chosen angular velocity is set to zero, ωg = 0 in (11) and also ωg = ωr in (12), the general frame model Equations (11) and (12) become the same as the separated frame model equations in (4) and (5). As another example, if we take ωg= 0 in (11) and (12) or alternatively in the rows of (18), the general frame model will be transformed into the stationery frame (αβ-axis) model. Similarly, it is possible to derive a model defined in any frame axis from equations of the general reference frame model in (11) and (12).
For example, replacing ωs with ωg in (11) and (12) will transform the general frame model into another model defined in the synchronously rotating frame (dq-axis). Alternatively, replacing ωs with ωr will transform the same model into another model defined in the rotating frame with the rotor (DQ-axis). However, what is important here is that the voltages supplied to the stator and rotor are compatible with the reference frame in which the model is defined and that the appropriate coordinate transformation must be performed for the other state variables.
3.1.1. Grid-Connected Model:
As mentioned above, the stator and rotor voltages are defined as (double voltage) inputs in both flux-based and current-based models, which are appropriate for the analysis of the grid-connected DFIG operation; hence, these models can be called the “grid-connected model” of the DFIG. For the simulation of the grid-connected DFIG, the flux-based model given in (13) and (14) is preferred, since it is the simplest generic model and can be rewritten with its orthogonal components as follows:
However, the currents need to be calculated from the fluxes at the output of the simulation model using the relationship given in (13), or instead, the current-based model in (18) can also be used as an alternative option.
3.1.2. Steady-State Model
The flux-based and current-based models can also be used for the analysis and simulation of the steady-state behavior of the DFIG when the derivative of the state variables is set to zero. In this context, many comprehensive studies on steady-state analysis for the DFIG-WEGS have been conducted in the literature [15,16,22]; so, this topic is not the focus of this study.
3.1.3. Motor Model (DFIM)
As stated before, a DFIG can be run as an IM. It should be noted here that both flux-based and current-based models can also be used to simulate the motor operation of a DFIM by short-circuiting one of the winding ends of the stator or rotor and then applying an AC voltage to the other winding as is performed in real applications. This can be easily accomplished in simulations, for example, by applying zero volts (or short-circuiting) to the rotor terminals and then applying a nominal voltage or less to the stator.
3.2. Stand-Alone Models
The current-based model in (18) and the flux-based model in (19) and (20) are not suitable for simulating a stand-alone operated DFIG, since they both take the stator and rotor voltages as inputs to the system. Therefore, this paper particularly focuses on deriving a simple simulation model needed for a stand-alone DFIG, which provides us a better grasping of the stand-alone DFIG and also facilitates the analysis of its dynamic behavior under different conditions. It should be noted here that the difference between a stand-alone and grid-connected model is that the stator voltage in a grid-connected DFIG is supplied from the grid, but a stand-alone DFIG generates voltage at the stator terminal as its output and supplies it to the external loads connected to the stator terminal.
Thus, Equation (18) can be extended and adapted for a stand-alone DFIG based on some reasonable assumptions [Abad]. First, it is assumed that only a resistive load is connected to the stator, and secondly, in addition to the resistive load, the stator terminal is also equipped with a filtering capacitor. However, with only the external resistive load R0, the stator voltage will be the same as the voltage drop across the external load connected to the stator, resulting in the following:
where the stator current is the same as the load current, . Replacing the stator voltage in (18) with the auxiliary equation in (21), a stand-alone DFIG model can be derived in the state-space form [15,16]:
where the stator and rotor current components are state variables, the stator voltage is eliminated, and the rotor voltage becomes only the input of the system. The stator current also can be considered as the disturbance of the system. Considering here that the stator voltage and current are linearly dependent for resistive loads, Equation (18) can be further expanded, and a different model can be obtained with the stator voltage and rotor current as state variables.
Alternatively, with the second assumption given above, since the stator is connected to the resistive load and also has a filtering capacitor Cf, an additional equation for the stator voltage can be obtained as follows:
Where indicates the resistive load current. With the help of (22), the stator voltage, which is identical with capacitor voltage (), can be presented as one of the state variables in the system and an alternative state-space model of the stand-alone DFIG can be obtained, as given in (25). More details about models (22), (23), and (25) can be found in [15,16].
Discussion: It can be said that the pure resistive load application is unrealistic and rarely realized in a stand-alone DFIG-WEGS, that it is insufficient to analyze the behavior of the DFIG in the case of different load types and sizes, and also that the resistive load and filtering capacitor complicate the system model.
Considering a stand-alone DFIG, the stator terminal voltage is the same as the load voltage and varies depending on the load current. Therefore, including the dynamics of various sizes and types of loads makes the dynamic model of the system more complicated, thus making it difficult to obtain a generalized model. Based on this difficulty, a more realistic modeling approach is needed for the analysis of a stand-alone DFIG under various operating conditions.
4. Proposed Modeling Approach and Simulations
4.1. Proposed DFIG Models
In this study, the flux model equations in (19) and (20) are used for the grid-connected operation. However, a reasonable assumption is made for the standalone model; the rotor side is primary, the rotor voltage is the input, the stator side is secondary, and the stator voltage is the output of the DFIG system, just like in real applications of standalone DFIGs. Based on this fact, with a small modification, the current-based model can be used for the simulation of the stand-alone DFIG. In accordance with real applications, the stator terminal is open-circuited, and the dynamics of un-modeled loads of various sizes and types can be included in the system by directly connecting the loads to the stator. Accordingly, the behavior of the DFIG under different load conditions, including transients, can be simulated and analyzed. The flux model in (18) and (19) is a preferred option, as is the current-based model in (26) and (27), but calculating the fluxes using (13) can complicate the system modeling.
As mentioned above, if the rotor voltage and mechanical angular velocity are the inputs of the system, the rotor side equations on the xy-axis of the proposed stand-alone DFIG model can be derived using (20) and (13) or directly from the orthogonal components of (17):
where . It is obvious that connecting different sizes and types of external loads to the stator results in a different internal voltage-drop across the stator winding in real applications. Therefore, in this study, we consider the stator voltage as the output variable of the DFIG system, which can be derived either from (19) or from (16) as its orthogonal components on the xy-axis:
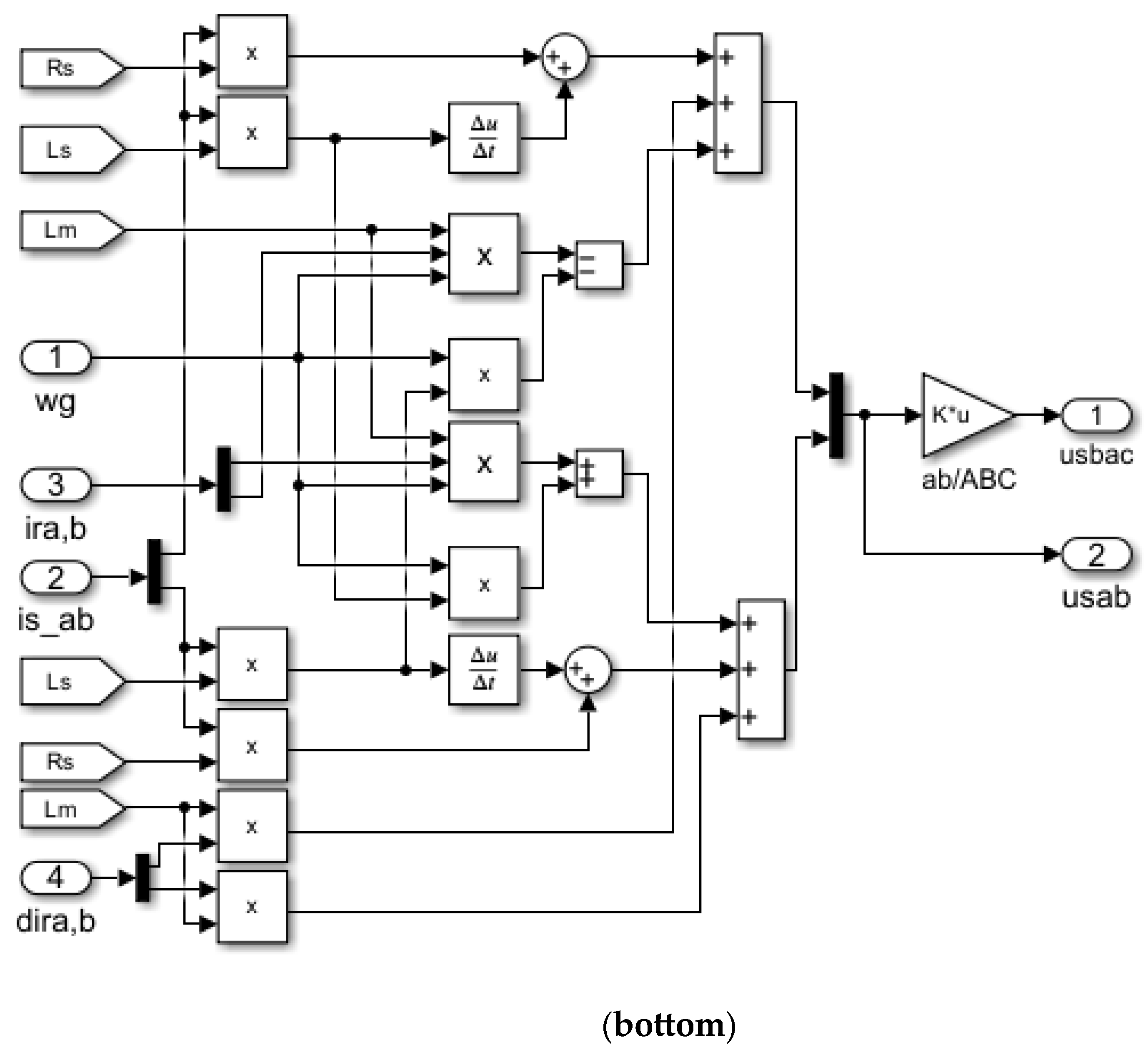
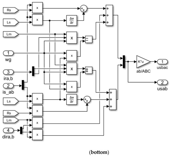
As can be understood from Equation (27), the stator voltage is determined by both the load current passing through the stator winding and the rotor current regulated by a controller. A complete signal flow diagram of the proposed stand-alone DFIG model can be constructed using Equations (26) and (27), as shown in Figure 7. Here, it can be seen that when the stator is connected to the external load or grid, the stator current is naturally fed back to the stator and the rotor model blocks help to form the stator voltage, as in real applications.
Figure 7.
Signal flow diagram of proposed stand-alone DFIG model on xy-axis frame.
Remark: A minor problem with the proposed stand-alone simulation model in Figure 7 is that during the activation of external loads, a rapid change in the transient load current causes an unbounded spike in the stator voltage. This is because the total inductance in the stator current path is insufficient to slow down the inrush stator current, preventing the numerical calculation of its time derivative. Therefore, given the availability of line and generator inductance in real applications of DFIGs, an external line inductor can be inserted into the stator current path. Therefore, in the simulation model, it is acceptable to pass the load current through an additional line filter in the way of the stator current, even if this causes an insignificant change in the system structure.
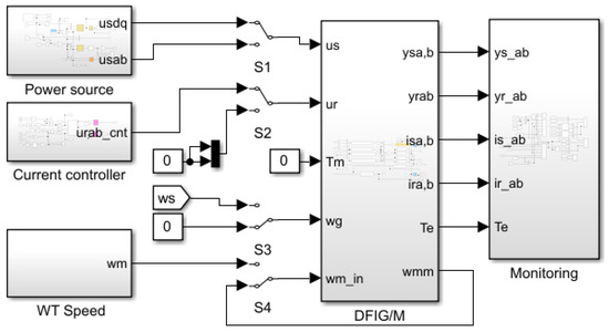
Two simulation models of the DFIG are constructed using the standard building blocks of Matlab/Simulink: one for the grid-connected model from Equations (19) and (20), and the other for the standalone model from Equations (26) and (27). However, for the standalone model, not only building blocks but also specialized blocks in Simulink/Simscape tools (2022a (64bit)) are employed for the external loads, grid power source, and switching and measuring devices. In addition, transition blocks are also used to convert the signals from Simulink standard blocks to Simscape blocks. In this way, the proposed modeling approach becomes more similar to the real application of the DFIG and can provide a practical and realistic solution to the difficult problem of finding a suitable mathematical dynamic equation of the stator for the stand-alone DFIG.
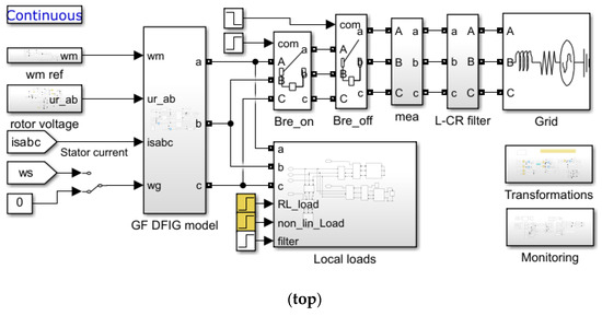
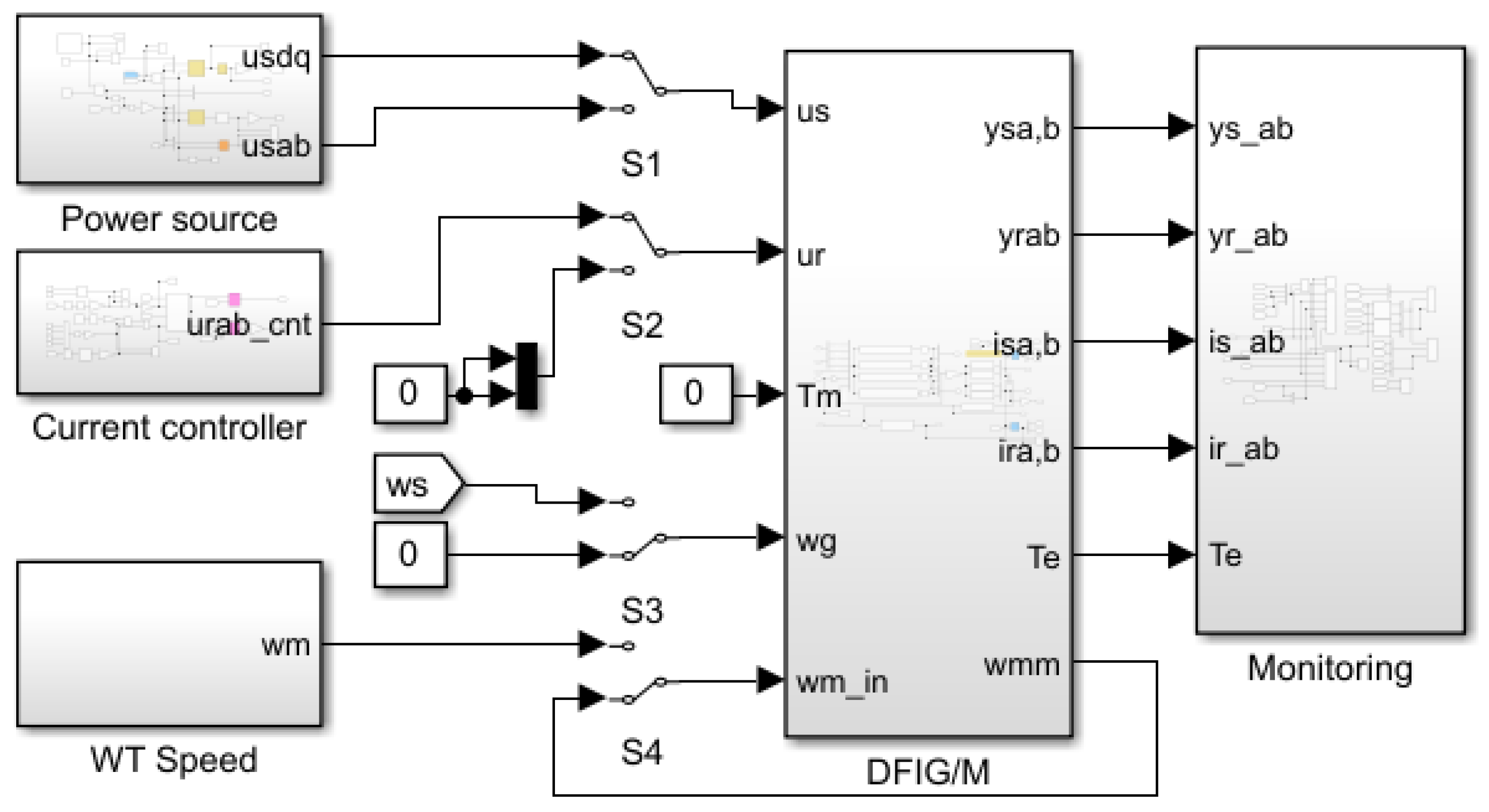
An overview of both proposed simulation models is shown in Figure 8 and Figure 9, respectively. Moreover, once the model is created on the general reference frame xy-axis, it can be easily transformed to any reference frame model of the user’s choice by replacing ωg with one of ωs, ωr, and 0, as needed. However, the variables of the system (currents, voltages, and orientation angle) must be adapted to the selected reference frame at each time. As mentioned above, both models allow the machine parameters to be changed online, and this can be easily performed by passing each parameter through timed step blocks in the Simulink model. Thus, the proposed DFIG model can be processed to analyze many different scenarios occurring in WECSs, which is similar to real applications. It is possible to extend the stand-alone model for different research requirements, for example, the self-excitation of the stator, adding harmonic filters, adding an active crowbar, etc. Here, instead of the mechanical torque applied to the DFIG rotor shaft by the wind turbine, the rotor angular velocity is preferred as the mechanical input. This option is deliberately preferred.
Figure 8.
Simulation model of grid-connected DFIG.

Figure 9.
Simulink model of standalone DFIG; overall system (top); stator side model (bottom).
4.2. Simulations
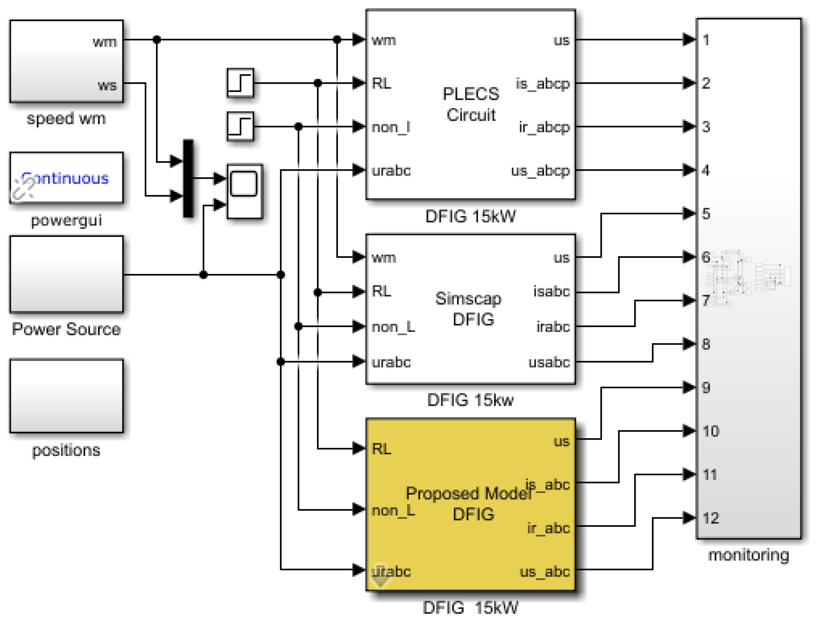
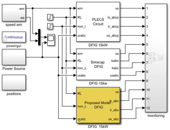
The proposed grid-connected and standalone DFIG models are simulated for different purposes using the parameters listed in Table 1 [16]. First, a comparative simulation is performed with two different pre-built DFIG models from Plexim/Plecs and Matlab/Simulink to validate the proposed models. These two pre-built models and the proposed DFIG model are connected in parallel, as shown in Figure 10, and are powered by the same power source and connected to the same load with the same constraints. The obtained results are shown in Figure 11, confirming that the proposed model exhibits the same characteristics as the pre-built models from Plecs and Simulink/simscap [26].
Table 1.
Rated parameters of DFIG machines.
Figure 10.
Simulation system where two pre-built models and the proposed model are run in parallel.
Figure 11.
Comparative simulation results. (a) The entire simulation period and the zoomed-in version at two different points: (b) at the beginning, (c) at the end points.
4.2.1. Grid-Connected Model Tests
Two different simulation tests are performed using the flux model; one is the free acceleration test to demonstrate the motor mode operation of the DFIM, and the other is the grid-connected operation of the DFIG with the closed-loop current control. These tests are repeated to verify the accuracy of the model structure for two different sizes of the DFIM, 15 kW and 2 MW. These tests can be performed on the same simulation model by placing the manual switches shown in Figure 8 in the correct position; for example, for the free acceleration test, all switches should be placed in the down position. To test the generator mode operation, s2 and s4 have two options: the up position, to select the αβ-axis model, or the down position, to select the dq-axis model.
- Motor operation
As mentioned before, a DFIM can operate as a squirrel cage IM (SCIM). To verify this fact, first, the simulation of the DFIM is performed for free acceleration, which proves the accuracy of the model if the simulation results exhibit the well-known typical characteristics of the SCIM. Here, the model is designed on the general frame axis (xy-axis), but it is tested for the stationary frame (αβ-axis) by setting ωg to zero, which transforms the general frame model into the stationary frame. The stator is supplied with its nominal voltage (in αβ-axis) and the rotor voltage is set to zero volts (i.e., the rotor is short-circuited).
Two results obtained from the simulation test are shown in Figure 12, where the graphs show the stator and rotor fluxes, stator and rotor currents, and electromagnetic torque and angular velocity from top to bottom, exhibiting the typical transient behavior of an IM and verifying the accuracy of the simulation model used. The same result can be obtained using the current model given in (18), but with the transformed version defined on the αβ-axis. In the motor operating mode, the characteristics of large-sized machines are slightly different from small-sized machines, which may be because large-sized DFIGs are specifically designed for generator use on wind farms, but small-sized machines are generally older and designed as motors and it is very difficult to find new ones used as generators in the market.
Figure 12.
Simulation of free acceleration of DFIM: (left) 15 kW and (right) 2 MW.
- 2.
- Grid-connected generator test
The grid-connected DFIG model can only be operated under control. Here, a conventional PI controller with closed-loop current control operation was tested for 15 kW and 2 MW DFIG machines. The control parameters are tuned using a trial-and-error method. This test is also performed using a fixed frame (αβ-axis) model. The stator is directly powered from the grid, but the rotor voltage is supplied from the PI controller output (without using inverter). At the start of the simulation, the stator is connected directly to the grid (to eliminate the need for synchronization), the rotor is rotated below the synchronous speed ωr = 35.π (=110) rad/s, and the rotor current component references have not yet been applied. Therefore, at the start time, there is no rotor current, but the stator receives a strong current from the grid with large transient oscillations. Interestingly, the rotor phase voltages are uniform and have the same frequency as the stator voltage. Also, the stator voltage has the same frequency and magnitude as the grid voltage because the stator is already connected to the grid and is well-synchronized. When the rotor q-axis current reference is set to zero (irq* = 0) and a stepped d-axis current reference is applied to the controller input at 0.2 s, the magnitude of the rotor phase currents increases step by step, similar to ird*. At the first second, the rotor speed is increased to ωr = 45.π (=141) rad/s; during this speed change, the rotor phase voltages decrease to almost half magnitude, but the rotor currents are unaffected. At 1.5 s, the rotor d-axis reference current ird* is applied in a sudden step (from zero to 4A), which increases the stator and rotor phase currents. At 2 s, the rotor speed is increased once again to ωr = 55.π (=172) rad/s (above the synchronous speed), during which the rotor phase voltages change direction but remain constant in magnitude (because the slip remains the same at the previous speed). The speed is changed to demonstrate a variable speed operation and the transition from a sub-synchronous speed to super-synchronous speed. The obtained results about all the above events are shown in Figure 13. Here, it is shown how the adjustment of the rotor dq-axis components keeps the stator voltage constant as the rotor speed changes.

Figure 13.
Simulation results of DFIG with rotor current feedback control: (top) 15 kW DFIG, (middle) zoomed version, and (bottom) non-zoomed results for 2 MW DFIG.
4.2.2. Stand-Alone Model Test
The simulation model of the stand-alone operated DFIG is built according to the signal flow diagram shown in Figure 6 and tested using the same parameters in Table 1. The simulations are performed on the αβ-axis by setting ωg= 0 in (26) and (27). The rotor voltage required for a smooth start to generate the stator voltage is obtained through (1), where a reference stator voltage is used that increases from zero to its nominal value and the rotor speed is started at a constant value (30% of the nominal value) below the synchronous speed. Then, a sequential and timed operation strategy is followed to illustrate various events and observe the changes in the system variables. These are as follows:
- Operation at constant voltage and frequency at variable rotor speeds;
- Transition from sub-synchronous to super-synchronous operation;
- Transition from stand-alone operation to grid-connected operation;
- Intentional islanding from grid but continuing to operate in stand-alone mode under linear and non-linear load conditions;
- Finally attaching a filtering capacitor to study its effect on harmonic reduction in stator voltage.
During the simulation period, the synchronous speed ωs = 2πfs/p (rad/s) is kept constant, but the rotor speed is changed as follows; it starts rotating with an initial speed of 35.π (rad/s), then increases to 45π (rad/s) at 0.3 s, and then increases again to 55π rad/s at 0.7 s. It also starts to exceed the synchronous speed at 0.8 s, as shown in Figure 11a. Here, it can be seen that the rotor voltage is automatically adjusted according to the variation in speed, slip, s, and the slip angle, θsl, without requiring a controller. This ensures that the stator voltage and frequency remain constant at the sub-synchronous and super-synchronous operations and confirms Equation (1). However, at the point ωs = ωr, the rotor voltage decreases towards zero, but increases again when ωm exceeds the synchronous speed, ωs. All these phenomena are shown in Figure 14. The waveforms at the left column from top to bottom are as follows: (a) the synchronous speed, ωs (constant at 2π50/p (rad/s)), and the variation in the rotor speed, ωm, together with the rotor phase voltages, ura,b,c; (b) the rotor phase currents, ira,b,c; (c) the rotor DQ-axis voltage components, urD and urQ, together with the rotor dq-axis current components, irD and irQ in the right column; (d) the stator and grid phase currents, iga,b,c and isa,b,c; (e) the d-axis component of the grid and stator voltage, ugd and usd, respectively; and (f) the grid and stator phase voltages usa,b,c and uga,b,c. In the left column in Figure 14, it can be seen that the three-phase voltage and current of the rotor and rotor d-axis voltage urD change direction at the instant ωm > ωs.
Figure 14.
Simulation results of stand-alone DFIG: (top) entire simulation time and (bottom) enlargements.
The DFIG is run in the grid-connected mode between the time intervals of 1 and 2 s, and after 2 s, it is intentionally disconnected. The zoomed waveforms are shown in Figure 14 (bottom), where (a) and (b) show the stator and grid phase currents and are in opposite directions, meaning that the power are exchanged between the grid and the stator; (c) shows the magnitude of the grid and stator voltage, and (d) shows the phase voltages of the grid and stator, which both indicate that the stator is connected to the grid between 1 and 2 s. The waveforms in the second and third column show (a) grid phase currents (after DFIG disconnected from grid), (b) zoomed stator phase currents, and (c) grid and stator zoomed voltages that are distorted from the non-linear load. The effects of the non-linear loads on the stator current and voltages can be seen in the second column at the time of the transition from a linear load to non-linear load, which occurs at 2.8 s. Harmonic distortion in the stator voltages can be compensated by connecting a filtering capacitor to the stator terminal; this is accomplished at 3.2 s as seen in the third column in (c).
- Grid connection and islanding tests
In the simulation of the stand-alone model, a grid connection is tested in the simulation period, a switch is closed when the stator voltage magnitude reached the grid voltage nominal value at the 1st second, and then an intentional islanding was also performed by closing a switch at the 2nd second. In this time period, the magnitude and frequency of the stator voltage are exactly the same as that of the grid. Also, the DFIG is perfectly synchronized and injects current by interacting with the grid. However, the stator and grid voltages decrease slightly, but both remained the same. In this simulation, a test of the dynamic behavior of the DFIG during the grid connection and disconnection was performed and the obtained results are shown in Figure 12. In Figure 12, the dq-axis current components of both the stator and grid, as well as the active and reactive powers of the stator and rotor, respectively, are shown. Here, it can be seen that the dq-axis currents of the stator and the grid are of the same magnitude but in opposite directions, that is, one injects power while the other receives power. In addition, the rotor active power changes the direction towards the grid at the point ωm > ωs, which confirms the theory that both the stator and rotor feed the grid during the super-synchronous operation of the DFIG.
- Loading tests in stand-alone operation
In the above simulation, a stand-alone operation test of the DFIG is performed. This is performed after it is disconnected from the grid and experiences a small free time (the system continues to operate without load). Then, an external series R-L load (with 15 Ω and 200 mH) is connected to the stator terminal at 2.3 s, followed by an additional non-linear load (with a full bridge rectifier with an 80 Ω resistive load) at 2.8 s.
The obtained results during this loading process can be seen in Figure 14 (top) in the second column, and its zoomed version can be seen in Figure 14 (bottom), where one of the important results encountered in real applications is that the non-linear load causes a harmonic distortion in the stator voltage. Here, it is possible to connect capacitors of suitable values in parallel with the load to reduce the voltage harmonic distortion, which can be seen at the end of the stator d-axis voltage waveform, shown in Figure 14 (top). This subject has not been studied much and is left for future studies. A few zoomed waveforms regarding the grid connection, intentional islanding, and the external loading process are shown in Figure 15.
Figure 15.
Simulation of stand-alone DFIG: starting, connecting to the grid, and intentional disconnection from the grid and operation under external load.
5. Hardware Setup and Experiments
The picture of the experimental setup is shown in Figure 16 and consists of two mechanically coupled electric machines; an induction motor, 3 kW, is used as the prime mover, and a DFIG, 1.1 kW, is used as the generator. The drive motor is controlled by a 5 kW Danfoss VLT 5005 drive with scalar control technique and a Danfoss VLT312 drive, 1.5 kW, is used as DFIG’s rotor side power converter. The rotor side converter is integrated with an IPC interface board that provides access to the PWM pins via BNC connectors. The dSPACE DS1104 R&D controller (dSPACE Control Desk release 2022a), equipped with Simulink RCP software (Matlab/Simulink 2022a (64 bit)), is used for implementing the current control algorithm and generating the PWM signals. LEM current and voltage measurement sensors are used to provide the feedback signal for the control loop. It should be noted here that the main purpose of the experimental work is to introduce a basic structure of the DFIG setup and system equipment.
Figure 16.
An image of hardware test setup.
A few examples of real experiments are implemented for a standalone DFIG. The first experiment is performed for transformer operation when the rotor is at a stand-still (blocked), i.e., nr = 0, and the scaler control technique is used to generate the rotor supply voltage at a low frequency of 20 Hz. The obtained result regarding this test is shown in Figure 17, where it can be seen that the rotor and stator voltages have the same frequency and magnitude and the rotor phase currents also have the same frequency, but the dq-axis rotor current components are dc quantities and have not yet been controlled.
Figure 17.
Experiment results of uncontrolled DFIG at stand-still, nr = 0, fr = 20 Hz, with THPWM.
As a second experiment, a feedback current controlled operation is performed for the rotor side converter using the vector control technique, and the few results obtained for each operation of the sub-synchronous and super-synchronous modes are shown in Figure 18. Here, the normalized slip is the same for both the sub-synchronous and super synchronous speeds; therefore, as it can be seen, stator phase voltages have the same magnitude at both speeds, but it has a higher frequency at a higher speed. The magnitude of the controlled ird current is reduced at a higher speed. During this test, the rotor q-axis current irq is set to zero.

Figure 18.
Experimental results of current controlled standalone DFIG (a) at sub-synchronous speed (at 2700 rpm), (b) at synchronous speed (at 3000 rpm), and (c) at super-synchronous speed (at 3300 rpm).
In this study, the experiments cannot be performed in the same way as the simulations; one problem is that the transition from a low speed to a high speed is not as fast as in the simulation. This is because the speed reference of the motor drive is sent by the dSPACE control board from an ADC output pin to the analog input of the motor drive, and also because the acceleration time of the driver is not fast enough to cache appropriate data during the transition from the sub-synchronous mode to the super-synchronous mode. Therefore, in this experiment, the transition behaviors are not displayed, such as the direction change of the rotor currents. However, this could be performed in future studies.
6. Conclusions
In this paper, various analytical models of DFIGs were summarized, considering the difference between grid-connected and stand-alone operations in WECSs. The theoretical aspects were highlighted from an intuitive and practical point of view with useful illustrations. Furthermore, an easy-to-use modeling and simulation approach was introduced, which more closely resembles a real DFIG and helps to understand it more practically. To validate the proposed simulation models, they were compared with two different pre-built models provided by Plecs and Simulink/Simscape in parallel. Then, the most critical dynamic behaviors of the DFIG were demonstrated through rigorous and consecutive simulations for both independent grid-connected operations. Moreover, a real experiment with rotor current controlled operation was conducted and the obtained results were presented, demonstrating the validity of the very basic behavior of the DFIG obtained from the proposed simulation model. In conclusion, it can be emphasized that the proposed modeling and simulation approach provides a starting point for new researchers and is quite useful for a better understanding of DFIG-based WECSs. The conducted laboratory experiment encourages solving technical problems and critical events that occur in the uncontrolled and controlled operation of stand-alone and grid-connected DFIG-based WECSs. Users can directly create their own simulation models using DFIG dynamic model equations and adapt to other models defined in various coordinate frames. In addition, the following topics can be studied as future works; the effect of parameter changes on the system itself, the testing of the system under control, the testing of the stand-alone DFIG’s self-excitation, power limitation, and load shading, and active crowbar. Simulation models and hardware systems have the capability to be integrated with other generators (SGIG, PMSG, battery-powered static synchronous generator, solar energy system) and establish a small smart-grid system at the laboratory scale.
Author Contributions
Conceptualization, R.M.K.; Writing—review & editing, M.D. All authors have read and agreed to the published version of the manuscript.
Funding
Danfoss drives, other equipment and software were purchased from a project budget completed in 2019 and funded under TÜBİTAK grant number 115E006.
Data Availability Statement
The original contributions presented in this study are included in the article. Further inquiries can be directed to the corresponding author.
Conflicts of Interest
The authors declare no conflicts of interest.
References
- Muller, S.; Deicke, M.; de Doncker, R.W. Doubly fed induction generator systems for wind turbines. Ind. Appl. Mag. 2002, 8, 26–33. [Google Scholar] [CrossRef]
- Liserre, M.; Cárdenas, R.; Molinas, M.; Rodríguez, J. Overview of Multi-MW Wind Turbines and Wind Parks. IEEE Trans. Ind. Electron. 2011, 58, 1081–1095. [Google Scholar] [CrossRef]
- Hansen, L.H.; Helle, L.; Blaabjerg, F.; Ritchie, E.; Munk-Nielsen, S.; Bindner, H.; Sørensen, P.; Bak-Jensen, B. Conceptual Survey of Generators and Power Electronics for Wind Turbines; Technical Report Risø-R-1205 (EN); Risø National Laboratory: Roskilde, Denmark, 2001; ISBN 87-550-2743-8. [Google Scholar]
- Xu, L.; Wei, C. Torque and reactive power control of a doubly fed induction machine by position sensorless scheme. IEEE Trans. Ind. Appl. 1995, 31, 636–642. [Google Scholar]
- Doubly-Fed Induction Generator Market by Type (1.5 MW, 2.0 MW, 3.0 MW), Application (Coastal Region, Inland City)—Global Forecast 2025–2030. Available online: https://www.360iresearch.com/library/intelligence/doubly-fed-induction-generator (accessed on 16 October 2024).
- The MathWorks Inc. Simscape User’s Guide. March 2012. Available online: https://www.mathworks.cn/help/pdf_doc/physmod/simscape/simscape ug.pdf (accessed on 1 November 2013).
- Schönberger, J. Modeling a dfig wind turbine system using plecs. In Application Note of Plexim GmbH; Plexim GmbH: Zurich Switzerland, 2008. [Google Scholar]
- Hansen, A.D.; Iov, F.; Sørensen, P.E.; Cutululis, N.A.; Jauch, C.; Blaabjerg, F. Dynamic Wind Turbine Models in Power System Simulation Tool DIgSILENT, 2nd ed.; Risoe-R No. 1440 (EN); Danmarks Tekniske Universitet, Risø Nationallaboratoriet for Bæredygtig Energi, Forskningscenter Risoe: Roskilde, Denmark, 2007. [Google Scholar]
- Petersson, A. Analysis, Modeling and Control of Doubly Fed Induction Generators for Wind Turbines. Ph.D. Dissertation, Chalmers University of Technology, Goteborg, Sweden, 2005. Available online: https://web.mit.edu/kirtley/binlustuff/literature/other%20people's%20thesis/CTH_Pettersson_doublyfed_PhD.pdf (accessed on 9 December 2024).
- Luna, A.; Lima, F.K.A.; Santos, D.; Rodriguez, P.; Watanabe, E.H.; Arnaltes, S. Simplified Modeling of a DFIG for Transient Studies in Wind Power Applications. IEEE Trans. Ind. Electron. 2011, 58, 9–20. [Google Scholar]
- Gupta, S.; Shukla, A. Improved dynamic modelling of DFIG driven wind turbine with algorithm for optimal sharing of reactive power between converters. Sustain. Energy Technol. Assess. 2022, 51, 101961. [Google Scholar] [CrossRef]
- Ledesma, P.; Usaola, J. Doubly fed induction generator model for transient stability analysis. IEEE Trans. Energy Conver. 2005, 20, 388–397. [Google Scholar] [CrossRef]
- Zhou, Y.; Bauer, P.; Ferreira, J.; Pierik, J. Operation of grid-connected DFIG under unbalanced grid voltage condition. IEEE Trans. Energy Convers. 2009, 24, 240–246. [Google Scholar] [CrossRef]
- Lima, F.K.A.; Luna, A.; Rodriguez, P.; Watanabe, E.H.; Blaabjerg, F. Rotor Voltage Dynamics in the Doubly Fed Induction Generator During Grid Faults. IEEE Trans. Power Electron. 2010, 25, 118–130. [Google Scholar] [CrossRef]
- Wu, B.; Lang, Y.; Zargari, N.; Kouro, S. Power Conversion and Control of Wind Energy Systems; IEEE Press: Piscataway, NJ, USA, 2011. [Google Scholar]
- Abad, G.; Lopez, J.; Rodrıguez, M.A.; Marroyo, L.; Iwanski, G. Doubly Fed Induction Machine: Modeling and Control for Wind Energy Generation; Series on Power Engineering; Wiley-IEEE Press: Boca Raton, FL, USA, 2011. [Google Scholar]
- Pena, R.; Clare, J.C.; Asher, G.M. Doubly fed induction generator using back-to-back PWM converters and its application to variable-speed wind-energy generation. In Electric Power Applications. IEE Proc.-Electr. Power Appl. 1996, 143, 231–241. [Google Scholar] [CrossRef]
- Pena, R.; Cardenas, R.; Clare, J.; Wheeler, P. Control system for unbalanced operation of stand-alone doubly fed induction generators. IEEE Trans. Energy Convers. 2007, 22, 544–545. [Google Scholar]
- Abdoune, F.; Aouzellag, D.; Ghedamsi, K. Terminal voltage build-up and control of a DFIG based stand-alone wind energy conversion system. Renew. Energy 2016, 97, 468–480. [Google Scholar] [CrossRef]
- Phan, V.-T.; Lee, H.-H. Performance enhancement of stand-alone DFIG systems with control of rotor and load side converters using resonant controllers. IEEE Trans. Ind. Appl. 2012, 48, 199–210. [Google Scholar] [CrossRef]
- Gołębiowski, L.; Gołębiowski, M.; Kwiatkowski, B. Optimal Control of a Doubly Fed Induction Generator of a Wind Turbine in Island Grid Operation. Energies 2021, 14, 7883. [Google Scholar] [CrossRef]
- Gianto, R.; Purwoharjono; Imansyah, F.; Kurnianto, R.; Danial. Steady-State Load Flow Model of DFIG Wind Turbine Based on Generator Power Loss Calculation. Energies 2023, 16, 3640. [Google Scholar] [CrossRef]
- Vas, P. Vector Control of AC Machines; Oxford University Press: Oxford, UK, 1990; ISBN 0-19-859370-8. [Google Scholar]
- Krause, P.C.; Wasynczuk, O.; Sudhoff, S.D. Analysis of Electric Machinery and Drive Systems, 2nd ed.; Wiley-IEEE Press: Boca Raton, FL, USA, 2002. [Google Scholar]
- Holtz, J. The representation of AC machine dynamics by complex signal flow graphs. IEEE Trans. Ind. Electron. 1995, 42, 263–271. [Google Scholar] [CrossRef]
- Dal, M. An Analytical Model and the Comparative Simulation for Stand-Alone Operated DFIG. In Proceedings of the 2018 IEEE 18th International Power Electronics and Motion Control Conference (PEMC), Budapest, Hungary, 26–30 August 2018; pp. 491–498. [Google Scholar]
Disclaimer/Publisher’s Note: The statements, opinions and data contained in all publications are solely those of the individual author(s) and contributor(s) and not of MDPI and/or the editor(s). MDPI and/or the editor(s) disclaim responsibility for any injury to people or property resulting from any ideas, methods, instructions or products referred to in the content. |
© 2025 by the authors. Licensee MDPI, Basel, Switzerland. This article is an open access article distributed under the terms and conditions of the Creative Commons Attribution (CC BY) license (https://creativecommons.org/licenses/by/4.0/).




















