A DC Bias Suppression Sensorless Control for SPMSM Based on Extended State Observer with Improved Position Estimation Accuracy
Abstract
1. Introduction
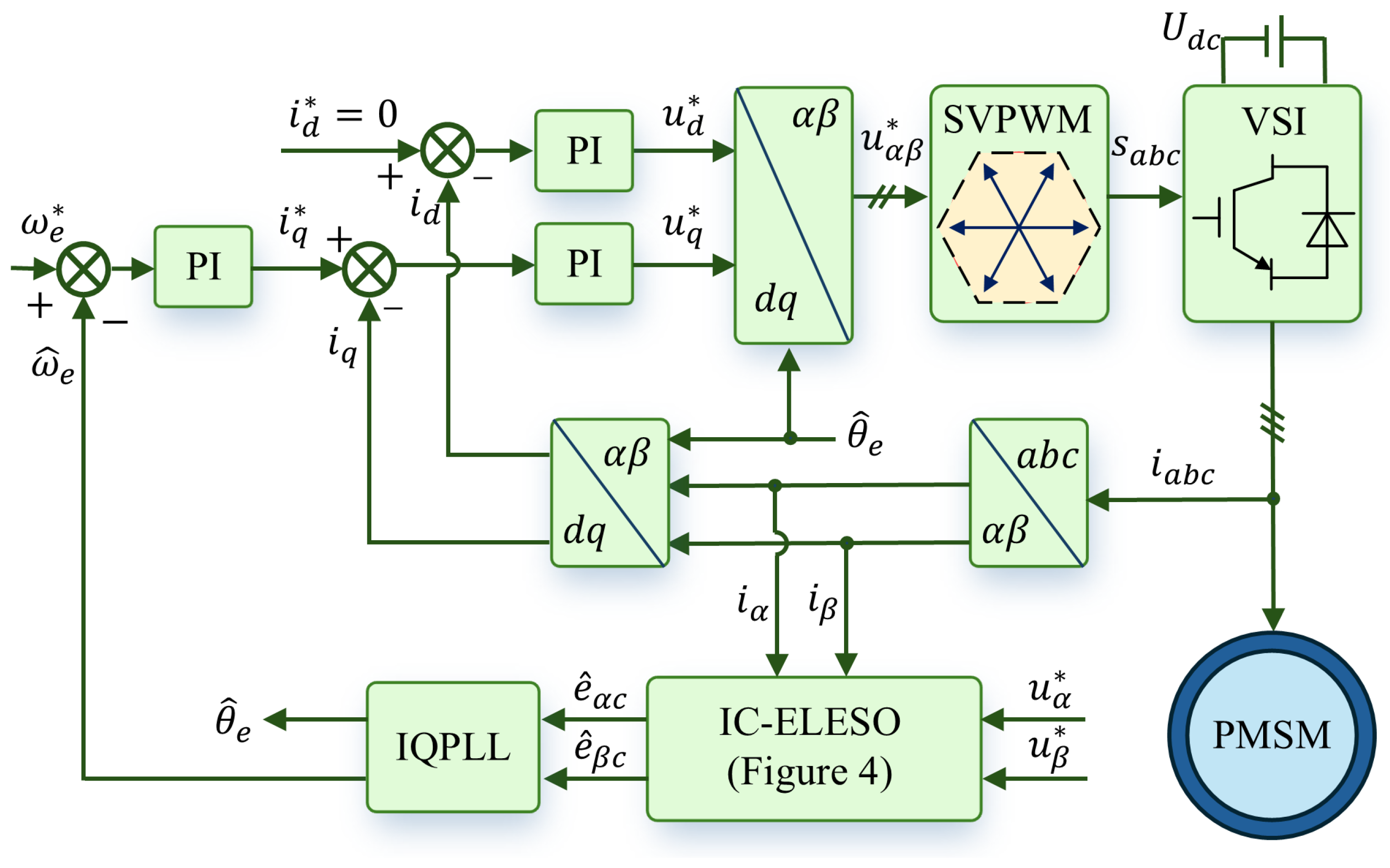
2. Sensorless Control Method Based on Second-Order LESO and QPLL
2.1. Mathematical Model of PMSM
2.2. BEMF Estimation Scheme Based on the 2nd-LESO
2.3. Position Estimation Scheme Based on the QPLL
- LESO has a second-order low-pass filtering characteristic. According to the amplitude–frequency characteristic, LESO cannot suppress the DC bias when estimating the back electromotive force, and the DC bias will cause position estimation errors.
- In the QPLL scheme, the accuracy of position estimation is easily affected by a ramp frequency signal. In addition, a major concern of the QPLL scheme lies in its poor anti-disturbance capability. For this purpose, low-pass filters (LPFs) are often introduced.
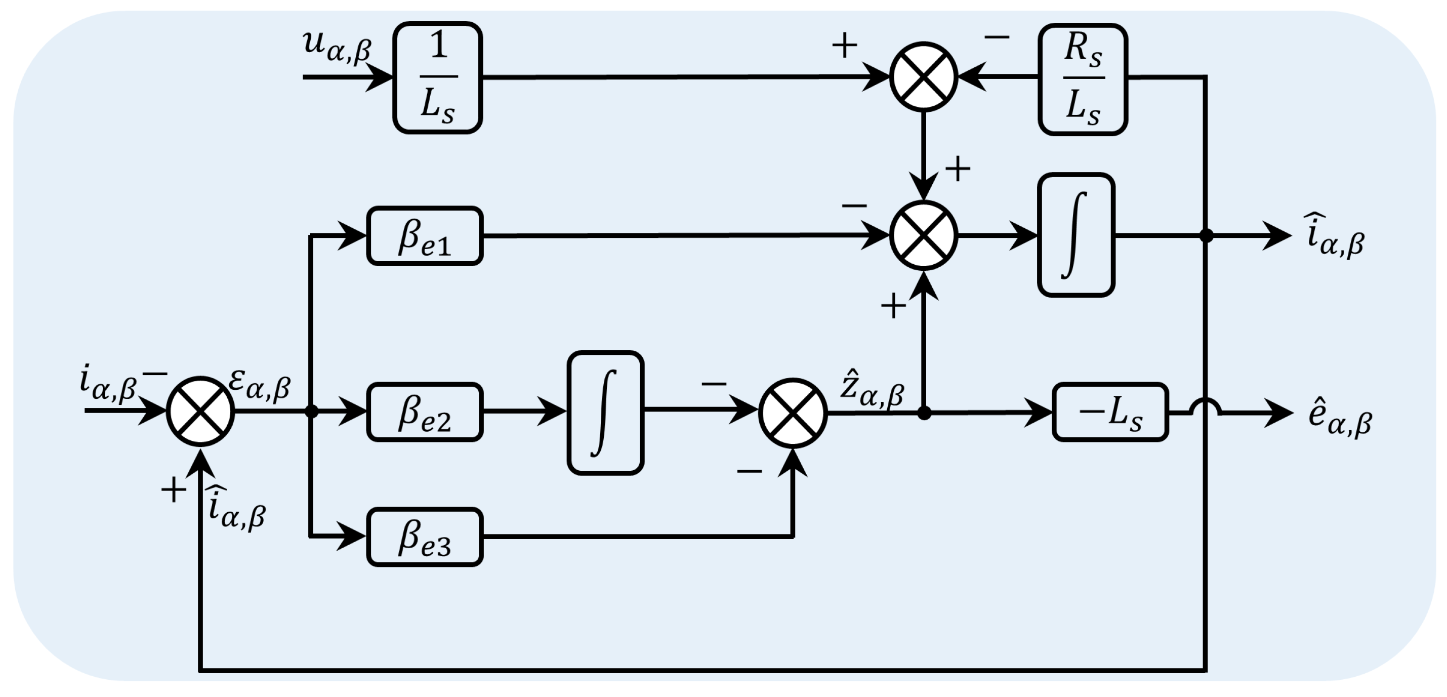
3. Proposed BEMF Estimation Scheme Based on the IC-ELESO
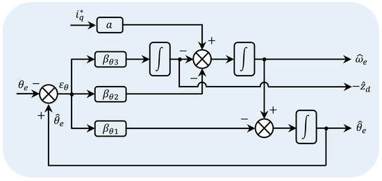
4. Position Estimation Scheme Based on the IQPLL with Third-Order LESO
5. Experimental Results
5.1. Performance Comparison Experiment of QPLL and IQPLL
5.2. Performance Comparison Experiment of Different BEMF Estimation Schemes
5.3. Robustness Analysis of IC-ELESO Under Motor Parameter Variations
6. Conclusions
Author Contributions
Funding
Institutional Review Board Statement
Informed Consent Statement
Data Availability Statement
Conflicts of Interest
References
- Liu, L.; Wang, K.; Guo, L.L.; Li, J. Analysis of Inter-Turn Short Circuit Faults in Dual Three-Phase PMSM for Electromechanical Actuator. IEEE Trans. Transp. Electrif. 2023, 9, 4059–4070. [Google Scholar] [CrossRef]
- Kandil, A. Investigation of the whirling motion and rub/impact occurrence in a 16-pole rotor active magnetic bearings system with constant stiffness. Nonlinear Dyn. 2020, 102, 2247–2265. [Google Scholar] [CrossRef]
- Li, J.; Wu, X.; Wu, L. A Computationally-Efficient Analytical Model for SPM Machines Considering PM Shaping and Property Distribution. IEEE Trans. Energy Convers. 2024, 39, 1034–1046. [Google Scholar] [CrossRef]
- Yan, H.; Wang, W.; Xu, Y.; Zou, J. Position Sensorless Control for PMSM Drives With Single Current Sensor. IEEE Trans. Ind. Electron. 2023, 70, 178–188. [Google Scholar] [CrossRef]
- Xu, G.; Xiao, F.; Lian, C. A Position Sensorless Control Strategy for PMSM Drives With Single-Phase Current Sensor. IEEE Trans. Transp. Electrif. 2024, 10, 4678–4688. [Google Scholar] [CrossRef]
- Zhao, Y.; Zhang, Z.; Qiao, W.; Wu, L. An Extended Flux Model-Based Rotor Position Estimator for Sensorless Control of Salient-Pole Permanent-Magnet Synchronous Machines. IEEE Trans. Power Electron. 2015, 30, 4412–4422. [Google Scholar] [CrossRef]
- Liu, S.; Liu, L.; Lin, Q.; Jin, D.; Liang, D. A High Order Nonlinear Adaptive Observer for PMSM Speed-Flux Transformation Model: A PMSM Sensorless Control Scheme. IEEE Trans. Power Electron. 2025, 40, 10889–10898. [Google Scholar] [CrossRef]
- Zhan, H.; Zhu, Z.Q.; Odavic, M.; Li, Y. A Novel Zero-Sequence Model-Based Sensorless Method for Open-Winding PMSM With Common DC Bus. IEEE Trans. Ind. Electron. 2016, 63, 6777–6789. [Google Scholar] [CrossRef]
- Li, H.; Zhang, X.; Yang, S.; Liu, S. Unified Graphical Model of High-Frequency Signal Injection Methods for PMSM Sensorless Control. IEEE Trans. Ind. Electron. 2020, 67, 4411–4421. [Google Scholar] [CrossRef]
- Bi, G.; Zhang, G.; Wang, Q.; Ding, D.; Li, B.; Wang, G.; Xu, D. High-Frequency Injection Angle Self-Adjustment Based Online Position Error Suppression Method for Sensorless PMSM Drives. IEEE Trans. Power Electron. 2023, 38, 1412–1417. [Google Scholar] [CrossRef]
- Liu, Z.-H.; Nie, J.; Wei, H.-L.; Chen, L.; Li, X.-H.; Lv, M.-Y. Switched PI Control Based MRAS for Sensorless Control of PMSM Drives Using Fuzzy-Logic-Controller. IEEE Trans. Power Electron. 2022, 3, 368–381. [Google Scholar] [CrossRef]
- Jiang, N.; Cao, R.; Sun, W.; Chen, D.; Wang, K. MRAS-Based Sensorless Control of PMSM Drives Using Extended State Observer in Shaftless Rim-Driven Thruster System. IEEE Trans. Transp. Electrif. 2025, 11, 6038–6047. [Google Scholar] [CrossRef]
- Xu, R.; Shen, X.; Lin, X.; Liu, Z.; Xu, D.; Liu, J. Robust Model Predictive Control of Position Sensorless-Driven IPMSM Based on Cascaded EKF-LESO. IEEE Trans. Transp. Electrif. 2025, 11, 8824–8832. [Google Scholar] [CrossRef]
- Xu, W.; Jiang, Y.; Mu, C.; Blaabjerg, F. Improved Nonlinear Flux Observer-Based Second-Order SOIFO for PMSM Sensorless Control. IEEE Trans. Power Electron. 2019, 34, 565–579. [Google Scholar] [CrossRef]
- Liu, J.; Zhang, Y. Performance Improvement of Nonlinear Flux Observer for Sensorless Control of PMSM. IEEE Trans. Ind. Electron. 2023, 70, 12014–12023. [Google Scholar] [CrossRef]
- Du, P.; Wang, B.; Xu, D. A Minimum-Order BEMF Observer for DC-Bias Elimination of Position-Sensorless PMSM Drives Using Backstepping Design. IEEE Trans. Ind. Electron. 2024, 71, 13635–13649. [Google Scholar] [CrossRef]
- Wang, G.; Wang, D.; Lin, H.; Wang, J.; Yi, X. A DC Error Suppression Adaptive Second-Order Backstepping Observer for Sensorless Control of PMSM. IEEE Trans. Power Electron. 2024, 39, 6664–6676. [Google Scholar] [CrossRef]
- Zhu, X.; Huang, J.; Wang, P.; Li, Y.; Qi, G.; Wu, Y.; He, Y.; Zhang, Y. An Improved Sliding Model Observer Sensorless Control for PMSM Based on Fuzzy Logic Controller and DSOGI-FLL. IEEE Trans. Transp. Electrif. 2025, 11, 823–834. [Google Scholar] [CrossRef]
- Cheng, Z.; Li, L.; Liu, X.; Bai, X.; Liu, J. Sensorless Control Based on Discrete Fractional-Order Terminal Sliding Mode Observer for High-Speed PMSM With LCL Filter. IEEE Trans. Power Electron. 2025, 40, 1654–1668. [Google Scholar] [CrossRef]
- Andersson, A.; Thiringer, T. Motion Sensorless IPMSM Control Using Linear Moving Horizon Estimation with Luenberger Observer State Feedback. IEEE Trans. Transp. Electrif. 2018, 4, 464–473. [Google Scholar] [CrossRef]
- Xia, Z.; Yu, X.; Wu, X.; Dou, Y. An Enhanced Linear Extended State Observer-Based Sensorless IPMSM Drives with Robustness Against Current Measurement Offset Error. IEEE Trans. Transp. Electrif. 2025, 11, 3558–3567. [Google Scholar] [CrossRef]
- Jiang, F.; Sun, S.; Liu, A.; Xu, Y.; Li, Z.; Liu, X.; Yang, K. Robustness Improvement of Model-Based Sensorless SPMSM Drivers Based on an Adaptive Extended State Observer and an Enhanced Quadrature PLL. IEEE Trans. Power Electron. 2021, 36, 4802–4814. [Google Scholar] [CrossRef]
- Chen, S.; Ding, W.; Hu, R.; Wu, X.; Shi, S. Sensorless Control of PMSM Drives Using Reduced Order Quasi Resonant-Based ESO and Newton–Raphson Method-Based PLL. IEEE Trans. Power Electron. 2023, 38, 229–244. [Google Scholar] [CrossRef]
- Li, Y.; Yin, Z.; Yuan, D.; Zhang, Y.; Gao, Y.; Yang, H. A Multiharmonics Suppression Backstepping Extended State Observer for the PMSM Electrolytic Capacitorless Drives Sensorless Control. IEEE Trans. Power Electron. 2025, 40, 10769–10782. [Google Scholar] [CrossRef]
- Wang, H.; Yang, Y.; Ge, X.; Zuo, Y.; Yue, Y.; Li, S. PLL- and FLL-Based Speed Estimation Schemes for Speed-Sensorless Control of Induction Motor Drives: Review and New Attempts. IEEE Trans. Power Electron. 2022, 37, 3334–3356. [Google Scholar] [CrossRef]













| Parameter | Symbol | Value |
|---|---|---|
| Rated voltage | 150 V | |
| Rated current | 10 A | |
| Rated speed | 2000 rpm | |
| Stator resistance | 0.36 | |
| Inductance | 1.5 mH | |
| Permanent magnet flux | 0.2 Wb | |
| Rated troque | 8 N·m | |
| Pole pairs | 2 |
Disclaimer/Publisher’s Note: The statements, opinions and data contained in all publications are solely those of the individual author(s) and contributor(s) and not of MDPI and/or the editor(s). MDPI and/or the editor(s) disclaim responsibility for any injury to people or property resulting from any ideas, methods, instructions or products referred to in the content. |
© 2025 by the authors. Licensee MDPI, Basel, Switzerland. This article is an open access article distributed under the terms and conditions of the Creative Commons Attribution (CC BY) license (https://creativecommons.org/licenses/by/4.0/).
Share and Cite
Lin, J.; Dou, M.; Jia, H.; Yan, S.; Dang, M.; Zhao, D.; Hua, Z. A DC Bias Suppression Sensorless Control for SPMSM Based on Extended State Observer with Improved Position Estimation Accuracy. Energies 2025, 18, 5221. https://doi.org/10.3390/en18195221
Lin J, Dou M, Jia H, Yan S, Dang M, Zhao D, Hua Z. A DC Bias Suppression Sensorless Control for SPMSM Based on Extended State Observer with Improved Position Estimation Accuracy. Energies. 2025; 18(19):5221. https://doi.org/10.3390/en18195221
Chicago/Turabian StyleLin, Jinpu, Manfeng Dou, Haiyun Jia, Shuhao Yan, Mengxi Dang, Dongdong Zhao, and Zhiguang Hua. 2025. "A DC Bias Suppression Sensorless Control for SPMSM Based on Extended State Observer with Improved Position Estimation Accuracy" Energies 18, no. 19: 5221. https://doi.org/10.3390/en18195221
APA StyleLin, J., Dou, M., Jia, H., Yan, S., Dang, M., Zhao, D., & Hua, Z. (2025). A DC Bias Suppression Sensorless Control for SPMSM Based on Extended State Observer with Improved Position Estimation Accuracy. Energies, 18(19), 5221. https://doi.org/10.3390/en18195221

