Next Article in Journal
Numerical Investigation of Combustion Characteristics in a 330 MW Coal-Fired Boiler with Preheating Combustion Devices at Half Load Operation
Previous Article in Journal
Energy-Constrained Optimization of Data Center Layouts: An Integer Linear Programming Approach
 
 
Font Type:
Arial Georgia Verdana
Font Size:
Aa Aa Aa
Line Spacing:
Column Width:
Background:
Article

Autonomous Decentralized Cooperative Control DC Microgrid Deployed in Residential Areas

by
Hirohito Yamada
International Research Institute of Disaster Science, Tohoku University, 468-1 Aramaki-Aza-Aoba, Aoba-ku, Sendai 980-8572, Japan
Energies 2025, 18(18), 5041; https://doi.org/10.3390/en18185041
Submission received: 23 August 2025 / Revised: 18 September 2025 / Accepted: 20 September 2025 / Published: 22 September 2025
(This article belongs to the Special Issue Intelligent Operation and Control of Resilient Microgrids)

Abstract

This paper presents a DC microgrid architecture with autonomous decentralized control that exhibits high resilience against increasingly common threats, such as natural disasters and cyber-physical attacks, as well as its operational characteristics under normal circumstances. The proposed system achieves autonomous decentralized cooperative control by combining a battery-integrated DC baseline, in which multiple distributed small-scale batteries are directly connected to the grid baseline, with a weakly coupled grid architecture in which each power device is loosely coupled via the grid baseline. Unlike conventional approaches that assign grid formation, inertial support, and power balancing functions to DC/DC converters, the proposed approach delegates these fundamental grid roles to the distributed batteries. This configuration simplifies the control logic of the DC/DC converters, limiting their role to power exchange only. To evaluate system performance, a four-family DC microgrid model incorporating a typical Japanese home environment, including an EV charger, was constructed in MATLAB/Simulink R2025a and subjected to one-year simulations. The results showed that with approximately 5 kW of PV panels and a 20 kWh battery capacity per household, a stable power supply could be maintained throughout the year, with more than 50% of the total power consumption covered by solar energy. Furthermore, the predicted battery life was over 20 years, confirming the practicality and economic viability of the proposed residential microgrid design.

1. Introduction

The power grid, alongside communication networks, water supply systems, and city gas infrastructure, is a vital lifeline of modern society. However, its vulnerabilities have become increasingly apparent in recent years due to the intensification of natural disasters and its susceptibility to targeted attacks such as terrorism and warfare [1,2,3,4]. Existing power grids typically rely on large-scale generation at power plants located far from urban centers—the primary consumers of electricity—and transmit power over long distances via transmission and distribution lines. This centralized structure introduces multiple points of fragility, particularly in large facilities and extended transmission pathways, making the system vulnerable to disruptions. In contrast, microgrids—comprising small-scale distributed energy resources such as solar, wind, and hydro generators, along with batteries—are gaining attention for their resilience [5,6,7,8]. These systems incorporate distributed energy sources into the grid and operate locally, generating and storing only the necessary amount of electricity near the point of consumption. Microgrids fundamentally reject the premise of long-distance power transmission, instead promoting “local production and consumption of electricity”.
As such, microgrids and conventional power grids are based on fundamentally different philosophies. Table 1 compares the two systems, highlighting differences not only in their conceptual approach to electricity usage but also in the types of power handled, grid topology, and control methods. Conventional grids employ high-voltage AC suitable for long-distance transmission, whereas microgrids handle low-voltage DC or AC, which is more accessible for power consumers. Topologically, conventional grids follow a river-flow (tree) structure flowing from upstream generators to downstream consumers, while microgrids typically adopt a bus-type configuration, allowing for diverse topologies. Control methods also differ significantly. Conventional grids rely on centralized control by utility companies, whereas microgrids may incorporate autonomous decentralized cooperative control in addition to centralized schemes. Moreover, conventional grids are designed without power storage, requiring instantaneous balance between power generation and consumption (the principle of simultaneous supply and demand). Grid stability during short time scales depends on electrical inertia provided by upstream generators, which propagates through the transmission line to downstream loads, ensuring reliable operation of electrical devices. This necessitates strong electrical coupling between generators and end-use devices.
Microgrids, too, require electrical inertia for grid stability, but this is provided by distributed sources such as batteries. Typically, DC/DC converters or DC/AC inverters connected to these batteries emulate inertia to stabilize the grid [9,10]. As a result, multiple sources of electrical inertia are located near the loads, enabling the possibility of a weakly coupled grid structure, as discussed in Section 3.
In summary, conventional power grids and microgrids differ fundamentally. While parts of the conventional grid—particularly downstream segments—may be replaced by microgrids in the future, a complete replacement is unlikely. Instead, the two systems are expected to coexist, complementing each other’s weaknesses.
Microgrids can be implemented in both AC and DC formats. Conventional AC microgrids typically operate by borrowing or extending utility distribution grids during normal conditions and switching to islanded operation during disasters [11,12]. Thus, they are essentially an extension of the utility grid.
In contrast, DC microgrids are built with independent grids separate from the utility grid, making them fundamentally distinct. This independence allows DC microgrids to employ autonomous decentralized cooperative control [13,14], a method that eliminates centralized controllers and communication lines between devices. Such a configuration significantly enhances disaster resilience, as even if part of the grid is damaged, the remaining segments can maintain partial functionality. For this autonomous operation, each power device must make independent decisions based on its local assessment of grid conditions, such as baseline voltage. This necessitates sophisticated self-regulation, often performed by DC/DC converters connected to distributed power sources or by the power loads themselves. Since devices do not have a global view of the grid, optimization is limited to local performance rather than system-wide coordination, making autonomous decentralized cooperative control inherently a form of local control. Section 3 provides a detailed explanation of how this local control is implemented within DC microgrids.
Previous work [15] demonstrated that autonomous decentralized control of DC microgrids can be achieved through a battery-integrated baseline—comprising distributed small-scale batteries directly connected to the grid baseline—and a weakly coupled grid architecture that deliberately moderates inter-device interactions. Building on this foundation, the present study further systematizes the grid control framework and clarifies the functional roles of DC/DC converters within the battery-integrated baseline.
This study also investigates the design and operation of a DC microgrid tailored for typical residential areas, where individual homes are interconnected via a shared DC baseline. Although numerous studies have addressed energy management in residential microgrids [16,17,18,19], the present work focuses on deployment within Japanese communities, where disaster resilience is of particular importance due to the country’s high vulnerability to natural hazards. Each home is assumed to be equipped with small-scale photovoltaic (PV) panels and batteries. The proposed system is designed to maintain resilience during disasters through autonomous decentralized control. Under normal conditions, it supports an eco-conscious lifestyle by prioritizing the use of renewable energy wherever possible. Grid stability, the required capacities for solar panels and batteries, energy exchange with the utility grid, and the renewable energy ratio under standard operating conditions are evaluated. Since solar power generation is inherently intermittent, maintaining a stable lifestyle relying solely on renewable sources is not feasible. Therefore, a minimum amount of electricity is procured from the utility grid, and this is kept as low as possible.

2. Battery-Integrated DC Baseline

In conventional DC microgrids, as illustrated in Figure 1a, batteries are typically connected to the baseline via DC/DC converters. These converters play a critical role in maintaining and stabilizing the grid, including the provision of pseudo-inertial characteristics. However, when a DC/DC converter is interposed, the battery’s inherent electrical inertia cannot be fully transmitted to the baseline due to limitations imposed by the converter’s rated power capacity. Moreover, its electronic control introduces delays on the order of several milliseconds, during which certain power-load equipment may experience instability or even shut down.
To address this issue, a method for directly connecting batteries to the grid baseline was proposed, as shown in Figure 1b, thereby enabling the transmission of electrical inertia without degradation. In this configuration, batteries are arranged such that their terminal voltage closely matches the baseline voltage, allowing direct connection. When connected in this manner, the intrinsic droop characteristics of the batteries with respect to terminal voltage naturally facilitate coordinated operation among multiple battery units [15].
This configuration—where multiple small batteries are distributed and directly connected to the baseline—forms a battery-integrated DC baseline. It allows the fundamental grid-forming and sustaining functions to be handled by the distributed batteries themselves, without relying on DC/DC converters.
Inspired by the open systems interconnection (OSI) reference model [20] for communication networks, the grid functionality is defined across four hierarchical layers, as shown in Table 2.
-
Layer 1: Physical Layer
This layer specifies the physical medium and standards for power exchange among devices connected to the grid. Common media include CV cables, with specifications covering conductor type, thickness, number of cores, insulation type, and grounding methods.
-
Layer 2: Grid Forming Layer
This layer governs the essential functions for forming and maintaining the grid at a specified voltage. It defines the type of power (AC or DC), voltage range, frequency, and phase configuration (single-phase or three-phase). Mechanisms for electrical inertia, droop control for coordinated operation of distributed power sources, and power distribution balancing are included. Protection against ground faults, short circuits, and lightning strikes is also specified. In conventional DC grid, these functions are typically handled by DC/DC converters connected to distributed sources.
-
Layer 3: Power Exchange Layer
This layer defines the mechanisms for power exchange between power devices and the grid, as well as between the grid and external systems such as utility grids or other microgrids. DC/DC or DC/AC converters are responsible for these functions.
-
Layer 4: Application Layer
This top layer encompasses various applications that utilize the grid, such as energy management systems (EMS) or electricity trading platforms.
Table 3 compares devices responsibilities for each grid function between conventional DC microgrids and battery-integrated DC microgrids. In conventional DC grids, both Layer 2 (grid forming) and Layer 3 (power exchange) functions are handled by DC/DC converters. In contrast, the battery-integrated grid delegates Layer 2 functions to the distributed batteries directly connected to the baseline, allowing DC/DC converters to focus solely on Layer 3 functions. This separation simplifies control.
Figure 2 illustrates the devices responsible for each layer in both conventional and battery-integrated grids. In conventional DC grids, DC/DC converters connected to distributed sources must manage a wide range of controls across Layers 2 and 3, resulting in high complexity and control burden. To mitigate this, hierarchical control schemes have been proposed to prioritize control tasks and prevent interference [21,22].
In our battery-integrated baseline approach, these roles are clearly separated and simplified. Grid forming (Layer 2) is entrusted to the directly connected batteries, while DC/DC converters concentrate on power exchange (Layer 3). This significantly reduces the complexity of DC/DC converter control.

3. Autonomous Decentralized Cooperative Control Realized by Weakly Coupled Grid Configuration

In conventional power grids, electrical inertia must be transmitted from upstream power generators to downstream power loads. To achieve this, the system relies on thick, high-capacity transmission and distribution lines operating at high voltages. In contrast, typical DC microgrids operate at relatively low voltages—around 400 V—baseline and their baseline power capacity are modest. This difference stems primarily from the relative positioning of the sources of electrical inertia and the power loads.
Figure 3 compares the magnitude of electrical inertia along the baseline between Japan’s conventional distribution grid (6.6 kV) and a DC microgrid (baseline voltage: 400 V). Here, the magnitude of electrical inertia is defined as the maximum instantaneous power that can be extracted at a given point on the baseline. Due to the conductor resistance of the baseline cable, the electrical inertia decreases with distance from the inertia source, but near the inertia source, the magnitude is limited by the allowable current capacity of the baseline cable. Japan’s distribution grid uses relatively thick cables (22–150 square millimeters (SQ)) at 6.6 kV, allowing substantial electrical inertia to be transmitted even over distances exceeding 10 km. In contrast, DC microgrids use thinner cables (typically 8–14 SQ) at around 400 V, resulting in significantly lower electrical inertia and a more limited range of influence. However, because sources of electrical inertia—such as distributed batteries—are located near the power loads, even such weakly coupled grid can effectively distribute sufficient inertia across the baseline.
Weak coupling is also essential for implementing autonomous decentralized cooperative control. In this control paradigm, each device must operate independently without interference from neighboring devices, necessitating strictly local control. Typically, a device senses the grid state—such as the baseline voltage—at its connection point to the grid and determines its behavior accordingly. If the operation of adjacent devices affects this sensing, accurate assessment of the grid state becomes impossible (see Figure 4a). Strong electrical coupling through the baseline increases the likelihood of such interference.
To quantify this, a simplified equivalent circuit of a battery-integrated weakly coupled DC grid is shown in Figure 4b. Here, R represents the conductor resistance of the baseline between devices, C denotes the dynamic capacitance of the battery, and τ is the time constant of device control—typically less than several second, as seen in solar panel MPPT charging control systems.
The conductor resistance R reflects the strength of coupling between devices. In weakly coupled grids, R is non-negligible, typically ranging from 0.1 to 1 Ω. The dynamic capacitance C of the battery is defined by the following equation:
C = d q d V
where dq is the change in charge and dV is the resulting change in terminal voltage. Depending on battery type and capacity, C can be extremely large. For example, a 48 V, 40 Ah lithium iron phosphate battery yields a capacitance exceeding 1000 F. Thus, the CR time constant, determined by the battery capacitance and conductor resistance, is typically much larger than the device control time constant τ, as indicated by the following inequality:
τ C R
This ensures the independence of each device’s control, enabling effective local regulation. Although the control actions of neighboring devices may influence the sensing point via the baseline, such effects occur on a slower timescale than the control response of devices, preserving control autonomy.
Even in weakly coupled grids, gradual power exchange between devices remains feasible. Therefore, if a state-of-charge (SoC) imbalance arises among distributed batteries directly connected to the baseline, it will naturally self-balance over time [23]. Additionally, when a large power load—such as EV charging—is introduced, the local baseline voltage may begin to drop. However, the resulting voltage differential induces a compensating current flow, suppressing the voltage drop and stabilizing it at a fixed level.

4. Simulation Model for a Residential Microgrid

To analyze the long-term operation of the battery-integrated, weakly coupled DC microgrid, we developed a simulation model using MATLAB/Simulink. Device models were constructed based on simplified electric equivalent circuits to emulate the behavior of lithium iron phosphate (LiFePO4) batteries, silicon solar panels, and residential electricity consumption. The solar panel model outputs real-time power generation based on input parameters including the panel’s rated capacity, global solar radiation at the installation site, ambient temperature, and installation efficiency. Historical meteorological data for major Japanese cities were obtained from the Japan Meteorological Agency’s website [24]. Residential electricity consumption was statistically modeled based on the average monthly energy usage of a typical four-person household in Japan (Table 4) [25], combined with the hourly consumption profile shown in Figure 5 [26]. Although seasonal variations exist, an annual average profile was adopted for simplification. To reflect household-level variability, random fluctuations were introduced into each home’s power demand. For power cables, including grid baselines, only conductor resistance—determined by the thickness and length of the core wire—was considered. Inductance and inter-wire capacitance were ignored. All power devices operate autonomously without centralized control. Although the input statistical data have an hourly resolution, the simulation was conducted over a one-year period with a time step of one second (60 × 60 × 24 × 365 = 31,536,000 steps). Details of the internal structure of those device models are shown in Appendix A.
The simulation scenario assumes the construction of a DC microgrid in a residential area of Sendai, Japan, aiming to realize an environmentally friendly lifestyle based on local generation and consumption of solar energy. Figure 6 illustrates the simulation model developed using the MATLAB/Simulink platform. Four houses, each equipped with a 5 kW solar panel and a 50 Ah battery (approximately 20 kWh capacity), are connected via a bus-type DC baseline. One end of the baseline (left end) is connected to the utility distribution grid.
The baseline voltage is centered at 380 V, with an allowable operating range of ±10%, i.e., 340 V to 420 V. All power-load devices, generation units, and storage systems are assumed to operate normally within this voltage range. Each device model monitors the voltage at its connection point (baseline voltage) and operates autonomously and in a decentralized manner because centralized controller is not present. Therefore, if the baseline voltage remains within the allowable range, autonomous decentralized cooperative control is considered to be functioning properly.
Power exchange with the utility grid is governed by the following rules:
-
When the baseline voltage drops below 360 V, the microgrid begins receiving power from the utility grid at a fixed rate, continuing until the voltage recovers to 370 V.
-
When the baseline voltage exceeds 400 V, the microgrid begins sending power to the utility grid at a fixed rate, continuing until the voltage drops to 390 V.
-
Outside these conditions, no power exchange occurs.
This control scheme ensures that the baseline voltage remains within the permissible range, even during periods of low solar generation or excess production.
While the widespread deployment of electric vehicle (EV) chargers has raised concerns about their impact on the power grid [27,28], home-based EV charging is also expected to pose significant challenges for microgrid operation in the near future. Accordingly, a scenario was considered in which House 3 (the third house from the left) is equipped with EV charging infrastructure.
The baseline connecting the houses consists of CV cables with a conductor thickness of 8 SQ, and each segment is uniformly set to 50 m in length. Table 5 summarizes the specifications of the microgrid. The installation efficiency of the solar panels—determined by factors such as orientation and tilt angle—is uniformly assumed to be 50%.

5. Simulation Results

5.1. Without EV Charging Infrastructures

The case without electric vehicle (EV) charging infrastructure was first examined. Figure 7 presents the annual variation and a detailed view of the January monthly variation in the power generated by the solar panel installed on each house. Since all houses are located within a 100-m radius, uniform solar irradiance across all PV installations was assumed. Power generation peaks between April and May, decreases during the rainy season (June–July), and is slightly lower in August due to high ambient temperatures. In winter (December–February), generation is reduced due to shorter daylight hours and snowfall.
Figure 8 illustrates the annual variation in electricity consumption across the four households, along with a detailed view of the January variation for House 4. In this graph, power consumption is represented as negative values, since power generation is defined as positive. While consumption varies by household, it statistically follows the distribution shown earlier. Higher consumption is observed in winter and summer due to air conditioning use.
Figure 9 presents the annual variation in baseline voltage at each household’s connection point. In a weakly coupled grid, baseline voltages may exhibit substantial variation even between adjacent subgrids connected via a common baseline. Although temporal fluctuations are observed, all voltages remain within the acceptable range of 340 V to 420 V. House 1, which is closest to the utility grid connection point, shows relatively minor voltage fluctuations, while houses farther away experience greater variation. In spring, elevated voltage levels are observed due to high PV generation combined with moderate consumption. In contrast, winter conditions—low generation—result in voltages trending between 360 V and 380 V. It is worth noting that in this simulation, PV output is not curtailed even when baseline voltage is high; all generated power is absorbed into the microgrid.
Figure 10 shows the charging and discharging power of the batteries installed in each house. Discharging is plotted as positive, and charging as negative. All batteries operate throughout the year, with Battery 1 (in House 1, near the grid connection point) exhibiting the most intense activity, reaching up to 4 kW. Figure 11 plots the cumulative charge/discharge current over time. Again, Battery 1 shows the highest activity, with an annual cumulative current of approximately 12 kAh. This corresponds to 120 full charge/discharge cycles for the installed 50 Ah battery. Given that lithium iron phosphate batteries typically have a cycle life of around 3000 cycles [29,30,31], this suggests a battery lifetime of approximately 25 years.
Figure 12 displays the current flowing through the baseline cables connecting the houses. Positive current indicates flow toward the right (away from the utility grid connection point). Cables closer to the grid (e.g., Cable 1) carry more current, but the maximum remains below 20 A—well within the 65 A rating of the 8 SQ CV cables. Thus, the maximum power transmitted through the baseline is around 7 kW, which is modest relative to the total load, confirming that power exchange is gradual and the grid remains weakly coupled.
Figure 13 shows power exchange with the utility grid. Positive values indicate power received from the grid, and negative values indicate power sent to the grid. Naturally, more electricity is received from the utility grid in winter, and more electricity is sent to the utility grid from spring to summer.
Figure 14 illustrates the cumulative power consumption of the entire microgrid, along with the annual amounts of electricity imported from and exported to the utility grid. The total annual consumption amounts to 16.24 MWh, equivalent to approximately 338 kWh per household per month, which closely aligns with the statistical value shown in Table 4. An annual total of 4.86 MWh was received from the utility grid, whereas 3.08 MWh was transmitted back to it.
The definition of the renewable energy ratio (RER) depends on whether reverse power flow to the utility grid is permitted. In the present simulation, all excess power generated within the microgrid is assumed to be absorbed by the utility grid through reverse power flow. In this scenario, RER is defined by Equation (3). If PV output is significantly increased, the RER can become arbitrarily large, potentially exceeding 100%. However, this approach deviates from the concept of “local production and consumption of electricity,” which emphasizes that residential microgrids should generate and consume only the amount of power required locally. In Japan, it has been reported that reverse power flow from mega-solar power plants during spring can destabilize the utility grid, often leading to generation curtailment. Therefore, from the perspective of “local production and consumption,” designing a microgrid that does not even consider reverse power flow to the utility grid may be a more natural approach. In such cases, if the storage batteries are fully charged and cannot store additional power, PV generation curtailment is implemented. The RER for this scenario, where reverse power flow to the utility grid is prevented by generation curtailment, is defined by Equation (4), and it will not exceed 100%. To provide a comprehensive understanding of microgrid performance under different operational philosophies, both definitions are presented. The RER calculated using Equation (3), which allows reverse power flow to the utility grid, is approximately 89%, whereas the RER calculated using Equation (4), which prohibits reverse power flow, is approximately 70%.
R E R = T o t a l   p o w e r   c o n s u m p t i o n R e c e i v e d   p o w e r   f r o m   u t i l i t y   g r i d + T r a n s m i t t e d   p o w e r   t o   u t i l i t y   g r i d T o t a l   p o w e r   c o n s u m p t i o n = 16.24 4.86 + 3.08 16.24 = 0.89
R E R = T o t a l   p o w e r   c o n s u m p t i o n R e c e i v e d   p o w e r   f r o m   u t i l i t y   g r i d T o t a l   p o w e r   c o n s u m p t i o n = 16.24 4.86 16.24 = 0.7

5.2. With an EV Charging Infrastructure

Subsequently, a scenario was simulated in which House 3 (the third house from the left in Figure 6) is equipped with EV charging infrastructure. In this case, EV charging is assumed to occur daily between midnight and 2:00 a.m. at a constant power of 5 kW, resulting in an energy consumption of 10 kWh per session.
Figure 15 shows the annual baseline voltage variation at each household connection point. While House 1 remains within the acceptable range throughout the year, Houses 3 and 4—farther from the grid connection—occasionally fall below the lower voltage limit, as indicated by red circles. These events occur during nighttime EV charging, suggesting that even 5 kW of power load can significantly impact a microgrid of this scale.
To mitigate this issue, the EV charging window was shifted to 2:00–4:00 a.m., a period of lower household consumption as shown in Figure 5. Although the daily charging energy remains 10 kWh, the revised simulation (Figure 16) indicates that voltage excursions below the acceptable range occur only once per year for Houses 3 and 4.
In this scenario, current flow through the baseline was also examined using the same method as in the previous section (see Figure 12), although the corresponding graph is omitted here for brevity. As before, the cable segment closer to the utility grid carries a higher current, but the maximum remains below 20 A—similar to the scenario without EV charging.
Likewise, the annual variation in charging and discharging power of the batteries installed in each house was analyzed using the same approach as in the previous section (see Figure 10), but the raw data plots are omitted in this section for brevity. Battery 1 again exhibits the most pronounced charge/discharge activity. The cumulative current (Figure 17) reaches 12.59 kAh, corresponding to an estimated battery lifetime of approximately 24 years.
Figure 18 illustrates the cumulative power consumption of the entire microgrid, along with the amounts of electricity imported from and exported to the utility grid under the EV charging scenario. As a result of daily EV charging, the annual power consumption increases to 18.89 MWh, with grid imports rising to 8.27 MWh and exports reaching 2.74 MWh.
Based on Equation (3), which accounts for reverse power flow to the utility grid, the resulting RER is approximately 72%. In contrast, when reverse power flow is prohibited—as assumed in Equation (4)—the RER decreases to approximately 58%.

6. Consideration of Required System Capacity

This section evaluates how the capacity of household-installed batteries and solar panels affects the overall RER and grid stability. The simulation scenario builds upon the case presented in the previous section, in which House 3 is equipped with EV charging infrastructure, with daily charging scheduled from 2:00 a.m. to 4:00 a.m.
In addition to the grid configuration—each household equipped with a 20 kWh battery and a 5 kW solar panel (installation efficiency: 50%)—alternative setups were assessed, including battery capacities of 5, 10, and 50 kWh, and solar panel rated outputs of 3 kW and 7 kW. The following four evaluation metrics were used:
  • RER calculated using Equation (3), assuming grid export;
  • RER calculated using Equation (4), assuming curtailment of surplus;
  • Battery lifetime;
  • Grid stability.
Battery lifetime was estimated based on cumulative charge/discharge current, assuming lithium iron phosphate batteries with a cycle life of approximately 3000 cycles. Grid stability was assessed by counting the number of annual instances in which the baseline voltage exceeded the allowable range; if this occurred more than three times per year, the grid was considered unstable.
Table 6 summarizes the simulation results for all combinations of battery and solar panel capacities. For each configuration, the upper-left value represents the RER calculated using Equation (3), the upper-right value using Equation (4), the lower-left value indicates battery lifetime in years, and the lower-right value shows the number of annual voltage excursions.
Relative to the grid configuration (20 kWh battery and 5 kW solar panel), reducing the battery capacity to 10 kWh results in an RER below 50% (Equation (4)), a shortened battery lifetime of 15 years, and six voltage excursions per year—indicating reduced performance and compromised grid stability.
Similarly, reducing the solar panel output to 3 kW lowers both RER values below 50%, and leads to four voltage excursions annually.
Conversely, increasing the solar panel output to 7 kW yields an RER exceeding 100% (Equation (3)), indicating that annual generation surpasses consumption and grid export exceeds imports. Although an RER exceeding 100% is not necessarily problematic in itself, it implies that during high-generation periods—particularly in spring—frequent curtailment of PV output would be required to prevent abnormal rises in baseline voltage.
Increasing battery capacity to 50 kWh improves the RER to 68% (Equation (4)) and extends battery lifetime to 53 years. However, this far exceeds the typical lifetime of solar panels and other electronic components (approximately 20 years), resulting in system imbalance and substantially higher costs.
Therefore, the configuration examined in the previous section—20 kWh battery and 5 kW solar panel—can be considered optimal in terms of performance, grid stability, and overall system balance.

7. Conclusions

This study examined the configuration and characteristics of a DC microgrid designed for residential deployment, with the aim of realizing an eco-friendly lifestyle based on local production and consumption of solar-generated renewable energy. To ensure resilience against disasters and enable open, democratic management by residents, an original DC microgrid architecture was proposed, featuring a battery-integrated baseline architecture operated through autonomous decentralized cooperative control.
In this configuration, the batteries directly connected to the grid baseline fulfill the essential functions of grid forming and maintaining. As a result, individual power devices—such as generators and loads—only need to monitor the voltage of the baseline to which they are connected. By autonomously regulating their power exchange with the baseline to avoid destabilizing the grid, control complexity is significantly reduced.
To realize autonomous decentralized cooperative control, each device must operate independently, without interference from neighboring devices. This requires a weakly coupled grid structure, in which electrical coupling between devices is sufficiently limited. This condition can be achieved by ensuring that the CR time constant—determined by the dynamic capacitance of distributed batteries and the conductor resistance of the baseline—is much larger than the control time constant τ of each device. Consequently, the influence of neighboring devices on a given sensing point becomes relatively slow and minor, thereby preserving control independence.
A DC microgrid model comprising four typical residential houses was constructed in MATLAB/Simulink, and its behavior was analyzed over one year under realistic conditions in a Japanese city. The results showed that equipping each household with a 5 kW solar panel and a 20 kWh battery enables stable grid operation and sustainable living with a renewable energy ratio exceeding 50%. Using lithium iron phosphate batteries with a cycle life of approximately 3000 cycles, a service life of around 25 years can be expected—comparable to that of solar panels and other electronic components—resulting in a well-balanced and durable system.
Our findings indicate that home EV charging can impose a substantial load on small-scale residential microgrids. To mitigate this impact, it is preferable to schedule charging during late-night hours when overall electricity demand is low. In grids with multiple charging stations, coordinated scheduling may be required to minimize temporal overlap and avoid peak load concentration. Furthermore, integrating EVs into the microgrid not only for charging (G2V) but also for discharging (V2G) allows the traction batteries of EVs to function as complementary distributed storage. This strategy has the potential to significantly reduce the required capacity of dedicated residential batteries, while simultaneously enhancing system-level flexibility, resilience, and energy autonomy [32,33,34,35,36].

Funding

This research was funded by the JST OPERA Prog. (Grant Number JPMJOP1852).

Data Availability Statement

The original contributions presented in this study are included in the article. Further inquiries can be directed to the corresponding author.

Acknowledgments

The author would like to extend a special thanks to Liu Ke, who was a student in the author’s laboratory. Part of the content of this paper is based on the research conducted as part of her thesis under the guidance of the author. Additionally, through the JST OPERA project, the author had many valuable discussions with K. Iwatsuki and T. Otsuji. The author would like to express deep gratitude to them once again.

Conflicts of Interest

The author declares no conflicts of interest. The funders had no role in the design of this study; in the collection, analyses, or interpretation of data; in the writing of the manuscript; or in the decision to publish the results.

Abbreviations

The following abbreviations are used in this manuscript:
ACAlternative current
CV cableCross-linked polyethylene insulated Vinyl sheath cable
DCDirect current
EMSEnergy management system
EVElectric Vehicle
LiFePO4lithium iron phosphate
MPPTMaximum power-point tracking
OSIOpen systems interconnection
PVphotovoltaic
RESRenewable energy source
SoCState of charge
SQsquare millimeters (mm2)
VCVSvoltage-controlled voltage source
VCCSvoltage-controlled current source

Appendix A

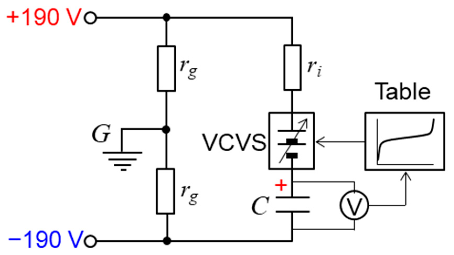
Figure A1 illustrates the internal configuration of the device model used to simulate LiFePO4 battery behavior. Component C is an ideal capacitor. A lookup table defines the relationship between the stored charge (i.e., the terminal voltage of C) and the terminal voltage of the LiFePO4 battery. This voltage value is then fed into a voltage-controlled voltage source (VCVS), which outputs the corresponding battery terminal voltage. Resistance ri is the internal resistance of the battery and is configured to be inversely proportional to its capacity. Resistance rg models the self-discharge behavior, which is a very large value for LiFePO4 batteries. Note that variations in charge/discharge characteristics due to current magnitude or battery degradation are not incorporated into this model.
Figure A1. Device model of LiFePO4 battery.
Figure A1. Device model of LiFePO4 battery.
Energies 18 05041 g0a1
Figure A2 shows the device model of the solar panel. The panel’s generated power is calculated by multiplying the global solar irradiance by the panel’s rated output (kW) and installation efficiency η, and further by a temperature-dependent efficiency correction factor. This power value is divided by the panel’s terminal voltage and input into a voltage-controlled current source (VCCS). The resistance ri represents the internal resistance of the panel, while rs denotes the parallel resistance.
Figure A2. Solar panel device model.
Figure A2. Solar panel device model.
Energies 18 05041 g0a2
Figure A3 presents the power consumption model of a residential house. The power consumption data for each household is divided by terminal voltage and input into a VCCS. The resistance ri represents the wiring resistance of the house, and rs corresponds to the leakage resistance.
Figure A3. House power consumption device model.
Figure A3. House power consumption device model.
Energies 18 05041 g0a3

References

  1. Xie, B.; Tian, X.; Kong, L.; Chen, W. The Vulnerability of the Power Grid Structure: A System Analysis Based on Complex Network Theory. Sensors 2021, 21, 7097. [Google Scholar] [CrossRef]
  2. Cetinay, H.; Devriendt, K.; Van Mieghem, P. Nodal vulnerability to targeted attacks in power grids. Appl. Netw. Sci. 2018, 3, 34. [Google Scholar] [CrossRef]
  3. Dias, J.; Montanari, A.N.; Macau, E.E. Power-grid vulnerability and its relation with network structure. Chaos 2023, 33, 033122. [Google Scholar] [CrossRef]
  4. Deka, D.; Vishwanath, S.; Baldick, R. Topological vulnerability of power grids to disasters: Bounds, adversarial attacks and reinforcement. PLoS ONE 2018, 13, e0204815. [Google Scholar] [CrossRef] [PubMed]
  5. Mishra, S.; Kwasnik, T.; Anderson, K. Microgrid resilience: A holistic and context-aware resilience metric. Energy Syst. 2023, 14, 1081–1105. [Google Scholar] [CrossRef]
  6. Zahraoui, Y.; Korõtko, T.; Rosin, A.; Mekhilef, S.; Seyedmahmoudian, M.; Stojcevski, A.; Alhamrouni, I. AI Applications to Enhance Resilience in Power Systems and Microgrids—A Review. Sustainability 2024, 16, 4959. [Google Scholar] [CrossRef]
  7. Zhou, Y.; Zhao, Y.; Ma, Z. Resilience analysis and improvement strategy of microgrid system considering new energy connection. PLoS ONE 2024, 19, e0301910. [Google Scholar] [CrossRef] [PubMed]
  8. He, J.-H.; Lin, J.-H. Review of Microgrids to Enhance Power System Resilience. Eng. Proc. 2025, 92, 82. [Google Scholar] [CrossRef]
  9. Gao, Q.; Jiang, Y.; Peng, K.; Liu, L. A Virtual Inertia Method for Stability Control of DC Distribution Systems with Parallel Converters. Energies 2022, 15, 8581. [Google Scholar] [CrossRef]
  10. Samanta, S.; Mishra, J.P.; Roy, B.K. Virtual DC machine: An inertia emulation and control technique for a bidirectional DC–DC converter in a DC microgrid. IET Electr. Power Appl. 2018, 12, 874–884. [Google Scholar] [CrossRef]
  11. Singh, J.; Singh, S.P.; Verma, K.S.; Iqbal, A.; Kumar, B. Recent control techniques and management of AC microgrids: A critical review on issues, strategies, and future trends. Int. Trans. Electr. Energy Syst. 2021, 31, e13035. [Google Scholar] [CrossRef]
  12. Gomez-Redondo, M.; Rivera, M.; Muñoz, J.; Wheeler, P. A Systematic Literature Review on AC Microgrids. Designs 2024, 8, 77. [Google Scholar] [CrossRef]
  13. Zhou, D.; Chen, S.; Wang, H.; Guan, M.; Zhou, L.; Wu, J.; Hu, Y. Autonomous Cooperative Control for Hybrid AC/DC Microgrids Considering Multi-Energy Complementarity. Front. Energy Res. Sec. Smart Grids 2021, 9, 692026. [Google Scholar] [CrossRef]
  14. Nair, R.P.; Ponnusamy, K. Modeling and Simulation of Autonomous DC Microgrid with Variable Droop Controller. Appl. Sci. 2025, 15, 5080. [Google Scholar] [CrossRef]
  15. Yamada, H. Autonomous Decentralized Cooperative Control DC Microgrids Realized by Directly Connecting Batteries to the Baseline. Electronics 2025, 14, 1356. [Google Scholar] [CrossRef]
  16. Wei, Q.; Liu, D.; Lewis, F.L.; Liu, Y.; Zhang, J. Mixed Iterative Adaptive Dynamic Programming for Optimal Battery Energy Control in Smart Residential Microgrids. IEEE Trans. Ind. Electron. 2017, 64, 4110–4120. [Google Scholar] [CrossRef]
  17. Ali, S.; Zheng, Z.; Aillerie, M.; Sawicki, J.-P.; Péra, M.-C.; Hissel, D. A Review of DC Microgrid Energy Management Systems Dedicated to Residential Applications. Energies 2021, 14, 4308. [Google Scholar] [CrossRef]
  18. Ling, J.-M.; Mulani, F.I. Planning and optimization of a residential microgrid utilizing renewable resources and integrated energy storage. J. Energy Storage 2024, 97, 112933. [Google Scholar] [CrossRef]
  19. Monforti Ferrario, A.; Vivas, F.J.; Segura Manzano, F.; Andújar, J.M.; Bocci, E.; Martirano, L. Hydrogen vs. Battery in the Long-term Operation. A Comparative Between Energy Management Strategies for Hybrid Re-newable Microgrids. Electronics 2020, 9, 698. [Google Scholar] [CrossRef]
  20. OSI Model. Available online: https://en.wikipedia.org/wiki/OSI_model (accessed on 15 August 2025).
  21. Khan, M.Y.A.; Liu, H.; Yang, Z.; Wang, J.; Zhang, Y. Hierarchical control of microgrid: A comprehensive study. Electr. Eng. 2025, 107, 13681–13712. [Google Scholar] [CrossRef]
  22. Liu, J.; Zhuan, X.; Shang, L.; Su, S.; Xie, Q. The Hierarchical Structure and Control Signal Transmission of Microgrid Hierarchical Control: A Review. IET Power Electron. 2025, 18, e70057. [Google Scholar] [CrossRef]
  23. Liu, K.; Yamada, H.; Iwatsuki, K.; Otsuji, T. Experimental Verification and Simulation Analysis of a Battery Directly Connected DC-Microgrid System. Int. J. Electr. Electron. Eng. Telecommun. 2023, 12, 326–333. [Google Scholar] [CrossRef]
  24. Table of Contents: TCC News No. 81. Available online: https://www.jma.go.jp/jma/indexe.html (accessed on 16 August 2025).
  25. Tokyo Metropolitan Government Household Consumption Trends Survey Report. Available online: https://www.kankyo.metro.tokyo.lg.jp/documents/d/kankyo/home-energy-files-syouhidoukouzittaityousa26honpen_3 (accessed on 16 August 2025). (In Japanese).
  26. Cited from p. 41, Figure 4.5. Available online: https://www.env.go.jp/content/900449221.pdf (accessed on 15 August 2025). (In Japanese).
  27. Takusagawa, T.; Uchida, H.; Fujii, H.; Yoshimura, S. Evaluation of the influence of electric vehicles’ charging demand on power system. In Proceedings of the 32nd Annual Conference of the Japanese Society for Artificial Intelligence, 4D2-OS-18c-03, Kagoshima, Japan, 5–8 June 2018; (In Japanese) [Google Scholar] [CrossRef]
  28. Gamil, M.M.; Senjyu, T.; Masrur, H.; Takahashi, H.; Lotfy, M.E. Controlled V2Gs and battery integration into residential microgrids: Economic and environmental impacts. Energy Convers. Manag. 2022, 253, 115171. [Google Scholar] [CrossRef]
  29. Rostami, H.; Valio, J.; Tynjälä, P.; Lassi, U.; Suominen, P. Life Cycle of LiFePO4 Batteries: Production, Recycling, and Market Trends. ChemPhysChem 2024, 25, e202400459. [Google Scholar] [CrossRef]
  30. Sun, S.; Guan, T.; Cheng, X.; Zuo, P.; Gao, Y.; Du, C.; Yin, G. Accelerated aging and degradation mechanism of LiFePO4/graphite batteries cycled at high discharge rates. RSC Adv. 2018, 8, 25695. [Google Scholar] [CrossRef] [PubMed]
  31. Botejara-Antúnez, M.; Prieto-Fernández, A.; González-Domínguez, J.; Sánchez-Barroso, G.; García-Sanz-Calcedo, J. Life cycle assessment of a LiFePO4 cylindrical battery. Environ. Sci. Pollut. Res. 2024, 31, 57242–57258. [Google Scholar] [CrossRef]
  32. Wu, X.; Hu, X.; Yin, X.; Moura, S.J. Stochastic Optimal Energy Management of Smart Home With PEV Energy Storage. IEEE Trans. Smart Grid 2018, 9, 2065–2075. [Google Scholar] [CrossRef]
  33. Akarne, Y.; Essadki, A.; Nasser, T.; Laghridat, H. Modelling and control of a grid-connected AC microgrid with the integration of an electric vehicle. Clean Energy 2023, 7, 707–720. [Google Scholar] [CrossRef]
  34. Aljohani, T.M. Multilayer Iterative Stochastic Dynamic Programming for optimal Energy Management of Residential Loads with Electric Vehicles. Int. J. Energy Res. 2024, 2024, 6842580. [Google Scholar] [CrossRef]
  35. Singh, A.P.; Kumar, Y.; Sawle, Y.; Alotaibi, M.A.; Malik, H.; Marquez, F.P.G. Development of artificial Intelligence-Based adaptive vehicle to grid and grid to vehicle controller for electric vehicle charging station. Ain Shams Eng. J. 2024, 15, 102937. [Google Scholar] [CrossRef]
  36. Eldoromi, M.; Birjandi, A.A.M.; Dehkordi, N.M. Anti-windup control strategy for interlinking converters in hybrid AC/DC microgrids with EV charging stations. Electr. Power Syst. Res. 2025, 247, 111800. [Google Scholar] [CrossRef]
Figure 1. Conventional DC baseline (a) and battery-integrated DC baseline (b).
Figure 1. Conventional DC baseline (a) and battery-integrated DC baseline (b).
Energies 18 05041 g001
Figure 2. Comparison of the roles of each device between conventional DC grid (a) and battery-integrated DC grid (b).
Figure 2. Comparison of the roles of each device between conventional DC grid (a) and battery-integrated DC grid (b).
Energies 18 05041 g002
Figure 3. Electrical inertia on the baseline; (a) 6.6 kV distribution grid line; (b) 400 V DC microgrid baseline.
Figure 3. Electrical inertia on the baseline; (a) 6.6 kV distribution grid line; (b) 400 V DC microgrid baseline.
Energies 18 05041 g003
Figure 4. The need for local control to ensure the independence of each device control.
Figure 4. The need for local control to ensure the independence of each device control.
Energies 18 05041 g004
Figure 5. Daily electricity consumption pattern of a typical Japanese house.
Figure 5. Daily electricity consumption pattern of a typical Japanese house.
Energies 18 05041 g005
Figure 6. Simulation model of a DC microgrid for four houses.
Figure 6. Simulation model of a DC microgrid for four houses.
Energies 18 05041 g006
Figure 7. Annual variation and a detailed view of the January monthly variation in the power generated by the solar panel installed on each house.
Figure 7. Annual variation and a detailed view of the January monthly variation in the power generated by the solar panel installed on each house.
Energies 18 05041 g007
Figure 8. Annual variation in electricity consumption across the four households, along with a detailed view of the January variation for House 4.
Figure 8. Annual variation in electricity consumption across the four households, along with a detailed view of the January variation for House 4.
Energies 18 05041 g008
Figure 9. Annual variation in baseline voltage at each household’s connection point.
Figure 9. Annual variation in baseline voltage at each household’s connection point.
Energies 18 05041 g009
Figure 10. Annual variation in charging and discharging power of the batteries installed in each house.
Figure 10. Annual variation in charging and discharging power of the batteries installed in each house.
Energies 18 05041 g010
Figure 11. Cumulative charge/discharge current over time.
Figure 11. Cumulative charge/discharge current over time.
Energies 18 05041 g011
Figure 12. Current flowing through the baseline cables connecting the houses.
Figure 12. Current flowing through the baseline cables connecting the houses.
Energies 18 05041 g012
Figure 13. Power exchange with the utility grid.
Figure 13. Power exchange with the utility grid.
Energies 18 05041 g013
Figure 14. Cumulative power consumption, grid import, and grid export for the entire microgrid.
Figure 14. Cumulative power consumption, grid import, and grid export for the entire microgrid.
Energies 18 05041 g014
Figure 15. Annual variation in baseline voltage at each household’s connection point.
Figure 15. Annual variation in baseline voltage at each household’s connection point.
Energies 18 05041 g015
Figure 16. Annual variation in baseline voltage at each household’s connection point when EV charging times are shifted to between 2:00 and 4:00 a.m.
Figure 16. Annual variation in baseline voltage at each household’s connection point when EV charging times are shifted to between 2:00 and 4:00 a.m.
Energies 18 05041 g016
Figure 17. Cumulative charge/discharge current over time.
Figure 17. Cumulative charge/discharge current over time.
Energies 18 05041 g017
Figure 18. Cumulative energy consumption, grid import, and grid export for the entire microgrid.
Figure 18. Cumulative energy consumption, grid import, and grid export for the entire microgrid.
Energies 18 05041 g018
Table 1. Comparison of existing power grids and microgrids.
Table 1. Comparison of existing power grids and microgrids.
Existing Power GridMicrogrid
Concept of power usageTransporting electricity over long distancesLocal production and consumption
Power sourceCentralizedDistributed
Type of powerHigh-voltage ACLow-voltage DC, (AC)
Grid topologyRiver-flow (Tree)Bus, Ring, Mesh, etc.
Power flowUnidirectionalBidirectional
Control methodCentralized controlDecentralized control
ResilienceLowHigh
Introducing RES *DifficultEasy
Major consumerIndustrial, ResidentialResidential
IssueMaintenance and management of gridCost reduction in storage batteries
* Renewable energy sources.
Table 2. Layering of grid functions.
Table 2. Layering of grid functions.
Layer No.Layer NameFunctionMethods
4Application layerVarious applications that utilize gridsEMS *,
Power trading
3Power exchange layerPower exchange between grid and devices,
Connection to other grids, (droop control)
Control of DC/DC converters
2Grid forming layerBasic functions for forming and maintaining stable grid
(Electrical inertia, droop control, Equalizing power distribution, Ground fault, short circuit and lightning strike protection)
Control of DC/DC converters,
Batteries directly connected to baseline
(AC or DC,
Baseline voltage)
1Physical layerPhysical medium that enables power exchange between power devices
(Power line)
CV cable, etc.
(2-core or 3-core,
Grounding method)
* Energy management system.
Table 3. Comparison of responsible devices between conventional DC grids and battery-integrated DC grids.
Table 3. Comparison of responsible devices between conventional DC grids and battery-integrated DC grids.
Grid FunctionConventional
DC Microgrid
Battery-Integrated
DC Microgrid
Power applicationsControl of DC/DC converters
(EMS *, Electricity trading, EV charging)
Control of DC/DC converters
(EMS *, Electricity trading, EV charging)
Power exchange between grid and devicesDC/DC converters
(Maintaining power supply, Power exchange)
DC/DC converters
(Maintaining power supply, Power exchange)
Forming, maintaining and stabilizing gridDC/DC Converters
(Electrical inertia, Droop control, SoC equalization)
Distributed batteries directly connected to the baseline
(Electrical inertia, Droop control, SoC equalization)
DC-baselinePower cablePower cable
* Energy management system.
Table 4. Average monthly electricity consumption of a typical Japanese household [kWh/month].
Table 4. Average monthly electricity consumption of a typical Japanese household [kWh/month].
JanFebMarAprMayJunJulAugSepOctNovDec
429372312270260260331403324257297394
Table 5. Parameters of the simulation model.
Table 5. Parameters of the simulation model.
Solar PanelBatteryEV Charging Infrastructure
Rated Output Power (kW)Installation Efficiency (%)Capacity (kWh)Initial SoC (%)
House 15502050none
House 25502050none
House 355020505 kW
House 45502050none
Table 6. Summary of the impact of system capacity on RER, battery lifetime and grid stability.
Table 6. Summary of the impact of system capacity on RER, battery lifetime and grid stability.
Energies 18 05041 i001
Disclaimer/Publisher’s Note: The statements, opinions and data contained in all publications are solely those of the individual author(s) and contributor(s) and not of MDPI and/or the editor(s). MDPI and/or the editor(s) disclaim responsibility for any injury to people or property resulting from any ideas, methods, instructions or products referred to in the content.

Share and Cite

MDPI and ACS Style

Yamada, H. Autonomous Decentralized Cooperative Control DC Microgrid Deployed in Residential Areas. Energies 2025, 18, 5041. https://doi.org/10.3390/en18185041

AMA Style

Yamada H. Autonomous Decentralized Cooperative Control DC Microgrid Deployed in Residential Areas. Energies. 2025; 18(18):5041. https://doi.org/10.3390/en18185041

Chicago/Turabian Style

Yamada, Hirohito. 2025. "Autonomous Decentralized Cooperative Control DC Microgrid Deployed in Residential Areas" Energies 18, no. 18: 5041. https://doi.org/10.3390/en18185041

APA Style

Yamada, H. (2025). Autonomous Decentralized Cooperative Control DC Microgrid Deployed in Residential Areas. Energies, 18(18), 5041. https://doi.org/10.3390/en18185041

Note that from the first issue of 2016, this journal uses article numbers instead of page numbers. See further details here.

Article Metrics

Back to TopTop