Progress on Research and Application of Energy and Power Systems for Inland Waterway Vessels: A Case Study of the Yangtze River in China
Abstract
1. Introduction
2. Analysis of Energy and Power Forms of Inland Waterway Vessels
2.1. Overview of Energy and Power Forms
2.1.1. Power System Distribution of Vessels in the Yangtze River
2.1.2. Voyage Distance and Tonnage Distribution of Operating Vessels in the Yangtze River
2.2. Comparative Analysis of Internal Combustion Engine Power Systems for Inland Waterway Vessels
2.2.1. LNG Power Systems
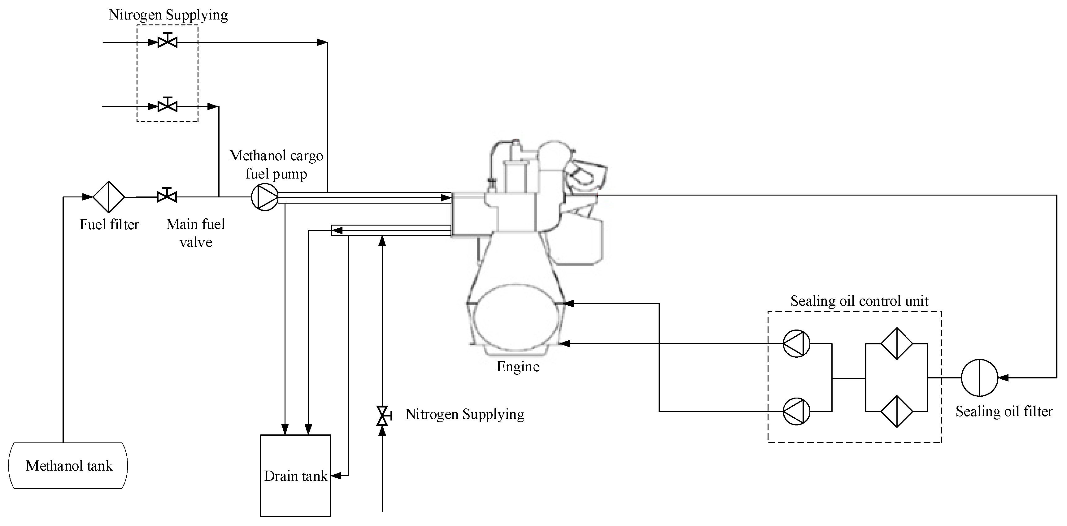
2.2.2. Methanol Power Systems
2.2.3. Ammonia Power Systems
2.2.4. Comprehensive Comparison of LNG/Methanol/Ammonia Power Systems
2.3. Analysis of Pure Electric Power Systems for Inland Waterway Vessels
2.3.1. Battery Power System
2.3.2. Fuel Cell Power Systems
2.4. Analysis of Hybrid Power Systems for Inland Waterway Vessels
2.5. Analysis of Range-Extended Power Systems for Inland Waterway Vessels
3. Analysis of Low-Carbon Transition Strategies and Application Progress for Inland Waterway Vessel Energy and Power Systems
3.1. Low-Carbon Transition Strategy for Inland Vessel Power Systems Based on Voyage Distance
3.2. Forecast of Application Progress for Inland Vessel Energy and Power Systems
4. Conclusions
- Cleaner conventional powertrains represent the core short-term decarbonization pathway. LNG power systems remain the mainstream choice for medium- and long-distance dry bulk carriers and container ships. There is an urgent need to accelerate the development of the LNG bunkering network along the main trunk of the Yangtze River, aiming for coverage exceeding 60% by 2027, and to promote the application of low-methane slip combustion technologies such as NextDF. Methanol power systems demonstrate favorable techno-economic performance for short- and medium-distance vessels. It is recommended to promote the deployment of green methanol production capacity through policy support and establish a standard system for methanol bunkering. Hybrid power systems, leveraging optimized coordination between engines and batteries, achieve significant energy consumption reductions in medium-sized cargo vessels. It is advised to prioritize the retrofitting of existing vessels with hybrid systems between 2025 and 2030, focusing initially on bulk carriers and container ships in the 500–2000 tons class. Efforts should accelerate the development of edge AI-based intelligent energy management systems and promote the standardization of equipment communication protocols to reduce energy consumption deviations under varying conditions and enhance system reliability.
- Breakthroughs in Pure electric and zero-carbon fuel technologies are pivotal for medium- to long-term emission reduction. Pure electric vessels are already commercially viable in short-distance passenger transport and port operations. The application of high-rate LFP batteries should be promptly advanced in ferries and patrol boats, supported by the construction of shore-based fast-charging and battery-swapping facilities, alongside demonstration projects for solid-state battery marine applications. For fuel cells, addressing service life and cost issues is critical. It is recommended to promote their use in high-speed passenger vessels through the scaled production of green hydrogen. As an ultimate zero-carbon solution, ammonia fuel efforts between 2025 and 2030 should focus on validating pre-chamber ignition and corrosion-resistant materials, simultaneously establishing demonstration production lines for green ammonia and pilot bunkering projects for inland waterways.
- The current low-carbon transition for inland vessels in the Yangtze River Basin requires precise power system selection tailored to voyage distance. For short-distance vessels, high-rate LFP battery packs paired with permanent magnet synchronous motor propulsion systems are recommended. Intelligent battery management can reduce idle energy consumption, meeting zero-emission requirements in ports and environmentally sensitive areas. Medium-distance vessels are better suited to methanol-battery hybrid architectures, utilizing operational switching between “electric mode at low speeds and methanol mode at high speeds”. This leverages green methanol’s lifecycle emission reduction advantages and the battery’s power compensation capability to increase the proportion of time the engine operates within its high-efficiency range. Long-distance vessels should prioritize LNG-battery hybrid systems, relying on LNG for primary endurance to meet long-range demands, supplemented by battery packs for pure electric mode in congested segments to reduce idle losses, potentially lowering CO2 emissions by 24% over the lifecycle.
- The future green transition of power systems for inland vessels in the Yangtze River Basin should follow a phased strategy, reliant on the synergistic advancement of technology development, policy support, and infrastructure construction. The period from 2025 to 2030 should be a transition phase dominated by LNG/methanol fuels and hybrid power systems, primarily leveraging existing infrastructure to achieve short-term emission reductions. The focus between 2030 and 2035 should be on scaling up the application of ammonia fuel power systems in inland vessels and commercializing solid-state batteries. Post-2035, the sector should gradually enter a zero-carbon power dominance phase, relying on mature green ammonia/green hydrogen industrial chains to achieve full lifecycle decarbonization for newly built vessels in the Yangtze River Basin. To ensure a smooth transition, it is recommended that policy measures include implementing environmental performance-based differentiated port fee systems, exploring incentive mechanisms such as carbon tax exemptions, and accelerating the establishment of a unified ship carbon accounting and monitoring platform to provide institutional support and data foundation for the transition process.
Author Contributions
Funding
Institutional Review Board Statement
Informed Consent Statement
Data Availability Statement
Conflicts of Interest
Abbreviations
| LNG | Liquefied Natural Gas |
| LBG | Liquefied Biogas |
| IMO | International Maritime Organization |
| BOG | Boil-off Gas |
| EGR | Exhaust Gas Recirculation |
| SCR | Selective Catalytic Reduction |
| PEMFC | Proton Exchange Membrane Fuel Cell |
| SOFC | Solid Oxide Fuel Cell |
| LFP | Lithium Iron Phosphate |
| NCM | Nickel-Cobalt-Manganese |
| NCA | Nickel-Cobalt-Aluminum |
| MCFC | Molten Carbonate Fuel Cell |
| AFC | Alkaline Fuel Cell |
| PAFC | Phosphoric Acid Fuel Cell |
| DMFC | Direct Methanol Fuel Cell |
| HT-PEMFC | High-Temperature Proton Exchange Membrane Fuel Cell |
| EMS | Energy Management Strategy |
| IEC | International Electrotechnical Commission |
| VSG | Variable Speed Generator |
| CCT | Carbon Cap-and-Trade scheme |
| RSB | Roundtable on Sustainable Biomaterials |
| HPDI | High-Pressure Direct Ignition |
| ISCC | International Sustainability and Carbon Certification |
| VCR | Variable Compression Ratio |
References
- Tsinghua University. Global Inland Waterway and Coastal Shipping Management and Emissions. 2023. Available online: https://www.efchina.org/Reports-zh/report-ctp-202300926-zh (accessed on 20 June 2025).
- Ministry of Transport of the People’s Republic of China (MOT). The Statistical Communique on the Development of the Transportation Industry in 2022. 2023. Available online: https://www.gov.cn/lianbo/bumen/202306/content_6887539.htm (accessed on 25 June 2025).
- Peng, X.; Ding, Y.; He, K.; Yi, W.; Luo, Z.; Laroussi, I. Decoupling dynamics: Evaluating the relationship between ship emissions and socioeconomic progress in the Yangtze River Basin from 2007 to 2022. J. Clean. Prod. 2024, 460, 142632. [Google Scholar] [CrossRef]
- Wang, Z.; Tang, H.; Wu, Z.; Ji, Y.; Han, F. Evaluating fuel cell power systems for coastal and inland waterway vessels: Technical and economic perspectives. Energy Convers. Manag. 2025, 323, 119200. [Google Scholar] [CrossRef]
- Camargo-Díaz, C.P.; Paipa-Sanabria, E.; Zapata-Cortes, J.A.; Aguirre-Restrepo, Y.; Quiñones-Bolaños, E.E. A review of economic incentives to promote decarbonization alternatives in maritime and inland waterway transport modes. Sustainability 2022, 14, 14405. [Google Scholar] [CrossRef]
- Tan, Z.; Shao, S.; Zhang, D.; Shang, W.L.; Ochieng, W.; Han, Y. Decarbonizing the inland container fleet with carbon cap-and-trade scheme. Appl. Energy 2024, 376, 124251. [Google Scholar] [CrossRef]
- Issa, M.; Ilinca, A.; Martini, F. Ship energy efficiency and maritime sector initiatives to reduce carbon emissions. Energies 2022, 15, 7910. [Google Scholar] [CrossRef]
- Palomba, G.; Scattareggia Marchese, S.; Crupi, V.; Garbatov, Y. Cost, energy efficiency and carbon footprint analysis of hybrid light-weight bulk carrier. J. Mar. Sci. Eng. 2022, 10, 957. [Google Scholar] [CrossRef]
- Wang, Z.; Wang, K.; Huang, L.; Chen, J.; Chen, W. Dynamic optimization method of ship speed based on sea condition recognition. J. Harbin Eng. Univ. 2022, 43, 488–494. [Google Scholar]
- Sebos, I. Fossil Fraction of CO2 Emissions of Biofuels. Carbon Manag. 2022, 13, 154–163. [Google Scholar] [CrossRef]
- Thiyagarajan, S.; Geo, V.E.; Martin, L.J.; Nagalingam, B. Comparative Analysis of Various Methods to Reduce CO2 Emission in a Biodiesel Fueled CI Engine. Fuel 2019, 253, 146–158. [Google Scholar] [CrossRef]
- Huuskonen, S.; Karjalainen, J.; Poikela, A.; Venäläinen, P.; Riekki, K.; Helo, P.; Kauranen, P.; Tilli, A.; Kärhä, K. Greenhouse Gas Emissions, Energy and Cost-Efficiencies Associated with Liquefied Biogas-Powered Heavy-Duty Timber Trucks in Industrial Roundwood Transportation. J. Clean. Prod. 2025, 521, 146215. [Google Scholar] [CrossRef]
- Kolodziejski, M.; Sosnowski, M. Review of Wind-Assisted Propulsion Systems in Maritime Transport. Energies 2025, 18, 897. [Google Scholar] [CrossRef]
- Kasaeian, A.; Zarkhah, N.; Dezfouli, P.A.; Samankan, S.; Yan, W.M. A Review of the Applications of Solar Photovoltaic in Marine Vessels and Ships. Appl. Energy 2025, 396, 126178. [Google Scholar] [CrossRef]
- Yan, X.; He, Y.; Fan, A. Carbon footprint prediction considering the evolution of alternative fuels and cargo: A case study of Yangtze river ships. Renew. Sustain. Energy Rev. 2023, 173, 113068. [Google Scholar] [CrossRef]
- Fan, A.; Wang, J.; He, Y.; Perčić, M.; Vladimir, N.; Yang, L. Decarbonising inland ship power system: Alternative solution and assessment method. Energy 2021, 226, 120266. [Google Scholar] [CrossRef]
- Feng, Y.; Dai, L.; Yue, M.; Hu, H.; Fang, S. Assessing the decarbonization potential of electric ships for inland waterway freight transportation. Transp. Res. D Transp. Environ. 2024, 129, 104151. [Google Scholar] [CrossRef]
- Wang, Y.; Xiao, X.; Ji, Y. A review of LCA studies on marine alternative fuels: Fuels, methodology, case studies, and recommendations. J. Mar. Sci. Eng. 2025, 13, 196. [Google Scholar] [CrossRef]
- Bei, Z.; Wang, J.; Li, Y.; Wang, H.; Li, M.; Qian, F.; Xu, W. Challenges and solutions of ship power system electrification. Energies 2024, 17, 3311. [Google Scholar] [CrossRef]
- Peng, Z.; Wang, L.; Tong, L.; Zhang, C.; Zou, H.; Tan, J. Establishment of inland ship air pollution emission inventory based on power method correction model. Sustainability 2022, 14, 11188. [Google Scholar] [CrossRef]
- Zhang, C.; Ringsberg, J.W.; Thies, F. Development of a ship performance model for power estimation of inland waterway vessels. Ocean Eng. 2023, 287, 115731. [Google Scholar] [CrossRef]
- Yan, X.; Wang, K.; Yuan, Y.; Jiang, X.; Negenborn, R.R. Energy-efficient shipping: An application of big data analysis for optimizing engine speed of inland ships considering multiple environmental factors. Ocean Eng. 2018, 169, 457–468. [Google Scholar] [CrossRef]
- China Waterborne Transport Research Institute, Ministry of Transport. Waterborne Transport Science & Technology. 2024. Available online: https://www.wti.ac.cn/wti/u/cms/www/202407/091338091mx6.pdf (accessed on 20 August 2025).
- Alizadeh, A.H.; Talley, W.K. Vessel and Voyage Determinants of Tanker Freight Rates and Contract Times. Transp. Policy 2011, 18, 665–675. [Google Scholar] [CrossRef]
- Peng, X.; Ding, Y.; Yi, W.; Laroussi, I.; He, T.; He, K.; Liu, H. The inland waterway ship emission inventory modeling: The Yangtze River case. Transp. Res. Part D Transp. Environ. 2024, 129, 104138. [Google Scholar] [CrossRef]
- Nishimuro, M. Roadmap to zero emission from international shipping. ClassNK Tech. J. 2020, 1, 13–20. [Google Scholar]
- Al-Douri, A.; Alsuhaibani, A.S.; Moore, M.; Nielsen, R.B.; El-Baz, A.A.; El-Halwagi, M.M. Greenhouse gases emissions in liquified natural gas as a marine fuel: Life cycle analysis and reduction potential. Can. J. Chem. Eng. 2022, 100, 1178–1186. [Google Scholar] [CrossRef]
- Kayä, G.; Bolat, F.Ä. Evaluation of the Turkish marine trade fleet in terms of ship sizes and main engine powers. Eurasian Econom. Stat. Empir. Econ. J. 2021, 18, 44–63. [Google Scholar]
- Li, Z.; Zhang, Z.; Fan, Y.; Li, J.; Wu, K.; Gao, Z.; Li, A.; Zhu, L.; Huang, Z. Fuel reactivity stratification assisted jet ignition for low-speed two-stroke ammonia marine engine. Int. J. Hydrogen Energy 2024, 49, 570–585. [Google Scholar] [CrossRef]
- Yang, R.; Yang, X.; Shao, X.; Zheng, H.; Zhao, N. Thermodynamic performance simulation of NH3 based chemically recuperated cycle gas turbine. J. Aerosp. Power 2024, 39, 20220993. [Google Scholar]
- Wang, H.; Sun, K.; Feng, Y.; Wang, T. Analysis of the greenhouse gas emissions characteristics of an ammonia-diesel dual fuel low-speed marine engine. Trans. CSICE 2024, 42, 385–393. [Google Scholar]
- Li, D.; Yang, H.; Xing, Y. Economic and emission assessment of LNG-fuelled ships for inland waterway transportation. Ocean Coast. Manag. 2023, 246, 106906. [Google Scholar] [CrossRef]
- Wang, D.; Liu, X.; Ni, Z.; Liu, Y. Challenges and innovation that will be brought to maritime education by the rapid development of shipping technology. Am. J. Traffic Transp. Eng. 2023, 8, 113–118. [Google Scholar] [CrossRef]
- Kuittinen, N.; Koponen, P.; Vesala, H.; Lehtoranta, K. Methane slip and other emissions from newbuild LNG engine under real-world operation of a state-of-the art cruise ship. Atmos. Environ. X 2024, 23, 100285. [Google Scholar] [CrossRef]
- Parris, D.; Spinthiropoulos, K.; Ragazou, K.; Giovou, A.; Tsanaktsidis, C. Methanol, a plugin marine fuel for green house gas reduction—A review. Energies 2024, 17, 605. [Google Scholar] [CrossRef]
- Chen, D.; Wang, T.; Yang, T.; Li, G.; Chen, Y.; Qiao, T. Effects of EGR Combined with DOC on Emission Characteristics of a Two-Stage Injected Fischer-Tropsch Diesel/Methanol Dual-Fuel Engine. Fuel 2022, 329, 125451. [Google Scholar] [CrossRef]
- Wang, P.; Long, W.; Zhao, W.; Dong, P.; Lu, M.; Wang, Y.; Tian, H.; Xiao, G.; Cui, J.; Liu, X. Combustion characteristics of methanol engine applying -HPDI with optimized pre-chamber nozzle structure under different injection and spark strategy. Energy 2024, 312, 133503. [Google Scholar] [CrossRef]
- Yin, X.; Xu, L.; Duan, H.; Wang, Y.; Wang, X.; Zeng, K.; Wang, Y. In-depth comparison of methanol port and direct injection strategies in a methanol/diesel dual fuel engine. Fuel Process. Technol. 2023, 241, 107607. [Google Scholar] [CrossRef]
- Pu, Y.H.; Dejaegere, Q.; Svensson, M.; Verhelst, S. Renewable methanol as a fuel for heavy-duty engines: A review of technologies enabling single-fuel solutions. Energies 2024, 17, 1719. [Google Scholar] [CrossRef]
- Kumar, V.; Agarwal, A.K. Material compatibility aspects and development of methanol-fueled engines. In Advanced Combustion Techniques and Engine Technologies for the Automotive Sector; Springer: Singapore, 2019; pp. 37–51. [Google Scholar]
- Li, P.; Lin, J.; Yu, Z.; Chi, Y.; Zhao, K. Feasibility study of renewable e-methanol production: A substitution pathway from blue to green. iEnergy 2024, 3, 108–114. [Google Scholar] [CrossRef]
- Tornatore, C.; Marchitto, L.; Sabia, P.; De Joannon, M. Ammonia as green fuel in internal combustion engines: State-of-the-art and future perspectives. Front. Mech. Eng. 2022, 8, 944201. [Google Scholar] [CrossRef]
- Chen, H.; Li, Y.; Jiang, X.; Du, J.; Li, Y.; Zhan, W. Experimental study on gasoline-ammonia combustion characteristics with pre-chamber jet ignition. J. Energy Inst. 2023, 111, 101429. [Google Scholar] [CrossRef]
- Zhou, X.; Li, T.; Yang, W. Ammonia-Hydrogen Engine with Single Ammonia Fuel Supply. Joule 2025, 9, 101922. [Google Scholar] [CrossRef]
- Zhang, Z.; Di, L.; Shi, L.; Yang, X.; Cheng, T.; Shi, C. Effect of liquid ammonia HPDI strategies on combustion characteristics and emission formation of ammonia-diesel dual-fuel heavy-duty engines. Fuel 2024, 367, 131450. [Google Scholar] [CrossRef]
- Hong, C.; Ji, C.; Wang, S.; Xin, G.; Wang, Z.; Meng, H.; Yang, J. An experimental study of various load control strategies for an ammonia/hydrogen dual-fuel engine with the Miller cycle. Fuel Process. Technol. 2023, 247, 107780. [Google Scholar] [CrossRef]
- Lesmana, H.; Zhang, Z.; Li, X.; Zhu, M.; Xu, W.; Zhang, D. NH3 as a transport fuel in internal combustion engines: A technical review. J. Energy Resour. Technol. 2019, 141, 070703. [Google Scholar] [CrossRef]
- Koike, M.; Suzuoki, T.; Takeuchi, T.; Homma, T.; Hariu, S.; Takeuchi, Y. Cold-start performance of an ammonia-fueled spark ignition engine with an on-board fuel reformer. Int. J. Hydrogen Energy 2021, 46, 25689–25698. [Google Scholar] [CrossRef]
- Lee, D.; Song, H.H. Development of combustion strategy for the internal combustion engine fueled by ammonia and its operating characteristics. J. Mech. Sci. Technol. 2018, 32, 1905–1925. [Google Scholar] [CrossRef]
- Ryu, K.; Zacharakis-Jutz, G.E.; Kong, S.C. Performance enhancement of ammonia-fueled engine by using dissociation catalyst for hydrogen generation. Int. J. Hydrogen Energy 2014, 39, 2390–2398. [Google Scholar] [CrossRef]
- Huang, Q.; Liu, J. Preliminary assessment of the potential for rapid combustion of pure ammonia in engine cylinders using the multiple spark ignition strategy. Int. J. Hydrogen Energy 2024, 55, 375–385. [Google Scholar] [CrossRef]
- Li, Z.; Li, S. Effects of inter-stage mixing on the NOx emission of staged ammonia combustion. Int. J. Hydrogen Energy 2022, 47, 9791–9799. [Google Scholar] [CrossRef]
- Yamashita, H.; Hayakawa, A.; Okafor, E.C.; Colson, S.; Somarathne, K.K.A.; Tsujimura, T.; Ito, S.; Uchida, M.; Kudo, T.; Kobayashi, H. Optimum primary equivalence ratio for rich-lean two-stage combustion of non-premixed ammonia/methane/air and ammonia/hydrogen/air flames in a swirling flow. Fuel 2024, 368, 131598. [Google Scholar] [CrossRef]
- Shin, J.; Park, S. Numerical analysis for optimizing combustion strategy in an ammonia-diesel dual-fuel engine. Energy Convers. Manag. 2023, 284, 116980. [Google Scholar] [CrossRef]
- Erdemir, D.; Dincer, I. A perspective on the use of ammonia as a clean fuel: Challenges and solutions. Int. J. Energy Res. 2021, 45, 4827–4834. [Google Scholar] [CrossRef]
- Cai, Y.; Wang, Z.; Tang, Y.; Xu, C.; Song, Y.; Dong, K.; Han, E.H. Corrosion fatigue behavior of cast iron in simulated combustion product solutions of ammonia and methanol fuels. Int. J. Fatigue 2025, 191, 108715. [Google Scholar] [CrossRef]
- Djermouni, M.; Ouadha, A. Thermodynamic analysis of methanol, ammonia, and hydrogen as alternative fuels in HCCI engines. Int. J. Thermofluids 2023, 19, 100372. [Google Scholar] [CrossRef]
- Zhou, X.; Li, T.; Wang, N.; Wang, X.; Chen, R.; Li, S. Pilot diesel-ignited ammonia dual fuel low-speed marine engines: A comparative analysis of ammonia premixed and high-pressure spray combustion modes with CFD simulation. Renew. Sustain. Energy Rev. 2023, 173, 113108. [Google Scholar] [CrossRef]
- Song, Q.; Tinoco, R.R.; Yang, H.; Yang, Q.; Jiang, H.; Chen, Y.; Chen, H. A comparative study on energy efficiency of the maritime supply chains for liquefied hydrogen, ammonia, methanol and natural gas. Carbon Capture Sci. Technol. 2022, 4, 100056. [Google Scholar] [CrossRef]
- Shamsul, N.S.; Kamarudin, S.K.; Rahman, N.A.; Kofli, N.T. An overview on the production of bio-methanol as potential renewable energy. Renew. Sustain. Energy Rev. 2014, 33, 578–588. [Google Scholar] [CrossRef]
- Seo, Y.; An, J.; Park, E.; Kim, J.; Cho, M.; Han, S.; Lee, J. Technical–economic analysis for ammonia ocean transportation using an ammonia-fueled carrier. Sustainability 2024, 16, 827. [Google Scholar] [CrossRef]
- Brynolf, S.; Fridell, E.; Andersson, K. Environmental assessment of marine fuels: Liquefied natural gas, liquefied biogas, methanol and bio-methanol. J. Clean. Prod. 2014, 74, 86–95. [Google Scholar] [CrossRef]
- Iribarren, D.; Calvo-Serrano, R.; Martín-Gamboa, M.; Galan-Martin, A.; Guillen-Gosalbez, G. Social Life Cycle Assessment of Green Methanol and Benchmarking against Conventional Fossil Methanol. Sci. Total Environ. 2022, 824, 153840. [Google Scholar] [CrossRef]
- Mohan, S.; Dinesha, P.; Kumar, S. NOx reduction behaviour in copper zeolite catalysts for ammonia SCR systems: A review. Chem. Eng. J. 2020, 384, 123253. [Google Scholar] [CrossRef]
- Rasul, M.J.M.A.; Kim, J. Comprehensive review and comparison on battery technologies as electric-powered source in marine applications. J. Energy Storage 2024, 88, 111509. [Google Scholar] [CrossRef]
- Zhang, Y.; Sun, L.; Ma, F.; Wu, Y.; Jiang, W.; Fu, L. Collaborative optimization of the battery capacity and sailing speed considering multiple operation factors for a battery-powered ship. World Electr. Veh. J. 2022, 13, 40. [Google Scholar] [CrossRef]
- Shammugam, S. Raw Materials and Energy Transformation Process: Analysis of Supply Bottlenecks and Implications on Metal Markets; Shaker Verlag: Aachen, Germany, 2019. [Google Scholar]
- Helgesen, H.; Henningsgard, S.; Langli, A.A. Study on Electrical Energy Storage for Ships; Technical Report; DNVGL: Høvik, Norway, 2020. [Google Scholar]
- Joshi, A.; Mishra, D.K.; Singh, R.; Zhang, J.; Ding, Y. A Comprehensive Review of Solid-State Batteries. Appl. Energy 2025, 386, 125546. [Google Scholar] [CrossRef]
- Xing, H.; Stuart, C.; Spence, S.; Chen, H. Fuel cell power systems for maritime applications: Progress and perspectives. Sustainability 2021, 13, 1213. [Google Scholar] [CrossRef]
- Wang, X.; Zhu, J.; Han, M. Industrial development status and prospects of the marine fuel cell: A review. J. Mar. Sci. Eng. 2023, 11, 238. [Google Scholar] [CrossRef]
- Corigliano, O.; Pagnotta, L.; Fragiacomo, P. On the Technology of Solid Oxide Fuel Cell (SOFC) Energy Systems for Stationary Power Generation: A Review. Sustainability 2022, 14, 15276. [Google Scholar] [CrossRef]
- Qasem, N.A.A.; Abdulrahman, G.A.Q. A Recent Comprehensive Review of Fuel Cells: History, Types, and Applications. Int. J. Energy Res. 2024, 2024, 7271748. [Google Scholar] [CrossRef]
- Peng, S. Hydrogen Fuel Cells; Springer: Singapore, 2024; pp. 143–165. [Google Scholar]
- Shaari, N.; Kamarudin, S.K.; Bahru, R.; Osman, S.H.; Md Ishak, N.A.I. Progress and Challenges: Review for Direct Liquid Fuel Cell. Int. J. Energy Res. 2021, 45, 6644–6688. [Google Scholar] [CrossRef]
- Radica, G.; Tolj, I.; Nyamsi, S.N.; Vidović, T. Performances of proton exchange membrane fuel cells in marine application. Int. J. Hydrogen Energy 2025, 142, 186–194. [Google Scholar] [CrossRef]
- DNV. DNV, HD KSOE and HD Hydrogen to Collaborate on CO2 Capture Technology for SOFCs. 2025. Available online: https://www.dnv.com/news/2025/dnv-hd-ksoe-and-hd-hydrogen-to-collaborate-on-co2-capture-technology-for-sofcs/ (accessed on 25 June 2025).
- Wang, J.; Zhou, J.; Zhao, W. Deep reinforcement learning based energy management strategy for fuel cell/battery/supercapacitor powered electric vehicle. Green Energy Intell. Transp. 2022, 1, 100028. [Google Scholar] [CrossRef]
- Łebkowski, A. Reduction of fuel consumption and pollution emissions in inland water transport by application of hybrid powertrain. Energies 2018, 11, 1981. [Google Scholar] [CrossRef]
- Roslan, S.B.; Konovessis, D.; Tay, Z.Y. Sustainable hybrid marine power systems for power management optimisation: A review. Energies 2022, 15, 9622. [Google Scholar] [CrossRef]
- Bui, T.M.N.; Dinh, T.Q.; Marco, J.; Watts, C. Development and real-time performance evaluation of energy management strategy for a dynamic positioning hybrid electric marine vessel. Electronics 2021, 10, 1280. [Google Scholar] [CrossRef]
- Geertsma, R.D.; Negenborn, R.R.; Visser, K.; Hopman, J. Design and control of hybrid power and propulsion systems for smart ships: A review of developments. Appl. Energy 2017, 194, 30–54. [Google Scholar] [CrossRef]
- Truong, H.V.A.; Do, T.C.; Dang, T.D. Enhancing efficiency in hybrid marine vessels through a multi-layer optimization energy management system. J. Mar. Sci. Eng. 2024, 12, 1295. [Google Scholar] [CrossRef]
- Zhu, Y.; Wang, H.; Liu, Y.; Lei, G.; Zhu, J. Multiport energy management system design for a 150 kW range-extended towing vessel. Appl. Sci. 2023, 13, 12933. [Google Scholar] [CrossRef]
- Yuan, Y.; Wang, J.; Yan, X.; Li, Q.; Long, T. A Review of Multi-Energy Hybrid Power System for Ships. Renew. Sustain. Energy Rev. 2020, 132, 110029. [Google Scholar] [CrossRef]
- Liu, H.; Fan, A.; Li, Y.; Bucknall, R.; Vladimir, N. Multi-Objective Hierarchical Energy Management Strategy for Fuel Cell/Battery Hybrid Power Ships. Appl. Energy 2025, 379, 124981. [Google Scholar] [CrossRef]
- Wang, Z.; Liao, P.; Long, F.; Wang, Z.; Han, F. Coordinated Optimization of Multi-Energy Systems in Sustainable Ships: Synergizing Power-to-Gas, Carbon Capture, Hydrogen Blending, and Carbon Trading Mechanisms. Int. J. Hydrogen Energy 2025, 165, 150755. [Google Scholar] [CrossRef]
- Zhou, T.; Hu, Q.; Hu, Z.; Zhen, R. An Adaptive Hyper Parameter Tuning Model for Ship Fuel Consumption Prediction under Complex Maritime Environments. J. Ocean Eng. Sci. 2022, 7, 255–263. [Google Scholar] [CrossRef]
- The Maritime Executive. World’s First Dual-Fuel LNG Battery Hybrid PCTC Delivered to UECC. Available online: https://maritime-executive.com/article/world-s-first-dual-fuel-lng-battery-hybrid-pctc-delivered-to-uecc (accessed on 28 August 2025).
- Ammar, N.R.; Seddiek, I.S. Evaluation of the environmental and economic impacts of electric propulsion systems onboard ships: Case study passenger vessel. Environ. Sci. Pollut. Res. 2021, 28, 37851–37866. [Google Scholar] [CrossRef]
- Zhou, Z.; Wu, Z.; Liu, C.; Shao, L.; Zhang, Y.; Liu, W.; Shen, H.; Yao, D.; Fan, H.; Zheng, C.; et al. The path to carbon neutral shipping: A comparative analysis of low carbon technologies. J. Environ. Sci. 2025, 159, 606–616. [Google Scholar] [CrossRef]
- Zhao, F.; Wang, Z.; Wang, D.; Han, F.; Ji, Y.; Cai, W. Top level design and evaluation of advanced low/zero carbon fuel ships power technology. Energy Rep. 2022, 8, 336–344. [Google Scholar] [CrossRef]
- Ministry of Transport of the People’s Republic of China (MOT). Layout Plan for LNG Refueling Terminals Along the Yangtze River Trunk Line, Beijing-Hangzhou Grand Canal, and Xijiang Waterway (2017–2025). 2017. Available online: https://xxgk.mot.gov.cn/2020/jigou/zhghs/202006/t20200630_3319981.html (accessed on 28 June 2025).
- ABS. Regulatory Trends and Impact, 2nd ed. Available online: https://ww2.eagle.org/en/publication-flip/regulatory-trends-impact.html (accessed on 28 June 2025).
- Methanol Institute. Renewable Methanol. Available online: https://www.methanol.org/renewable (accessed on 28 June 2025).
- Shao, T.; Zhang, S.; Zhang, C.; Gao, Y.; Sun, H.; Dou, L.; Xi, D. The strategy and route of renewable energy driven discharge plasma boosting the carbon peak and carbon neutrality. Proc. CSEE 2024, 44, 7453–7479. [Google Scholar]
- Xu, X.; Ge, C.; Zhang, B.; Ma, X.; Guo, R.; Wang, X.; Lu, X. Study on the tribological behaviors of the cylinder liner-piston ring in the ammonia-fueled engine. Friction 2025, 13, 9440974. [Google Scholar] [CrossRef]
- Jung, W.; Chang, D. Deep reinforcement learning-based energy management for liquid hydrogen-fueled hybrid electric ship propulsion system. J. Mar. Sci. Eng. 2023, 11, 2007. [Google Scholar] [CrossRef]








| Vessel Type | Power Range (kW) | Application Scenario | Dominant Power Source |
|---|---|---|---|
| Dry bulk carrier [1] | 500–2000 | Bulk cargo transportation | Diesel/LNG |
| Container vessel [1] | 500–3000 | Container cargo transportation | Diesel/LNG |
| Passenger ferries [1] | 200–1200 | Tourism and short-distance passenger transport | Diesel/Hybrid/Electric |
| Tugs [20] | 1500–4000 | Assisting large vessel berthing/convoy operations | Diesel |
| Engineering vessels [21] | 800–3000 | Waterway dredging and bridge construction | Diesel |
| Small fishing vessels/patrol crafts [22] | 50–200 | Fisheries management and maritime surveillance | Diesel/Electric |
| Voyage Type | Distance Range (km) | Average Tonnage (tons) | Vessel Types | Dominant Power Source |
|---|---|---|---|---|
| Short | <50 | <500 | Passenger ferries, patrol boats, small cargo vessels | Diesel/Hybrid/Electric |
| Medium | 50–300 | 500–2000 | Container ships, bulk carriers | Diesel/LNG |
| Long | >300 | >2000 | Bulk carriers, tankers | Diesel/LNG |
| Fuel Type | Power Output (kW) | Thermal Efficiency (%) | Energy Density (MJ/kg) |
|---|---|---|---|
| LNG [26,27] | 1000–6000 (inland waterway) | 40–45 | 50 |
| Methanol [28] | 1000–3690 (inland waterway, MAN L21/31) | 35–40 | 19.9 |
| Ammonia [29,30] | 1000–3000 (inland waterway, Wärtsilä 25 Ammonia) | 30–35 [31] | 18.6 |
| Battery Type | Energy Density (Wh/kg) | Power Density (W/kg) | Energy Efficiency (%) | Response Time | Cycle Life (Cycle) |
|---|---|---|---|---|---|
| Lead-acid batteries [66] | 30–50 | 75–300 | 80–90 | ms | 2000–4000 |
| Lithium iron phosphate batteries [67] | 90–140 | 1500–2500 | 85–95 | ms | 4000–6000 |
| Ternary lithium batteries [68] | 200–250 | 1200–3000 | 85–95 | ms | 2000–3000 |
| Solid-state Batteries [69] | 300–500 | >500 | 85–88 | ms | >2000 |
| Battery Type | Energy Density (kWh/kg) | Power Density (kW/m3) | Energy Efficiency (%) | Fuel Type | Start-Up Time | Theoretical Lifespan (h) |
|---|---|---|---|---|---|---|
| PEMFC [71] | 6.1–33 | 3.8–6.5 | 50–70 | Hydrogen | Seconds–minutes | 5000–10,000 |
| SOFC [72] | 25–40 | 0.1–1.5 | 60–65 | LNG/Methanol /Hydrogen | Hours | 8000–90,000 |
| MCFC [73] | 13.9 | 1.5–2.6 | 45–55 | LNG/Methanol /Hydrogen | Hours | ~20,000 |
| AFC [73] | 33 | ~1 | 60–70 | Hydrogen | Minutes | 5000–8000 |
| PAFC [74] | 33 | 0.8–1.9 | 55 | Hydrogen | Hours | 15,000–40,000 |
| DMFC [75] | ~0.6 | 20–30 | Methanol | Seconds–minutes | >20,000 |
| System Type | Series Configuration | Parallel Configuration | Series-Parallel Configuration |
|---|---|---|---|
| Architecture | ICE drives only the generator; stored electricity in the battery powers the motor to drive the propulsor | ICE and motor independently or jointly drive the propulsion shaft via a direct power path | Combines series and parallel architectures, with dynamic power distribution via planetary gear |
| Advantages | a. ICE runs steadily in the high-efficiency range b. Simple structure and precise control c. High technical maturity | a. High overall energy efficiency b. Reduces electric propulsion capacity needs c. Significant efficiency in high-speed cruising | a. High propulsion power b. Flexible adaptation to multiple working conditions c. High energy recovery efficiency |
| Disadvantages | a. Secondary energy conversion incurs efficiency losses b. High-power generators and propulsion motors are required to increase initial investment | a. Complex power coordination control b. Short pure electric range c. Complex mechanical structure | a. High manufacturing cost b. Difficult to maintain c. High energy loss |
| Scenarios | Short-distance, high-frequency transportation | Inland medium-range cargo transport | Long routes with complex conditions |
| Power System Type | Fuel Type/Battery Type | Major Bottlenecks | Solution Pathways | Expected Breakthrough Timeline |
|---|---|---|---|---|
| ICEs | LNG | a. High methane slip rate in existing engines b. Inadequate bunkering station coverage c. Increasingly stringent emission regulations | a. Wärtsilä’s NextDF technology reduces methane slip to 1.1% at 25% load via turbulence enhancement b. Expansion of LNG bunkering network c. Adoption of bio-LNG combined with LNG-ammonia dual-fuel retrofits | a. Commercial delivery of NextDF-equipped engines in 2025 b. 45 bunkering stations planned along Yangtze River trunk line by 2025; projected increase to 60 by 2027 [93] c. Technological iteration expected by 2030 |
| Methanol | a. Low engine efficiency b. Safety and storage/transportation challenges c. Insufficient fuel supply infrastructure | a. Application of variable compression ratio (VCR) technology b. Implementation of advanced tank technologies c. Scaling green methanol production and bunkering networks | a. VCR technology adoption is expected to reach 30% in newbuild methanol-powered vessels by 2030 b. Sandwich panel tank technology received Lloyd’s Register approval in principle adoption rate is expected to exceed 50% post-2027 IMO regulatory enforcement [94] c. Global green methanol production projected at 37.1 million tonnes annually by 2030 [95] | |
| Ammonia | a. Combustion instability under low-temperature and high-pressure conditions b. NOX emission control c. Engine material corrosion protection d. Insufficient fuel supply infrastructure | a. Prechamber ignition/plasma-assisted ignition b. Catalytic system technological breakthroughs c. Application of marine-grade anti-ammonia coatings d. Scaling ammonia production and bunkering networks | a. First ammonia engines (e.g., WinGD) is expected to be delivered in 2025; plasma ignition is expected to reach marine demonstration phase by 2030 [96] b. The N2O catalytic reactor developed by Hitachi Shipbuilding is expected to be installed on an ammonia-fueled ship in 2026, aiming at >90% N2O emission reduction c. Marine-grade anti-ammonia coatings expected to complete 5000-h full-scale validation by 2027 [97] d. The global first ammonia bunkering vessel is expected to be delivered in 2027; Green ammonia supply chain maturity with cost parity to conventional fuels projected post-2035 | |
| Pure electric power | Storage batteries | Solid-state batteries remain in demonstration phase without mass production | Suppress electrode-electrolyte interdiffusion; develop composite electrolytes | CATL/BYD are expected to achieve small-batch production by 2027; electrolyte costs are expected to decrease significantly by 2035, enabling full commercialization for inland waterway hybrid power vessels |
| Fuel cells | a. Short PEMFC lifespan b. SOFC high-temperature operation requires complex thermal management c. High green hydrogen costs | a. Develop stable catalysts/supports; implement intelligent lifespan prediction and adaptive control b. Integrate waste heat recovery; adopt phase-change material insulation to reduce cabin temperature rise c. Improve alkaline electrolyzer efficiency; advance green hydrogen commercialization | a. PEMFC lifespan is expected to reach 20,000 h by 2030 leveraging European projects b. Samsung Heavy Industries’ 174,000-ton LNG carrier with MW-scale SOFC hybrid system is expected to be delivered in 2027; full maturity is anticipated by 2035 c. Green hydrogen costs are expected to decrease significantly by 2035, achieving commercial viability | |
| Hybrid power | a. Significant EMS energy prediction deviations under variable operating conditions b. Protocol interoperability challenges in multi-device communication c. Excessive failure rates in complex sea states | a. Edge AI-based EMS achieves millisecond response via local real-time decision-making b. Joint framework development by major manufacturers c. Real-time monitoring using digital twin and AI diagnostics | a. Edge AI EMS projected to reach ±3% prediction accuracy by 2025 [98] b. Concentrated ammonia/hydrogen vessel deliveries (~2027) accelerating protocol integration c. Digital twin + AI diagnostics coverage expected during 2030–2035 | |
| Range-extended power | a. Suboptimal peak efficiency of diesel range extenders b. Immature core component supply chain | a. Implementation of Variable Speed Generators (VSG) b. Technological breakthroughs in core component | a. VSG technology is expected to exceed 95% system efficiency by 2027 b. Domestic production capability for core components expected by 2030 |
Disclaimer/Publisher’s Note: The statements, opinions and data contained in all publications are solely those of the individual author(s) and contributor(s) and not of MDPI and/or the editor(s). MDPI and/or the editor(s) disclaim responsibility for any injury to people or property resulting from any ideas, methods, instructions or products referred to in the content. |
© 2025 by the authors. Licensee MDPI, Basel, Switzerland. This article is an open access article distributed under the terms and conditions of the Creative Commons Attribution (CC BY) license (https://creativecommons.org/licenses/by/4.0/).
Share and Cite
Liu, Y.; He, Y.; Liang, J.; Cao, Y.; Liu, Z.; Song, C.; Zhu, N. Progress on Research and Application of Energy and Power Systems for Inland Waterway Vessels: A Case Study of the Yangtze River in China. Energies 2025, 18, 4636. https://doi.org/10.3390/en18174636
Liu Y, He Y, Liang J, Cao Y, Liu Z, Song C, Zhu N. Progress on Research and Application of Energy and Power Systems for Inland Waterway Vessels: A Case Study of the Yangtze River in China. Energies. 2025; 18(17):4636. https://doi.org/10.3390/en18174636
Chicago/Turabian StyleLiu, Yanqi, Yichao He, Junjie Liang, Yanlin Cao, Zhenming Liu, Chaojie Song, and Neng Zhu. 2025. "Progress on Research and Application of Energy and Power Systems for Inland Waterway Vessels: A Case Study of the Yangtze River in China" Energies 18, no. 17: 4636. https://doi.org/10.3390/en18174636
APA StyleLiu, Y., He, Y., Liang, J., Cao, Y., Liu, Z., Song, C., & Zhu, N. (2025). Progress on Research and Application of Energy and Power Systems for Inland Waterway Vessels: A Case Study of the Yangtze River in China. Energies, 18(17), 4636. https://doi.org/10.3390/en18174636
