Enhancing Electric Vehicle Battery Charging Efficiency Using an Improved Parrot Optimizer and Photovoltaic Systems
Abstract
1. Introduction
- –
- Proposal for an Improved Parrot Optimizer (IPO): We developed a new IPO algorithm that harnesses the power of the Lévy Flight, Chaos Theory, adaptive communication, as well as improved foraging and fear mechanisms to overcome local optima in control parameter tuning and even improve convergence.
- –
- Adaptive PID-PWM Voltage Control for EVs: The IPO adapts PID controller in real-time for the efficiency of voltage regulation in motors for electric vehicles, thereby improving performance in different conditions such as driving and environmental changes.
- –
- Photo-Battery Hybrid System Integration: The solar-powered EV model consists of PV panels with MPPT control and lithium-ion storage to operate sustainably and independently from the grid.
- –
- Comprehensive Performance Evaluation: A performance study was carried out through extensive MATLAB R2019b simulations under varying solar irradiance and temperature conditions, and comparison in terms of IPO performance was made against GA, PSO, PO, and IWO for validation of superior control quality as well as robustness.
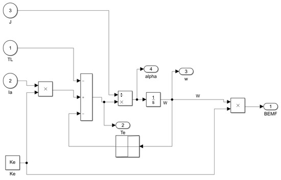
2. Physical Modeling
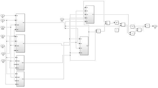
3. Photovoltaic (PV) Systems and Energy Storage Batteries
4. The Improved Parrot Optimizer (IPO)
4.1. The Original Version Conception
4.2. The Contributions on the Original Version
| Algorithm 1: Pseudo-Code for the IPO for PID Tuning |
| Input: - Population size N - Maximum iterations max_iter - Search bounds: lb (lower), ub (upper) - Objective function F (e.g., ITAE) - PID parameter space: [Kp, Ki, Kd] Output: - Optimal PID parameters: [Kp*, Ki*, Kd*] Initialize population P[i] randomly within bounds [lb, ub] for i = 1 to N Evaluate fitness of each individual using F FOR t = 1 to max_iter DO Compute population mean position (P_mean) FOR each individual P[i] in population DO • Foraging behavior: Update position using a fusion of: - Lévy Flight (for global exploration) - PSO-inspired update (for exploitation) • Communication behavior: - Apply adaptive communication based on iteration progress • Fear of strangers: - Use sigmoid-based movement to control randomness near local optima • Chaos enhancement: - Inject chaotic variable into the position to maintain diversity • Ensure bounds [lb, ub] are respected • Evaluate new fitness F(P[i]) IF F(P[i]) better than personal best THEN Update personal best ENDFOR Update global best if any P[i] improves it ENDFOR Return best PID parameters [Kp*, Ki*, Kd*] from global best |
4.3. Computational Complexity
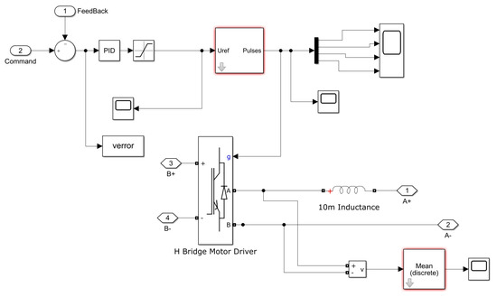
5. Control Strategy
5.1. Pulse Width Modulation (PWM) Technique
5.2. PID Controller
5.3. Integration of IPO Algorithm with PWM Control Strategy
- -
- Initialization: A population of candidate solutions is created (parrots) where each of these represents a set of PID parameters (Kp, Ki, Kd);
- -
- Fitness Evaluation: Each candidate solution’s fitness is evaluated using the objective function related to the control performance of the PWM-controlled motor;
- -
- Parrot Communication: Parrots communicate the position information (PID parameters) and move to the best point found up to that;
- -
- Search Mechanism: The IPO algorithm has a search mechanism that iteratively updates the position of the parrots and explores the solution space in search of optimal PID parameters;
- -
- Termination: The algorithm stops when a stopping condition is met, for example, a maximum number of iterations or convergence to an optimal solution.
6. Results and Discussion
6.1. System Structure
6.2. Results Analysis
6.3. Analysis of the Proposed Control Method Under Different Solar Irradiance Levels
6.4. Analysis of the Proposed Control Method Under Different Temperatures
6.5. Comparative Performance Analysis of IPO with Mainstream Optimization Algorithms
6.6. Evaluate the Proposed System by Simulating Different Operating Conditions
- (A)
- Variable solar irradiance levels
- (B)
- Temperature Variations
6.7. Discussion on Suitability of the Proposed Control Method for Wireless Charging Systems
6.8. Comparative Performance Analysis of IPO with Mainstream Optimization Algorithms
- –
- Particle Swarm Optimizer (PSO): A classic swarm-based optimizer that follows flocking behavior of birds and has a rapid convergence speed but is susceptible to local optimum in complex search spaces;
- –
- Grey Wolf Optimizer (GWO): A very recent nature-based algorithm following the hierarchy of leadership and hunting behavior of grey wolves; it is favored because of its balance of exploration and exploitation.
7. Conclusions
Author Contributions
Funding
Data Availability Statement
Conflicts of Interest
Appendix A
| Category | Parameter | Value |
|---|---|---|
| System | Air density | 1.2 kg/m3 |
| Power transmission efficiency | 90% | |
| Cross-sectional area (A) | 2.1 m2 | |
| Drag coefficient | 0.35 | |
| Coefficient of rolling friction | 0.013 | |
| Vehicle weight | 1800 kg | |
| Battery | Type | Lithium-Ion |
| Nominal voltage | 400 V | |
| Capacity | 80 kWh | |
| No. cells (series/parallel) | 96S/4P (96 cells in series, 4 parallel groups) | |
| Energy density | 250 Wh/kg | |
| Cell chemistry | NMC (Nickel Manganese Cobalt) | |
| Motor | Type | Permanent Magnet Synchronous Motor (PMSM) |
| Rated power | 150 kW | |
| Peak torque | 350 Nm | |
| Efficiency | 95% | |
| Photovoltaic System | Panel type | Monocrystalline silicon |
| Nominal power output | 5 kW | |
| Efficiency | 20% | |
| MPPT tracking algorithm | Perturb and Observe (P&O) | |
| Energy Storage | Battery management system (BMS) | Active thermal management, state-of-charge (SOC) monitoring |
| Inverter type | Bidirectional DC-AC inverter | |
| Inverter efficiency | 97% |
References
- Waseem, M.; Lakshmi, G.S.; Ahmad, M.; Suhaib, M. Energy storage technology and its impact in electric vehicle: Current progress and future outlook. Next Energy 2025, 6, 100202. [Google Scholar] [CrossRef]
- Arandian, B.; Akbari, E.; Sheykhi, E.; Hanifeh, S.; Rouhani, S.H.; Sabzalian, M.H. Intelligent Voltage Control of Electric Vehicles to Manage Power Quality Problems Using the Improved Weed Optimization Algorithm. In Metaheuristics and Optimization in Computer and Electrical Engineering: Volume 2: Hybrid and Improved Algorithms; Springer: Berlin/Heidelberg, Germany, 2023; pp. 79–116. [Google Scholar]
- He, L.; Mo, H.; Zhang, Y.; Wu, L.; Tang, J. Adaptive energy management strategy for Extended Range Electric Vehicles under complex road conditions based on RF-IGWO and MGO algorithms. Energy 2025, 328, 136500. [Google Scholar] [CrossRef]
- Christensen, K.; Ma, Z.G.; Jørgensen, B.N. A scoping review on electric vehicle charging strategies with a technical, social, and regulatory feasibility evaluation. Renew. Sustain. Energy Rev. 2025, 211, 115300. [Google Scholar] [CrossRef]
- Li, N.; Zhang, C.; Liu, Y.; Zhuo, C.; Liu, M.; Yang, J. Single-Degree-of-Freedom Hybrid Modulation Strategy and Light-Load Efficiency Optimization for Dual-Active-Bridge Converter. IEEE J. Emerg. Sel. Top. Power Electron. 2024, 12, 3936–3947. [Google Scholar] [CrossRef]
- Yu, J.-T.; Su, C.-L.; Rouhani, S.H.; Sadiq, M.; Elsisi, M. Allocation of Harmonic Voltage Limits for Offshore Wind Power Plants Grid Connection Impact Study. In Proceedings of the 2023 IEEE/IAS 59th Industrial and Commercial Power Systems Technical Conference (I&CPS), Las Vegas, NV, USA, 21–25 May 2023; IEEE: Piscataway, NJ, USA, 2023; pp. 1–9. [Google Scholar]
- Feng, J.; Yao, Y.; Liu, Z. Developing an optimal building strategy for electric vehicle charging stations: Automaker role. Environ. Dev. Sustain. 2024, 27, 12091–12151. [Google Scholar] [CrossRef]
- Wang, W.-M.; Zeng, H.-B.; Liang, J.-M.; Xiao, S.-P. Sampled-data-based load frequency control for power systems considering time delays. J. Frankl. Inst. 2025, 362, 107477. [Google Scholar] [CrossRef]
- Lu, G.; Lin, Q.; Zheng, D.; Zhang, P. Online Degradation Fault Prognosis for DC-Link Capacitors in Multistring-connected Photovoltaic Boost Converters Subject to Cable Uncertainties. IEEE J. Emerg. Sel. Top. Power Electron. 2024, 13, 1107–1117. [Google Scholar] [CrossRef]
- Morais, H. New approach for electric vehicles charging management in parking lots considering fairness rules. Electr. Power Syst. Res. 2023, 217, 109107. [Google Scholar] [CrossRef]
- Manickam, V.K.; Dhayalini, K. Hybrid optimized control of bidirectional off-board electric vehicle battery charger integrated with vehicle-to-grid. J. Energy Storage 2024, 86, 111008. [Google Scholar] [CrossRef]
- El Mezdi, K.; El Magri, A.; Bahatti, L. Advanced control and energy management algorithm for a multi-source microgrid incorporating renewable energy and electric vehicle integration. Results Eng. 2024, 23, 102642. [Google Scholar] [CrossRef]
- Nafeh, A.E.-S.A.; Omran, A.E.-F.A.; Elkholy, A.; Yousef, H.M. Optimal economical sizing of a PV-battery grid-connected system for fast charging station of electric vehicles using modified snake optimization algorithm. Results Eng. 2024, 21, 101965. [Google Scholar] [CrossRef]
- Huang, Z.; Shi, Y.; Liang, D. Risk Identification and Prioritization in China’s New Energy Vehicle Supply Chain: An Integrated Tanimoto Similarity and Fuzzy-DEMATEL Approach. IEEE Trans. Eng. Manag. 2025, 72, 1434–1439. [Google Scholar] [CrossRef]
- Jiang, M.; Zhang, Y.; Zhang, Y. Multi-depot electric bus scheduling considering operational constraint and partial charging: A case study in Shenzhen, China. Sustainability 2021, 14, 255. [Google Scholar] [CrossRef]
- Zheng, X.; Nie, Z.; Yang, J.; Li, Q.; Li, F. Research on load state prediction model of electric vehicle lithium battery based on Kalman filter algorithm. Int. J. Veh. Inf. Commun. Syst. 2024, 9, 276–291. [Google Scholar] [CrossRef]
- Ingle, K.K.; Jatoth, R.K. An Efficient JAYA Algorithm with Lévy Flight for Non-linear Channel Equalization. Expert Syst. Appl. 2019, 145, 112970. [Google Scholar] [CrossRef]
- Li, X.; Niu, P.; Liu, J. Combustion optimization of a boiler based on the chaos and Levy flight vortex search algorithm. Appl. Math. Model. 2018, 58, 3–18. [Google Scholar] [CrossRef]
- Rim, C.; Piao, S.; Li, G.; Pak, U. A niching chaos optimization algorithm for multimodal optimization. Soft Comput. 2018, 22, 621–633. [Google Scholar] [CrossRef]
- Li, N.; Cao, Y.; Liu, X.; Zhang, Y.; Wang, R.; Jiang, L.; Zhang, X.-P. An improved modulation strategy for single-phase three-level neutral-point-clamped converter in critical conduction mode. J. Mod. Power Syst. Clean Energy 2024, 12, 981–990. [Google Scholar] [CrossRef]
- Meng, Q.; He, Y.; Gao, Y.; Hussain, S.; Lu, J.; Guerrero, J.M. Bi-level four-stage optimization scheduling for Active Distribution Networks with Electric Vehicle integration using multi-mode dynamic pricing. Energy 2025, 327, 136316. [Google Scholar] [CrossRef]
- Chen, J.; Zhang, J.; Zhou, J.; Shi, G.; Jia, Y.; Wang, H.; Cai, X. Enhanced Modular Multilevel Converter with Multiple MVac Ports Based on Active Fundamental-Frequency Circulating Current Injection to Realize Full-Range Operation. IEEE Trans. Power Electron. 2024, 40, 5423–5439. [Google Scholar] [CrossRef]
- Luo, Z.; Zhao, Y.; Xiong, M.; Wei, X.; Dai, H. A self-tuning LCC/LCC system based on switch-controlled capacitors for constant-power wireless electric vehicle charging. IEEE Trans. Ind. Electron. 2022, 70, 709–720. [Google Scholar] [CrossRef]
- Zhang, Z.; Pang, H.; Georgiadis, A.; Cecati, C. Wireless power transfer—An overview. IEEE Trans. Ind. Electron. 2018, 66, 1044–1058. [Google Scholar] [CrossRef]









| Iteration Number | Kp | Ki | Kd | Mp | tr (s) | ts (s) | ITAE |
|---|---|---|---|---|---|---|---|
| 50 | 0.986 | 0.949 | 0.004 | 0 | 0.44 | 1.28 | 6.527 |
| 100 | 0.590 | 0.892 | 0.002 | 0 | 0.35 | 0.91 | 5.428 |
| 150 | 0.771 | 0.867 | 0.001 | 0.001 | 0.20 | 0.74 | 6.467 |
| Solar Irradiance (W/m2) | Settling Time (s) | Overshoot (%) | ITAE |
|---|---|---|---|
| 200 | 1.45 | 0.8 | 7.82 |
| 600 | 0.98 | 0.3 | 5.67 |
| 1000 | 0.74 | 0.1 | 4.92 |
| Temperature (°C) | Settling Time (s) | Overshoot (%) | ITAE |
|---|---|---|---|
| 15 | 1.12 | 0.5 | 6.23 |
| 25 | 0.91 | 0.2 | 5.45 |
| 45 | 1.30 | 0.7 | 6.78 |
| Algorithm | Final Best ITAE | Average ITAE | Convergence Time |
|---|---|---|---|
| Improved Parrot Optimizer (IPO) | 4.81 | 5.07 | Fast |
| Grey Wolf Optimizer (GWO) | 5.36 | 5.74 | Moderate |
| Particle Swarm Optimization (PSO) | 5.72 | 6.01 | Fast |
| Genetic Algorithm (GA) | 6.49 | 6.83 | Slow |
| Original Parrot Optimizer (PO) | 6.93 | 7.15 | Slow |
| Invasive Weed Optimization (IWO) | 6.02 | 6.45 | Moderate |
Disclaimer/Publisher’s Note: The statements, opinions and data contained in all publications are solely those of the individual author(s) and contributor(s) and not of MDPI and/or the editor(s). MDPI and/or the editor(s) disclaim responsibility for any injury to people or property resulting from any ideas, methods, instructions or products referred to in the content. |
© 2025 by the authors. Licensee MDPI, Basel, Switzerland. This article is an open access article distributed under the terms and conditions of the Creative Commons Attribution (CC BY) license (https://creativecommons.org/licenses/by/4.0/).
Share and Cite
Sheykhi, E.; Yilmaz, M. Enhancing Electric Vehicle Battery Charging Efficiency Using an Improved Parrot Optimizer and Photovoltaic Systems. Energies 2025, 18, 3808. https://doi.org/10.3390/en18143808
Sheykhi E, Yilmaz M. Enhancing Electric Vehicle Battery Charging Efficiency Using an Improved Parrot Optimizer and Photovoltaic Systems. Energies. 2025; 18(14):3808. https://doi.org/10.3390/en18143808
Chicago/Turabian StyleSheykhi, Ebrahim, and Mutlu Yilmaz. 2025. "Enhancing Electric Vehicle Battery Charging Efficiency Using an Improved Parrot Optimizer and Photovoltaic Systems" Energies 18, no. 14: 3808. https://doi.org/10.3390/en18143808
APA StyleSheykhi, E., & Yilmaz, M. (2025). Enhancing Electric Vehicle Battery Charging Efficiency Using an Improved Parrot Optimizer and Photovoltaic Systems. Energies, 18(14), 3808. https://doi.org/10.3390/en18143808

