Next Article in Journal
Assessing Fire Risks in Photovoltaic Panels: A Literature Review in the Context of Blackout Concerns
Previous Article in Journal
Energy Potential of Greenhouse Plant Residue: The Cases of Turkey and Poland
 
 
Font Type:
Arial Georgia Verdana
Font Size:
Aa Aa Aa
Line Spacing:
Column Width:
Background:
Article

Thermodynamic Analysis of Refrigerant Systems for Ethane Recovery and Helium Extraction in Medium-Pressure Natural Gas Processing

1
Petroleum Engineering School, Southwest Petroleum University, Chengdu 610500, China
2
Southwest Branch of PetroChina Engineering and Construction Company Limited, Chengdu 610041, China
*
Author to whom correspondence should be addressed.
Energies 2025, 18(13), 3406; https://doi.org/10.3390/en18133406
Submission received: 6 June 2025 / Revised: 23 June 2025 / Accepted: 26 June 2025 / Published: 28 June 2025

Abstract

Based on the medium-pressure natural gas ethane recovery and helium extraction process, this paper proposes three different refrigerant Schemes. Thermodynamic analysis and adaptability evaluation of the three Schemes were conducted using Aspen HYSYS V12 software. The ethylene–propane cascade refrigeration Scheme demonstrated superior energy efficiency in terms of comprehensive energy consumption, heat exchange performance in the cryogenic cold box, and exergy analysis. Adaptability analysis indicated that this Scheme exhibits strong tolerance to variations in feed gas temperature as well as N2 and CO2 content. The ethylene–propane cascade refrigeration process demonstrates significant energy-saving advantages and exhibits robust operational performance.

1. Introduction

Ethane serves as both an important fuel and a critical feedstock for ethylene and refrigerant production. Certain natural gas streams contain 5–10% ethane, which can replace naphtha in ethylene production, significantly reducing manufacturing costs [1]. Moreover, recovering ethane and heavier hydrocarbons (C2+) from natural gas effectively lowers the hydrocarbon dew point of pipeline gas, ensuring safe transportation.
Helium possesses unique properties, including an extremely low boiling point, high diffusivity, and excellent thermal conductivity [2]. As a strategic resource critical to national security and high-tech industries, it plays a vital role in aerospace, cryogenic superconductivity, and other advanced applications [3,4]. Economically viable helium production is generally considered feasible only from natural gas containing ≥0.3% helium [5,6,7]. In China, however, most natural gas reserves exhibit subeconomic helium concentrations. While cryogenic condensation remains the most widely adopted method for helium extraction, relying solely on low-temperature processing for standalone helium recovery often proves economically unviable. Thus, integrating the co-production of crude helium and ethane recovery enhances the overall process economics.
Pu et al. [8] proposed an integrated facility for co-producing ethane and crude helium from natural gas. This system ensures that the pipeline gas meets China’s Class I gas quality standards (particularly for high calorific value requirements) while recovering ethane and helium to enhance economic value and diversify natural gas products. Rong et al. [9] synergistically combined light hydrocarbon recovery with helium extraction, developing an innovative self-generated refrigerant + expansion refrigeration + cryogenic heat exchanger-integrated DHX (direct heat exchange)-flash helium extraction co-production process. This design effectively integrates and recovers cold energy. Zhou et al. [10] designed a flexible dual-column helium extraction process capable of co-producing nitrogen, stabilized light hydrocarbons, helium, and pipeline-quality natural gas. Homadi [11] introduced a novel integrated process for NGL (natural gas liquids) recovery, nitrogen rejection, and helium extraction. Unlike conventional NGL recovery systems, this configuration cools the feed gas in the main cryogenic heat exchanger, significantly reducing external propane refrigerant demand. Zhou Jun et al. [12] combined ethane recovery with membrane separation technology to develop a helium extraction process with co-produced ethane, achieving 20% lower energy consumption compared to standalone ethane recovery or helium extraction systems. For high-pressure feed gas applications, propane refrigeration coupled with Joule–Thomson expansion proves effective for stable operation. However, at reduced feed pressures, the limitations of pressure drop and propane refrigeration temperature levels necessitate lower-temperature refrigerants. Previous studies have extensively analyzed ethane–helium co-production processes to maximize recovery rates and minimize energy consumption. However, few investigations have systematically evaluated refrigerant selection for medium-pressure natural gas ethane–helium co-production systems.
In this study, we propose three distinct refrigerant Schemes for medium-pressure natural gas processing integrating ethane recovery with helium extraction. A comprehensive thermodynamic analysis was then conducted to systematically evaluate the performance impacts of different refrigerants on the process.
Key Innovations and Significance of This Study: (1) proposal of three distinct refrigeration Schemes for integrated ethane recovery and helium extraction processes, addressing a critical gap in medium-pressure natural gas processing; and (2) systematic thermodynamic analysis and comparative evaluation of these refrigeration configurations, employing the following processes.

2. Basic Data and Process Simulation

2.1. Basic Data

This study utilizes feed gas and control parameters from the integrated ethane recovery and helium extraction unit at China’s Sulige Natural Gas Processing Plant. The feed gas processing capacity was 1375 × 104 Nm3/d, with an inlet pressure of 4.5 MPa and inlet temperature of 16 °C. The feed gas composition is detailed in Table 1, while the basic and control parameters are specified in Table 2.

2.2. Process Simulation

2.2.1. Scheme 1: Integrated Refrigeration Process Combining Propane Refrigerant and Mixed Refrigerant

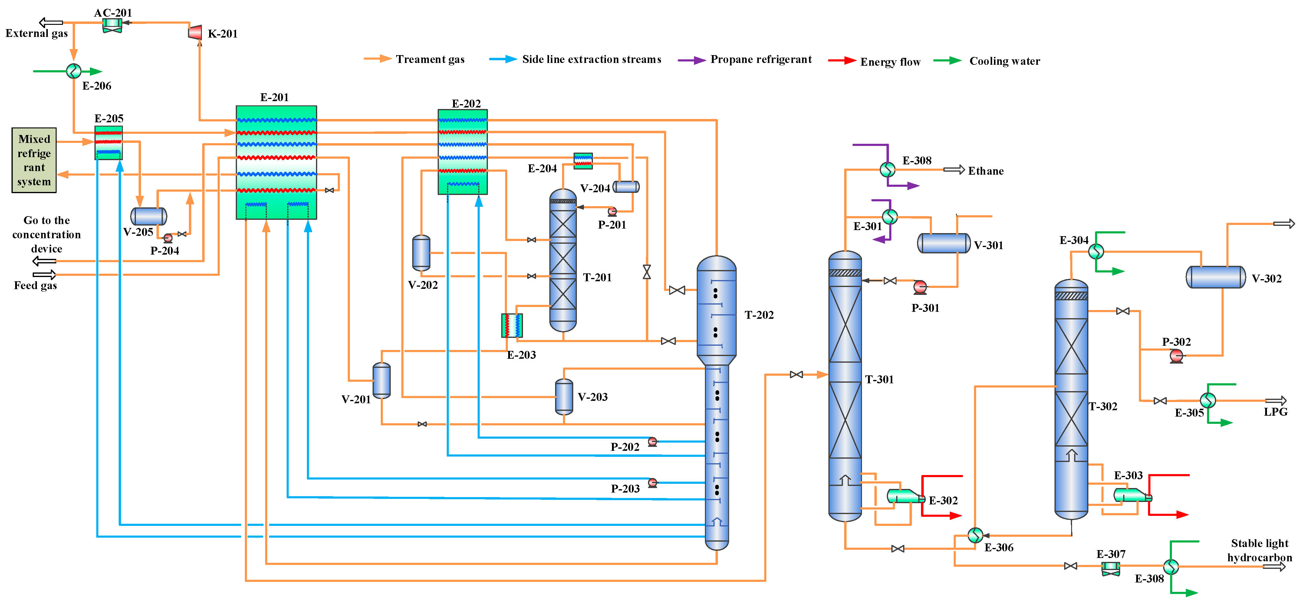
Scheme 1 consists of four components, methane, ethylene, propane, and isopentane, primarily providing refrigeration for the feed gas and recompressed export gas at a temperature level of −78.0 °C to achieve helium enrichment and ethane recovery. The propane refrigerant, composed solely of propane, operates at a temperature level of −15.1 °C, supplying cooling duty to the ethane condenser at the top of the deethanizer column to facilitate ethane reflux. The process flow diagram is illustrated in Figure 1. The feed gas is cooled to −70 °C in the primary cold box before entering the cryogenic separator. The liquid phase from the cryogenic separator is directly fed into the demethanizer, while the vapor phase supplies heat to the reboiler of the first-stage enrichment column and is subsequently cooled to −76 °C before entering the secondary separator. The liquid phase from the secondary separator is introduced into the first-stage enrichment column, whereas the vapor phase is further subcooled to −90 °C in the secondary cryogenic cold box before also entering the first-stage enrichment column. The overhead vapor from the first-stage enrichment column is rewarmed to 20 °C through the secondary and primary cryogenic cold box and then routed to the second-stage enrichment unit. The bottom liquid from the first-stage enrichment column is split into two streams: One is throttled and fed directly into the demethanizer, while the other first provides refrigeration duty for the overhead condenser before being rewarmed to −85 °C in the secondary cryogenic cold box and entering the tertiary separator. Both the vapor and liquid phases from the tertiary separator are directed to the demethanizer. The overhead vapor from the demethanizer is rewarmed via the secondary and primary cryogenic cold boxes and compressed for export pipeline delivery, with a portion recycled to the demethanizer to enhance ethane recovery efficiency. The bottom liquid from the demethanizer is sent to the deethanizer for further processing.
Scheme 1 exhibits the following characteristics:
(1)
It employs a single multi-component refrigerant, resulting in fewer refrigeration units and a simplified process flow.
(2)
The refrigerant composition can be adjusted to accommodate variations in feed gas composition and ambient conditions, thereby optimizing the refrigeration cycle.
(3)
The mixed refrigerant components can be partially or entirely extracted and replenished from the natural gas stream itself.
(4)
Determining the optimal composition ratio of the mixed refrigerant is relatively challenging, and the system exhibits higher energy consumption [13].

2.2.2. Scheme 2: Ethylene–Propane Cascade Refrigeration Process

The main process of Scheme 2 is similar to that of Scheme 1, but it differs in the refrigeration method and heat exchange mechanism of the cooling system. In Scheme 1, the heat source for the demethanizer is supplied by the hot mixed refrigerant and the return gas from the export pipeline, whereas Scheme 2 utilizes the heat from the feed gas and the return gas from the export pipeline. The cascade refrigeration system is relatively complex, consisting of a closed propane refrigerant cycle and a closed ethylene refrigerant cycle. The closed ethylene cycle provides cooling capacity to the primary cold box at a single temperature level (−69.2 °C). The closed propane cycle operates at both a high-temperature level (4.4 °C) and a low-temperature level (−32.8 °C), supplying cooling to the primary cold box and the deethanizer overhead condenser, respectively. The process flow is illustrated in Figure 2.
Scheme 2 exhibits the following characteristics:
(1)
The refrigeration temperatures at each stage closely match the cooling curve of the feed gas, minimizing entropy generation. The specific energy consumption approaches the theoretical thermodynamic efficiency limit.
(2)
Since single-component refrigerants are used, there are no blending ratio issues, ensuring stable operation.
(3)
The compressors experience minimal surging, enhancing system reliability.
(4)
Each refrigeration cycle operates autonomously, requiring multiple compressor sets and a significant number of spare parts. This results in complex piping and control systems [14].

2.2.3. Scheme 3: Pre-Compression Combined with Propane Refrigeration Process

The main process of Scheme 3 is similar to that of Scheme 2, with the key differences being that in Scheme 3, the feed gas is first pressurized to 5.9 MPa before entering the primary cold box, and only propane refrigerant is used in the primary cold box. The closed-loop propane refrigerant cycle is relatively simple, operating at only two temperature levels: a high-temperature level (4.3 °C) to provide cooling for the deethanizer overhead condenser, and a low-temperature level (−32.8 °C) to supply cooling capacity to the primary cold box for feed gas chilling. The process flow is illustrated in Figure 3.
Scheme 3 exhibits the following characteristics:
(1)
The upstream compression provides pressure energy to the feed gas, significantly reducing the energy consumption of the refrigeration system’s compressors.
(2)
The closed-loop propane refrigeration cycle features a straightforward configuration with fewer compressor units and equipment, ensuring stable operation [15].
(3)
The use of pure propane eliminates refrigerant blending complications, enhancing operational reliability.
(4)
The upstream compression stage requires substantial power input, which may lead to increased overall system energy consumption.

3. Methods

3.1. Model Validation

The feed gas for this study was sourced from China’s Sulige Natural Gas Processing Plant, which employs a mixed refrigerant (MR) system for cryogenic cooling. A comparative analysis between HYSYS simulation results and actual operating parameters is presented in Table 3.
The table demonstrates good agreement between Aspen HYSYS simulation results and actual plant data, with a 2.7% deviation in mixed refrigerant compression power. This confirms the model’s high reliability for process optimization studies.

3.2. Thermodynamic Analysis Methods

3.2.1. Process Simulation Analysis

In process simulation, the pinch point value of cold boxes is a critical parameter affecting the power consumption of refrigerant compressor units. A higher controlled pinch point requires greater hot and cold utility loads for heat exchange, resulting in reduced maximum recoverable heat and increased refrigeration demand along with compressor power consumption. Conversely, a lower pinch point improves exergy utilization efficiency but simultaneously increases the required heat transfer area of cold boxes, leading to higher capital investment costs [16]. Therefore, determining an optimal pinch point value is essential for refrigeration system simulation.
Figure 4 illustrates the variation curves of capital investment and hot utility consumption versus pinch point. The plot demonstrates that as the pinch point increases from 0.5 °C to 6.0 °C, the hot utility consumption shows a linear growth, indicating insufficient heat exchange, minimal recoverable heat, and poor exergy utilization. Meanwhile, capital costs decrease with increasing pinch point. When the pinch point falls within 3–5 °C, the equipment investment remains relatively low while maintaining acceptable hot utility consumption. Consequently, this simulation adopts a controlled pinch point temperature of 3.5 °C.

3.2.2. Comprehensive Energy Consumption Analysis

The co-production process utilizes multiple energy forms across different equipment (compressors, reboilers, etc.), each with distinct cost structures, making direct power comparisons impractical. For quantitative energy assessment, this study adopts China’s National Standard GB/T 2589-2020 “General Principles for Comprehensive Energy Consumption Calculation” to convert all energy inputs into standard coal equivalent [17]. The comprehensive energy consumption of the entire process is calculated using Equation (1):
E = i = 1 n E i × k i
where E represents the comprehensive energy consumption, n represents the number of energy types consumed, Ei represents the actual consumption of i-th energy form, and ki represents the standard coal conversion coefficient for i-th energy.
The ethane recovery and co-production helium process primarily consumes electrical energy through compressors and pumps, while the reboilers of the deethanizer and depropanizer-butizer towers require a heat source, typically supplied by thermal oil. The standard coal equivalent coefficient for electrical energy is 0.1229 kgce/(kW × h), and the standard coal equivalent coefficient for thermal oil is 1.4286 kgce/kg [17].

3.2.3. Exergy Analysis

Exergy analysis is a thermodynamic evaluation method based on the second law of thermodynamics, using exergy efficiency and exergy loss as key performance indicators. This approach not only tracks energy flow and losses but also assesses the quality of energy transformation.
For a steady-flow system, exergy consists of kinetic exergy, potential exergy, physical exergy, and chemical exergy, with the reference environment defined at 101.325 kPa and 298.15 K. In this study, the changes in kinetic and potential exergy of the material stream are negligible. Therefore, the exergy analysis of each equipment primarily focuses on physical exergy. The expressions for material stream exergy are given in Equation (2) [17,18,19].
E X = m h h 0 T 0 ( s s 0 )
where EX represents the exergy, m represents the mass flow rate of the material stream, h represents the specific enthalpy of the stream, s represents the specific entropy of the stream, and T0 represents the temperature of the stream at the reference environment state.

3.3. Adaptive Analysis Method

In the operation of a natural gas processing plant, fluctuations in feed gas conditions may occur due to practical circumstances. To ensure the stable operation of the ethane recovery and helium co-production facility, this study conducts a process adaptability analysis on key parameters of the optimized Scheme, including feed gas composition, temperature, and other critical variables.

3.3.1. Analysis Methodology for Feed Gas Temperature Adaptability

Seasonal variations can significantly impact the feed gas temperature, and differences in inlet temperature will affect the operation of cryogenic equipment such as the cold box. To evaluate the adaptability of the optimized Scheme under varying feed gas temperatures, simulation studies were conducted in winter (18 °C) and summer (30 °C) conditions.

3.3.2. Analysis Methodology for Feed Gas Composition Adaptability

The N2 concentration in the feed gas may significantly influence key process parameters and the operational stability of processing equipment. Elevated N2 levels could lead to non-compliant nitrogen content in the final LNG product from the secondary enrichment unit. To investigate the effect of feed gas N2 concentration on the process flow, a sensitivity analysis was conducted by simulating N2 concentrations ranging from 0.3 mol % to 1.1 mol % to assess process adaptability.
The demethanizer is a medium-pressure cryogenic light hydrocarbon recovery unit. Due to its low operating temperature, CO2 freezing and blockage may occur, posing significant risks to the continuous, safe, and stable operation of the unit. Moreover, as the CO2 content in the feed gas increases, the CO2 freezing phenomenon intensifies. CO2 freezing in the demethanizer restricts the operating temperature from reaching the design specifications, adversely affecting light hydrocarbon recovery efficiency and product quality, thereby reducing the project’s economic benefits. Additionally, once CO2 freezing occurs, the column pressure drop increases sharply, potentially causing upstream compressor surging and posing serious operational hazards. To investigate the CO2 freezing behavior in the demethanizer, simulation calculations were conducted at feed gas CO2 concentrations of 0.99 mol%, 1.39 mol%, and 1.79 mol%. The study analyzed the tray temperatures, vapor-phase freezing temperatures, and liquid-phase freezing temperatures across different trays of the demethanizer.

4. Results and Discussion

4.1. Comparison of Thermodynamic Analysis

4.1.1. Comparison of Process Simulation

Based on fundamental process data and control parameters, three process Schemes were simulated using Aspen HYSYS V12 software. The comparative results of key parameters for the three Schemes are presented in Table 4, while the process cold box curves are illustrated in Figure 5, Figure 6 and Figure 7.
Analysis of Table 4 shows that Scheme 2 demonstrates the lowest total compression power consumption. Although Scheme 3 features a simpler and more reliable refrigeration system with stable operation, its elevated feed gas compression energy consumption results in a total system energy demand of 29,397 kW. Scheme 1 exhibits only 876 kW higher energy consumption than Scheme 2, but it suffers from inferior feed gas adaptability due to its mixed refrigerant composition limitations.
Analysis of Figure 5, Figure 6 and Figure 7 shows that all three process Schemes maintain cold box pinch points above 3.5 °C, with well-matched hot and cold composite curves in their heat exchange networks. Scheme 2 exhibits the lowest cold box load. This is attributed to the ethylene refrigerant absorbing heat (phase change from liquid to vapor) at −70 °C for refrigeration. In Scheme 1, the mixed refrigerant is reheated from −70 °C to 20 °C, increasing the cold box load. In Scheme 3, the pre-pressurized feed gas temperature rises to 46 °C, and subsequent cooling to −62 °C in the cold box further elevates the load.
Considering both energy efficiency and heat exchange performance, Scheme 2 proves to be the optimal refrigerant configuration for the integrated ethane recovery and helium extraction facility.

4.1.2. Comparison of Comprehensive Energy Consumption

The comprehensive energy consumption of three different Schemes was calculated by using the energy consumption analysis method, and the results are shown in Figure 8.
Figure 8 presents the comprehensive energy consumption of three different process Schemes, with Scheme 2 demonstrating the lowest overall energy consumption and most significant energy-saving effect. In Scheme 1, where the refrigerant is supplied by a mixed refrigerant system, the demethanizer bottoms stream is reheated to 12 °C through the cold box. In contrast, Schemes 2 and 3 utilize the high-temperature propane from their respective propane refrigeration systems to reheat the demethanizer bottoms to 19 °C and 23 °C respectively. This temperature elevation enhances the vaporization rate of the feed entering the deethanizer, reduces the reboiler duty, and, consequently, decreases the overall energy consumption of the thermal oil system. Although Scheme 3 employs pre-boosting to 5900 kPa to reduce refrigeration power demand, this configuration leads to increased total compression power consumption, resulting in higher overall electrical energy consumption for the compressor system. From the perspective of comprehensive energy analysis, Scheme 2 proves to be more efficient and energy effective.

4.1.3. Comparison of Exergy Analysis

An exergy analysis was conducted to evaluate the exergy destruction of key equipment in the three process Schemes, with the results presented in Table 5 and Figure 9.
From Table 5 and Figure 9, it can be observed that Scheme 2 exhibits the lowest total exergy destruction, which is 8577.01 kW and 6704.52 kW lower than that of Scheme 1 and Scheme 3, respectively. Among the three Schemes, the exergy destruction of equipment such as fractionation towers, compressors, and valves shows minimal variation.
However, Scheme 2 demonstrates higher exergy destruction in heat exchangers, primarily because the refrigeration capacity of the ethylene refrigerant in the main cryogenic heat exchanger was not fully utilized by the hot streams, resulting in energy losses. In contrast, Schemes 1 and 3 exhibit significantly greater exergy destruction in air coolers. This is because Scheme 1’s mixed refrigerant refrigeration system requires additional cooling via air coolers, leading to a higher number of process air coolers. Meanwhile, Scheme 3 experiences increased exergy destruction due to pre-compression raising the feed gas temperature, which subsequently raises the outlet temperature of the export gas from the MCHE due to heat exchange balance between cold and hot streams. Consequently, the power demand of the export gas air cooler increases, contributing to higher exergy destruction. Therefore, from an exergy analysis perspective, Scheme 2 is the superior option.

4.2. Adaptability Analysis of Feed Gas

Through a comprehensive analysis of the process cryogenic heat exchanger curves, specific energy consumption, and exergy performance, Scheme 2 demonstrates superior effectiveness. To ensure stable operation of the facility, an adaptability analysis of the feed gas was conducted for Scheme 2.

4.2.1. Impact of Feed Gas Temperature Variation on Process Performance

Simulations were conducted under varying feed gas temperature conditions, and the results are presented in Table 6.
According to the analysis in Table 6, the heat exchange conditions in the cold box vary between winter and summer due to the temperature difference of the feed gas. Since the feed gas temperature is higher in summer, the cold box requires more refrigeration duty to achieve thermal equilibrium, necessitating increased refrigerant consumption during summer operation.
Although the feed gas inlet temperature differs by 10 °C between seasons, it only affects the temperature of the demethanizer overhead gas exiting the primary cold box. The total energy consumption of the unit increases by only 816 kW. Other key operating parameters, including the ethane recovery rate and helium recovery rate, remain largely unaffected. This demonstrates that the unit can operate stably in both winter and summer conditions.

4.2.2. Impact of Feed Gas Composition Variation on Process Performance

(1)
The change in N2 content
Simulation results with feed gas N2 content variation from 0.3 mol% to 1.1 mol% are presented in Table 7.
Analysis of Table 7 reveals the following findings: As the N2 content in the feed gas increases, the impact on key process parameters remains relatively minor, with the helium recovery rate and ethane recovery rate remaining essentially unchanged. However, the N2 concentration in the overhead gas of the primary enrichment column increases significantly. Concurrently, the N2 content in the LNG product rises from 0.41% to 1.2%.
To comply with LNG product specifications, the N2 content in LNG must remain below 1%. This indicates that the modified helium enrichment and ethane recovery system demonstrates strong adaptability to feed gas with N2 content below 0.9%. Beyond this threshold, additional nitrogen rejection measures may be required to maintain LNG quality standards.
(2)
The change in CO2 content
To investigate CO2 freezing characteristics in the demethanizer, simulation studies were conducted with varying feed gas CO2 concentrations (0.99 mol%, 1.39 mol%, and 1.79 mol%). The key results are presented in Table 8 and Figure 10.
As shown in Table 8 and Figure 10, the CO2 freezing temperature in the vapor phase of the demethanizer is higher than that in the liquid phase, indicating that CO2 solids are more likely to form in the vapor phase. These solids tend to accumulate on trays 6 to 9 of the column. The CO2 content in the feed gas has a minimal impact on key process parameters. However, as the CO2 concentration increases from 0.99% to 1.79%, the CO2 content in the overhead gas of the primary enrichment column also rises, reaching a maximum of 0.017%. Additionally, the compressor power in the refrigeration system increases by 1275 kW due to the higher CO2 content. This occurs because the methane content decreases as CO2 increases, reducing the flow rate of the demethanizer overhead gas and, consequently, its refrigeration capacity. When the gas passes through the primary cold box for reheating, the insufficient cooling capacity necessitates an increase in refrigerant circulation, leading to higher compressor power consumption.
The CO2 concentration increases from the top to the bottom of the demethanizer; however, the tray temperature also rises downward, reducing the likelihood of CO2 solid formation. When the CO2 content in the feed gas increases from 0.99% to 1.79%, the CO2 freezing temperature gradually approaches the tray temperature, but the tray temperature remains higher than the CO2 freezing point throughout the process. This confirms that no CO2 freezing occurs, demonstrating that the helium enrichment and ethane recovery unit can handle feed gas with CO2 content below 1.79% without freeze-up issues, indicating strong adaptability to CO2 variations.

5. Conclusions

This study proposes three different refrigerant Schemes for the mid-pressure natural gas ethane recovery and helium extraction process, conducting a thermodynamic analysis and evaluating the feed gas adaptability of the optimal Scheme. The key findings from the simulation analysis are as follows:
(1)
Comparative analysis of the three Schemes indicates that Scheme 2, the “ethylene–propane cascade refrigeration process,” demonstrates superior performance in terms of system energy consumption and heat exchange efficiency in the primary cold box. This Scheme achieves a higher feed temperature in the deethanizer compared to Scheme 1, reducing the overall energy consumption of the reboiler’s thermal oil heating. Additionally, its compressor power requirement is lower than that of Scheme 3, leading to reduced electricity consumption. The total energy consumption of Scheme 2 is 185.2 kgce and 638.5 kgce lower than that of Scheme 1 and Scheme 3, respectively, demonstrating significant energy-saving benefits.
(2)
Exergy analysis of the three Schemes reveals that Scheme 2 exhibits lower total exergy destruction compared to Scheme 1 and Scheme 3 by 8577.01 kW and 6704.52 kW, respectively. However, the primary cold box in Scheme 2 shows relatively high exergy loss, suggesting potential for optimization in subsequent studies to improve energy utilization efficiency and reduce exergy destruction.
(3)
Adaptability analysis of Scheme 2 indicates its strong robustness against variations in feed gas temperature. Fluctuations in feed gas temperature have a minimal impact on the overall process, affecting only the power requirement of the export gas compressor. To ensure LNG product quality, the process demonstrates strong adaptability when the N2 content in the feed gas remains below 0.9%. Moreover, Scheme 2 exhibits high resistance to CO2 freeze-out issues. Although CO2 concentration fluctuations may lead to increased CO2 levels in the primary enrichment tower overhead gas and crude ethane, they do not cause freeze-up problems in the column equipment.
This study investigates the thermodynamic performance of a natural gas ethane recovery and helium co-production process under medium-pressure feed gas conditions. Scheme 2, the ethylene–propane cascade refrigeration process, demonstrates lower energy consumption and superior adaptability. Future work may focus on optimizing process parameters and enhancing cold box heat exchange efficiency to further reduce energy consumption and exergy destruction.

Author Contributions

The first author, H.J., proposed the conceptual framework and methodology of this study. The second author, W.H., conducted the numerical simulations, data processing, manuscript writing, and figure preparation. The third author, X.C., provided essential data support for the research. All authors have read and agreed to the published version of the manuscript.

Funding

This research received no external funding.

Data Availability Statement

All data supporting this study are included within the manuscript.

Acknowledgments

The authors have reviewed and edited the output and take full responsibility for the content of this publication.

Conflicts of Interest

Author Xiang Cheng was employed by the company Southwest Branch of PetroChina Engineering and Construction Company Limited. The remaining authors declare that the research was conducted in the absence of any commercial or financial relationships that could be construed as a potential conflict of interest.

Abbreviations

The following abbreviations are used in this manuscript:
DHXDirect Heat Exchange
NGLNatural Gas Liquids

References

  1. Zhu, L.; Wang, D.J.; Chen, Y.C. An improved ethane recovery process combining absorption column with demethanizing column. Nat. Gas Ind. 2023, 42, 101–107. [Google Scholar]
  2. Zhu, G.Y.; Ding, Y.X. Helium extracted from natural gas. Pet. Knowl. 2021, 3, 23–25. [Google Scholar]
  3. Grynia, E.; Griffin, P.J. Helium in natural gas-occurrence and production. J. Nat. Gas Eng. 2016, 1, 163–215. [Google Scholar] [CrossRef]
  4. Liu, Y.L. Research on Simulation and Optimization of Cogeneration LNG and Natural Gas Helium Extraction Process. Master’s Thesis, Xi’an Shiyou University, Xi’an, China, 2024. [Google Scholar]
  5. Peng, J.; Zhou, J.; Liu, C.; Liu, S.; Wang, X.; Li, Z.; Wang, T.; Liang, G. Cryogenic-membrane separation process for helium extraction and ethane co-production from natural gas. Chem. Eng. Sci. 2024, 300, 120570. [Google Scholar] [CrossRef]
  6. Arash, S.; Mehdi, M. Process development and sensitivity analysis of novel integrated helium recovery from natural gas processes. Energy 2018, 154, 52–67. [Google Scholar]
  7. Xie, F.T.; Yang, D.; Chen, B.; Han, Z. Research progress on key technologies of helium extraction from natural gas. Nat. Gas Ind. 2025, 45, 155–169. [Google Scholar]
  8. Pu, L.M.; Zhou, X.; Li, L.; Li, Y.K.; Wang, C.F.; Wang, K.; Long, H.Y.; Chen, Y.Q.; Wang, Y.; Tian, J.; et al. A Recovery Device for Extracting Helium Gas by Washing Hydrocarbons from Natural Gas: China. 201720236160.5, 17 March 2017. [Google Scholar]
  9. Rong, Y.J.; Wang, C.X.; Zhao, Y.K.; Hu, C.X.; Rao, D.; Chu, L. Co-production process of light hydrocarbon recovery and helium extraction from natural gas. Nat. Gas Ind. 2021, 41, 127–135. [Google Scholar]
  10. Zhou, X.; Wang, K.; Pu, L.M.; Wang, G.; Yang, M.; Wang, G.; Chen, Y.Q.; Li, Y.K.; Chen, Y.; Tian, J.; et al. A Switchable Two-Tower Helium Extraction Device and Process for Natural Gas. 202010553342.1, 3 November 2020. [Google Scholar]
  11. Hamedi, H. An innovative integrated process for helium and NGL recovery and nitrogen removal. Cryogenics 2021, 113, 103–224. [Google Scholar] [CrossRef]
  12. Zhou, J.; Xu, D.Y.; Liang, G.C.; Wang, X.Q.; Wang, T. Economic and applicability analysis of extraction process of helium from natural gas with coproduction of ethane. Petrochem. Technol. 2023, 52, 229–236. [Google Scholar]
  13. Li, H.; Wu, X.; Gou, J.; Song, J. Thermoeconomic analysis and evaluation of single-stage mixed-refrigerant natural gas liquefaction process. Oil Gas Storage Transp. 2022, 41, 1210–1217. [Google Scholar]
  14. Chen, D.L. On Optimal Synthesis of Cascade Refrigeration Systems in Ethylene Plant. Ph.D. Thesis, Tianjin University, Tianjin, China, 2023. [Google Scholar]
  15. Chen, Y.T.; Li, H.; Tao, Y.L.; Zhao, J.Y.; Chen, P. Application benefit of propane refrigeration system in low natural gas capacity. Refin. Chem. Ind. 2023, 01, 014. [Google Scholar]
  16. Liu, B.C.; Liu, Q.S.; Jiang, H. Improvement of heat integration process for ethane recovery unit. Chem. Eng. Oil Gas 2025, 54, 55–62. [Google Scholar]
  17. GB/T 2589-2020[S]; Genera Lrules for Calculation of the Comprehensive Energy Consumption. Standards Press of China: Beijing, China, 2020.
  18. Wang, J.; Zhang, X.W.; Yang, L.J. Energy consumption analysis and new process of CO2 compression liquefaction based on exergy analysis. J. China Coal Soc. 2023, 48, 4213–4223. [Google Scholar]
  19. Jiang, H.; Chen, Y.C.; Cheng, X.; Yang, T.L.; Zhu, M.X. Exergy analysis and optimization of helium extraction and LNG production by cryogenic process. Chem. Eng. 2023, 51, 78–83+88. [Google Scholar]
Figure 1. Main process flow of combined propane and mixed refrigerant refrigeration system. E-201—primary cold box; E-202—secondary cold box; E-203—first-stage enrichment column bottom heat exchanger; E-204—first-stage enrichment column top condenser; E-205—demethanizer column bottom heat exchanger; E-206, E-304, E-305, and E-308—water coolers; E-301—propane evaporator; E-302—deethanizer column reboiler; E-303—liquefied petroleum gas column reboiler; E-306 and E-308—shell-and-tube heat exchangers; AC-201 and AC-307—air coolers; T-201—helium first-stage enrichment column; T-202—demethanizer column; T-301—deethanizer column; T-302—LPG column; K-201—export gas compressor; V-201, V-202, V-203, V-204, V-205, V-301, and V-302—separators; P-201, P-202, P-203, P-204, P-301, and P-302—pumps.
Figure 1. Main process flow of combined propane and mixed refrigerant refrigeration system. E-201—primary cold box; E-202—secondary cold box; E-203—first-stage enrichment column bottom heat exchanger; E-204—first-stage enrichment column top condenser; E-205—demethanizer column bottom heat exchanger; E-206, E-304, E-305, and E-308—water coolers; E-301—propane evaporator; E-302—deethanizer column reboiler; E-303—liquefied petroleum gas column reboiler; E-306 and E-308—shell-and-tube heat exchangers; AC-201 and AC-307—air coolers; T-201—helium first-stage enrichment column; T-202—demethanizer column; T-301—deethanizer column; T-302—LPG column; K-201—export gas compressor; V-201, V-202, V-203, V-204, V-205, V-301, and V-302—separators; P-201, P-202, P-203, P-204, P-301, and P-302—pumps.
Energies 18 03406 g001
Figure 2. Main process flow of ethylene -propane cascade refrigeration. E-201—primary cold box; E-202—secondary cold box; E-203—primary enrichment column bottom exchanger; E-204—primary enrichment column overhead condenser; E-205—demethanizer bottom exchanger; E-301—propane evaporator; E-302—deethanizer reboiler; E-303—LPG column reboiler; E-304 and E-308—water coolers;AC-201 and AC-202—air coolers; E-306—shell-and-tube heat exchanger;T-201—helium primary enrichment column; T-202—demethanizer; T-301—deethanizer; T-302—LPG column; K-201—export gas compressor;V-201, V-202, V-203, V-204, V-301, and V-302—separators; P-201, P-202, P-203, P-301, and P-302—pumps.
Figure 2. Main process flow of ethylene -propane cascade refrigeration. E-201—primary cold box; E-202—secondary cold box; E-203—primary enrichment column bottom exchanger; E-204—primary enrichment column overhead condenser; E-205—demethanizer bottom exchanger; E-301—propane evaporator; E-302—deethanizer reboiler; E-303—LPG column reboiler; E-304 and E-308—water coolers;AC-201 and AC-202—air coolers; E-306—shell-and-tube heat exchanger;T-201—helium primary enrichment column; T-202—demethanizer; T-301—deethanizer; T-302—LPG column; K-201—export gas compressor;V-201, V-202, V-203, V-204, V-301, and V-302—separators; P-201, P-202, P-203, P-301, and P-302—pumps.
Energies 18 03406 g002
Figure 3. Main process flow of pre-compression combined with propane refrigeration. E-201—primary cold box; E-202—secondary cold box; E-203—primary enrichment column bottom exchanger; E-204—primary enrichment column overhead condenser; E-205—demethanizer bottom exchanger; E-206 and E-306—shell-and-tube heat exchangers; E-301—propane evaporator; E-302—deethanizer reboiler; E-303—LPG column reboiler; E-304, E-305, and E-308—water coolers; AC-20 and AC-301—air coolers; T-201—helium primary enrichment column; T-202—demethanizer; T-301—deethanizer; T-302—LPG column; K-201—feed gas booster compressor; K-202—export gas compressor; V-201, V-202, V-203, V-204, V-301, and V-302—separators; P-201, P-202, P-203, P-301, and P-302—pumps.
Figure 3. Main process flow of pre-compression combined with propane refrigeration. E-201—primary cold box; E-202—secondary cold box; E-203—primary enrichment column bottom exchanger; E-204—primary enrichment column overhead condenser; E-205—demethanizer bottom exchanger; E-206 and E-306—shell-and-tube heat exchangers; E-301—propane evaporator; E-302—deethanizer reboiler; E-303—LPG column reboiler; E-304, E-305, and E-308—water coolers; AC-20 and AC-301—air coolers; T-201—helium primary enrichment column; T-202—demethanizer; T-301—deethanizer; T-302—LPG column; K-201—feed gas booster compressor; K-202—export gas compressor; V-201, V-202, V-203, V-204, V-301, and V-302—separators; P-201, P-202, P-203, P-301, and P-302—pumps.
Energies 18 03406 g003
Figure 4. The variation curves of investment cost and heat utility consumption with the pinch point.
Figure 4. The variation curves of investment cost and heat utility consumption with the pinch point.
Energies 18 03406 g004
Figure 5. Process Scheme 1: primary cold box curve. (a) Temperature differential curves. (b) Heat exchange curves.
Figure 5. Process Scheme 1: primary cold box curve. (a) Temperature differential curves. (b) Heat exchange curves.
Energies 18 03406 g005
Figure 6. Process Scheme 2: primary cold box curve. (a) Temperature differential curves. (b) Heat exchange curves.
Figure 6. Process Scheme 2: primary cold box curve. (a) Temperature differential curves. (b) Heat exchange curves.
Energies 18 03406 g006
Figure 7. Process Scheme 3: primary cold box curve. (a) Temperature differential curves. (b) Heat exchange curves.
Figure 7. Process Scheme 3: primary cold box curve. (a) Temperature differential curves. (b) Heat exchange curves.
Energies 18 03406 g007
Figure 8. A comparison chart of comprehensive energy consumption among the three Schemes.
Figure 8. A comparison chart of comprehensive energy consumption among the three Schemes.
Energies 18 03406 g008
Figure 9. Exergy destruction of each device.
Figure 9. Exergy destruction of each device.
Energies 18 03406 g009
Figure 10. CO2 freeze-out curves in demethanizer for varied feed gas compositions (a) CO2 Freeze-out curve in demethanizer at 0.99 mol% feed concentration (b) CO2 freeze-out curve in demethanizer at 1.39 mol% feed concentration (c) CO2 freeze-out curve in demethanizer at 1.79 mol% feed concentration.
Figure 10. CO2 freeze-out curves in demethanizer for varied feed gas compositions (a) CO2 Freeze-out curve in demethanizer at 0.99 mol% feed concentration (b) CO2 freeze-out curve in demethanizer at 1.39 mol% feed concentration (c) CO2 freeze-out curve in demethanizer at 1.79 mol% feed concentration.
Energies 18 03406 g010
Table 1. Composition of feed gas.
Table 1. Composition of feed gas.
ComponentsContent/mol%
H20.0157
He0.0409
N20.5073
H2S0.0002
CH493.5174
C2H63.8631
C3H80.6710
i-C4H100.1185
n-C4H100.1159
i-C5H120.0540
n-C5H120.0222
C60.0411
C70.0227
C80.0038
Table 2. Basic and control parameters.
Table 2. Basic and control parameters.
Parameters
Basic parameters
Simulation toolsAspen HYSYS V12
Property packagesPeng–Robinson
Enthalpy–entropy modelLee–Kesler
Compressor modelsCentrifugal
Helium first-stage enrichment column,
Deethanizer column, LPG column
Packed
Demethanizer columnPlate
The process is steady state, disregardingkinetic and potential energy
Control parameter
External gas outlet pressure/MPa5.8
Adiabatic efficiency of the compressor/pump/%75
Outlet temperature of the air cooler/°C50
Outlet temperature of cooling water/°C38
Ethane recovery rate/%95
Ambient temperature/°C25
Ambient pressure/kPa101.325
Table 3. Comparison of simulation parameters and operating parameters.
Table 3. Comparison of simulation parameters and operating parameters.
ParametersSimulation DataOperating Data
Primary cryogenic separatorTemperature/°C−70
Pressure/kPa4340
Secondary cryogenic separatorTemperature/°C−76.3
Pressure/kPa4400
Primary enrichment columnBottom temperature/°C−92.1−90.2
Operating pressure/kPa37403740
Helium concentration/mol%0.89320.7812
CO2 concentration/mol%0.00250.0023
DemethanizerTop temperature/°C−99.1−98.6
Operating pressure/kPa26802680
Refrigeration system power/kW81777962
Table 4. Comparison of key parameters for three process Schemes.
Table 4. Comparison of key parameters for three process Schemes.
ParametersScheme 1Scheme 2Scheme 3
Primary cryogenic separatorTemperature/°C−70−70−62
Pressure/kPa434043405850
Secondary cryogenic separatorTemperature/°C−76.9−76.8−67.3
Pressure/kPa429042905800
Primary enrichment columnBottom temperature/°C−86.7−86.2−83.9
Top temperature/°C−92−91.3−91.2
Operating pressure/kPa374038004000
Helium concentration factor22.0421.8521.83
Bottom liquid split ratio/%0.750.750.75
DemethanizerBottom temperature/°C6.36.37.8
Top temperature/°C−98−98−96.9
Operating pressure/kPa270027002800
Reboiler duty/kW339934193762
Reflux ratio/%111011
Export gas flow rate/104 m3/d138.5138.5168.6
Ethane recovery rate/%959594
Ethane production/104 m3/d13.413.513.3
LPG production/t/d508495504
Stabilized light hydrocarbon production/t/d166166166
Mixed refrigerant circulation/kgmol/h2800//
Propane refrigerant circulation/kgmol/h98022151331
Ethylene refrigerant circulation/kgmol/h/1366/
Feed gas compressor power/kW//6810
Refrigeration system power/kW510147541886
Export compressor power/kW20,00619,47720,701
Total power consumption/kW25,10724,23129,397
Table 5. Exergy loss calculation results of the equipment.
Table 5. Exergy loss calculation results of the equipment.
ParametersScheme 1Scheme 2Scheme 3
Exergy destruction of the heat exchanger/kW5113.498826.277034.01
Exergy destruction of the column/kW16,129.9214,810.913,985.69
Exergy destruction of the compressor/kW5451.725196.896498.29
Exergy destruction of the valve/kW2700.532902.392690.57
Exergy destruction of the air cooler/kW20,684.039766.2317,998.64
Total exergy destruction/kW50,079.6941,502.6848,207.20
Table 6. Parameters of temperature for different feed gas.
Table 6. Parameters of temperature for different feed gas.
Parameters
Feed gasTemperature/°C30.018.8
Pressure/kPa44404440
Export gas outlet temperature/°C20.07.8
Primary cryogenic load/kW40,98339,901
Export gas compression power/kW20,01019,477
Refrigeration system compression power, kW50374754
Total compression power, kW25,04724,231
Helium recovery rate, %98.3298.32
Ethane recovery rate, %95.0195.01
Table 7. Impact of N2 content in feed gas on process performance.
Table 7. Impact of N2 content in feed gas on process performance.
ParametersThe N2 Content of the Feed Gas/mol%
0.30.50.70.91.1
Primary cryogenic separate temperature, °C−70.0−70.0−70.0−70.0−70.0
Primary enrichment columnBottom split ratio/%7575757575
Top pressure/kPa38003800380038003800
Top temperature/°C−91.3−91.3−91.9−92.5−93.2
Bottom temperature/°C−86.2−86.2−86.3−86.5−86.7
DemethanizerTop pressure/kPa27002700270027002700
Top temperature/°C−98.0−98.0−98.1−98.2−98.2
Bottom temperature/°C6.26.26.16.16.1
N2 concentration/mol%3.18023.18024.46705.86517.2393
The N2 content in LNG/mol%0.41060.64880.85151.00001.2282
Helium loss/kg/h0.5590.5590.5240.4800.468
Export gas compression power/kW19,99520,00620,01520,00120,011
Refrigeration compression power/kW44214421442144214421
Total compression power/kW24,41624,42724,43624,42224,432
Helium recovery rate/%98.3298.3298.4298.5298.56
Ethane recovery rate/%95.0195.0195.0295.0495.05
Table 8. Impact of CO2 content in feed gas on process performance.
Table 8. Impact of CO2 content in feed gas on process performance.
ParametersThe CO2 Content of the Feed Gas/mol%
0.991.391.79
Primary cryogenic separate temperature, °C−70.0−70.0−70.0
Primary enrichment columnBottom split ratio/%757575
Top pressure/kPa380038003800
Top temperature/°C−91.3−91.3−91.3
Bottom temperature/°C−86.2−86.0−85.9
DemethanizerTop pressure/kPa270027002700
Top temperature/°C−98.1−97.9−97.7
Bottom temperature/°C5.62.50
N2 concentration/mol%3.18023.17923.1761
The CO2 concentration in the overhead gas of the distillation column/mol%0.00940.01320.0170
Helium loss/kg/h0.5590.5290.504
Export gas compression power/kW20,00619,43519,398
Refrigeration compression power/kW442153295696
Total compression power/kW24,42724,76425,094
Helium recovery rate/%98.3298.3698.37
Ethane recovery rate/%95.0095.0295.03
Disclaimer/Publisher’s Note: The statements, opinions and data contained in all publications are solely those of the individual author(s) and contributor(s) and not of MDPI and/or the editor(s). MDPI and/or the editor(s) disclaim responsibility for any injury to people or property resulting from any ideas, methods, instructions or products referred to in the content.

Share and Cite

MDPI and ACS Style

Jiang, H.; Huang, W.; Cheng, X. Thermodynamic Analysis of Refrigerant Systems for Ethane Recovery and Helium Extraction in Medium-Pressure Natural Gas Processing. Energies 2025, 18, 3406. https://doi.org/10.3390/en18133406

AMA Style

Jiang H, Huang W, Cheng X. Thermodynamic Analysis of Refrigerant Systems for Ethane Recovery and Helium Extraction in Medium-Pressure Natural Gas Processing. Energies. 2025; 18(13):3406. https://doi.org/10.3390/en18133406

Chicago/Turabian Style

Jiang, Hong, Wentang Huang, and Xiang Cheng. 2025. "Thermodynamic Analysis of Refrigerant Systems for Ethane Recovery and Helium Extraction in Medium-Pressure Natural Gas Processing" Energies 18, no. 13: 3406. https://doi.org/10.3390/en18133406

APA Style

Jiang, H., Huang, W., & Cheng, X. (2025). Thermodynamic Analysis of Refrigerant Systems for Ethane Recovery and Helium Extraction in Medium-Pressure Natural Gas Processing. Energies, 18(13), 3406. https://doi.org/10.3390/en18133406

Note that from the first issue of 2016, this journal uses article numbers instead of page numbers. See further details here.

Article Metrics

Back to TopTop