Modular-Multi-Port-Converter-Based Battery Energy Storage System with Integrated Battery Management Functions
Abstract
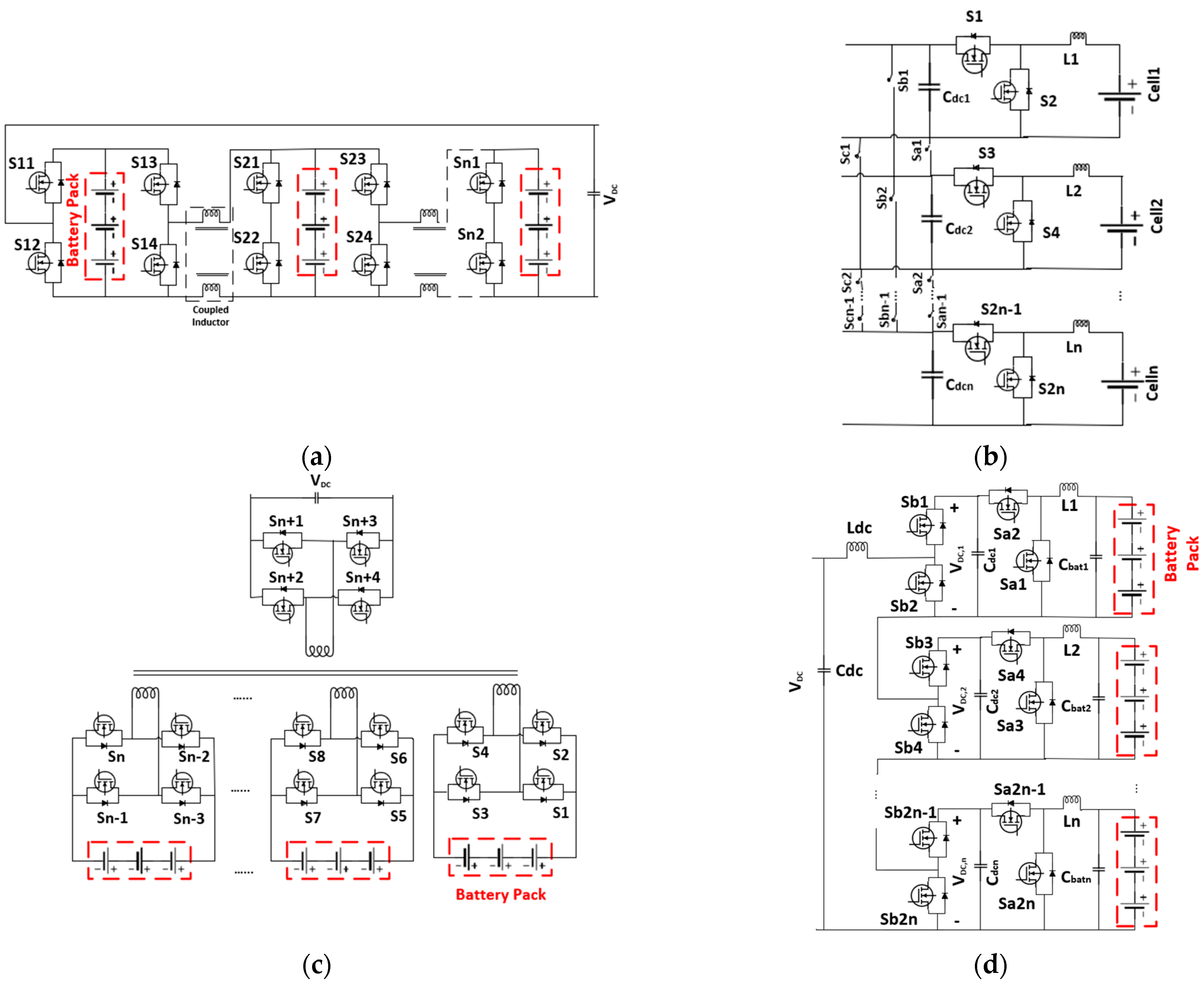
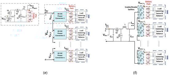
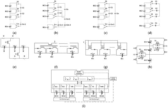
1. Introduction
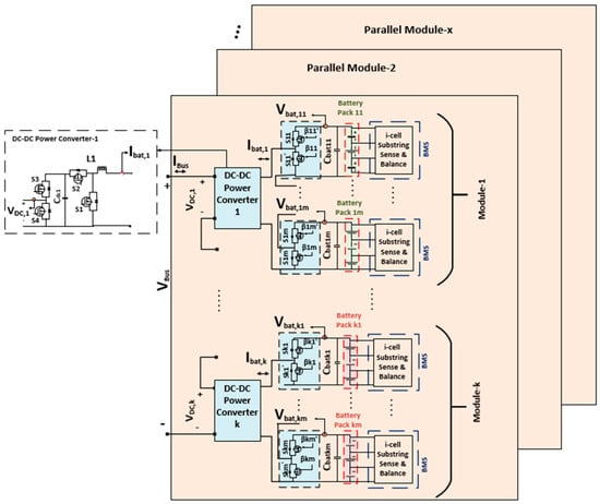
2. Proposed Modular-Multi-Port-Converter-Based BESS
2.1. System Description
2.2. Proposed Power Sharing Controller for the MMPC-Based BESS
3. Comparison
3.1. Number of Components and Their Ratings
3.2. Reliability
4. Experimental Results
4.1. Discharging Mode
4.2. Charging Mode
5. Conclusions
Author Contributions
Funding
Data Availability Statement
Conflicts of Interest
Abbreviations and Symbols
| Abbreviations | |
| BESS | Battery energy storage system |
| BMS | Battery management system |
| SoC | State of charge |
| B2B | Back-to-back |
| SoH | State of health |
| MMPC | Modular multi-port converter |
| PV | Photovoltaic |
| SC | Switched capacitor |
| DC–DC | Direct Current–Direct Current |
| NaS | Sodium sulfur |
| NMC | Nickel manganese cobalt |
| NiMH | Nickel metal hybrid |
| LiFePO4 | Lithium iron phosphate |
| List of Symbols | |
| Vbat,x | Active battery packs’ voltage inside module-x |
| Vbat,tot | System total battery pack voltages |
| VDC,x | DC bus side voltage of module-x |
| VDC,refx | Reference DC bus side voltage of module-x |
| VBus | DC bus voltage |
| SoCavg,x | Average SoC of active battery packs inside module-x |
| SoCavg | System overall average SoC |
| n | Number of converters |
| m | Number of ports |
| αV | Voltage correction value |
| β | Bypass command |
| Pmax | Maximum power |
| Vbal | Balancing voltage |
| Ibat | Battery current |
| N | Number of components |
| ΠQ | Nickel manganese cobalt |
| λG | Failure rate |
| R | Reliability |
References
- Merrington, S.; Khezri, R.; Mahmoudi, A. Optimal sizing of grid-connected rooftop photovoltaic and battery energy storage for houses with electric vehicle. IET Smart Grid 2023, 6, 297–311. [Google Scholar] [CrossRef]
- Li, Y.; Li, H.; Miao, R.; Qi, H.; Zhang, Y. Energy–Environment–Economy (3E) Analysis of the Performance of Introducing Photovoltaic and Energy Storage Systems into Residential Buildings: A Case Study in Shenzhen, China. Sustainability 2023, 15, 9007. [Google Scholar] [CrossRef]
- Alcaide-Godinez, I.; Bai, F.; Saha, T.K.; Memisevic, R. Contingency Reserve Evaluation for Fast Frequency Response of Multiple Battery Energy Storage Systems in a Large-scale Power Grid. CSEE J. Power Energy Syst. 2023, 9, 873–883. [Google Scholar] [CrossRef]
- Mohamed, A.A.R.; Best, R.J.; Liu, X.; Morrow, D.J.; Pollock, J.; Cupples, A. Stacking Battery Energy Storage Revenues in Future Distribution Networks. IEEE Access 2022, 10, 35026–35039. [Google Scholar] [CrossRef]
- Wehner, J.; Mohler, D.; Gibson, S.; Clanin, J.; Faris, D.; Hooker, K.; Rowand, M. Technology Performance Report: Duke Energy Notrees Wind Storage Demonstration Project; Duke Energy Renewables: Charlotte, NC, USA, 2015. [Google Scholar]
- Trivić, B.; Savić, A. Optimal Allocation and Sizing of BESS in a Distribution Network with High PV Production Using NSGA-II and LP Optimization Methods. Energies 2025, 18, 1076. [Google Scholar] [CrossRef]
- Sasi Bhushan, M.A.; Sudhakaran, M.; Dasarathan, S.; Mariappane, E. Integration of a Heterogeneous Battery Energy Storage System into the Puducherry Smart Grid with Time-Varying Loads. Energies 2025, 18, 428. [Google Scholar] [CrossRef]
- Rauf, A.M.; Abdel-Monem, M.; Geury, T.; Hegazy, O. A Review on Multilevel Converters for Efficient Integration of Battery Systems in Stationary Applications. Energies 2023, 16, 4133. [Google Scholar] [CrossRef]
- Wu, G.; Lu, R.; Zhu, C.; Chan, C.C. State of charge Estimation for NiMH Battery based on electromotive force method. In Proceedings of the 2008 IEEE Vehicle Power and Propulsion Conference, Harbin, China, 3–5 September 2008; pp. 1–5. [Google Scholar] [CrossRef]
- Thingvad, M.; Calearo, L.; Thingvad, A.; Viskinde, R.; Marinelli, M. Characterization of NMC Lithium-ion Battery Degradation for Improved Online State Estimation. In Proceedings of the 2020 55th International Universities Power Engineering Conference (UPEC), Turin, Italy, 1–4 September 2020; pp. 1–6. [Google Scholar] [CrossRef]
- Wan, G.; Zhang, Q.; Li, M.; Li, S.; Fu, Z.; Liu, J.; Li, G. Improved Battery Balancing Control Strategy for Reconfigurable Converter Systems. Energies 2023, 16, 5619. [Google Scholar] [CrossRef]
- Song, H.; Chen, H.; Wang, Y.; Sun, X.-E. An Overview About Second-Life Battery Utilization for Energy Storage: Key Challenges and Solutions. Energies 2024, 17, 6163. [Google Scholar] [CrossRef]
- Wang, Y.; Yin, H.; Han, S.; Alsabbagh, A.; Ma, C. A novel switched capacitor circuit for battery cell balancing speed improvement. In Proceedings of the 2017 IEEE 26th International Symposium on Industrial Electronics (ISIE), Edinburgh, UK, 19–21 June 2017; pp. 1977–1982. [Google Scholar] [CrossRef]
- Baughman, A.C.; Ferdowsi, M. Double-Tiered Switched-Capacitor Battery Charge Equalization Technique. IEEE Trans. Ind. Electron. 2008, 55, 2277–2285. [Google Scholar] [CrossRef]
- Kim, M.Y.; Kim, C.H.; Kim, J.H.; Moon, G.W. A Chain Structure of Switched Capacitor for Improved Cell Balancing Speed of Lithium-Ion Batteries. IEEE Trans. Ind. Electron. 2014, 61, 3989–3999. [Google Scholar] [CrossRef]
- Ye, Y.; Cheng, K.W.E.; Fong, Y.C.; Xue, X.; Lin, J. Topology, Modeling, and Design of Switched-Capacitor-Based Cell Balancing Systems and Their Balancing Exploration. IEEE Trans. Power Electron. 2017, 32, 4444–4454. [Google Scholar] [CrossRef]
- Yildirim, B.; Elgendy, M.; Smith, A.; Pickert, V. Evaluation and Comparison of Battery Cell Balancing Methods. In Proceedings of the 2019 IEEE PES Innovative Smart Grid Technologies Europe (ISGT-Europe), Bucharest, Romania, 29 September–2 October 2019; pp. 1–5. [Google Scholar] [CrossRef]
- Hwu, K.-I.; Lin, Y.-H.; Shieh, J.-J. Active Battery Voltage Equalization Based on Chain-Loop Comparison Strategy. Energies 2024, 17, 5156. [Google Scholar] [CrossRef]
- Phung, T.H.; Crebier, J.C.; Chureau, A.; Collet, A.; Nguyen, V. Optimized structure for next-to-next balancing of series-connected lithium-ion cells. In Proceedings of the 2011 Twenty-Sixth Annual IEEE Applied Power Electronics Conference and Exposition (APEC), Fort Worth, TX, USA, 6–11 March 2011; pp. 1374–1381. [Google Scholar] [CrossRef]
- Park, S.H.; Kim, T.S.; Park, J.S.; Moon, G.W.; Yoon, M.J. A New Buck-boost Type Battery Equalizer. In Proceedings of the 2009 Twenty-Fourth Annual IEEE Applied Power Electronics Conference and Exposition, Washington, DC, USA, 15–19 February 2009; pp. 1246–1250. [Google Scholar] [CrossRef]
- Chen, Y.; Liu, X.; Cui, Y.; Zou, J.; Yang, S. A MultiWinding Transformer Cell-to-Cell Active Equalization Method for Lithium-Ion Batteries with Reduced Number of Driving Circuits. IEEE Trans. Power Electron. 2016, 31, 4916–4929. [Google Scholar] [CrossRef]
- Li, S.; Mi, C.C.; Zhang, M. A High-Efficiency Active Battery-Balancing Circuit Using Multiwinding Transformer. IEEE Trans. Ind. Appl. 2013, 49, 198–207. [Google Scholar] [CrossRef]
- Cadar, D.V.; Petreus, D.M.; Patarau, T.M. An energy converter method for battery cell balancing. In Proceedings of the 33rd International Spring Seminar on Electronics Technology, ISSE 2010, Warsaw, Poland, 12–16 May 2010; pp. 290–293. [Google Scholar] [CrossRef]
- Ouyang, Q.; Chen, J.; Zheng, J.; Hong, Y. SOC Estimation-Based Quasi-Sliding Mode Control for Cell Balancing in Lithium-Ion Battery Packs. IEEE Trans. Ind. Electron. 2018, 65, 3427–3436. [Google Scholar] [CrossRef]
- Yuang-Shung, L.; Chun-Yi, D.; Guo-Tian, C.; Shen-Ching, Y. Battery Equalization Using Bi-directional Cuk Converter in DCVM Operation. In Proceedings of the 2005 IEEE 36th Power Electronics Specialists Conference, Recife, Brazil, 12–16 June 2005; pp. 765–771. [Google Scholar] [CrossRef]
- Ceylan, M.; Balikci, A. An Intermodular Active Balancing Topology for Efficient Operation of High Voltage Battery Packs in Li-Ion Based Energy Storage Systems: Switched (Flying) DC/DC Converter. Energies 2023, 16, 5608. [Google Scholar] [CrossRef]
- Kim, C.H.; Kim, M.Y.; Kim, Y.D.; Moon, G.W. A modularized charge equalizer using battery monitoring IC for series connected Li-Ion battery strings in an electric vehicle. In Proceedings of the 8th International Conference on Power Electronics—ECCE Asia, Jeju, South Korea, 30 May–3 June 2011; pp. 304–309. [Google Scholar] [CrossRef]
- Tashakor, N.; Pourhadi, P.; Bayati, M.; Samimi, M.H.; Fang, J.; Goetz, S.M. Modular Reconfigurable Mixed Battery System with Heterogeneous Modules. IEEE Trans. Transp. Electrif. 2024, 10, 8486–8497. [Google Scholar] [CrossRef]
- Farakhor, A.; Wu, D.; Wang, Y.; Fang, H. A Novel Modular, Reconfigurable Battery Energy Storage System: Design, Control, and Experimentation. IEEE Trans. Transp. Electrif. 2023, 9, 2878–2890. [Google Scholar] [CrossRef]
- Vankadari, P.; Chandra, A.S.S.; Sandeep, P.V.S.; Kukde, J.S.; Wandhare, R. Modular Battery Balancing and Power Flow Management Using Isolated Multi-Port DC-DC Converter with Active Power Sharing Control. In Proceedings of the 2023 9th IEEE India International Conference on Power Electronics (IICPE), Sonipat, India, 28–30 November 2023; pp. 1–6. [Google Scholar] [CrossRef]
- Mukherjee, N.; Strickland, D. Analysis and Comparative Study of Different Converter Modes in Modular Second-Life Hybrid Battery Energy Storage Systems. IEEE J. Emerg. Sel. Top. Power Electron. 2016, 4, 547–563. [Google Scholar] [CrossRef]
- Wang, J.; Zhou, S.; Mao, J. Research on Fast SOC Balance Control of Modular Battery Energy Storage System. Energies 2024, 17, 5907. [Google Scholar] [CrossRef]
- Huang, W.; Qahouq, J.A.A. Energy Sharing Control Scheme for State-of-Charge Balancing of Distributed Battery Energy Storage System. IEEE Trans. Ind. Electron. 2015, 62, 2764–2776. [Google Scholar] [CrossRef]
- Yildirim, B.; Elgendy, M.A.; Smith, A.N.; Pickert, V. Efficiency Optimized Power-Sharing Algorithm for Modular Battery Energy Storage Systems. IEEE Trans. Ind. Electron. 2023, 70, 11299–11309. [Google Scholar] [CrossRef]
- Liu, C.; Gao, N.; Cai, X.; Li, R. Differentiation Power Control of Modules in Second-Life Battery Energy Storage System Based on Cascaded H-Bridge Converter. IEEE Trans. Power Electron. 2020, 35, 6609–6624. [Google Scholar] [CrossRef]
- Altaf, F.; Egardt, B.; Mårdh, L.J. Load Management of Modular Battery Using Model Predictive Control: Thermal and State-of-Charge Balancing. IEEE Trans. Control Syst. Technol. 2017, 25, 47–62. [Google Scholar] [CrossRef]
- Karthikeyan, V.; Gupta, R. Multiple-Input Configuration of Isolated Bidirectional DC–DC Converter for Power Flow Control in Combinational Battery Storage. IEEE Trans. Ind. Inform. 2018, 14, 2–11. [Google Scholar] [CrossRef]
- Sun, Q.; Wu, J.; Gan, C.; Si, J.; Guo, J.; Hu, Y. Cascaded Multiport Converter for SRM-Based Hybrid Electrical Vehicle Applications. IEEE Trans. Power Electron. 2019, 34, 11940–11951. [Google Scholar] [CrossRef]
- Tashakor, N.; Farjah, E.; Ghanbari, T. A Bidirectional Battery Charger with Modular Integrated Charge Equalization Circuit. IEEE Trans. Power Electron. 2017, 32, 2133–2145. [Google Scholar] [CrossRef]
- Díaz-González, F.; Heredero-Peris, D.; Pagès-Giménez, M.; Prieto-Araujo, E.; Sumper, A. A Comparison of Power Conversion Systems for Modular Battery-Based Energy Storage Systems. IEEE Access 2020, 8, 29557–29574. [Google Scholar] [CrossRef]

















| Parameters | Modular BESS (Figure 4e) | Multi-Port BESS (Figure 4f) | MMPC-Based BESS (Figure 5) | Example (15, 12.8V, 25Ah Packs) | ||
|---|---|---|---|---|---|---|
| Modular BESS | Multi-Port BESS | MMPC-Based BESS | ||||
| Number of Converters | 15 | 1 | 5 | |||
| Number of Switches | 60 | 32 | 50 | |||
| Voltage Ratings of Battery Side Switches (V) | 12.8 | 12.8 | 12.8 | |||
| Voltage Ratings of Converter Switches (V) | 26.6 | 400 | 80 | |||
| Current Rating of Converter Switches (A) | 25 | 25 | 25 | |||
| Current Rating of Enable/Disable Switches (A) | 25 | 25 | 25 | |||
| Current Rating of Module Bypass Switches (A) | 25 | 25 | 25 | |||
| Number of Inductor | 15 | 1 | 5 | |||
| Current Rating of Inductor (A) | 25 | 25 | 25 | |||
| Number of Capacitor | 30 | 2 | 20 | |||
| Voltage Rating of Battery Side Capacitor (V) | 12.8 | 192 | 12.8 | |||
| Voltage Rating of DC Bus Side Capacitor (V) | 26.6 | 400 | 80 | |||
| Number of Current Sensing Circuits | 15 | 1 | 5 | |||
| Number of Voltage Sensing Circuits | 30 | 16 | 20 | |||
| Components | Failure Rates (Failures/h) | Reliability |
|---|---|---|
| MOSFET | ||
| Diode | ||
| Inductor | ||
| Capacitor | ||
| Battery | ||
| Bi-directional Buck-Boost Converter | ||
| Bypass Arrangement | ||
| MOSFET |
| Parameter | Value | |||
|---|---|---|---|---|
| Discharging | Charging | |||
| Modular BESS | MMPC-Based BESS | Modular BESS | MMPC-Based BESS | |
| (V) | 120 | 120 | ||
| (A) | 3 | 3 | ||
| SoC-1 (%) | 30 | 30 | ||
| SoC-2 (%) | 30 | 30 | ||
| SoC-3 (%) | 32 | 32 | ||
| SoC-4 (%) | ||||
| SoC-5 (%) | ||||
| SoC-6 (%) | 33 | 33 | ||
Disclaimer/Publisher’s Note: The statements, opinions and data contained in all publications are solely those of the individual author(s) and contributor(s) and not of MDPI and/or the editor(s). MDPI and/or the editor(s) disclaim responsibility for any injury to people or property resulting from any ideas, methods, instructions or products referred to in the content. |
© 2025 by the authors. Licensee MDPI, Basel, Switzerland. This article is an open access article distributed under the terms and conditions of the Creative Commons Attribution (CC BY) license (https://creativecommons.org/licenses/by/4.0/).
Share and Cite
Yildirim, B.; Elgendy, M.A.; Smith, A.; Kulan, M.C.; Akbal, B. Modular-Multi-Port-Converter-Based Battery Energy Storage System with Integrated Battery Management Functions. Energies 2025, 18, 3142. https://doi.org/10.3390/en18123142
Yildirim B, Elgendy MA, Smith A, Kulan MC, Akbal B. Modular-Multi-Port-Converter-Based Battery Energy Storage System with Integrated Battery Management Functions. Energies. 2025; 18(12):3142. https://doi.org/10.3390/en18123142
Chicago/Turabian StyleYildirim, Bortecene, Mohammed A. Elgendy, Andrew Smith, Mehmet C. Kulan, and Bahadir Akbal. 2025. "Modular-Multi-Port-Converter-Based Battery Energy Storage System with Integrated Battery Management Functions" Energies 18, no. 12: 3142. https://doi.org/10.3390/en18123142
APA StyleYildirim, B., Elgendy, M. A., Smith, A., Kulan, M. C., & Akbal, B. (2025). Modular-Multi-Port-Converter-Based Battery Energy Storage System with Integrated Battery Management Functions. Energies, 18(12), 3142. https://doi.org/10.3390/en18123142

