Next Article in Journal
Lights, Policy, Action: A Multi-Level Perspective on Policy Instrument Mix Interactions for Community Energy Initiatives
Next Article in Special Issue
Distributed EMS Coordination via Price-Signal Control for Renewable Energy Communities
Previous Article in Journal
A Topology Identification Strategy of Low-Voltage Distribution Grids Based on Feature-Enhanced Graph Attention Network
Previous Article in Special Issue
Enhanced Fault Localization for Active Distribution Networks via Robust Three-Phase State Estimation
 
 
Font Type:
Arial Georgia Verdana
Font Size:
Aa Aa Aa
Line Spacing:
Column Width:
Background:
Article

Expansion Planning of Electrical Distribution Systems Considering Voltage Quality and Reliability Criteria

by
Marco Israel Zuñiga Villarreal
1,*,
Alexander Aguila Téllez
1,*,
Narayanan Krishnan
2 and
Marcelo García
1
1
GIREI Research Group, Electrical Engineering Department, Universidad Politécnica Salesiana, Quito 170525, Ecuador
2
Department of Electrical and Electronics Engineering, SASTRA Deemed to Be University, Thanjavur 613401, India
*
Authors to whom correspondence should be addressed.
Energies 2025, 18(11), 2822; https://doi.org/10.3390/en18112822
Submission received: 22 April 2025 / Revised: 23 May 2025 / Accepted: 26 May 2025 / Published: 29 May 2025

Abstract

This study aimed to assess the power capacity of electrical conductors under the long-term expansion of distribution systems over a 10-year horizon by considering voltage quality constraints and reliability indicators. The MATPOWER library in Matlab was employed, along with the IEEE 15-bus and 33-bus distribution system test cases. A 5% annual load growth was simulated for each system, which involved analyzing key parameters, such as the power loss, voltage deviation, and average failure rate. An algorithm was developed to perform a multi-criteria analysis, which provided optimal solutions for the system behavior in response to increasing demand. Given the close relationship between distribution systems and load growth, voltage quality and reliability indicators were evaluated annually to identify improvement opportunities by taking into account economic factors, implementation timelines, the replacement of electrical components, and medium- and long-term investments. The proposed algorithm recommended upgrades to electrical conductors without significantly affecting the system costs. For the initial year of the IEEE 15-bus system, enhancements were suggested for lines L1–L2, L2–L3, L3–L4, L2–L6, L3–L11, and L11–L12, which allowed the system to operate without further modifications for five years, maintained the minimum voltages above 0.95 p.u., and reduced the average failure rate while demand continued to grow.

1. Introduction

The electrical distribution system is responsible for delivering electric power to end users. Before reaching this stage, electricity undergoes generation and transmission processes, making distribution the final step in the power supply chain [1].
The key characteristics of distribution systems include the operating voltage level—typically in the range of 6 kV to 36 kV—used in both urban and rural areas [2], and distribution transformers, which reduce the voltage level to supply electricity safely and efficiently to end users [3].
As the final link in the power supply chain, the distribution system must ensure the reliable, secure, and efficient delivery of energy, maintaining proper power quality in terms of the voltage and frequency [3,4].
Over time, distribution systems must dynamically adapt to increasing demand, considering parameters such as reliability, stability, and quality [5].
The power quality in a distribution system refers to its ability to deliver electricity in conditions suitable for use, without disturbances that may negatively affect end users [5,6]. The key parameters used to evaluate the power quality include the voltage (above 0.95 p.u.), frequency (around 60 Hz), flicker (rapid voltage variations), and interruptions (momentary outages).
Reliability refers to the system’s ability to supply electricity without interruptions or failures for as much time as possible, ensuring constant power availability for users [7]. The most commonly used reliability indicators are the interruption frequency, average failure rate, duration of interruptions, and restoration time [8].
Several factors affect the power quality and reliability in distribution systems, including external weather conditions (e.g., thunderstorms, landslides, or strong winds), poor maintenance (e.g., lack of upkeep for transformers, cables, or substations), overloads (operation beyond capacity), technical or human failures (e.g., operational errors or equipment failures), and outdated infrastructure (e.g., aging systems not designed for growing demand) [9,10].
With technological advancement, electrical engineering continues to offer solutions to emerging power quality and reliability issues. These include protection coordination [10], voltage control through sensor integration [11], and proposals for distributed generation near the distribution network [12].
Likewise, the implementation of systems with neural analysis (intelligent learning) has become increasingly relevant [9], as they can provide solutions based on the data they gather over time. Nevertheless, it is crucial to consider the current condition of distribution systems, especially since investment analysis focused on such systems is often neglected. These investments are essential for system development and growth and include key aspects such as new technologies, communication, sustainability, and resilience [12,13].
Although several methods exist to address the problems related to increasing demand—considering both economic and sustainability aspects—there is a growing need for fast and efficient methods, particularly those based on single- or multi-criteria decision-making functions [14], that are both robust and accurate.
Multi-criteria decision analysis (MCDA) enables the incorporation of multiple criteria to deliver optimal solutions while applying restrictions or initial conditions to the function [15]. The key features of MCDA include evaluation capabilities (allowing for the analysis of several variables—decisions should not rely on a single factor), qualitative or quantitative criteria, trade-offs (balancing between conflicting criteria), and weight assignment (based on each criterion’s relative importance) [16,17].
Decision-making within MCDA depends on the problem context, identification of criteria, weight assignment, number of alternatives, and application domain. Commonly used methods include the Analytic Hierarchy Process (AHP)—which uses pairwise comparisons between criteria and alternatives; Linear Weighting—where weights are multiplied by values for each alternative; and the Technique for Order of Preference by Similarity to Ideal Solution (TOPSIS)—which selects the alternative closest to the ideal solution and farthest from the worst-case scenario. These techniques help balance and prioritize conflicting criteria [18,19].
When properly applied with well-defined criteria and parameter values, MCDA can be used to analyze the performance of a distribution system under increasing demand. This allows for the optimization of power quality, reliability, and economic performance, producing effective results in a reduced amount of time.

2. Methodology

2.1. Impact of Demand Growth

The increase in demand within electrical distribution systems generates significant challenges, such as an increased load on existing infrastructure, the risk of overloading, higher technical losses, and the deterioration of service quality and reliability delivered to end users. In order to mitigate these impacts, the electrical engineering field has proposed various solutions, including the modernization of networks using smart technologies, the integration of renewable energy sources, and active demand-side management through the use of advanced control systems.
However, these methods often entail high economic costs for society and their implementation timelines are not ideal for addressing short-term issues. This has led electrical engineers to consider short-, medium-, and long-term strategies capable of providing optimal and efficient solutions. These approaches are commonly present in short-term preventive actions based on annual demand growth analysis. Such actions include increasing investment in infrastructure, conducting preventive maintenance, and assessing the impact on conductors—measures that contribute to ensuring the sustainability and resilience of the systems in the face of continuous demand growth.
Based on the above, it is necessary to conduct a demand growth analysis using two different scenarios: the IEEE 15-bus case and the IEEE 33-bus case, both of which are associated with distribution system models. Using these templates as study scenarios, the following case study is proposed for each model: analyze the year-by-year behavior of the demand and its potential impacts; verify that the models meet voltage quality and reliability requirements; incorporate the electrical results obtained from increasing demand into a multi-criteria function; derive optimal results through multi-criteria function analysis; integrate these results into the system; and finally, continue with the analysis of the subsequent year until the 10-year study horizon is completed.

2.2. Initial Considerations

Prior to the development of the multi-criteria function in Matlab, it was necessary to obtain essential data for its implementation. These data are related to the active and reactive powers of the loads at each bus, the characteristics of the selected system, line impedance, line losses, the type of associated electrical conductor, and the calculation of its respective length. By applying a reliability parameter (average failure rate) and quality parameter (voltage deviation), the behavior of the distribution system under increasing demand was analyzed.
The distance of the distribution lines is a key parameter to consider, as it directly affects the reliability indicators of the system—specifically, the average failure rate, which serves as the reliability metric in this study. Given the characteristics of distribution systems, conductors are typically made of aluminum or aluminum alloys.
The equation for determining the line distance is as follows:
d = ( Z φ ) / ρ
where
  • d: length of the line in meters (m).
  • Z: magnitude of the line impedance in ohms ( Ω ).
  • φ : cross-sectional area of the conductor in square millimeters (mm2).
  • ρ : resistivity of aluminum, approximately 2.82 × 10 8 Ω·m.
Similarly, the nominal current of each conductor in the IEEE bus system models mentioned previously was considered. This allowed for the calculation of the average failure rate per kilometer, assuming a failure occurrence rate between 0.01% and 0.1% annually over 1000 to 10,000 km. The occurrence of failures is also influenced by the environmental conditions surrounding the distribution system; for this analysis, a high-corrosion environment was assumed.
The following equation defines the average failure rate:
T F P = ( # F ) / ( L T C N )
where
  • TFP: average failure rate per kilometer (km).
  • #F: number of failure events over a given time period.
  • L: length of the conductor in kilometers (km).
  • T: time period over which the average failure rate is analyzed.
  • CN: normalized load, obtained from the ratio between the line current and the conductor’s nominal current, measured in amperes (A).
To assess the system behavior in terms of voltage quality, the voltage deviation equation was implemented and analyzed, considering the annual growth in demand, as shown below:
DESV = 1 V n
where
  • DESV: voltage deviation.
  • 1: ideal voltage in per unit (p.u.).
  • V n : actual voltage in per unit (p.u.) at the bus.
The objective of the voltage deviation analysis was to verify that the measured voltage at each bus remained as close as possible to the ideal value of 1 p.u. In other words, the deviation result should ideally approach zero.

2.3. Future Considerations

For future analyses, reference is made to data available in the Ecuadorian electricity market. The diversity of aluminum conductors allows for data classification based on three main types: All-Aluminum Conductor (AAC), All-Aluminum Alloy Conductor (AAAC), Aluminum Conductor Steel-Reinforced (ACSR), and aluminum–steel alloy combinations. For the present study, the AAC or ASC and ACSR groups are considered, depending on the characteristics and needs of the network. The data used are shown in Table 1 and Table 2.
Considering that the IEEE bus models involve overhead conductors, Table 1 and Table 2 present a defined range based on the conductor weight, starting from gauge 6 AWG and reaching up to 4/0 AWG.

2.4. Multi-Criteria Function

The main objective of the multi-criteria function is to provide optimization based on the required criteria, which may include maximizing parameters such as sales, revenue, or cost-efficiency, or minimizing parameters such as losses, costs, and expenses. In electrical distribution systems, it is essential to offer decision-making solutions that help minimize both the technical and economic parameters, thereby achieving a balance between economic efficiency and system performance.
The following equation defines the multi-criteria function:
F M = m i n ( f ( x ) ) = f 1 ( x ) , f 2 ( x ) , , f n ( x )
where
  • FM: multi-criteria function.
  • f ( x ) : objective to be minimized.
  • x: decision variables.
  • n: number of objective functions, which must be greater than 2.
After acquiring the initial data and using the MATLAB 2024a software, an optimization function was implemented through a multi-criteria analysis. The response was derived based on the weighted sum of all the proposed conditions:
  • First input condition: voltage in p.u. at the buses (with a minimum threshold of 0.95 p.u.).
  • Second input condition: power losses in MW in the distribution lines (with a minimum of 0.001 MW).
  • Third input condition: conductor cross-sectional area (ranges defined in Table 1 and Table 2).
  • Fourth input condition: conductor price (ranges established in Table 1 and Table 2).
  • Fifth input condition: conductor resistance (ranges established in Table 1 and Table 2).
Although five input conditions are considered as valid for positive responses under different scenarios, initial constraints are proposed that must be fulfilled prior to the analysis. These are as follows:
  • First constraint: the analysis was carried out only if the voltage at the buses (expressed in p.u.) fell below the established minimum voltage threshold.
  • Second constraint: if the total system losses exceeded 0.5 MW, the analysis was performed.
By considering these constraints as the starting point, the optimization analysis focused on critical conditions within the system, which avoided unnecessary computation during years in which the demand growth did not negatively affect the distribution system performance—specifically, when the quality and reliability parameters remained above minimum acceptable thresholds. This approach helped reduce the unnecessary economic impact associated with premature system upgrades or modifications.
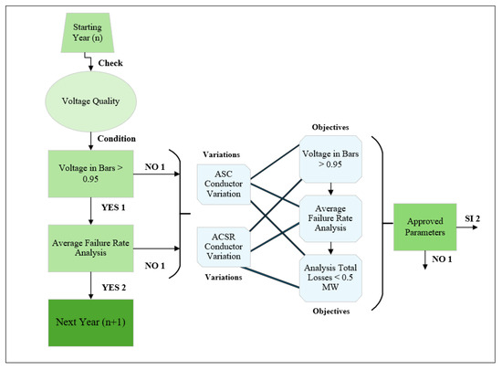
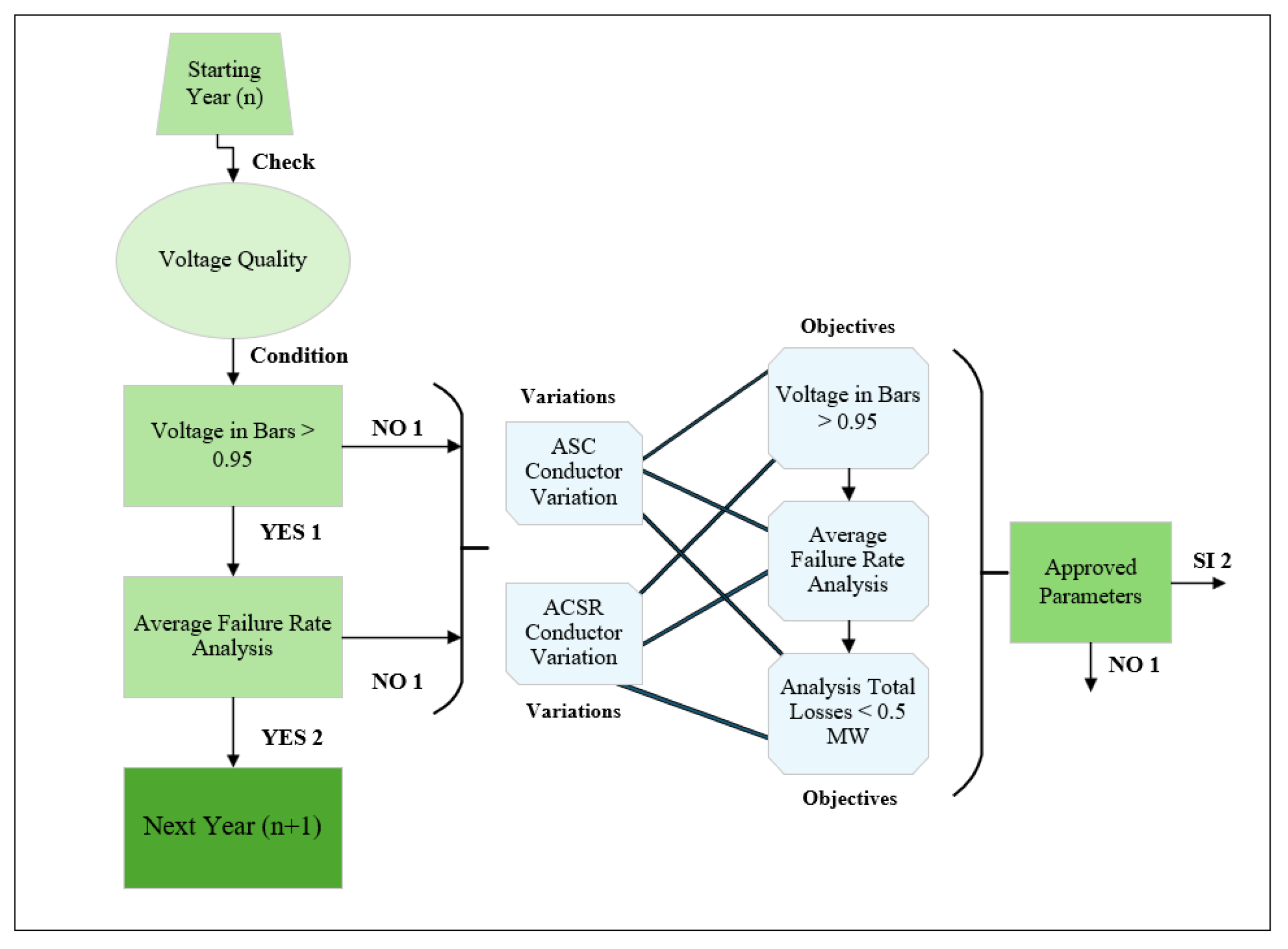
Figure 1 shows the decision-making flowchart used in the implementation of the multi-criteria function. The process begins by verifying voltage quality in each simulation year. If all bus voltages remain above the threshold of 0.95 p.u., the system advances to the next year without changes. Otherwise, an average failure rate (AFR) analysis is conducted. If the AFR exceeds the acceptable limit, various conductor types (ASC or ACSR) are evaluated as potential replacements. The objective is to achieve three performance criteria simultaneously: bus voltages above 0.95 p.u., AFR values within limits, and total system losses below 0.5 MW. When all objectives are satisfied, the solution is approved and used to update the system configuration for subsequent years.
The weighting of the criteria in the multi-criteria optimization function can be determined in two ways. One option is a mathematical approach based on the CRITIC method, which assigns weights to each criterion W i using the standard deviation of its data and its correlation with the other criteria. The weighting formula is defined as
W i = S i ( 1 r i j )
where
  • W i : weight of criterion i.
  • S i : standard deviation of the data for criterion i.
  • r i j : correlation coefficient between criterion i and criterion j.
This method ensures that weights reflect both the variability and conflict between the criteria, allowing for a more objective balance in decision making.
Alternatively, the algorithm also provides the option for manual weight assignment based on human intervention. In such cases, the planner or utility can define the relative importance of each variable according to specific operational, regulatory, or economic priorities. This dual-mode structure allows the methodology to be adapted to either data-driven decision-making or client-driven planning strategies.

3. Case Study: IEEE 15-Bus Distribution System

The IEEE 15-bus distribution system was selected as it is widely used to represent compact urban distribution networks with relatively short radial feeders and moderate load diversity. Its structure allows for the clear identification of voltage drops and reliability issues in densely populated areas.
The continuous growth in demand causes instability in distribution systems due to their direct connection with end users. Traditional methods propose improving the system quality and stability, often through the use of reactive compensation, which is directly injected into the system. However, these approaches tend to overlook the behavior and impact of increasing the demand on the components of the distribution network.
Based on the above, the IEEE 15-bus distribution system template developed by Das D., Kothari D. P., and Kalam A. in 1995 was used. This system offers a simple and effective method for solving radial distribution networks and operates with a base voltage of 13.3 kV.
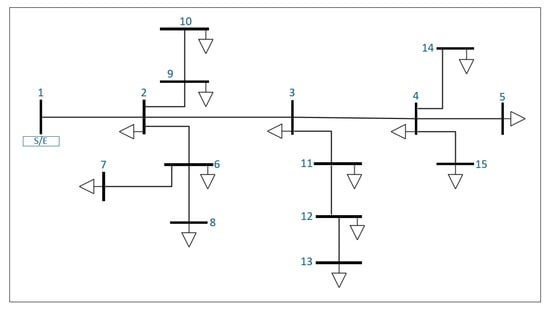
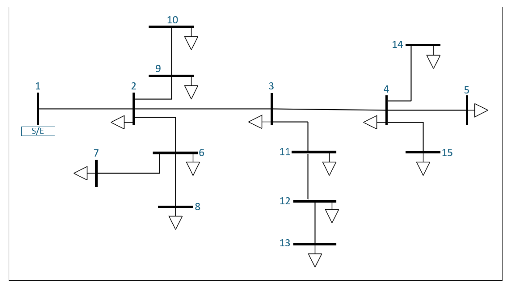
The following analysis presents a 5% annual demand increase over a 10-year period for the IEEE 15-bus distribution system. The configuration of this radial distribution network is shown in Figure 2.
Figure 2 shows the single-line diagram of the system. Bus 1 corresponds to the substation or source node (S/E), which supplies the entire network. Buses 2 to 15 represent load nodes connected through distribution lines. The downward-pointing arrows denote electrical loads at each bus. This radial topology is representative of typical medium-voltage distribution networks and is used for evaluating power flow, voltage profile, and reliability criteria.
To evaluate the long-term impact of demand growth, a 10-year simulation was performed with a 5% annual increase in electrical demand applied to each load node. Table 3 and Table 4 show the projected active and reactive power growth, respectively, at each load point of the IEEE 15-bus distribution system. These projections are essential for assessing system performance under future loading scenarios and for planning infrastructure reinforcements.

4. Results for the 15-Bus Distribution System

The implementation of traditional methods to mitigate the negative impacts caused by demand growth aims to improve the system’s power quality and reliability. However, these methods are often not aligned with the economic impact they entail during implementation. One of the main electrical components affected by increasing demand is the distribution line conductor. Due to its exposure to open air and environmental conditions, it is prone to corrosion or oxidation, which increases the resistance to current flow and leads to greater power losses in the system.
Based on the above, and in order to provide a feasible solution to growing demand, modifications to the conductors in the distribution system were carried out to evaluate their performance under voltage quality, loss reduction, and reliability improvement parameters—without resorting to traditional solutions such as capacitor banks, distributed generation, circuit duplication, or any other major system changes.
With the implementation of the multi-criteria function, which includes specific characteristics and constraints, the goal was to offer a technically and economically sustainable solution while maintaining or improving the system reliability and power quality. The most relevant modifications applied to the evaluated distribution systems are presented below.

4.1. Initial Conditions (Case 0)

Prior to the development of the multi-criteria function, system parameters under initial conditions were obtained for each distribution model. These included the bus voltage in per unit (p.u.), total system losses in megawatts (MW), and the average failure rate of the conductors. The IEEE 15-bus distribution system showed voltages below the minimum threshold (0.95 p.u.) at buses 12, 13, 14, and 15, making it necessary to apply changes from year zero, as illustrated in Figure 3.
Based on the system loss analysis, the IEEE 15-bus model exhibited a total of 0.06 MW in losses. Notably, the most significant losses occurred in the following lines.
Regarding system losses, the IEEE 15-bus model exhibited a total power loss of 0.06 MW under initial conditions (year 0). Table 5 details the most critical lines contributing to these losses. These values were obtained through power flow simulations and highlight the need to improve conductor efficiency, especially in the upstream segments of the distribution network.
To evaluate the system’s reliability, the average failure rate per kilometer of the conductors was assessed. The IEEE 15-bus model showed a failure rate range between 9.56% (minimum) and 13.46% (maximum), particularly in lines L9–L10 and L12–L3.

4.2. Analysis of the 15-Bus Distribution System

Considering the voltage quality and system reliability as essential requirements for the distribution system, the multi-criteria function analysis was initiated in year 0. This was because the IEEE 15-bus model exhibited voltages below the minimum permissible threshold (0.95 p.u.), with a base voltage of 13.3 kV.
By applying the multi-criteria function, the conductors in lines L1–L2, L2–L3, L3–L4, L2–L6, L3–L11, and L11–L12 were replaced with the “Iris” type conductor from the ASC or AAC catalog, which has the following characteristics:
  • Gauge: 2 AWG.
  • Cross-sectional area: 33.62 mm2.
  • Resistance: 0.856 Ohm/km.
  • Cost: 0.926 USD/m.
Replacing the conductors in the aforementioned lines improved the voltage profile of the system, reduced the total power losses, and decreased the average failure rate within the system.
Figure 4 illustrates the voltage profile comparison between the system’s initial state (year 0) and the condition after replacing key distribution lines with higher-capacity conductors. The conductors were upgraded in lines L1–L2, L2–L3, L3–L4, L2–L6, L3–L11, and L11–L12. The implementation of these upgrades resulted in a significant voltage improvement, particularly at downstream buses where the voltage was originally below the minimum acceptable threshold of 0.95 p.u. The enhanced conductor specifications reduced voltage drops across the network, improving system performance under growing load conditions.
After replacing the conductors in distribution lines L1–L2, L2–L3, L3–L4, L2–L6, L3–L11, and L11–L12, the total system losses were reduced to 0.041 MW, and the partial resistances of the replaced lines significantly decreased.
The voltage improvement observed between year 0 and year 1, as shown in Figure 4, is directly attributed to the upgraded conductor specifications. The new “Iris” conductors feature a lower resistance and a larger cross-sectional area compared with the original lines, which substantially mitigates voltage drops under load conditions. This effect was most notable at the downstream buses, where voltage levels initially fell below the minimum threshold. Following the upgrades, all bus voltages remained above 0.95 p.u., which resulted in an overall improvement in the voltage stability across the system.
Figure 5 shows the comparison of active power losses across individual distribution lines in the IEEE 15-bus system before and after conductor replacements. In the initial state (Case 0), the most critical losses were concentrated in lines L1–L2 (0.038 MW), L2–L3 (0.025 MW), and L2–L6 (0.006 MW). After upgrading selected lines with conductors of lower resistance and a larger cross-sectional area, the losses in these segments dropped dramatically, almost to zero in most cases. This clearly demonstrates the effectiveness of the conductor replacements in minimizing resistive losses and improving the system’s overall energy efficiency.
Similarly, replacing the conductors also resulted in a reduction in the average failure rate throughout the system, as shown in Figure 6.
With the gradual 5% increase in load, no conductor replacements were required in the five years following the initial changes, as the system continued to meet the minimum voltage requirement (0.95 p.u.). It was observed that the next adjustment or conductor replacement should be carried out in year 6. The optimal solution in this case was the replacement of the conductor in distribution line L1–L2 with an ACSR-type conductor, which was characterized by the following:
  • Gauge: 1/0 AWG.
  • Cross-sectional area: 53.49 mm2.
  • Resistance: 0.5227 ohm/km.
  • Cost: 1.24 USD/m.
After performing this replacement and applying the projected load growth for the following four years, it was determined that no further conductor replacements were necessary in the distribution system for any year beyond year 6. The voltage behavior over the final four years is shown in Figure 7.
The following expansion plan summarizes the adjustments made in year 0, including the changes applied to the distribution lines and their direct impacts on the system power quality and reliability.
The adjustments made in year 0, particularly the replacement of conductors in key lines, produced notable improvements in both the reliability and voltage quality. The V (p.u.) values reported in Table 6 were justified by the electrical characteristics of the new conductors, including a reduced resistance and increased cross-sectional area. These characteristics significantly minimized the voltage drops along the upgraded lines, especially in downstream buses, ensuring that all voltages remained above the 0.95 p.u. threshold. The simulation results confirmed the stability of the system under projected growth, with no further reinforcement required until year 6.
In year 6, a second set of reinforcements was triggered as the cumulative demand growth began to slightly affect the voltage quality and reliability. Table 7 shows that the replacement of conductors, especially in lines L1–L2 (upgraded to Raven type) and L3–L11, resulted in further reductions in the average failure rates and voltage deviations. These targeted enhancements allowed the system to maintain operational performance within acceptable thresholds and avoided more aggressive or costly upgrades. The multi-criteria function effectively prioritized the most impactful replacements based on the evolving conditions of the network.

5. Case Study: 33-Bus Distribution System

The IEEE 33-bus distribution system was selected because it is commonly used to simulate rural or suburban networks characterized by long feeder lengths and dispersed loads. This model is particularly useful for analyzing voltage regulation and conductor performance over extended distances.
The 33-bus distribution system, developed by Kashem M. A., Ganapathy V., Jasmon G. B., and Buhari M. in the year 2000, presents a method for minimizing losses in distribution networks. This system operates with a base voltage of 12.66 kV.
Figure 8 shows the single-line diagram of the IEEE 33-bus distribution system, which is widely used for testing optimization and loss minimization strategies in distribution networks. Bus 1 corresponds to the main substation (S/E), which supplies the entire system. Buses 2 to 33 represent load points, each associated with a distributed electrical demand. The network features a radial structure with long feeders and lateral branches, making it ideal for analyzing performance under rural or suburban operating conditions. This configuration supports detailed studies on voltage drops, conductor performance, and reliability along extended paths.
To evaluate the long-term performance of the IEEE 33-bus distribution system under load growth, a 5% annual increase in demand was simulated over a 10-year horizon. Table 8 presents the projected active power demand at each load bus for selected years. These projections were used to assess the need for reinforcements, such as conductor replacements, and to evaluate their impact on voltage quality, power losses, and system reliability.
The objective was to generate various case studies based on the IEEE 33-bus distribution system by identifying the specific data of the electrical components. Then, using the multi-criteria function, the optimal results were obtained by considering key parameters, such as resistance, power losses, economic impact, voltage deviation, and average failure rate.
In parallel with the active power growth, the reactive power demand in the IEEE 33-bus distribution system was also projected with a 5% annual increase over a 10-year period. Table 9 summarizes the evolution of reactive power demand at each load bus for selected years. These values are critical for assessing voltage regulation requirements and the potential need for compensation devices or conductor upgrades to maintain acceptable voltage profiles across the system.

6. Results for the 33-Bus Distribution System

The analysis of the multi-criteria function depends on the input data and existing constraints in the distribution system. Therefore, an initial analysis of the IEEE 33-bus system was conducted to assess its behavior throughout the demand growth period.

6.1. Initial Conditions (Case 0)

Since the IEEE 33-bus distribution system did not exhibit voltages below the minimum threshold (0.95 p.u.), and the voltage quality parameter remains above the established minimum, it was not necessary to conduct a voltage quality analysis for year 0. The minimum voltage recorded was 1.014 p.u. at bus 18, as shown in Figure 9.
The IEEE 33-bus model satisfied the voltage quality requirements for year 0, and the total power losses (0.168 MW) remained below the expected limits. Thus, a full loss analysis was not required for this year. However, the most significant losses are presented in the Table 10.
To assess the system’s reliability conditions, the average failure rate per kilometer was evaluated. The IEEE 33-bus model showed a range between 5.62% (minimum) and 14.29% (maximum), with the most affected lines being L1–L2 and L21–L8.

6.2. Analysis of the 33-Bus Distribution System

Since the IEEE 33-bus distribution system maintained voltage levels above the minimum threshold (0.95 p.u.) in year 0, a 5% increase in load was applied each year. As the years progressed, the voltage did not fall below the minimum threshold, thus the voltage quality remained compliant. Therefore, the system losses were analyzed instead, and in year 8, conductor replacements were deemed necessary in the following lines: L7–L8, L9–L10, L12–L13, L16–L17, L19–L20, and L27–L28. These lines were replaced with the following ASC or AAC-type conductor:
  • Gauge: 2 AWG.
  • Cross-sectional area: 33.62 mm2.
  • Resistance: 0.856 Ohm/km.
  • Cost: 0.926 USD/m.
The replacement of the abovementioned conductors in the specified distribution lines led to an improvement in the voltage profiles at buses 10, 11, 12, 13, 14, 15, 16, 17, 18, 20, 21, and 22, as illustrated in Figure 10.
The total power losses in the IEEE 33-bus distribution system in year 8 reached 0.411 MW. After the conductor replacements in the specified lines, the total losses in year 9 decreased to 0.394 MW. Likewise, the maximum average failure rate per kilometer in year 8 was 11.21% in the previously mentioned lines. In year 9, after replacing the conductors, this value was reduced to 7.05%.
The following table presents the expansion plan reflecting the most relevant changes implemented in year 8. It highlights the improvements in power quality and system reliability that resulted from the conductor replacements.
After several years of load growth, the IEEE 33-bus system began to show early signs of voltage deviation and increased failure risk in specific segments. Consequently, targeted conductor replacements were implemented in year 8. Table 11 presents the expansion plan comparing reliability (average failure rate, AFR) and voltage quality indicators (V in p.u.) before and after these upgrades. The results confirm that replacing lines such as L7–L8, L9–L10, L12–L13, and L27–L28 with higher-performance conductors significantly improved both operational reliability and voltage profiles by year 9.

7. Discussion

The continuous growth in energy demand generates significant stress on distribution systems, directly affecting the quality and reliability of the electrical service provided to end users. In response, electrical engineers typically propose various conventional solutions, such as the injection of reactive components, the incorporation of distributed generation, or the upgrade of existing infrastructure. However, these approaches, while technically effective, often fail to account for their economic implications, resulting in a considerable financial burden that is ultimately transferred to consumers.
Given this situation, it becomes essential to explore alternative strategies that can mitigate the impact of demand growth while minimizing investment costs without compromising the system performance in terms of power quality and reliability. The development and application of a multi-criteria decision-making (MCDM) approach allows for the integration of multiple technical and economic variables and constraints into a single optimization framework. By accurately defining input parameters and restrictions, the MCDM method yields optimal solutions tailored to the evolution of the demand, enabling decision-making that is both technically viable and economically sustainable. This approach offers a promising alternative to traditional methods, as it balances performance enhancement with cost-effectiveness in the management of distribution networks.
Several recent studies addressed distribution system reinforcement under demand growth, often focusing on optimal reinforcement timing and associated cost savings. For instance, recent studies proposed a reinforcement strategy based on load thresholds, while alternative approaches rely on cost–benefit analysis to determine the optimal year for conductor replacement. Compared with these approaches, our method offers a more holistic perspective by integrating multiple criteria—voltage quality, failure rate, and economic cost—into a single optimization framework. Notably, our results indicate that a single reinforcement action in year 0 can ensure stable operation for up to five years in the IEEE 15-bus case, thereby postponing additional investments. This contrasts with strategies requiring more frequent interventions, and highlights the economic efficiency of multi-criteria analysis when applied to distribution system planning.

8. Conclusions

The planning of distribution system expansion with a focus on voltage quality and reliability is crucial for ensuring long-term efficiency, resilience, and service continuity. Integrating these criteria into system design and decision-making processes enables a more adaptive and robust energy infrastructure—one capable of meeting increasing demand while minimizing losses, maintaining voltage stability, and optimizing resource utilization. This comprehensive approach, supported by advanced modeling techniques and effective system management, is vital to addressing future energy challenges and improving end-user satisfaction.
In this study, two standardized IEEE distribution models—15-bus and 33-bus systems—were analyzed using load flow simulations to extract key electrical parameters, including bus voltages, associated loads, line resistances, and base voltage levels (13.3 kV and 12.66 kV, respectively). These parameters facilitated the calculation of the current through each line and the estimation of the average failure rate per kilometer, a critical reliability indicator.
To simulate real-world scenarios, a projected annual demand growth of 5% was applied to both systems over a 10-year horizon. As expected, the results revealed a progressive degradation of voltage quality, an increase in system losses, and a decline in overall reliability as demand increased. These trends highlighted the need for strategic system upgrades and enabled the definition of a structured optimization strategy through multi-criteria analysis.
For the IEEE 15-bus system, the demand growth necessitated early action. In year 0, conductor replacements were applied to lines L1–L2, L2–L3, L3–L4, L2–L6, L3–L11, and L11–L12 using a type “Iris” conductor. This intervention significantly improved the voltage profile, reduced the power losses, and decreased the failure rates. For instance, the voltages at buses 3, 4, 5, 12, 13, 14, and 15 improved from initial values of 0.957, 0.951, 0.950, 0.946, 0.945, 0.949, and 0.948 p.u. to 0.983, 0.979, 0.978, 0.980, 0.979, 0.977, and 0.977 p.u., respectively. Likewise, the losses in key lines, such as L1–L2 and L2–L3, decreased from 0.038 MW and 0.011 MW to 0.025 MW and 0.009 MW, respectively. The average failure rates in the same lines also declined, for example, L1–L2 from 9.622% to 6.932% and L3–L11 from 9.636% to 5.864%.
For the 33-bus system, the MCDM analysis revealed that no immediate action was required during the early years, as the voltage levels and system losses remained within acceptable limits. However, by year 8, an increase in the total losses to 0.411 MW and high failure rates in certain lines prompted a targeted expansion plan. Conductor replacements were carried out in lines L7–L8, L9–L10, L12–L13, L16–L17, L19–L20, and L27–L28. These actions resulted in voltage improvements at buses 13–17 from the initial values of 0.979, 0.975, 0.973, 0.972, and 0.969 p.u. to 0.989, 0.986, 0.984, 0.982, and 0.980 p.u., respectively. Additionally, the average failure rates in the affected lines were reduced significantly, e.g., L9–L10 from 12.304% to 7.740%, and L19–L20 from 11.214% to 7.054%.
In summary, the application of a multi-criteria optimization strategy allowed for cost-effective and technically sound decisions regarding system reinforcement. The case studies demonstrated the feasibility of improving the distribution system performance by optimizing the conductor selection and timing of upgrades, ultimately ensuring the maintenance of power quality and system reliability under increasing demand scenarios.
While the proposed method shows promising results, it is important to acknowledge certain limitations of this study. The analysis assumed a constant 5% annual load growth, which may not reflect the real-world variability influenced by seasonality, economic shifts, or the integration of new technologies. Furthermore, the current model does not include distributed energy resources, such as photovoltaic systems or energy storage, which could significantly affect the system performance and planning decisions. Future research should focus on extending the methodology to include dynamic load models, probabilistic load forecasting, and the integration of renewable energy sources. Additionally, incorporating stochastic variables and sensitivity analyses could enhance the robustness of the multi-criteria decision framework under uncertain conditions.

Author Contributions

Conceptualization, M.I.Z.V., A.A.T. and N.K.; Methodology, M.I.Z.V. and A.A.T.; Software, M.I.Z.V. and A.A.T.; Validation, A.A.T., N.K. and M.G.; Formal analysis, M.I.Z.V., A.A.T. and M.G.; Investigation, M.I.Z.V., A.A.T., N.K. and M.G.; Resources, A.A.T.; Data curation, M.I.Z.V. and A.A.T.; Writing—original draft, M.I.Z.V. and A.A.T.; Writing—review & editing, A.A.T., N.K. and M.G.; Visualization, M.I.Z.V.; Supervision, A.A.T., N.K. and M.G.; Project administration, M.I.Z.V. and A.A.T. All authors have read and agreed to the published version of this manuscript.

Funding

This research received no external funding.

Data Availability Statement

The original contributions presented in this study are included in the article. Further inquiries can be directed to the corresponding author.

Conflicts of Interest

The authors declare no conflicts of interest.

References

  1. Noh, J.; Chae, W.; Kim, W.; Choi, S. A Study on Meshed Distribution System and Protection Coordination Using HILS System. In Proceedings of the 2022 13th International Conference on Information and Communication Technology Convergence (ICTC), Jeju Island, Republic of Korea, 19–21 October 2022; Volume 13, pp. 344–346. [Google Scholar]
  2. Cai, X.; Zhou, X.; Huang, Q.; Zhu, J.; Li, Z.; Chen, Z. Low Voltage Governance in Distribution Networks Based on Wide Range On-load Regulating Transformer. In Proceedings of the 2022 China International Conference on Electricity Distribution (CICED), Changsha, China, 7–8 September 2022; Volume 9, pp. 164–167. [Google Scholar]
  3. Takahashi, N.; Shi, Y. Advanced Autonomous Voltage-Control Method using Sensor Data in a Distribution Power System. UTC 2023, 3, 2–6. [Google Scholar]
  4. Yan, T.; Li, R.; Liu, W.; Zhang, W.; Hui, H.; Yao, Y. Resiliency Evaluation of Low- Voltage Distribution System Considering Refusal and Misoperation. ISPEC 2021, 11, 1425–1429. [Google Scholar]
  5. Li, L.; Zhang, L.; Sun, Y.; Li, J. Study on Voltage Control in Distribution Network with Renewable Energy Integration. UTC 2023, 3, 2–4. [Google Scholar]
  6. Liu, H.; He, L.; Li, Y.; Yu, X. A primary and secondary equipment integrated intelligent distribution system breaker to better locate and isolate faults. In Proceedings of the 2022 China International Conference on Electricity Distribution (CICED), Changsha, China, 7–8 September 2022; Volume 9, pp. 1652–1655. [Google Scholar]
  7. Lemus, A.; Carrión, D.; Aguirre, E.; Gonzáles, J. Localización de Recursos Distribuidos en Redes Eléctricas Rurales-Urbanas Marginales Considerando el índice de Predicción de Colapso de Tensión. INGEIUS 2022. Available online: https://dspace.ups.edu.ec/handle/123456789/23000 (accessed on 12 April 2025).
  8. Attar, M.; Homaee, O.; Repo, S. Importance Investigation of Load Models Consideration in Stand-Alone Voltage Regulators Placement in Distribution Systems. In Proceedings of the 2018 8th International Conference on Power and Energy Systems (ICPES), Colombo, Sri Lanka, 21–22 December 2018; IEEE: Piscataway, NJ, USA, 2020. [Google Scholar]
  9. Bedawy, A.; Mahmoud, K.; Sasaki, Y.; Zoka, Y. A Cooperative Voltage Control Approach for Distribution Systems Based on Voltage Regulators and PV Inverters. In Proceedings of the 2021 22nd International Middle East Power Systems Conference (MEPCON), Assiut, Egypt, 14–16 December 2021. [Google Scholar]
  10. Mahdavian, S.; Hamzeh, M. Reactive Power Management of PV Systems by Distributed Cooperative Control in Low Voltage Distribution Networks. In Proceedings of the 2021 29th Iranian Conference on Electrical Engineering (ICEE), Tehran, Iran, 18–20 May 2021; IEEE: Piscataway, NJ, USA, 2021. [Google Scholar]
  11. Richmond, J.; Mcsweeney, L.; Berry, J. The Operation and Benefits of an Integrated Network Model to Enable Distribution System Operation. In Proceedings of the CIRED 2021-The 26th International Conference and Exhibition on Electricity Distribution, Online, 20–23 September 2021; Volume 9, p. 0903. [Google Scholar]
  12. Marcial, S.; Águila, A. Óptima Compensación de Potencia Reactiva en Redes de Distribución Radiales considerando periodo de diseño. In Proceedings of the 2019 International Conference on Information Systems and Computer Science (INCISCOS), Quito, Ecuador, 22–22 November 2019; pp. 112–114. [Google Scholar]
  13. Ponce, D.; Águila, A.; Krishnan, N. Optimal Selection of Conductors in Distribution System Designs Using Multi-Criteria Decision. Energies 2023, 16, 7167. [Google Scholar] [CrossRef]
  14. Oscar, S.; Luis, P.; Rodrigo, S. Metodologías de decisión multicriterio para planeación energética en zonas rurales del Ecuador. I+D+Ingeniería 2021, 8, 293–296. [Google Scholar]
  15. Téllez, A. Multicriteria Analysis for Quality and Reliability in Electrical Systems; Editorial Universitaria Abya-Yala: Quito, Ecuador, 2020; Volume 9, pp. 56–75. [Google Scholar]
  16. Aguila, A.; Ortiz, L.; Orizondo, R.; López, G. Optimal location and dimensioning of capacitors in microgrids using a multicriteria decision algorithm. Heliyon 2021, 7, 3–8. [Google Scholar] [CrossRef] [PubMed]
  17. Guanochanga, E.; Aguila, A.; Ortiz, L. Multicriteria analysis for optimal reconfiguration of a distribution network in case of failures. Heliyon 2023, 9, e13723. [Google Scholar] [CrossRef] [PubMed]
  18. Aguila, A. OptimizacióN Multicriterio De Flujos De Potencia Reactiva En Sistemas EléCtricos De Distribución. Ph.D. Thesis, Universidad Pontificia Bolivariana, Medellín, Colombia, 2021. Available online: https://repository.upb.edu.co/handle/20.500.11912/8699 (accessed on 1 December 2024).
  19. Aguila, A.; Ortiz, L.; Ruiz, M.; Narayanan, K.; Varela, S. Optimal Location of Reclosers in Electrical Distribution Systems Considering Multicriteria Decision Through the Generation of Scenarios Using the Montecarlo Method. IEEE Access 2023, 11, 68853–68871. [Google Scholar] [CrossRef]
Figure 1. Flowchart to be used, considering the multi-criteria function.
Figure 1. Flowchart to be used, considering the multi-criteria function.
Energies 18 02822 g001
Figure 2. 15-bus distribution system.
Figure 2. 15-bus distribution system.
Energies 18 02822 g002
Figure 3. Voltage profile in p.u. of the IEEE 15-bus distribution system, Case 0.
Figure 3. Voltage profile in p.u. of the IEEE 15-bus distribution system, Case 0.
Energies 18 02822 g003
Figure 4. Comparison of voltage in p.u. between year 0 and the condition after replacing conductors in lines L1–L2, L2–L3, L3–L4, L2–L6, L3–L11, and L11–L12.
Figure 4. Comparison of voltage in p.u. between year 0 and the condition after replacing conductors in lines L1–L2, L2–L3, L3–L4, L2–L6, L3–L11, and L11–L12.
Energies 18 02822 g004
Figure 5. Loss comparison: initial 15-bus distribution system (Case 0) vs. the system with replaced conductors.
Figure 5. Loss comparison: initial 15-bus distribution system (Case 0) vs. the system with replaced conductors.
Energies 18 02822 g005
Figure 6. Average failure rate analysis: Case 0 vs. optimized system with conductor replacements.
Figure 6. Average failure rate analysis: Case 0 vs. optimized system with conductor replacements.
Energies 18 02822 g006
Figure 7. Voltage behavior in the distribution system under the expansion plan.
Figure 7. Voltage behavior in the distribution system under the expansion plan.
Energies 18 02822 g007
Figure 8. A 33-bus distribution system.
Figure 8. A 33-bus distribution system.
Energies 18 02822 g008
Figure 9. Voltages in p.u. for the IEEE 33-bus distribution system, Case 0.
Figure 9. Voltages in p.u. for the IEEE 33-bus distribution system, Case 0.
Energies 18 02822 g009
Figure 10. Voltage comparison in p.u.: year 8 vs. year 9.
Figure 10. Voltage comparison in p.u.: year 8 vs. year 9.
Energies 18 02822 g010
Table 1. Electrical conductor data for ASC or AAC model.
Table 1. Electrical conductor data for ASC or AAC model.
CodeGauge (AWG)Cross-Sectional Area (mm2)Resistance (ohm/km)Price (USD/m)
Peachbell613.32.1700.366
Rose421.151.3600.582
Iris233.620.8560.926
Poppy1/053.490.5381.472
Aster2/067.440.4271.857
Phlox3/085.020.3382.339
Oxlip4/0107.20.2692.952 1
1 Obtained from the conductor catalog (ELECTRO CABLES).
Table 2. Electrical conductor data for ACSR model.
Table 2. Electrical conductor data for ACSR model.
CodeGauge (AWG)Cross-Sectional Area (mm2)Resistance (ohm/km)Price (USD/m)
Turkey613.32.10650.37
Swan421.151.32320.41
Sparrow233.620.83161.03
Raven1/053.490.52271.24
Quail2/067.440.41511.56
Pigeon3/085.020.32922.44
Penguin4/0107.20.26102.63
Table 3. Active power growth (MW) in the 15-bus distribution system.
Table 3. Active power growth (MW) in the 15-bus distribution system.
LoadYear 0Year 1Year 3Year 5Year 7Year 9Year 10
Load 10000000
Load 244.146.30551.05156.28462.05368.41471.834
Load 37073.581.03489.3498.497108.593114.023
Load 4140147162.068178.679196.994217.186228.045
Load 544.146.30551.05156.28462.05368.41471.834
Load 6140147162.068178.679196.994217.186228.045
Load 7140147162.068178.679196.994217.186228.045
Load 87073.581.03489.3498.497108.593114.023
Load 97073.581.03489.3498.497108.593114.023
Load 1044.146.30551.05156.28462.05368.41471.834
Load 11140147162.068178.679196.994217.186228.045
Load 127073.581.03489.3498.497108.593114.023
Load 1344.146.30551.05156.28462.05368.41471.834
Load 147073.581.03489.3498.497108.593114.023
Load 15140147162.068178.679196.994217.186228.045
Table 4. Reactive power growth (MVAr) in the 15-bus distribution system.
Table 4. Reactive power growth (MVAr) in the 15-bus distribution system.
LoadYear 0Year 1Year 3Year 5Year 7Year 9Year 10
Load 10000000
Load 244.99147.2405552.08357.42163.30769.79673.286
Load 371.414374.98501582.67191.145100.487110.787116.326
Load 4142.8286149.97003165.342182.29200.974221.574232.653
Load 544.99147.2405552.08357.42163.30769.79673.286
Load 6142.8286149.97003165.342182.29200.974221.574232.653
Load 7142.8286149.97003165.342182.29200.974221.574232.653
Load 871.414374.98501582.67191.145100.487110.787116.326
Load 971.414374.98501582.67191.145100.487110.787116.326
Load 1044.99147.2405552.08357.42163.30769.79673.286
Load 11142.8286149.97003165.342182.29200.974221.574232.653
Load 1271.414374.98501582.67191.145100.487110.787116.326
Load 1344.99147.2405552.08357.42163.30769.79673.286
Load 1471.414374.98501582.67191.145100.487110.787116.326
Load 15142.8286149.97003165.342182.29200.974221.574232.653
Table 5. Losses in the IEEE 15-bus model, year 0.
Table 5. Losses in the IEEE 15-bus model, year 0.
LineValueUnit
L1–L20.038MW
L2–L30.011MW
L3–L40.002MW
L2–L60.006MW
L3–L110.002MW
Table 6. Expansion plan for year 0–year 1.
Table 6. Expansion plan for year 0–year 1.
Reliability Year 0Reliability Year 1Quality Year 0 and Year 1
Line Conductor AFR (%) Conductor AFR (%) Bus V (p.u.) V (p.u.)
L1–L2Alton 48.699.622Iris6.932Bus 11.001.00
L2–L3Swan11.148Iris6.828Bus 20.9710.989
L3–L4Sparrow9.276Iris9.011Bus 30.9570.983
L4–L5Akron 49.626Akron 49.350Bus 40.9510.979
L2–L9Turkey13.283Turkey12.905Bus 50.9500.978
L9–L10Akron 49.566Akron 49.293Bus 60.9580.986
L2–L6Akron 611.270Iris4.331Bus 70.9560.984
L6–L7Swan11.022Swan10.820Bus 80.9570.985
L6–L8Swan11.033Swan10.831Bus 90.9680.986
L3–L11Akron9.636Iris5.864Bus 100.9670.985
L11–L12Akron11.401Iris4.354Bus 110.9500.981
L12–L13Turkey13.465Turkey12.998Bus 120.9460.980
L4–L14Akron 611.365Akron 611.040Bus 130.9450.979
L4–L15Swan11.254Swan10.921Bus 140.9490.977
Bus 150.9480.977
Table 7. Expansion plan for year 6–year 7.
Table 7. Expansion plan for year 6–year 7.
Reliability Year 6Reliability Year 7Quality Year 6 and Year 7
Line Conductor AFR (%) Conductor AFR (%) Bus V (p.u.) V (p.u.)
L1–L2Iris8.032Raven7.642Bus 11.001.00
L2–L3Iris7.920Iris7.530Bus 20.9860.990
L3–L4Iris10.452Iris10.062Bus 30.9780.982
L4–L5Akron 49.408Akron 49.370Bus 40.97400.977
L2–L9Turkey12.945Turkey12.905Bus 50.9720.976
L9–L10Akron 49.331Akron 49.303Bus 60.9830.986
L2–L6Iris 65.0198Iris4.619Bus 70.9800.983
L6–L7Swan10.865Swan10.820Bus 80.9810.984
L6–L8Swan10.876Swan10.842Bus 90.9820.986
L3–L11Iris3.705Raven2.963Bus 100.9810.984
L11–L12Iris4.380Iris3.962Bus 110.9760.979
L12–L13Turkey13.078Turkey13.038Bus 120.9740.978
L4–L14Akron 611.108Akron 611.014Bus 130.9730.976
L4–L15Swan10.99Swan10.954Bus 140.9710.974
L9–L11Akron11.53Iris9.834Bus 150.9700.974
Table 8. Active power growth (MW) in the 33-bus distribution system.
Table 8. Active power growth (MW) in the 33-bus distribution system.
LoadYear 0Year 1Year 3Year 5Year 7Year 9Year 10
Load 10000000
Load 2100105115.76127.63140.71155.13162.89
Load 39094.5104.19114.87126.64139.62146.6
Load 4120126138.92153.15168.85186.16195.47
Load 5606369.4676.5884.4393.0897.73
Load 6606369.4676.5884.4393.0897.73
Load 7200210231.53255.26281.42310.27325.78
Load 8200210231.53255.26281.42310.27325.78
Load 9606369.4676.5884.4393.0897.73
Load 10606369.4676.5884.4393.0897.73
Load 114547.2552.0957.4363.3269.8173.3
Load 12606369.4676.5884.4393.0897.73
Load 13606369.4676.5884.4393.0897.73
Load 14120126138.92153.15168.85186.16195.47
Load 15606369.4676.5884.4393.0897.73
Load 16606369.4676.5884.4393.0897.73
Load 17606369.4676.5884.4393.0897.73
Load 189094.5104.19114.87126.64139.62146.6
Load 199094.5104.19114.87126.64139.62146.6
Load 209094.5104.19114.87126.64139.62146.6
Load 219094.5104.19114.87126.64139.62146.6
Load 229094.5104.19114.87126.64139.62146.6
Load 239094.5104.19114.87126.64139.62146.6
Load 24420441486.2536.04590.98651.56684.14
Load 25420441486.2536.04590.98651.56684.14
Load 26606369.4676.5884.4393.0897.73
Load 27606369.4676.5884.4393.0897.73
Load 28606369.4676.5884.4393.0897.73
Load 29120126138.92153.15168.85186.16195.47
Load 30200210231.53255.26281.42310.27325.78
Load 31150157.5173.64191.44211.07232.7244.33
Load 32210220.5243.1268.02295.49325.78342.07
Load 33606369.4676.5884.4393.0897.73
Table 9. Reactive power growth (MVAr) in the 33-bus distribution system.
Table 9. Reactive power growth (MVAr) in the 33-bus distribution system.
LoadYear 0Year 1Year 3Year 5Year 7Year 9Year 10
Load 10000000
Load 2606369.4676.5884.4393.0897.73
Load 3404246.3151.0556.2862.0565.16
Load 4808492.61102.1112.57124.11130.31
Load 53031.534.7338.2942.2146.5448.87
Load 6202123.1525.5328.1431.0332.58
Load 7100105115.76127.63140.71155.13162.89
Load 8100105115.76127.63140.71155.13162.89
Load 9202123.1525.5328.1431.0332.58
Load 10202123.1525.5328.1431.0332.58
Load 113031.534.7338.2942.2146.5448.87
Load 123536.7540.5244.6749.2554.357.01
Load 133536.7540.5244.6749.2554.357.01
Load 14808492.61102.1112.57124.11130.31
Load 151010.511.5812.7614.0715.5116.29
Load 16202123.1525.5328.1431.0332.58
Load 17202123.1525.5328.1431.0332.58
Load 18404246.3151.0556.2862.0565.16
Load 19404246.3151.0556.2862.0565.16
Load 20404246.3151.0556.2862.0565.16
Load 21404246.3151.0556.2862.0565.16
Load 22404246.3151.0556.2862.0565.16
Load 235052.557.8863.8170.3677.5781.44
Load 24200210231.53255.26281.42310.27325.78
Load 25200210231.53255.26281.42310.27325.78
Load 262526.2528.9431.9135.1838.7840.72
Load 272526.2528.9431.9135.1838.7840.72
Load 28202123.1525.5328.1431.0332.58
Load 297073.581.0389.3498.5108.59114.02
Load 30600630694.58765.77844.26930.8977.34
Load 317073.581.0389.3498.5108.59114.02
Load 32100105115.76127.63140.71155.13162.89
Load 33404246.3151.0556.2862.0565.16
Table 10. Losses in the IEEE 33-bus model, year 0.
Table 10. Losses in the IEEE 33-bus model, year 0.
LineValueUnit
L2–L30.038MW
L5–L60.011MW
L4–L50.002MW
L3–L40.006MW
Table 11. Expansion plan for year 8–year 9.
Table 11. Expansion plan for year 8–year 9.
Reliability Year 8Reliability Year 9Quality Year 8 and Year 9
Line Conductor AFR (%) Conductor AFR (%) Bus V (p.u.) V (p.u.)
L7–L8Swan11.968Iris7.529Bus 81.0071.013
L9–L10Swan12.304Iris7.740Bus 90.9981.004
L12–L13Swan12.441Iris7.826Bus 120.9970.994
L16–L17Swan12.633Iris7.947Bus 130.9790.989
L19–L20Swan11.214Iris7.054Bus 140.9750.986
L27–L28Swan11.980Iris7.536Bus 150.9730.984
L18–L19Swan11.871Iris7.413Bus 160.9720.982
L15–L17Swan12.135Iris7.315Bus 170.9690.980
Disclaimer/Publisher’s Note: The statements, opinions and data contained in all publications are solely those of the individual author(s) and contributor(s) and not of MDPI and/or the editor(s). MDPI and/or the editor(s) disclaim responsibility for any injury to people or property resulting from any ideas, methods, instructions or products referred to in the content.

Share and Cite

MDPI and ACS Style

Villarreal, M.I.Z.; Téllez, A.A.; Krishnan, N.; García, M. Expansion Planning of Electrical Distribution Systems Considering Voltage Quality and Reliability Criteria. Energies 2025, 18, 2822. https://doi.org/10.3390/en18112822

AMA Style

Villarreal MIZ, Téllez AA, Krishnan N, García M. Expansion Planning of Electrical Distribution Systems Considering Voltage Quality and Reliability Criteria. Energies. 2025; 18(11):2822. https://doi.org/10.3390/en18112822

Chicago/Turabian Style

Villarreal, Marco Israel Zuñiga, Alexander Aguila Téllez, Narayanan Krishnan, and Marcelo García. 2025. "Expansion Planning of Electrical Distribution Systems Considering Voltage Quality and Reliability Criteria" Energies 18, no. 11: 2822. https://doi.org/10.3390/en18112822

APA Style

Villarreal, M. I. Z., Téllez, A. A., Krishnan, N., & García, M. (2025). Expansion Planning of Electrical Distribution Systems Considering Voltage Quality and Reliability Criteria. Energies, 18(11), 2822. https://doi.org/10.3390/en18112822

Note that from the first issue of 2016, this journal uses article numbers instead of page numbers. See further details here.

Article Metrics

Back to TopTop