A Modular Step-Up DC–DC Converter Based on Dual-Isolated SEPIC/Cuk for Electric Vehicle Applications
Abstract
1. Introduction
- ▪
- The modular architecture enhances energy extraction from the FC stacks by optimising maximum power output while ensuring an even distribution of voltage and current stresses across the semiconductor devices in the SMs.
- ▪
- The employed topology of the SM provides double the voltage generated by conventional buck-boost switched-mode power supplies (SMPSs), which contributes to the total boosting ratio.
- ▪
- The selected topology for boosting SM reduces input current ripples, to improve the FCs performance.
- ▪
- The SMs enable galvanic isolation through HFTs. The SM uses either an HFT or coupling inductors to provide isolation while facilitating additional voltage boosting. The modular converter offers enhanced fault-ride-through (FRT) capabilities, ensuring improved reliability in the event of partial failures.
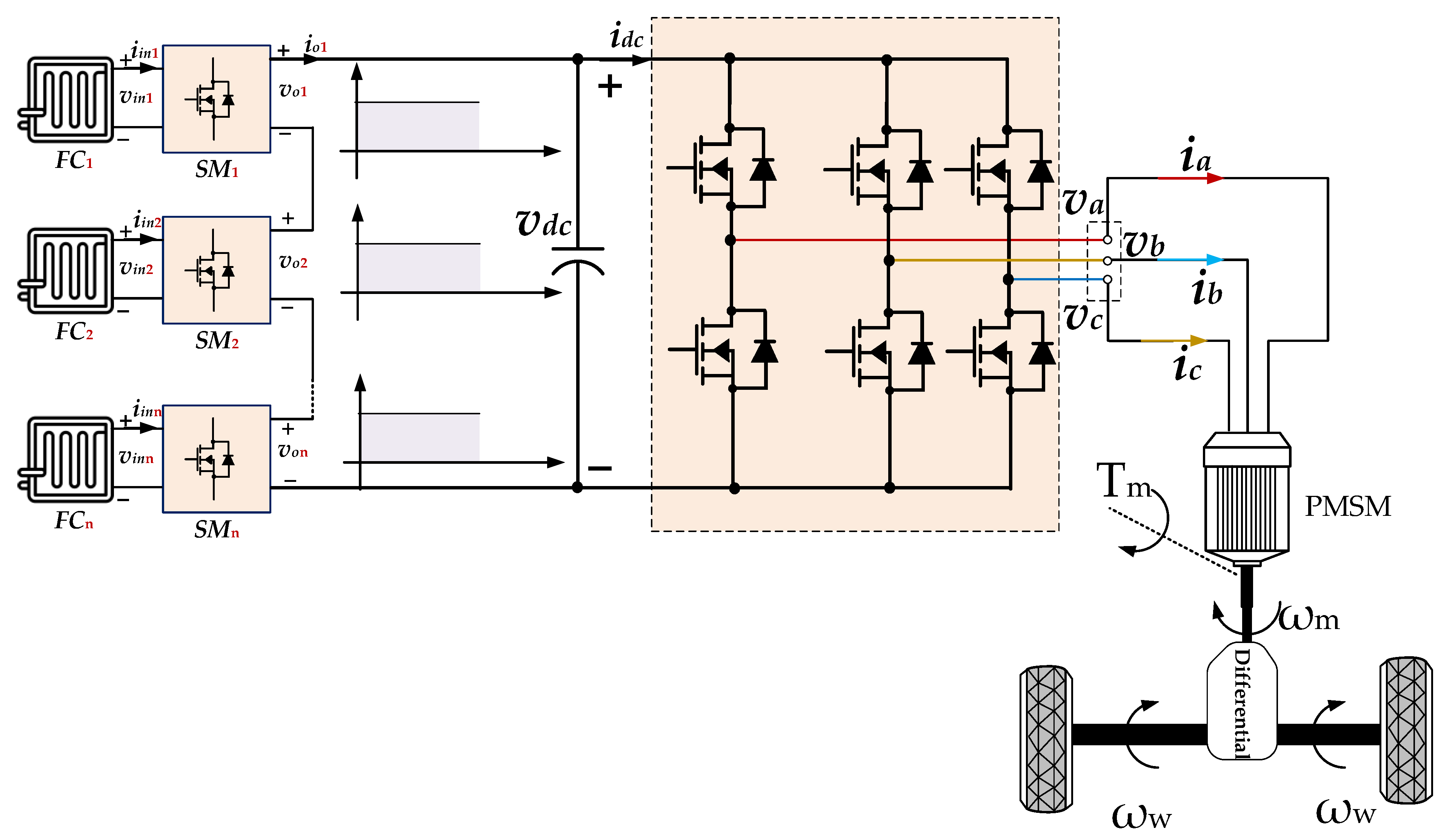
2. Overall System Description
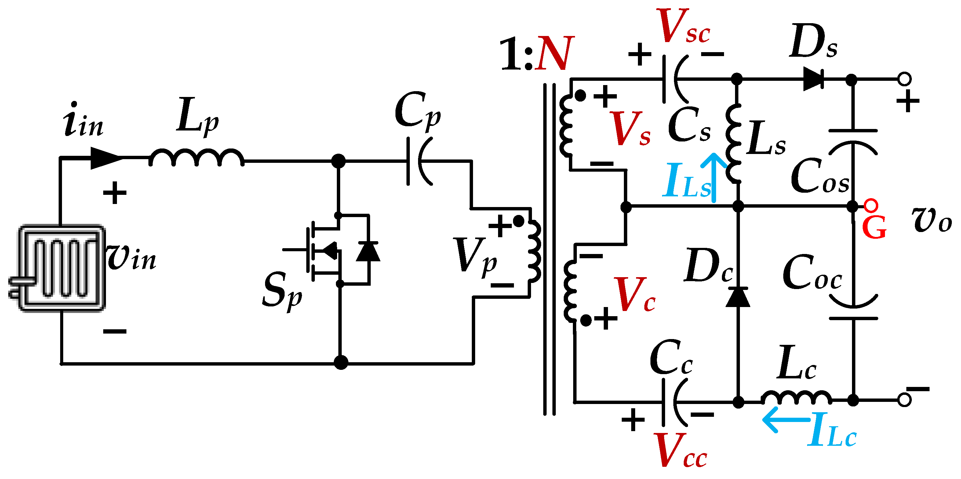
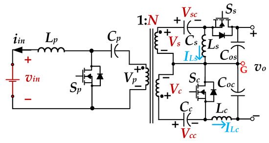
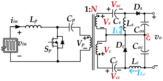
3. The Isolated SEPIC/CUK SM
4. MATLAB/SIMULINK Simulations
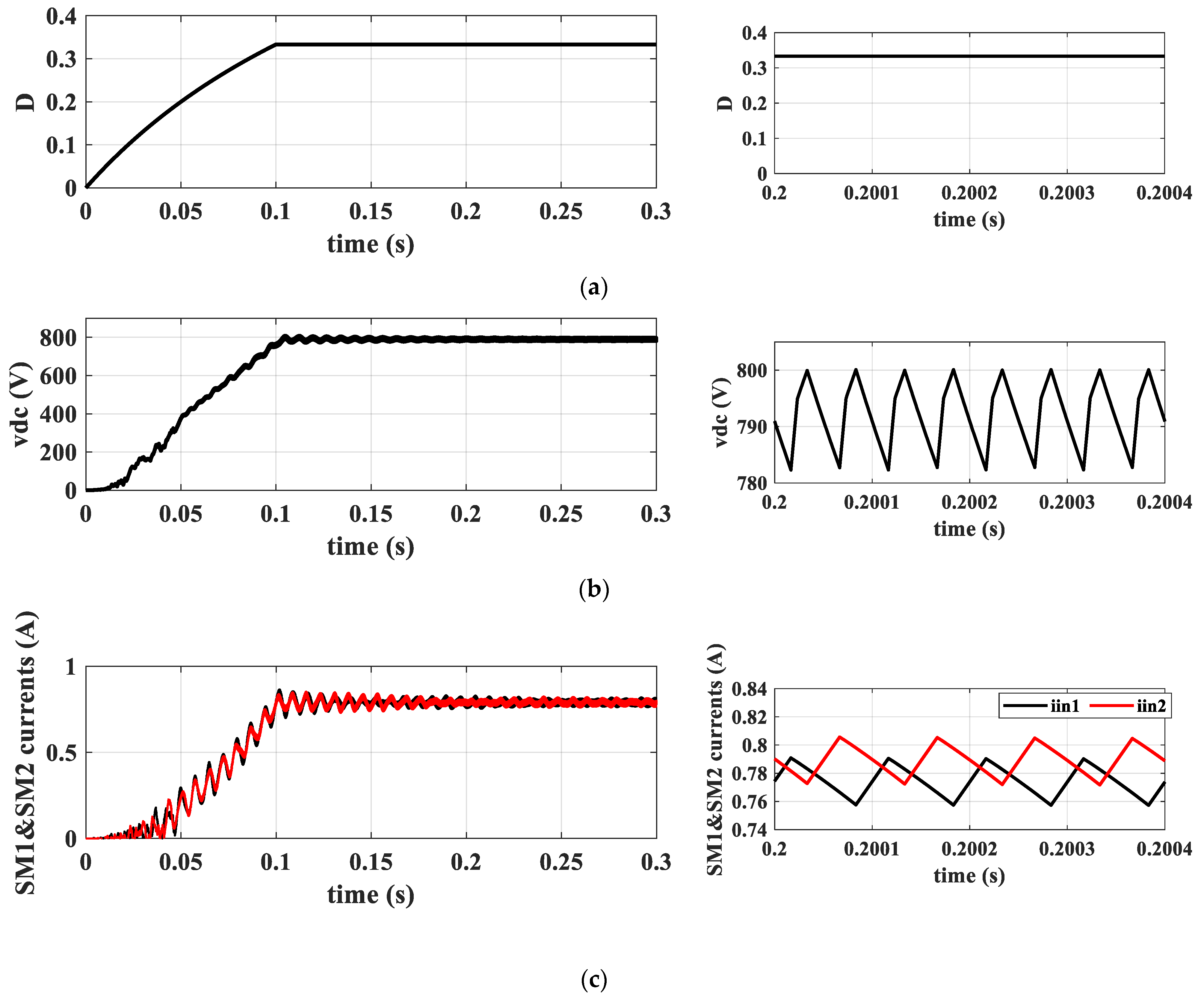
4.1. Initial Stage (Charging the DC-Link Capacitor)
4.2. EV Acceleration Stage
4.3. Driving at Top Speed
4.4. Regenerative Braking Capability
5. Design Methodology
5.1. The Mechanical Specifications of the EV
5.2. Design of the DC-Link Capacitor
5.3. Design of the DISC SM
6. Experimental Results
7. Conclusions
Author Contributions
Funding
Institutional Review Board Statement
Informed Consent Statement
Data Availability Statement
Conflicts of Interest
References
- International Energy Agency. CO2 Emissions from Fuel Combustion; International Energy Agency: Paris, France, 2019. [Google Scholar]
- Teske, S.; Niklas, S. Decarbonisation Pathways for Transport. In Achieving the Paris Climate Agreement Goals. Part 2: Science-Based Target Setting for the Finance Industry—Net-Zero Sectoral 1.5 °C Pathways for Real Economy Sectors; Teske, S., Ed.; Springer International Publishing: Cham, Switzerland, 2022; pp. 187–222. [Google Scholar]
- Jelti, F.; Allouhi, A.; Aoul, K.A.T. Transition Paths towards a Sustainable Transportation System: A Literature Review. Sustainability 2023, 15, 15457. [Google Scholar] [CrossRef]
- Aljumah, A.; Darwish, A.; Csala, D.; Twigg, P. A Review on the Allocation of Sustainable Distributed Generators with Electric Vehicle Charging Stations. Sustainability 2024, 16, 6353. [Google Scholar] [CrossRef]
- International Energy Agency. Global EV Outlook 2023: Catching Up with Climate Ambitions; International Energy Agency: Paris, France, 2023; Available online: https://iea.blob.core.windows.net/assets/dacf14d2-eabc-498a-8263-9f97fd5dc327/GEVO2023.pdf (accessed on 1 January 2024).
- Sorlei, I.-S.; Bizon, N.; Thounthong, P.; Varlam, M.; Carcadea, E.; Culcer, M.; Iliescu, M.; Raceanu, M. Fuel Cell Electric Vehicles—A Brief Review of Current Topologies and Energy Management Strategies. Energies 2021, 14, 252. [Google Scholar] [CrossRef]
- Bi, H.; Wang, P.; Che, Y. A capacitor clamped H-type boost DC-DC converter with wide voltage-gain range for fuel cell vehicles. IEEE Trans. Veh. Technol. 2019, 68, 276–290. [Google Scholar] [CrossRef]
- Wang, P.; Zhou, L.; Zhang, Y.; Li, J.; Sumner, M. Input-Parallel Output-Series DC-DC Boost Converter with a Wide Input Voltage Range, For Fuel Cell Vehicles. IEEE Trans. Veh. Technol. 2017, 66, 7771–7781. [Google Scholar] [CrossRef]
- Fang, T.; Vairin, C.; von Jouanne, A.; Agamloh, E.; Yokochi, A. Review of Fuel-Cell Electric Vehicles. Energies 2024, 17, 2160. [Google Scholar] [CrossRef]
- Nasr Esfahani, F.; Darwish, A.; Ma, X.; Twigg, P. Non-Integrated and Integrated On-Board Battery Chargers (iOBCs) for Electric Vehicles (EVs): A Critical Review. Energies 2024, 17, 2285. [Google Scholar] [CrossRef]
- Jia, C.; Zhou, J.; He, H.; Li, J.; Wei, Z.; Li, K.; Shi, M. A novel energy management strategy for hybrid electric bus with fuel cell health and battery thermal- and health-constrained awareness. Energy 2023, 271, 127105. [Google Scholar] [CrossRef]
- Zhang, Y.; Liu, H.; Li, J.; Sumner, M.; Xia, C. DC-DC boost converter with a wide input range and high voltage gain for fuel cell vehicles. IEEE Trans. Power Electron. 2018, 34, 4100–4111. [Google Scholar] [CrossRef]
- Benites Quispe, J.B.; Mezaroba, M.; Batschauer, A.L.; de Souza Ribeiro, J.M. A Reconfigurable Phase-Shifted Full-Bridge DC–DC Converter with Wide Range Output Voltage. Energies 2024, 17, 3483. [Google Scholar] [CrossRef]
- Darwish, A.; Holliday, D.; Finney, S. Operation and control design of an input-series—Input-parallel—Output-series conversion scheme for offshore DC wind systems. IET Power Electron. 2017, 10, 2092–2103. [Google Scholar] [CrossRef]
- Darwish, A.; Massoud, A.; Holliday, D.; Ahmed, S.; Williams, B. Generation, performance evaluation and control design of single-phase differential-mode buck—Boost current-source inverters. IET Renew. Power Gener. 2016, 10, 916–927. [Google Scholar] [CrossRef]
- Darwish, A.; Elserougi, A.; Abdel-Khalik, A.S.; Ahmed, S.; Massoud, A.; Holliday, D.; Williams, B.W. A single-stage three-phase DC/AC inverter based on Cuk converter for PV application. In Proceedings of the 2013 7th IEEE GCC Conference and Exhibition (GCC), Doha, Qatar, 17–20 November 2013; pp. 384–389. [Google Scholar]
- Elgenedy, M.A.; Darwish, A.; Ahmed, S.; Williams, B.W. A Modular Multilevel-Based High-Voltage Pulse Generator for Water Disinfection Applications. IEEE Trans. Plasma Sci. 2016, 44, 2893–2900. [Google Scholar] [CrossRef]
- Leyva-Ramos, J.; Ortiz-Lopez, M.; Diaz-Saldierna, L.; Morales-Saldaña, J. Switching regulator using a quadratic boost converter for wide DC conversion ratios. IET Power Electron. 2009, 2, 605–613. [Google Scholar] [CrossRef]
- de Sá, F.L.; Ruiz-Caballero, D.; Dal’Agnol, C.; da Silva, W.R.; Mussa, S.A. High Static Gain DC–DC Double Boost Quadratic Converter. Energies 2023, 16, 6362. [Google Scholar] [CrossRef]
- Zhang, Y.; Sumner, L.Z.M.; Wang, P. Single-Switch, Wide Voltage-Gain Range, Boost DC–DC Converter for Fuel Cell Vehicles. IEEE Trans. Veh. Technol. 2018, 67, 134–145. [Google Scholar] [CrossRef]
- Tang, Y.; Wang, T.; He, Y. A Switched-Capacitor-Based Active-Network. IEEE Trans. Power Electron. 2014, 29, 2959–2968. [Google Scholar] [CrossRef]
- Pires, V.F.; Cordeiro, A.; Foito, D.; Silva, J.F. High Step-Up DC-DC Converter for Fuel Cell Vehicles Based on Merged Quadratic Boost-Ćuk. IEEE Trans. Veh. Technol. 2019, 68, 7521–7530. [Google Scholar] [CrossRef]
- Phattanasak, M.; Gavagsaz-Ghoachani, R.; Martin, J.-P.; Nahid-Mobarakeh, B.; Pierfederici, S.; Davat, B. Control of a Hybrid Energy Source Comprising a Fuel Cell and Two Storage Devices Using Isolated Three-Port Bidirectional DC–DC Converters. IEEE Trans. Ind. Appl. 2014, 51, 491–497. [Google Scholar] [CrossRef]
- Hong, T.; Geng, Z.; Qi, K.; Zhao, X.; Ambrosio, J.; Gu, D. A wide range unidirectional isolated DC-DC converter for fuel cell electric vehicles. IEEE Trans. Ind. Electron. 2020, 68, 5932–5943. [Google Scholar] [CrossRef]
- Rathore, V.; Siddavatam, R.P.R.; Rajashekara, K. An Isolated Multilevel DC-DC Converter Topology with Hybrid Resonant Switching for EV Fast Charging Application. IEEE Trans. Ind. Appl. 2022, 58, 5546–5557. [Google Scholar] [CrossRef]
- Sheng, J.; Xiang, X.; Li, B.; Lu, R.; Li, C.; Zhang, X.; Li, W.; He, X. High-Efficient operation for modular multilevel resonant DC–DC converters in medium voltage applications with wide input range and wide load condition. IEEE Trans. Power Electron. 2023, 38, 12180–12194. [Google Scholar] [CrossRef]
- Darwish, A. A Modular Step-Up DC/DC Converter for Electric Vehicles. Energies 2024, 17, 6305. [Google Scholar] [CrossRef]
- Benevieri, A.; Carbone, L.; Cosso, S.; Marchesoni, M.; Passalacqua, M.; Savio, S.; Vaccaro, L. A New Feed-Forward Control for Dynamics Improvement in a Dual-Input DC–DC Converter for Hybrid Vehicle Applications. Energies 2024, 17, 2170. [Google Scholar] [CrossRef]
- Ahmed, A.A.; Benmouna, A.; Becherif, M.; Hilairet, M.; Saad Al-Sumaiti, A. New Interleaved-Input Double Float-Output DC/DC Converter Topology for Battery- Based EVs: Design, Modeling, Analysis and Experimental Implementation. IEEE Access 2024, 12, 77870–77890. [Google Scholar] [CrossRef]
- Darwish, A.; Elgenedy, M.A.; Williams, B.W. A Review of Modular Electrical Sub-Systems of Electric Vehicles. Energies 2024, 17, 3474. [Google Scholar] [CrossRef]
- Alotaibi, S.; Darwish, A.; Williams, B.W. Three-phase inverter based on isolated SEPIC/CUK converters for large-scale PV applications. Int. J. Electr. Power Energy Syst. 2023, 146, 108723. [Google Scholar] [CrossRef]
- Anand, A.; Singh, B.P. Power factor correction in Cuk–SEPIC-based dual-output-converter-fed SRM drive. IEEE Trans. Ind. Electron. 2017, 65, 1117–1127. [Google Scholar] [CrossRef]
- Sholihah, F.H.; Aisyah, V.A.F.; Prasetya, H.E.G. Optimizing Low Power Solar Power Plants through the Implementation of a SEPIC-CUK Combination Converter. In Proceedings of the 2023 Sixth International Conference on Vocational Education and Electrical Engineering (ICVEE), Surabaya, Indonesia, 14–15 October 2023; pp. 167–172. [Google Scholar]
- Nathan, K.S.; Ghosh, S.S.; Tripathi, P.R.; Siwakoti, Y.P.; Flack, T.J.; Li, X.; Long, T. Benefits of the CI-CCS converter. J. Eng. 2019, 17, 4527–4531. [Google Scholar] [CrossRef]
- Wang, Y.; Qiu, Y.; Bian, Q.; Guan, Y.; Xu, D. A Single Switch Quadratic Boost High Step Up DC–DC Converter. IEEE Trans. Ind. Electron. 2019, 66, 4387–4397. [Google Scholar] [CrossRef]
- Wu, X.; Yang, M.; Zhou, M.; Zhang, Y.; Fu, J. A novel high-gain DC-DC converter applied in fuel cell vehicles. IEEE Trans. Veh. Technol. 2020, 69, 12763–12774. [Google Scholar] [CrossRef]
- Krastev, I.; Tricoli, P. Boost multilevel cascade inverter for hydrogen fuel cell light railway vehicles. IEEE Trans. Ind. Electron. 2022, 69, 7837–7847. [Google Scholar] [CrossRef]



















| Parameter | Value |
|---|---|
| Number of SMs | n = 8 |
| FC Input voltage | Vin = 100 V |
| SM inductances | Lp = Ls = Lc = 1 mH |
| SM capacitance | Cp = Cs = Cc = 30 µF |
| SM HFT turns’ ratio | N = 1 |
| Rated DC-link voltage | 800 V |
| DC-link Capacitor | Cdc = 100 µF |
| Switching frequency | 50 kHz |
| Total EV mass | 300 kg |
| EV peak power | 40 kW |
| HFTs turn’s ratios | 1 |
| Parameter | Value |
|---|---|
| Traction inverter DC voltage | 800 V |
| EV peak power | 40 kW |
| Electric machine type | Permanent Magnet Synchronous Machine |
| Number of poles | 12 |
| Base speed | 6000 rpm |
| Machine peak torque | 140 N.m |
| Flux of rotor permanent magnet | 0.2 W |
| Peak current | 200 |
| Machine efficiency | 95% |
| Machine phase inductances | Ld/Lq = 125/130 μH |
| Internal phase resistance at 25 °C | 12 mΩ |
| Wheel radius | r = 30 cm |
| Gearbox ratio | G = 6 |
| DC-link Capacitor | 100 µF |
| DISC Switching frequency | fs = 16 kHz |
| DISC inductors | Lp = 2 mH, Ls/Lc = 1 mH |
| DISC capacitors | Cp = Cs = Cc = 20 μF |
| Nominal input voltage | Vin = 100 V |
| Number of SMs | n = 8 |
| HFT turn’s ratio | N = 1 |
| Parameter | Value |
|---|---|
| Input voltage of the traction inverter | 100 V |
| Number of SMs | n = 4 |
| Maximum power | 3 kW |
| Motor type | PMSM |
| Motor maximum speed | 2000 rpm |
| PMSM peak torque | 30 N.m |
| PMSM efficiency | 95% |
| Mechanical differential gearbox ratio | G = 3 |
| Diameter of the wheels | 60 cm |
| Capacitance of the DC-link | Cdc = 30 µF |
| Peak DC-link output current | 50 A |
| Digital Signal Processor | TMS320F28335 |
| Voltage transducers | LEM 25-P |
| Current transducers | LEM HTFS 200-P |
| Speed transducers | SS360NT |
Disclaimer/Publisher’s Note: The statements, opinions and data contained in all publications are solely those of the individual author(s) and contributor(s) and not of MDPI and/or the editor(s). MDPI and/or the editor(s) disclaim responsibility for any injury to people or property resulting from any ideas, methods, instructions or products referred to in the content. |
© 2025 by the authors. Licensee MDPI, Basel, Switzerland. This article is an open access article distributed under the terms and conditions of the Creative Commons Attribution (CC BY) license (https://creativecommons.org/licenses/by/4.0/).
Share and Cite
Darwish, A.; Aggidis, G.A. A Modular Step-Up DC–DC Converter Based on Dual-Isolated SEPIC/Cuk for Electric Vehicle Applications. Energies 2025, 18, 146. https://doi.org/10.3390/en18010146
Darwish A, Aggidis GA. A Modular Step-Up DC–DC Converter Based on Dual-Isolated SEPIC/Cuk for Electric Vehicle Applications. Energies. 2025; 18(1):146. https://doi.org/10.3390/en18010146
Chicago/Turabian StyleDarwish, Ahmed, and George A. Aggidis. 2025. "A Modular Step-Up DC–DC Converter Based on Dual-Isolated SEPIC/Cuk for Electric Vehicle Applications" Energies 18, no. 1: 146. https://doi.org/10.3390/en18010146
APA StyleDarwish, A., & Aggidis, G. A. (2025). A Modular Step-Up DC–DC Converter Based on Dual-Isolated SEPIC/Cuk for Electric Vehicle Applications. Energies, 18(1), 146. https://doi.org/10.3390/en18010146
