Abstract
This study investigates the thermal performance of various counterflow air-to-air heat exchangers under unbalanced flow conditions, aiming to enhance the efficiency of heat recovery systems. Mechanical ventilation with heat recovery is critical in energy-efficient buildings to reduce heat loss, which can reach up to 60% in air exchange processes. This research focuses on the effects of flow imbalance on the heat transfer efficiency of three specific heat exchangers: two commercially available models (Recair Sensitive RS160 and Core ERV366) and a custom 3D-printed prototype (GV PROTO). Experimental tests measured temperature efficiency under both balanced and unbalanced flow conditions, with results indicating that flow imbalance significantly impacts thermal efficiency. Among the exchangers, the RS160 displayed the highest temperature efficiency, maintaining performance better than the others as flow rates increased. The results of the study show that even small differences in the thermal efficiency of different heat exchangers under balanced airflow conditions transform into significant differences under unbalanced conditions. These findings contribute to a better understanding of how real-world ventilation imbalances affect heat exchanger performance, offering insights to optimize energy efficiency in ventilation systems.
1. Introduction
Energy regeneration and development of energy-efficient devices are key aspects in many current technological fields, with the main objective being to reduce energy consumption [1] and improve energy efficiency [2,3]. These range from green energy resources [4], modern means of transport [5,6,7], organization and evaluation of transport [8,9,10] to contemporary information and communication technology [11]. Another important application of energy recuperation technology is in ventilation systems with heat recovery [12].
Ventilation is the process of air exchange, while simultaneously removing unwanted substances emitted within a room. The use of ventilation equipment is aimed at maintaining the proper condition of air in the room, since air parameters such as temperature and composition have a major impact on human well-being and productivity, as well as the proper functioning of equipment. Air parameters that should be closely monitored and kept at the right level are temperature, humidity, velocity and the concentration of pollutants [13,14].
Improper ventilation may lead to Sick Building Syndrome (SBS). SBS is a set of ailments that occur in occupants of specific buildings or rooms as a consequence of improper ventilation. Typical symptoms of SBS include fainting, headaches, nausea, signs of fatigue, breathing difficulties and irritation of the mucous membranes [15,16,17].
Air exchange within a room can be achieved using a natural or mechanical ventilation system. Natural ventilation involves the exchange of air in a building through air movement caused by natural forces, i.e., the effects of wind and gravity. A type of natural ventilation commonly used in construction is gravity ventilation, where polluted air is removed through vertical exhaust ducts due to the difference in air density outside and inside the building. The functioning of gravity ventilation depends on the prevailing weather conditions, and the air blown into the room is untreated [18].
Mechanical ventilation involves forced air exchange using fans or jets. Weather conditions do not significantly affect the mechanical ventilation process. An additional advantage is the ability to control the amount of air supplied [13,19].
Modern energy-efficient buildings are constructed using building materials that reduce energy losses to a minimum. The greatest heat losses in such buildings are caused by air exchange. These losses can amount to as much as 60% of total heat losses. In order to minimize energy losses resulting from building ventilation, gravity ventilation systems have been replaced with mechanical ventilation systems with heat recovery, whereby warm air exhausted from rooms is used to heat cool air supplied from outside the building [20]. Heat recovery in ventilation and air conditioning systems relies on using the heat contained in the exhaust air stream to preheat the supply stream of the air supply [12,21,22]. Heat exchange occurs in a heat exchanger—a device used to transfer heat energy from one medium to another. The medium is usually a gas or liquid [23,24].
Recuperative Cross-Plate Heat Exchangers
Cross-plate heat exchangers are called recuperators. The name of the exchanger comes from the direction of the air streams—the supply and exhaust air streams flow in a counterflow arrangement. The streams are separated by a plate, through which heat is exchanged due to the temperature difference on each side. The separation of air streams ensures that pollutants and odors are not transferred to the supply air stream [25,26,27]. Regardless of the design of the exchanger, two types of heat recovery ventilation systems exist: non-enthalpic HRV (Heat Recovery Ventilation) exchangers, which are designed to recover only sensible heat, and enthalpic ERV (Energy Recovery Ventilation) exchangers which are designed to recover total heat, i.e., both sensible and latent heat.
The cross-plate heat exchanger (Figure 1) consists of many thin plates arranged in parallel layers with small gaps, creating air channels [12,23].
Figure 1.
Construction of a cross-plate heat exchanger.
The efficiency of the cross-plate heat exchanger is from 50 to 70% [28]. The plate material is typically metal or metal alloy, which enables the recovery of only sensible heat. An alternative to metal plates is the use of vapor-permeable materials that enable the recovery of sensible and latent heat [12].
Counterflow heat exchangers were developed as a result of modification of crossflow exchangers. The modification involves cutting the exchanger along the diagonal and installing a cuboid-shaped element between the two halves of the exchanger created as a result of the cut (Figure 2). The supply and exhaust airflows move in a crossflow arrangement in the outer sections of the exchanger, while in the central section, they flow in a counterflow arrangement—that is, parallel but in opposite directions. Extending the exchanger increases the heat exchange duration between the air streams. The efficiency of counterflow exchangers typically ranges from 70 to 90%. The operating characteristics of counterflow exchangers are otherwise similar to those of crossflow exchangers.
Figure 2.
Counterflow heat exchanger.
Heat exchangers serve as the primary components of air handling units. These devices are equipped with fans that drive air through the heat exchanger, along with air filters to maintain proper air treatment and, if necessary, additional air heaters. The operation is monitored and controlled by sensors that measure temperature and air quality parameters, all integrated with the automation module.
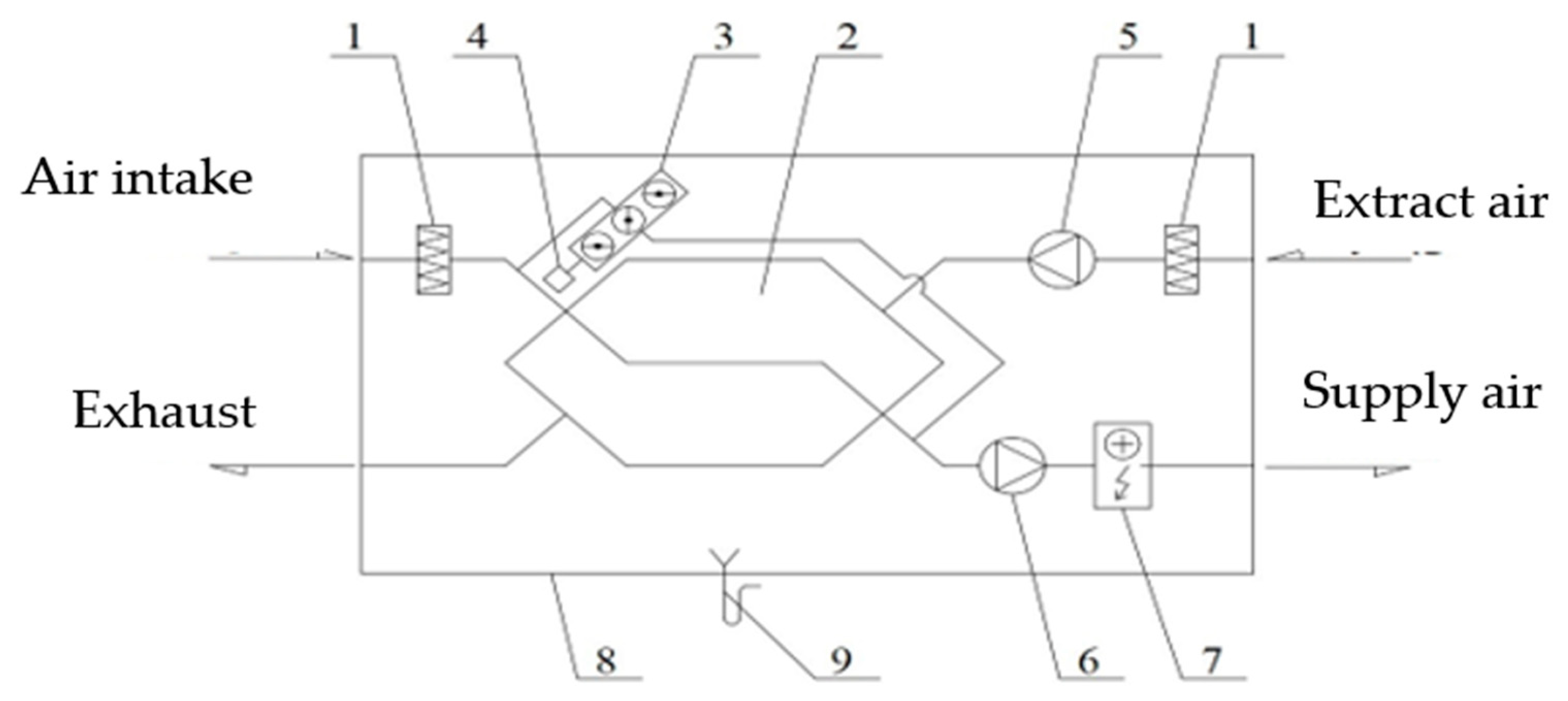
A diagram of a ventilation unit with a counterflow exchanger is shown in Figure 3.
Figure 3.
Diagram of a ventilation unit with a counterflow heat exchanger. 1—filter, 2—counterflow heat exchanger, 3—bypass damper, 4—damper actuator, 5—exhaust fan, 6—supply fan, 7—airheater, 8—unit casing, 9—drain pipe.
The deliberate creation of conditions of underpressure and overpressure in buildings is categorically prohibited by standards. According to the standard PN-EN 13141-7:2021-09 [29], balanced operation of a ventilation unit occurs when the exhaust and supply air mass flows are balanced to within 3% in relation to the extracted air mass flow. If the 3% threshold is exceeded, the device is considered unbalanced [28,30].
Current research in the field of ventilation systems indicates that the highest efficiency in heat recovery is achieved under balanced air flow conditions. In [22], it was demonstrated that both thermal efficiency and moisture recovery efficiency significantly decrease in unbalanced flow scenarios. Despite this understanding, there remains a noticeable gap in the literature regarding the detailed behavior of heat recovery systems when airflows are unbalanced. Such studies could provide valuable insights into the potential for further efficiency improvements and guide the development of more robust and effective designs.
Mechanical ventilation systems are diverse, encompassing centralized and decentralized configurations designed to meet the needs of various building types and applications. Centralized systems, commonly employed in larger buildings, are known for their ability to achieve higher thermal efficiencies due to their integrated and streamlined design. These systems often utilize a single air handling unit (AHU) to distribute air throughout the building via an extensive network of ducts. In contrast, decentralized systems are typically used in smaller buildings or individual rooms, providing localized ventilation without the need for complex ductwork. While decentralized systems are easier to install and maintain, they often fall short in terms of energy efficiency compared to centralized systems. According to multiple studies, including [31], the highest efficiencies are achieved by centralized air distribution systems.
Centralized ventilation systems are inherently complex, composed of ducts with varying cross-sections, lengths, and material properties. These variations often arise due to the unique architectural and structural characteristics of buildings, as well as the specific placement of the AHU. The diversity in duct design leads to differing pressure drops throughout the system, which can significantly affect airflow distribution. Furthermore, the sections of the system responsible for supplying fresh air are often structurally different from those handling exhaust air. This disparity in design, combined with symmetric fan control mechanisms commonly used in centralized units, frequently results in unbalanced operational conditions. Such imbalances not only reduce the overall efficiency of the system but can also lead to increased wear and tear on components and higher energy consumption [32].
The issue of balancing airflows is important in any ventilation system. In systems with heat recovery, the problem becomes even more crucial. This is because unbalanced conditions result in an abnormal amount of air delivered to buildings, but more importantly, leading to significant heat loss. The challenge of balancing airflows in ventilation systems is the subject of numerous scientific studies which are usually experimental investigations.
An experimental study conducted in Luxembourg [31] evaluated the performance of 20 centralized and 60 decentralized mechanical ventilation systems in single- and multi-family homes under actual operating conditions. The results showed that airflow in the decentralized units was significantly affected by pressure differences between inside and outside due to wind or stack effects, resulting in reduced heat recovery efficiency. Measured heat recovery efficiencies averaged 0.65 ± 0.24 for centralized systems and 0.7 ± 0.17 for decentralized systems—well below the nominal values quoted by manufacturers determined under balanced conditions. The results of this study show that the overall energy efficiency of ventilation system installed in residential buildings under actual operating conditions is often lower than expected due to system operation in an unbalanced state.
José Fernández-Seara et al. conducted an experimental analysis of an air-to-air heat recovery unit for balanced ventilation systems in residential buildings [24]. The study demonstrated that as the airflow rate increases, the heat transfer rate also increases, while the efficiency decreases. A significant impact of the airflow rate on the operational parameters of the AHU was observed. Specifically, the thermal efficiency decreased from 94% to 78% as the airflow rate increased from 50 m3/h to 175 m3/h. Furthermore, the heat transfer rate was shown to increase by approximately 65% when the airflow rate rose from 50 m3/h to 175 m3/h, emphasizing a strong correlation between the airflow rate balance and other performance parameters of the ventilation system. However, the study did not extend its scope to include unbalanced operating conditions, which could have provided valuable additional insights.
In another study [33], the authors highlighted two primary challenges in the air-balancing process. The first challenge is accurately calculating duct resistance under conditions of partially developed flow. The second is determining the degree of damper adjustment when the flow characteristics of the dampers are affected. To address these issues, the researchers proposed a pressure balance model tailored for partially developed flow conditions, transforming the parameter identification problem into a multi-objective optimization problem solved using the elitist non-dominated sorting genetic algorithm II (NSGA-II). This approach reduced the average error in resistance calculation by 78.83–82.24% compared to traditional models. Additionally, leveraging the resistance characteristics (degree, airflow, and pressure difference) of dampers, the researchers employed XGBoost machine learning to enhance damper adjustment accuracy, reducing the average error by 62.27–94.6% relative to manual methods. Experimental validation demonstrated the method’s effectiveness, achieving an average airflow relative error of just 4.11% and a maximum error below 10%.
The issue of air balancing is considered from various perspectives and in different ventilation systems, reflecting its critical role in maintaining energy efficiency and indoor environmental quality. Researchers are continuously seeking more advanced solutions to effectively achieve and maintain airflow balance. For example, in [34], a novel method was proposed using an improved perceptron model under multiple constraints. This approach integrates damper angle, fan control voltage, and fan power into a unified optimization framework, aiming to enhance airflow accuracy while minimizing energy consumption. The integration of multiple constraints into an improved perceptron model provides a flexible and independent system capable of precise adjustments based on varying operational conditions. Such innovative techniques highlight ongoing efforts to develop flexible, precise, and energy-efficient air-balancing strategies in modern ventilation systems.
Despite the recognized importance of maintaining balanced airflows, there is a lack of comprehensive studies addressing the specific challenges and operational behaviors of ventilation systems under unbalanced conditions. Most existing research focuses on the theoretical and experimental performance of systems under ideal balanced conditions, neglecting the real-world scenarios where imbalances are common due to system design limitations or external factors such as wind pressure or building leakage. Unbalanced airflow conditions can lead to reduced heat and moisture recovery efficiencies, increased energy costs, and even discomfort for building occupants due to temperature and humidity inconsistencies. Addressing this research gap is critical for improving the design and operation of mechanical ventilation systems. Future studies should investigate not only the impact of airflow imbalances but also strategies to mitigate these effects, such as advanced control algorithms, better fan design, or enhanced ductwork engineering.
Heat exchanger technologies are pivotal in industries requiring thermal energy transfer. The developments focus on improving efficiency, compactness, and sustainability. The directions of these works can be divided into three main research areas. Publications on the subject according to these research areas are presented in Table 1.
Table 1.
Research efforts correlated to selected areas.
2. Materials and Methods
The aim of the study is to investigate the thermal performance behavior in air-to-air heat exchangers under unbalanced airflow conditions. This study involves a comparative analysis of the heat transfer performance of selected counterflow air-to-air heat exchangers, specifically evaluating their performance at various levels of unbalanced flow. By focusing on these conditions, the study seeks to provide insights into how deviations from balanced flow affect the thermal performance of such systems, contributing to a deeper understanding of performance dynamics in real-world applications where unbalanced flows are common.
To facilitate this investigation, a prototype air-handling unit was specifically designed and utilized for experimental purposes. The research included a comparative analysis of three heat exchangers (Figure 4): two commercially available models (Recair Sensitive RS160 and Core ERV366, CORE, Waalwijk, The Netherlands) and a third, custom-fabricated exchanger produced using Fused Deposition Modeling (FDM) 3D printing technology in the 3D printing laboratory at Koszalin University of Technology (GV PROTO). This setup enabled a comprehensive evaluation of the thermal performance and efficiency of each exchanger under controlled conditions.
Figure 4.
The counterflow plate heat exchangers used for the tests: (a) non-enthalpic Recair Sensitive RS160; (b) enthalpic Core ERV366; (c) prototype exchanger GV PROTO.
All the heat exchangers tested share the same shape and external dimensions (Figure 5). Each exchanger is composed of three primary sections: the main heat exchange section and two air diffusion sections. The role of the diffusion sections is to evenly distribute the air, ensuring a consistent flow through the main heat exchange section.
Figure 5.
Structural design of heat exchangers.
For the RS160 exchanger, the geometry of the exchange section (Figure 6) is designed with triangular-shaped flow channels, resulting in a total surface area of up to 29 m2.
Figure 6.
Cross-section view of RS160 heat exchanger.
The CORE ERV366 heat exchanger is designed using a combination of a polymer membrane and spacers, which play a critical role in its structure and functionality. The polymer membrane is resistant to deformation. The inclusion of spacers helps to optimize airflow and support the overall geometry of the exchanger. As a result of this design, the total surface area is approximately 25 m2 (Figure 7).
Figure 7.
Cross section view of CORE ERV366 heat exchanger.
The GV PROTO prototype heat exchanger features an internal structure designed with consideration for the constraints of 3D printing technology (Figure 8). This design approach resulted in a wall thickness of 0.4 mm and a 45-degree angle on the recesses and protrusions within the diffusion section. The total surface area achieved is 27 m2.
Figure 8.
Cross-section view of GV-PROTO heat exchanger.
2.1. Determining the Thermal Efficiency of Heat Exchangers
To assess the quality of the heat recovery system, a value called heat recovery efficiency is taken into account. This value is a reliable nominal number and serves as a measure of the use of energy potential [24,25,51]. In practice, it is assumed that the heat recovery efficiency of heat exchangers is determined by the ratio of the difference in the parameters of the outside air before and after the exchanger (air intake and supply air) to the difference in the parameters of the extracted air and the outside air supplied to the heat exchanger (extracted air and air intake). A distinction is made between the concept of sensible heat recovery and the concept of total heat recovery. Considering the recovery of sensible heat, only the increase in the air temperature itself is considered. In the case of total heat recovery, the recovery of sensible heat and moisture is taken into account [46]. A schematic diagram of the ventilation unit with the symbolic designations used in the calculations is shown in Figure 9.
Figure 9.
A schematic diagram of a ventilation unit with symbols of variables for calculations. Two types of efficiency are distinguished: overall efficiency and temperature efficiency .
2.2. Overall Efficiency of Heat Exchangers
In a system for the recovery of sensible and latent heat resulting from the condensation of moisture from the air, the equation for the total heat exchange efficiency should be used [52]. The total heat exchange efficiency is the ratio of the heat recovered in the system to the heat potentially recoverable.
Total heat exchange efficiency assuming the equality of the mass flows of exhaust and supply air is expressed by the following equation [20,53]:
where —enthalpy of the air supplied before the exchanger (intake); —enthalpy of the air supplied after the exchanger (supply); —enthalpy of the exhaust air before the exchanger (exhaust).
To investigate changes in the thermal performance of heat exchangers under conditions of unbalanced flows, temperature efficiency was selected as the primary performance indicator. This approach focuses on assessing how effectively the heat exchanger transfers heat without factoring in changes in enthalpy. By isolating temperature efficiency, the study aims to capture the impact of flow unbalance on the heat transfer process specifically in terms of temperature differential, providing a clearer view of how varying flow conditions influence thermal performance.
2.3. Temperature Efficiency of Heat Exchangers
In a system focused solely on the recovery of sensible heat, the temperature efficiency is close to the total efficiency expressed by the following formula [20,24]:
where —temperature of the air before the exchanger (intake); —temperature of the supplied air after the exchanger (supply); —temperature of the extracted air before the exchanger (extracted air).
In accordance with the requirement set out in the PN-EN 13141-7:2021-09 (2021) standard, the exchanger manufacturer is obliged to determine the heat recovery temperature efficiency of the exchanger in relation to the air intake temperature. The temperature efficiency is the basic determinant of the quality of sensible heat recovery, because it determines the percentage of heat energy recovered from the airflow [19,29]:
where —volumetric flow rate of supply air of the exchanger (supply), —volumetric flow rate of extracted air of the exchanger (extracted air).
If necessary, the temperature efficiency of the heat exchanger can be determined relative to the temperature of the air stream extracted from the rooms. However, the efficiency is an additional, not required, determinant, which from the point of view of the ventilation system user is not as important as the efficiency value . The temperature efficiency is calculated from the following equation [19,29]:
where —exhaust air temperature of the exchanger (exhaust vent), —volumetric flow rate of supply air of the exchanger (intake vent), —volumetric flow rate of exhaust air of the exchanger (exhaust vent).
3. Experimental Setup
The first stage of the research was the creation of a research station to enable measurements of basic operating parameters of the ventilation unit. The research station was located on the campus of the Koszalin University of Technology. After the test stand was completed, tests were conducted to evaluate the thermal efficiency of HRV and ERV type exchangers and the prototype GV PROTO exchanger which was manufactured using 3D printing technology. First, measurements of the temperature efficiency and were carried out under balanced airflow conditions of supply and exhaust airflows, and then in conditions of unbalanced airflows. The test stand is shown in Figure 10.
Figure 10.
Test stand for measuring operating parameters of ventilation unit.
The main element of the stand was the prototype ventilation unit. The exhaust and intake ducts were made of an insulated ventilation duct with a diameter of 200 mm, which was connected to the ports installed at the supply and exhaust outlets of the ventilation unit to avoid mixing airflows. The construction of the ventilation unit is shown in Figure 11. Structurally, the unit was divided into four chambers: supply, extract, intake and exhaust, which were connected to the appropriate channels, i.e., the supply chamber with the supply duct and the rest analogously. Inside the unit, it was possible to mount 300 mm-high counterflow exchangers. Each chamber was equipped with a Dallas Instruments DS18B20 digital temperature sensor (ECCN, Cambridge, MA, USA). Technical specifications Dallas Instruments DS18B20 in Table 2. The air handling unit had two fans—one supply and one exhaust. Two filters were installed in the unit to treat the air and protect the heat exchanger.
Figure 11.
Interior view of the ventilation unit.
Table 2.
Technical specifications of the Dallas Instruments DS18B20 digital temperature sensor.
Control of the unit functions was possible thanks to the automation module (Figure 12), located on the side wall of the unit, which was based on the ESP32 microcontroller (Espressif Systems, Shanghai, China). After connecting to the ESP32, it was possible to control the rotational speed of the fans individually by adjusting the PWM signal and read the temperature value in all the main chambers of the ventilation unit. The programs that controlled the unit were written in the Arduino IDE 2.3.2 programming environment and communicated with the controller via a serial port. The temperature value was read using temperature sensors installed in the chambers of the unit with an accuracy of ±0.25 °C.
Figure 12.
Control module of prototype air handling unit.
3.1. The Procedure for Conducting Thermal Efficiency Tests Under Conditions of Balanced Airflow
The temperature efficiency and of the available heat exchangers was measured while maintaining balanced supply and exhaust airflows. The tests were conducted at both negative and positive outside air temperatures. Specific temperature values are provided in the section devoted to measurement results. The measurement procedure is presented below.
The air handling unit was started and connected to the air handling unit controller.
Using the control program and the PWM signal, the fan speed was controlled separately to obtain the desired values of the volumetric airflow rate on the supply and exhaust . The device was controlled to achieve identical volumetric airflow values for supply and exhaust —flow balance. Since achieving exact balance was not feasible, the permissible difference in airflow was assumed at the level of ±0.5%. The volumetric airflow rate Q was measured using a Testo 417 digital anemometer (Testo SE & Co. KGaA, Lenzkirch, Germany) by applying the measuring sleeve to the supply and extract. Technical specifications Testo 417 in Table 3.
Table 3.
Technical specifications of the Testo 417 anemometer windmill.
After obtaining the correct volumetric airflow rate on both channels, the ventilation unit was left for 15 ± 1 min to achieve a steady state condition.
The temperature values of heat exchanger inlets and outlets were read and recorded—supply, extract, intake, exhaust.
The fan speeds were increased to obtain new values of the volumetric airflow rate in the supply and exhaust . Steps 3, 4, and 5 were repeated until the maximum volumetric airflow rate Qmax was reached.
After performing the measurements, the temperature efficiency of the exchangers was calculated according to Equations (3) and (4) for specific values of the volumetric airflow rate .
3.2. The Procedure for Conducting Thermal Efficiency Tests in Conditions of Unbalanced Supply and Extraction Airflows
The thermal performance of the system was tested under unbalanced airflow conditions. Unbalanced conditions occur when the amount of extracted air differs from the amount of supplied air flowing through the heat exchanger. Due to the pressure condition created inside the ventilated space, underpressure and overpressure were distinguished.
A series of experiments were conducted to examine the temperature in the air handling unit chambers under conditions where overpressure is generated in the ventilated room. The procedure for the first experiment was as follows.
- The air handling unit was started and connected to the air handling unit controller.
- Initially, the fans were adjusted to ensure that identical volumetric airflow rates of 255 ± 2 were obtained on the supply and extraction. The vents were controlled to provide a balance of flows at the level of 255 ± 2 .
- After controlling the fans, the system was left to stabilize for 15 ± 1 min to achieve a steady state.
- Temperature values in all four chambers of the air handling unit were read and recorded.
- To create overpressure in the room, the supply fan speed was left unchanged, and the exhaust fan speed was reduced by 10%.
- Steps 3, 4, and 5 were repeated with an additional 10% reduction in the exhaust fan speed, until it was reduced to 60% of the initial speed.
The procedure for generating underpressure was identical except that the speed of the supply fan was reduced, thus the exhaust fan speed remained unchanged to generate underpressure.
4. Results
The graphs of the temperature efficiency and of the heat exchangers as a function of the volumetric airflow rate Q were drawn and the measurement uncertainties were calculated (Figure 13 and Figure 14).
Figure 13.
Temperature efficiencies of selected heat exchangers at an outdoor air temperature of −4 °C.
Figure 14.
Temperature efficiencies and of selected heat exchangers at an outdoor air temperature of −4 °C.
The graphs present the temperature efficiencies for supply and exhaust of three different heat exchangers—CORE ERV366, RS160, and GV PROTO—as a function of the volumetric flow rate (Q) of air, measured in cubic meters per hour (m3/h). Each data point is accompanied by error bars to represent the measurement uncertainty.
The observed trend shows that the temperature efficiency of all tested exchangers decreases as the airflow rate increases. This pattern is expected in heat exchanger performance, as higher flow rates typically lead to reduced efficiency due to shorter residence times of air within the exchanger, which limits the time available for heat transfer.
The gap in temperature efficiency between the exchangers widens as the flow rate increases, indicating that some models maintain their performance better under high flow conditions. Among the tested exchangers, RS160 achieved the highest temperature efficiency across all flow rates, with values consistently above 85%, showing a gradual but relatively moderate decline. CORE ERV366 followed with intermediate efficiency levels, while GV PROTO displayed the lowest temperature efficiency, particularly at higher flow rates.
Under real-world conditions, unbalanced flows (where supply airflow has a different flow rate than the extracted air) are common, as perfect flow balance is rare. Therefore, a study of the heat transfer performance of selected countercurrent air-to-air heat exchangers under unbalanced flow conditions was conducted.
Based on the measurements, the concept of the hot and cold sides of the heat exchanger was introduced. The hot side was defined as the extract and supply, and the cold side as the intake and exhaust. Such a concept is useful for evaluating energy efficiency in ventilation systems that are not equipped with flow rate measurement devices.
The temperature difference between the hot side and cold side were defined and calculated as follows:
where —air temperature in the supply chamber, —air temperature in the extraction chamber, —air temperature in the intake chamber, —air temperature in the exhaust chamber.
The percentage differences between the volumetric airflows of the supply and the exhaust were calculated from the following equation:
where —initial value of the volumetric airflow of the supply, —current value of the volumetric airflow of the supply, —initial value of the volumetric airflow of the extracted air, —current value of the volumetric airflow measurement of the extracted air.
Based on equation 7, airflow balance occurs when . Overpressure (positive unbalance) occurs in the room when . Negative pressure (negative unbalance) is created in the room when .
Based on temperature measurements, , , were calculated for all tested heat exchangers. Then, using the least squares approximation method, the characteristics of the temperature difference as a function of the flow difference were determined; the results are shown in Figure 15.
Figure 15.
Plot of hot-side ∆tc and cold-side ∆tz temperature differences as a function of airflow balance .
The presented graph illustrates the temperature difference as a function of the difference between the supply and extraction air volumetric flow rates (ΔQ) for various types of heat exchangers, namely RS160, CORE ERV366, and the prototype GV PROTO. This relationship offers insights into the thermal performance of each heat exchanger under unbalanced airflow conditions.
Under underpressure conditions (negative ΔQ values), the ∆tc differences between the tested heat exchangers are relatively small. This implies that the performance of each heat exchanger is more comparable when operating under lower pressure, with minimal variations in thermal transfer efficiency. However, as the system shifts toward overpressure (moving towards positive ΔQ values), these temperature differences between heat exchangers increase. The greater the pressure, the more distinct the thermal performance characteristics of each heat exchanger become. This trend is especially noticeable when comparing the RS160 and CORE ERV366 models. Conversely, the ∆tz characteristics exhibit an opposing trend. Under underpressure conditions, the ∆tz values tend to be higher, but decrease as the pressure increases.
It was observed that the curves and of each heat exchanger do not intersect at the point of airflow balance. This indicates that and are not equal under balanced conditions. The difference between and at the airflow balance point, which has been introduced as the Airflow Temperature Offset (ATO), was expressed by the following formula:
Based on the measurements carried out, the ATO coefficients were calculated for each heat exchanger. The ATO values for the RS160, CORE ERV366 and GV PROTO were calculated as , 1.2 °C, 1.3 °C and 1.6 °C respectively.
The RS160 model consistently demonstrates the best performance across the entire tested range of airflow unbalance, with the smallest observed temperature differences. The CORE ERV366 model, on the other hand, shows larger temperature differences, suggesting lower thermal efficiency compared to the RS160. However, it is important to note that this analysis does not account for latent heat transfer, which might benefit the CORE ERV366 in real-world applications where humidity control and moisture exchange are factors. The CORE ERV366 exchanger may still be advantageous in environments where latent heat recovery is critical. The prototype GV PROTO heat exchanger generated the highest temperature differences in this test, especially as pressure increased.
The main indicator of energy efficiency assessment is the temperature efficiency of the air handling unit. The main impact on the obtained thermal parameters is shaped by the type of heat exchanger used.
The temperature efficiency of an air handling unit is a primary indicator of its energy efficiency. It is a measure of how well this device can recover heat from the exhaust air and transfer it to the incoming air supply, thus reducing the need for additional heating or cooling. This efficiency directly influences the unit’s energy consumption, operational cost, and environmental impact [54].
To compare the heat transfer efficiency of selected counterflow air-to-air heat exchangers, the temperature efficiencies and for the three compared heat exchangers under unbalanced flow conditions are shown in Figure 16.
Figure 16.
The temperature efficiencies and for the three compared heat exchangers under unbalanced flow conditions.
This graph presents the temperature efficiency of different heat exchangers across a range of flow balance variations. The horizontal axis represents the range of flow balance changes, while the vertical axis shows temperature efficiency as a percentage.
The results indicate that the advanced commercial heat exchanger RS160 achieved the highest temperature efficiency among all examined models. Throughout the entire range of flow balance changes, the RS160 consistently maintains superior efficiency. This suggests that the RS160 heat exchanger is better optimized for thermal performance under varying flow conditions, making it a highly effective option for applications requiring stable and high efficiency.
In all cases, under balanced conditions, the value of is observed to be higher than that of , which is advantageous for achieving comfortable temperatures in ventilated spaces. According to previous findings, the efficiency curves of the CORE ERV366 exchanger and the prototype GV PROTO exchanger exhibit lower temperature efficiency values across the entire tested range. In the airflow balance range of from −40% to 40%, the temperature efficiency may decrease by up to half. This highlights the importance of maintaining balanced airflow for the optimal operation of a ventilation system with heat recovery.
5. Conclusions
Considering the final results obtained, the following conclusions were drawn:
- Analyzing system performance under unbalanced conditions is critical for accurately diagnosing issues, planning maintenance, and fine-tuning adjustments in ventilation systems. When a system operates under these conditions, its components may work unevenly, potentially leading to inefficiencies and increased wear. By identifying and correcting unbalances, operators can optimize the system to ensure peak energy efficiency, reducing energy consumption, lowering operational costs, and extending the equipment’s lifespan. This innovative approach is essential for developing sustainable and cost-effective building management solutions. The study highlights that even minor deviations can significantly reduce efficiency.
- A positive value of the Airflow Temperature Offset (ATO) indicates that the main components of the ventilation system are in the warm zone. This configuration is advantageous because it allows the system to achieve better thermal efficiency, especially in ventilation systems equipped with heat recovery functions. This setup enables more efficient heat recovery, enhancing the overall energy efficiency of the system. Conversely, when the ATO coefficient is less than zero, it means that the ventilation system, including the air ventilation unit, incurs significant heat losses. These losses reduce the system’s thermal efficiency, resulting in suboptimal operational performance.
- The initial geometry of the prototype was the first proposed structure for the diffuser section and the main heat exchange section. However, the resulting airflow distribution through the heat exchanger was uneven, limiting thermal efficiency. Additionally, the 3D printing parameters were selected to ensure the proper operation of the prototype extruder system, resulting in layers exceeding 0.4 mm in thickness. This led to internal surfaces with high thermal insulation properties. The primary advantage of the applied technology lies in its ability to shape innovative internal geometries, enhancing both flow characteristics and thermal energy exchange parameters, without requiring the manufacturing of stamping dies. This results in low development costs and reduced expenses for future research on efficient heat transfer in counterflow heat exchangers. An additional benefit of 3D printing technology is its full automation, which eliminates the assembly stage typically required for heat exchangers made from stamped plates.
- The RS160 model consistently exhibits superior thermal performance across the range of tested flow rates, indicating better design and materials suited for retaining heat transfer efficiency even under unbalanced airflow conditions. In contrast, the CORE ERV366 and GV PROTO models, particularly GV PROTO, show a steeper decline in efficiency, suggesting they are more vulnerable to flow disparity. The widening efficiency gap at higher flow rates suggests that design factors, such as surface area, airflow pathways, and materials, significantly impact the performance of these exchangers. Future developments in heat exchanger technology may focus on improving flow management capabilities in designs produced through 3D printing methods. These enhancements would aim to optimize fluid dynamics within the exchanger, improve heat transfer efficiency, reduce pressure drop, and enhance overall system performance.
The conclusions drawn from this study have direct implications for real-world applications. By analyzing the issue of airflow imbalance, ventilation systems can contribute to significant energy savings due to their high thermal efficiency at the optimal point of operation. The ATO parameter introduced in this study can be utilized to design control algorithms for AHU, maintaining balance without relying on additional differential pressure sensors for airflow measurement. This approach enhances the system’s reliability and cost-effectiveness.
The integration of 3D printing technology offers an effective path to producing cost-effective, high-performance heat exchangers suitable for a wide range of industrial and residential applications. Moreover, the findings support the development of innovative solutions tailored to the specific challenges of unsustainable operating conditions, ensuring that systems remain efficient and reliable in a variety of scenarios. Broader impacts of these findings include potential industrial applications in HVAC systems, environmental benefits through reduced energy consumption and emissions, and contributions to the evolving field of heat exchanger technology. Future research will focus on improving prototype designs to achieve more uniform airflow distribution, scaling up 3D printing technology for larger systems, and exploring novel applications in sectors such as renewable energy and advanced manufacturing. These efforts aim to bridge the gap between experimental data and practical implementations, driving innovation and sustainability in heat exchanger technology.
Author Contributions
Conceptualization, P.Z., K.K. (Kazimierz Kaminski), N.C.-G., E.K.-C. and K.C.; methodology, P.Z., N.C.-G., K.K. (Kazimierz Kaminski) and K.K. (Krzysztof Koscielny); software, P.Z., K.K. (Kazimierz Kaminski) and K.K. (Krzysztof Koscielny); validation, P.Z., K.K. (Kazimierz Kaminski), E.K.-C. and N.C.-G.; formal analysis, P.Z., K.K. (Kazimierz Kaminski) and N.C.-G.; resources, P.Z., K.K. (Kazimierz Kaminski) and N.C.-G.; data curation, P.Z. and K.K. (Kazimierz Kaminski); writing—original draft preparation, P.Z. and K.K. (Kazimierz Kaminski); writing—review and editing, P.Z., K.K. (Kazimierz Kaminski) and N.C.-G.; visualization, P.Z. and K.K. (Kazimierz Kaminski); supervision, N.C.-G., E.K.-C. and K.C.; funding acquisition, E.K.-C. and K.C. All authors have read and agreed to the published version of the manuscript.
Funding
This paper was co-financed under the research grant of the Warsaw University of Technology supporting the scientific activity in the discipline of Civil Engineering, Geodesy and Transport.
Data Availability Statement
The original contributions presented in the study are included in the article, further inquiries can be directed to the corresponding author/s.
Conflicts of Interest
The authors declare no conflicts of interest. The funders had no role in the design of the study; in the collection, analyses, or interpretation of the data; in the writing of the manuscript; or in the decision to publish the results.
References
- Izdebski, M.; Jacyna, M. An Efficient Hybrid Algorithm for Energy Expenditure Estimation for Electric Vehicles in Urban Service Enterprises. Energies 2021, 14, 2004. [Google Scholar] [CrossRef]
- Zabielska, A.; Jacyna, M.; Lasota, M.; Nehring, K. Evaluation of the efficiency of the delivery process in the technical object of transport infrastructure with the application of a simulation model. Eksploat. I Niezawodn./Maint. Reliab. 2023, 25, 1–13. [Google Scholar] [CrossRef]
- Fiuk, J.; Chamier-Gliszczynski, N.; Jacyna, M.; Izdebski, M. Energy Efficiency of Transport Tasks Performed by the Air SAR System in the Baltic Sea: Case Study. Energies 2022, 15, 643. [Google Scholar] [CrossRef]
- Trzmiel, G.; Jajczyk, J.; Kardas-Cinal, E.; Chamier-Gliszczynski, N.; Wozniak, W.; Lewczuk, K. The Condition of Photovoltaic Modules under Random Operation Parameters. Energies 2021, 14, 8358. [Google Scholar] [CrossRef]
- Jacyna, M.; Zochowska, R.; Sobota, A.; Wasiak, M. Decision support for choosing a scenario for organizing urban transport system with share of electric vehicles. Sci. J. Silesian Univ. Technol. Ser. Transp. 2022, 117, 69–89. [Google Scholar] [CrossRef]
- Izdebski, M.; Jacyna, M.; Bogdański, J. Minimisation of the Energy Expenditure of Electric Vehicles in Municipal Service Companies, Taking into Account the Uncertainty of Charging Point Operation. Energies 2024, 17, 2179. [Google Scholar] [CrossRef]
- Urbaniak, M.; Kardas-Cinal, E. Optimization of Train Energy Cooperation Using Scheduled Service Time Reserve. Energies 2022, 15, 119. [Google Scholar] [CrossRef]
- Lasota, M.; Jacyna, M.; Szaciłło, L. Fault tree method as a decision-making tool for assessing the risks of transportation of dangerous loads. Sci. J. Silesian Univ. Technol. Ser. Transp. 2024, 123, 133–154. [Google Scholar] [CrossRef]
- Lasota, M.; Jacyna, M.; Wasiak, M.; Zabielska, A. The Use of Multi-criteria Methods in the Problem of Selecting Vehicles for Oversize Cargo Transport. In Challenges and Solutions for Present Transport Systems. TSTP 2022; Springer: Cham, Switzerland, 2023; Volume 609, pp. 22–47. [Google Scholar]
- Lasota, M.K.; Jacyna, M.; Sweklej, P. The ELECTRE I decision supporting method in the selection of the organization of the transport of oversized military equipment | Metoda ELECTRE I wspomagania decyzji w doborze organizacji przewozu ponadgabarytowego sprzętu jednostek wojskowych. Syst. Logistyczne Wojsk 2022, 57, 19–40. [Google Scholar] [CrossRef]
- Wachnik, B.; Kłodawski, M.; Kardas-Cinal, E. Reduction of the Information Gap Problem in Industry 4.0 Projects as a Way to Reduce Energy Consumption by the Industrial Sector. Energies 2022, 15, 1108. [Google Scholar] [CrossRef]
- Bai, H.Y.; Liu, P.; Justo Alonso, M.; Mathisen, H.M. A review of heat recovery technologies and their frost control for residential building ventilation in cold climate regions. Renew. Sustain. Energy Rev. 2022, 162, 112417. [Google Scholar] [CrossRef]
- Klinke, T.; Krygier, K.; Seweryjnik, J. Ogrzewnictwo. Wentylacja. Klimatyzacja; Wydawnictwa Szkolne i Pedagogiczne: Warszawa, Poland, 2007. [Google Scholar]
- Kim, D.D.; Kim, H.; Yim, W.S.; Lim, T. An Analysis of the Ventilation Efficiency of Various Configurations of Inlet and Outlet Vents in a Residential Building by CFD Simulation. Buildings 2024, 14, 3449. [Google Scholar] [CrossRef]
- Kruzel, M.; Bohdal, T.; Dutkowski, K. Heat Transfer Enhancement in a 3D-Printed Compact Heat Exchanger. Energies 2024, 17, 4754. [Google Scholar] [CrossRef]
- Goselink, Y.S.M.; Ramirez, B.C. Characterization of an Air-to-Air Heat Exchanger for Manure Belt Drying Ventilation in an Aviary Laying Hen House. J. Appl. Poult. Res. 2019, 28, 1359–1369. [Google Scholar] [CrossRef]
- Subri, M.S.M.; Arifin, K.; Sohaimin, M.F.A.M.; Abas, A. The Parameter of the Sick Building Syndrome: A Systematic Literature Review. Heliyon 2024, 10, e32431. [Google Scholar] [CrossRef]
- Cho, H.-J.; Cheon, S.-Y.; Jeong, J.-W. Development of empirical models to predict latent heat exchange performance for hollow fiber membrane-based ventilation system. Appl. Therm. Eng. 2022, 213, 118686. [Google Scholar] [CrossRef]
- Staniszewski, B. Wymiana ciepła: Podstawy teoretyczne; Państwowe Wydawnictwo Naukowe: Warszawie, Poland, 1963. [Google Scholar]
- Królikowski, T.; Nikończuk, P. Finding Temperature Distribution at Heat Recovery Unit Using Genetic Algorithms. Procedia Comput. Sci. 2017, 112, 2382–2390. [Google Scholar] [CrossRef]
- Kaminski, K.; Królikowski, T.; Błażejewski, A.; Pecolt, S. Temperature-Based Flow Control Algorithm for Heat Recovery Ventilators. Procedia Comput. Sci. 2023, 225, 2173–2182. [Google Scholar] [CrossRef]
- Kleszcz, S.; Jaszczur, M.; Pawela, B. An analysis of the periodic counterflow heat exchanger for air-to-air heat recovery ventilators. Energy Rep. 2023, 9, 77–85. [Google Scholar] [CrossRef]
- Pudlik, W. Wymiana i Wymienniki Ciepła; Politechnika Gdańska: Gdańsk, Poland, 2012; p. 77. [Google Scholar]
- Diz, R.; Dopazo, A.; Fernández-Seara, J.; Ferro, J.M.; Uhía, F.J. Experimental analysis of an air-to-air heat recovery unit for balanced ventilation systems in residential buildings. Energy Convers. Manag. 2011, 52, 635–640. [Google Scholar]
- Efendi, H.T.D.; Kristiawan, B.; Enoki, K.; Wijayanta, A.T.; Hadi, S. Enhancing Heat Transfer Performance: Nanofluids Application in Helical Microfin Tube Concentric Heat Exchangers. E3S Web Conf. 2023, 465, 01019. [Google Scholar] [CrossRef]
- Jaszczur, M.; Kleszcz, S.; Borowski, M. Analysis of the anti-icing system used in air handling units with a counterflow heat exchanger. E3S Web Conf. 2019, 108, 01022. [Google Scholar] [CrossRef]
- Zhao, B. Entropy transfer efficiency-effectiveness method for heat exchangers, part 1: Local entropy generation number and operation performance limits. Energy 2024, 304, 132133. [Google Scholar] [CrossRef]
- Grygier, G.; Szyperski, P. Wytyczne dla instalacji wentylacyjnej z odzyskiem ciepła (systemu rekuperacji w domach jednorodzinnych). Stow. Pol. Went. 2011, 6–13, 25–28. [Google Scholar]
- PN-EN 13141-7:2021-09; Ventilation for Buildings—Performance Testing of Components/Products for Residential Ventilation—Part 7: Performance Testing of Mechanical Supply and Exhaust Ventilation Units (Including Heat Recovery) for Mechanical Ventilation Systems Intended for Single-Family Dwellings. Polish Committee for Standardization: Warsaw, Poland, 2021.
- Lee, H.-I.; Kim, H.-J.; Lee, J.-H.; Cho, Y.-H. Development of Operating Strategies for Return Fan in HVAC System Considering Differential Pressure. Energies 2024, 17, 5289. [Google Scholar] [CrossRef]
- Merzkirch, A.; Maas, S.; Scholzen, F.; Waldmann, D. Field Tests of Centralized and Decentralized Ventilation Units in Residential Buildings—Specific Fan Power, Heat Recovery Efficiency, Shortcuts, and Volume Flow Unbalances. Energy Build. 2016, 116, 376–383. [Google Scholar] [CrossRef]
- Zmrhal, V.; Boháč, J. Pressure Loss of Flexible Ventilation Ducts for Residential Ventilation: Absolute Roughness and Compression Effect. J. Build. Eng. 2021, 44, 103320. [Google Scholar] [CrossRef]
- Wang, Y.; Gao, R.; Li, A.; Gong, Z.; Ni, Q.; Yang, Y.; Liu, B.; Du, X. Air Balancing Method of Multibranch Ventilation Systems under the Condition of Nonfully Developed Flow. Build. Environ. 2022, 223, 109468. [Google Scholar] [CrossRef]
- Lingzhi, L.; Ruiang, B.; Hui, C.; Xin, Z.; Zhaoqin, Y. A Novel Air Balancing Method Based on an Improved Perceptron Under Multiple Constraints for the Energy Conservation of Ventilation System. Build. Environ. 2024, 248, 111115. [Google Scholar]
- Yaningsih, I.; Wijayanta, A.T.; Miyazaki, T.; Koyama, S. V-Cut Twisted Tape Insert Effect on Heat Transfer Enhancement of Single-Phase Turbulent Flow Heat Exchanger. AIP Conf. Proc. 2018, 1931, 030038. [Google Scholar]
- Hosamai, A.K.; Patil, R.N.; Soudagar, M.E.M.; Mujtaba, M.A.; Ahmed, W.; Singh, H. Investigation of Double Pipe Heat Exchanger by Use of Several Nanofluids with Vary of Base Fluids—A Computational Fluid Dynamics Analysis. AIP Conf. Proc. 2023, 2800, 020112. [Google Scholar]
- Fisk, W.J.; Chant, R.E.; Archer, K.M.; Hekmat, D.; Offermann, F.J., III; Pedersen, B.S. Performance of residential air-to-air heat exchangers during operation with freezing and periodic defrosts. ASHRAE Trans. 1985, 91 Pt 1B, 159–172. [Google Scholar]
- Oon, S.; Kazi, S.N.; Hakimin, M.A.; Abdelrazek, A.; Mallah, A.R.; Low, F.W.; Tiong, S.K.; Badruddin, I.; Kamanger, S. Heat Transfer and Fouling Deposition Investigation on the Titanium Coated Heat Exchanger Surface. Powder Technol. 2020, 373, 671–680. [Google Scholar] [CrossRef]
- Togun, H.; Aljibori, H.; Mohammed, H.; Sadeq, A.; Biswas, N.; Hasan, H.; Homod, R.; Abdulkadhim, A.; Yaseen, Z.; Sardari, P. A Critical Review on Phase Change Materials (PCM) Based Heat Exchanger: Different Hybrid Techniques for the Enhancement. J. Energy Storage 2023, 79, 109840. [Google Scholar] [CrossRef]
- Wang, X.; Wang, Q.; Yoo, S.-J.; Gomyo, T.; Sotokawa, H.; Chung, J.; Kuga, K.; Ito, K. Multi-layered ventilation duct system for heat exchange with air purification. Build. Environ. 2024, 262, 111773. [Google Scholar] [CrossRef]
- Salhein, K.; Kobus, C.J.; Zohdy, M.; Annekaa, A.M.; Alhawsawi, E.Y.; Salheen, S.A. Heat Transfer Performance Factors in a Vertical Ground Heat Exchanger for a Geothermal Heat Pump System. Energies 2024, 17, 5003. [Google Scholar] [CrossRef]
- Xiong, Q.; Izadi, M.; Rad, M.; Shehzad, S.A.; Mohammed, H. 3D Numerical Study of Conical and Fusiform Turbulators for Heat Transfer Improvement in a Double-Pipe Heat Exchanger. Int. J. Heat Mass Transf. 2021, 170, 120995. [Google Scholar] [CrossRef]
- Feng, J.; Yan, Y.; Zhao, L.; Dong, H. Numerical study of gas–solid counterflow heat transfer in sinter vertical cooling furnace based on energy and exergy analysis. Appl. Therm. Eng. 2024, 244, 122773. [Google Scholar] [CrossRef]
- Evans, J.O.; Ingle, M.L.; Pan, J.; Mandapati, H.R.; Kolar, P.; Wang-Li, L.; Shah, S.B. Proof-of-Concept Recirculating Air Cleaner Evaluation in a Pig Nursery. AgriEngineering 2024, 6, 3686–3703. [Google Scholar] [CrossRef]
- Guo, C.; Gao, M.; Yu, H.; Guo, L.; Liu, Z. Investigation of heat transfer characteristics in air-to-air heat exchanger with steady flow, oscillating flow and sound waves. Int. J. Therm. Sci. 2024, 197, 108845. [Google Scholar] [CrossRef]
- Besler, M.; Skrzycki, M. Analiza skuteczności odzyskiwania energii cieplnej z powietrza wywiewanego. Ochrona Środowiska 2009, 31, 42–43. [Google Scholar]
- Asim, M.; Kanwal, A.; Uddin, G.; Khan, A.; Abbas, M.M.; Veza, I.; Kalam, M.A.; Almomani, F. Comparative Study of the Parameters Affecting the Performance of Microchannels’ Heat Exchangers: Latest Advances Review. Energy Sci. Eng. 2023, 11, 3869–3887. [Google Scholar] [CrossRef]
- Sohani, A.; Sayyaadi, H.; Mohammadhosseini, N. Comparative Study of the Conventional Types of Heat and Mass Exchangers to Achieve the Best Design of Dew Point Evaporative Coolers at Diverse Climatic Conditions. Energy Convers. Manag. 2018, 158, 327–345. [Google Scholar] [CrossRef]
- Wang, B.; Deng, H.; Li, L.; Li, H. Design and Test of Smart Heat Exchanger Based on Shape Memory Alloys. Appl. Therm. Eng. 2023, 221, 119911. [Google Scholar] [CrossRef]
- Liu, H.; Du, Z.; Xue, T.; Jiang, T. Enhancing Smart Building Performance with Waste Heat Recovery: Supply-Side Management, Demand Reduction, and Peak Shaving via Advanced Control Systems. Energy Build. 2025, 327, 115070. [Google Scholar] [CrossRef]
- Olkiewicz, M.; Dyczkowska, J.; Olkiewicz, A. Financial Aspects of Energy Investments in the Era of Shaping Stable Energy Development in Poland: A Case Study. Energies 2023, 16, 7814. [Google Scholar] [CrossRef]
- Arkusz, K.; Pasik, K.; Jedrzejewska, A.; Klekiel, T.; Wozniak, W.; Nycz, M.; Stryjski, R. Shedding light on the problem: Influence of the radiator power, source-sample distance, and exposure time on the performance of UVC lamps in laboratory and real-world conditions. PLoS ONE 2024, 19, e0302258. [Google Scholar] [CrossRef]
- Ptaszyński, B.; Łuczak, R.; Kuczera, Z.; Życzkowski, P.; Zwolińska-Glądys, K.; Borowski, M. Pressure Change in a Duct with a Flow of a Homogeneous Gaseous Substance in the Presence of a Point Mass and Momentum Sink of Gas. Energies 2024, 17, 5216. [Google Scholar] [CrossRef]
- Gabrylewicz, I.; Lenort, R.; Wędrychowski, M.; Krupa, P.; Woźniak, W. Environmental Loads Resulting from Manufacturing Technology. Rocz. Ochr. Srodowiska 2021, 23, 613–628. [Google Scholar] [CrossRef]
Disclaimer/Publisher’s Note: The statements, opinions and data contained in all publications are solely those of the individual author(s) and contributor(s) and not of MDPI and/or the editor(s). MDPI and/or the editor(s) disclaim responsibility for any injury to people or property resulting from any ideas, methods, instructions or products referred to in the content. |
© 2024 by the authors. Licensee MDPI, Basel, Switzerland. This article is an open access article distributed under the terms and conditions of the Creative Commons Attribution (CC BY) license (https://creativecommons.org/licenses/by/4.0/).















