Decision Process for Identifying Appropriate Devices for Power Transfer between Voltage Levels in Distribution Grids
Abstract
1. Introduction
2. Types of Power Transformers
3. Evaluation and Decision Process for Using SSTs
3.1. Flowchart-Based Decision-Making for Using SSTs
3.2. Value-Benefit-Based Decision-Making for Using SSTs
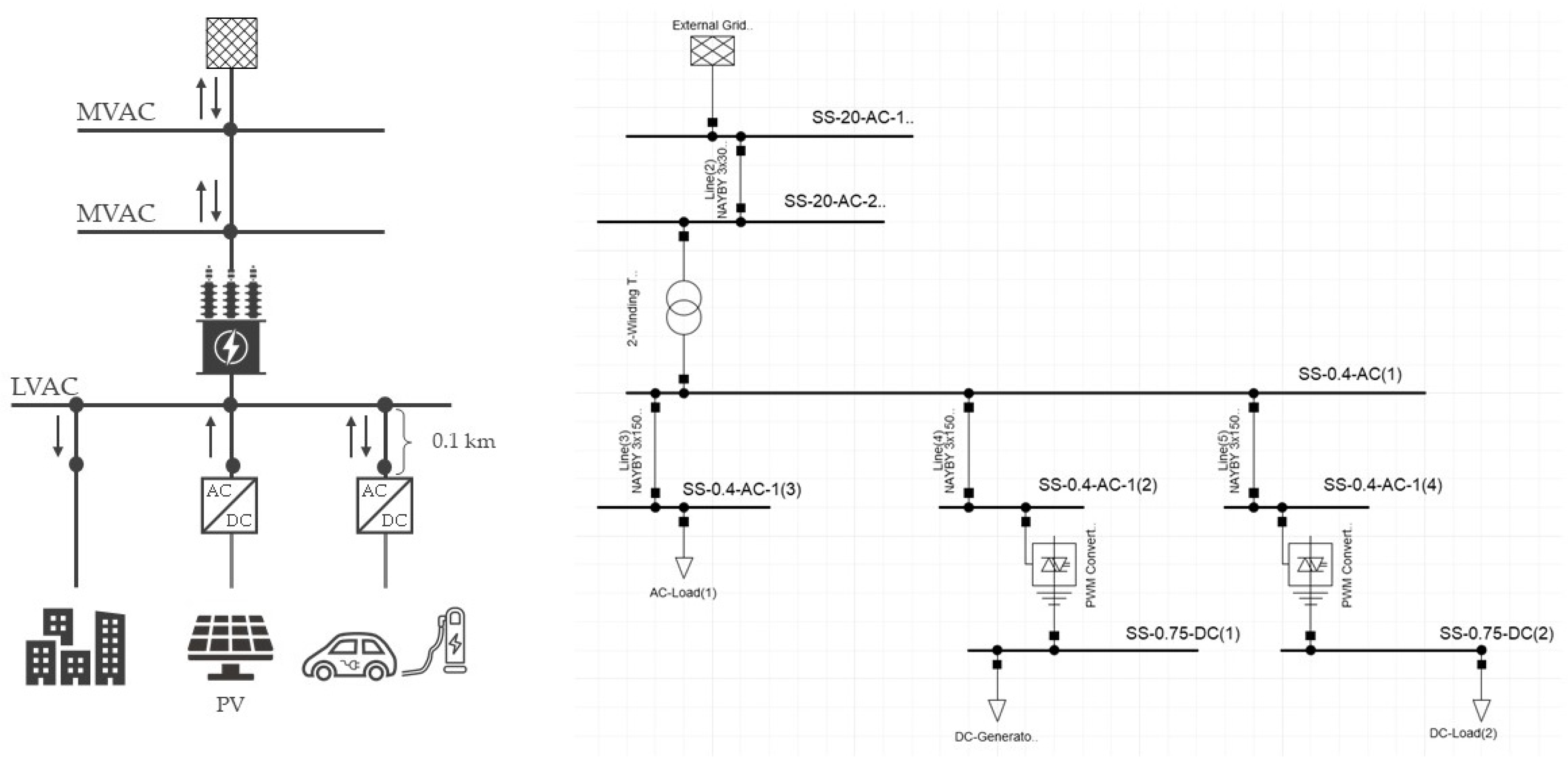
4. Load Flow Simulation for Different Scenarios
4.1. Copper-Based Transformer with/without OLTC
4.2. Copper-Based Transformer with Converter
4.3. Solid-State Transformer
4.4. Comparison of the Results
5. Conclusions
Author Contributions
Funding
Data Availability Statement
Conflicts of Interest
References
- Cervero, D.; Fotopoulou, M.; Muñoz-Cruzado, J.; Rakopoulos, D.; Stergiopoulos, F.; Nikolopoulos, N.; Voutetakis, S.; Sanz, J.F. Solid State Transformers: A Critical Review of Projects with Relevant Prototypes and Demonstrators. Electronics 2023, 12, 931. [Google Scholar] [CrossRef]
- Kehler, L.B.; Kaminski, A.M.; Bemardon, D.; Rech, C.; Marchesan, T.B. A Strategy for Increasing SST’s Efficiency at Low Load Operation. In Proceedings of the 2018 IEEE PES Innovative Smart Grid Technologies Conference Europe (ISGT-Europe), Sarajevo, Bosnia and Herzegovina, 21–25 October 2018; pp. 1–6, ISBN 978-1-5386-4505-5. [Google Scholar]
- Ferreira Costa, L.; de Carne, G.; Buticchi, G.; Liserre, M. The Smart Transformer: A solid-state transformer tailored to provide ancillary services to the distribution grid. IEEE Power Electron. Mag. 2017, 4, 56–67. [Google Scholar] [CrossRef]
- Forum Netztechnik/Netzbetrieb im VDE. Voltage Regulating Distribution Transformer (VRDT)—Use in Grid Planning and Operation. 2016. Available online: https://www.vde.com/resource/blob/1570326/c4c73c2670f47f82071b81eab368b85e/hinweis--ront--download-englisch-data.pdf (accessed on 16 April 2023).
- Valedsaravi, S.; El Aroudi, A.; Martínez-Salamero, L. Review of Solid-State Transformer Applications on Electric Vehicle DC Ultra-Fast Charging Station. Energies 2022, 15, 5602. [Google Scholar] [CrossRef]
- Londero, R.P.; de Mello, A.P.C.; Da Silva, G.S. Comparison between conventional and solid state transformers in smart distribution grids. In Proceedings of the 2019 IEEE PES Innovative Smart Grid Technologies Conference—Latin America (ISGT Latin America), Gramado, Brazil, 15–18 September 2019; pp. 1–6, ISBN 978-1-5386-9567-8. [Google Scholar]
- Huber, J.E.; Kolar, J.W. Solid-State Transformers: On the Origins and Evolution of Key Concepts. IEEE Ind. Electron. Mag. 2016, 10, 19–28. [Google Scholar] [CrossRef]
- Shamshuddin, M.A.; Rojas, F.; Cardenas, R.; Pereda, J.; Diaz, M.; Kennel, R. Solid State Transformers: Concepts, Classification, and Control. Energies 2020, 13, 2319. [Google Scholar] [CrossRef]
- Helali, H.; Bouallegue, A.; Khedher, A. A review of smart transformer architectures and topologies. In Proceedings of the 2016 17th International Conference on Sciences and Techniques of Automatic Control and Computer Engineering (STA), Sousse, Tunisia, 19–21 December 2016; pp. 449–454, ISBN 978-1-5090-3407-9. [Google Scholar]
- Solid-State-Transformers: Key Components of Future Traction and Smart Grid Systems. In Proceedings of the Power Electronic Systems Laboratory/D-ITET/ETH, Zurich, Switzerland, 1 April 2014; IEEE: Piscataway, NJ, USA, 2014.
- Kuprat, J.; Andresen, M.; Raveendran, V.; Liserre, M. Modular Smart Transformer Topology for the Interconnection of Multiple Isolated AC and DC Grids. In Proceedings of the 2020 IEEE Energy Conversion Congress and Exposition (ECCE), Detroit, MI, USA, 11–15 October 2020; pp. 4836–4841, ISBN 978-1-7281-5826-6. [Google Scholar]
- Zheng, L.; Marellapudi, A.; Chowdhury, V.R.; Bilakanti, N.; Kandula, R.P.; Saeedifard, M.; Grijalva, S.; Divan, D. Solid-State Transformer and Hybrid Transformer With Integrated Energy Storage in Active Distribution Grids: Technical and Economic Comparison, Dispatch, and Control. IEEE J. Emerg. Sel. Topics Power Electron. 2022, 10, 3771–3787. [Google Scholar] [CrossRef]
- Liserre, M.; Buticchi, G.; Andresen, M.; de Carne, G. The Smart Transformer: Impact on the Electric Grid and Technology Challenges. IEEE Ind. Electron. 2016, 10, 46–58. [Google Scholar] [CrossRef]
- Kumar, C.; Liserre, M. Operation and control of smart transformer for improving performance of medium voltage power distribution system. In Proceedings of the 2015 IEEE 6th International Symposium on Power Electronics for Distributed Generation Systems (PEDG), Aachen, Germany, 22–25 June 2015; pp. 1–6, ISBN 978-1-4799-8586-9. [Google Scholar]
- Gao, X.; de Carne, G.; Liserre, M.; Vournas, C. Voltage control by means of smart transformer in medium voltage feeder with distribution generation. In Proceedings of the 2017 IEEE Manchester PowerTech, Manchester, UK, 18–22 June 2017; pp. 1–6, ISBN 978-1-5090-4237-1. [Google Scholar]
- de Carne, G.; Buticchi, G.; Liserre, M.; Yoon, C.; Blaabjerg, F. Voltage and current balancing in Low and Medium Voltage grid by means of Smart Transformer. In Proceedings of the 2015 IEEE Power & Energy Society General Meeting, Denver, CO, USA, 26–30 July 2015; pp. 1–5, ISBN 978-1-4673-8040-9. [Google Scholar]
- Verma, N.; Singh, N.; Yadav, S. Solid State Transformer for Electrical System: Challenges and Solution. In Proceedings of the 2018 2nd International Conference on Electronics, Materials Engineering & Nano-Technology (IEMENTech), Kolkata, India, 4–5 May 2018; pp. 1–5, ISBN 978-1-5386-5550-4. [Google Scholar]
- Bignucolo, F.; Bertoluzzo, M.; Fontana, C. Applications of the solid state transformer concept in the electrical power system. In Proceedings of the 2015 AEIT International Annual Conference (AEIT), Naples, Italy, 14–16 October 2015; pp. 1–6, ISBN 978-8-8872-3728-3. [Google Scholar]
- Mollik, M.S.; Hannan, M.A.; Reza, M.S.; Abd Rahman, M.S.; Lipu, M.S.H.; Ker, P.J.; Mansor, M.; Muttaqi, K.M. The Advancement of Solid-State Transformer Technology and Its Operation and Control with Power Grids: A Review. Electronics 2022, 11, 2648. [Google Scholar] [CrossRef]
- Huber, J.E.; Kolar, J.W. Volume/weight/cost comparison of a 1MVA 10 kV/400 V solid-state against a conventional low-frequency distribution transformer. In Proceedings of the 2014 IEEE Energy Conversion Congress and Exposition (ECCE), Pittsburgh, PA, USA, 14–18 September 2014; pp. 4545–4552, ISBN 978-1-4799-5776-7. [Google Scholar]
- Milczarek, A.; Malinowski, M. Comparison of Classical and Smart Transformers Impact on MV Distribution Grid. IEEE Trans. Power Deliv. 2020, 35, 1339–1347. [Google Scholar] [CrossRef]
- Chen, J.; Zhu, R.; OlDonnell, T.; Liserre, M. Smart Transformer and Low Frequency Transformer Comparison on Power Delivery Characteristics in the Power System. In Proceedings of the 2018 AEIT International Annual Conference, Bari, Italy, 3–5 October 2018; pp. 1–6, ISBN 978-8-8872-3740-5. [Google Scholar]
- Zhu, R.; Andresen, M.; Langwasser, M.; Liserre, M.; Lopes, J.P.; Moreira, C.; Rodrigues, J.; Couto, M. Smart transformer/large flexible transformer. Trans. Electr. Mach. Syst. 2020, 4, 264–274. [Google Scholar] [CrossRef]
- Guzman, P.; Vazquez, N.; Liserre, M. Indirect Front-End Smart Transformer with Reactive Power Management. In Proceedings of the 2020 IEEE 9th International Power Electronics and Motion Control Conference, IPEMC2020-ECCE Asia, Nanjing, China, 29 November–2 December 2020; IEEE: Piscataway, NJ, USA, 2020; pp. 3482–3487, ISBN 978-1-7281-5301-8. [Google Scholar]
- Giacomuzzi, S.; Langwasser, M.; De Carne, G.; Buja, G.; Liserre, M. Smart transformer-based medium voltage grid support by means of active power control. Trans. Electr. Mach. Syst. 2020, 4, 285–294. [Google Scholar] [CrossRef]
- Zhu, R.; Liserre, M. Continuous Operation of Smart Transformer-fed Distribution Grid with Single-phase Faults. In Proceedings of the 2018 IEEE Energy Conversion Congress and Exposition (ECCE), Portland, OR, USA, 23–27 September 2018; IEEE: Piscataway, NJ, USA, 2018; pp. 458–464, ISBN 978-1-4799-7312-5. [Google Scholar]
- Chen, J.; Zhu, R.; Liu, M.; de Carne, G.; Liserre, M.; Milano, F.; O’Donnell, T. Smart Transformer for the Provision of Coordinated Voltage and Frequency Support in the Grid. In Proceedings of the IECON 2018—44th Annual Conference of the IEEE Industrial Electronics Society, Washington, DC, USA, 20–23 October 2018; IEEE: Piscataway, NJ, USA, 2018; pp. 5574–5579, ISBN 978-1-5090-6684-1. [Google Scholar]
- Zhu, R.; Liserre, M. Requirements for Smart Transformer. In Proceedings of the PCIM Europe 2019, International Exhibition and Conference for Power Electronics, Intelligent Motion, Renewable Energy and Energy Management, Nuremberg, Germany, 7–9 May 2019. [Google Scholar]
- CEDEC; E.DSO; EURELECTRIC; GEODE. Smart Grid Key Performance Indicators: A DSO Perspective. Available online: https://cdn.eurelectric.org/media/5272/smart_grid_key_performance_indicators__a_dso_perspective-2021-030-0129-01-e-h-B85F16BF.pdf (accessed on 16 April 2024).
- Uginet, P.; Villavicencio, M. KPIs Measuring the Value of Flexiblitied Project Report OSMOSE. 2020. Available online: https://www.osmose-h2020.eu/wp-content/uploads/2021/03/OSMOSE_WP2_KPIs-measuring-the-value-of-flexibility.pdf (accessed on 16 April 2023).
- Harder, W.J. Key Performance Indicators for Smart Grids. 2017. Available online: https://essay.utwente.nl/73032/1/HARDER_MA_BMS.pdf (accessed on 16 April 2023).
- Energietechnische Gesellschaft. Von Komponenten bis zum Gesamtsystem für die Energiewende: ETG-Kongress 2021: 18.-19. Mai 2021, Online; VDE Verlag GmbH: Berlin, Offenbach, 2021; ISBN 978-3-8007-5549-3. [Google Scholar]
- Lindegaard, T.; Schütt, R.; Eggert, S.; Leiße, I.; Hebbeln, I.; Rose, M.; Dyussembekova, N. Concept and Control Strategy for the Grid Friendly Use of Medium Voltage Direct Current Links in German Distribution Grids. In Proceedings of the 2022 IEEE 13th International Symposium on Power Electronics for Distributed Generation Systems (PEDG), Kiel, Germany, 26–29 June 2022; pp. 1–5, ISBN 978-1-6654-6618-9. [Google Scholar]
- Monteiro, V.; Martins, J.S.; Aparício Fernandes, J.C.; Afonso, J.L. Review of a Disruptive Vision of Future Power Grids: A New Path Based on Hybrid AC/DC Grids and Solid-State Transformers. Sustainability 2021, 13, 9423. [Google Scholar] [CrossRef]
- BDEW Bundesverband der Energieund Wasserwirtschaft e.V. Beiblatt der Avacon Netz GmbH zu den Technischen Anschlussbedingungen TAB NS NORD 2019 Ausgabe 2019: Für den Anschluss an das Niederspannungsnetz der Avacon Netz GmbH 2019. Available online: https://www.avacon-netz.de/content/dam/revu-global/avacon-netz/documents/Energie_anschliessen/Stromnetz/TAB/Beiblatt_TAB_NS_Nord_2019%20der%20Avacon%20Netz%20GmbH%20-%20NDT-10-85_EGarage_2020.05.pdf (accessed on 30 April 2024).






| Properties/Functionalities | CPT | CPT with OLTC | CPT with Converter | SST |
|---|---|---|---|---|
| Reliability including grid friendly benefits | ||||
| DC load connection and generation on LV side | − | − | +/− | + |
| Decoupling of voltage variations from MV to LV | − | +/− | + | + |
| MV reactive power capability | − | − | +/− | + |
| Applicable for GCP with limited SCC | − | − | − | +/− |
| Dependency on external power supply | +/− | +/− | +/− | − |
| Sustainability | ||||
| Efficiency | +/− | +/− | − | − |
| Required space | + | +/− | − | − |
| Noise level | + | +/− | − | − |
| Profitability | ||||
| Life time | + | +/− | +/− | − |
| Reliability | + | +/− | − | − |
| Investment costs | + | +/− | +/− | − |
| Operational costs | + | + | +/− | − |
| Connected Power | Line Types | Line Length, km | |
|---|---|---|---|
| 20 kV/0.4 kV | 630 kVA | - | - |
| 20 kVAC/0.75 kVDC | according to connected load | - | - |
| 20 kVAC | - | NAYBY 3 300 rm 12/20 kV | 25 |
| 0.4 kVAC | 300 kW, 5 kvar | 2 AYBY 3 185/120 sm/sm 0.6/1 kV | 0.1 |
| 0.75 kVDC | 2 300 kW | - | - |
| Results | CPT/ CPT with OLTC | CPT with Converter | SST | ||
|---|---|---|---|---|---|
| Initial situation | Relative voltage, % | 20 kVAC | 100 | 100 | 100 |
| 0.4 kVAC | 97 | 97 | 98 | ||
| 0.75 kV DC | 100 | 100 | 100 | ||
| Loading, % | LVAC-Line | 72.8 | 72.8 | 72 | |
| PV-Line | 71.7 | 0 | - | ||
| EV-Line | 6.5 | - | |||
| Power transformator loading, % | 51.5 | 49.8 | - | ||
| Grid losses, kW | 20 | 10 | 10 | ||
| Generator-based scenario | Relative voltage, % | 20 kVAC | 100 | 100 | 100 |
| 0.4 kVAC | 99 | 99 | 98 | ||
| 0.75 kV DC | 100 | 100 | 100 | ||
| Loading, % | LVAC-Line | 71.8 | 71.7 | 72 | |
| PV-Line | 68.5 | 135.1 | - | ||
| EV-Line | 68.5 | - | |||
| Power transformator loading, % | 46.1 | 44.9 | - | ||
| Grid losses, kW | 20 | 30 | 10 | ||
| Load-based scenario | Relative voltage, % | 20 kVAC | 100 | 100 | 100 |
| 0.4 kVAC | 96 | 96 | 98 | ||
| 0.75 kV DC | 100 | 100 | 100 | ||
| Loading, % | LVAC-Line | 73.5 | 73.5 | 72 | |
| PV-Line | 72.4 | 72.4 | - | ||
| EV-Line | - | ||||
| Power transformator loading, % | 99.3 | 99.3 | - | ||
| Grid losses, kW | 20 | 10 | 10 | ||
Disclaimer/Publisher’s Note: The statements, opinions and data contained in all publications are solely those of the individual author(s) and contributor(s) and not of MDPI and/or the editor(s). MDPI and/or the editor(s) disclaim responsibility for any injury to people or property resulting from any ideas, methods, instructions or products referred to in the content. |
© 2024 by the authors. Licensee MDPI, Basel, Switzerland. This article is an open access article distributed under the terms and conditions of the Creative Commons Attribution (CC BY) license (https://creativecommons.org/licenses/by/4.0/).
Share and Cite
Dyussembekova, N.; Schütt, R.; Leiße, I.; Ralfs, B. Decision Process for Identifying Appropriate Devices for Power Transfer between Voltage Levels in Distribution Grids. Energies 2024, 17, 2158. https://doi.org/10.3390/en17092158
Dyussembekova N, Schütt R, Leiße I, Ralfs B. Decision Process for Identifying Appropriate Devices for Power Transfer between Voltage Levels in Distribution Grids. Energies. 2024; 17(9):2158. https://doi.org/10.3390/en17092158
Chicago/Turabian StyleDyussembekova, Nassipkul, Reiner Schütt, Ingmar Leiße, and Bente Ralfs. 2024. "Decision Process for Identifying Appropriate Devices for Power Transfer between Voltage Levels in Distribution Grids" Energies 17, no. 9: 2158. https://doi.org/10.3390/en17092158
APA StyleDyussembekova, N., Schütt, R., Leiße, I., & Ralfs, B. (2024). Decision Process for Identifying Appropriate Devices for Power Transfer between Voltage Levels in Distribution Grids. Energies, 17(9), 2158. https://doi.org/10.3390/en17092158

