Monitoring Energy Flows for Efficient Electricity Control in Low-Voltage Smart Grids
Abstract
1. Introduction
- (a)
- Improving the circuitry model of a network based on the predominantly provided approximate grid topology and continuously collecting measurement data using numerical optimization of a specific objective function.
- (b)
- Employing statistical modelling to develop a correlation matrix that describes the correlation coefficients between all power flows within the network.
- The algorithm for the adaptation of the initial grid topology model during network exploitation ensuring a permanent improvement in the exactness of the system parameters evaluation.
- The developed approach for the exact localization of unaccounted and illegal electricity consumption.
- The improved method for the PI determination of all participating grid consumers.
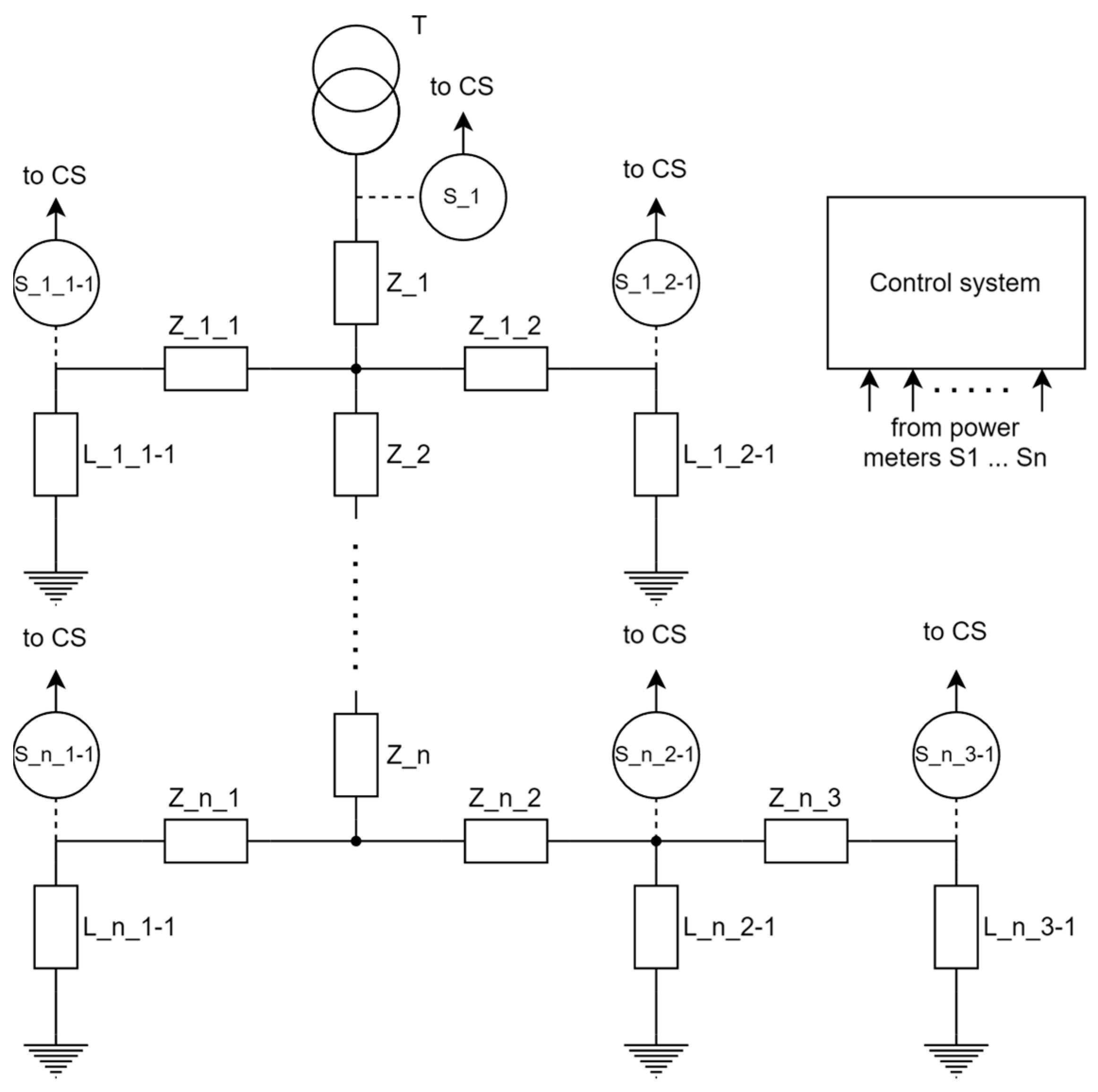
2. Method
- Estimating various techno-electrical parameters across the network, such as currents, voltages at different nodes, resistances, and wire temperatures.
- Identifying phases for all network loads.
- Locating users who are illegally consuming energy in case of any abnormal situations in the grid.
2.1. The Detection and Localization of Illegal Energy Consumption
2.2. Estimation of Network Parameters
2.3. Phase Identification
3. Results
3.1. Confirmation of System Functionality
3.2. Verification on Grid Emulator
- (a)
- Modeling and calculation of network parameters for different situations occurring in a grid.
- (b)
- Confirming the system’s functionality and estimating the quality of its monitoring.
- (c)
- Diagnostic of a metering infrastructure.
3.3. Results of the Verification on the Emulator
3.4. Results of Full-Scale Tests
- Installation of the monitoring system in a selected network and verification of the measuring and communication infrastructure.
- Preliminary identification of grid topology and measurement equipment to ensure compatibility between elements of the automatic meter reading system and the grid topology.
- Analysis of the network to identify unaccounted consumption, including phase identification of all grid loads, recognition of network technical issues such as overload and overheating of connecting wires and cables, and detection of network nodes with over- and under-voltages.
- Identification of nodes with unaccounted consumption followed by physical and visual verification, with subsequent documentation.
- Implementation of the suggested algorithm: after eliminating unaccounted consumption, instrumental clarification of network parameters and load phase identification, in alignment with the monitoring system’s estimations.
- Evaluation of system efficiency by comparing power losses before and after the implementation of monitoring.
- Northeastern Europe mid-latitude.
- Eastern Europe mid-latitude.
- Baltic region.
- North Caucasus region.
- Western Siberia region.
| Region | A | B | C | D | E |
|---|---|---|---|---|---|
| Exploitation period | November 2019 April 2022 | March 2022 June 2022 | November 2022 November 2022 | January 2023 March 2023 | February 2022 February 2022 |
| Duration of observation interval | 24 h | 24 h | 1 h | 24 h | 1 h |
| Total number of transformers in a grid | 9 | 7 | 3 | 16 | 2 |
| Total number of end-users | 408 | 189 | 160 | 356 | 46 |
| Power losses before system monitoring installation | 12% | 7% | 10% | 42% | 13% |
| Power losses due to technical issues | 4% | 2.5% | 3% | 5% | 4% |
| Illegal consumers found and eliminated | 12 | 3 | 1 | 27 | 1 |
| Power loss decrease | 6% | 4.5% | 7% | 37% | 9% |
4. Conclusions
- A monitoring algorithm and diagnostic system developed using specialized software, operating within a cloud-based internet environment.
- The method for the estimation of network parameters with only a metering infrastructure.
- A method for localization of the illegal consumption.
- An approach for detecting phase connections of individual consumers.
- A network emulator designed using GOLANG 1.21.9 (Google) software to test monitoring algorithms and systems.
- The use of solely the existing metering infrastructure in every consumer installation without the need to provide additional voltage measurements in all network nodes.
- Decreased time for the algorithm’s adaptation to a specific network and simplified requirements for the database regarding consumer energy profiles and for the computing equipment.
- Significant efficiency and accuracy in identifying network electrical parameters and unaccounted consumption, even in grids comprising up to 200 individual consumers.
- Potential hurdles in implementing the proposed monitoring system include the challenge of identifying illegal consumers whose metering devices do not transmit data to the infrastructure or are situated far from measuring nodes. Furthermore, accurately estimating network parameters necessitates continuous access to local transformer voltage information. However, these difficulties will be eliminated in future versions of the monitoring diagnostic systems.
Author Contributions
Funding
Data Availability Statement
Conflicts of Interest
References
- Xu, Z.; Salehi Shahraki, A.; Rudolph, C. Blockchain-Based Malicious Behaviour Management Scheme for Smart Grids. Smart Cities 2023, 6, 3005–3031. [Google Scholar] [CrossRef]
- Wood, A.J.; Wollenberg, B.F.; Sheblé, G.B. Power Generation, Operation, and Control; John Wiley & Sons: Hoboken, NJ, USA, 2013. [Google Scholar]
- Farmanbar, M.; Parham, K.; Arild, Ø.; Rong, C. A widespread review of smart grids towards smart cities. Energies 2019, 12, 4484. [Google Scholar] [CrossRef]
- Lamnatou, C.; Chemisana, D.; Cristofari, C. Smart grids and smart technologies in relation to photovoltaics, storage systems, buildings and the environment. Renew. Energy 2022, 185, 1376–1391. [Google Scholar] [CrossRef]
- Wabukala, B.M.; Mukisa, N.; Watundu, S.; Bergland, O.; Rudaheranwa, N.; Adaramola, M.S. Impact of household electricity theft and unaffordability on electricity security: A case of Uganda. Energy Policy 2023, 173, 113411. [Google Scholar] [CrossRef]
- McLaughlin, S.; Holbert, B.; Fawaz, A.; Berthier, R.; Zonouz, S. A multi-sensor energy theft detection framework for advanced metering infrastructures. IEEE J. Sel. Areas Commun. 2013, 31, 1319–1330. [Google Scholar] [CrossRef]
- Tariq, M.; Poor, H.V. Electricity theft detection and localization in grid-tied microgrids. IEEE Trans. Smart Grid 2016, 9, 1920–1929. [Google Scholar] [CrossRef]
- Sahoo, S.; Nikovski, D.; Muso, T.; Tsuru, K. Electricity theft detection using smart meter data. In Proceedings of the 2015 IEEE Power & Energy Society Innovative Smart Grid Technologies Conference (ISGT), Washington, DC, USA, 18–20 February 2015; pp. 1–5. [Google Scholar]
- Jiang, R.; Lu, R.; Wang, Y.; Luo, J.; Shen, C.; Shen, X. Energy-theft detection issues for advanced metering infrastructure in smart grid. Tsinghua Sci. Technol. 2014, 19, 105–120. [Google Scholar] [CrossRef]
- Yan, Z.; Wen, H. Performance analysis of electricity theft detection for the smart grid: An overview. IEEE Trans. Instrum. Meas. 2021, 71, 2502928. [Google Scholar] [CrossRef]
- Villar-Rodriguez, E.; Del Ser, J.; Oregi, I.; Bilbao, M.N.; Gil-Lopez, S. Detection of non-technical losses in smart meter data based on load curve profiling and time series analysis. Energy 2017, 137, 118–128. [Google Scholar] [CrossRef]
- Firoozi, H.; Mashhadi, H.R. Non-technical loss detection in limited-data low-voltage distribution feeders. Int. J. Electr. Power Energy Syst. 2022, 135, 107523. [Google Scholar] [CrossRef]
- Adil, M.; Javaid, N.; Qasim, U.; Ullah, I.; Shafiq, M.; Choi, J.G. LSTM and bat-based RUSBoost approach for electricity theft detection. Appl. Sci. 2020, 10, 4378. [Google Scholar] [CrossRef]
- Hasan, M.N.; Toma, R.N.; Nahid, A.A.; Islam, M.M.; Kim, J.M. Electricity theft detection in smart grid systems: A CNN-LSTM based approach. Energies 2019, 12, 3310. [Google Scholar] [CrossRef]
- Punmiya, R.; Choe, S. Energy theft detection using gradient boosting theft detector with feature engineering-based preprocessing. IEEE Trans. Smart Grid 2019, 10, 2326–2329. [Google Scholar] [CrossRef]
- Zheng, Z.; Yang, Y.; Niu, X.; Dai, H.N.; Zhou, Y. Wide and deep convolutional neural networks for electricity-theft detection to secure smart grids. IEEE Trans. Ind. Inform. 2017, 14, 1606–1615. [Google Scholar] [CrossRef]
- Jindal, A.; Dua, A.; Kaur, K.; Singh, M.; Kumar, N.; Mishra, S. Decision tree and SVM-based data analytics for theft detection in smart grid. IEEE Trans. Ind. Inform. 2016, 12, 1005–1016. [Google Scholar] [CrossRef]
- Jokar, P.; Arianpoo, N.; Leung, V.C. Electricity theft detection in AMI using customers’ consumption patterns. IEEE Trans. Smart Grid 2015, 7, 216–226. [Google Scholar] [CrossRef]
- Jayadev, S.P.; Rajeswaran, A.; Bhatt, N.P.; Pasumarthy, R. A novel approach for phase identification in smart grids using Graph Theory and Principal Component Analysis. In Proceedings of the 2016 American Control Conference (ACC), Boston, MA, USA, 6–8 July 2016; pp. 5026–5031. [Google Scholar]
- Arya, V.; Seetharam, D.; Kalyanaraman, S.; Dontas, K.; Pavlovski, C.; Hoy, S.; Kalagnanam, J.R. Phase identification in smart grids. In Proceedings of the 2011 IEEE International Conference on Smart Grid Communications (SmartGridComm), Brussels, Belgium, 17–20 October 2011; pp. 25–30. [Google Scholar]
- Tang, X.; Milanovic, J.V. Phase identification of LV distribution network with smart meter data. In Proceedings of the 2018 IEEE Power & Energy Society General Meeting (PESGM), Portland, OR, USA, 5–10 August 2018; pp. 1–5. [Google Scholar]
- Wang, W.; Yu, N.; Foggo, B.; Davis, J.; Li, J. Phase identification in electric power distribution systems by clustering of smart meter data. In Proceedings of the 2016 15th IEEE International Conference on Machine Learning and Applications (ICMLA), Anaheim, CA, USA, 18–20 December 2016; pp. 259–265. [Google Scholar]
- Heidari-Akhijahani, A.; Safdarian, A.; Aminifar, F. Phase identification of single-phase customers and pv panels via smart meter data. IEEE Trans. Smart Grid 2021, 12, 4543–4552. [Google Scholar] [CrossRef]
- Hoogsteyn, A.; Vanin, M.; Koirala, A.; Van Hertem, D. Low voltage customer phase identification methods based on smart meter data. Electr. Power Syst. Res. 2022, 212, 108524. [Google Scholar] [CrossRef]
- Grigoras, G.; Neagu, B.C. Smart Meter Data-based three-stage algorithm to calculate power and energy losses in low voltage distribution networks. Energies 2019, 12, 3008. [Google Scholar] [CrossRef]
- Nainar, K.; Iov, F. Smart meter measurement-based state estimation for monitoring of low-voltage distribution grids. Energies 2020, 13, 5367. [Google Scholar] [CrossRef]
- Wellssow, W.H.; Waeresch, D. Identification of topology faults by smart meter data in meshed low voltage grids. In Proceedings of the 2014 Power Systems Computation Conference, Wroclaw, Poland, 18–22 August 2014; pp. 1–7. [Google Scholar]
- Waeresch, D.; Brandalik, R.; Wellssow, W.H.; Jordan, J.; Bischler, R.; Schneider, N. Linear state estimation in low voltage grids based on smart meter data. In Proceedings of the 2015 IEEE Eindhoven PowerTech, Eindhoven, The Netherlands, 29 June–2 July 2015; pp. 1–6. [Google Scholar]
- Abdel-Majeed, A.; Braun, M. Low voltage system state estimation using smart meters. In Proceedings of the 2012 47th International Universities Power Engineering Conference (UPEC), London, UK, 4–7 September 2012; pp. 1–6. [Google Scholar]
- Chen, Z.; Amani, A.M.; Yu, X.; Jalili, M. Control and optimization of power grids using smart meter data: A review. Sensors 2023, 23, 2118. [Google Scholar] [CrossRef] [PubMed]
- Kaur, M.; Narang, N. An integrated optimization technique for optimal power flow solution. Soft Comput. 2020, 24, 10865–10882. [Google Scholar] [CrossRef]
- Xu, G.; Wang, X. Research on the Electricity Market Clearing Model for Renewable Energy. Energies 2022, 15, 9124. [Google Scholar] [CrossRef]
- Xia, Y.; Xu, Q.; Huang, Y.; Du, P. Peer-to-peer energy trading market considering renewable energy uncertainty and participants’ individual preferences. Int. J. Electr. Power Energy Syst. 2023, 148, 108931. [Google Scholar] [CrossRef]
- Feng, C.; Liang, B.; Li, Z.; Liu, W.; Wen, F. Peer-to-peer energy trading under network constraints based on generalized fast dual ascent. IEEE Trans. Smart Grid 2022, 14, 1441–1453. [Google Scholar] [CrossRef]
- Yang, Z.; Zhang, J.; Zhou, W.; Peng, X. Hooke-jeeves bat algorithm for systems of nonlinear equations. In Proceedings of the 2017 13th International Conference on Natural Computation, Fuzzy Systems and Knowledge Discovery (ICNC-FSKD), Guilin, China, 29–31 July 2017; pp. 542–547. [Google Scholar]
- Liu, Y.; Mu, Y.; Chen, K.; Li, Y.; Guo, J. Daily activity feature selection in smart homes based on pearson correlation coefficient. Neural Process. Lett. 2020, 51, 1771–1787. [Google Scholar] [CrossRef]
- GOLANG. Open-Source Programming Language. Available online: https://go.dev/ (accessed on 10 January 2024).





| The Number of Consumers | Average Error, % |
|---|---|
| 10 | 0.5% |
| 50 | 0.6% |
| 100 | 0.8% |
| 200 | 1.5% |
| The Number of Consumers | Average Number of Iterations |
|---|---|
| 10 | 10 |
| 50 | 20 |
| 100 | 30 |
| 200 | 40 |
| The Number of Consumers | Relative Load Power, p.u. |
|---|---|
| 10 | 0.021 |
| 50 | 0.025 |
| 100 | 0.028 |
| 200 | 0.03 |
| The Number of Consumers in a Network | The Number of Illegal Consumers in a Grid | |||
|---|---|---|---|---|
| 1 | 2 | 4 | 8 | |
| The Probability of Finding an Illegal Consumer, % | ||||
| 10 consumers | 98–99 | 97–98 | 90–94 | 88–90 |
| 50 consumers | 97–99 | 96–98 | 89–92 | 87–89 |
| 100 consumers | 97–99 | 94–97 | 85–88 | 82–85 |
| 200 consumers | 97–99 | 93–95 | 81–82 | 80–82 |
Disclaimer/Publisher’s Note: The statements, opinions and data contained in all publications are solely those of the individual author(s) and contributor(s) and not of MDPI and/or the editor(s). MDPI and/or the editor(s) disclaim responsibility for any injury to people or property resulting from any ideas, methods, instructions or products referred to in the content. |
© 2024 by the authors. Licensee MDPI, Basel, Switzerland. This article is an open access article distributed under the terms and conditions of the Creative Commons Attribution (CC BY) license (https://creativecommons.org/licenses/by/4.0/).
Share and Cite
Alymov, I.; Averbukh, M. Monitoring Energy Flows for Efficient Electricity Control in Low-Voltage Smart Grids. Energies 2024, 17, 2123. https://doi.org/10.3390/en17092123
Alymov I, Averbukh M. Monitoring Energy Flows for Efficient Electricity Control in Low-Voltage Smart Grids. Energies. 2024; 17(9):2123. https://doi.org/10.3390/en17092123
Chicago/Turabian StyleAlymov, Ivan, and Moshe Averbukh. 2024. "Monitoring Energy Flows for Efficient Electricity Control in Low-Voltage Smart Grids" Energies 17, no. 9: 2123. https://doi.org/10.3390/en17092123
APA StyleAlymov, I., & Averbukh, M. (2024). Monitoring Energy Flows for Efficient Electricity Control in Low-Voltage Smart Grids. Energies, 17(9), 2123. https://doi.org/10.3390/en17092123

