Transmission Expansion Planning Considering Storage, Flexible AC Transmission System, Losses, and Contingencies to Integrate Wind Power
Abstract
1. Introduction
1.1. Background
1.2. Literature Review
- A complete mathematical formulation to solve the TEP problem incorporating power losses with security constraints. This formulation helps the planner to model the TEP problem in a way that approximates the real world. Power losses are modeled using the piecewise linearization technique.
- Inclusion of ESSs and SCC devices in transmission expansion planning considering contingencies and power losses simultaneously. This support scheme decides on the adequacy of the transmission expansion and the optimal placement of the ESS and SCC devices.
- Intraday time constraints are included to represent the daily storage charge and discharge cycle considering non-dispatchable renewable generation (wind farms). In this context, 12 energy scenarios are used, which are represented as light load, heavy load, and medium load on weekdays and weekends for winter and summer. Furthermore, a specialized genetic algorithm is used to support expansion planning and minimize the total investment cost of lines, ESSs, and SCC devices.
2. The Structure of the Planning Model
3. Mathematical Model
4. Specialized Genetic Algorithm
4.1. Codification
4.2. Initial Population
4.3. Selection
4.4. Recombination
4.5. Mutation
4.6. Local Improvement of an Individual
4.6.1. Improving the Unfitness Function
4.6.2. Objective Function Improvement
4.7. Population Substitution
4.8. Stop Criteria
5. Test and Critical Analysis of the Results
5.1. Garver Electrical Test System
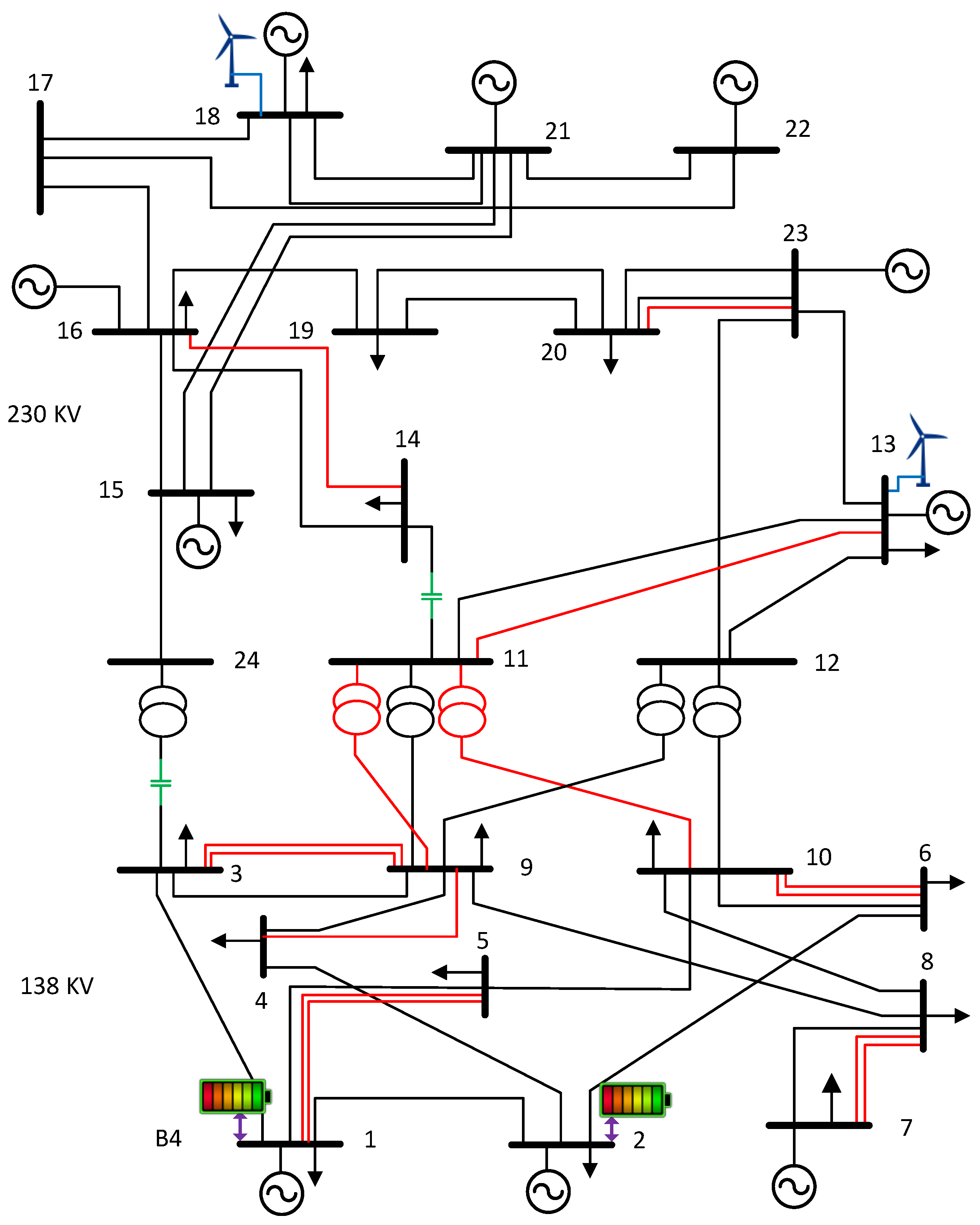
5.2. IEEE 24-Bus Test System
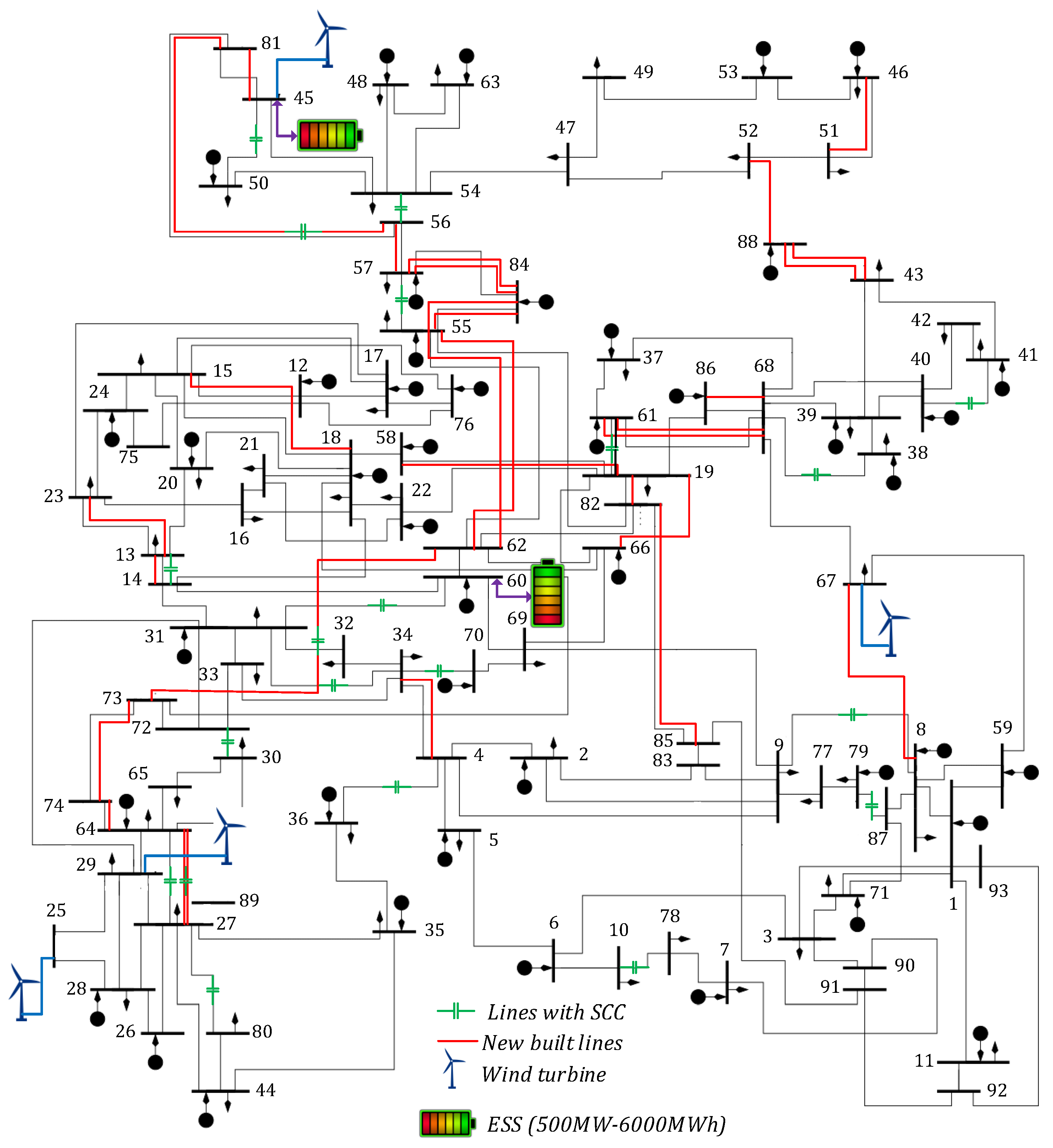
5.3. Practical Application on the Colombian System
6. Conclusions
Author Contributions
Funding
Data Availability Statement
Conflicts of Interest
Nomenclature
| Indices are as follows: | |
| ℓ | Piecewise linear functions |
| b | Nodes |
| i | Thermal generators |
| Transmission lines from i to j | |
| Obtained annual equivalent cost of lines and storage systems | |
| Contingencies | |
| q | Storage systems |
| s | Scenarios |
| t | Time periods |
| w | Wind farms |
| Sets of | |
| Candidate lines | |
| All lines with SCC devices | |
| Scenarios | |
| Storage systems | |
| Storage systems placed at node b | |
| Thermal plants placed at node b | |
| Wind farms placed at node b | |
| Artificial generators | |
| Candidate and initial network circuits | |
| Constants | |
| Cost of transmission lines (USD) | |
| Fixed cost of storage system q | |
| Charge and discharge variable cost incurred only at the time of ESS (USD/MW) | |
| Investment cost of unit energy capacity | |
| Conductance of line | |
| Cycle efficiency of the ESSs | |
| Penalty parameter linked to load shedding (USD/MW) | |
| Transmission lines susceptance (p.u.) | |
| Number of existing transmission lines | |
| Maximum capacity of lines in branch | |
| Power output capacity of thermal plant i | |
| Predicted power output of wind plant w during time t of scenario s | |
| Upper and lower power for discharging of | |
| storage system q | |
| Upper and lower power for charging of | |
| storage system q | |
| Capacity of line | |
| Upper and lower bounds of the energy level | |
| of system q | |
| Demand at node b during time t of scenario s | |
| T | Count of time intervals |
| L | Count of blocks in the piecewise linear approximation of power losses |
| Maximum angle difference across a line equal to during time t of scenario s | |
| Maximum number of ESSs in the entire electrical system | |
| Charge and discharge efficiency of storage system q | |
| Diversification rate (%) | |
| Mutation rate (%) | |
| Maximum number of individuals (population size) | |
| Selection rate, defined as the size of the tournament utilized in the selection process | |
| Maximum capacity of iterations | |
| Variables | |
| S | Transposed incidence matrix representing branches/nodes within the power system |
| Power flow output of thermal plant i during time t of scenario s | |
| Power flow output of wind farms w during time t of scenario s | |
| Starting energy level of storage system q | |
| Storage system q power output during time t of scenario s | |
| Charging power flow of storage system q during time of scenario s | |
| Discharging power flow of storage system q during time of scenario s | |
| Power flow with and without contingency p of | |
| line during time t of scenario s | |
| Number of circuits added in the branch | |
| Artificial generator in node i with contingency k during time t of scenario s (MW) | |
| Artificial generators vector with elements corresponding to the artificial generation during time t of scenario s (MW) | |
| Non-negative slack variables used to replace | |
| during time t of scenario s | |
| Voltage angle variable associated with the ℓth number of piecewise linear functions during time t of scenario s | |
| Slope of the ℓth piecewise linear block during time t of scenario s | |
| Counter of iterations | |
| Binary decision variable for storage system q at node i | |
| Phase angle in node i during time t of scenario s with | |
| and without contingency p | |
| Percentage (between 0 and 1) of the cost of installing SCC devices in branch | |
| Percentage (between 0 and 1) of the reactive compensation in branch | |
References
- D Andrade, B. The Power Grid: Smart, Secure, Green and Reliable; Elsevier: Amsterdam, The Netherlands, 2017; pp. 1–327. [Google Scholar]
- Luburic, Z.; Pandžić, H.; Carrión, M. Transmission Expansion Planning Model Considering Battery Energy Storage, TCSC and Lines Using AC OPF. IEEE Access 2020, 8, 203429–203439. [Google Scholar] [CrossRef]
- Sidhu, A.S.; Pollitt, M.G.; Anaya, K.L. A social cost benefit analysis of grid-scale electrical energy storage projects: A case study. Appl. Energy 2018, 212, 881–894. [Google Scholar] [CrossRef]
- Ai, X.; Li, J.; Fang, J.; Yao, W.; Xie, H.; Cai, R.; Wen, J. Multi-time-scale coordinated ramp-rate control for photovoltaic plants and battery energy storage. IET Renew. Power Gener. 2018, 12, 1390–1397. [Google Scholar] [CrossRef]
- Han, X.; Liao, S.; Ai, X.; Yao, W.; Wen, J. Determining the Minimal Power Capacity of Energy Storage to Accommodate Renewable Generation. Energies 2017, 10, 468. [Google Scholar] [CrossRef]
- Das, C.K.; Bass, O.; Kothapalli, G.; Mahmoud, T.S.; Habibi, D. Optimal placement of distributed energy storage systems in distribution networks using artificial bee colony algorithm. Appl. Energy 2018, 232, 212–228. [Google Scholar] [CrossRef]
- Liu, J.; Wen, J.; Yao, W.; Long, Y. Solution to short-term frequency response of wind farms by using energy storage systems. IET Renew. Power Gener. 2016, 10, 669–678. [Google Scholar] [CrossRef]
- Li, J.; Ma, Y.; Mu, G.; Feng, X.; Yan, G.; Guo, G.; Zhang, T. Optimal Configuration of Energy Storage System Coordinating Wind Turbine to Participate Power System Primary Frequency Regulation. Energies 2018, 11, 1396. [Google Scholar] [CrossRef]
- Milano, F. Power System Modelling and Scripting; Springer Science & Business Media: Berlin, Germany, 2010. [Google Scholar]
- Shafik, M.B.; Chen, H.; Rashed, G.I.; El-Sehiemy, R.A. Adaptive multi objective parallel seeker optimization algorithm for incorporating TCSC devices into optimal power flow framework. IEEE Access 2019, 7, 36934–36947. [Google Scholar] [CrossRef]
- Zamora-Cárdenas, A.; Fuerte-Esquivel, C.R. Multi-parameter trajectory sensitivity approach for location of series-connected controllers to enhance power system transient stability. Electr. Power Syst. Res. 2010, 80, 1096–1103. [Google Scholar] [CrossRef]
- Leonidaki, E.; Manos, G.; Hatziargyriou, N. An effective method to locate series compensation for voltage stability enhancement. Electr. Power Syst. Res. 2005, 74, 73–81. [Google Scholar] [CrossRef]
- Gallego, L.A.; Garcés, L.P.; Contreras, J. Optimal Placement of Series Capacitive Compensation in Transmission Network Expansion Planning. J. Control Autom. Electr. Syst. 2020, 31, 165–176. [Google Scholar] [CrossRef]
- Rahmani, M.; Vinasco, G.; Rider, M.J.; Romero, R.; Pardalos, P.M. Multistage Transmission Expansion Planning Considering Fixed Series Compensation Allocation. IEEE Trans. Power Syst. 2013, 28, 3795–3805. [Google Scholar] [CrossRef]
- Silva, I.d.J.; Rider, M.; Romero, R.; Garcia, A.; Murari, C. Transmission network expansion planning with security constraints. IEE Proc. Gener. Transm. Distrib. 2005, 152, 828–836. [Google Scholar] [CrossRef]
- Sum-Im, T.; Taylor, G.; Irving, M.; Song, Y. Differential evolution algorithm for static and multistage transmission expansion planning. IET Gener. Transm. Distrib. 2009, 3, 365–384. [Google Scholar] [CrossRef]
- Mahdavi, M.; Sabillon Antunez, C.; Ajalli, M.; Romero, R. Transmission Expansion Planning: Literature Review and Classification. IEEE Syst. J. 2019, 13, 3129–3140. [Google Scholar] [CrossRef]
- Naderi, E.; Pourakbari-Kasmaei, M.; Lehtonen, M. Transmission expansion planning integrated with wind farms: A review, comparative study, and a novel profound search approach. Int. J. Electr. Power Energy Syst. 2020, 115, 105460. [Google Scholar] [CrossRef]
- Neumann, F.; Hagenmeyer, V.; Brown, T. Assessments of linear power flow and transmission loss approximations in coordinated capacity expansion problems. Appl. Energy 2022, 314, 118859. [Google Scholar] [CrossRef]
- Ploussard, Q.; Olmos, L.; Ramos, A. A search space reduction method for transmission expansion planning using an iterative refinement of the DC load flow model. IEEE Trans. Power Syst. 2019, 35, 152–162. [Google Scholar] [CrossRef]
- Abdi, H.; Moradi, M.; Lumbreras, S. Metaheuristics and transmission expansion planning: A comparative case study. Energies 2021, 14, 3618. [Google Scholar] [CrossRef]
- Mahdavi, M.; Kheirkhah, A.R.; Macedo, L.H.; Romero, R. A Genetic Algorithm for Transmission Network Expansion Planning Considering Line Maintenance. In Proceedings of the 2020 IEEE Congress on Evolutionary Computation (CEC), Virtual, 19–24 July 2020; pp. 1–6. [Google Scholar]
- Leeprechanon, N.; Limsakul, P.; Pothiya, S. Optimal transmission expansion planning using ant colony optimization. J. Sustain. Energy Environ. 2010, 1, 71–76. [Google Scholar]
- Romero, R.; Rider, M.J.; Silva, I.d.J. A Metaheuristic to Solve the Transmission Expansion Planning. IEEE Trans. Power Syst. 2007, 22, 2289–2291. [Google Scholar] [CrossRef]
- Keokhoungning, T.; Premrudeepreechacharn, S.; Wongsinlatam, W.; Namvong, A.; Remsungnen, T.; Mueanrit, N.; Sorn-in, K.; Kravenkit, S.; Siritaratiwat, A.; Srichan, C.; et al. Transmission Network Expansion Planning with High-Penetration Solar Energy Using Particle Swarm Optimization in Lao PDR toward 2030. Energies 2022, 15, 8359. [Google Scholar] [CrossRef]
- Gan, W.; Ai, X.; Fang, J.; Yan, M.; Yao, W.; Zuo, W.; Wen, J. Security constrained co-planning of transmission expansion and energy storage. Appl. Energy 2019, 239, 383–394. [Google Scholar] [CrossRef]
- Conejo, A.J.; Cheng, Y.; Zhang, N.; Kang, C. Long-term coordination of transmission and storage to integrate wind power. CSEE J. Power Energy Syst. 2017, 3, 36–43. [Google Scholar] [CrossRef]
- Xie, Y.; Xu, Y. Transmission Expansion Planning Considering Wind Power and Load Uncertainties. Energies 2022, 15, 7140. [Google Scholar] [CrossRef]
- de Paula, A.N.; de Oliveira, E.J.; de Oliveira, L.W.; Honório, L.M. Robust static transmission expansion planning considering contingency and wind power generation. J. Control Autom. Electr. Syst. 2020, 31, 461–470. [Google Scholar] [CrossRef]
- Gbadamosi, S.L.; Nwulu, N.I. A comparative analysis of generation and transmission expansion planning models for power loss minimization. Sustain. Energy Grids Netw. 2021, 26, 100456. [Google Scholar] [CrossRef]
- Huanca, D.H.; Gallego, L.A.; López-Lezama, J.M. Transmission Network Expansion Planning Considering Optimal Allocation of Series Capacitive Compensation and Active Power Losses. Appl. Sci. 2022, 12, 388. [Google Scholar] [CrossRef]
- Aguado, J.; de la Torre, S.; Triviño, A. Battery energy storage systems in transmission network expansion planning. Electr. Power Syst. Res. 2017, 145, 63–72. [Google Scholar] [CrossRef]
- Hu, Z.; Zhang, F.; Li, B. Transmission expansion planning considering the deployment of energy storage systems. In Proceedings of the 2012 IEEE Power and Energy Society General Meeting, San Diego, CA, USA, 22–26 July 2012; pp. 1–6. [Google Scholar]
- Torres, S.P.; Castro, C.A.; Rider, M.J. Transmission expansion planning by using DC and AC models and particle swarm optimization. In Swarm Intelligence for Electric and Electronic Engineering; IGI Global: Hershey, PA, USA, 2013; pp. 260–284. [Google Scholar]
- Alguacil, N.; Motto, A.L.; Conejo, A.J. Transmission expansion planning: A mixed-integer LP approach. IEEE Trans. Power Syst. 2003, 18, 1070–1077. [Google Scholar] [CrossRef]
- Zhang, F.; Hu, Z.; Song, Y. Mixed-integer linear model for transmission expansion planning with line losses and energy storage systems. IET Gener. Transm. Distrib. 2013, 7, 919–928. [Google Scholar] [CrossRef]
- Garces, L.; Romero, R. Specialized Genetic Algorithm for Transmission Network Expansion Planning Considering Reliability. In Proceedings of the 2009 15th International Conference on Intelligent System Applications to Power Systems, Curitiba, Brazil, 8–12 November 2009; pp. 1–6. [Google Scholar]
- Gallego, L.; Garcés, L.; Rahmani, M.; Romero, R. High-Performance Hybrid Algorithm to Solve Transmission Network Expansion Planning. IET Gener. Transm. Distrib. 2016, 11, 1111–1118. [Google Scholar] [CrossRef]
- Villasana, R.; Garver, L.; Salon, S. Transmission network planning using linear programming. IEEE Trans. Power Appar. Syst. 1985, 2, 349–356. [Google Scholar] [CrossRef]
- Ruben, R.; Monticelli, A.; Garcia, V.; Haffner, S. Test systems and mathematical models for transmission network expansion planning. IEE Proc. Gener. Transm. Distrib. 2002, 149, 27–36. [Google Scholar]
- De La Torre, S.; Conejo, A.J.; Contreras, J. Transmission expansion planning in electricity markets. IEEE Trans. Power Syst. 2008, 23, 238–248. [Google Scholar] [CrossRef]
- Conejo, A.; Baringo, L.; Kazempour, J.; Siddiqui, A. Investment in Electricity Generation and Transmission; Springer: Berlin, Germany, 2016. [Google Scholar]













| Seasons | Day | Scenario | Demand Coefficient (%) | Load Description |
|---|---|---|---|---|
| Winter | Wd | 1 | 66 | LL |
| 2 | 97 | HL | ||
| 3 | 83 | ML | ||
| We | 4 | 67 | LL | |
| 5 | 97 | HL | ||
| 6 | 82 | ML | ||
| Summer | Wd | 7 | 61 | LL |
| 8 | 98 | HL | ||
| 9 | 80 | ML | ||
| We | 10 | 69 | LL | |
| 11 | 96 | HL | ||
| 12 | 85 | ML |
| System | (MW) | (MW) | (MWh) | (MWh) |
|---|---|---|---|---|
| Garver | 30 | 0 | 10 | 400 |
| IEEE-24 | 60 | 0 | 20 | 900 |
| Colombian | 500 | 0 | 70 | 6000 |
| Type | Compensation Rate (Line Reactance) | Compensation Cost (Lines Cost) |
|---|---|---|
| 1 | 0.30 | 0.10 |
| 2 | 0.40 | 0.15 |
| 3 | 0.50 | 0.20 |
| Case No. | Description |
|---|---|
| Case I | TEP with contingency |
| Case II | TEP considering contingency and power losses |
| Case III | TEP with contingency and SCC devices |
| Case IV | TEP with contingency, SCC devices, and power losses |
| Case V | TEP considering contingency, SCC devices, and storage |
| Case VI | TEP with contingency, SCC devices, storage, and power losses |
| Cases | New Lines | Line SCC (Type) | ESS Node (MW) | Million USD | Losses (MW) | LPs | L | Time (min) | ||||
|---|---|---|---|---|---|---|---|---|---|---|---|---|
| Lines | SCC | ESS | Subtotal | Total | ||||||||
| I | , , , | - | - | 180 | - | - | 180 | - | - | 152 | - | 0.065 |
| II | , , | - | - | 190 | - | - | 190 | - | 40.8 | 715 | 10 | 0.559 |
| III | , , | - | 160 | 8 | - | 168 | 168 | - | 1617 | - | 0.726 | |
| IV | , , | , , | - | 160 | 29.50 | - | 189.5 | 189.5 | 28.87 | 2867 | 20 | 2.830 |
| V | , , , | , | 1(30), 5(30) | 130 | 11 | 10.12 | 145.8 | 151.12 | - | 1625 | - | 0.862 |
| VI | , , | 4(30) | 160 | 6 | 6.06 | 168.4 | 172.06 | 25.32 | 2100 | 10 | 1.731 | |
| Description | Cases | |||||
|---|---|---|---|---|---|---|
| Garver | IEEE-24 | Colombian | ||||
| II | VI | II | VI | I | V | |
| Number of new lines | 7 | 6 | 13 | 13 | 65 | 31 |
| Number of added ESS | - | 1 | - | 2 | - | 2 |
| Annual line and lines with SCC devices M USD | 20.15 | 17.60 | 51.46 | 49.18 | 125.77 | 102.19 |
| Annual ESS cost M USD | - | 0.79 | - | 2.25 | - | 13.29 |
| Total annual investment, M USD | 20.15 | 18.39 | 51.44 | 51.43 | 125.77 | 115.48 |
| System | Using CBGA This Paper | Using Commercial [42] Solvers (Cplex-GAMS) | ||
|---|---|---|---|---|
| Cost (M USD) | Time (min) | Cost (M USD) | Time (min) | |
| Garver | 110.0 | 0.016 | 110.0 | 0.001 |
| IEEE-24 | 152.0 | 0.020 | 190.0 | 0.073 |
| Colombian | 560.42 | 1.55 | 996.63 | 30.56 |
| Discount Rate (%) | Lifespan (Years) | Annual Cost | |
|---|---|---|---|
| Lines with SCC | Storage | ||
| 10 | 30 | 15 | 51.43 |
| 15 | 30 | 15 | 73.53 |
| 20 | 40 | 20 | 96.28 |
| 25 | 40 | 20 | 120.23 |
Disclaimer/Publisher’s Note: The statements, opinions and data contained in all publications are solely those of the individual author(s) and contributor(s) and not of MDPI and/or the editor(s). MDPI and/or the editor(s) disclaim responsibility for any injury to people or property resulting from any ideas, methods, instructions or products referred to in the content. |
© 2024 by the authors. Licensee MDPI, Basel, Switzerland. This article is an open access article distributed under the terms and conditions of the Creative Commons Attribution (CC BY) license (https://creativecommons.org/licenses/by/4.0/).
Share and Cite
Huanca, D.H.; Falcão, D.M.; Bento, M.E.C. Transmission Expansion Planning Considering Storage, Flexible AC Transmission System, Losses, and Contingencies to Integrate Wind Power. Energies 2024, 17, 1777. https://doi.org/10.3390/en17071777
Huanca DH, Falcão DM, Bento MEC. Transmission Expansion Planning Considering Storage, Flexible AC Transmission System, Losses, and Contingencies to Integrate Wind Power. Energies. 2024; 17(7):1777. https://doi.org/10.3390/en17071777
Chicago/Turabian StyleHuanca, Dany H., Djalma M. Falcão, and Murilo E. C. Bento. 2024. "Transmission Expansion Planning Considering Storage, Flexible AC Transmission System, Losses, and Contingencies to Integrate Wind Power" Energies 17, no. 7: 1777. https://doi.org/10.3390/en17071777
APA StyleHuanca, D. H., Falcão, D. M., & Bento, M. E. C. (2024). Transmission Expansion Planning Considering Storage, Flexible AC Transmission System, Losses, and Contingencies to Integrate Wind Power. Energies, 17(7), 1777. https://doi.org/10.3390/en17071777
