Control and Intelligent Optimization of a Photovoltaic (PV) Inverter System: A Review
Abstract
1. Introduction
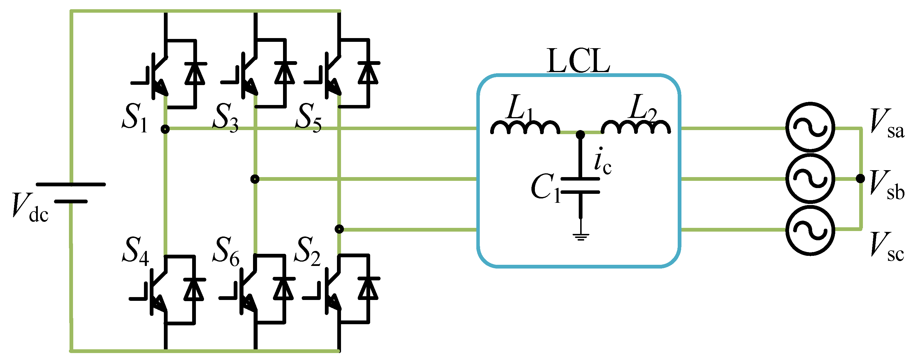
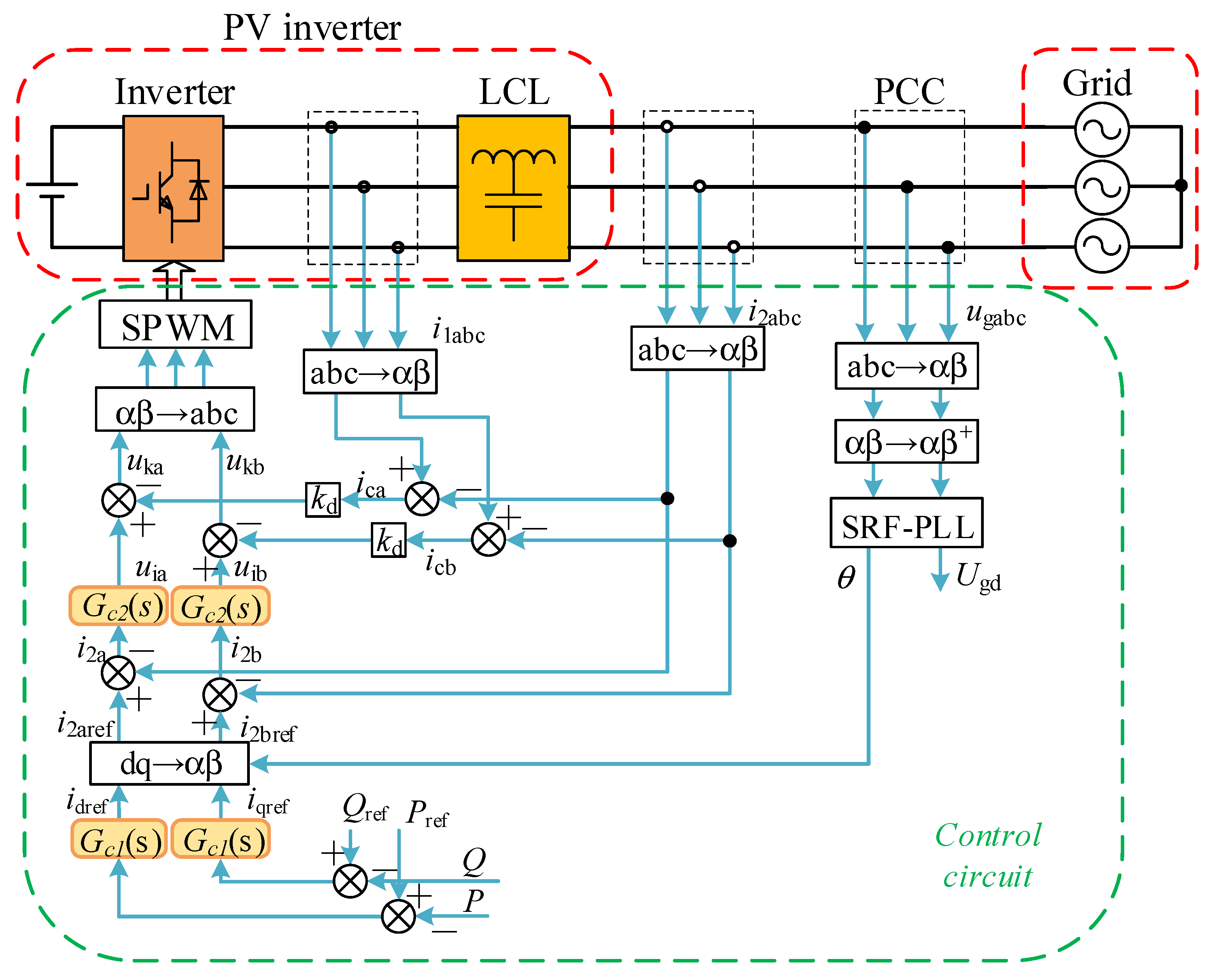
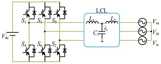
2. Grid-connected PV Inverter System
3. Typical Control of Grid-Connected PV Inverters
3.1. P-Q Control
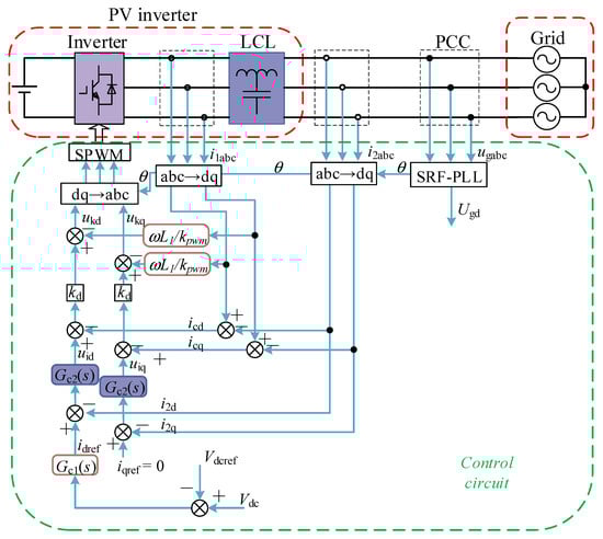
3.2. Constant Voltage and Frequency (V/F) Control
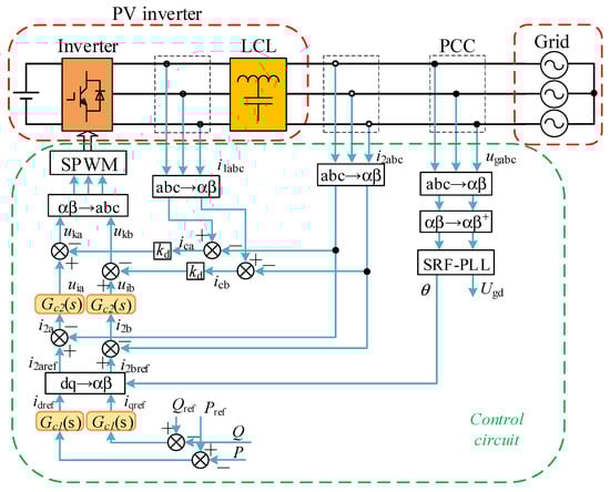
3.3. Droop Control
4. Intelligent Optimization Control of PV System
4.1. Fuzzy Optimization Control
4.2. Expert System Optimization Control
4.3. ANN Optimization Control
4.4. Adaptive Neuro-Fuzzy Algorithm Optimization
4.4.1. Adaptive Neuro-Fuzzy Optimization for PV Inverter with PQ Control
4.4.2. Adaptive Neuro-Fuzzy Optimization for a PV Inverter with Droop Control
5. Research Prospects
6. Conclusions
Author Contributions
Funding
Data Availability Statement
Conflicts of Interest
References
- Li, Z.; Zhang, R.; Sun, H.; Zhang, W.; Mei, C. Review on key technologies of hydrogen generation, storage and transportation based on mul-ti-energy complementary renewable energy. Trans. China Electrotech. Soc. 2021, 36, 446–462. [Google Scholar]
- Chen, W.; Ai, X. Influence of grid-connected photovoltaic system on power network. Electr. Power Autom. Equip. 2013, 33, 26–32+39. [Google Scholar]
- Zhou, X.; Chen, S.; Lu, Z.; Huang, Y.; Ma, S.; Zhao, Q. Technology features of the new generation power system in China. Chin. Soc. Elec. Eng. 2018, 38, 1893–1904. [Google Scholar]
- Xie, X.; He, J.; Mao, H.; Li, H. New issues and classification of power system stability with high shares of renewables and power electronics. Chin. Soc. Elec. Eng. 2021, 41, 461–475. [Google Scholar]
- Zhang, Q.; Mao, M.; Ke, G.; Zhou, L.; Xie, B. Stability problems of photovoltaic (PV) inverter in weak grid: A review. IET Power Electron. 2020, 13, 2165–2174. [Google Scholar] [CrossRef]
- Zheng, K.; Zhou, L.; Zhang, Q.; Xie, B.; Li, H. Stability analysis and parameter optimization design of photovoltaic grid-connected inverter under digital control. Trans. China Electrotech. Soc. 2018, 33, 1802–1813. [Google Scholar]
- Zhang, X.; Li, M.; Guo, Z.; Wang, J.; Han, F.; Fu, X. Review and perspectives on control strategies for renewable energy grid-connected inverters. J. Glob. Energy Interconnect. 2021, 4, 506–515. [Google Scholar]
- Weckx, S.; Gonzalez, C.; Driesen, J. Combined central and local active and reactive power control of PV inverters. IEEE Trans. Sustain. Energy 2014, 5, 776–784. [Google Scholar] [CrossRef]
- Tang, X.; Hu, X.; Li, N.; Deng, W.; Zhang, G. A novel frequency and voltage control method for islanded microgrid based on multienergy storages. IEEE Trans. Smart Grid 2014, 7, 410–419. [Google Scholar] [CrossRef]
- Zhang, L.; Zheng, H.; Wan, T.; Shi, D.; Lyu, L.; Cai, G. An integrated control algorithm of power distribution for islanded microgrid based on improved virtual synchronous generator. IET Renew. Power Gener. 2021, 15, 2674–2685. [Google Scholar] [CrossRef]
- Mao, P.; Zhang, M.; Zhu, Y.; Zhang, W. A novel current controller in photovoltaic grid-connected inverter. J. Chin. Inst. Eng. 2021, 44, 277–292. [Google Scholar] [CrossRef]
- Zhang, Q.; Zhou, L.; Li, H.; Zheng, C.; Xie, B. Oscillation analysis and suppression of large-scale grid-connected photovoltaic system considering SVG equipment. Chin. Soc. Elec. Eng. 2019, 39, 2636–2644. [Google Scholar]
- Ye, J.; Liu, L.; Xu, J.; Shen, A. Frequency adaptive proportional-repetitive control for grid-connected inverters. IEEE Trans. Ind. Electron. 2020, 68, 7965–7974. [Google Scholar] [CrossRef]
- Jiang, F.; Zheng, L.; Song, J. Repetitive-based dual closed-loop control approach for grid-connected inverters with LCL filters. Chin. Soc. Elec. Eng. 2017, 37, 2944–2954. [Google Scholar]
- Wang, Y.; Wang, X.; Blaabjerg, F.; Chen, Z. Harmonic instability assessment using state-space modeling and participation analysis in inverter-fed power systems. IEEE Trans. Ind. Electron. 2016, 64, 806–816. [Google Scholar] [CrossRef]
- Xiang, X.; Luo, A.; Li, Y. Intelligent control method of power supply for tundish electromagnetic induction heating system. J. Mod. Power Syst. Clean Energy 2020, 8, 1188–1195. [Google Scholar] [CrossRef]
- Kluska, J.; Zabinski, T. PID-like adaptive fuzzy controller design based on absolute stability criterion. IEEE Trans. Fuzzy Syst. 2019, 28, 523–533. [Google Scholar] [CrossRef]
- Wang, Y. Research on Inverter Based on Repetitive and Fuzzy Control. Master’s Thesis, Tianjin University, Tianjin, China, 2020. [Google Scholar]
- Li, H.; Yang, X.; Wang, Y. Research on grid-connected three-phase inverter based on fuzzy PR control and PI control. Electric. Drive 2016, 46, 55–59. [Google Scholar]
- Yang, X.; Guo, K.; Yang, F.; Xue, B.; Wang, T. A control strategy of grid-connected inverter with three-phase LC filter based on fuzzy PCI and PR control. J. Electr. Power Sci. Technol. 2020, 35, 20–26. [Google Scholar]
- Liang, L. The application of fuzzy PID controller in coupled-tank liquid-level control system. In Proceedings of the 2011 International Conference on Electronics, Communications and Control (ICECC), Ningbo, China, 9–11 September 2011. [Google Scholar]
- Bose, B.K. Artificial intelligence applications in renewable energy systems and smart grid–some novel applications. In Power Electronics in Renewable Energy Systems and Smart Grid: Technology and Applications, 12th ed.; Wiley-IEEE Press: Hoboken, NJ, USA, 2019; pp. 625–675. [Google Scholar]
- Azeroual, M.; Boujoudar, Y.; Iysaouy, L.E.; Aljarbouh, A.; Fayaz, M.; Qureshi, M.S.; Rabbi, F.; Markhi, H.E. Energy management and control system for microgrid based wind-PV-battery using multi-agent systems. Wind. Eng. 2022, 46, 1247–1263. [Google Scholar] [CrossRef]
- Mohbey, K.K.; Kumar, S. The impact of big data in predictive analytics towards technological development in cloud computing. Int. J. Eng. Syst. Model. Simul. 2022, 13, 61. [Google Scholar] [CrossRef]
- Zhang, Q.; Zhou, L.; Mao, M.; Xie, B.; Zheng, C. Power quality and stability analysis of large-scale grid-connected photovoltaic system consid-ering non-linear effects. IET Power Electron. 2018, 11, 1739–1747. [Google Scholar] [CrossRef]
- Ibrahim, N.F.; Mahmoud, M.M.; Al Thaiban, A.M.; Barnawi, A.B.; Elbarbary, Z.S.; Omar, A.I.; Abdelfattah, H. Operation of grid-connected PV System with ANN-based MPPT and an otimized LCL filter using GRG algorithm for enhanced power quality. IEEE Access 2023, 11, 106859–106876. [Google Scholar] [CrossRef]
- Yang, D.; Wang, X.; Liu, F.; Xin, K.; Liu, Y.; Blaabjerg, F. Adaptive reactive power control of PV power plants for improved power transfer capability under ultra-weak grid conditions. IEEE Trans. Smart Grid 2017, 10, 1269–1279. [Google Scholar] [CrossRef]
- Nayak, P.; Patel, T.; Munda, N.; Mallick, R.K. Optimal PQ control of solar photovoltaic based microgrids with battery storage. In Proceedings of the 2019 Innovations in Power and Advanced Computing Technologies (i-PACT), Vellore, India, 22–23 March 2019. [Google Scholar]
- Haider, S.; Li, G.; Wang, K. A dual control strategy for power sharing improvement in islanded mode of AC microgrid. Prot. Control. Mod. Power Syst. 2018, 3, 10. [Google Scholar] [CrossRef]
- Jiang, X.; Zhou, Y.; Ming, W.; Yang, P.; Wu, J. An overview of soft open points in electricity distribution networks. IEEE Trans. Smart Grid 2022, 13, 1899–1910. [Google Scholar] [CrossRef]
- Das, A.; Batzelis, E.I.; Anand, S.; Sahoo, S.R. Network-agnostic adaptive PQ adjustment control for grid voltage regulation in PV systems. IEEE Trans. Ind. Appl. 2022, 58, 5792–5804. [Google Scholar] [CrossRef]
- Yi, G. Micro-grid constant power control strategy analysis under grid voltage imbalance. Trans. China Electrotech. Soc. 2015, 30, 377–387. [Google Scholar]
- Poonahela, I.; Bayhan, S.; Abu-Rub, H.; Begovic, M.M.; Shadmand, M.B. An effective finite control set-model predictive control method for grid integrated solar PV. IEEE Access 2021, 9, 144481–144492. [Google Scholar] [CrossRef]
- Bai, W.; Abedi, M.R.; Lee, K.Y. Distributed generation system control strategies with PV and fuel cell in microgrid operation. Control. Eng. Pr. 2016, 53, 184–193. [Google Scholar] [CrossRef]
- Khan, R.; Islam, N.; Das, S.K.; Muyeen, S.M.; Moyeen, S.I.; Ali, M.F.; Tasneem, Z.; Islam, M.R.; Saha, D.K.; Badal, M.F.R.; et al. Energy sustainability–survey on technology and control of microgrid, smart grid and virtual power plant. IEEE Access 2021, 9, 104663–104694. [Google Scholar] [CrossRef]
- Wang, Y.; Kuang, Y.; Xu, Q. A current-limiting scheme for voltage-controlled inverter using instantaneous current to generate virtual impedance. IEEE J. Emerg. Sel. Top. Circuits Syst. 2023, 13, 524–535. [Google Scholar] [CrossRef]
- Zhu, Y.; Wang, H.; Zhu, Z. Improved VSG control strategy based on the combined power generation system with hydrogen fuel cells and super capacitors. Energy Rep. 2021, 7, 6820–6832. [Google Scholar] [CrossRef]
- Li, Y.; He, L.; Liu, F.; Li, C.; Cao, Y.; Shahidehpour, M. Flexible voltage control strategy considering distributed energy storages for DC distribution network. IEEE Trans. Smart Grid 2017, 10, 163–172. [Google Scholar] [CrossRef]
- Pannala, S.; Patari, N.; Srivastava, A.K.; Padhy, N.P. Effective control and management scheme for isolated and grid connected DC microgrid. IEEE Trans. Ind. Appl. 2020, 56, 6767–6780. [Google Scholar] [CrossRef]
- Yang, L.; Song, G.; Wenhui, S.; Guoqing, H.; ZhengPing, W. Integrated control strategy for smooth switching of the PV and battery-storage micro-grid based on operation state tracking. J. Eng. 2019, 2019, 1062–1067. [Google Scholar] [CrossRef]
- Fard, A.Y.; Shadmand, M.B. Multitimescale three-tiered voltage control framework for dispersed smart inverters at the grid edge. IEEE Trans. Ind. Appl. 2020, 57, 824–834. [Google Scholar] [CrossRef]
- Ahsan, F.; Dana, N.H.; Sarker, S.K.; Li, L.; Muyeen, S.M.; Ali, F.; Tasneem, Z.; Hasan, M.; Abhi, S.H.; Islam, R.; et al. Data-driven next-generation smart grid towards sustainable energy evolution: Techniques and technology review. Prot. Control. Mod. Power Syst. 2023, 8, 1–42. [Google Scholar] [CrossRef]
- Meng, X.; Liu, J.; Liu, Z. A Generalized droop control for grid-supporting inverter based on comparison between traditional droop control and virtual synchronous generator control. IEEE Trans. Power Electron. 2018, 34, 5416–5438. [Google Scholar] [CrossRef]
- Peng, J.C.H.; Raman, G.; Soon, J.L.; Hatziargyriou, N.D. Droop-controlled inverters as educational control design project. IEEE Trans. Power Syst. 2021, 37, 1623–1633. [Google Scholar] [CrossRef]
- Wang, Z.; Yi, H.; Zhuo, F.; Lv, N.; Ma, Z.; Wang, F.; Zhou, W.; Liang, J.; Fan, H. Active power control of voltage-controlled photovoltaic inverter in supporting islanded microgrid without other energy sources. J. Emerg. Sel. Top. Power Electron. 2021, 10, 424–435. [Google Scholar] [CrossRef]
- Pogaku, N.; Prodanovic, M.; Green, T.C. Modeling, analysis and testing of autonomous operation of an inverter-based microgrid. IEEE Trans. Power Electron. 2007, 22, 613–625. [Google Scholar] [CrossRef]
- Mousavi, S.Y.M.; Jalilian, A.; Savaghebi, M.; Guerrero, J.M. Autonomous control of current- and voltage-controlled dg interface inverters for reactive power sharing and harmonics compensation in islanded microgrids. IEEE Trans. Power Electron. 2018, 33, 9375–9386. [Google Scholar] [CrossRef]
- Li, Z.; Chan, K.W.; Hu, J.; Guerrero, J.M. Adaptive droop control using adaptive virtual impedance for microgrids with variable pv outputs and load demands. IEEE Trans. Ind. Electron. 2020, 68, 9630–9640. [Google Scholar] [CrossRef]
- Nguyen, D.H.; Khazaei, J. Unified distributed control of battery storage with various primary control in power systems. IEEE Trans. Sustain. Energy 2021, 12, 2332–2341. [Google Scholar] [CrossRef]
- Siano, P.; De Marco, G.; Rolan, A.; Loia, V. A survey and evaluation of the potentials of distributed ledger technology for peer-to-peer transactive energy exchanges in local energy markets. IEEE Syst. J. 2019, 13, 3454–3466. [Google Scholar] [CrossRef]
- Obaid, Z.A.; Cipcigan, L.M.; Abrahim, L.; Muhssin, M.T. Muhssin Frequency control of future power systems: Reviewing and evaluating challenges and new control methods. J. Mod. Power Syst. Clean Energy 2019, 7, 9–25. [Google Scholar] [CrossRef]
- Cao, W.; Han, M.; Zhang, X.; Guan, Y.; Guerrero, J.M.; Vasquez, J.C. An integrated synchronization and control strategy for parallel-operated inverters based on V–I droop characteristics. IEEE Trans. Power Electron. 2021, 37, 5373–5384. [Google Scholar] [CrossRef]
- Fan, B.; Li, Q.; Wang, W.; Yao, G.; Ma, H.; Zeng, X.-J.; Guerrero, J.M. A Novel droop control strategy of reactive power sharing based on adaptive virtual impedance in microgrids. IEEE Trans. Ind. Electron. 2021, 69, 11335–11347. [Google Scholar] [CrossRef]
- Mohammadi, E.; Alizadeh, M.; Asgarimoghaddam, M.; Wang, X.; Simoes, M.G. A review on application of artificial intelligence techniques in microgrids. IEEE J. Emerg. Sel. Top. Ind. Electron. 2022, 3, 878–890. [Google Scholar] [CrossRef]
- Li, W.; Li, B.; Gao, H.; Peng, C.; Zhang, W.; Li, Y.; Ji, X. Survey and practice on architecture and deployment method of digital twin system for intelligent substation. In Proceedings of the 2023 7th International Symposium on Computer Science and Intelligent Control (ISCSIC), Nanjing, China, 27–29 October 2023. [Google Scholar]
- Wei, Z.-X.; Doctor, F.; Liu, Y.-X.; Fan, S.-Z.; Shieh, J.-S. An optimized type-2 self-organizing fuzzy logic controller applied in anesthesia for propofol dosing to regulate BIS. IEEE Trans. Fuzzy Syst. 2020, 28, 1062–1072. [Google Scholar] [CrossRef]
- Ali, M.; Kotb, H.; AboRas, M.K.; Abbasy, H.N. Frequency regulation of hybrid multi-area power system using wild horse optimizer based new combined Fuzzy Fractional-Order PI and TID controllers. Alex. Eng. J. 2022, 61, 12187–12210. [Google Scholar] [CrossRef]
- Yap, K.Y.; Sarimuthu, C.R.; Lim, J.M.-Y. Artificial intelligence based MPPT techniques for solar power system: A review. J. Mod. Power Syst. Cle. 2020, 8, 1043–1059. [Google Scholar]
- Zhang, Q.; Zhai, Z.; Sun, S.; Liu, X.; Qian, J.; Liu, S.; Fang, W. Fuzzy optimization for improving transient synchronization stability of VSCs in se-ries-compensated system. IEEE Trans. Ind. Appl. 2024, 60, 3578–3587. [Google Scholar] [CrossRef]
- Zhen, H.; Liu, G.; Ma, X.; Xu, D.; Zhang, W.; Yan, C.; Wang, L. An energy storage test power supply based on fuzzy quasi proportional resonance control. In Proceedings of the 2022 IEEE 5th International Electrical and Energy Conference (CIEEC), Nanjing, China, 27–29 May 2022. [Google Scholar]
- Zaky, M.S.; Metwaly, M.K. A performance investigation of a four-switch three-phase inverter-fed IM drives at low speeds using fuzzy logic and PI controllers. IEEE Trans. Power Electron. 2016, 32, 3741–3753. [Google Scholar] [CrossRef]
- Duţu, L.C.; Mauris, G.; Bolon, P. A fast and accurate rule-base generation method for mamdani fuzzy systems. IEEE Trans. Fuzzy Syst. 2018, 26, 715–733. [Google Scholar] [CrossRef]
- Mahmoud, M.M.; Salama, H.S.; Aly, M.M.; Abdel-Rahim, A.-M.M. Design and implementation of FLC system for fault ride-through capability enhancement in PMSG-wind systems. Wind. Eng. 2020, 45, 1361–1373. [Google Scholar] [CrossRef]
- Hamed, H.A.; Abdou, A.F.; Bayoumi, E.H.E.; El-Kholy, E.E. A fast recovery technique for grid-connected converters after short dips using a hybrid structure PLL. IEEE Trans. Ind. Electron. 2017, 65, 3056–3068. [Google Scholar] [CrossRef]
- Gulipalli, S.C.; Gude, S.; Peng, S.C.; Chu, C.C. Multiple delayed signal cancellation filter-based enhanced frequency-locked loop under adverse grid conditions. IEEE Trans. Ind. Appl. 2022, 58, 6612–6628. [Google Scholar] [CrossRef]
- Zhang, C.; Lu, Y. Study on artificial intelligence: The state of the art and future prospects. J. Ind. Inf. Integr. 2021, 23, 100224. [Google Scholar] [CrossRef]
- Bose, B. Expert system, fuzzy logic, and neural network applications in power electronics and motion control. Proc. IEEE 1994, 82, 1303–1323. [Google Scholar] [CrossRef]
- Ding, F. Neural Network Expert Systems; Science Press: Beijing, China, 2006. [Google Scholar]
- Kasabov, N. Foundations of Neural Networks, Fuzzy Systems, and Knowledge Engineering; MIT Press: Cambridge, MA, USA, 1996. [Google Scholar]
- Kumar, S.L. Knowledge-based expert system in manufacturing planning: State-of-the-art review. Int. J. Prod. Res. 2018, 57, 4766–4790. [Google Scholar] [CrossRef]
- Dequan, S.; Guili, G.; Zhiwei, G.; Peng, X. Application of expert fuzzy PID method for temperature control of heating furnace. Procedia Engi-Neering 2012, 29, 257–261. [Google Scholar] [CrossRef]
- Liu, Y.; Tan, G. Optimal predictive control method of PWM rectifiers based on artificial intelligence. Mob. Inf. Syst. 2021, 2021, 3688228. [Google Scholar] [CrossRef]
- Yao, Z.; Yao, J.; Sun, W. Adaptive RISE control of hydraulic systems with multilayer neural-networks. IEEE Trans. Ind. Electron. 2018, 66, 8638–8647. [Google Scholar] [CrossRef]
- Ma, Y.; Zhu, G.; Li, Z. Error-driven-based nonlinear feedback recursive design for adaptive NN trajectory tracking control of surface ships with input saturation. IEEE Intell. Transp. Syst. Mag. 2019, 11, 17–28. [Google Scholar] [CrossRef]
- Hou, S.; Fei, J.; Chen, C.; Chu, Y. Finite-time adaptive fuzzy-neural-network control of active power filter. IEEE Trans. Power Electron. 2019, 34, 10298–10313. [Google Scholar] [CrossRef]
- Yi, J.; Li, J. Distributed containment control with prescribed accuracy for nonstrict-feedback switched nonlinear multiagent systems. IEEE Syst. J. 2023, 17, 5671–5682. [Google Scholar] [CrossRef]
- Abiodun, O.I.; Jantan, A.; Omolara, A.E.; Dada, K.V.; Umar, A.M.; Linus, O.U.; Arshad, H.; Kazaure, A.A.; Gana, U.; Kiru, M.U. Comprehensive review of artificial neural network applications to pattern recognition. IEEE Access 2019, 7, 158820–158846. [Google Scholar] [CrossRef]
- Gheibi, O.; Weyns, D.; Quin, F. Applying machine learning in self-adaptive systems: A systematic literature review. ACM Trans. Auton. Adapt. Syst. 2020, 15, 1–37. [Google Scholar] [CrossRef]
- Hagan, M.T.; Demuth, H.B.; Beale, M. Neural Network Design; PWS Publishing Co.: Boston, MA, USA, 1997. [Google Scholar]
- Mahmud, N.; Zahedi, A.; Mahmud, A. A Cooperative operation of novel PV inverter control scheme and storage energy management system based on ANFIS for voltage regulation of grid-tied PV system. IEEE Trans. Ind. Inform. 2017, 13, 2657–2668. [Google Scholar] [CrossRef]
- Mehrasa, M.; Babaie, M.; Sharifzadeh, M.; Al-Haddad, K. An input–output feedback linearization control method synthesized by artificial neural network for grid-tied packed E-cell inverter. IEEE Trans. Ind. Appl. 2021, 57, 3131–3142. [Google Scholar] [CrossRef]
- Lu, R.; Hong, S.H.; Yu, M. Demand response for home energy management using reinforcement learning and artificial neural network. IEEE Trans. Smart Grid 2019, 10, 6629–6639. [Google Scholar] [CrossRef]
- Wen, Y.W.; Peng, S.H.; Ting, C.K. Two-stage evolutionary neural architecture search for transfer learning. IEEE Trans. Evolut. Comput. 2021, 25, 928–940. [Google Scholar] [CrossRef]
- Kaymanesh, A.; Babaie, M.; Chandra, A.; Al-Haddad, K. PEC Inverter for Intelligent electric spring applications using ANN-based con-troller. IEEE J. Emerg. Sel. Top. Ind. Electron. 2022, 3, 704–714. [Google Scholar] [CrossRef]
- Akpolat, A.N.; Dursun, E.; Kuzucuoğlu, A.E. AI-aided control of a power converter in wind energy conversion system. In Proceedings of the 2020 Innovations in Intelligent Systems and Applications Conference (ASYU), Istanbul, Turkey, 15–17 October 2020. [Google Scholar]
- Babaie, M.; Sharifzadeh, M.; Al-Haddad, K. Three-phase grid-connected NPC inverter based on a robust artificial neural network controller. In Proceedings of the 2020 IEEE Power & Energy Society General Meeting (PESGM), Montreal, QC, Canada, 2–6 August 2020. [Google Scholar]
- Won, Y.J. Comparative study of artificial neural network (ANN), adaptive neuro-fuzzy inference system (ANFIS) and multiple linear regression (MLR) for modeling of Cu (II) adsorption from aqueous solution using biochar derived from rambutan (Nephelium lappaceum) peel. Environ. Monit. Assess 2020, 192, 439. [Google Scholar]
- de Moura, J.P.; Neto, J.V.d.F.; Rego, P.H.M. A neuro-fuzzy model for online optimal tuning of PID controllers in industrial system applications to the mining sector. IEEE Trans. Fuzzy Syst. 2019, 28, 1864–1877. [Google Scholar] [CrossRef]
- Hou, S.; Chu, Y.; Fei, J. Robust intelligent control for a class of power-electronic converters using neuro-fuzzy learning mechanism. IEEE Trans. Power Electron. 2021, 36, 9441–9452. [Google Scholar] [CrossRef]
- Xue, G.; Chang, Q.; Wang, J.; Zhang, K.; Pal, N.R. An adaptive neuro-fuzzy system with integrated feature selection and rule extraction for high-dimensional classification problems. IEEE Trans. Fuzzy Syst. 2022, 31, 2167–2181. [Google Scholar] [CrossRef]
- Vargas, O.S.; Aldaco, S.E.D.L.; Alquicira, J.A.; Vela-Valdés, L.G.; Núñez, A.R.L. Adaptive network-based fuzzy inference system (ANFIS) applied to inverters: A survey. IEEE Trans. Power Electron. 2023, 39, 869–884. [Google Scholar] [CrossRef]
- Priyadarshi, N.; Padmanaban, S.; Holm-Nielsen, J.B.; Blaabjerg, F.; Bhaskar, M.S. An experimental estimation of hybrid ANFIS–PSO-based MPPT for PV grid integration under fluctuating sun irradiance. IEEE Syst. J. 2020, 14, 1218–1229. [Google Scholar] [CrossRef]
- Pratama, M.; Pedrycz, W.; Webb, G.I. An incremental construction of deep neuro fuzzy system for continual learning of non-stationary data streams. IEEE Trans. Fuzzy Syst. 2019, 28, 1315–1328. [Google Scholar] [CrossRef]
- Altin, N.; Sefa, I. Simulation of neuro-fuzzy controlled grid interactive inverter. In Proceedings of the 2011 XXIII International Symposium on Information, Communication and Automation Technologies (ICAT), Bosnia and Herzegovina, Balkans, 27–29 October 2011. [Google Scholar]
- Yin, H.; Yi, W.; Wu, J.; Wang, K.; Guan, J. Adaptive fuzzy neural network PID algorithm for BLDCM speed control system. Mathematics 2021, 10, 118. [Google Scholar] [CrossRef]
- Kumar, P.; Arya, S.R.; Mistry, K.D.; Yadav, S. A self-tuning ANFIS DC link and ANN-LM controller based DVR for power quality enhancement. CPSS Trans. Power Electron. Appl. 2023, 8, 424–436. [Google Scholar] [CrossRef]
- Mlakic, D.; Baghaee, H.R.; Nikolovski, S. A Novel ANFIS-Based Islanding Detection for Inverter-Interfaced Microgrids. IEEE Trans. Smart Grid 2018, 10, 4411–4424. [Google Scholar] [CrossRef]
- Jang, J.-S.R. ANFIS: Adaptive-network-based fuzzy inference system. IEEE Trans. Syst. Man Cybern. 1993, 23, 665–685. [Google Scholar] [CrossRef]
- Yu, W.; Li, X. Fuzzy identification using fuzzy neural networks with stable learning algorithms. IEEE Trans. Fuzzy Syst. 2004, 12, 411–420. [Google Scholar] [CrossRef]
- Mateu, T.H.A. Real-time selective harmonic minimization in cascaded multilevel inverters with varying DC sources. In Proceedings of the 2008 IEEE Power Electronics Specialists Conference, Rhodes, Greece, 15–19 June 2008; pp. 4302–4306. [Google Scholar]














| Methods | Advantages | Disadvantages | |
|---|---|---|---|
| Traditional | PI |
|
|
| PR |
|
| |
| RP |
|
| |
| Intelligent | FLC |
|
|
| ES |
|
| |
| ANN |
|
| |
| ANFIS |
|
| |
Disclaimer/Publisher’s Note: The statements, opinions and data contained in all publications are solely those of the individual author(s) and contributor(s) and not of MDPI and/or the editor(s). MDPI and/or the editor(s) disclaim responsibility for any injury to people or property resulting from any ideas, methods, instructions or products referred to in the content. |
© 2024 by the authors. Licensee MDPI, Basel, Switzerland. This article is an open access article distributed under the terms and conditions of the Creative Commons Attribution (CC BY) license (https://creativecommons.org/licenses/by/4.0/).
Share and Cite
Zhang, Q.; Zhai, Z.; Mao, M.; Wang, S.; Sun, S.; Mei, D.; Hu, Q. Control and Intelligent Optimization of a Photovoltaic (PV) Inverter System: A Review. Energies 2024, 17, 1571. https://doi.org/10.3390/en17071571
Zhang Q, Zhai Z, Mao M, Wang S, Sun S, Mei D, Hu Q. Control and Intelligent Optimization of a Photovoltaic (PV) Inverter System: A Review. Energies. 2024; 17(7):1571. https://doi.org/10.3390/en17071571
Chicago/Turabian StyleZhang, Qianjin, Zhaorong Zhai, Mingxuan Mao, Shijing Wang, Siwei Sun, Dikui Mei, and Qi Hu. 2024. "Control and Intelligent Optimization of a Photovoltaic (PV) Inverter System: A Review" Energies 17, no. 7: 1571. https://doi.org/10.3390/en17071571
APA StyleZhang, Q., Zhai, Z., Mao, M., Wang, S., Sun, S., Mei, D., & Hu, Q. (2024). Control and Intelligent Optimization of a Photovoltaic (PV) Inverter System: A Review. Energies, 17(7), 1571. https://doi.org/10.3390/en17071571

