Ground Fault in Medium-Voltage Power Networks with an Isolated Neutral Point: Spectral and Wavelet Analysis of Selected Cases in an Example Industrial Network Modeled in the ATP-EMTP Package
Abstract
1. Introduction
2. Materials and Methods
2.1. Theoretical Analysis and Simulation Software
2.2. Transient Components of the Ground Fault Current and Their Frequencies and Decay
- f1 = 2194 Hz and σ1 = 39∙RΣ = 41.74 s−1 for the 1st transient component.
- f2 = 606 Hz and σ2 = 128∙RΣ = 137.0 s−1 for the 2nd transient component.
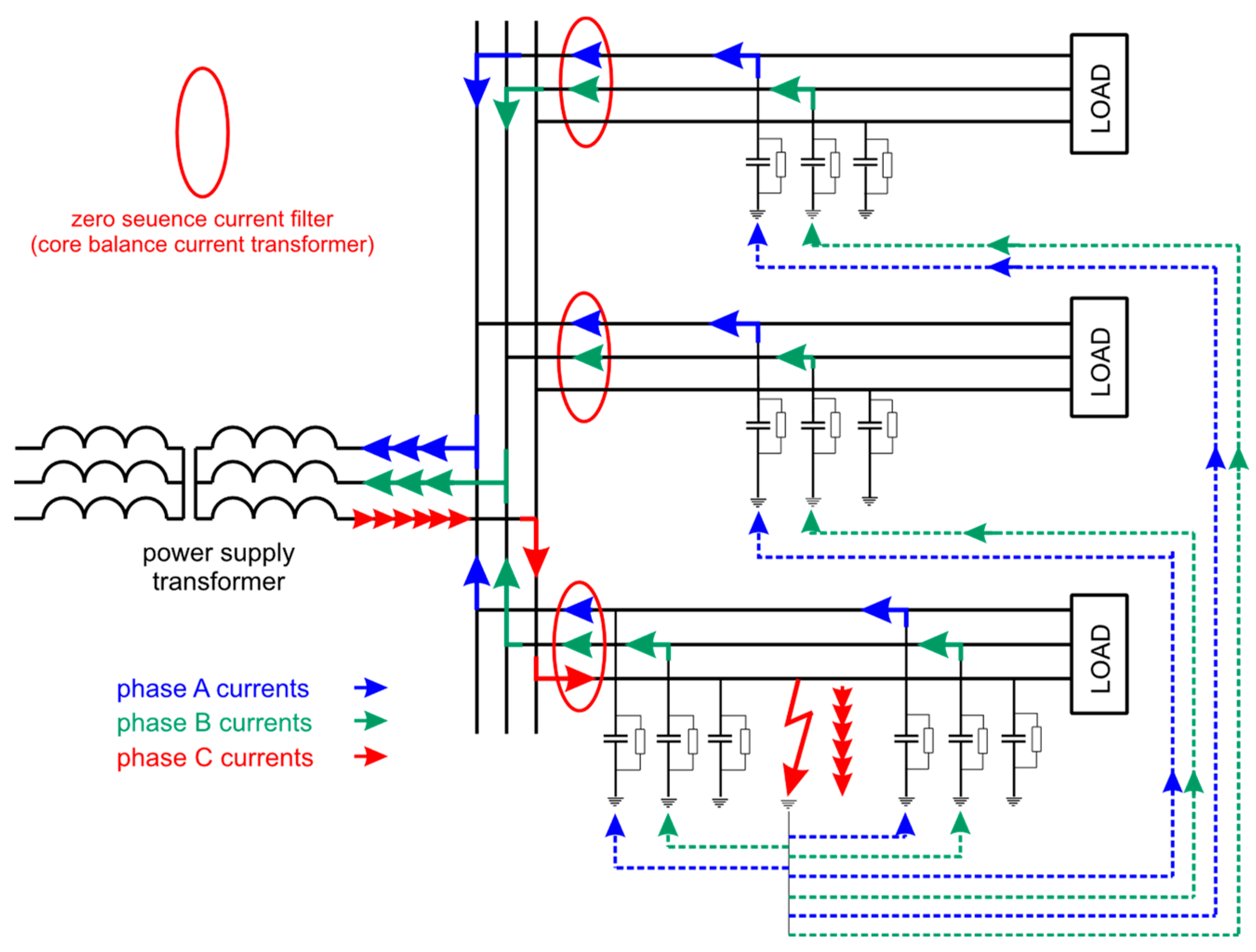
2.3. Illustrative Case Study—An Example Network
- Main switchgear MS-1, panel 1;
- Main switchgear MS-1, panel 2;
- Departmental switchgear DS-1, panel 1;
- Departmental switchgear DS-1, panel 2;
- Departmental switchgear DS-1, panel 3.
- The single line-to-ground fault was forced for 30 ms after the start of the simulation;
- The phase voltage of the faulty line reached the maximum possible value when the fault occurred;
- The switchgear panel of the line in which the single line-to-ground fault occurred was not disconnected until the end of the simulation;
- In order to analyze the steady-state values of zero-sequence current i0(t) and zero-sequence voltage u0(t) waveforms, the simulation lasted 500 ms;
- Regardless of the initial value of the line-to-ground fault resistance, this resistance value was assumed to remain constant throughout the whole duration of the fault simulation;
- A sampling rate of 109 samples per second was assumed in the program; this enabled accurate analysis of higher harmonics in the analyzed network;
- The simulation starts from a pre-calculated steady state, and the 30 ms interval is used only to make the signal waveform plots exhibit a more clear difference between the pre-fault state and the after-fault waveforms. As for the moment of initiation of a short circuit, we assumed the most likely case: the insulation is damaged at the moment when the line-to-ground voltage reaches its maximum value.
- 20 ms—This is the duration of one period from the start of the line-to-ground fault, calculated from the moment the line-to-ground fault occurs. The timing duration is not selected by chance. In the context of a ground fault, most of the transient waveform peaks disappear after the initial half-period of the fundamental frequency waveform. Overcurrent protection relays measure the rms value of the current/voltage waveform after a certain duration. To ensure the correct measurement of the rms value, it must be recalculated after a full period, which amounts to 20 ms for a 50 Hz fundamental frequency.
- 80 ms—This is the most common in the Polish industry; it is the duration of a ground fault before the field is disconnected, counted from the moment of line-to-ground fault occurrence. This stems from the safety imperative in the Polish mining industry, driven by factors such as methane hazards; the safety priority is to disconnect all faults, not only line-to-line but also ground faults, without any delay. It is accepted that the fault should be disconnected in less than 100 ms. Since the fault has to be disconnected faster than 100 ms and the protection algorithm has to assess an integral multiple of the fundamental frequency period, the maximum time window duration under these conditions is 80 ms.
- 100 ms—The time required to determine the rms values of steady-state voltages and currents, taken at 400 ms after the line-to-ground fault initiation. The steady state denotes a voltage and current waveform sufficiently temporally distant from the ground fault initiation, allowing transient waveforms to decay by that time. The selected temporal reference is a trade-off, considering factors such as simulation time and the mitigation of fault-induced noise during transients.
- In summary, for the computation of root mean square (rms) values of steady-state voltages and currents, it was decided to select a time instant 20 periods after the ground fault initiation. The choice of a measurement window duration of 100 milliseconds (equivalent to 5 periods of the fundamental frequency) aims to mitigate the potential effects of an unplanned spike resulting from the numerical simulation method. Integrating data over 5 periods effectively “smooths out” such possible signal disturbances, rendering them negligible for the subsequent analysis.
- Transient state in the network without higher harmonics;
- Steady state in a network with higher harmonics.
3. Results
3.1. Analysis of a Ground Fault Transient in the Model Network without Higher Harmonics
- Low-resistance faults: Those characterized by a relatively low parameter β, ranging from 0.9 to 1 (for steady state). In the analyzed network, these are assumed to be faults whose line-to-ground resistance is between 0 and 80 Ω.
- Medium-resistance faults: Those characterized by a β parameter in the range of 0.2 to 0.9 (for steady state). In the network, they are assumed to include faults whose line-to-ground resistance is between 80 and 800 Ω.
- High-resistance faults: These are faults that are more difficult to detect and are characterized by a β parameter in the range of 0 to 0.2. For the analyzed network, it is assumed that these are faults whose line-to-ground resistance exceeds 800 Ω.
- Low-resistive (easily detectable but with a high ground fault current magnitude and associated hazard level);
- High resistive (with a low earth fault current magnitude and a reduced danger level but much more difficult to detect);
- An intermediate group between the two defined above (moderate fault current magnitude, moderate detection difficulty, and moderate hazard level).
3.2. Steady-State Analysis of a Ground Fault in the Model Network Containing Higher Harmonics
4. Conclusions
Author Contributions
Funding
Data Availability Statement
Conflicts of Interest
References
- Marinovic, N. Electrotechnology in Mining; Elsevier Science Publishers: Amsterdam, The Netherlands, 1990. [Google Scholar]
- Towsey, C. Electrical Safety in Mining—One flash and you’re ash. Australas. Mine Saf. J. 2011, 24, 42–47. [Google Scholar]
- Cawley, J.C. Electrical Accidents in the Mining Industry, 1990–1999. IEEE Trans. IA 2003, 39, 1570–1577. [Google Scholar] [CrossRef]
- Wang, D.; Ning, Y.; Zhang, C. An Effective Ground Fault Location Scheme Using Unsynchronized Data for Multi-Terminal Lines. Energies 2018, 11, 2957. [Google Scholar] [CrossRef]
- Azuara Grande, L.S.; Granizo, R.; Arnaltes, S. Wavelet Analysis to Detect Ground Faults in Electrical Power Systems with Full Penetration of Converter Interface Generation. Electronics 2023, 12, 1085. [Google Scholar] [CrossRef]
- Lee, K.M.; Park, C.W. Ground Fault Detection Using Hybrid Method in IT System LVDC Microgrid. Energies 2020, 13, 2606. [Google Scholar] [CrossRef]
- Li, B.; Du, X.; Miao, J.; Wang, H.; Ma, Y.; Li, Z. Arc Grounding Fault Monitoring and Fire Prediction Method Based on EEMD and Reconstruction. Electronics 2022, 11, 2159. [Google Scholar] [CrossRef]
- Pirmani, S.K.; Mahmud, M.A. Advances on fault detection techniques for resonant grounded power distribution networks in bushfire prone areas: Identification of faulty feeders, faulty phases, faulty sections, and fault locations. Electr. Power Syst. Res. 2023, 220, 109265. [Google Scholar] [CrossRef]
- Şolea, C.; Toader, D.; Vintan, M.; Greconici, M.; Vesa, D.; Tatai, I. The influence of insulation active power losses on the single line-to-ground fault in medium voltage electrical networks with resonant grounding. In Proceedings of the 10th International Conference on Modern Power Systems (MPS), Cluj-Napoca, Romania, 21–23 June 2023. [Google Scholar]
- Toader, D.; Greconici, M.; Vesa, D.; Vintan, M.; Şolea, C. Analysis of the Influence of the Insulation Parameters of Medium Voltage Electrical Networks and of the Petersen Coil on the Single-Phase-to-Ground Fault Current. Energies 2021, 14, 1330. [Google Scholar] [CrossRef]
- Yang, D.; Lu, B.; Lu, H. High-Resistance Grounding Fault Detection and Line Selection in Resonant Grounding Distribution Network. Electronics 2023, 12, 4066. [Google Scholar] [CrossRef]
- Toader, D.; Greconici, M.; Vesa, D.; Vintan, M.; Solea, C.; Maghet, A.; Tatai, I. The Influence of the Characteristics of the Medium Voltage Network on the Single Line-to-Ground Fault Current in the Resistor Grounded Neutral Networks. Designs 2021, 5, 53. [Google Scholar] [CrossRef]
- Xue, S.; Lian, J.; Qi, J.; Fan, B. Pole-to-Ground Fault Analysis and Fast Protection Scheme for HVDC Based on Overhead Transmission Lines. Energies 2017, 10, 1059. [Google Scholar] [CrossRef]
- Łowczowski, K.; Olejnik, B. Monitoring, Detection and Locating of Transient Earth Fault Using Zero-Sequence Current and Cable Screen Earthing Current in Medium Voltage Cable and Mixed Feeders. Energies 2022, 15, 1066. [Google Scholar] [CrossRef]
- Grakowski, Ł.; Gębczyk, K. Analysis of Earth Faults in the MV Grid Using the EMTP-ATP Program. Przegląd Elektrotechniczny 2019, 95, 146–149. [Google Scholar] [CrossRef]
- Doepken, H.C.; Schoolcraft, R.; Willis, O. Medium Voltage Cable Shielding and Grounding. In Proceedings of the IEEE Conference Record of Annual Pulp and Paper Industry Technical Conference, Atlanta, GA, USA, 19–23 June 1989; pp. 43–46. [Google Scholar]
- Haginomori, E.; Koshiduka, T.; Arai, J.; Ikeda, H. Power System Transient Analysis: Theory and Practice Using Simulation Programs (ATP-EMTP); John Wiley & Sons: Chichester, UK, 2008. [Google Scholar]
- Martinez Velasco, J.A. Transient Analysis of Power Systems: Solution Techniques, Tools, and Applications; John Wiley & Sons: Chichester, UK, 2015. [Google Scholar]
- Ali, S.A. Modeling of Power Networks by ATP-Draw for Harmonics Propagation Study. Trans. Electr. Electron. Mater. 2013, 13, 283–290. [Google Scholar] [CrossRef]
- Martinez, J.A. Power Quality Studies Using the ATP Package. Caribbean Colloquium on Power Quality (CCPQ). Dorado, 24–27 June 2003. Available online: https://inec.uprm.edu/ccpq-docs/Individual-Papers/j_martinez.pdf (accessed on 1 March 2024).
- Martinez, J.A. The ATP package. An environment for power quality analysis. In Proceedings of the International Conference on Harmonics and Quality of Power, Orlando, FL, USA, 1–4 August 2002. [Google Scholar]
- Granizo, R.; Blánquez, F.R.; Rebollo, E.; Platero, C.A. A Novel Ground Fault Non-Directional Selective Protection Method for Ungrounded Distribution Networks. Energies 2015, 8, 1291–1316. [Google Scholar] [CrossRef]
- Granizo, R.; Blánquez, F.R.; Rebollo, E.; Platero, C.A. New selective earth faults only current directional method for isolated neutral systems. In Proceedings of the Environment and Electrical Engineering (EEEIC), Venice, Italy, 18–25 May 2012; pp. 18–25. [Google Scholar]
- Ekici, S. Multi-class Support Vector Machines for Classification of Transmission Line Faults. Energy Educ. Sci. Technol. Part A Energy Sci. Res. 2012, 28, 1015–1026. [Google Scholar]
- Abdel-Fattah, M.L.; Lehtonen, M. Transient-Based Protection as a Solution for Earth-Fault Detection in Unearthed and Compensated Neutral Medium Voltage Distribution Networks. In Proceedings of the 2010 Electric Power Quality and Supply Reliability Conference, Kuressaare, Estonia, 16–18 June 2010. [Google Scholar]
- Liu, J.; Sun, K.; Ma, Z.; Liu, Z.; Li, K. Grounding Fault Model of Low Voltage Direct Current Supply and Utilization System for Analyzing the System Grounding Fault Characteristics. Symmetry 2021, 13, 1795. [Google Scholar] [CrossRef]
- Bender, C.M.; Orszag, S.A. Advanced Mathematical Methods for Scientists and Engineers. In Asymptotic Methods and Perturbation Theory; Springer: New York, NY, USA, 1999. [Google Scholar]
- Bush, A.W. Perturbation Methods for Engineers and Scientists; Taylor and Francis: Boca Raton, FL, USA, 1992. [Google Scholar]
- IEC Standard 61000-2-4:2002; Electromagnetic Compatibility (EMC)—Part 2–4: Environment—Compatibility Levels in Industrial Plants for Low-Frequency Conducted Disturbances. International Electrotechnical Commission: Geneva, Switzerland, 2002.
- Ram, B.; Vishwakarma, D.N. Power System Protection and Switchgear; McGraw Hill Education: London, UK, 2011. [Google Scholar]
- Kuliński, K.; Heyduk, A. Frequency Response Testing of Zero-Sequence Current Transformers for Mining Ground Fault Protection Relays. IJET 2020, 66, 701–705. [Google Scholar] [CrossRef]
- Ferreira, R.S.; Favoreto, H.H. Transient Overvoltages Due to Intermittent-Ground Faults in an Industrial Power System Grounded by a Resistance Connected to the Secondary of a Grounding Transformer. Electr. Power Syst. Res. 2023, 220, 109327. [Google Scholar] [CrossRef]
- Treider, T.; Høidalen, H.K. Estimating Distance to Transient and Restriking Earth Faults in High-Impedance Grounded, Ring-Operated Distribution Networks Using Current Ratios. Electr. Power Syst. Res. 2023, 224, 109765. [Google Scholar] [CrossRef]
- Addison, P.S. The Illustrated Wavelet Transform Handbook, 2nd ed.; Introductory Theory and Applications in Science, Engineering, Medicine and Finance; CRC Press: Boca Raton, FL, USA, 2016. [Google Scholar]
- Addison, P.S. Introduction to redundancy rules: The continuous wavelet transform comes of age. Phil. Trans. R. Soc. A 2018, 376, 20170258. [Google Scholar] [CrossRef]
- He, Z. Wavelet Analysis and Transient Signal Processing Applications for Power Systems; John Wiley & Sons: Singapore, 2016. [Google Scholar]
- Olhede, S.C.; Walden, A.T. Generalized Morse Wavelets. IEEE Trans SP 2002, 50, 2661–2670. [Google Scholar] [CrossRef]
- Martinez-Riots, E.A.; Bustamante-Bello, R.; Navarro-Tuch, S. Applications of the Generalized Morse Wavelets: A Review. IEEE Access 2022, 11, 667–688. [Google Scholar] [CrossRef]
- Arfaoui, S.; Mabrouk, B.A.; Cattani, C. Wavelet Analysis. Basic Concepts and Applications; CRC Press: Boca Raton, FL, USA, 2021. [Google Scholar]
- Misiti, M.; Misiti, Y.; Oppenheim, G.; Poggi, J.M. Wavelet ToolboxTM User’s Guide R2023b; The MathWorks Inc.: Natick, MA, USA, 2023. [Google Scholar]
- Ferreira, V.; Mendonça, G.; Rocha, A.; Resende, R.; Cardoso Filho, B. Medium voltage IGBT-based converters in mine hoist systems. In Proceedings of the IEEE Industry Applications Society Annual Meeting, Portland, OR, USA, 2–6 October 2016; pp. 1–8. [Google Scholar]
- Hyla, M. Higher harmonics filtration in the power supply system of thyristor hoisting machine of shaft transport in a mining plant. Prz. Elektrotechniczny 2022, 98, 43–48. [Google Scholar] [CrossRef]
- Siostrzonek, T.; Chmielowiec, K.; Piatek, K.; Dutka, M.; Firlit, A. The use of multi-pulse systems in the power supply of hoisting machine drives to improve voltage parameters in mining plants. In Proceedings of the 12th International Conference and Exhibition on Electrical Power Quality and Utilisation—(EPQU), Cracow, Poland, 14–15 September 2020. [Google Scholar]
- Mu Longhua, J. Measure and Suppression of Harmonic Currents for Heavy-duty Hoisting Machines. In Proceedings of the 2005 IEEE/PES Transmission & Distribution Conference & Exposition: Asia and Pacific, Dalian, China, 18 August 2005. [Google Scholar]
- Bebikov, Y.V.; Egorov, A.N.; Semenov, A.S. How Higher Harmonics Affect the Electrical Facilities in Mining Power Systems. In Proceedings of the 2020 International Conference on Industrial Engineering, Applications and Manufacturing (ICIEAM), Sochi, Russia, 18–20 May 2020. [Google Scholar]
- Reshetnyak, S.; Bondarenko, A. Analysis of Technological Performance of the Extraction Area of the Coal Mine. In Proceedings of the E3S Web of Conferences, Semarang, Indonesia, 14–15 August 2018; Volume 41, p. 01014. [Google Scholar]
- Capasso, A.; Lamedica, R.; Manigrasso, R.; Sani, G. Reference Power Network for the Harmonic Propagation Analysis. Eur. Trans. Electr. Power 1992, 3, 167–188. [Google Scholar] [CrossRef]
- Kowalak, R.; Czapp, S.; Dobrzyński, K.; Klucznik, J.; Lubosny, Z. Harmonics produced by traction substations—Computer modelling and experimental verification. Przegląd Elektrotechniczny 2017, 93, 13–18. [Google Scholar] [CrossRef][Green Version]
- Assefa, S.A.; Kebede, A.B.; Legese, D. Harmonic analysis of traction power supply system: Case study of Addis Ababa light rail transit. IET Electr. Syst. Transp. 2021, 11, 391–404. [Google Scholar] [CrossRef]





















| Harmonics Order h | Harmonics Value Relative to VPh1h, % |
|---|---|
| 3 | 5 |
| 5 | 6 |
| 7 | 5 |
Disclaimer/Publisher’s Note: The statements, opinions and data contained in all publications are solely those of the individual author(s) and contributor(s) and not of MDPI and/or the editor(s). MDPI and/or the editor(s) disclaim responsibility for any injury to people or property resulting from any ideas, methods, instructions or products referred to in the content. |
© 2024 by the authors. Licensee MDPI, Basel, Switzerland. This article is an open access article distributed under the terms and conditions of the Creative Commons Attribution (CC BY) license (https://creativecommons.org/licenses/by/4.0/).
Share and Cite
Kuliński, K.; Heyduk, A. Ground Fault in Medium-Voltage Power Networks with an Isolated Neutral Point: Spectral and Wavelet Analysis of Selected Cases in an Example Industrial Network Modeled in the ATP-EMTP Package. Energies 2024, 17, 1532. https://doi.org/10.3390/en17071532
Kuliński K, Heyduk A. Ground Fault in Medium-Voltage Power Networks with an Isolated Neutral Point: Spectral and Wavelet Analysis of Selected Cases in an Example Industrial Network Modeled in the ATP-EMTP Package. Energies. 2024; 17(7):1532. https://doi.org/10.3390/en17071532
Chicago/Turabian StyleKuliński, Krzysztof, and Adam Heyduk. 2024. "Ground Fault in Medium-Voltage Power Networks with an Isolated Neutral Point: Spectral and Wavelet Analysis of Selected Cases in an Example Industrial Network Modeled in the ATP-EMTP Package" Energies 17, no. 7: 1532. https://doi.org/10.3390/en17071532
APA StyleKuliński, K., & Heyduk, A. (2024). Ground Fault in Medium-Voltage Power Networks with an Isolated Neutral Point: Spectral and Wavelet Analysis of Selected Cases in an Example Industrial Network Modeled in the ATP-EMTP Package. Energies, 17(7), 1532. https://doi.org/10.3390/en17071532

