Study on Multivariable Dynamic Matrix Control for a Novel Solar Hybrid STIGT System
Abstract
1. Introduction
2. Dynamic Model of the Novel Solar Hybrid STIGT System
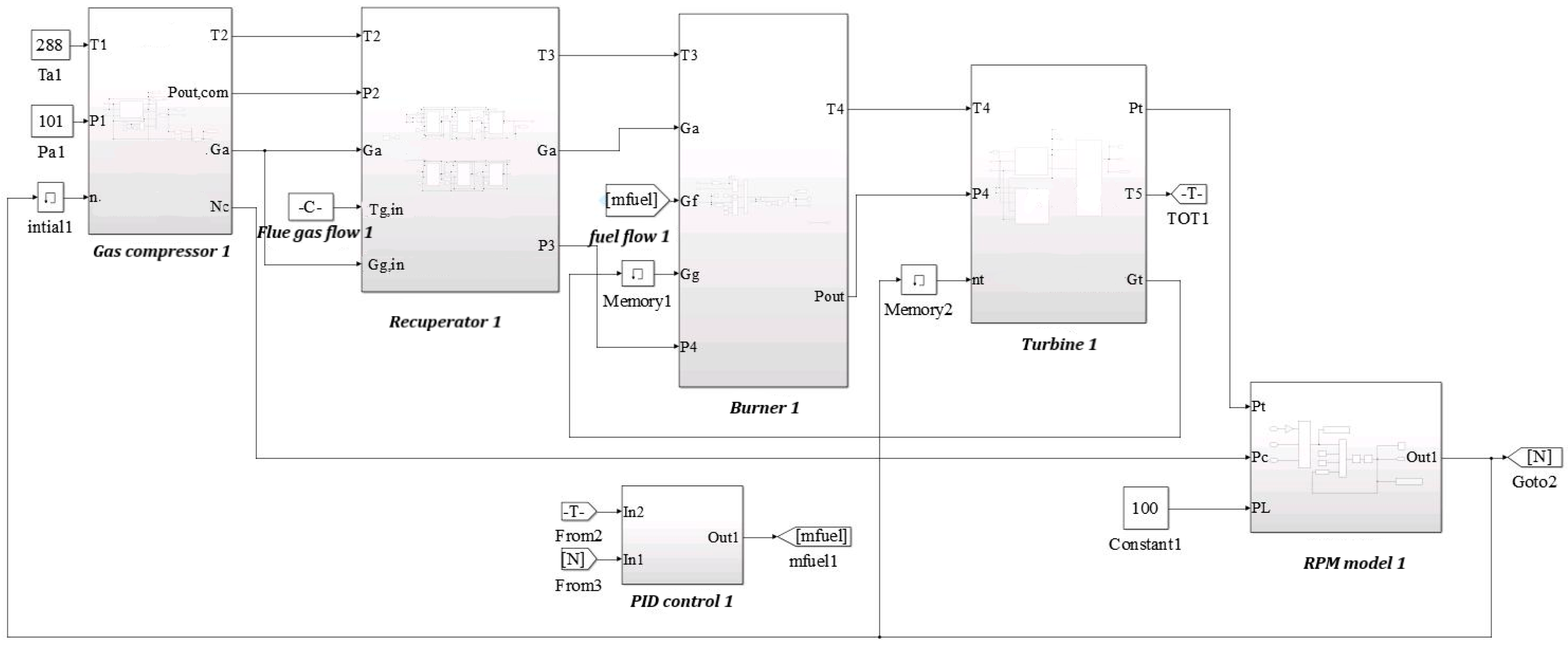
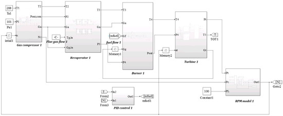
2.1. The STIGT Subsystem
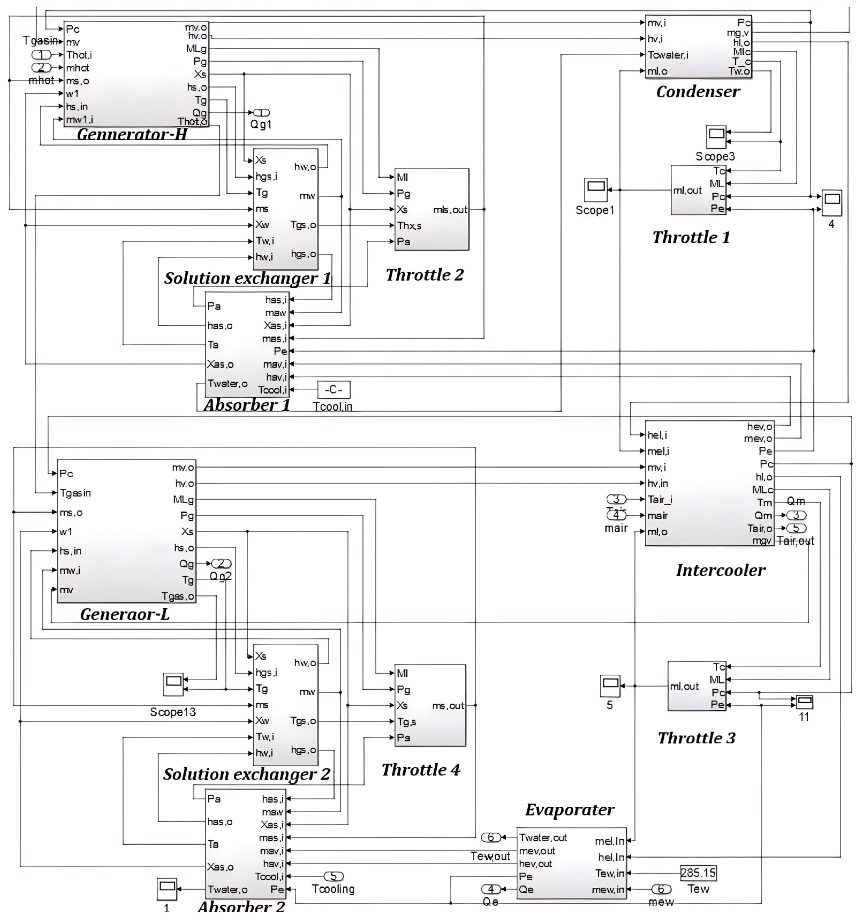
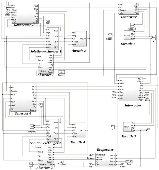
2.2. Model of the Water/Heat Recovery Subsystem
- (1)
- The temperature, pressure, and Li-Br concentration inside the components are uniform.
- (2)
- The pressures inside the generator and condenser are equal, and the pressures inside the absorber and evaporator are equal.
- (3)
- The fluid transportation delay between the two components is neglected.
- (4)
- The heat transfer coefficients on the hot and cold sides of the heat exchanger remain constant.
- (5)
- The throttling processes between the generator and absorber and the condenser and evaporator are adiabatic.
2.3. Model of the Solar Absorber Subsystem
3. Methods and Model Validation
3.1. Model Validation of STIGT Subsystem
3.2. Model Validation of Water/Heat Recovery Subsystem
3.3. Model Validation of Solar Absorber Subsystem
4. Results and Discussion
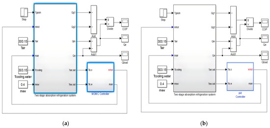
4.1. Analyses of MDMC Strategy
4.2. Establishment of Dynamic Model
4.3. Control Strategy of the Novel System
4.4. Model of Control Parameters and Comparison Results
4.4.1. Comparisons between MDMC and Single-Loop PID Control
4.4.2. Comparisons between MDMC and Dual-Loop PID Control
5. Conclusions
- (1)
- The dynamic control modeling of the novel solar hybrid STIGT system is established and the error ranges are less than 5%, presenting good enough consistency between theoretical results and experimental data.
- (2)
- MDMC is introduced into the novel solar hybrid STIGT system, compared with PID control, and the settling time and peak time under various operating conditions is reduced more than 50%. This improvement better satisfies the output power requirements for the rapidity of the power grid.
- (3)
- In the face of disturbance, i.e., heat source temperatures and chilled water flow rates, output power overshoot reduce from 3.4% of the PID to 1.2% of the MDMC, and furthermore, the number of oscillations is reduced from 4–5 times of the PID to 1–2 times of the MDMC. These results show that MDMC can cope with system disturbances more effectively and improve system stability and performance.
Author Contributions
Funding
Data Availability Statement
Conflicts of Interest
References
- Karmaker, A.K.; Rahman, M.M.; Hossain, M.A. Exploration and corrective measures of greenhouse gas emission from fossil fuel power stations for Bangladesh. J. Clean. Prod. 2020, 244, 118645. [Google Scholar] [CrossRef]
- Zhang, C.G.; Sun, J.M.; Lubell, M. Design and simulation of a novel hybrid solar-biomass energy supply system in northwest China. J. Clean. Prod. 2019, 233, 1221–1239. [Google Scholar] [CrossRef]
- Akram, U.; Khalid, M.; Shafiq, S. Optimal sizing of a wind/solar/battery hybrid grid-connected microgrid system. IET Renew. Power Gen. 2018, 12, 72–80. [Google Scholar] [CrossRef]
- Zheng, H.F.; Tian, G.J.; Zeng, S.; Zhang, Z.H.; Lv, Z.H.; Wang, Q. Study on the performance of multi-medium heat exchanger in solar composite refrigeration system. Appl. Therm. Eng. 2024, 24, 122826. [Google Scholar] [CrossRef]
- Ziółkowski, P.; Kowalczyk, T. On energy, exergy, and environmental aspects of a combined gas-steam cycle for heat and power generation undergoing a process of retrofitting by steam injection. Eng. Conv. Manag. 2019, 192, 374–384. [Google Scholar] [CrossRef]
- Bishal, S.S.; Faysal, D.F.; Ehsan, M.M.; Salehin, S. Performance evaluation of an integrated cooling and power system combining supercritical CO2, gas turbine, absorption refrigeration, and organic rankine cycles for waste energy recuperating system. Results Eng. 2023, 17, 100943. [Google Scholar] [CrossRef]
- Cao, Y.; Mihardjo, L.W.W.; Dahari, W.; Tlili, I. Waste heat from a biomass fueled gas turbine for power generation via an ORC or compressor inlet cooling via an absorption refrigeration cycle: A thermoeconomic comparison. Appl. Therm. Eng. 2021, 182, 116117. [Google Scholar] [CrossRef]
- Vandersickel, A.; Wedel, W.G.; Spliethoff, H. High temperature heat and water recovery in steam injected gas turbines using an open absorption heat pump. Appl. Therm. Eng. 2020, 165, 114663. [Google Scholar] [CrossRef]
- Shabani, M.J.; Babaelahi, M. Innovative solar-based multi-generation system for sustainable power generation, desalination, hydrogen production, and refrigeration in a novel configuration. Int. J. Hydrogen Energy. 2024, 59, 1115–1131. [Google Scholar] [CrossRef]
- Cézar, K.L.; Caldas, A.G.A.; Caldas, A.M.A.; Cordeiro, M.C.L.; Dos Santos, C.A.C. Development of a novel flow control system with arduino microcontroller embedded in double effect absorption chillers using the LiBr/H2O pair. Int. J. Refrig. 2020, 111, 124–135. [Google Scholar] [CrossRef]
- Franco, S.S.; Henríquez, J.R.; Ochoa, A.A.V.; da Costa, J.A.P.; Ferraz, K.A. Thermal analysis and development of PID control for electronic expansion device of vapor compression refrigeration systems. Appl. Therm. Eng. 2022, 206, 118130. [Google Scholar] [CrossRef]
- Xu, Y.J.; Zhang, S.J.; Xiao, Y.H. Modeling the dynamic simulation and control of a single effect LiBr–H2O absorption chiller. Appl. Therm. Eng. 2016, 107, 1183–1191. [Google Scholar] [CrossRef]
- Eldigair, Y.; Kunusch, C.; Ocampo-Martinez, C. Optimization-Based Thermal Control Strategy for Auxiliary Cooling Circuits in Fuel Cell Vehicles. IEEE Trans. Transport. Electrif. 2023, 9, 2734–2743. [Google Scholar] [CrossRef]
- Yang, P.; Liu, J.P.; Yu, J.P.; Zhu, H.Z. Discrete time adaptive neural network control for WME and compression refrigeration systems. Int. J. Refrig. 2023, 153, 155–167. [Google Scholar] [CrossRef]
- Dong, N.; Lv, W.J.; Zhu, S.; Gao, Z.K.; Grebogi, C. Model-free adaptive nonlinear control of the absorption refrigeration system. Nonlinear Dyn. 2022, 107, 1623–1635. [Google Scholar] [CrossRef]
- Chai, Y.; Wu, A.G.; Dong, N.; Wang, Y.K.; Li, Y.D. Dynamic Operation and Control Strategy of Absorption Chiller under Different Working Conditions. In Proceedings of the 2018 13th World Congress on Intelligent Control and Automation (WCICA), Changsha, China, 4–8 July 2018. [Google Scholar] [CrossRef]
- Staudt, S.; Unterberger, V.; Muschick, D.; Gölles, M. MIMO state feedback control for redundantly-actuated LiBr/H2O absorption heat pumping devices and experimental validation. Control Eng. Pract. 2023, 140, 105661. [Google Scholar] [CrossRef]
- Touqan, B.; Abdul-Ameer, A.; Salameh, M. HVAC multivariable system modelling and control. Proc. Inst. Mech. Eng. 2023, 237, 2049–2061. [Google Scholar] [CrossRef]
- Zhao, T.Y.; Wang, J.M.; Xu, M.; Li, K.S. An online predictive control method with the temperature based multivariable linear regression model for a typical chiller plant system. Build. Simul. 2020, 13, 335–348. [Google Scholar] [CrossRef]
- Huo, M.G.; Wu, Z.L.; He, T.; Li, D.H. Thermodynamic modeling and control of hybrid solar-fossil fuel power generation and storage system. Appl. Therm. Eng. 2023, 229, 120593. [Google Scholar] [CrossRef]
- Jiang, D.; Dong, Z. Dynamic matrix control for thermal power of multi-modular high temperature gas-cooled reactor plants. Energy. 2020, 198, 117386. [Google Scholar] [CrossRef]
- Wojtulewicz, A.; Ławryńczuk, M. Implementation of Multiple-Input Multiple-Output Dynamic Matrix Control Algorithm for Fast Processes Using Field Programmable Gate Array. IFAC-P. OL. 2018, 51, 324–329. [Google Scholar] [CrossRef]
- García, J.; Padilla, R.V.; Kim, J.S. A transient optical-thermal model with dynamic matrix controller for solar central receivers. Appl. Therm. Eng. 2019, 154, 686–698. [Google Scholar] [CrossRef]
- Dong, Z.; Cheng, Z.H.; Zhu, Y.L.; Huang, X.J.; Dong, Y.J.; Zhang, Z.Y. Review on the Recent Progress in Nuclear Plant Dynamical Modeling and Control. Energies 2023, 16, 1443. [Google Scholar] [CrossRef]
- He, Y.J.; Zheng, S.P.; Xiao, G. Solar hybrid steam-injected gas turbine system with novel heat and water recovery. J. Clean. Prod. 2020, 276, 124268. [Google Scholar] [CrossRef]
- Pili, R.; Eyerer, S.; Dawo, F. Development of a non-linear state estimator for advanced control of an ORC test rig for geothermal application. Renew. Eng. 2020, 161, 676–690. [Google Scholar] [CrossRef]
- He, Y.J.; Jiang, Y.Y.; Gao, N. Theoretical analyses of a new two-stage absorption-transcritical hybrid refrigeration system. Int. J. Refrig. 2015, 56, 105–113. [Google Scholar] [CrossRef]
- Myat, A.; Thu, K.; Kim, Y.D. A second law analysis and entropy generation minimization of an absorption chiller. Appl. Therm. Eng. 2011, 31, 2405–2413. [Google Scholar] [CrossRef]
- Evola, G.; Pierrès, N.L.; Boudehenn, F. Proposal and validation of a model for the dynamic simulation of a solar-assisted single-stage LiBr/water absorption chiller. Int. J. Refrig. 2013, 36, 1015–1028. [Google Scholar] [CrossRef]
- Kincaid, N.; Mungas, G.; Kramer, N. An optical performance comparison of three concentrating solar power collector designs in linear Fresnel, parabolic trough, and central receiver. Appl. Eng. 2018, 231, 1109–1121. [Google Scholar] [CrossRef]
- Giostri, A.; Binotti, M.; Sterpos, C. Small scale solar tower coupled with micro gas turbine. Renew. Eng. 2020, 147, 570–583. [Google Scholar] [CrossRef]
- Florides, G.A.; Kalogirou, S.A. Design and construction of a LiBr-water absorption machine. Eng. Convers. Manag. 2003, 44, 2483–2508. [Google Scholar] [CrossRef]
- Giorgetti, S.; Bricteux, L.; Parente, A. Carbon capture on micro gas turbine cycles: Assessment of the performance on dry and wet operations. Appl. Eng. 2017, 207, 243–253. [Google Scholar] [CrossRef]
- Carrero, M.M.; Ferrari, M.L.; Paepe, W.D. Transient simulations of a T100 micro gas turbine converted into a micro humid air turbine. In Proceedings of the Asme Turbo Expo: Turbine Technical Conference & Exposition, Montreal, QC, Canada, 15–19 June 2015. [Google Scholar] [CrossRef]
- Wang, J.; Shang, S.; Li, X.T. Dynamic performance analysis for an absorption chiller under different working conditions. Appl. Sci. 2017, 7, 797. [Google Scholar] [CrossRef]
- Ma, W.B.; Deng, S.M. Theoretical analysis of low-temperature hot source driven two-stage LiBr/H2O absorption refrigeration system. Int. J. Refrig. 1996, 19, 141–146. [Google Scholar] [CrossRef]
- Al-Shetwi, A.Q.; Hannan, M.A.; Jern, K.P. Grid-connected renewable energy sources: Review of the recent integration requirements and control methods. J. Clean. Prod. 2020, 253, 119831. [Google Scholar] [CrossRef]
- Sousa Alcântara, S.C.; Villa Ochoa, A.A.; da Costa, J.A.P.; Arruda Michima, P.S. Development of a method for predicting the transient behavior of an absorption chiller using artificial intelligence methods. Appl. Therm. Eng. 2023, 231, 120978. [Google Scholar] [CrossRef]





























| Serial Number | Experimental Equipment | Specification | Description |
|---|---|---|---|
| 1 | Compressor | 19.5 N·m3/min, Screw-type110 kW | Outlet pressure 0.8 MPa |
| 2 | Buffer tank | 2 m3 | Operating pressure 0.8 MPa |
| 3 | Cold dryer | 20 N·m3/min | / |
| 4 | K-type thermocouple | ±0.1% | 0–1300 °C |
| 5 | Pressure sensor | ±0.5% | 0–1.0 MPa |
| 6 | Vortex flowmeter | 1.5 stage | 0–255 N·m3/h |
| 7 | Agilent device | 34,970 A | / |
| 8 | Radiometer | ±3% | Gardon Gage |
| Serial Number | Parameter | Specification |
|---|---|---|
| 1 | Diameter of the lighting hole | 0.5 m |
| 2 | Diameter of the chamber | 0.8 m |
| 3 | Number of heat-absorbing tube | 120 |
| 4 | Inner diameter/Wall thickness of heat-absorbing tubes | 5.48/2.41 mm |
| 5 | Insulating layer thickness | 55 mm |
| 6 | Length of heat-absorbing tube | 900 mm |
| 7 | Material | Incoel625 |
| Parameter | Unit | Value | Description |
|---|---|---|---|
| Ac | m2 | 2 × 10−5 | Area of throttle valve between condenser and intercooler |
| Ag | m2 | 2 × 10−4 | Area of throttle valve between generator and absorber |
| Cp,w | kJ/(kg·K) | 4.19 | Constant pressure specific heat capacity of cooling water/chilled water |
| (MCp)g | kJ/K | 58.5 | Mass of the generator and cumulative heat capacity of the internal solution |
| (MCp)c | kJ/K | 33.0 | Mass of condenser and cumulative heat capacity of the internal refrigerant |
| (MCp)a | kJ/K | 58.5 | Absorber mass and cumulative heat capacity of the internal solution |
| (MCp)m | kJ/K | 58.5 | Mass of the intercooler vessel and cumulative heat capacity of the internal refrigerant |
| (MCp)e | kJ/K | 38.0 | Mass of the evaporator vessel and cumulative heat capacity of the internal refrigerant |
| (MCp)exh,g | kJ/K | 2.66 | Cumulative heat capacity of the heat exchanger in the generator |
| (MCp)exh,c | kJ/K | 3.04 | Cumulative heat capacity of the heat exchanger in the condenser |
| (MCp)exh,a | kJ/K | 4.04 | Cumulative heat capacity of the heat exchanger in the absorber |
| (MCp)exh,m | kJ/K | 2.66 | Cumulative heat capacity of the heat exchanger in the intercooler |
| (MCp)exh,e | kJ/K | 2.66 | Cumulative heat capacity of the heat exchanger in evaporator |
| (UA)in,g | kW/K | 7.29 | Heat transfer coefficient between generator and concentrated solution |
| (UA)in,c | kW/K | 9.72 | Heat transfer coefficient between condenser and cooling water |
| (UA)in,a | kW/K | 5.97 | Heat transfer coefficient between absorber and cooling water |
| (UA)in,m | kW/K | 5.62 | Heat transfer coefficient in the intercooler |
| (UA)in,e | kW/K | 6.62 | Heat transfer coefficient between evaporator and chilled water |
| Vg | m3 | 0.024 | Generator volume |
| Vc | m3 | 0.014 | Condenser volume |
| Va | m3 | 0.024 | Absorber volume |
| Vm | m3 | 0.024 | Intercooler volume |
| Ve | m3 | 0.024 | Evaporator volume |
| Coefficient | Value |
|---|---|
| 705.57 | |
| 41.76 | |
| 41.73 | |
| 116.18 | |
| 6.87 | |
| 22.61 |
| Type of Disturbance | Heat | Chilled Water | Air Flow | |||||
|---|---|---|---|---|---|---|---|---|
| Controller | PID | MDMC | PID | MDMC | PID | MDMC | PID | MDMC |
| Rise time/s | 111.3 | 36.7 | 107.2 | 34.5 | 160.9 | 120.0 | 160.9 | 120.0 |
| Overshoot/% | 3.4 | 1.2 | 1.4 | 0.8 | 2.3 | 0.6 | 2.3 | 0.6 |
| Settling time/s | 648 | 396 | 1417 | 368 | 2105 | 1279 | 3608 | 2018 |
| Delay-time/s | \ | \ | \ | \ | 36 | 22 | 46 | 24 |
| Peak time/s | 323 | 149 | \ | \ | 423 | 196 | 435 | 187 |
Disclaimer/Publisher’s Note: The statements, opinions and data contained in all publications are solely those of the individual author(s) and contributor(s) and not of MDPI and/or the editor(s). MDPI and/or the editor(s) disclaim responsibility for any injury to people or property resulting from any ideas, methods, instructions or products referred to in the content. |
© 2024 by the authors. Licensee MDPI, Basel, Switzerland. This article is an open access article distributed under the terms and conditions of the Creative Commons Attribution (CC BY) license (https://creativecommons.org/licenses/by/4.0/).
Share and Cite
Zheng, S.; Luo, Z.; Wu, J.; Zhang, L.; He, Y. Study on Multivariable Dynamic Matrix Control for a Novel Solar Hybrid STIGT System. Energies 2024, 17, 1425. https://doi.org/10.3390/en17061425
Zheng S, Luo Z, Wu J, Zhang L, He Y. Study on Multivariable Dynamic Matrix Control for a Novel Solar Hybrid STIGT System. Energies. 2024; 17(6):1425. https://doi.org/10.3390/en17061425
Chicago/Turabian StyleZheng, Shupeng, Zecheng Luo, Jiwu Wu, Lunyuan Zhang, and Yijian He. 2024. "Study on Multivariable Dynamic Matrix Control for a Novel Solar Hybrid STIGT System" Energies 17, no. 6: 1425. https://doi.org/10.3390/en17061425
APA StyleZheng, S., Luo, Z., Wu, J., Zhang, L., & He, Y. (2024). Study on Multivariable Dynamic Matrix Control for a Novel Solar Hybrid STIGT System. Energies, 17(6), 1425. https://doi.org/10.3390/en17061425
