A New Method of Obtaining Water from Water Storage Tanks in a Crisis Situation Using Renewable Energy
Abstract
1. Introduction
- Large-scale failures of electric power systems—power blackouts;
- Water contamination that conventional treatment processes cannot remove;
- Extreme weather phenomena, flood;
- Cyberattack on IT systems, including automatic control of the water treatment process;
- Failures of key water mains and pumping stations;
- Secondary microbiological contamination of water in the water supply network or water storage tanks;
- Military conflict.
- Underground reserve intakes;
- Water collected in water storage tanks;
- Bottled or bagged water;
- Vehicles for water distribution based on own resources and cooperation agreements with external entities.
- Using a photovoltaic installation to power the pump and draw water from water storage tanks located in the water supply network in a crisis situation;
- Using a photovoltaic installation to power a UV lamp in a crisis situation,
- Using a power source switch—automatic switching of loads from the primary power source to the reserve power source (and vice versa) in the event of a failure in the three-phase network;
- Creating a reservoir of clean and safe water that can be used to meet the basic, physiological needs of the affected population for up to several weeks, regardless of the supply of electricity from the grid.
2. Materials and Methods
2.1. Characteristics of the Research Object
2.2. Demand for Water in Crisis Situations and Possibility of Obtaining Water from Water Storage Tanks
- Individual physiological water demand: qp = 2.5 dm3/person per day;
- Individual minimum demand for drinking water: qm = 7.5 dm3/person per day (human physiology and basic hygiene practices);
- Individual necessary demand for drinking water: qn = 15 dm3/person per day (human physiology, basic hygiene practices and basic cooking).
- -
- Qp—water demand in a crisis situation (physiological) [m3/day];
- -
- Qm—water demand in a crisis situation (minimal) [m3/day];
- -
- Qn—water demand in a crisis situation (necessary) [m3/day];
- -
- qf, qm, qn—individual water demand in a crisis situation (qp = 2.5 dm3/person per day; qm = 7.5 dm3/person per day; qn = 15 dm3/person per day);
- -
- NR—the number of residents.
- -
- tp—time to cover the demand for water from water storage tank (physiological water demand) [day];
- -
- tm—time to cover the demand for water from water storage tank (minimum demand for drinking water) [day];
- -
- tn—time to cover the demand for water from water storage tank (necessary demand for drinking water) [day];
- -
- Qzb—the amount of water collected in the water storage tank (four variants were assumed: tanks are 100%, 75%, 50% and 25% full) [m3].
3. The Concept of Obtaining Water from Water Storage Tanks in a Crisis Situation
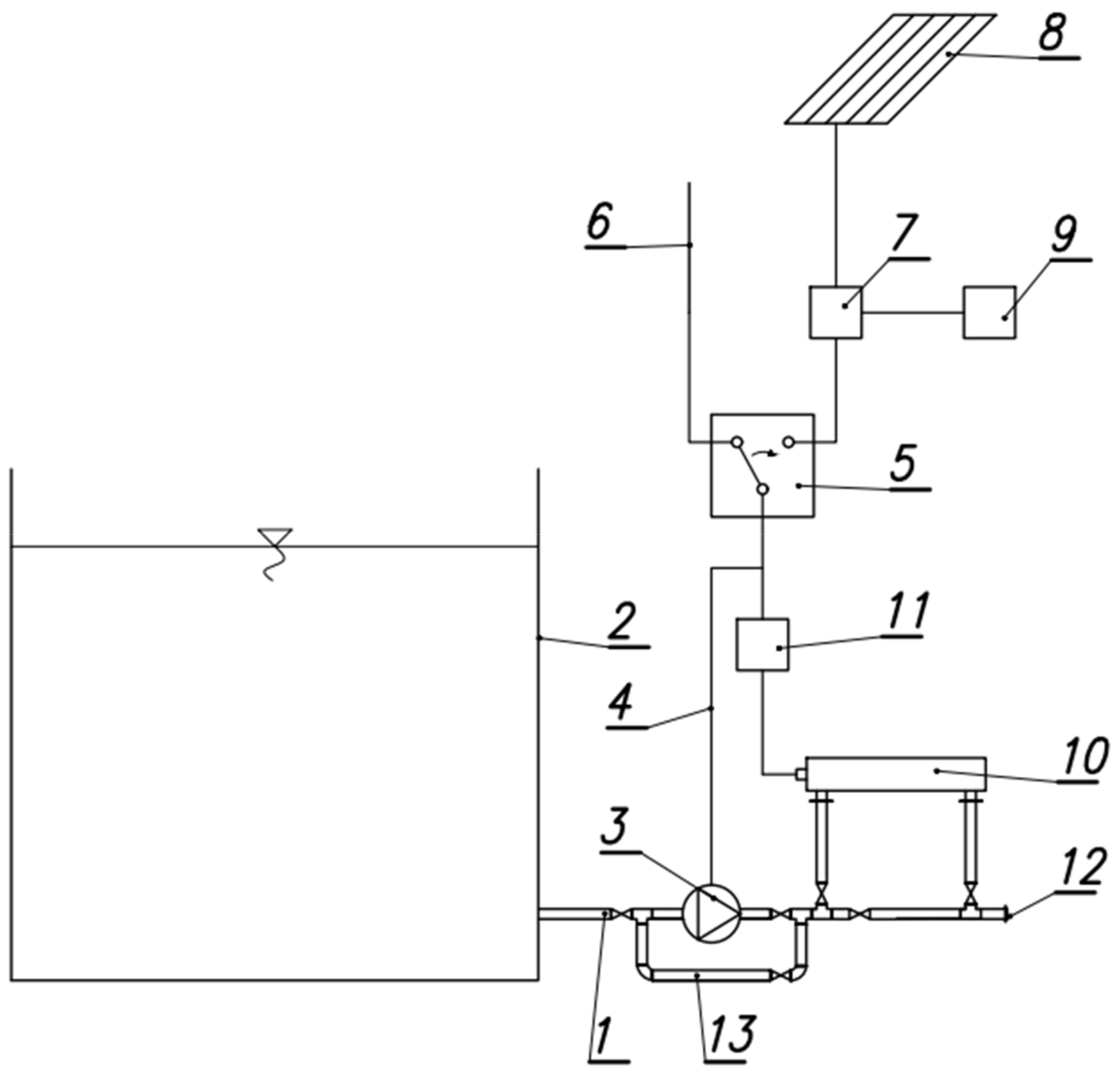
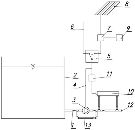
3.1. Characteristics of the Developed Installation for Drawing Water from a Water Storage Tank
- Pr—the performance ratio (average value 0.72 or 0.75);
- F0—a factor that accounts for losses;
- Geff—the effective instantaneous incident irradiance (W∕m2);
- G0—the irradiance under standard conditions (1000 W∕m2);
- PC—the nominal power under standard conditions as provided by the manufacturer (W).
- UV lamp—nominal flow at transmission T10 = 95%, dose of 400 J/m2 is 40 m3/h; UV radiator power: 325 W; DN100/220; (TMA, Białostoczek, Poland);
- Vertical, multistage centrifugal pump; efficiency: Q = 37.2 m3/h; height: H = 21.36 m; pump efficiency: 72.8%; power 3356 W; (Grundfos, Bjerringbro, Denmark);
- Monocrystalline solar PV modules with a peak power of 420W. One PV unit can process 840 kWh/year; module technology: 144 Half-Cut cells; efficiency: 210.19 W/m2; module efficiency: 21%. It will be necessary to install 12 such modules, creating a system with a total power of 5 kW; (Trina Solar, Jiangsu, China);
- Hybrid Solar Inverter 5 kW; nominal DC Voltage: 48V DC; Maximum PV Array Open Circuit Voltage: 450 V DC; support parallel; (DAXTROMN, Hongkong, China);
- Battery—low-voltage energy storage; capacity 100 Ah; energy: 20.37 kWh; maximum continuous current: 90 A; nominal voltage: 51.2 V; (Kon-TEC, Rzeszow, Poland);
- A power source switch—automatic switching of loads from the primary power source to the reserve power source (and vice versa) in the event of failure in the three-phase network; power supply 3 N 400 V/230 V 50 Hz; degree of protection: IP 20; (POLLIN, Warsaw, Poland).
3.2. Possibility of Meeting the Needs of the Affected Population Based on Water Obtained from Water Storage Tanks
- The developed photovoltaic installation powers a separate water intake installation including a pump and a UV lamp; low installation power is required (5 kW) compared to conventional solutions powering complex pump systems and water treatment devices;
- It is an emergency power system; the aim is to provide electricity in the moments of voltage failure in the primary source of supply; this is of strategic importance to ensure the continuity of the supply of clean and safe water to people in a crisis situation;
- Use of battery in the developed installation (20.37 kWh)—in the event of a power failure from the primary source, the energy storage facility can release the stored energy for a specified period of time (approximately 5 h);
- Energy can be taken by the battery directly from a renewable energy source (a set of 12 photovoltaic modules creating a system with a total power of 5 kW), which increases the ecological aspect of the investment;
- No need to provide an additional power source, such as a generator.
4. Conclusions
5. Patents
Author Contributions
Funding
Data Availability Statement
Acknowledgments
Conflicts of Interest
References
- Bross, L.; Krause, S.; Wannewitz, M.; Stock, E.; Sandholz, S.; Wienand, I. Insecure Security: Emergency Water Supply and Minimum Standards in Countries with a High Supply Reliability. Water 2019, 11, 732. [Google Scholar] [CrossRef]
- The Council of the European Union. COUNCIL DIRECTIVE 2008/114/EC of 8 December 2008 on the identification and designation of European critical infrastructures and the assessment of the need to improve their protection. Off. J. L 2008, 345, 75–82. [Google Scholar]
- Szpak, D.; Szczepanek, A. A New Method of Water Supply in Crisis Situation. Water 2023, 15, 3160. [Google Scholar] [CrossRef]
- Pozos-Estrada, O.; Sánchez-Huerta, A.; Breña-Naranjo, J.A.; Pedrozo-Acuña, A. Failure Analysis of a Water Supply Pumping Pipeline System. Water 2016, 8, 395. [Google Scholar] [CrossRef]
- Sisto, N.P.; Ramírez, A.I.; Aguilar-Barajas, I.; Magana-Rueda, V. Climate threats, water supply vulnerability and the risk of a water crisis in the Monterrey Metropolitan Area (Northeastern Mexico). Phys. Chem. Earth 2016, 91, 2–9. [Google Scholar] [CrossRef]
- Boryczko, K.; Szpak, D.; Żywiec, J.; Tchórzewska-Cieślak, B. The Use of a Fault Tree Analysis (FTA) in the Operator Reliability Assessment of the Critical Infrastructure on the Example of Water Supply System. Energies 2022, 15, 4416. [Google Scholar] [CrossRef]
- Piegdoń, I. A New Concept of Crisis Water Management in Urban Areas Based on the Risk Maps of Lack of Water Supply in Response to European Law. Resources 2022, 11, 17. [Google Scholar] [CrossRef]
- Villon, P.; Nace, A. Crisis Management in Water Distribution Networks. In Damage Assessment and Reconstruction after War or Natural Disaster; Ibrahimbegovic, A., Zlatar, M., Eds.; NATO Science for Peace and Security Series C: Environmental Security; Springer: Dordrecht, The Netherlands, 2009. [Google Scholar] [CrossRef]
- Roozbahani, A.; Zahraie, B.; Tabesh, M. Integrated risk assessment of urban water supply systems from source to tap. Stoch. Environ. Res. Risk Assess. 2013, 27, 923–944. [Google Scholar] [CrossRef]
- Babuji, P.; Thirumalaisamy, S.; Duraisamy, K.; Periyasamy, G. Human Health Risks due to Exposure to Water Pollution: A Review. Water 2023, 15, 2532. [Google Scholar] [CrossRef]
- Schmidt, G.; Rogger, M. The Final Sprint for Europe’s Rivers: An NGO Analysis of 2022–2027 Draft River Basin Management Plans; WWF: Brussels, Belgium, 2021. [Google Scholar]
- Majchrzak, D.; Michalski, K.; Reginia-Zacharski, J. Readiness of the Polish Crisis Management System to Respond to Long-Term, Large-Scale Power Shortages and Failures (Blackouts). Energies 2021, 14, 8286. [Google Scholar] [CrossRef]
- Directive (EU) 2020/2184 of the European Parliament and of the Council of 16 December 2020 on the Quality of Water Intended for Human Consumption. Available online: https://www.legislation.gov.uk/eudr/2020/2184 (accessed on 5 January 2024).
- EN 15975-1:2011+A1:2016; Security of Drinking Water Supply—Guidelines for Risk and Crisis Management—Part 1: Crisis Management. European Committee for Standardization: Brussels, Belgium, 2016.
- EN 15975-2:2013; Security of Drinking Water Supply. Guidelines for Risk and Crisis Management Risk Management. European Committee for Standardization: Brussels, Belgium, 2013.
- Rak, J.R.; Szpak, D. Sanitary-hygiene safety and protect actions in crisis situation connected with water supply. Technol. Wody 2014, 6, 10–14. (In Polish) [Google Scholar]
- Loo, S.-L.; Fane, A.G.; Krantz, W.B.; Lim, T.-T. Emergency water supply: A review of potential technologies and selection criteria. Water Res. 2012, 46, 3125–3151. [Google Scholar] [CrossRef] [PubMed]
- Magrini, A.; Cattani, L.; Cartesegna, M.; Magnani, L. Integrated systems for air conditioning and production of drinking water—Preliminary considerations. Energy Proc. 2015, 75, 1659–1665. [Google Scholar] [CrossRef]
- Jurga, A.; Pacak, A.; Pandelidis, D.; Kaźmierczak, B. Condensate as a water source in terrestrial and extra-terrestrial conditions. Water Resour. Ind. 2023, 29, 100196. [Google Scholar] [CrossRef]
- Najwyższa Izba Kontroli (Supreme Chamber of Control). Ensuring the Security of Water Supply to Large Urban Agglomerations in the Event of Crisis Situations. 2017. Available online: https://www.nik.gov.pl/plik/id,14969,vp,17439.pdf (accessed on 4 January 2023).
- Żywiec, J.; Tchórzewska-Cieślak, B.; Papciak, D.; Domoń, A. Changes of microbiological parameters of water in domestic distribution system in terms of water supply safety. Desalination Water Treat. 2021, 226, 37–51. [Google Scholar] [CrossRef]
- Waller, S.A.; Packman, A.I.; Hausner, M. Comparison of biofilm cell quantification methods for drinking water distribution systems. J. Microbiol. Methods 2018, 144, 8–21. [Google Scholar] [CrossRef]
- Gómez, S.O.A. The Emergence of Food Panic: Evidence from the Great East Japan Earthquake. J. Disaster Res. 2013, 8, 814–825. [Google Scholar] [CrossRef]
- Świętochowski, K.; Świętochowska, M.; Kalenik, M.; Gwoździej-Mazur, J. Analysis of the Use of a Low-Power Photovoltaic System to Power a Water Pumping Station in a Tourist Town. Energies 2023, 16, 7435. [Google Scholar] [CrossRef]
- Bundschuh, J.; Kaczmarczyk, M.; Ghaffour, N.; Tomaszewska, B. State-of-the-art of renewable energy sources used in water desalination: Present and future prospects. Desalination 2021, 508, 115035. [Google Scholar] [CrossRef]
- Sebbagh, T.; Kelaiaia, R.; Zaatri, A.; Taouk Bechara, T.; Abdelouahed, L. Investigation of the use of a central unique renewable energy system versus distributed units for crop irrigation. Clean Technol. Environ. Policy 2018, 20, 2365–2373. [Google Scholar] [CrossRef]
- Kumar, M.; Reddy, K.S.; Adake, R.V.; Rao, C.V.K.N. Solar powered micro-irrigation system for small holders of dryland agriculture in India. Agric. Water Manag. 2015, 158, 112–119. [Google Scholar] [CrossRef]
- Meunier, S.; Heinrich, M.; Quéval, L.; Cherni, J.A.; Vido, L.; Darga, A.; Dessante, P.; Multon, B.; Kitanidis, P.K.; Claude Marchand, C. A validated model of a photovoltaic water pumping system for off-grid rural communities. Appl. Energy 2019, 241, 580–591. [Google Scholar] [CrossRef]
- Chandel, S.S.; Naik, M.N.; Chandel, R. Review of performance studies of direct coupled photovoltaic water pumping systems and case study. Renew. Sustain. Energy Rev. 2017, 76, 163–175. [Google Scholar] [CrossRef]
- Rehman, S.; Sahin, A.Z. A wind-solar PV hybrid power system with battery backup for water pumping in remote localities. Int. J. Green Energy 2016, 13, 1075–1083. [Google Scholar] [CrossRef]
- Yahyaoui, I.; Atieh, A.; Serna, A.; Tadeo, F. Sensitivity analysis for photovoltaic water pumping systems: Energetic and economic studies. Energy Convers. Manag. 2017, 135, 402–415. [Google Scholar] [CrossRef]
- Sommer, R.; Cabaj, A.; Pribil, W.; Haider, T. Influence of lamp intensity and water transmittance on the UV disinfection of water. Water Sci. Technol. 1997, 35, 113–118. [Google Scholar] [CrossRef]
- Zhang, T.; Li, K.; Liu, X. DBP-FP change of biofilm in drinking water distribution system induced by sequential UV and chlorine disinfection: Effect of UV dose and influencing mechanism. Environ. Pollut. 2023, 338, 122716. [Google Scholar] [CrossRef]
- Peldszus, S.; Andrews, S.A.; Souza, R.; Smith, F.; Douglas, I.; Bolton, J.; Huck, P.M. Effect of medium-pressure UV irradiation on bromate concentrations in drinking water, a pilot-scale study. Water Res. 2004, 38, 211–217. [Google Scholar] [CrossRef]
- Federal Ministry of the Interior (BMI). Konzeption Zivile Verteidigung (KZV): Conception Civil Defense; Bundesministerium des Innern: Berlin, Germany, 2016. [Google Scholar]
- Austrian Association for Gas and Water (ÖVGW). Trinkwassernotversorgung, Krisenvorsorgeplanung in der Trinkwasserversorgung: W 74; Österreichische Vereinigung für das Gas- und Wasserfach: Vienna, Austria, 2017. [Google Scholar]
- Rak, J.R. Logistics of Water Supply in Crisis Situations. In Water Supply, Quality and Water Protection; Dymaczewski, Z., Jeż-Walkowiak, J., Nowak, M., Eds.; Polish Association of Sanitary Engineers and Technicians Branch in Wielkopolska: Poznań, Poland, 2014; pp. 129–137. (In Polish) [Google Scholar]



| The Number of Residents | Qn [m3/day] | Qm [m3/day] | Qp [m3/day] |
|---|---|---|---|
| 195,840 | 2937.6 | 1468.8 | 489.6 |
| Demand for Water in a Crisis Situation | Time to Cover Water Demand [Days] |
|---|---|
| The volume of water in the water storage tank: 15,000 m3 (100% filling) | |
| Qp = 489.6 m3/d (physiological) | 30.64 |
| Qm = 1468.8 m3/d (minimal) | 10.21 |
| Qn = 2937.6 m3/d (necessary) | 5.11 |
| The volume of water in the water storage tank: 11,250 m3 (75% filling) | |
| Qp = 489.6 m3/d (physiological) | 22.98 |
| Qm = 1468.8 m3/d (minimal) | 7.66 |
| Qn = 2937.6 m3/d (necessary) | 3.83 |
| The volume of water in the water storage tank: 7500 m3 (50% filling) | |
| Qp = 489.6 m3/d (physiological) | 15.32 |
| Qm = 1468.8 m3/d (minimal) | 5.11 |
| Qn = 2937.6 m3/d (necessary) | 2.55 |
| The volume of water in the water storage tank: 3750 m3 (25% filling) | |
| Qp = 489.6 m3/d (physiological) | 7.66 |
| Qm = 1468.8 m3/d (minimal) | 2.55 |
| Qn = 2937.6 m3/d (necessary) | 1.28 |
Disclaimer/Publisher’s Note: The statements, opinions and data contained in all publications are solely those of the individual author(s) and contributor(s) and not of MDPI and/or the editor(s). MDPI and/or the editor(s) disclaim responsibility for any injury to people or property resulting from any ideas, methods, instructions or products referred to in the content. |
© 2024 by the authors. Licensee MDPI, Basel, Switzerland. This article is an open access article distributed under the terms and conditions of the Creative Commons Attribution (CC BY) license (https://creativecommons.org/licenses/by/4.0/).
Share and Cite
Szpak, D.; Tchórzewska-Cieślak, B.; Stręk, M. A New Method of Obtaining Water from Water Storage Tanks in a Crisis Situation Using Renewable Energy. Energies 2024, 17, 874. https://doi.org/10.3390/en17040874
Szpak D, Tchórzewska-Cieślak B, Stręk M. A New Method of Obtaining Water from Water Storage Tanks in a Crisis Situation Using Renewable Energy. Energies. 2024; 17(4):874. https://doi.org/10.3390/en17040874
Chicago/Turabian StyleSzpak, Dawid, Barbara Tchórzewska-Cieślak, and Magdalena Stręk. 2024. "A New Method of Obtaining Water from Water Storage Tanks in a Crisis Situation Using Renewable Energy" Energies 17, no. 4: 874. https://doi.org/10.3390/en17040874
APA StyleSzpak, D., Tchórzewska-Cieślak, B., & Stręk, M. (2024). A New Method of Obtaining Water from Water Storage Tanks in a Crisis Situation Using Renewable Energy. Energies, 17(4), 874. https://doi.org/10.3390/en17040874

