Comparison Among Thermal Pre-Treatments’ Effectiveness in Increasing Anaerobic Digestibility of Organic Fraction in Municipal Solid Wastes
Abstract
1. Introduction
2. Material and Methods
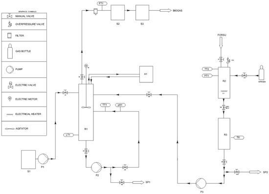
2.1. Experimental Setup and Operation
2.2. Analytical Procedures
2.3. Statistical Analysis
3. Results and Discussion
3.1. OFMSW Characterization
3.2. Effect of Pre-Treatments on OFMSW
3.3. Digester Performances
4. Conclusions
Author Contributions
Funding
Data Availability Statement
Acknowledgments
Conflicts of Interest
References
- Shah, A.V.; Srivastava, V.K.; Mohanty, S.S.; Varjani, S. Municipal solid waste as a sustainable resource for energy production: State-of-the-art review. J. Environ. Chem. Eng. 2021, 9, 105717. [Google Scholar] [CrossRef]
- Pham, T.P.T.; Kaushik, R.; Parshetti, G.K.; Mahmood, R.; Balasubramanian, R. Food waste-to-energy conversion technologies: Current status and future directions. Waste Manag. 2015, 38, 399–408. [Google Scholar] [CrossRef] [PubMed]
- Zamri, M.; Hasmady, S.; Akhiar, A.; Ideris, F.; Shamsuddin, A.; Mofijur, M.; Fattah, I.M.R.; Mahlia, T. A comprehensive review on anaerobic digestion of organic fraction of municipal solid waste. Renew. Sustain. Energy Rev. 2021, 137, 110637. [Google Scholar] [CrossRef]
- De Sanctis, M.; Chimienti, S.; Pastore, C.; Piergrossi, V.; Di Iaconi, C. Energy efficiency improvement of thermal hydrolysis and anaerobic digestion of Posidonia oceanica residues. Appl. Energy 2019, 252, 113457. [Google Scholar] [CrossRef]
- Barca, E.; De Sanctis, M.; Altieri, V.; Di Iaconi, C. Thermal energy recovery from a sequencing batch biofilter granular reactor (SBBGR) on a pilot scale: Evaluation of the effects of energy extraction on the depuration process, process effectiveness, and results scalability. Energy Convers. Manag. 2021, 228, 113582. [Google Scholar] [CrossRef]
- Campuzano, R.; González-Martínez, S. Characteristics of the organic fraction of municipal solid waste and methane production: A review. Waste Manag. 2016, 54, 3–12. [Google Scholar] [CrossRef]
- Ahmed, B.; Tyagi, V.K.; Aboudi, K.; Naseem, A.; Álvarez-Gallego, C.J.; Fernández-Güelfo, L.A.; Kazmi, A.; Romero-García, L.I. Thermally enhanced solubilization and anaerobic digestion of organic fraction of municipal solid waste. Chemosphere 2021, 282, 131136. [Google Scholar] [CrossRef] [PubMed]
- Deepanraj, B.; Sivasubramanian, V.; Jayaraj, S. Effect of substrate pretreatment on biogas production through anaerobic digestion of food waste. Int. J. Hydrogen Energy 2017, 42, 26522–26528. [Google Scholar] [CrossRef]
- Li, Y.; Jin, Y. Effects of thermal pretreatment on acidification phase during two-phase batch anaerobic digestion of kitchen waste. Renew. Energy 2015, 77, 550–557. [Google Scholar] [CrossRef]
- Cesaro, A.; Belgiorno, V. Pretreatment methods to improve anaerobic biodegradability of organic municipal solid waste fractions. Chem. Eng. J. 2014, 240, 24–37. [Google Scholar] [CrossRef]
- Kavitha, S.; Preethi, J.; Banu, J.R.; Yeom, I.T. Low temperature thermochemical mediated energy and economically efficient biological disintegration of sludge: Simulation and prediction studies for anaerobic biodegradation. Chem. Eng. J. 2017, 317, 481–492. [Google Scholar] [CrossRef]
- Hendriks, A.; Zeeman, G. Pretreatments to enhance the digestibility of lignocellulosic biomass. Bioresour. Technol. 2009, 100, 10–18. [Google Scholar] [CrossRef] [PubMed]
- Zhang, Y.; Banks, C. Impact of different particle size distributions on anaerobic digestion of the organic fraction of municipal solid waste. Waste Manag. 2013, 33, 297–307. [Google Scholar] [CrossRef] [PubMed]
- APHA; AWWA; WEF. Standards Methods for the Examination of Water and Wastewater, 20th ed.; American Public Health Association; American Water Works Association; Water Environment Federation: Washington, DC, USA, 1998. [Google Scholar]
- di Bitonto, L.; Antonopoulou, G.; Braguglia, C.; Campanale, C.; Gallipoli, A.; Lyberatos, G.; Ntaikou, I.; Pastore, C. Lewis-Brønsted acid catalysed ethanolysis of the organic fraction of municipal solid waste for efficient production of biofuels. Bioresour. Technol. 2020, 266, 297–305. [Google Scholar] [CrossRef] [PubMed]
- di Bitonto, L.; Locaputo, V.; D’Ambrosio, V.; Pastore, C. Direct Lewis-Brønsted acid ethanolysis of sewage sludge for production of liquid fuels. Appl. Energy 2020, 259, 114163. [Google Scholar] [CrossRef]
- Angelidaki, I.; Batstone, D.J. Anaerobic Digestion: Process. In Solid Waste Technology & Management; Wiley: Hoboken, NJ, USA, 2011; Volume 2, Chapter 9.4; pp. 583–600. [Google Scholar]
- Neves, L.; Gonçalo, E.; Oliveira, R.; Alves, M. Influence of composition on the biomethanation potential of restaurant waste at mesophilic temperatures. Waste Manag. 2008, 28, 965–972. [Google Scholar] [CrossRef]
- Lopez, V.M.; De la Cruz, F.B.; Barlaz, M.A. Chemical composition and methane potential of commercial food wastes. Waste Manag. 2016, 56, 477–490. [Google Scholar] [CrossRef]
- Panichnumsin, P.; Nopharatana, A.; Ahring, B.; Chaiprasert, P. Production of methane by co-digestion of cassava pulp with various concentrations of pig manure. Biomass Bioenergy 2010, 34, 1117–1124. [Google Scholar] [CrossRef]
- Li, W.; Khalid, H.; Zhu, Z.; Zhang, R.; Liu, G.; Chen, C.; Thorin, E. Methane production through anaerobic digestion: Participation and digestion characteristics of cellulose, hemicellulose and lignin. Appl. Energy 2018, 226, 1219–1228. [Google Scholar] [CrossRef]
- De Sanctis, M.; Di Iaconi, C. Evaluation of Posidonia oceanica residues as feedstock for anaerobic digestion. Bioresour. Technol. Rep. 2019, 8, 100317. [Google Scholar] [CrossRef]
- Dasgupta, A.; Chandel, M.K. Enhancement of biogas production from organic fraction of municipal solid waste using hydrothermal pretreatment. Bioresour. Technol. Rep. 2019, 7, 100281. [Google Scholar] [CrossRef]
- Balasundaram, G.; Banu, R.; Varjani, S.; Kazmi, A.; Tyagi, V.K. Recalcitrant compounds formation, their toxicity, and mitigation: Key issues in biomass pretreatment and anaerobic digestion. Chemosphere 2022, 291, 132930. [Google Scholar] [CrossRef] [PubMed]
- Parra-Orobio, B.A.; Girón-Bol, L.M.; Gómez-Muñoz, D.F.; Marmolejo-Rebellón, L.F.; Torres-Lozada, P. Thermal pre-treatment as a tool for energy recovery from food waste through anaerobic digestion. Effect on kinetic and physicochemical characteristics of the substrate. Environ. Technol. Innov. 2021, 21, 101262. [Google Scholar] [CrossRef]
- Ariunbaatar, J.; Panico, A.; Esposito, G.; Pirozzi, F.; Lens, P.N. Pretreatment methods to enhance anaerobic digestion of organic solid waste. Appl. Energy 2014, 123, 143–156. [Google Scholar] [CrossRef]
- Jin, Y.; Li, Y.; Li, J. Influence of thermal pretreatment on physical and chemical properties of kitchen waste and the efficiency of anaerobic digestion. J. Environ. Manag. 2016, 180, 291–300. [Google Scholar] [CrossRef]
- Song, L.; Yang, D.; Liu, R.; Liu, S.; Dai, X. The dissolution of polysaccharides and amino acids enhanced lactic acid production from household food waste during pretreatment process. Sci. Total Environ. 2023, 864, 161068. [Google Scholar] [CrossRef] [PubMed]
- Izumi, K.; Okishio, Y.-K.; Nagao, N.; Niwa, C.; Yamamoto, S.; Toda, T. Effects of particle size on anaerobic digestion of food waste. Int. Biodeterior. Biodegrad. 2010, 64, 601–608. [Google Scholar] [CrossRef]
- Ma, J.; Duong, T.H.; Smits, M.; Verstraete, W.; Carballa, M. Enhanced biomethanation of kitchen waste by different pre-treatments. Bioresour. Technol. 2011, 102, 592–599. [Google Scholar] [CrossRef]
- Tampio, E.; Ervasti, S.; Paavola, T.; Heaven, S.; Banks, C.; Rintala, J. Anaerobic digestion of autoclaved and untreated food waste. Waste Manag. 2014, 34, 370–377. [Google Scholar] [CrossRef]
- Ding, L.; Cheng, J.; Qiao, D.; Yue, L.; Li, Y.-Y.; Zhou, J.; Cen, K. Investigating hydrothermal pretreatment of food waste for two-stage fermentative hydrogen and methane co-production. Bioresour. Technol. 2017, 241, 491–499. [Google Scholar] [CrossRef]
- Pecorini, I.; Baldi, F.; Carnevale, E.A.; Corti, A. Biochemical methane potential tests of different autoclaved and microwaved lignocellulosic organic fractions of municipal solid waste. Waste Manag. 2016, 56, 143–150. [Google Scholar] [CrossRef]
- Razavi, A.; Koupaie, E.H.; Azizi, A.; Hafez, H.; Elbeshbishy, E. Hydrothermal pretreatment of source separated organics for enhanced solubilization and biomethane recovery. Bioresour. Technol. 2019, 274, 502–511. [Google Scholar] [CrossRef]
- Liu, J.; Yin, J.; He, X.; Chen, T.; Shen, D. Optimizing food waste hydrothermal parameters to reduce Maillard reaction and increase volatile fatty acid production. J. Environ. Sci. 2021, 103, 43–49. [Google Scholar] [CrossRef]
- Geng, Y.-K.; Zhou, Y. Reduction of refractory Maillard reaction products by Fe3+ during thermal hydrolysis pretreatment and enhanced sludge biodegradability. J. Hazard. Mater. 2022, 430, 128400. [Google Scholar] [CrossRef] [PubMed]
- Yang, M.; Ding, L.; Wang, P.; Wu, Y.; Areeprasert, C.; Wang, M.; Chen, X.; Wang, F.; Yu, G. Formation of melanoidins and development of characterization techniques during thermal pretreatment of organic solid waste: A critical review. Fuel 2023, 334, 126790. [Google Scholar] [CrossRef]
- Quintas, M.A.; Brandão, T.R.; Silva, C.L. Modelling colour changes during the caramelisation reaction. J. Food Eng. 2007, 83, 483–491. [Google Scholar] [CrossRef]
- Wang, H.-Y.; Qian, H.; Yao, W.-R. Melanoidins produced by the Maillard reaction: Structure and biological activity. Food Chem. 2011, 128, 573–584. [Google Scholar] [CrossRef]
- Zhang, D.; Feng, Y.; Huang, H.; Khunjar, W.; Wang, Z.-W. Recalcitrant dissolved organic nitrogen formation in thermal hydrolysis pretreatment of municipal sludge. Environ. Int. 2020, 138, 105629. [Google Scholar] [CrossRef] [PubMed]
- Scherzinger, M.; Kaltschmitt, M. Thermal pre-treatment options to enhance anaerobic digestibility—A review. Renew. Sustain. Energy Rev. 2021, 137, 110627. [Google Scholar] [CrossRef]
- Chu, C.-F.; Li, Y.-Y.; Xu, K.-Q.; Ebie, Y.; Inamori, Y.; Kong, H.-N. A pH- and temperature-phased two-stage process for hydrogen and methane production from food waste. Int. J. Hydrogen Energy 2008, 33, 4739–4746. [Google Scholar] [CrossRef]
- Jiang, J.; He, S.; Kang, X.; Sun, Y.; Yuan, Z.; Xing, T.; Guo, Y.; Li, L. Effect of Organic loading rate and temperature on the anaerobic digestion of municipal solid waste: Process performance and energy recovery. Front. Energy Res. 2020, 8, 89. [Google Scholar] [CrossRef]
- Borowski, S. Temperature-phased anaerobic digestion of the hydromechanically separated organic fraction of municipal solid waste with sewage sludge. Int. Biodeterior. Biodegrad. 2015, 105, 106–113. [Google Scholar] [CrossRef]
- Rodríguez, J.F.; Pérez, M.; Romero, L. Mesophilic anaerobic digestion of the organic fraction of municipal solid waste: Optimisation of the semicontinuous process. Chem. Eng. J. 2012, 193–194, 10–15. [Google Scholar] [CrossRef]





| This Study | Campuzano and González-Martinez | ||
|---|---|---|---|
| Parameter | Average ± st. dev. | Parameter | Average ± st. dev. |
| pH | 6.1 ± 1.5 | pH | 5.2 ± 0.95 |
| TS (%) | 26.4 ± 8.8 | TS (%) | 27.2 ± 7.6 |
| VS (%) | 25.9 ± 8.7 | VS (%) | 22.9 ± 6.3 |
| COD (g/kg) | 308.7 ± 116.7 | COD (g/kg) | 332 ± 121 |
| TN (g/kg) | 3.7 ± 1.9 | TN (g/kg) | 7.9 ± 5.4 |
| P (g/kg) | 0.5 ± 0.2 | P (g/kg) | 1.7 ± 2.5 |
| Bromatological analysis of OFMSW fraction (% of VS) | |||
| Grease | 7.8 ± 1.9 | Fat, oil and grease | 17.5 ± 6.6 |
| Lignin | 7.3 ± 6.3 | Lignin | 9.7 ± 5.3 |
| Cellulose | 12.7 ± 4.5 | Cellulose | 18.6 ± 15.0 |
| Starch/hemicellulose | 25.3 ± 2.5 | Hemicellulose | 8.6 ± 4.6 |
| Starch | 17.1 ± 2.5 | ||
| Protein | 9.0 ± 2.3 | Protein | 17.7 ± 5.5 |
| Free sugars | 6.4 ± 3.0 | Free sugars | 10.5 ± 6.0 |
| Percentage of Recovery (%) | |||
|---|---|---|---|
| High-Pressure Air | High-Pressure N2 | Autoclave | |
| COD | 65.1 ± 23.9 | 65.5 ± 13.3 | 105.2 ± 13.9 |
| VS | 63.2 ± 12.6 | 64.0 ± 15.7 | 100.6 ± 13.7 |
| Shredding | High-Pressure Air | High-Pressure N2 | Autoclave | |
|---|---|---|---|---|
| Methane yield (NmLCH4/gVS a) | 264 ± 223 | 167 ± 99 | 352 ± 62 | 476 ± 194 |
| Methane content (%) | 65 ± 7 | 64 ± 7 | 69 ± 7 | 50 ± 5 |
Disclaimer/Publisher’s Note: The statements, opinions and data contained in all publications are solely those of the individual author(s) and contributor(s) and not of MDPI and/or the editor(s). MDPI and/or the editor(s) disclaim responsibility for any injury to people or property resulting from any ideas, methods, instructions or products referred to in the content. |
© 2024 by the authors. Licensee MDPI, Basel, Switzerland. This article is an open access article distributed under the terms and conditions of the Creative Commons Attribution (CC BY) license (https://creativecommons.org/licenses/by/4.0/).
Share and Cite
De Sanctis, M.; Altieri, V.G.; Barca, E.; di Bitonto, L.; Tedeschi, F.; Di Iaconi, C. Comparison Among Thermal Pre-Treatments’ Effectiveness in Increasing Anaerobic Digestibility of Organic Fraction in Municipal Solid Wastes. Energies 2024, 17, 6293. https://doi.org/10.3390/en17246293
De Sanctis M, Altieri VG, Barca E, di Bitonto L, Tedeschi F, Di Iaconi C. Comparison Among Thermal Pre-Treatments’ Effectiveness in Increasing Anaerobic Digestibility of Organic Fraction in Municipal Solid Wastes. Energies. 2024; 17(24):6293. https://doi.org/10.3390/en17246293
Chicago/Turabian StyleDe Sanctis, Marco, Valerio Guido Altieri, Emanuele Barca, Luigi di Bitonto, Francesco Tedeschi, and Claudio Di Iaconi. 2024. "Comparison Among Thermal Pre-Treatments’ Effectiveness in Increasing Anaerobic Digestibility of Organic Fraction in Municipal Solid Wastes" Energies 17, no. 24: 6293. https://doi.org/10.3390/en17246293
APA StyleDe Sanctis, M., Altieri, V. G., Barca, E., di Bitonto, L., Tedeschi, F., & Di Iaconi, C. (2024). Comparison Among Thermal Pre-Treatments’ Effectiveness in Increasing Anaerobic Digestibility of Organic Fraction in Municipal Solid Wastes. Energies, 17(24), 6293. https://doi.org/10.3390/en17246293

