Abstract
Circulating current suppression can effectively improve the reliability and redundancy of parallel inverter systems. The mechanism and influencing factors of the low- and high-frequency zero-sequence circulating current (ZSCC) are analyzed in this study. Based on a mechanism analysis and the built mathematical model, the composite control strategy of zero-sequence voltage difference (ZSVD) compensation and virtual inductance is proposed to suppress the low- and high-frequency ZSCC. In the composite control strategy, the low-frequency ZCSS (LF-ZCSS) is suppressed by the ZSVD compensation method, and the HF-ZCSS is suppressed by the virtual inductance method. The ZSVD compensation is incorporated into the SVPWM as an input to regulate the modulation and suppress the LF-ZCSS, and virtual inductance is introduced into the current control loop to suppress the HF-ZCSS. A parallel system prototype composed of two 6 kW inverters is constructed. The experiments show that the ZSCC of the parallel system is reduced by 45%, which verifies the effectiveness of the proposed composite control strategy.
1. Introduction
Energy storage systems can stabilize the fluctuation of renewable energy outputs within a microgrid [1,2] and are an important aspect of distributed generation. As the interface of energy transmission in the microgrid, inverters are of great significance. With the development of distributed generation, there is an increasing demand for high-power energy transmission. Inverter parallel technology has become an effective solution to improve the energy transmission capacity [3,4]. However, the zero-sequence circulating current (ZSCC) induced by the direct parallel connection of inverters causes output current distortion, reduces system efficiency, and can even lead to system collapse [3,4,5,6,7,8]. Therefore, the ZSCC problem is critical and must be solved to ensure the stable operation of the parallel inverter system.
At present, there are two common methods to suppress the ZSCC: hardware and software approaches. The hardware approach involves cutting off the circulating current path [9,10,11] and increasing the loop impedance [12,13,14,15]. The hardware approach is easy to realize but does not support modular design and increases the volume of the system. Different from the hardware approach, the software approach focuses on various control strategies [10,11,12,13,14,15,16]. The authors in [16] proposed a new regulation strategy: injecting improved common mode voltage to suppress the LF-ZSCC without changing the DC voltage utilization and switching loss. The ZSCC suppression strategy based on the PI controller is proposed in [17]. A centralized carrier model predictive control (CB-MPC) scheme for modular parallel inverters is proposed in [18], which aims to suppress the LF-ZSCC generated by multiple inverters in parallel. However, the HF-ZSCC is not analyzed in this paper. The concept of high-frequency-switching circulating currents is proposed in [19,20]; by analyzing the relationship between the main circuit parameters of two single-phase half-bridge inverters and the switching ZSCC [21], the circuit optimization design scheme is given to reduce the HF-ZSCC.
In [22], vector redundancy in space vector modulation is considered. Without increasing the ZSCC, the switching order is optimized to reduce switching loss. However, the algorithm is complex. In [23], PI+QPR (quasi-proportional resonant) combined with the zero-sequence voltage difference (ZSVD) compensation method is introduced to suppress the fixed harmonics near the switching frequency caused by carrier phase shift. It is concluded that carrier inconsistency is the source of the HF-ZSCC. In order to suppress the HF-ZSCC, the authors in [24] proposed a novel interleaved PWM method, and [25] adopted an online carrier phase difference correction method between the parallel inverters, which limits the HF-ZSCC to within a certain range. This method has wide applicability, but it needs to accurately calculate the carrier phase difference, which requires the high processing performance and sampling accuracy of the controller. Moreover, with the interleaved PWM method and online correction method, communication is needed among parallel inverters to adjust the carrier phase of each inverter, which causes increased complexity.
To sum up, the ZSCC suppression strategy based on the zero-vector distribution method causes information coupling between multiple inverters, and the HF-ZSCC suppression strategy based on the ZSVD compensation method fails to realize satisfactory results. In order to address the issues of information coupling and ineffective HF-ZSCC suppression, this paper proposes a composite suppression strategy based on ZSVD compensation and the virtual inductance method. This strategy can suppress both low- and high-frequency ZSCCs of the parallel system caused by inconsistent hardware and software parameters. It is easy to implement and does not require interconnection.
This paper is organized as follows. Section 2 explains the generation mechanism of low- and high-frequency ZSCCs. Section 3 establishes the mathematical models of multiple parallel inverter systems. Section 4 proposes the composite suppression strategy combining ZSVD compensation and the virtual inductance method. Section 5 gives the results of the simulation analysis. Section 6 presents the constructed prototype and the corresponding experimental results. Finally, Section 7 presents the conclusion.
2. Mechanism of Low-Frequency and High-Frequency ZSCCs
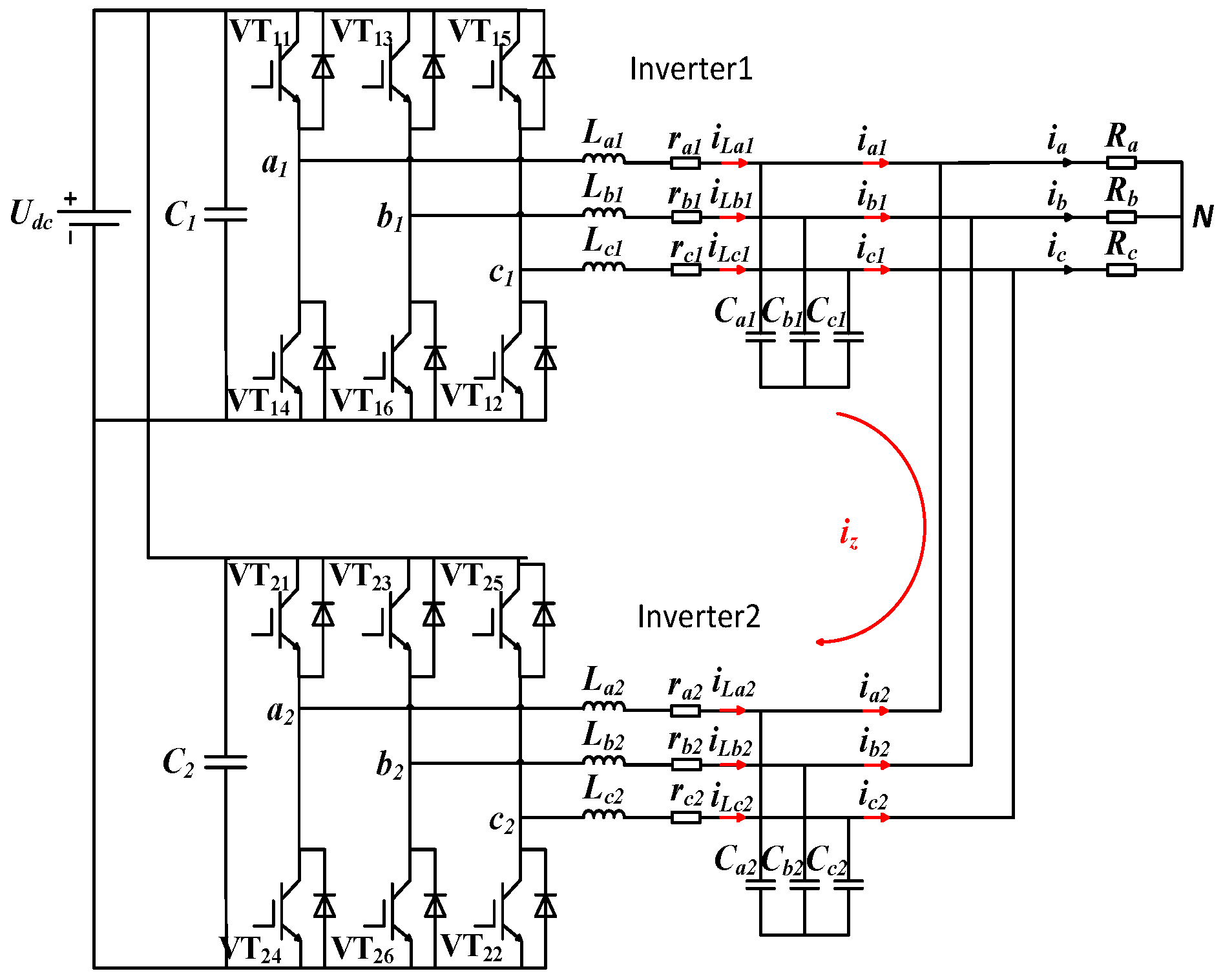
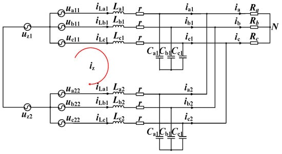
The parallel system is shown in Figure 1. The subscript x represents the phase of the circuit. For example, the three-phase energy storage inductance La, Lb, and Lc in the figure can be represented by Lx, where x = a, b, c. In this representation, Lx1 is the inductance of inverter 1, Lx2 is the inductance of inverter 2, ix1 is the output current of inverter 1, ix2 is the output current of inverter 1, iLx1 is the inductance current of inverter 1, iLx2 is the inductance current of inverter 2, Cx1 is the filter capacitor of inverter 1, Cx2 is the inductance current of inverter 2, rx1 is the equivalent resistor of inverter 1, rx2 is the equivalent resistor of inverter 2, ix is the output current of the parallel inverter system, Rx is the AC load of the system, iz is the ZSCC of the parallel inverter system, and the arrows indicate its positive polarity. C1 is the DC-link capacitor of module 1, C2 is the DC-link capacitor of module 2, and Udc is the DC output voltage.
Figure 1.
Main power circuit model of two-parallel-inverter system.
2.1. Mechanism of LF-ZSCC
Although the mechanism of the low-frequency ZSCC has been researched [25], in order to explain the control in the next section, the mechanism is also analyzed briefly. In a parallel inverter system, the parallel inverters are connected to the common DC bus and no isolation transformer is installed on the AC side, which provides a ZSCC path with small impedance.
In the LF-ZSCC mechanism analysis, space vector pulse-width modulation (SVPWM) is adopted for the inverter shown in Figure 1. In the SVPWM, the voltage space vectors are composed of adjacent vectors and zero vectors, so the on-time of every bridge arm of the inverter is determined by the amplitude and angle of Vs. As shown in Figure 2, there are two cases: (i) the angle of combined space vectors Vs1 and Vs2 of the two inverters are different, while the amplitudes of |Vs1| and |Vs2| are the same, as shown in Figure 2a; (ii) the combined space vector amplitudes of the two inverters are different, while the angles are the same, as shown in Figure 2b.
Figure 2.
Space vector diagram in sector I. (a) Case i; (b) case ii.
The on-time of the combined voltage vector V1 is T1, the on-time of V2 is T2, and the on-time of the zero-vector V0 is T0,7; the switch cycle is Tn.
Denoting in (1) as m, the on-time of the abc bridge arm of the inverter is t1, t2, and t3, respectively.
It can be seen from (2) that when the combined voltage vectors of the two inverters are in sectors I, II, and III, as the angle θ increases, the on-time of the inverter A-phase becomes larger and then smaller, while the IV, V, and VI sectors become smaller and then larger. Similarly, the on-time change trend of the other two phases can also be obtained.
In Figure 2a, the angle between the combined space vector Vs1 of inverter 1 and the α axis is θ1, the angle between the combined space vector Vs2 of inverter 2 and the α axis is θ2, and the amplitudes of Vs1 and Vs2 are the same. It is easy to obtain that the difference in the on-time of the three-phase bridge arm of the two inverters is Δt11, Δt21, and Δt31.
In Figure 2b, the amplitudes of vectors Vs1 and Vs2 are different, the angle between vectors Vs1 and Vs2 is shown, and the α axis is θ1. The difference in the on-time of the three-phase bridge arm of the two inverters is Δt12, Δt22, and Δt32.
where m1 and m2 are the amplitudes of combined space vectors Vs1 and Vs2, respectively. From (3) and (4), the angle difference in the combined space vector of the two inverters is within 60°, and the direction of the ZSCC in sector I is from module 1 to module 2. In the same way, other angle differences and changes in the circulation in the other sector can also be obtained. When neglecting the influence of the dead time, during the kth switching cycle, the increment of the LF-ZSCC is ΔizL(k):
where k∈{1, 2}; it can clearly be seen that the magnitude of the LF-ZSCC depends on the on-time difference between the same bridge arm of module 1 and module 2, and the larger the on-time difference, the larger the LF-ZCSS.
2.2. Mechanism of HF-ZSCC
In the parallel inverter system, the carrier and modulation waves determine the PWM control signals of the inverters. Due to the difference from the main power circuit parameters of each inverter, the modulation waves for the two parallel inverters may be different, leading to slight inconsistency in the action of the switches.
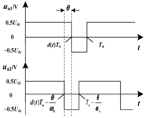
Taking the difference in the independent clock between each inverter into consideration, the carrier phase difference will accumulate with time. When it reaches 180 degrees, the amplitude of the high-frequency ZSCC is at its maximum. In order to reveal the mechanism of the high-frequency ZSCC, the A-phase modulation wave and the carriers of two inverters are analyzed in detail. Figure 3 shows the output voltage when the modulation wave is consistent and the carriers have a phase difference angle of θ.
Figure 3.
A-phase output voltage of two inverters with different carriers.
Ua1 and Ua2 represent the output voltage of the A-phase of inverter 1 and inverter 2, respectively, regarding half DC voltage Udc as the zero reference voltage. (Ua1 − Ua2) represents the output voltage difference in the A-phase of the two inverters; Udc represents the DC voltage; and ih is the circulating current. It can be seen that when there is a difference in the carriers, (Ua1 − Ua2) fluctuates up and down once in a switching cycle, and this voltage difference acts directly on the inductance, resulting in switching frequency or the high-frequency ZSCC iZH.
3. Mathematical Model of Low- and High-Frequency ZSCC
3.1. Mathematical Model of LF-ZSCC
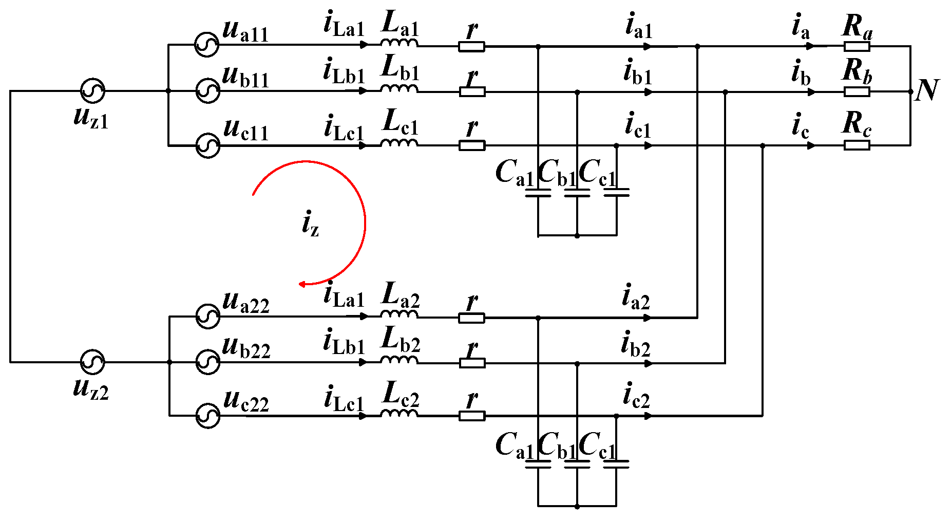
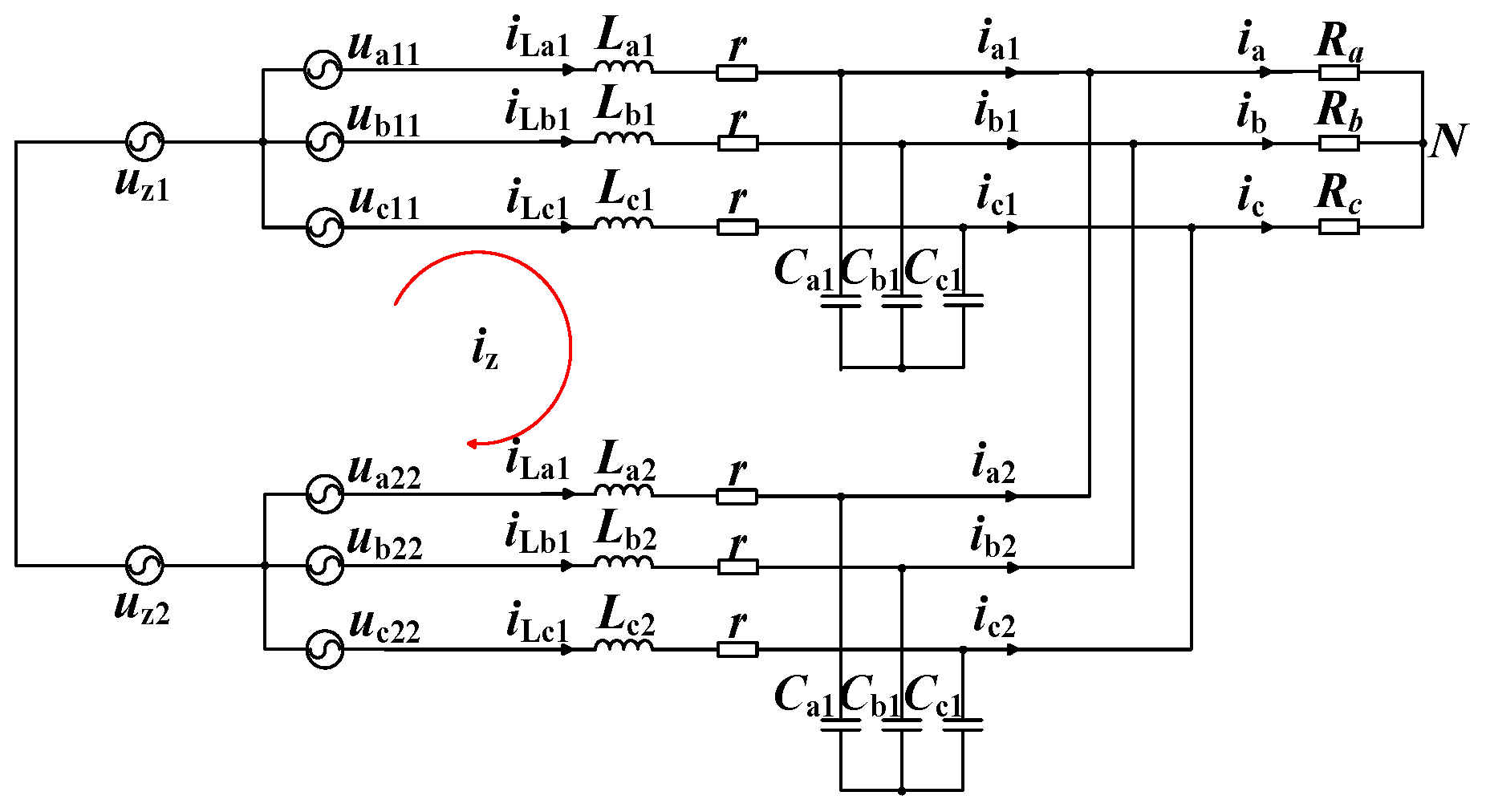
In a switching cycle, because the switching frequency is much larger than the output voltage frequency, each output voltage can be assumed constant as a voltage source in a cycle. Figure 4 shows the simplified equivalent circuit model. ux11 and ux22 (x = a, b, c) represent the equal voltage of the inverter, and uz1 and uz2 are the equivalent zero-sequence voltages of inverter 1 and inverter 2. uk1 and uk2 are the three-phase equivalent voltages of inverter 1 and inverter 2, and ik1 and ik2 are the three-phase inductance currents of inverter 1 and inverter 2.
Figure 4.
Average simplified equivalent circuit model.
According to the three-phase asymmetry theory, the three-phase equivalent voltages uk1 and uk2 of the two inverters are divided into three symmetrical parts and superimposed with zero-sequence voltage, where k = a, b, c, as shown in (6).
The three-phase output current of the two inverters remains unchanged, which is determined via KVL,
where p is a differential operator; superposition of the three equations in (7) obtains the following (8):
where Δuz = uz1 − uz2 is the equivalent ZSVD of each inverter.
Based on the mathematical model, the average equivalent circuit model without LF-ZSCC suppression is constructed in Figure 5. It can be seen that the ZSVD is the main reason for the LF-ZSCC iZL.
Figure 5.
Average equivalent circuit model without LF-ZSCC suppression.
3.2. Mathematical Model of HF-ZSCC
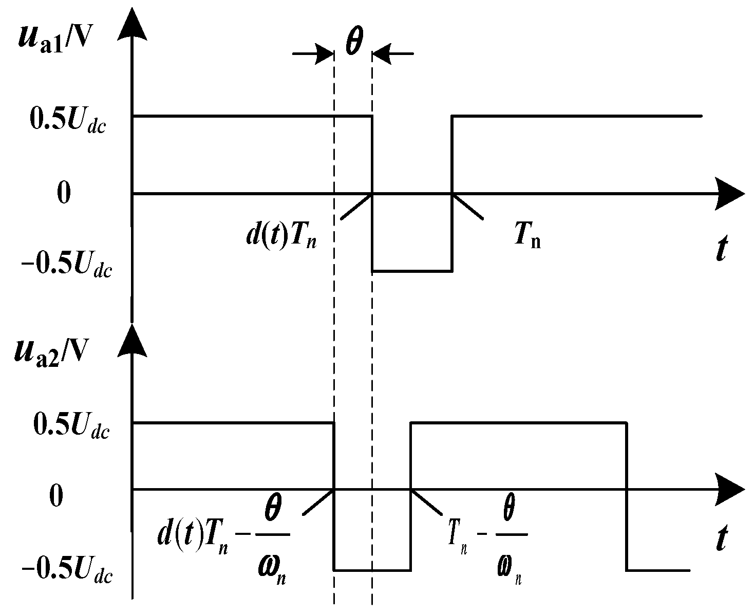
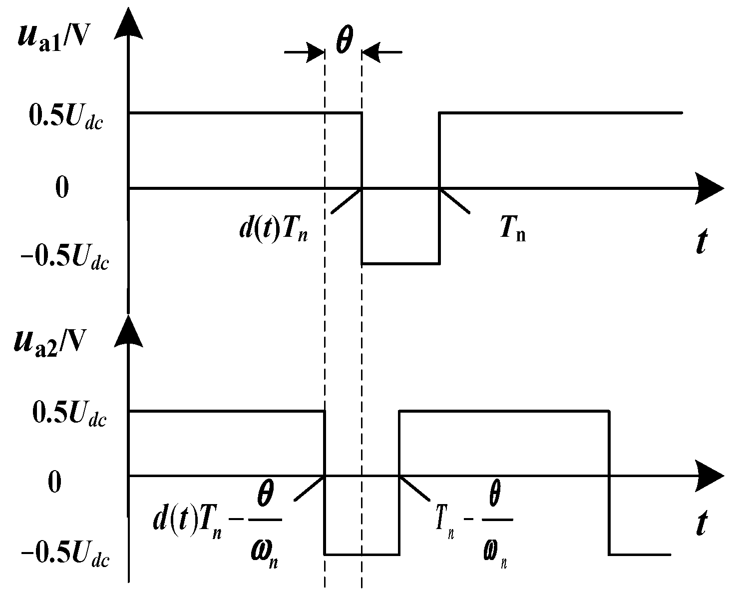
Figure 6 shows the output voltage of the A-phase bridge arm of two inverters in one switching cycle, where d(t) is the duty cycle and Tn is the switching period.
Figure 6.
A-phase bridge arm output voltage of two inverters.
According to Fourier decomposition, the equivalent output voltage of the A-phase bridge arm of the two inverters is obtained,
where ωn is the angular frequency of the harmonics.
From (9), it can be seen that the instantaneous output voltage of the A-phase bridge arm of inverter 1 and inverter 2 is composed of a DC component and switching frequency component. When the instantaneous value of the DC component is not equal, the DC ZSCC will be generated in the parallel system. At the same time, due to the different carrier signals, the component of the switching frequency of the output voltage is also affected. The DC component is disregarded, focusing on processing the switching frequency component using mathematical methods. Using the output voltage of the A-phase of inverter 1 as the reference voltage, the voltage value of the component of the switching frequency can be deduced:
From (10), the equivalent circuit of the switching ZSCC voltage is shown in Figure 7.
Figure 7.
Equivalent circuit model of the HF-ZSCC.
ua1 and ua2 are the instantaneous output voltages of the A-phases of inverter 1 and inverter 2, respectively. Assuming that the filtering parameters of the two inverters are the same, where angular frequency ωf = 2πfs and fs is the switching frequency, L1 is the filtering inductance, L0 is the connection inductance between the two inverters, and iZH is the switching HF-ZSCC. Since iZH = i2 and using the mesh current method, the peak value of the HF-ZSCC is obtained in (11),
According to (6), Figure 8 plots the peak value of the HF-ZSCC as a function of connection inductance Lo and carrier phase difference θ, where L1, Udc, and the other parameters used are listed in Table 1.
Figure 8.
The peak value of HF-ZSCC vs. carrier phase difference θ and connection inductance Lo.
Table 1.
Parameters of the parallel system.
It can be seen that the peak value of the HF-ZSCC increases with the decrease in Lo. With the increase in the carrier phase difference, the peak value of the HF-ZSCC first increases and then decreases, reaching the maximum value when the carrier phase difference is 180°.
4. Composite Suppression Control Strategy
4.1. ZSVD Compensation Method
From (8), it can be seen that the LF-ZSCC can be restrained only when L1 and L2 become very large or uz1 = uz2. Nevertheless, due to the limitation of the system volume, it is not practical to increase the inductance to suppress the low-frequency ZSCC [18]. Therefore, it is an effective method to make the output zero-sequence voltage of two inverters equal to suppress izL, as in the equivalent circuit model with the ZSVD shown in Figure 9.
Figure 9.
Equivalent circuit model of LF-ZCSS iZL suppression with the ZSVD compensation method.
The magnitude of the LF-ZSCC is related to the ZSVD of two inverters and also related to the filter inductance L1 and L2, but not to the load. The LF-ZSCC only flows inside the inverter. In each inverter, the LF-ZSCC is equal but opposite in direction. Only one of the LF-ZSCCs in the multiple inverter system need to be suppressed. Neglecting the effect of equivalent resistance r, the role of the ZSVD is inverter 1, and the compensation value Δuz can be obtained:
In the actual operation, the current ZSCC is used to adjust the duty ratio of the next cycle to suppress the LF-ZSCC. Discretizing (12) obtains
where izL (k + 1) is the ZSCC at k + 1. When setting izL (k + 1) to 0, the ZSVD compensation of each phase is obtained:
After adding ΔUz* to the outputs Ua*, Ub*, and Uc* modulated by the SVPWM modulator, the PWM control signals can be obtained by comparing with the carrier.
4.2. Virtual Inductance Method
The virtual inductance method is proposed to suppress the HF-ZSCC. By constructing a virtual inductor in the controller, when the d-axis inductor current flows through the virtual inductor, an actual inductor voltage drop can be generated, which can increase the suppression ability of the HF-ZSCC. This method can avoid increasing the volume and extra losses caused by the actual inductor.
where Uref and Uref* are the reference voltage with/without a virtual inductor, respectively, and Lv(s) is the virtual inductance.
The mathematical model of the virtual inductor in the three-phase static coordinate system can be obtained:
Transferring to the dq coordinate, (x = d,q) is the inductor current in the dq coordinate.
From the above analysis, the virtual inductor can play the same role as the actual inductor by adjusting the feedback voltage. However, if the value of the virtual inductor is too high, the equivalent voltage drop on the virtual inductor will be too large, and the system will be unstable if the PI controller adjusts the error. Therefore, selecting the appropriate virtual inductance value can ensure the suppression effect of the HF-ZSCC and also ensure the stability of the system.
Because there are positive and negative values in the HF-ZSCC, it is necessary to calculate the average value after taking the absolute value of the HF-ZSCC. After that, this strategy determines the value of virtual inductance by judging whether the average value IzH of the HF-ZSCC decreases or not. In order to obtain the optimal virtual inductance value faster, the flowchart in Figure 10 is used to determine the optimal virtual inductance value. The constants C1 and C2 need to be determined according to the timing of adding the virtual inductor. The purpose of this is to make the HF-ZSCC suppression effect become faster in the early stage of adding the virtual inductor and reduce the increasing speed of the virtual inductor in the later stage so as to obtain the optimal virtual inductor value and obtain the best suppression effect of the HF-ZSCC. In the decision, the measured or calculated average current IzH is compared with the reference current IZH_r. If the IzH < IZH_r, then the ZCSS is suppressed and the flowchart is judged into outputting optimal Lv. On the contrary, it will be in the next Lv iteration.
Figure 10.
Flowchart of the HF-ZSCC suppression of virtual inductance control.
It should be noted that in order to measure or calculate the average current IzH, including the HF-ZCSS, i.e., including inductor current ripple, a high sampling rate is required to measure the current. For example, in the following simulation and the prototype, the inductor current sampling rate is 40 kHz under 10 kHz of switching frequency.
4.3. Composite Suppression Control Strategy
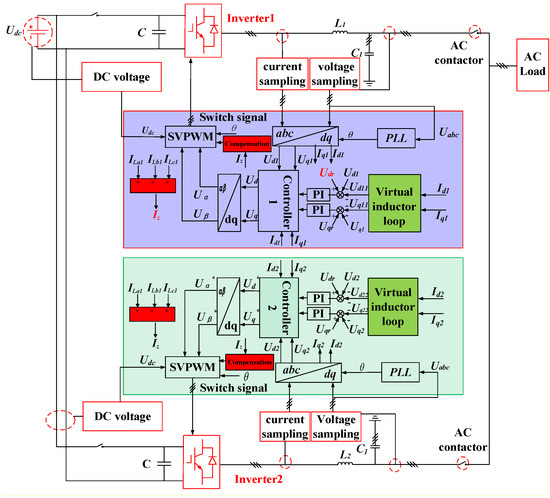
The LF-ZCSS and HF-ZCSS exist in the parallel system at same time, so the ZCSS should be suppressed. In order to suppress the ZCSS, the composite suppression control strategy based on ZSVD compensation and the virtual inductance method are proposed. The LF-ZCSS is suppressed by the ZSVD compensation method, and the HF-ZCSS is suppressed by the virtual inductance method. The control block diagram is shown in Figure 11. In the composite suppression control strategy, ZSVD compensation is added as an input of the SVPWM to regulate the modulation based on Section 2.1, Section 3.1 and Section 4.1, and the virtual inductance method is added in the current control loop based on Section 3.2 and Section 4.2. Although there are only two parallel inverters in the control diagram given, it can be easily extended to much more parallel inverters, as shown in Figure 11.
Figure 11.
Control block diagram of the parallel inverters with the proposed composite suppression strategy.
5. Model and Simulation
5.1. Parameters of Simulink Simulation
In order to verify the feasibility and effectiveness of the ZSCC suppression strategy, a simulation model of the parallel inverters is built in Matlab/Simulink, and the ZSCCs of the two parallel three-phase inverters before and after adopting the suppression strategy are compared. The simulation main power circuit is consistent with Figure 1, and the circuit parameters are shown in Table 1.
5.2. Simulation Results
In Figure 12, the simulated key waveforms and current harmonic contents of two inverters with a carrier phase difference of 180° and inductance difference of 5% between inverter 1 and inverter 2 are given under a total output power of 12 kW. Before 0.03, there is no composite suppression control strategy for zero-sequence voltage difference (ZSVD) compensation and virtual inductance, and after 0.03 s, the composite control strategy is added. The three-phase total output current of the parallel system is iabc, and the three-phase output currents of inverter 1 and inverter 2 are iabc1 and iabc2, respectively. In the simulation, the reference average current IZH_r = 1 A, and the inductor current sampling rate is 40 kHz under 10 kHz of switching frequency. From the simulation, although the peak current is over 1 A, the average current is still less than the reference current of IZH_r = 1 A.

Figure 12.
Key waveforms and current harmonic contents before and after suppression of low- and high-frequency ZSCCs at total output power of 12 kW and output voltage of 220 V. (a) Voltage and current waveforms, (b) A-phase current harmonic contents of inverter 1, (c) A-phase current harmonic contents of inverter 2.
During 0–0.03 s, the A-phase output current total harmonic distortion (THD) of inverter 1 and inverter 2 are 5.39% and 4.75%, respectively, due to the 180° carrier phase difference between the two inverters. It can be seen that the A-phase output current of the two inverters contains a DC component and a low- and high-frequency component, which is caused by the ZSCC, and the ZSCC effective value is 2.82 A.
At 0.03 s, the A-phase output currents of inverter 1 and inverter 2 are reduced to 2.89% and 2.57%, respectively, after adding the composite control strategy of zero-sequence voltage difference (ZSVD) compensation and virtual inductance. It can be seen that the DC component and low- and high-frequency component in the ZSCC are well suppressed, and the effective value of the ZSCC is reduced from 2.82 A to 0.69 A, while the suppression reduction is about 75%.
Because most of the other methods did not provide an accurate ZSCC value before and after suppression, it is difficult to make rigorous comparisons of the suppression effect, and this research does not make comparisons with other methods. In fact, there are also no comparisons with other methods in the research outlined in the references.
6. Experiment Results
In order to verify the proposed ZSCC composite suppression control strategy, a parallel system prototype with two inverters is built with the DSP28335 digital controller and PM75cl1a120 power module based on the parameters outlined in Table 1. The experiment platform is shown in Figure 13. In the prototype, the used sampling rate is 40 kHz under 10 kHz of switching frequency. The average ZCSS current is calculated once every 25 switching periods, i.e., the suppression control frequency is 10 kHz/25 = 0.4 kHz. The executing time is about 1 us excluding the iteration program in the flowchart shown in Figure 10, and the total execution time of the whole control program is about 55 us.
Figure 13.
Experimental platform.
Figure 14 shows the key waveforms and current harmonic contents of the parallel inverters with no ZCSS suppression control and with the proposed composite suppression control strategy. The total output power of the parallel inverter in this test is 6 kW, which differs from the 12 kW simulation output power shown in Figure 12. This discrepancy occurs because inverter 1 operates above its rated 6 kW capacity without ZCSS suppression. From Figure 14a, it can be seen that the RMS of the ZSCC is 1.74 A, the output currents of the A-phase of the inverters are ia1 = 5.13 A and ia2 = 4.18 A, and the current iTHD is 9.63% and 7.26%, respectively, i.e., each parallel inverter outputs different power. After adding the proposed ZSCC suppression strategy, from Figure 14b, it can be seen that the RMS of the ZSCC is 0.95 A, the output currents of the A-phase of the inverters are ia1 = 4.66 A and ia2 = 4.65 A, and the current iTHD is 4.25% and 4.04%, respectively. The ZSCC is effectively suppressed by about 45%, and each of the parallel inverters operates with approximately the same output power.
Figure 14.
Key waveforms and current harmonic contents of the parallel inverters at a total output power of 6 kW. (a) Key waveforms with no ZCSS suppression; (b) key waveforms with the composite suppression control strategy. (c) A-phase current harmonic contents of inverter 1. (d) A-phase current harmonic contents of inverter 2.
Figure 15 shows the key waveforms of the parallel inverters with the proposed composite suppression control strategy under step load change. The total output power of the parallel inverter ranges from 6 kW to 12 kW, i.e., each of the parallel inverters operates under a full load of 6 kW at a total output power of 12 kW. In Figure 15b, the output currents of the A-phase of the inverters are ia1 = 4.68 A and ia2 = 4.62 A, and the current iTHD is 3.8% and 3.5%, respectively, at a total output power of 6 kW. In Figure 15c, ia1 = 9.32 A and ia2 = 9.26 A, and the current iTHD is 2.82% and 2.56%, respectively, at a total output power of 12 kW. From Figure 15d, it can be seen that the response time is limited to one cycle and steady. During the whole operation time, the ZSCC stays constant at approximately 0.85 A. The experiments show that the proposed composite control strategy achieves effective suppression on the ZCSS and good adaption under step load change. It can also be seen that there are two change scenarios since there are two large current transients in Figure 15d. This change scenarios happened because the rheochord was used as the AC load shown in Figure 13, and in the step load change experiment, the rheochord load of the three phases could not be precisely changed at the same time by manual operation. The second transient current was caused by A-phase load change.

Figure 15.
Key waveforms of the parallel inverters with the composite suppression control strategy at step load change. (a) During the whole time; (b) at total output power of 6 kW; (c) at total output power of 12 kW; (d) at step load change.
The efficiency of the parallel inverters with the proposed ZCSS composite suppression control strategy was also tested, as given in Figure 16. The efficiency test aims to show that the designed two parallel inverters can operate steadily, and efficiency is one of the key parameters of the inverter. The tested efficiency will further validate the inverter’s performance. If there exists a high ZSCC in the parallel inverters, it will cause each inverter to have unequal output power. Because the inverter efficiency varies with output power, the efficiency will be affected. In the worst case, it may cause some of the parallel inverters to operate with overload, wherein the efficiency will be affected greatly. In our experiments, the designed rated output power of each inverter is 6 kW. When the total output power is above 10 kW without the proposed ZCSS composite suppression control strategy, inverter 1 will operate over 6 kW with overload due to the ZCSS effect; then, the efficiency cannot be tested. Thus, only the efficiency with the proposed ZCSS suppression is provided, and the efficiency without ZSCC suppression cannot be provided.
Figure 16.
Inverter efficiency curve with the proposed ZCSS composite suppression control strategy.
7. Conclusions
The circulating current negatively affects the parallel system efficiency and stability. The composite control strategy of the ZSVD compensation and virtual inductance is proposed to suppress the low- and high-frequency ZSCC. In the proposed composite control strategy, the LF-ZCSS is suppressed by the ZSVD compensation method, and the HF-ZCSS is suppressed by the virtual inductance method. The experiments of a parallel system prototype composed of the two 6 kW inverters show that the RMS of the ZSCC of the parallel system is reduced by 45% and has good adaption under step load change, which verifies the effectiveness of the proposed composite control strategy. The proposed suppression control strategy can effectively improve the reliability and redundancy of parallel inverter systems.
Author Contributions
Methodology, Y.F., L.T., X.W., X.C. and Z.F.; Validation, J.Z.; Investigation, X.W.; Resources, S.H.; Writing—review & editing, Y.F.; Supervision, X.M. All authors have read and agreed to the published version of the manuscript.
Funding
This research was funded by Fujian Natural Science Foundation (2023J01967).
Data Availability Statement
Data is contained within the article.
Conflicts of Interest
S.H. was employed by Tongce Technology Co., Ltd. The remaining authors declare that the research was conducted in the absence of any commercial or financial relationships that could be construed as a potential conflict of interest.
References
- Shuai, H.; Li, F.; Pulgar-Painemal, H.; Xue, Y. Branching Dueling Q-Network-Based Online Scheduling of a Microgrid with Distributed Energy Storage Systems. IEEE Trans. Smart Grid 2021, 12, 5479–5482. [Google Scholar] [CrossRef]
- Nunna, H.S.V.S.K.; Sesetti, A.; Rathore, A.K.; Doolla, S. Multiagent-Based Energy Trading Platform for Energy Storage Systems in Distribution Systems with Interconnected Microgrids. IEEE Trans. Ind. Appl. 2020, 56, 3207–3217. [Google Scholar] [CrossRef]
- Wu, T.; Yu, L.; Huang, Y.; Jhang, Y.; Zeng, B. SPWM-Based Direct Digital Control with Average-Voltage Model and D–Σ Process for Paralleled 3φ3W Grid-Connected Converters to Reduce Circulating Currents. IEEE Trans. Ind. Electron. 2019, 66, 4436–4446. [Google Scholar] [CrossRef]
- Zorig, A.; Barkat, S.; Belkheiri, M.; Rabhi, A.; Blaabjerg, F. Novel Differential Current Control Strategy Based on a Modified Three-Level SVPWM for Two Parallel-Connected Inverters. IEEE J. Emerg. Sel. Top. Power Electron. 2017, 4, 1807–1818. [Google Scholar] [CrossRef]
- Sowa, I.; Monti, A. Communication-Based Distributed Consensus Control Supported by High-Reporting Rate Meters in Islanded Microgrids. IEEE Trans. Ind. Appl. 2024, 60, 5119–5129. [Google Scholar] [CrossRef]
- Li, Z.; Cheng, Z.; Si, J.; Xu, S. Distributed Event-Triggered Hierarchical Control of PV Inverters to Provide Multi-Time Scale Frequency Response for AC Microgrid. IEEE Trans. Power Syst. 2023, 38, 1529–1542. [Google Scholar] [CrossRef]
- Silva, G.F.; Donaire, A.; Seron, M.M.; McFadyen, A.; Ford, J. String Stability in Microgrids Using Frequency Controlled Inverter Chains. IEEE Control Syst. Lett. 2022, 6, 1484–1489. [Google Scholar] [CrossRef]
- Sadeque, F.; Gursoy, M.; Mirafzal, B. Grid-Forming Inverters in a Microgrid: Maintaining Power During an Outage and Restoring Connection to the Utility Grid Without Communication. IEEE Trans. Ind. Electron. 2024, 71, 11796–11805. [Google Scholar] [CrossRef]
- Simanjorang, R.; Miura, Y.; Ise, T.; Sugimoto, S.; Fujita, H. Application of Series Type BTB Converter for Minimizing Circulating Current and Balancing Power Transformers in Loop Distribution Lines. In Proceedings of the 2007 Power Conversion Conference—Nagoya, Nagoya, Japan, 2–5 April 2007; pp. 997–1004. [Google Scholar]
- Wang, F.; Wang, Y.; Gao, Q.; Wang, C.; Liu, Y. A Control Strategy for Suppressing Circulating Currents in Parallel-Connected PMSM Drives With Individual DC Links. IEEE Trans. Power Electron. 2016, 2, 1680–1691. [Google Scholar] [CrossRef]
- Liu, T.; Chen, A.; Huang, Y. Multivector Model Predictive Current Control for Paralleled Three-Level T-Type Inverters with Circulating Current Elimination. IEEE Trans. Ind. Electron. 2023, 70, 8042–8052. [Google Scholar] [CrossRef]
- Matsui, K.; Murai, Y.; Watanabe, M.; Kaneko, M.; Ueda, F. A pulsewidth-modulated inverter with parallel connected transistors using current-sharing reactors. IEEE Trans. Power Electron. 1993, 2, 186–191. [Google Scholar] [CrossRef]
- Laka, A.; Barrena, J.A.; Chivite-Zabalza, J.; Vidal, M.A.R.; Calvo, G. Novel Zero-Sequence Blocking Transformer (ZSBT) Using Three Single-Phase Transformers. IEEE Trans. Energy Convers. 2013, 1, 234–242. [Google Scholar] [CrossRef]
- Du, C.; Cai, W.; Zhao, L.; Chen, Z.; Chen, B.; Gao, F. Improved Finite-Time Control for Circulating Current Suppression of Multiparalleled Rectifiers. IEEE J. Emerg. Sel. Top. Power Electron. 2023, 11, 2767–2779. [Google Scholar] [CrossRef]
- Wu, H.; Wang, X. Dynamic Impact of Zero-Sequence Circulating Current on Modular Multilevel Converters: Complex-Valued AC Impedance Modeling and Analysis. IEEE J. Emerg. Sel. Top. Power Electron. 2020, 8, 1947–1963. [Google Scholar] [CrossRef]
- Prasad, J.S.S.; Ghosh, R.; Narayanan, G. Common-Mode Injection PWM for Parallel Converters. IEEE Trans. Ind. Electron. 2015, 2, 789–794. [Google Scholar] [CrossRef]
- Bella, S. Circulating Currents Control for Parallel Grid-Connected Three-Phase Inverters. In Proceedings of the 2018 International Conference on Electrical Sciences and Technologies in Maghreb (CISTEM), Algiers, Algeria, 28–31 October 2018; pp. 1–5. [Google Scholar]
- Jiang, C.; Quan, Z.; Zhou, D.; Li, Y. A Centralized CB-MPC to Suppress Low-Frequency ZSCC in Modular Parallel Converters. IEEE Trans. Ind. Electron. 2021, 68, 2760–2771. [Google Scholar] [CrossRef]
- Ma, H.; Lin, Z.; Dong, L.; Guo, Q. Modeling and analysis of switching frequency circulating current in three-phase parallel inverters. In Proceedings of the 2014 IEEE 23rd International Symposium on Industrial Electronics (ISIE), Istanbul, Turkey, 1–4 June 2014; pp. 568–573. [Google Scholar]
- Xu, S.; Cao, W.; Liu, K.; Wang, S.; Zhao, J. Analysis and Control of Switching Circulating Currents in Multi-Module Parallel SPWM Converters. IEEE Access 2018, 6, 32637–32648. [Google Scholar] [CrossRef]
- Dong, L.; Zhang, Y.; Wen, C.; Zhao, X. Research on the Switched-circulating-current of Parallel Inverter System. Power Electron. 2012, 46, 33–35. [Google Scholar]
- Zeng, Z.; Li, Z.; Goetz, S.M. Optimal Discontinuous Space Vector PWM for Zero-Sequence-Circulating Current Reduction in Two Paralleled Three-Phase Two-Level Converter. IEEE Trans. Ind. Electron. 2021, 68, 1252–1262. [Google Scholar] [CrossRef]
- Xia, Y.; Zou, J.; Li, K.; Xu, C.; Shi, F. Circulating Current Inhibition of Parallel Converters with Carrier Phase-shifting in Microgrid. High Volt. Eng. 2019, 45, 855–862. [Google Scholar]
- Bao, X.; Zhuo, F.; Liu, B.; Tian, Y. Suppressing Switching Frequency Circulating Current in Parallel Inverters with Carrier Phase-Shifted SPWM technique. In Proceedings of the 2012 IEEE International Symposium on Industrial Electronics, Hangzhou, China, 28–31 May 2012; pp. 555–559. [Google Scholar]
- Jiang, W.; Ma, W.; Wang, J.; Wang, W.; Zhang, X.; Wang, L. Suppression of Zero Sequence Circulating Current for Parallel Three-Phase Grid-Connected Converters Using Hybrid Modulation Strategy. IEEE Trans. Ind. Electron. 2018, 65, 3017–3026. [Google Scholar] [CrossRef]
Disclaimer/Publisher’s Note: The statements, opinions and data contained in all publications are solely those of the individual author(s) and contributor(s) and not of MDPI and/or the editor(s). MDPI and/or the editor(s) disclaim responsibility for any injury to people or property resulting from any ideas, methods, instructions or products referred to in the content. |
© 2024 by the authors. Licensee MDPI, Basel, Switzerland. This article is an open access article distributed under the terms and conditions of the Creative Commons Attribution (CC BY) license (https://creativecommons.org/licenses/by/4.0/).

















