A Model-Driven Approach for Estimating the Energy Performance of an Electric Vehicle Used as a Taxi in an Intermediate Andean City
Abstract
1. Introduction
2. Literature Review
3. Contribution and Novelty of the Study
4. Materials and Methods
4.1. Experimental Unit and Data Acquisition Method
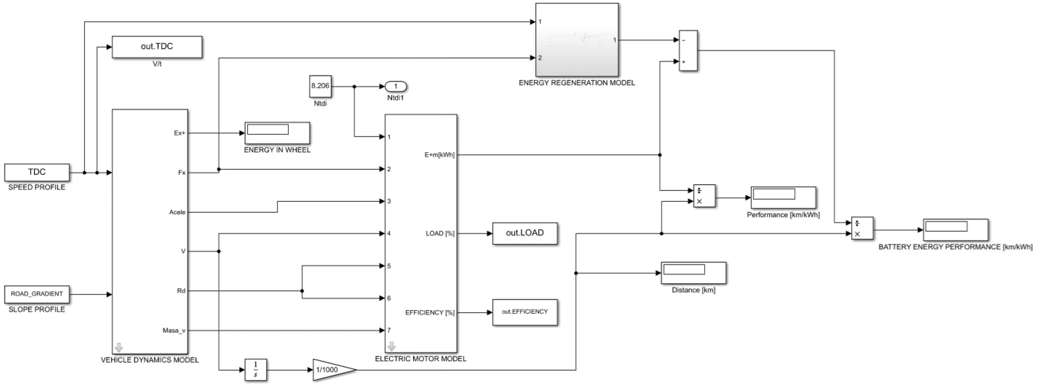
4.2. Model
4.2.1. Longitudinal Dynamics of the Vehicle
4.2.2. Torque, Power, and Wheel Energy

4.2.3. Power and Discharge Energy
4.2.4. Energy Regeneration
4.3. Methodology for Defining the TDC
5. Results and Discussion
5.1. General Performance of the Electric Cab in Its Working Day
5.2. Definition of the TDC of the Electric Cab in a Running Condition
5.3. Validation of the BEV Energy Efficiency Model
6. Conclusions
Author Contributions
Funding
Data Availability Statement
Conflicts of Interest
Appendix A

References
- Jonas, T.; Hunter, C.; Macht, G. Quantifying the impact of traffic on the energy consumption of electric vehicles. World Electr. Veh. J. 2022, 13, 15. [Google Scholar] [CrossRef]
- Huber, D.; De Clerck, Q.; De Cauwer, C.; Sapountzoglou, N.; Coosemans, T.; Messagie, M. Vehicle to Grid Impacts on the Total Cost of Ownership for Electric Vehicle Drivers. World Electr. Veh. J. 2021, 12, 236. [Google Scholar] [CrossRef]
- Omahne, V.; Knez, M.; Obrecht, M. Social Aspects of Electric Vehicles Research–Trends and Relations to Sustainable Development Goals. World Electr. Veh. J. 2021, 12, 15. [Google Scholar] [CrossRef]
- Gustafsson, M.; Svensson, N.; Eklund, M.; Fredriksson, B. Well-to-wheel climate performance of gas and electric vehicles in Europe. Transp. Res. Part D 2021, 97, 102911. [Google Scholar] [CrossRef]
- Daina, N.; Sivakumar, A.; Polak, J.W. Modelling electric vehicles use: A survey on the methods. Renew. Sustain. Energy Rev. 2017, 68, 447–460. [Google Scholar] [CrossRef]
- Ajanovic, A.; Haas, R. Dissemination of electric vehicles in urban areas: Major factors for success. Energy 2016, 115, 1451–1458. [Google Scholar] [CrossRef]
- IEA. Global EV Outlook 2021. Available online: https://www.iea.org/reports/global-ev-outlook-2021 (accessed on 16 September 2023).
- Guerrero, J.D.; Bhattarai, B.; Shrestha, R.; Acker, T.L.; Castro, R. Integrating electric vehicles into power system operation production cost models. World Electr. Veh. J. 2021, 12, 263. [Google Scholar] [CrossRef]
- Ye, F.; Kang, W.; Li, L.; Wang, Z. Why do consumers choose to buy electric vehicles? A paired data analysis of purchase intention configurations. Transp. Res. Part A 2021, 47, 14–27. [Google Scholar] [CrossRef]
- IEA. Global EV Outlook 2023. Available online: https://iea.blob.core.windows.net/assets/dacf14d2-eabc-498a-8263-9f97fd5dc327/GEVO2023.pdf (accessed on 21 October 2024).
- Capuder, T.; Miloš Sprčić, D.; Zoričić, D.; Pandžić, H. Review of challenges and assessment of electric vehicles integration policy goals: Integrated risk analysis approach. Int. J. Electr. Power Energy Syst. 2020, 119, 105894. [Google Scholar] [CrossRef]
- Febransyah, A. Predicting Purchase Intention towards Battery Electric Vehicles: A Case of Indonesian Market. World Electr. Veh. J. 2021, 12, 240. [Google Scholar] [CrossRef]
- AEADE. Anuario 2023. Available online: https://www.aeade.net/sdm_downloads/anuario-2023/ (accessed on 22 October 2024).
- Clairand, J.; González, M. What Is the Level of People’s Acceptance for Electric Taxis and Buses? Exploring Citizens’ Perceptions of Transportation Electrification to Pay Additional Fees. World Electr. Veh. J. 2022, 13, 3. [Google Scholar] [CrossRef]
- Jaramillo, W. Taxis eléctricos en la ciudad de Loja-Ecuador. Espacios 2019, 40, 18. [Google Scholar]
- Díaz, J.; Castillo-Calderón, J. Estimación del indicador kilómetro vehículo recorrido (KVR) mediante ecuaciones lineales y sus aplicaciones en consumos energéticos de transporte. Inf. Tecnológica 2021, 32, 239–254. [Google Scholar] [CrossRef]
- Sierra, J.C. Estimating road transport fuel consumption in Ecuador. Energy Policy 2016, 92, 359–368. [Google Scholar] [CrossRef]
- MERNNR. Balance Energético Nacional 2020. Available online: https://www.ambiente.gob.ec/wp-content/uploads/downloads/2021/09/Balance-Energetico-Nacional-2020-Web.pdf (accessed on 10 October 2023).
- Icaza, D.; Borge-Diez, D.; Pulla, S. Analysis and proposal of energy planning and renewable energy plans in South America: Case study of Ecuador. Renew. Energy 2022, 182, 314–342. [Google Scholar] [CrossRef]
- Arévalo, P.; Cano, A.; Benavides, D.; Aguado, J.; Jurado, F. Energy transition in Ecuador, a proposal to improve the growth of renewable energy and storage systems in a developing country. In Energy Efficiency of Modern Power and Energy Systems; Elsevier: Amsterdam, The Netherlands, 2024; pp. 19–31. [Google Scholar] [CrossRef]
- Icaza, D.; Jurado, F.; Tostado-Véliz, M. Long-term planning for the integration of electric mobility with 100% renewable energy generation under various degrees of decentralization: Case study Cuenca, Ecuador. Energy Rep. 2023, 9, 4816–4829. [Google Scholar] [CrossRef]
- Arévalo, P.; Tostado-Véliz, M.; Montaleza, C.; Jurado, F. Integration of renewable energies and electric vehicles in interconnected energy systems. In Sustainable Energy Planning in Smart Grids; Elsevier: Amsterdam, The Netherlands, 2024; pp. 351–359. [Google Scholar] [CrossRef]
- Castro, P.; Vidoza, J.; Gallo, W. Analysis and projection of energy consumption in Ecuador: Energy efficiency policies in the transportation sector. Energy Police 2019, 134, 110948. [Google Scholar] [CrossRef]
- IEA. Energy Technology Perspectives 2020. Available online: https://iea.blob.core.windows.net/assets/7f8aed40-89af-4348-be19-c8a67df0b9ea/Energy_Technology_Perspectives_2020_PDF.pdf (accessed on 15 October 2023).
- Moeletsi, M.E. Socio-Economic Barriers to Adoption of Electric Vehicles in South Africa: Case Study of the Gauteng Province. World Electr. Veh. J. 2021, 12, 167. [Google Scholar] [CrossRef]
- Diario Crónica. A Los Taxis Eléctricos Pueden Cambiarlos a Convencionales Tras Aprobación de Reforma. Available online: https://cronica.com.ec/2022/07/14/a-los-taxis-electricos-pueden-cambiarlos-a-convencionales-tras-aprobacion-de-reforma/ (accessed on 17 October 2023).
- Sun, D.; Zheng, Y.; Duan, R. Energy consumption simulation and economic benefit analysis for urban electric commercial-vehicles. Transp. Res. Part D Transp. Environ. 2021, 101, 103083. [Google Scholar] [CrossRef]
- Xie, Y.; Li, Y.; Zhao, Z.; Dong, H.; Wang, S.; Liu, J.; Guan, J.; Duan, X. Microsimulation of electric vehicle energy consumption and driving range. Appl. Energy 2020, 267, 115081. [Google Scholar] [CrossRef]
- Wager, G.; Whale, J.; Braunl, T. Driving electric vehicles at highway speeds: The effect of higher driving speeds on energy consumption and driving range for electric vehicles in Australia. Renew. Sustain. Energy Rev. 2016, 63, 158–165. [Google Scholar] [CrossRef]
- Miri, I.; Fotouhi, A.; Ewin, N. Electric vehicle energy consumption modelling and estimation—A case study. Int. J. Energy Res. 2020, 45, 501–520. [Google Scholar] [CrossRef]
- Fiori, C.; Ahn, K.; Rakha, H.A. Power-based electric vehicle energy consumption model: Model development and validation. Appl. Energy 2016, 168, 257–268. [Google Scholar] [CrossRef]
- Gołȩbiewski, W.; Lisowski, M. Theoretical analysis of electric vehicle energy consumption according to different driving cycles. IOP Conf. Ser. Mater. Sci. Eng. 2018, 421, 022010. [Google Scholar] [CrossRef]
- Jimenez, F.; Amarillo, J.C.; Naranjo, J.E.; Serradilla, F.; Diaz, A. Energy Consumption Estimation in Electric Vehicles Considering Driving Style. In Proceedings of the IEEE 18th International Conference on Intelligent Transportation Systems, Gran Canaria, Spain, 15–18 September 2015; pp. 101–106. [Google Scholar] [CrossRef]
- Wu, X.; Freese, D.; Cabrera, A.; Kitch, W.A. Electric vehicles’ energy consumption measurement and estimation. Transp. Res. Part D Transp. Environ. 2015, 34, 52–67. [Google Scholar] [CrossRef]
- Zhang, R.; Yao, E. Electric vehicles’ energy consumption estimation with real driving condition data. Transp. Res. Part D Transp. Environ. 2015, 41, 177–187. [Google Scholar] [CrossRef]
- Yuan, X.; Zhang, C.; Hong, G.; Huang, X.; Li, L. Method for evaluating the real-world driving energy consumptions of electric vehicles. Energy 2017, 141, 1955–1968. [Google Scholar] [CrossRef]
- Diaz, J.; Guillén, J.; Arroyo, D.; Maks, M. Performance Evaluation of an Electric Vehicle in Real Operating Conditions of Quito, Ecuador. In Proceedings of the 4th International Congress of Automotive and Transport Engineering (AMMA), Cluj-Napoca, Romania, 17–19 October 2018; pp. 328–337. [Google Scholar] [CrossRef]
- Merchán, J.; Gonzalez, L.; Espinoza, J. Energy Efficiency of an Electric Vehicle in a Latin American Intermediate City. In Proceedings of the 2018 International Conference on Smart Energy Systems and Technologies (SEST), Seville, Spain, 10–12 September 2018; pp. 1–6. [Google Scholar] [CrossRef]
- Cordero-Moreno, D.; Davalos, D.; Coello, M.; Rockwood, R. Proposed criteria to determine typical vehicular driving cycles using minimum weighted differences. WIT Trans. Built Environ. 2017, 176, 329–337. [Google Scholar]
- REGLAMENTO (UE) 2016/646. Emisiones Procedentes de Turismos y Vehículos Comerciales Ligeros. Available online: https://www.boe.es/buscar/doc.php?id=DOUE-L-2016-80714 (accessed on 30 October 2023).
- Valladolid, J.D.; Patino, D.; Gruosso, G.; Correa-Flórez, C.A.; Vuelvas, J.; Espinoza, F. A novel energy-efficiency optimization approach based on driving patterns styles and experimental tests for electric vehicles. Electronics 2021, 10, 1199. [Google Scholar] [CrossRef]
- Valladolid, J.D.; Albarado, R.; Mallahuari, D.; Patiño, D. Experimental Performance Evaluation of Electric Vehicles (EV) Based on Analysis of Power and Torque Losses. In Proceedings of the 2020 IEEE International Conference on Industrial Technology (ICIT), Buenos Aires, Argentina, 26–28 February 2020; pp. 933–938. [Google Scholar] [CrossRef]
- NTE INEN 1323:2009. Vehículos Automotores. Carrocerías de Buses. Requisitos, 2009. Available online: https://es.scribd.com/document/94426733/Norma-Tecnica-Ecuatoriana-NTE-INEN-1-323-2009 (accessed on 17 November 2023).
- GPS Visualizer. Available online: https://www.gpsvisualizer.com/ (accessed on 25 November 2023).
- Automobile Catalog. Kia Soul EVengine Horsepower/Torque Curve. Available online: https://www.automobile-catalog.com/curve/2019/2910245/kia_soul_ev.html (accessed on 29 November 2023).
- Maamria, D.; Gillet, K.; Colin, G.; Chamaillard, Y.; Nouillant, C. Computation of eco-driving cycles for Hybrid Electric Vehicles: Comparative analysis. Control Eng. Pract. 2018, 71, 44–52. [Google Scholar] [CrossRef]
- Nault, E.; Colin, G.; Gillet, K.; Chamaillard, Y.; Zerar, M.; Dollinger, N.; Nouillant, C. Towards an Analytical Eco-Driving Cycle Computation for Conventional Cars. IFAC (Int. Fed. Autom. Control.) 2019, 52, 550–555. [Google Scholar] [CrossRef]
- Perrotta, D.; Ribeiro, B.; Rossetti, R.J.; Afonso, J.L. On the potential of regenerative braking of electric buses as a function of their itinerary. Procedia Soc. Behav. Sci. 2012, 54, 1156–1167. [Google Scholar] [CrossRef]
- Dridi, S.; Ben Salem, I.; El Amraoui, L. Dynamic modeling of nonlinear longitudinal automotive system using graphically based. In Proceedings of the 7th International Conference on Sciences of Electronics, Technologies of Information and Telecommunications (SETIT), Hammamet, Tunisia, 18–20 December 2016; pp. 349–354. [Google Scholar]
- Sankar, S.S.; Xia, Y.; Carmai, J.; Koetniyom, S. Optimal eco-driving cycles for conventional vehicles using a genetic algorithm. Energies 2020, 13, 4362. [Google Scholar] [CrossRef]
- Gao, Z.; Lin, Z.; LaClair, T.J.; Liu, C.; Li, J.-M.; Birky, A.K.; Ward, J. Battery capacity and recharging needs for electric buses in city transit service. Energy 2017, 122, 588–600. [Google Scholar] [CrossRef]
- Yang, S.C.; Li, M.; Lin, Y.; Tang, T.Q. Electric vehicle’s electricity consumption on a road with different slope. Phys. A Stat. Mech. Its Appl. 2014, 402, 41–48. [Google Scholar] [CrossRef]
- Yang, S.; Deng, C.; Tang, T.; Qian, Y. Electric vehicle’s energy consumption of car-following models. Nonlinear Dyn. 2013, 71, 323–329. [Google Scholar] [CrossRef]
- Huertas, J.; Díaz, J.; Cordero, D.; Cedillo, K. A new methodology to determine typical driving cycles for the design of vehicles power trains. Int. J. Interact. Des. Manuf. 2017, 12, 319–326. [Google Scholar] [CrossRef]
- EV Database. Kia e-Soul. Available online: https://ev-database.org/car/1289/Kia-e-Soul-39-kWh (accessed on 9 December 2023).
- Zhao, X.; Ye, Y.; Ma, J.; Shi, P.; Chen, H. Construction of electric vehicle driving cycle for studying electric vehicle energy consumption and equivalent emissions. Environ. Sci. Pollut. Res. 2020, 27, 37395–37409. [Google Scholar] [CrossRef]
- Sun, Z.; Wen, Z.; Zhao, X.; Yang, Y.; Li, S. Real-world driving cycles adaptability of electric vehicles. World Electr. Veh. J. 2020, 11, 19. [Google Scholar] [CrossRef]
























| Ref. | Methods/Software | Standardized Driving Cycles | Real-World Driving Conditions | Definition of TDC | Considers Slope Profile |
|---|---|---|---|---|---|
| [27] | Microtrips, simulation in Advisor software | • | • | ||
| [28] | Digital twins, GT-Suite software | • | |||
| [1] | Statistical regressions, R software and Python | • | |||
| [29] | Longitudinal dynamic model | • | |||
| [30] | Integral propulsion system model and longitudinal dynamics, MATLAB/Simulink | • | |||
| [31] | Power-based EV energy consumption model (CPEM). | • | |||
| [32] | Numerical model based on the vehicle’s technical and operational parameters | • | |||
| [33] | Artificial neural networks | • | • | ||
| [34] | Analytical model for estimating instantaneous power and energy, Microsoft Excel. | • | • | • | |
| [35] | Polynomial model, SPSS software. | • | • | ||
| [36] | Statistical method based on physics. | • | • Gasoline-powered vehicles | • | |
| [37] | SoC measurement from dashboard, total travel distance and vehicle speed via GPS. | • | • | ||
| [38] | Statistical correlation | • | • | • | |
| This article | Model-driven approach for estimating instantaneous power and energy; deterministic method of Minimum weighted differences of the characteristic parameters (MWD-CP), MATLAB/Simulink. | • | • Cab racing only | • |
| Variable | Description | Value | Unit |
|---|---|---|---|
| Rolling resistance coefficient | 0.017 [41] | − | |
| Gravity | 9.81 | m/s2. | |
| Aerodynamic coefficient | 0.35 [41] | − | |
| Front area of the vehicle | 2.3 [41] | m2 | |
| Air density | 0.88 | kg/m3; |
| Day | Ride | ∑ | ||||
|---|---|---|---|---|---|---|
| 11 | 5 | 3.48 | 27.82 | 19.22 | 49.48 | 0.25 |
| Designation | Value | Unit |
|---|---|---|
| Duration | 548 | [s] |
| Distance | 3.4 | [km] |
| Average speed | 22.32 | [km/h] |
| Maximum speed | 45 | [km/h] |
| Proportion of idle time | 22.40 | [%] |
| Proportion of cruising | 16.58 | [%] |
| Proportion of time accelerating | 35.88 | [%] |
| Proportion of time decelerating | 25.14 | [%] |
| Day | Ride | ∑ | ||||
|---|---|---|---|---|---|---|
| 5 | 2 | 2.92 | 19 | 23.44 | 54.63 | 23.13 |
Disclaimer/Publisher’s Note: The statements, opinions and data contained in all publications are solely those of the individual author(s) and contributor(s) and not of MDPI and/or the editor(s). MDPI and/or the editor(s) disclaim responsibility for any injury to people or property resulting from any ideas, methods, instructions or products referred to in the content. |
© 2024 by the authors. Licensee MDPI, Basel, Switzerland. This article is an open access article distributed under the terms and conditions of the Creative Commons Attribution (CC BY) license (https://creativecommons.org/licenses/by/4.0/).
Share and Cite
Castillo-Calderón, J.; Cordero-Moreno, D.; Larrodé Pellicer, E. A Model-Driven Approach for Estimating the Energy Performance of an Electric Vehicle Used as a Taxi in an Intermediate Andean City. Energies 2024, 17, 6053. https://doi.org/10.3390/en17236053
Castillo-Calderón J, Cordero-Moreno D, Larrodé Pellicer E. A Model-Driven Approach for Estimating the Energy Performance of an Electric Vehicle Used as a Taxi in an Intermediate Andean City. Energies. 2024; 17(23):6053. https://doi.org/10.3390/en17236053
Chicago/Turabian StyleCastillo-Calderón, Jairo, Daniel Cordero-Moreno, and Emilio Larrodé Pellicer. 2024. "A Model-Driven Approach for Estimating the Energy Performance of an Electric Vehicle Used as a Taxi in an Intermediate Andean City" Energies 17, no. 23: 6053. https://doi.org/10.3390/en17236053
APA StyleCastillo-Calderón, J., Cordero-Moreno, D., & Larrodé Pellicer, E. (2024). A Model-Driven Approach for Estimating the Energy Performance of an Electric Vehicle Used as a Taxi in an Intermediate Andean City. Energies, 17(23), 6053. https://doi.org/10.3390/en17236053

