Next Article in Journal
Design and Simulation of a Novel Modular Converter-Transformer for AC/DC, DC/AC and DC/DC Operations
Previous Article in Journal
Productivity Model for Multi-Fractured Horizontal Wells with Complex Fracture Networks in Shale Oil Reservoirs Considering Fluid Desorption and Two-Phase Behavior
 
 
Font Type:
Arial Georgia Verdana
Font Size:
Aa Aa Aa
Line Spacing:
Column Width:
Background:
Article

Importance Evaluation of Power Grid Transmission Lines Based on Multidimensional Information Feature Mapping

1
State Grid Zhejiang Electric Power Economic and Technological Research Institute, Hangzhou 310053, China
2
State Key Laboratory of Power Transmission Equipment & System Security and New Technology, Chongqing University, Chongqing 400044, China
3
China Electric Power Research Institute, Beijing 100192, China
*
Author to whom correspondence should be addressed.
Energies 2024, 17(23), 6013; https://doi.org/10.3390/en17236013
Submission received: 21 October 2024 / Revised: 15 November 2024 / Accepted: 26 November 2024 / Published: 29 November 2024
(This article belongs to the Section F4: Critical Energy Infrastructure)

Abstract

The importance evaluation of power grid transmission lines is crucial for preventing catastrophic grid failures, enhancing grid resilience, and ensuring the safe and stable operation of the power system. To address the limitations in existing transmission line evaluation methods, such as reliance on single evaluation metrics, insufficient consideration of information transmission between adjacent lines, and the impact of line failures on system load loss, this paper proposes a comprehensive evaluation method based on multidimensional information feature mapping. First, evaluation metrics are established from three dimensions—power transmission characteristics, grid network structure, and resilience improvement—each reflecting the importance of transmission lines from different perspectives. Then, a hybrid weighting method is introduced, combining subjective and objective weights through a game theory approach to calculate the comprehensive weights, enabling the multidimensional information-based importance evaluation of transmission lines. Finally, an improved network efficiency index, representing the current operational performance of the grid, is developed to validate the proposed evaluation method. A simulation analysis using the IEEE-39 bus test system verifies the feasibility and accuracy of the proposed approach.

1. Introduction

The increasing demand for electricity driven by economic development has necessitated the continuous expansion of power systems. Concurrently, the integration of high proportions of renewable energy [1,2] and the deep coupling of power grids with other systems, such as energy, transportation, and communication networks, have significantly increased the complexity of power system operation and control. These factors have escalated the risks and challenges faced by power systems [3]. To meet the growing demand for reliable electricity and support societal development with a stable power supply, it is essential to enhance the operational security and stability of power systems, reducing the frequency and impact of large-scale blackouts.
In recent years, several large-scale blackouts have occurred worldwide. During Christmas in 2015, the Ukrainian power grid’s information system was targeted by cyberattacks, leading to cascading failures in the power system and resulting in a nationwide blackout [4]. On 28 September 2016, South Australia experienced a major blackout triggered by extreme weather conditions that caused multiple transmission line outages. This event also saw the disconnection of nine wind farms, accounting for 445 MW, and the blackout lasted approximately 50 h [5]. In mid-February 2021, Texas faced a massive blackout due to extreme weather, forcing the shutdown of approximately 40,000 MW of generation capacity [6]. The 23 January 2023 blackout in Pakistan was attributed to long-standing weak links in the grid. Following a fault at one of these weak points, the grid experienced sustained oscillations, which rapidly propagated, leading to a nationwide blackout with a load loss of 11,356 MW [7]. On 15 August 2023, Brazil’s power grid suffered a blackout due to cascading failures and the lack of an emergency response plan for low-voltage chain failures. This event resulted in the separation of the Brazilian grid, with a load loss of 23,368 MW and an outage lasting approximately six hours [8].
The causes of large-scale blackouts can generally be categorized as internal, external, or a combination of both. Internal causes include power flow shifts, overloads, and component failures within the power system, while external causes primarily involve natural disasters, such as typhoons, hailstorms, snow, and earthquakes, or failures spreading from other systems, as seen in the 2015 Ukrainian blackout. Regardless of their triggers, the essence of such blackouts lies in the inability to effectively control initial faults, leading to rapid propagation and triggering cascading failures. These failures cause more grid components to trip or shut down, resulting in localized or widespread power outages.
Transmission lines, as the carriers of electrical energy, play a crucial role in delivering power from generation nodes to load nodes. Failures in critical transmission lines can lead to large-scale power flow redistribution and load loss. If not promptly controlled, these failures can cascade, causing further component failures and eventually resulting in a large-scale blackout [9,10,11]. Thus, proactively assessing the state of transmission lines to accurately, quickly, and effectively identify those critical lines that may lead to cascading failures is vital. Such identification provides operational staff with essential decision-making tools for dispatching or emergency handling, enabling the prevention or mitigation of large-scale blackouts. This contributes significantly to the safe and stable operation of power systems and ensures a reliable power supply.
Significant research has been conducted on the identification of critical nodes and transmission lines in power systems, broadly categorized into two approaches: (1) topology-based methods, which leverage complex network theory to reveal the criticality of key elements from the perspective of network structure; and (2) operation-based methods, which evaluate the criticality of components using deterministic or probabilistic analyses based on power flow calculations.
Topology-based methods construct complex network models that capture the operational characteristics of power systems. These models employ metrics such as node degree, node k-shell value, and betweenness to identify critical components. For instance, studies [12,13] propose directed weighted network models, where transmission lines are nodes, and power flow interactions between lines are the edges. Weights are assigned based on fault propagation, and PageRank algorithms are applied to quantify the criticality of transmission lines. Other studies, such as [14], use equivalent impedance to quantify edge weights from the perspective of power flow distribution. Improved algorithms, including the Leader Rank [15] and weighted power flow entropy methods [16], have been introduced to enhance critical line identification by incorporating operational characteristics.
Betweenness-based approaches have also been utilized for critical component identification. Studies [17,18] have demonstrated the effectiveness of using node or line betweenness in identifying key elements. These methods have evolved to incorporate electrical parameters such as line reactance [19,20], power flow direction, and load contribution ratios [21]. Advanced metrics, such as power flow betweenness and power capacity indices [22,23], further refine critical line evaluations by considering operational constraints and coupling relationships in integrated energy systems. These enhancements align the evaluation results more closely with actual power grid operations.
Operation-based methods assess criticality using power flow calculations. For instance, reliability models simulate cascading failure stages to evaluate line criticality [24]. Monte Carlo simulation methods [25] quantify the impact of line outages using outage probability models and risk metrics. However, the computational cost of these methods is often prohibitive, limiting their applicability for real-time operations despite improvements in computational efficiency.
The frequent occurrence of extreme weather events and other instabilities in recent years [26] has highlighted the importance of enhancing power system resilience [27]. Resilience-focused studies, such as [28], propose optimization models that incorporate measures like transmission corridor reinforcement to improve grid resilience against typhoons. Cooperative game theory approaches [29] enable interconnected microgrids to utilize renewable energy and storage systems more effectively. Additionally, network topology optimization models [30] have been developed to enhance grid resilience against cyber-physical attacks. These studies demonstrate the value of evaluating critical components from a resilience perspective, providing effective planning and scheduling tools for grid operators. However, few studies have focused on evaluating transmission line importance specifically from the perspective of resilience enhancement.
To overcome the limitations of single-metric evaluations, some studies combine multiple indicators for comprehensive assessments using methods such as entropy weighting [31] and analytic hierarchy process (AHP) [32]. These approaches attempt to integrate operational characteristics and topological features but often fail to balance all aspects adequately.
From the above review, several research gaps are evident. The current topology-based methods often overlook the inherent criticality of transmission lines within the grid structure. Existing studies lack the consideration of power flow path utilization, which reflects the disproportionate burden on key paths. Failures in these paths could lead to significant power flow shifts. The influence of transmission lines on system resilience is underexplored, despite being a critical component of their overall importance. The current weighting methods for multi-factor evaluations rely on single techniques, resulting in biased results.
To address these issues, this paper proposes a multidimensional information feature mapping method that comprehensively evaluates the importance of transmission lines by considering power transmission characteristics, grid topology, and resilience enhancement. Evaluation metrics are established for each dimension. These metrics include a generalized entropy index based on power flow growth rates, topology-based indices for global and local structures, and resilience-based indices derived from redispatch simulations under malicious attacks. A hybrid weighting method combines subjective and objective weights through game theory to develop a comprehensive influence index. The IEEE-39 bus system is used as a case study to evaluate transmission line importance, simulate various fault attack scenarios, and validate the results using an improved network efficiency index.
The contributions of this paper are summarized as follows:
(1)
This study proposes an innovative multidimensional information feature mapping approach to evaluate transmission line importance. By integrating three key dimensions—power transmission characteristics, grid topology, and resilience enhancement factors—our method offers a comprehensive perspective that extends beyond traditional single-dimensional assessments.
(2)
This study utilizes a game theory-based hybrid weighting approach that combines subjective and objective weights. This approach optimizes weight distribution for evaluation metrics, minimizing the biases inherent to single-method weightings and enhancing the accuracy and robustness of evaluation results.
(3)
In contrast to prior research, this study places a distinct emphasis on the contribution of transmission lines to enhancing grid resilience in the face of extreme events and malicious attacks, underscoring the critical role of system adaptability and fault tolerance.
(4)
To validate the proposed method, we define multiple fault attack scenarios, including random fault attacks, static deliberate attacks based on random matrix theory and entropy, static deliberate attacks based on electric betweenness, and static and dynamic deliberate attacks based on the line impact index. These scenarios demonstrate the method’s reliability and applicability in assessing transmission line importance under various fault conditions.
(5)
The study proposes an improved network efficiency index that builds upon traditional metrics by incorporating considerations of transmission capacity and load variations post-fault. This index provides a realistic reflection of the grid’s operational state during actual fault conditions, enhancing the applicability of evaluation results.
The remainder of this paper is organized as follows: Section 2 introduces the evaluation metrics based on power transmission characteristics of the grid. Section 3 presents the evaluation metrics based on grid network structure. Section 4 discusses the evaluation metrics based on grid resilience enhancement. Section 5 outlines the comprehensive evaluation model for transmission line importance levels using a game-theoretic approach. Section 6 provides the verification of the evaluation method’s accuracy through fault attack modes. Section 7 presents case studies using the IEEE-39 bus system, and Section 8 concludes the paper.

2. Evaluation Metrics Based on Power Transmission Characteristics of the Grid

Accurately evaluating the importance of transmission lines requires consideration of their role in the dynamic operation of power systems. This chapter focuses on the power transmission characteristics dimension, introducing evaluation metrics that quantify the ability of transmission lines to sustain power flow and their impact during contingencies. By incorporating metrics such as the generalized entropy index and phase angle partitions, we aim to capture the unique contributions of each line to grid stability.

2.1. Phase Angle Partitioning

Phase angle partitioning identifies the redistribution of power flows when a transmission line outage occurs, particularly focusing on lines with equal phase angles. The purpose of phase angle partitioning is to determine the primary power-carrying lines, as these significantly influence the power flow shifts across the network under contingency conditions.
The importance of transmission lines is typically evaluated based on the “N-1 contingency” principle, where the outage of a single line results in the redistribution of its power flow to other lines within the same load area. Reference [33] defines these lines as parallel transmission lines of the tripped line. If the number of parallel lines is small or the redistributed power flow exceeds the remaining power flow capacity of the lines, this may lead to overloading in the regional transmission network, triggering a cascading failure of lines, which could result in a partial blackout of the grid. Therefore, transmission lines that, under N-1 conditions, cause the significant overloading of other lines should be considered the primary power-carrying lines, and their importance is correspondingly higher.
However, in large-scale power networks, numerous parallel transmission lines are typically associated with any given outage. To effectively determine which parallel transmission lines are most impacted by power flow shifts, Reference [26] proposed the concept of “equal phase angle lines.” After thorough analysis and validation, it was observed that when a transmission line experiences a trip, the majority of the power flow is redirected to parallel lines that are situated on the same equal phase angle line as the tripped line. Therefore, this paper applies the equal phase angle theory to partition the system’s transmission lines.
The parameters of the power system’s transmission lines are shown in Figure 1. For high-voltage transmission lines, the line reactance is much larger than the line resistance. Based on the DC power flow equations, the power transmitted over a transmission line can be expressed as follows:
P = U 1 U 2 X δ 1 δ 2 = U 1 U 2 X δ 12 ,
where δ 1 is the voltage phase angle at the sending end of the line, δ 2 is the voltage phase angle at the receiving end, U 1 is the voltage magnitude at the sending end, U 2 is the voltage magnitude at the receiving end, X is the line reactance, and δ 12 is the phase angle difference between the sending and receiving ends of the line.
Assuming the transmission line length is Δ l , and the line reactance per unit length is x , Equation (1) can be simplified as follows:
P = U 1 U 2 x Δ l δ 12
The differential vector form of Equation (2) is as follows:
P = U 1 U 2 x δ l = U 1 U 2 x δ l ,
where l is the vector form of the transmission line length, P is the vector form of the transmitted power, and δ is the vector form of the voltage phase angle change.
The negative sign in Equation (3) indicates that power flows in the direction of decreasing δ . Based on Equations (1)–(3), the lines connecting points with the same voltage phase angle in the power system can be defined as equal phase angle lines. The power flow direction is from points with leading phase angles to points with lagging phase angles, and this flow is perpendicular to the transmission lines, as shown in Figure 2.
As illustrated in Figure 2, the equal phase angle lines segment the power grid into multiple regions. In this study, the area enclosed between two neighboring equal phase angle lines is termed a “phase angle partition”. In Figure 2, the power flow direction is from left to right, with the phase angle on the left side being greater than that on the right. The horizontal channel serves as the primary path for power transmission, where there is a significant phase angle and power difference between the sending and receiving nodes. The vertical channel represents auxiliary lines, where the phase angle difference is minimal, corresponding to minor power transfers.
Two equal phase angle lines form a phase angle partition region δ a δ b . A power grid can be divided into multiple phase angle partitions for analysis, with different transmission lines assigned to different partitions. If a transmission line spans two phase angle partitions, it belongs to the partition where the length of the line segment within that partition is greater. If the lengths in both partitions are equal, the line can be assigned to either partition arbitrarily.

2.2. Line Impact Index

This line impact index (LII) evaluates the unbalanced power flow distribution following a fault, focusing on the power flow increase rate on each line within the same phase angle partition. It incorporates generalized entropy to capture disruptions in power flow within and between partitions, reflecting each line’s resilience to disturbances.
Based on the phase angle partitions, the imbalance in power flow distribution after a system disturbance is introduced as an evaluation metric for the importance level of transmission lines, referred to as the LII.
In a power system, when a transmission line L i is disconnected, its transmitted power becomes zero, and the power is redistributed to another non-fault transmission line L k within the same phase angle partition. The change in transmitted power on the transmission line L k is expressed as follows:
Δ P i k = P i k P i 0 ,
where P i k is the transmitted power on line L i after the disconnection of line L k , and P i 0 is the transmitted power on line L i before the disconnection of line L k .
From Equation (4), the power growth rate v i k on line L k after the disconnection of line L i can be calculated as follows:
v i k = Δ P i k / P k   N ,
where P k N is the rated power of transmission line L k . The larger the value of v i k , the greater the impact on transmission line L k after the disconnection of line L i and vice versa.
The distribution of power flow changes after a line trip is evaluated using the concepts of phase angle partitions and generalized distribution entropy. Assuming there are N m transmission lines in the grid, which are divided into m a r e a phase angle partitions, with the M-th phase angle partition containing N M transmission lines, the generalized entropy model for the system’s power flow growth rate after the disconnection of a transmission line is as follows:
T i n d e x ( i ) = m a r e a M = 1 f M f n T + m a r e a M = 1 f M f n ln v i ¯ v ¯ ,
T = N M 1 p = 1 v i p f M ln v i p v i ¯   L i   in   division   zone   M N M p = 1 v i p f M ln v i p v i ¯ L i   not   in   division   zone   M   ,
v ¯ = N l i n e 1 j = 1 v i j / ( N l i n e 1 ) ,
v i ¯ = N M 1 p = 1 v i p / N M 1   L i   in   division   zone   M N M p = 1 v i p / N M                       L i   not   in   division   zone   M ,
where v i j is the power growth rate on transmission line L j after the disconnection of line L i ; v i p is the power growth rate on transmission line L p within phase angle partition M after the disconnection of line L i ; f M is the sum of power growth rates on all lines within phase angle partition M; and f n is the sum of power growth rates on all transmission lines in the system.
When a transmission line is disconnected, the greater the imbalance in the system’s power flow distribution, the higher the generalized entropy index for the system’s power flow growth rate. Conversely, a more balanced power flow distribution results in a lower generalized entropy index. The decomposition of this index shows that it not only captures the effect of a line disconnection on the power flow distribution within its own phase angle partition but also considers the effect on power flow distribution across different phase angle partitions. This makes the generalized entropy index a more accurate reflection of the actual conditions in the grid. As a result, the LII can be utilized to assess the importance of transmission lines.

2.3. Tolerance Index

The tolerance index (TI) assesses the system’s ability to withstand power flow disturbances after a line outage. This metric reflects the load rates on remaining lines, serving as an indicator of the network’s resilience by identifying lines whose outage might lead to overloading in the network.
The power system has a certain capacity to absorb power flow shocks after a line outage, redistributing power flows and self-regulating to restore normal operation. This capacity is reflected in the balance of power flow distribution and the system’s tolerance to power flow shocks. The average branch load rate is a critical metric for assessing the system’s resilience to power flow disturbances [34]. In the case of a power network where a branch has been disconnected, the load rate of the remaining branches not only represents the system’s operational state following the power flow disturbance but also indicates the extent to which the disconnection of that branch affects the entire system.
In this context, an impact index is introduced based on the robust principal component analysis (RPCA) model [35] to assess the influence of a transmission line outage on other lines in the system. Assume that after the disconnection of transmission line L i , the transmitted power on line L j is P i j . The remaining load rate of line L j is then defined as follows:
η j = 1 P i j / P j   N
Let the vector η = η 1 , η 2 , , η m line   represent the remaining load rates of the other lines in the system, as obtained from Equation (10). After the disconnection of line L i , the system’s operational state following the fault can be evaluated using Equation (11). This approach allows for a comprehensive assessment of how the outage affects the remaining system lines and the overall grid stability.
η i c = ς 1 m line   η 1 + τ min { η } ,
where ς and τ are weighting coefficients, with ς + τ = 1 ; m l i n e is the number of remaining lines in the system; η 1 is the 1-norm of vector η ; and min η represents the smallest value in vector η . The term η 1 / m l i n e reflects the cumulative remaining load rate of the remaining lines, indicating the ability of the line with the minimum remaining load rate to withstand power flow shocks. The coefficient τ describes the impact of power flow shocks on the line with the smallest remaining load rate in the system. The larger the value of τ , the more stable the system’s operational state after a fault occurs.
The influence of a disconnected line on the system is negatively correlated with η i c ; that is, the larger the value of η i c , the smaller the impact of the line on the system. From the interpretation of the variables in Equation (11), it can be deduced that the range of η i c is [0, 1]. Therefore, based on Equation (12), the impact index I i n d e x is calculated to describe the operational state of the remaining lines in the system after a fault.
I i n d e x = 1 η i c
The system impact index quantifies the effect of power flow disturbances on the system following a line disconnection, highlighting the significance of the disconnected line within the network. A higher index indicates a reduced capacity of the system to absorb power flow shocks, leading to increased instability and a greater impact of the disconnected line on the overall system performance.

2.4. Transmission Line Capacity Limitation Index

The transmission line capacity limitation index measures the proximity of a line’s current power flow to its maximum capacity. Lines operating near their capacity limits are more vulnerable to overloading, making them essential to monitor for effective system management.
For transmission lines that carry power, it is essential to consider the limitation imposed by the maximum transmission capacity of the lines. This is crucial to timely identify lines where active power is approaching or has exceeded the limit. To address the limitations of existing studies that use the maximum transmission capacity as a weight without accurately reflecting the influence of power flow constraints, this paper establishes a transmission line capacity limitation index. This index C i n d e x intuitively describes the difference between the active power value and the maximum transmission capacity of the line, defined as follows:
C i n d e x ( i ) = e 1 P i max / P i , P i < P i max 1 + e 1 P i max / P i , P i P i max ,
where P i represents the active power of line L i in a given state, and P i max represents the maximum transmission capacity of line L i . The capacity limitation index C i n d e x , defined in exponential form, effectively characterizes the numerical difference between the active power value and the maximum transmission capacity of the line.
When the value of the line’s capacity limitation index C i n d e x is large, it indicates that the difference between the power flow on the line and the line’s maximum transmission capacity is small or that the power flow has already exceeded the capacity limit. In such cases, the line is considered more important, as it is operating closer to its capacity constraints, making it more vulnerable to overloading.

3. Evaluation Metrics Based on Grid Network Structure

The structural configuration of a power grid significantly influences the criticality of its transmission lines. This chapter introduces evaluation metrics that assess the importance of transmission lines from the perspective of global and local grid topology. Metrics such as reactance, betweenness, and positional indices are developed to identify key transmission pathways and their roles in maintaining grid connectivity under normal and stressed conditions.

3.1. Transmission Line Reactance Betweenness Index

The transmission line reactance betweenness index combines the network’s topological characteristics with the line reactance, quantifying the role of each line in facilitating power transmission. High values in this index indicate lines that are pivotal in maintaining connectivity and power flow paths across the grid.
In complex network theory, edge betweenness is defined as the ratio of the number of shortest paths passing through a given edge to the total number of shortest paths between all node pairs [36]. This metric provides a global topological perspective on the importance of an edge in the communication pathways between nodes. Applying this concept to power grids, edge betweenness can serve as an indicator to quantify the significance of transmission lines from a global network perspective. However, since edge betweenness alone does not consider the specific power transmission characteristics of the grid, an enhancement is proposed in this paper.
In a power system, power transmission does not occur solely along the shortest path. Therefore, to account for the power transmission characteristics of the grid, we introduce the generator’s generation capacity, load size, and line reactance parameters into the edge betweenness metric. This leads to the development of a transmission line reactance betweenness index, which quantifies the importance of transmission lines from a global perspective. This index is calculated as the product of the number of times line l appears in all possible paths between generator node i and load node j , and the line reactance value, divided by the total electrical distance across all possible paths. Mathematically, this can be expressed as follows:
B e , i n d e x ( l ) = i S , j L , i j min P S , i , P L , j σ i j ( l ) x l d σ i j x d ,
where S represents the set of generator nodes, L represents the set of load nodes, P S , i is the active power output of generator node i , and P L , j is the rated active power of load node j . Using a depth-first search (DFS) algorithm, all possible paths between the generator and load nodes are searched. σ i j represents the set of all possible paths between generator node i and load node j , while σ i j ( l ) represents the number of paths that include line l among the possible paths between generator node i and load node j . x l is the reactance of line l , and x d is the electrical distance of the d -th path, defined as the sum of the line reactances along path d .
The transmission line reactance betweenness index is similar to edge betweenness in that both evaluate the importance of a line from the global topological perspective of the power grid. However, the reactance betweenness index incorporates the electrical characteristics of the grid, making it a more comprehensive measure of the importance of each transmission line. If a transmission line in the grid has a high reactance betweenness index value, it indicates that the line plays a critical role in the power transmission paths. Should such a line be disconnected, the power transmission paths in the grid would be significantly disrupted, severely affecting the grid’s transmission capacity. Thus, the higher the reactance betweenness index value, the more important the line is, establishing a positive correlation between the two.

3.2. Local Positional Importance Index for Transmission Lines

By focusing on both the in-degree and out-degree connections of each line, this index captures the transmission influence of adjacent lines, offering a localized view of each line’s significance in maintaining power flow stability within its immediate area.
The importance of transmission lines should not only consider the global topological structure of the grid but also account for the local interactions between adjacent lines. To quantify the local importance of transmission lines, the reactance betweenness index of a transmission line is proportionally distributed to its adjacent lines based on the degree of the line. This distributed value represents the power transmission value between lines. Since power transmission in the grid is directional, and the degree of a line can be categorized into in-degree and out-degree, separate indices are established for in-degree importance and out-degree importance.
Using the node importance contribution matrix defined in [37] and the idea presented in [38], which considers the different impacts of out-degree and in-degree on fault propagation, we define the in-degree contribution matrix C i n and the out-degree contribution matrix C o u t to represent the transmission values between adjacent lines. These matrices are derived based on the elements of the line adjacency matrix and reflect the transmission relationship between neighboring lines. Mathematically, this can be expressed as follows:
C i n = B e ( 1 ) α 12 B e ( 2 ) D I , 2 k i n   α 1 m B e ( m ) D I , m k i n   α 21 B e ( 1 ) D I , 1 k i n B e ( 2 ) α 2 m B e ( m ) D I , m k i n   α m 1 B e ( 1 ) D I , 1 k i n   α m 2 B e ( 2 ) D I , 2 k i n   B e ( m ) ,
C o u t = B e ( 1 ) β 12 B e ( 1 ) D O , 1 k o u t   β 1 m B e ( 1 ) D O , 1 k o u t   β 21 B e ( 2 ) D O , 2 k o u t   B e ( 2 ) β 2 m B e ( 2 ) D O , 2 k o u t   β m 1 B e ( m ) D O , m k o u t   β m 2 B e ( m ) D O , m k o u t   B e ( m ) ,
where i and j represent the transmission line indices in the power grid, B e ( i ) is the reactance betweenness value of line i , and α i j and β i j represent the connection relationships between lines i and j . Specifically, when line j is an incoming line to line i , α i j = 1 , corresponding to an element in the line adjacency matrix equal to 1. When line j is an outgoing line from line i , β i j = 1 , corresponding to an element in the adjacency matrix equal to −1. In all other cases, α i j = β i j = 0 , indicating no direct connection. m is the total number of lines, D I , i and D O , i are the in-degree and out-degree values of line i , respectively, k i n and k o u t are the average in-degree and out-degree values of the lines, respectively, which are calculated according to Equation (17).
k i n   = 1 m i = 1 m D l , i k o u t   = 1 m i = 1 m D O , i
The transmission information value between adjacent lines is not only related to the degree of the lines but also to the reactance betweenness value. The higher the degree and reactance betweenness value of a line, the larger the transmission information value between adjacent lines. This indicates that the line bears more transmission information from its neighboring lines within the power transmission path.
Considering the active power values of transmission lines, and based on the in-degree contribution matrix C i n and the out-degree contribution matrix C o u t , we establish the in-degree importance index C Z i n , i n d e x and the out-degree importance index C Z o u t , i n d e x , which represent the ability of a transmission line to bear the transmission information from neighboring lines. These indices are expressed as follows in Equation (18):
C Z i n , i n d e x ( i ) = P l i n ( i ) j = 1 , i j m α i j B e ( j ) D I , j / k i n C Z o u t , i n d e x ( i ) = P l i n ( i ) j = l , i j m β j i B e ( j ) D O , j / k o u t
where P l i n ( i ) represents the active power of line i in a given state.
In conclusion, the in-degree importance index C Z i n , i n d e x and the out-degree importance index C Z o u t , i n d e x locally characterize the importance of a transmission line within the topological structure of the power grid. When a line bears a high transmission value from adjacent lines and also carries a large active power value, it indicates that the line holds a significant position within the local topological structure of the grid. Thus, lines with higher in-degree and out-degree importance indices are more critical in ensuring stable power transmission within the network.

4. Evaluation Metrics Based on Grid Resilience Enhancement

Grid resilience is increasingly essential in addressing extreme weather events and malicious attacks. This chapter explores the role of transmission lines in enhancing the grid’s ability to withstand and recover from such disturbances. Evaluation metrics derived from redispatch simulations under fault scenarios are introduced, emphasizing the importance of transmission lines in maintaining load balance and operational reliability during adverse conditions.
As key components responsible for transmitting electrical energy, transmission lines are continuously exposed to harsh environments, making them highly susceptible to various factors such as extreme natural weather events and uncontrollable external forces. Transmission line faults, such as trips, tower collapses, and line breaks, occur frequently, causing significant negative impacts on power transmission, people’s daily lives, and societal development. Therefore, from the perspective of enhancing system resilience, the impact of transmission line failures on system load loss is introduced as a metric to evaluate the importance of transmission lines.

4.1. Power System Physical Attack Model

This paper focuses on system load loss under malicious physical attacks as an evaluation metric for transmission line importance. The attacker aims to maximize the damage to transmission lines through physical attacks, intending to disrupt the transmission infrastructure as much as possible. When a transmission line in the grid is physically attacked, it is assumed that the line is disconnected, leading to its operational suspension. In response, the system operator typically reschedules the grid using optimal power flow (OPF) to minimize load shedding after the attack. However, the attacker’s goal is to anticipate the system operator’s optimal scheduling decisions and maximize the total load loss in the power system.
The objective of a physical attack strategy on the power system is to maximize the total load shedding resulting from the attack. The attack objective function is formulated as follows:
max α i , j ( i , j ) E L * ,
where α i , j represents the physical attack decision for the transmission line between nodes i and j. If the corresponding component is attacked, α i , j = 1; otherwise, α i , j = 0. ε is the set of transmission lines in the power grid. L * denotes the amount of load shedding.
Equation (20) represents the resource constraints for physical attack actions.
( i , j ) ε A α i , j R P ,
where R P denotes the resource limitations for conducting physical attacks on transmission lines, while ε A represents the set of transmission lines within the power grid. These constraints ensure that the attacker’s resources are taken into account when formulating the attack strategy.

4.2. Optimal Redispatch Model for Power Systems

When a transmission line is disconnected due to a malicious attack, the power system’s dispatch center will immediately perform an optimal redispatch to minimize the system’s load loss.
The optimal redispatch model is formulated in Equations (21) through (26). The objective of the system’s dispatch center, as stated in Equation (21), is to minimize load shedding. Equations (22) and (23) represent the power flow equations governing the system, while Equations (24) and (25) define the active power transmission limits for the transmission lines and the generation limits for the generator units, respectively. Lastly, Equation (26) outlines the load-shedding constraint, which is based on the power demand at the affected nodes.
δ i * = arg   min i N δ i
p i , j = ν i ν j x i , j ( 1 s i , j ) ,   ( i , j ) ε
j N : ( i , j ) ε p i , j = g G p g ( p i δ i ) ,   i N
p i , j max p i , j p i , j max ,   ( i , j ) ε
0 p g p g max ( 1 s g ) ,   g G
0 δ i p i ,   i N
where p i , j represents the active power transmitted between nodes i and j through the transmission line. p i , j max denotes the transmission limit of the power flow on the transmission line between nodes i and j. p g represents the active power output of generator g, while p g max indicates the maximum active power output of the generator. ν i / ν j represent the phase angles at bus i and bus j, respectively. x i . j denotes the reactance of the transmission line between buses i and j. s i , j is the state variable for the transmission line between buses i and j. If the transmission line is out of service due to a physical attack, s i , j = 1; otherwise, s i , j = 0.

4.3. System Load Loss Calculation Under Malicious Attack

To mitigate the risk of malicious physical attacks on the power grid, one of the key strategies for system operators to reduce load loss is to adopt advanced defense technologies, invest in additional security measures, and enhance the protection of transmission lines. To this end, a three-level optimization model is established to calculate system load loss under malicious attack conditions. If a transmission line is highly resilient to malicious physical attacks, the expected load loss will be significantly reduced, indicating that the transmission line holds high importance.
First-Level Optimization Problem: The objective function of the first-level optimization problem is to minimize the expected total load loss in the grid due to a malicious attack. This can be formulated as follows:
min ζ i , j E Ψ = ω Ω π ω Ψ ω
Constraints:
  i N ζ i , j L P
Second-Level Optimization Problem: The second-level optimization models the attack strategy, aiming to maximize the disruption caused by the attack. The objective function is as follows:
Ψ ω = arg max α i , j , ω i N δ i , ω , ω Ω
Constraints:
( i , j ) E α i , j , ω R ω P , ω Ω
Third-Level Optimization Problem: The third-level optimization models the system’s optimal redispatch in response to the malicious attack. The objective function is as follows:
δ i , ω = arg min i N δ i , ω , ω Ω
Constraints:
p i , j , ω = v i , ω v j , ω x i , j 1 s i , j , ω , ( i , j ) E , ω Ω
j N : ( i , j ) E p i , j , ω = g G i p g , ω p i δ i , ω , i N , ω Ω
p i , j max p i , j , ω p i , j max , ( i , j ) E , ω Ω
0 p g , ω p g max 1 s g , ω ,               g G , ω Ω
0 δ i , ω p i , i N , ω Ω
where ω represents an attack scenario, Ω denotes the set of attack scenarios, π ω is the probability distribution of the attack scenario ω , Ψ represents the expected total load loss of the grid, and L P is the total number of transmission lines in the system. The variable ζ i , j represents the state of the transmission line between nodes i and j under a malicious attack. When ζ i , j = 1, the transmission line between nodes i and j is protected and will not be affected by a physical attack. Otherwise, if ζ i , j = 0, the line is vulnerable to attack.
Table 1 lists the decision variables and objective functions of each layer in this multi-level distributed robust optimization problem. However, this model cannot be directly solved using existing solvers or algorithms. To address this challenge, a constraint generation framework is proposed, which decomposes the original optimization model into a master problem and two independent subproblems, as shown in Figure 3.
The first subproblem corresponds to the third and lowest layer of the original model. Its focus is on determining the most destructive attack strategy for each scenario while taking into account the system operator’s optimal redispatch. This subproblem simulates how an attacker could inflict maximum damage by targeting specific transmission lines and how the system operator can minimize the impact through optimal post-attack adjustments.
The second subproblem corresponds to the second layer of the distributionally robust optimization (DRO) model. Its objective is to identify the probability distribution of the most severe malicious attack scenario within the ambiguity set Ω . This subproblem focuses on determining the likelihood of various attack scenarios and ensuring that the model accounts for the worst-case scenario under uncertainty.
The master problem represents the first layer of the DRO model. Based on the results from the two subproblems, it determines the total system load loss under malicious attack. The master problem governs the overall decision-making process, integrating the outcomes of the subproblems to evaluate system performance and resilience under the worst-case attack scenarios. By synthesizing the most destructive attack strategies and their probability distributions, the master problem provides a comprehensive assessment of the system’s vulnerability to malicious attacks and informs protective measures.
This hierarchical approach ensures that the DRO model thoroughly addresses the complex interactions between attack strategies and the system’s defensive responses, enabling a robust evaluation of load loss and transmission line importance in the face of potential attacks.

4.4. Critical System Load Loss Index

Introduced to evaluate resilience under physical attack scenarios, this metric calculates the expected load loss resulting from line outages due to physical attacks. It highlights lines whose failure would significantly impact system load capacity, underscoring their importance to grid stability.
To quantitatively evaluate the impact of transmission line failures on system load loss, this paper introduces the critical system load loss index Λ i n d e x . This index helps rank the importance of transmission lines within the system, particularly when the power grid is subjected to malicious attacks.
Λ i n d e x = ω Ω i N π ω ζ i , j = 0 * δ i , ω ζ i , j = 0 * π ω * δ i , ω * ω Ω i N π ω * δ i , ω *
where Λ i n d e x is the importance index of the transmission line between nodes i and j; π ω * and δ i , ω * represent the worst-case probability distribution in scenario ω and the load loss at node i , respectively; δ i , ω ζ i , j = 0 * denotes the load loss at node i due to the insufficient protection of the transmission line between nodes i and j; and π ω ζ i , j * = 0 is the probability of the worst-case scenario ω , where the transmission line between nodes i and j is insufficiently protected.
The critical system load loss index Λ i n d e x is calculated by assessing the load shedding that results from the disconnection of a specific transmission line due to an attack. It measures the degree to which the failure of a particular line contributes to the overall system load loss. The higher the index value, the more critical the transmission line is, as its failure would cause a significant disruption in the system’s ability to meet load demands.
This index provides a clear and quantifiable metric to prioritize the protection of the most crucial transmission lines. By identifying the lines with the highest index values, system operators can make informed decisions about where to implement enhanced protection measures or reinforce infrastructure to minimize the impact of potential malicious attacks.

5. Comprehensive Evaluation Model for Transmission Line Importance Levels

To provide a holistic assessment of transmission line importance, this chapter introduces a comprehensive evaluation model integrating the metrics from previous chapters. The hybrid weighting method, based on game theory, ensures the balanced representation of subjective and objective influences. This model yields a comprehensive influence index that reflects the multidimensional significance of transmission lines within the grid.

5.1. Game-Theoretic Comprehensive Weighting of Evaluation Metrics

This paper proposes several transmission line importance evaluation metrics across multiple dimensions, including the impact of transmission line faults on system operational status, the effect on grid topology, and the influence on system load loss. These evaluation metrics include the line tolerance index T i n d e x , the impact index I i n d e x , the capacity limitation index C i n d e x , the reactance betweenness index B e , i n d e x , the in-degree importance index C Z i n , i n d e x , the out-degree importance index C Z o u t , i n d e x , and the critical system load loss index Λ i n d e x . These metrics provide a quantitative assessment of the importance of multiple transmission lines in the system.
To accurately and comprehensively evaluate the importance of transmission lines, it is necessary to integrate these seven metrics. The first step is to normalize the units and magnitudes of the different metrics to ensure consistency. After that, a weighted sum is performed to construct a comprehensive index, C I i n d e x , which reflects the overall influence and importance of each transmission line.
C I i n d e x = i = 1 7 l i S N i
where l i represents the comprehensive weight of the i -th transmission line importance evaluation metric. S N i is the normalized form of the i -th transmission line importance evaluation metric after standardization.
To determine the comprehensive weight C I i n d e x , this paper proposes a hybrid weighting method that combines subjective and objective weighting through a game-theoretic approach. The weighting of the different metrics is carried out using a game-theoretic approach, balancing subjective and objective factors to ensure a fair and holistic evaluation. This method allows for a more robust and multidimensional assessment of the importance of transmission lines in the power grid, facilitating better decision-making for grid resilience and operational planning.
The steps to determine the comprehensive weight are as follows:
Step 1: Based on the analytic hierarchy process (AHP) described in [32], the subjective weight W 1 for each evaluation metric is calculated. The objective weight W 2 is determined using the entropy weight method as described in [31]. Then, the two basic weights, W 1 and W 2 , are linearly combined to obtain the comprehensive weight W . The formula for this combination is as follows:
W = a 1 W 1 + a 2 W 2
where the combination coefficients a 1 and a 2 are unknown values.
Step 2: To minimize the deviations between the comprehensive weight W and the two basic weights W 1 and W 2 , an optimization objective is formulated, as shown in Equation (40):
min i = 1 2 a i W i T W j T 2
Step 3: Based on the differential properties of matrices, the optimization objective in Equation (40) is transformed into a linear system of equations, as expressed in Equation (41):
W 1 T W 1 W 1 T W 2 W 2 T W 1 W 2 T W 2 a 1 a 2 = W 1 T W 1 W 2 T W 2 , a 1 , a 2 > 0
Step 4: The subjective weights W 1 and objective weights W 2 are substituted into Equation (41), and the system of linear equations is solved to obtain the optimal values of the combination coefficients a 1 and a 2 . After solving, the combination coefficients are normalized.
Step 5: The normalized combination coefficients are then substituted back into the linear combination formula in Step 1 to obtain the comprehensive weight W for each evaluation metric:
The importance of each transmission line is then evaluated based on the magnitude of its comprehensive influence index. The higher the comprehensive influence index, the more critical the transmission line is to the grid, indicating that these lines are key transmission lines within the power network.

5.2. Transmission Line Importance Level Evaluation Process

The flowchart for the transmission line importance level evaluation process is shown in Figure 4, with the specific calculation steps outlined as follows:
  • Phase Angle Partitioning:
Divide the system into phase angle partitions using the equal phase angle lines and determine the partition to which each transmission line belongs.
2.
Impact Index Calculation:
Simulate the N-1 line outage scenarios. Calculate the impact index I i n d e x to evaluate the effect of the line outage on the system, based on Equations (6)–(9).
3.
Tolerance Index:
Using Equations (10)–(12), calculate the line tolerance index T i n d e x to assess the resilience of the line after disconnection.
4.
Capacity Limitation Index:
Determine the capacity limitation index C i n d e x for each transmission line using Equation (13).
5.
Reactance Betweenness Calculation:
Using Equation (14), calculate the reactance betweenness index B e , i n d e x to evaluate the importance of each transmission line to the global topology of the system.
6.
In-Degree and Out-Degree Importance Indices:
Building on B e , i n d e x , calculate the in-degree importance index C Z i n , i n d e x and out-degree importance index C Z o u t , i n d e x using Equation (18) to assess the local topological importance of the transmission lines.
7.
Critical System Load Loss Index:
Using Equations (27)–(36), compute the system’s load loss under malicious attack conditions. Then, calculate the critical system load loss index Λ i n d e x based on Equation (37) to assess the impact of line failure on system load loss.
8.
Comprehensive Weighting and Final Evaluation:
Apply the game-theoretic comprehensive weighting method, combining subjective and objective weights to compute the final weights for each evaluation metric. Finally, determine the transmission line importance level evaluation results based on the weighted metrics.

6. Verification of the Evaluation Method’s Accuracy

This chapter validates the proposed evaluation method by simulating various fault attack scenarios and assessing the criticality of transmission lines under different conditions. Five fault attack modes, ranging from random to deliberate strategies, are defined to test the robustness of the approach. Additionally, an improved network efficiency index is introduced, incorporating both transmission capacity and load variations and providing a comprehensive evaluation of the grid’s operational performance during disruptions.

6.1. Fault Attack Modes

To further illustrate the critical role of transmission lines with high comprehensive influence index values in the power grid, and to verify the feasibility and accuracy of the proposed method, five fault attack modes are defined as follows:
  • M1: Random Attack (RA)
A random selection of a certain number of transmission lines is targeted for sequential attacks.
  • M2: Static Deliberate Attack based on Random Matrix Theory and Entropy Theory (RSD)
The key transmission lines are identified and attacked in sequence based on a combination of random matrix theory and entropy theory, as described in [39].
  • M3: Static Deliberate Attack based on Electric Betweenness (ESD)
Key transmission lines are attacked in sequence according to their electric betweenness, as identified in [40].
  • M4: Static Deliberate Attack based on Line Impact Index (LSD)
Key transmission lines are attacked in sequence according to their ranking based on the Line Impact Index proposed in this paper.
  • M5: Dynamic Deliberate Attack based on Line Impact Index (LDD)
In this dynamic attack strategy, the transmission line with the highest line impact index is attacked first. After each attack, the C I i n d e x values are recalculated, and the next attack targets the line with the newly highest C I i n d e x value.

6.2. Improved Network Efficiency Index

The network efficiency index represents the operational performance of the power grid from the perspective of its topological structure. The transmission efficiency decreases as the impedance in the transmission path increases, with higher impedance leading to greater energy losses and reduced transmission efficiency. The traditional network efficiency index is defined as the inverse of the shortest electrical distance between generators and loads, but it does not take load variations into account.
In this paper, an improved network efficiency index based on the shortest weighted path distance is proposed. This improved index not only considers the transmission capacity of the power grid after fault attacks but also reflects load variations. It provides a more accurate representation of both the grid’s topological structure and its operational state. The network efficiency E i n d e x is defined as follows in Equation (42):
E i n d e x = 1 N G N D Y G , t D min P Y , P t X s t , min
where N G is the number of generator nodes, N D is the number of load nodes, P Y represents the power generated by the generators, P t represents the load power, and X s t , min is the minimum electrical distance between the “generator-load” node pairs.
When the power grid experiences a fault attack, a smaller value of the network efficiency index E i n d e x indicates that the electrical distance between generators and loads has increased. This means that power transmission from generators to loads requires more transmission lines, and the grid’s transmission capacity is more severely affected. Thus, the longer the path and the greater the number of lines involved in power transmission, the more significant the impact on the grid’s overall performance.

7. Case Study Analysis

This chapter employs the IEEE-39 bus system as a case study to validate the proposed multidimensional information feature mapping method. The evaluation focuses on assessing the importance of transmission lines using both single and comprehensive metrics while also analyzing their performance under various fault attack modes. Through detailed comparisons of individual metrics and the proposed comprehensive evaluation method, this chapter highlights the criticality of specific transmission lines in ensuring grid stability and operational efficiency. The results underscore the practical applications of the method in enhancing grid resilience, optimizing maintenance planning, and supporting long-term operational strategies.

7.1. Introduction to the Test System

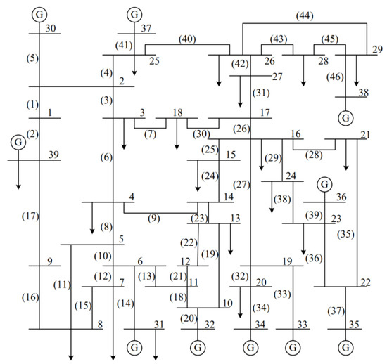
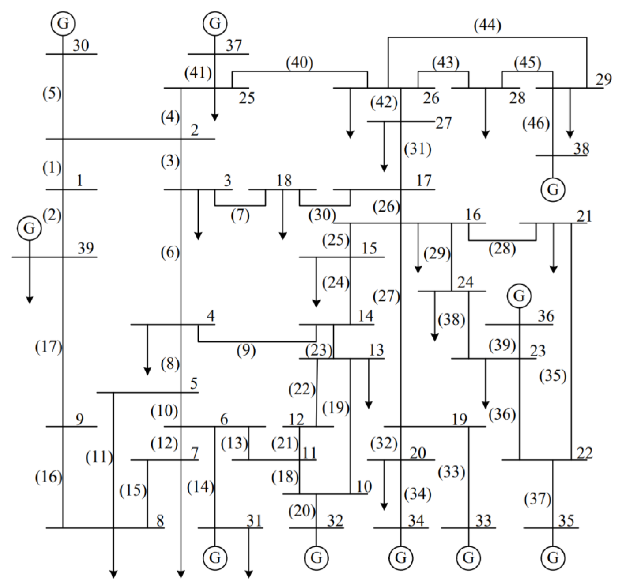
In this paper, the IEEE-39 bus system, depicted in Figure 5, is employed for case study analysis to validate the accuracy of the proposed model and method. The system comprises 46 branches, including 12 transformer branches. The total generation capacity is 6192.88 MW, while the total load capacity is 6150.13 MW. The maximum transmission capacity of the lines is set according to their thermal stability limits.
Generators play a crucial role in the power system, and if a generator’s outgoing line is disconnected, the system is highly likely to experience a power imbalance, which can lead to system instability in severe cases. Therefore, in this study, it is assumed that generator outgoing lines and transformer branches hold the most important positions in the power system. These lines are not considered in the set of identified critical transmission lines. The electrical parameters of each component and the control parameters of conventional generator units used in the simulations are based on the work of P. J. Song [41].

7.2. Evaluation of Transmission Line Importance Based on Single Indicators

Based on the multidimensional feature mapping evaluation indexes defined in this paper— T i n d e x , I i n d e x , C i n d e x , B e , i n d e x , C Z i n , i n d e x , C Z o u t , i n d e x , and Λ i n d e x —the importance of transmission lines in the grid, excluding generator outgoing lines and transformer branches, is ranked and selected. Since each metric is positively correlated with transmission line importance, the lines are ranked in descending order of each metric to determine their importance level. Table 2 presents the top 10 transmission lines based on each metric, along with their corresponding values.
A comparison of the ranking results based on single indicators in Table 2 reveals differences in the importance rankings of transmission lines. For example, Line 18 ranks first according to the impact index I i n d e x but only ranks third according to the critical system load loss index Λ i n d e x . This difference arises because Line 18 serves as a key interconnection line in the system, and when a fault occurs on this line, it has a severe impact on the power flow distribution within the system. This may lead to cascading failures in other lines, causing a substantial increase in the system’s generalized power flow entropy index. As a result, Line 18 has the highest impact index I i n d e x .
On the other hand, in regard to the critical system load loss index Λ i n d e x of Line 18, although the system’s ability to supply loads decreases as the number of failed components increases, not all large-scale blackouts involve extensive line outages. For example, in the 9 August blackout in the UK, most of the system’s load loss was caused by low-frequency load shedding, without widespread transmission line outages.
Similarly, the failure of Line 14 may not cause a significant power flow shock or lead to cascading failures, but the disconnection of Line 14 can result in substantial load loss, severely affecting the stability of power supply and the economic operation of the system. This illustrates that different metrics highlight different aspects of transmission line importance, with some focusing on system resilience to faults and others on load loss and supply security.
Figure 6 compares the various importance evaluation metrics for different transmission lines. As shown in Figure 6, Line 9, Line 22, and Line 29 have the highest importance rankings based on the C Z o u t , i n d e x , C i n d e x , and B e , i n d e x , respectively. However, these lines do not show significant importance under the other six evaluation metrics. This demonstrates that a single evaluation metric cannot fully capture the comprehensive importance of a transmission line. Therefore, relying on single-metric evaluations leads to incomplete and inaccurate conclusions.

7.3. Comprehensive Evaluation of Transmission Line Importance Levels

To address the overly conservative and partial evaluation results from using single-metric assessments, this paper applies the proposed multidimensional information feature mapping method to comprehensively evaluate the importance of transmission lines within the test system. The normalized values of each metric for all transmission lines in the system are shown in Figure 7.
Based on the normalized values of the metrics in Figure 7, subjective weights for each metric are calculated using the AHP, while objective weights are calculated using the entropy weight method. Using the game-theoretic comprehensive weighting method proposed in this paper, the final comprehensive weights for each metric are obtained. The weights of the evaluation metrics are presented in Table 3.
Based on the comprehensive weight calculations of the transmission line importance evaluation metrics, the C I i n d e x for each line in the IEEE-39 bus system can be calculated. The ranking of transmission lines according to their comprehensive influence is shown in Figure 8.
By arranging the lines in descending order of their C I i n d e x values from Figure 8, the critical transmission lines identified using the method proposed in this paper can be obtained. Table 4 compares the key transmission lines identified by this method with those identified by the electric betweenness method [41] and the random matrix theory combined with entropy theory [40].
As seen in Table 4, five transmission lines appear in the top ten rankings across all three methods, although their specific rankings differ. The [40] method defines importance from the perspective of the grid’s topological structure, considering the physical characteristics of the grid. The [41] method defines importance based on data analysis, using voltage phase angle as the foundational data. In contrast, the method proposed in this paper defines importance by considering global and local topological characteristics of the power network, operational parameters, and grid resilience enhancement.
Both this paper’s method and the [41] method identify Line 22 as the most critical transmission line. Line 22 carries power from generators 33 and 34 (1140 MW). If this line is disconnected, these generators would be separated from the main grid, causing grid separation and power imbalance. Lines 23, 27, 29, 12, and 3 carry power from generators 35, 36, 32, 30, and 37. A failure in any of these lines would obstruct power transmission from these generators, forcing other lines to operate near their limits, which poses a potential threat to the grid.
Therefore, from the perspective of the grid’s topological structure, system operational status, and system load loss, the multidimensional information feature mapping method proposed in this paper provides a correct and reasonable way to evaluate the importance of transmission lines. The evaluation method effectively identifies the most critical lines, ensuring a comprehensive assessment of grid resilience and operational stability.

7.4. Validation of the Accuracy of the Comprehensive Transmission Line Importance Evaluation Method

To further validate the accuracy of the transmission line importance evaluation method proposed in this paper, the following two scenarios are considered, and the results are analyzed based on changes in the network efficiency index.

7.4.1. Analysis of Results Under Static Attack Modes Using Different Evaluation Methods

Using attack modes M2, M3, and M4, the system is subjected to fault attacks. The changes in the network efficiency index EEE under different operational states are shown in Figure 9.
From Figure 9, it can be observed that when the top 10 critical transmission lines identified by the proposed method are sequentially attacked, the network efficiency index changes significantly. In normal operation, the network efficiency index is 0.7443. After the top 10 critical transmission lines are removed, the index decreases by 57.3%. In contrast, when 10 critical transmission lines identified using the random matrix theory and entropy theory method are removed, the index drops by 33.3%. Using the electric betweenness method, the index drops by 42.7%. This shows that the transmission lines identified as critical by the proposed multidimensional information feature mapping method have the greatest impact on the power grid’s transmission efficiency when attacked sequentially.

7.4.2. Analysis of Transmission Line Importance Evaluation Results Under Different Attack Modes

Using fault modes M1, M4, and M5, the system is subjected to fault attacks. The changes in the network efficiency index E i n d e x under different attack modes are shown in Figure 10.
By comparing the random attack (RA) and deliberate attacks (LSD and LDD), it is evident that the difference in network efficiency between the grid under RA and no attack is relatively small. However, under deliberate attacks, the difference in network efficiency is significantly larger. As the number of attacks increases, the value of the network efficiency index E i n d e x decreases further, indicating that deliberate attacks have a more severe impact on the overall performance of the grid compared to random attacks.
By comparing the LSD and LDD, it is clear that the LDD results in greater damage to the grid than the LSD. This is because the LDD re-evaluates the critical transmission lines under changing grid topologies, leading to a more severe impact on the grid. The network efficiency index under LDD is lower, indicating a greater disruption to the grid performance.

7.5. Potential Applications of the Proposed Approach

The proposed multidimensional information feature mapping method has broad potential applications within the power grid industry. The key applications include the following:
Grid Resilience Enhancement: This method aids in identifying critical transmission lines that are essential for maintaining grid resilience. The targeted reinforcement of these lines can significantly enhance the grid’s ability to withstand extreme weather events and other disturbances.
Risk-Based Maintenance and Investment Planning: The evaluation results can help prioritize maintenance schedules and allocate investment resources effectively, focusing on high-impact transmission lines to ensure optimal operational reliability.
Operational Decision Support: Integrating the evaluation results into real-time operational tools can improve contingency management, optimize power flow, and reduce the risk of cascading failures.
Security and Protection Planning: By identifying critical lines, the method provides valuable insights for security planning, including the deployment of advanced monitoring and protective equipment to safeguard essential transmission corridors.
Long-Term Planning and Policy Development: The approach supports strategic decisions in grid expansion and modernization, ensuring that critical transmission lines remain robust to meet future energy demands.
These applications demonstrate the practical value of our approach for both operational and strategic management in power grid systems, helping utility companies optimize resources and improve grid resilience.

8. Conclusions

This paper presents a multidimensional information feature mapping method to evaluate the importance of transmission lines in a power grid, offering a novel approach that addresses limitations in traditional single-metric assessments. Through incorporating multiple dimensions—power transmission characteristics, grid topology, and resilience enhancement factors—the proposed method achieves a comprehensive and balanced evaluation that more accurately reflects the criticality of transmission lines.
The primary conclusions of this work are as follows:
  • Resilience-Oriented Evaluation: By introducing the critical system load loss index, this method prioritizes transmission lines based on their impact during extreme events or malicious attacks, aligning the evaluation with practical grid resilience needs. This index supports a proactive resilience enhancement strategy, enabling the targeted reinforcement of critical lines to maintain operational stability under adverse conditions.
  • Comprehensive Influence Index: This paper proposes a unique influence index that integrates diverse metrics, such as generator capacity, load levels, line parameters, transmission information between adjacent lines, maximum transmission capacity, and system load loss. By combining both topological and operational parameters, th method provides a more holistic perspective on the importance of each transmission line, overcoming the limitations of single-indicator models.
  • Improved Network Efficiency Index for Validation: An improved network efficiency index is developed and validated through case study analysis, demonstrating that the proposed evaluation method accurately identifies lines with the highest importance. Simulations of fault attack scenarios, including static and dynamic deliberate attacks, show that the lines identified as critical by this method exhibit significant impacts on network efficiency when disrupted, thus confirming the reliability and applicability of the proposed approach.
Future research can expand on this study by applying the proposed method in real-time operational settings to enhance adaptability and resilience in large-scale grids under dynamic conditions. Additional efforts could involve integrating environmental hazards and cybersecurity threats to further support grid stability, as well as testing scalability in more complex networks to refine computational efficiency. These advancements will broaden the method’s robustness and practical applicability, aligning with the evolving demands of resilient and stable power grid management.

Author Contributions

Conceptualization, K.C.; Methodology, Y.T.; Formal analysis, M.L.; Investigation, K.C.; Resources, M.L.; Data curation, Y.T.; Writing—original draft, Y.T. All authors have read and agreed to the published version of the manuscript.

Funding

This research was funded by State Grid Co., LTD. Technology project, grant number 5200-202319153A-1-1-ZN. The APC was funded by 5200-202319153A-1-1-ZN.

Data Availability Statement

The original contributions presented in the study are included in the article, further inquiries can be directed to the corresponding author.

Conflicts of Interest

Author Keji Chen was employed by State Grid Zhejiang Electric Power Economic and Technological Research Institute. Author Maohua Li was employed by China Electric Power Research Institute. The remaining authors declare that the research was conducted in the absence of any commercial or financial relationships that could be construed as a potential conflict of interest.

Nomenclature

MIFMMultidimensional Information Feature Mapping
AHPAnalytic Hierarchy Process
EWMEntropy Weight Method
RARandom Attack
RSDStatic Deliberate Attack
ESDStatic Deliberate Attack Based on Electric Betweenness
LSDStatic Deliberate Attack Based on Line Impact Index
LDDDynamic Deliberate Attack Based on Line Impact Index
DRODistributionally Robust Optimization
OPFOptimal Power Flow
LIILine Impact Index
TITolerance Index
CLIICapacity Limitation Index
RBIReactance Betweenness Index
LPIILocal Positional Importance Index
CSLLICritical System Load Loss Index
NEINetwork Efficiency Index

References

  1. Yilmaz, M. Comparative Analysis of Hybrid Maximum Power Point Tracking Algorithms Using Voltage Scanning and Perturb and Observe Methods for Photovoltaic Systems under Partial Shading Conditions. Sustainability 2024, 16, 4199. [Google Scholar] [CrossRef]
  2. Yilmaz, M.; Celikel, R.; Gundogdu, A. Enhanced Photovoltaic Systems Performance: Anti-Windup PI Controller in ANN-Based ARV MPPT Method. IEEE Access 2023, 11, 90498–90509. [Google Scholar] [CrossRef]
  3. Liu, S.; Yin, K.; Zhou, C.; Gui, L.; Liang, X.; Lin, W.; Zhao, B. Susceptibility Assessment for Landslide Initiated along Power Transmission Lines. Remote Sens. 2021, 13, 5068. [Google Scholar] [CrossRef]
  4. Guo, Q.; Xin, S.; Wang, J.; Sun, H. Comprehensive Security Assessment of Information-Energy Systems Based on Ukraine Blackout Event. Autom. Electr. Power Syst. 2016, 40, 145–147. [Google Scholar]
  5. Zeng, H.; Sun, F.; Li, T.; Zhang, Q.; Tang, J.; Zhang, T. Analysis of Australia ‘9·28’ Blackout and Implications for China. Autom. Electr. Power Syst. 2017, 41, 1–6. [Google Scholar]
  6. Yan, D.; Wen, J.; Du, Z.; Yang, D.; Yao, W.; Zhao, H.; Liu, J. Analysis of the 2021 Texas Blackout and Implications for Grid Planning and Management. Power Syst. Prot. Control 2021, 49, 121–128. [Google Scholar]
  7. Tu, J.; He, J.; An, X.; Zhang, G.; Xie, Y.; Sun, W.; Li, L. Analysis and Implications of the 2023.1.23 Blackout in Pakistan. Proc. CSEE 2023, 43, 5319–5329. [Google Scholar]
  8. Wang, G.; Dong, Y.; Xu, T.; He, J.; He, J.; Zhang, Y. Analysis and Implications of Brazil ‘8.15’ Blackout. Proc. CSEE 2023, 43, 9461–9470. [Google Scholar]
  9. Li, X.; Pan, T.; Pan, K. Identification of Key Components After Unintentional Failures for Cascading Failure Protection. IEEE Trans. Netw. Sci. Eng. 2023, 10, 1003–1014. [Google Scholar] [CrossRef]
  10. Fang, X.; Yang, Q.; Yan, W. Modeling and Analysis of Cascading Failure in Directed Complex Networks. Saf. Sci. 2014, 65, 1–9. [Google Scholar] [CrossRef]
  11. Alhelou, H.H.; Hamedani-Golshan, M.E.; Njenda, T.C.; Siano, P. A Survey on Power System Blackout and Cascading Events: Research Motivations and Challenges. Energies 2019, 12, 682. [Google Scholar] [CrossRef]
  12. Ma, Z.; Liu, F.; Shen, S.; Zhang, S.; Tian, B. Rapid Identification of Vulnerable Grid Lines Based on Improved PageRank Algorithm (Part I): Theoretical Basis. Proc. CSEE 2016, 36, 6363–6370+6601. [Google Scholar]
  13. Ma, Z.; Liu, F.; Shen, S.; Zhang, J.; Gao, F. Rapid Identification of Vulnerable Grid Lines Based on Improved PageRank Algorithm (Part II): Factor Analysis. Proc. CSEE 2017, 37, 36–45. [Google Scholar]
  14. Zhu, D.; Wang, R.; Cheng, W.; Duan, J.; Wang, H. Critical Node Identification in Transmission Networks Based on Improved PageRank Algorithm. Power Syst. Prot. Control 2022, 50, 86–93. [Google Scholar]
  15. Wei, Z.; Ju, Q.; Yi, G.; Guan, X. Identification of Critical Lines in Power Grid Cascading Failures Based on Improved Leader Rank Algorithm. High Volt. Eng. 2021, 47, 4265–4273. [Google Scholar]
  16. Zou, Y.; Yao, F.; Wang, Y.; Wang, R.; Wu, L. Identification of Critical Nodes in Power Grids Based on Network Structure and Power Flow Tracking. J. Guangxi Norm. Univ. (Nat. Sci. Ed.) 2019, 37, 133–141. [Google Scholar]
  17. Fu, C.; Wang, Y.; Wang, X.; Gao, Y. Multi-node attack strategy of complex networks due to cascading breakdown. Chaos Solitons Fractals 2018, 106, 61–66. [Google Scholar]
  18. Guo, H.; Zheng, C.; Iu, H.H.-C.; Fernando, T. A Critical Review of Cascading Failure Analysis and Modeling of Power System. Renew. Sustain. Energy Rev. 2017, 80, 9–22. [Google Scholar] [CrossRef]
  19. Ding, M.; Han, P. Vulnerability Assessment of Small-World Electric Power Networks Under Weighted Topology Model. Proc. CSEE 2008, 28, 20–25. [Google Scholar]
  20. Fang, R.; Shang, R.; Wang, Y.; Guo, X. Identification of Vulnerable Lines in Power Grids with Wind Power Integration Based on a Weighted Entropy Analysis Method. Int. J. Hydrogen Energy 2017, 42, 20269–20276. [Google Scholar] [CrossRef]
  21. Liu, W.; Liang, C.; Xu, P.; Dan, Y.; Wang, J.; Wang, W. Identification of Critical Lines in Power Systems Based on Power Flow Betweenness. Proc. CSEE 2013, 33, 90–98+11. [Google Scholar]
  22. Wu, D.; Ma, F.; Javadi, M.; Thulasiraman, K.; Bompard, E.; Jiang, J.N. A Study of the Impacts of Flow Direction and Electrical Constraints on Vulnerability Assessment of Power Grid Using Electrical Betweenness Measures. Phys. A Stat. Mech. Its Appl. 2017, 466, 295–309. [Google Scholar] [CrossRef]
  23. Huang, K.; Zhang, Y.; Zheng, T.; Wang, Y.; Zhang, K.; Guan, Q. Identification of Vulnerable Components in Integrated Energy Systems Based on Complex Networks. Smart Electr. Power 2021, 49, 29–34+47. [Google Scholar]
  24. Cheng, L.; Liu, M.; Yi, J.; He, J.; He, Q. Simulation of Cascading Failures and Analysis of Vulnerable Components Based on an Operational Reliability Model. Power Syst. Technol. 2016, 40, 1488–1494. [Google Scholar]
  25. Li, L.; Liu, L.; Wu, H.; Song, Y.; Song, D.; Liu, Y. Identification of Critical Hidden Failure Line Based on State-failure-network. J. Mod. Power Syst. Clean Energy 2022, 10, 40–49. [Google Scholar] [CrossRef]
  26. Panteli, M.; Trakas, D.N.; Mancarella, P.; Hatziargyriou, N.D. Power Systems Resilience Assessment: Hardening and Smart Operational Enhancement Strategies. Proc. IEEE 2017, 105, 1202–1213. [Google Scholar] [CrossRef]
  27. Wang, Y.; Chen, C.; Wang, J. Research on resilience of power systems under natural disasters-a review. IEEE Trans. Power Syst. 2015, 31, 1604–1613. [Google Scholar] [CrossRef]
  28. Liu, X.; Chen, J.; Li, Z. Elastic evaluation of power system considering chain failure under typhoon disaster. Jilin Electr. Power 2023, 51, 27–30. [Google Scholar]
  29. Hammad, E. Resilient Cooperative Microgrid Networks. IEEE Trans. Ind. Inform. 2020, 16, 1539–1548. [Google Scholar] [CrossRef]
  30. Liu, Z.; Wang, L. Leveraging Network Topology Optimization to Strengthen Power Grid Resilience Against Cyber-Physical Attacks. IEEE Trans. Smart Grid 2021, 12, 1552–1564. [Google Scholar] [CrossRef]
  31. He, D.; Xu, J.; Chen, X. Information-Theoretic-Entropy Based Weight Aggregation Method in Multiple-Attribute Group Decision-Making. Entropy 2016, 18, 171. [Google Scholar] [CrossRef]
  32. Schmidt, K.; Aumann, I.; Hollander, I.; Damm, K.; von der Schulenburg, J.M.G. Applying the Analytic Hierarchy Process in Healthcare Research: A Systematic Literature Review and Evaluation of Reporting. BMC Med. Inform. Decis. Mak. 2015, 15, 112. [Google Scholar] [CrossRef] [PubMed]
  33. Yu, M.; Zhang, S.; Shi, F.; Sun, J.; Wei, J.; Wu, Y.; Hu, J. Key Transmission Section Search Based on Graph Theory and PMU Data for Vulnerable Line Identification in Power System. J. Electr. Comput. Eng. 2023, 2023, 8643537. [Google Scholar]
  34. Cao, Y.; Zhang, Y.; Lin, H.; Han, H. Power system self-organized criticality recognition based on assortativity. Electr. Power Autom. Equip. 2013, 33, 6–11. [Google Scholar]
  35. Bouwmans, T.; Zahzah, E.H. Robust PCA via Principal Component Pursuit: A review for a comparative evaluation in video surveillance. Comput. Vis. Image Underst. 2014, 122, 22–34. [Google Scholar] [CrossRef]
  36. Bompard, E.; Wu, D.; Xue, F. The concept of betweenness in the analysis of power grid vulnerability. In Proceedings of the 2010 Complexity in Engineering, Rome, Italy, 22–24 February 2010. [Google Scholar]
  37. Zhou, X.; Zhang, F.M.; Li, K.W.; Hui, X.B.; Wu, H.S. Finding vital node by node importance evaluation matrix in complex networks. Acta Phys. Sin. 2012, 61, 050201. [Google Scholar] [CrossRef]
  38. Wei, X.; Gao, S.; Li, D.; Huang, T.; Pi, R.; Wang, T. Cascading fault graph for the analysis of transmission network vulnerability under different attacks. Proc. CSEE 2018, 38, 465–474. [Google Scholar]
  39. Liu, W.; Zhang, D.; Ding, Y.; Wu, Q.; Deng, C.Y.; Liu, D.W. Power grid vulnerability identification methods based on random matrix theory and entropy theory. Proc. CSEE 2017, 37, 5893–5901. [Google Scholar]
  40. Xu, L.; Wang, X.; Wang, X. Electric betweenness and its application in vulnerable line identification in power system. Proc. CSEE 2010, 30, 33–39. [Google Scholar]
  41. Song, P.J.; Cotilla-Sanchez, E.; Ghanavati, G.; Hines, P.D. Dynamic modeling of cascading failure in power systems. IEEE Trans. Power Syst. 2016, 31, 2085–2095. [Google Scholar] [CrossRef]
Figure 1. Parameters of line.
Figure 1. Parameters of line.
Energies 17 06013 g001
Figure 2. Equal phase angle line diagram.
Figure 2. Equal phase angle line diagram.
Energies 17 06013 g002
Figure 3. Master and sub-problems for the solution of the multi-level DRO-based models.
Figure 3. Master and sub-problems for the solution of the multi-level DRO-based models.
Energies 17 06013 g003
Figure 4. Evaluation process flowchart for transmission line importance levels based on multidimensional information feature mapping.
Figure 4. Evaluation process flowchart for transmission line importance levels based on multidimensional information feature mapping.
Energies 17 06013 g004
Figure 5. IEEE-39 bus system diagram.
Figure 5. IEEE-39 bus system diagram.
Energies 17 06013 g005
Figure 6. Comparison of transmission line importance evaluation indictor values.
Figure 6. Comparison of transmission line importance evaluation indictor values.
Energies 17 06013 g006
Figure 7. Normalized values of transmission line evaluation indictors.
Figure 7. Normalized values of transmission line evaluation indictors.
Energies 17 06013 g007
Figure 8. Importance ranking of transmission lines in the IEEE-39 bus system.
Figure 8. Importance ranking of transmission lines in the IEEE-39 bus system.
Energies 17 06013 g008
Figure 9. Network efficiency index under static attack modes using different evaluation methods.
Figure 9. Network efficiency index under static attack modes using different evaluation methods.
Energies 17 06013 g009
Figure 10. Network efficiency index under different attack modes.
Figure 10. Network efficiency index under different attack modes.
Energies 17 06013 g010
Table 1. Key variables and objectives of multi-layer distributed robust optimization problem.
Table 1. Key variables and objectives of multi-layer distributed robust optimization problem.
Decision VariableObjective Function
Layer 1 ζ i , j , ( i , j ) E min ω Ω π ω Ψ ω *
Layer 2 π ω , ω Ω max ω Ω π ω Ψ ω *
Layer 3 α i , j , ω , ( i , j ) E , ω Ω max Ψ ω * , ω Ω
Last layer δ i , ω , i N , ω Ω min Ψ ω * , ω Ω
Table 2. Single indicator values and importance ranking of transmission lines.
Table 2. Single indicator values and importance ranking of transmission lines.
Importance Level I i n d e x T i n d e x C i n d e x B e , i n d e x C Z i n , i n d e x C Z o u t , i n d e x Λ i n d e x
LineIndex ValueLineIndex ValueLineIndex ValueLineIndex ValueLineIndex ValueLineIndex ValueLineIndex Value
1181461221.00029120191141
2310.976400.98130.950220.450230.996270.959310.985
380.943200.972120.93050.36680.805200.923180.978
4370.942260.938270.85110.356210.664110.81070.934
5170.938190.925290.687210.25990.568220.706380.92
6450.927310.905340.67230.255290.53330.66440.904
7120.912270.888160.66560.23030.516210.488120.879
8380.90360.833230.60920.216220.510290.420410.847
9270.879110.83380.559270.202110.50240.41980.840
10160.864240.785170.516250.179310.486160.403230.806
Table 3. Subjective, objective, and comprehensive weights of transmission line importance evaluation indexes.
Table 3. Subjective, objective, and comprehensive weights of transmission line importance evaluation indexes.
Weight I i n d e x T i n d e x C i n d e x B e , i n d e x C Z i n , i n d e x C Z o u t , i n d e x Λ i n d e x
W 1 0.1190.1440.1400.1780.1660.1230.131
W 2 0.1510.1310.1780.1090.0670.0670.297
W 0.1510.1380.1780.1250.0870.0790.280
Table 4. Transmission line importance evaluation results for the IEEE-39 bus system using different methods.
Table 4. Transmission line importance evaluation results for the IEEE-39 bus system using different methods.
Importance LevelComprehensive Evaluation MethodRef. [40]Ref. [41]
1Line 22Line 22Line 21
2Line 29Line 9Line 20
3Line 3Line 10Line 22
4Line 20Line 11Line 26
5Line 27Line 13Line 19
6Line 23Line 7Line 31
7Line 11Line 18Line 4
8Line 12Line 19Line 25
9Line 9Line 17Line 6
10Line 8Line 26Line 3
Disclaimer/Publisher’s Note: The statements, opinions and data contained in all publications are solely those of the individual author(s) and contributor(s) and not of MDPI and/or the editor(s). MDPI and/or the editor(s) disclaim responsibility for any injury to people or property resulting from any ideas, methods, instructions or products referred to in the content.

Share and Cite

MDPI and ACS Style

Chen, K.; Tie, Y.; Li, M. Importance Evaluation of Power Grid Transmission Lines Based on Multidimensional Information Feature Mapping. Energies 2024, 17, 6013. https://doi.org/10.3390/en17236013

AMA Style

Chen K, Tie Y, Li M. Importance Evaluation of Power Grid Transmission Lines Based on Multidimensional Information Feature Mapping. Energies. 2024; 17(23):6013. https://doi.org/10.3390/en17236013

Chicago/Turabian Style

Chen, Keji, Yingqi Tie, and Maohua Li. 2024. "Importance Evaluation of Power Grid Transmission Lines Based on Multidimensional Information Feature Mapping" Energies 17, no. 23: 6013. https://doi.org/10.3390/en17236013

APA Style

Chen, K., Tie, Y., & Li, M. (2024). Importance Evaluation of Power Grid Transmission Lines Based on Multidimensional Information Feature Mapping. Energies, 17(23), 6013. https://doi.org/10.3390/en17236013

Note that from the first issue of 2016, this journal uses article numbers instead of page numbers. See further details here.

Article Metrics

Back to TopTop