Integrating Cold Thermal Energy Storage for Air Conditioning Demand in a CO2 Refrigeration System at a Supermarket
Abstract
1. Introduction
- Sensible TES: This method, the most economical, has the lowest energy density and is extensively used, particularly in the HVAC sector;
- Thermochemical TES: featuring the highest energy density, this method is still under research and is characterized by its higher cost [15].
2. Methods
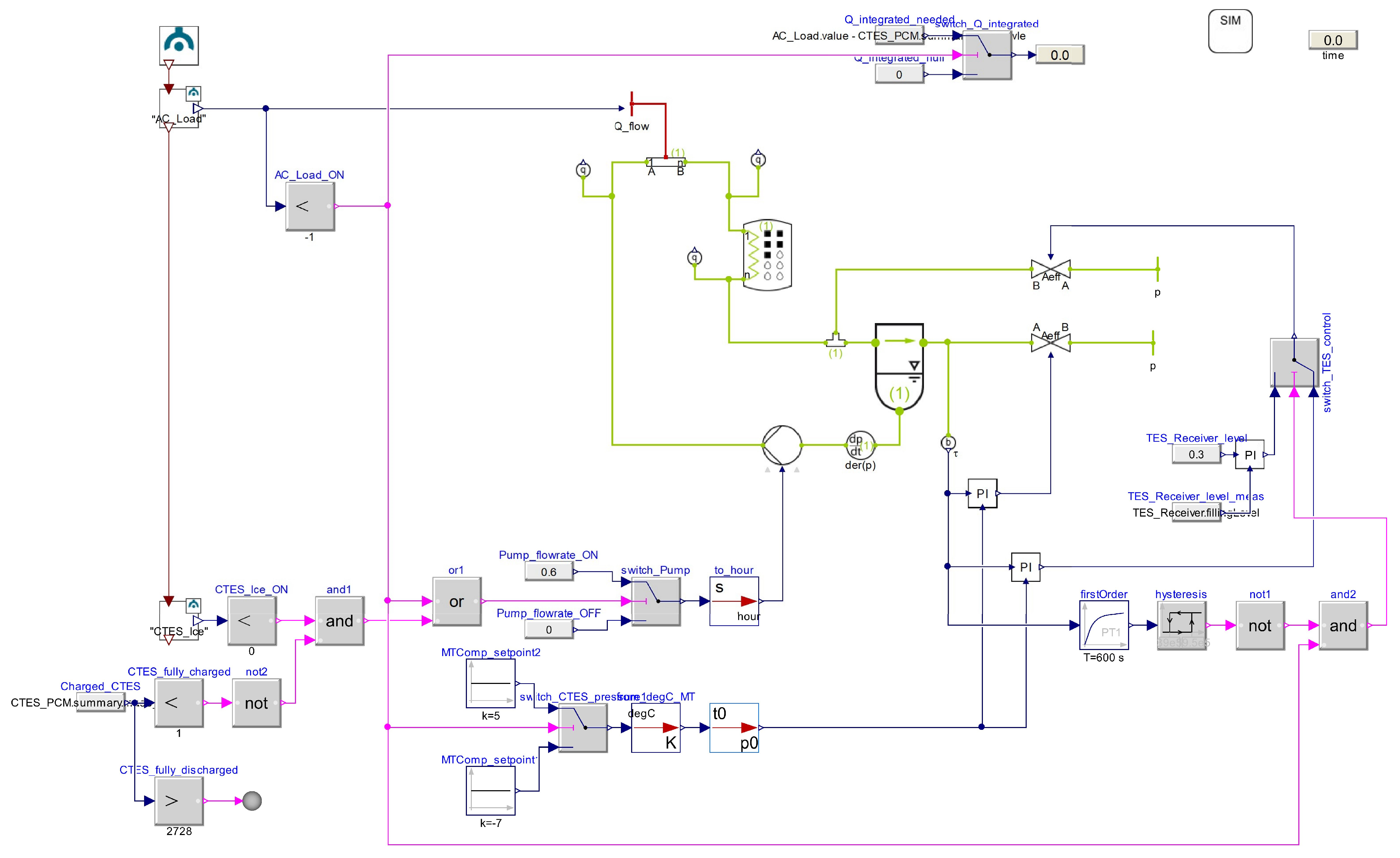
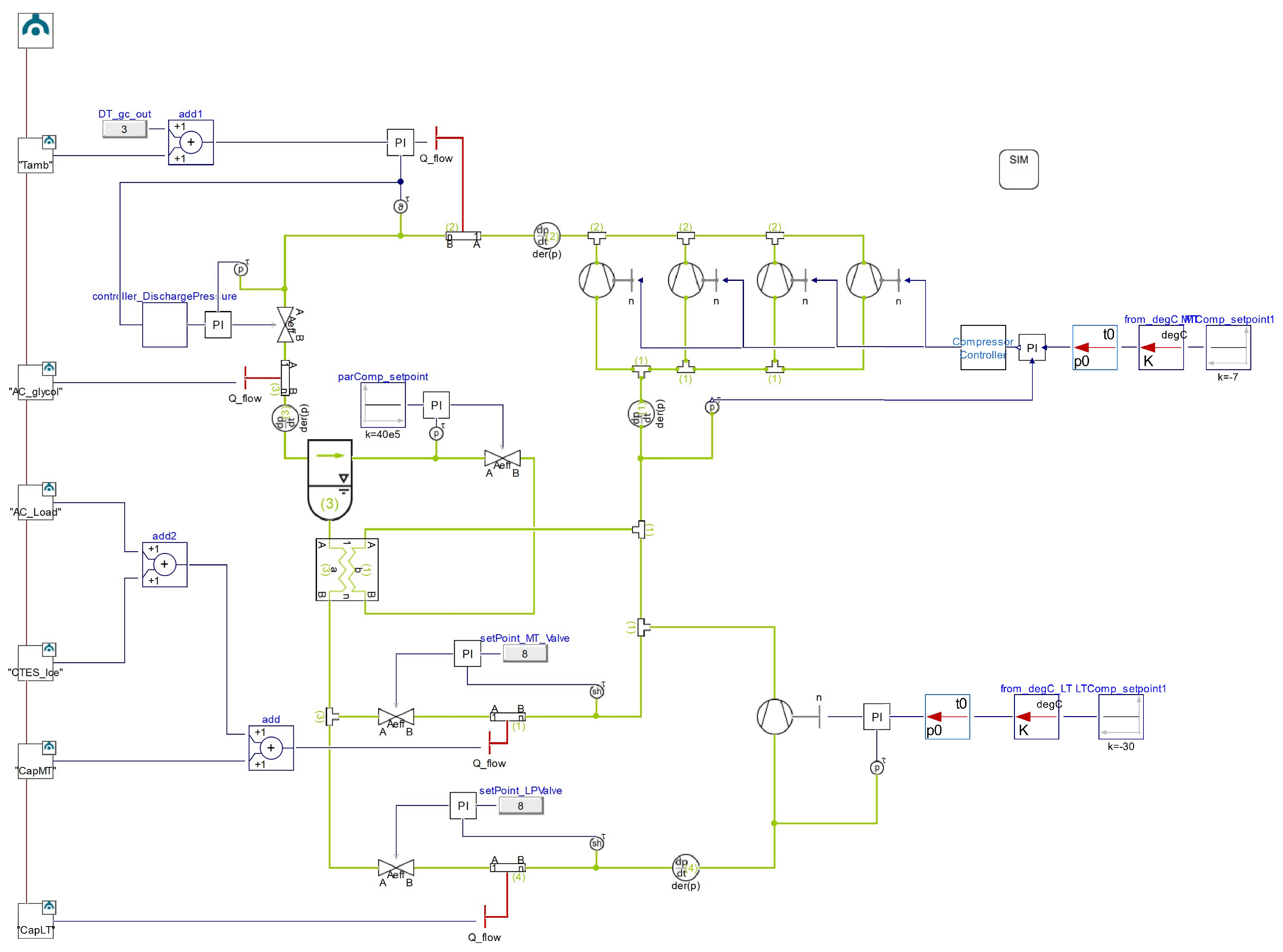
2.1. Description of the System
2.2. Simulation Models
- Transmission and ventilation gains ( and ): they increase linearly with rising outdoor temperatures as shown in Formula (2);
- Solar gains ();
- Internal gains (): arise from the number of occupants and heat released by electrical equipment, including lighting and plug-in freezers.
- Below 21 °C: the shop’s cooling demand can be met entirely by leveraging free cooling from outdoor air;
- 21–23 °C: a mix of free cooling and AC is needed to satisfy the demand;
- Above 23 °C: free cooling is not feasible, and the AHU entirely provides cooling, with a linear increase in demand corresponding to temperature rises.
- Hourly values of the outdoor temperature ;
- Indoor shop temperature = 23 °C. It corresponds to the return air temperature ;
- Constant air volume flow rate = 15,000 m3/h;
- Constant air density = 1.2 and air specific heat capacity = 1.005 kJ/(kgK);
- AC needed when the outdoor temperature is higher than 21 °C. Below this threshold, the shop’s cooling demand can be met with free cooling using external fresh air;
- Air recirculation rate = 50%, when the outdoor temperature is higher than the indoor shop temperature. Else = 0%, so the AHU works with fresh air only. The temperature after the mixing is calculated with Formula (3);
- Efficiency of the heat recovery = 0.8. Heat recovery is active only if the return air temperature is lower than the ambient temperature. The fresh air temperature after the recovery is calculated with Formula (4);
- Supply air temperature with a decreasing linear trend as the outdoor temperature increases. When the outdoor temperature is 30 °C and 21 °C, the supply air temperature is 18 °C and 21 °C, respectively. The line function is expressed in Formula (5);
- Sensible heat is considered only. The latent heat for de-humidification is neglected.
3. Results and Discussion
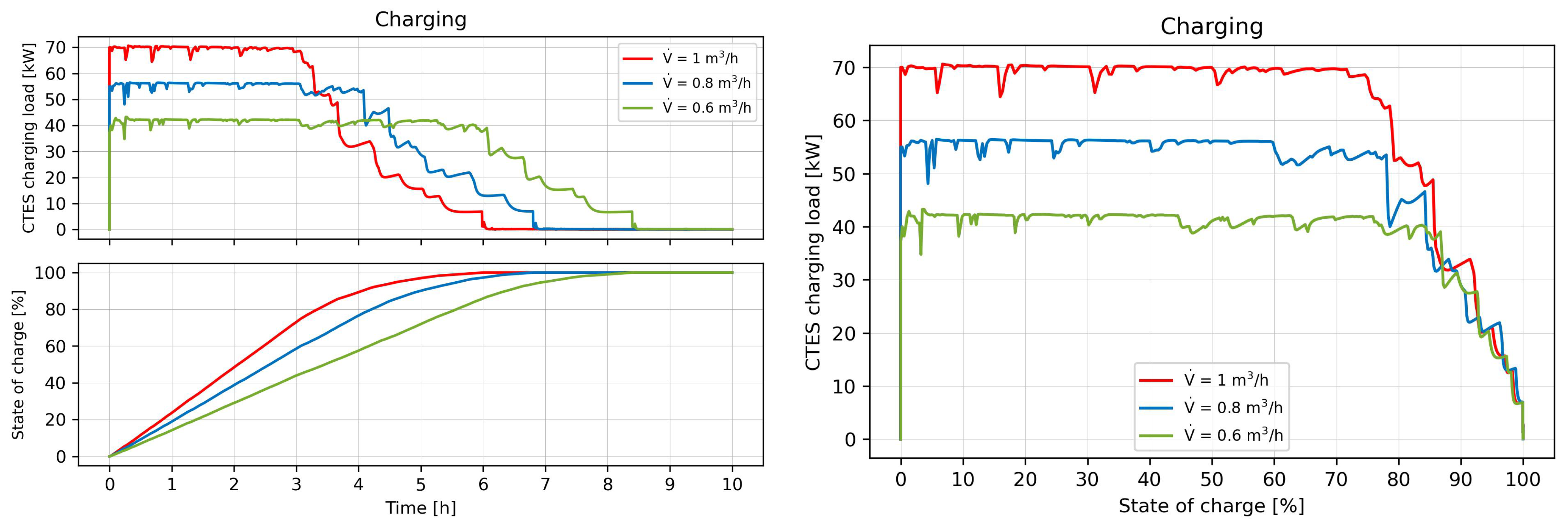
3.1. Charging and Discharging Simulations
- Enhancing the PCM’s thermal conductivity: This approach involves incorporating high-thermal-conductivity additives into the PCM, such as metal or carbon-based nanoparticles. These additives improve the PCM’s ability to transfer heat, but challenges include ensuring uniform dispersion and avoiding significant changes to the PCM’s phase-change properties [35].
- Improving heat exchanger thermal properties: This method focuses on optimizing the heat exchanger design, such as by integrating fins or other surface modifications to increase the heat transfer area [36]. Studies indicate that this approach generally provides greater performance improvements compared to modifying the PCM itself [37].
3.2. Day Simulations
3.3. Further Works
- Simulation under real operating conditions: A limiting factor of this study is the availability of real loads and systems data. Thus, an additional improvement for this study would be to test the simulation models under actual operating conditions of the supermarket, such as MT, LT, and AC loads and control strategies;
- Pilot-scale demonstration: The TES-AC system is planned for construction and testing in a pilot supermarket. The results from these tests can then be compared with simulation results;
- Winter utilization: During winter, the CTES could be adapted to refrigerate display fridge cabinets that require moderate temperatures (8–10 °C), suitable for items like salad, vegetables, and beverages. This seasonal application extends the operational use of the system beyond the AC season, increasing the monetary savings.
- Investigation in warmer climates: The performance of the TES-AC system in warmer climates, where cooling demand is more continuous and intense, should be investigated. Simulations and experiments in regions with higher average temperatures would provide insights into the system’s behavior under challenging conditions, highlighting its adaptability and potential for applications in various climate conditions.
- Economic analysis: To determine the economic feasibility of the system, a detailed economic analysis is crucial. This should include potential cost savings from eliminating the current water-glycol circuit and reducing compressor sizes, as well as the potential revenue from participating in the frequency regulation market.
4. Conclusions
Author Contributions
Funding
Data Availability Statement
Acknowledgments
Conflicts of Interest
Abbreviations
| AC | air conditioning |
| AHU | air handling unit |
| CTES | cold thermal energy storage |
| FGBV | flash gas bypass valve |
| GC | gas cooler |
| HPV | high-pressure valve |
| LT | low temperature |
| MT | medium temperature |
| P&ID | piping and instrumentation diagram |
| PCM | phase change material |
| SoC | state-of-charge |
| TES | thermal energy storage |
| TES-AC | thermal energy storage for air conditioning |
References
- International Energy Agency. The Future of Cooling. 2018. Available online: https://www.iea.org/reports/the-future-of-cooling (accessed on 17 September 2024).
- Gruber, S.; Rola, K.; Urbancl, D.; Goričanec, D. Recent Advances in Ejector-Enhanced Vapor Compression Heat Pump and Refrigeration Systems—A Review. Energies 2024, 17, 4043. [Google Scholar] [CrossRef]
- Li, L.; Tian, H.; Liu, K.; Wu, Y.; Wang, X.; Liang, X.; Shu, G. Optimum pressure control with three controllable ejectors of a CO2 multi-ejector refrigeration system. Int. J. Refrig. 2024, 157, 172–185. [Google Scholar] [CrossRef]
- Gullo, P.; Kærn, M.R. Experimental performance comparison of various expansion devices for small-capacity subcritical R744 vapour-compression refrigeration units. Int. J. Refrig. 2024, 168, 768–776. [Google Scholar] [CrossRef]
- Sarkar, J.; Agrawal, N. Performance optimization of transcritical CO2 cycle with parallel compression economization. Int. J. Therm. Sci. 2010, 49, 838–843. [Google Scholar] [CrossRef]
- Llopis, R.; Nebot-Andrés, L.; Sánchez, D.; Catalán-Gil, J.; Cabello, R. Subcooling methods for CO2 refrigeration cycles: A review. Int. J. Refrig. 2018, 93, 85–107. [Google Scholar] [CrossRef]
- Pardiñas, A.A.; Contiero, L.; Hafner, A.; Banasiak, K.; Larsen, L.F.S. Attaining a higher flexibility degree in CO2 compressor racks. In Proceedings of the 14th IIR-Gustav Lorentzen Conference on Natural Refrigerants (GL2020), Kyoto, Japan, 7–9 December 2020. [Google Scholar] [CrossRef]
- Bush, J.; Aute, V.; Radermacher, R. Thermal storage subcooling for CO2 booster refrigeration systems. Sci. Technol. Built Environ. 2019, 25, 570–587. [Google Scholar] [CrossRef]
- Sarbu, I.; Sebarchievici, C. A Comprehensive Review of Thermal Energy Storage. Sustainability 2018, 10, 191. [Google Scholar] [CrossRef]
- Rocha, T.T.M.; Trevizoli, P.V.; de Oliveira, R.N. A timeline of the phase-change problem for latent thermal energy storage systems: A review of theoretical approaches from the 1970’s to 2022. Sol. Energy 2023, 250, 248–284. [Google Scholar] [CrossRef]
- Souayfane, F.; Fardoun, F.; Biwole, P.H. Phase change materials (PCM) for cooling applications in buildings: A review. Energy Build. 2016, 129, 396–431. [Google Scholar] [CrossRef]
- Cartesian AS. Available online: https://cartesian.no/ (accessed on 18 November 2024).
- Cowa Thermal Solutions AG. Available online: https://www.cowa-ts.com/en/ (accessed on 18 November 2024).
- Sunamp Ltd. Available online: https://sunamp.com/ (accessed on 18 November 2024).
- Desai, F.; Sunku Prasad, J.; Muthukumar, P.; Rahman, M.M. Thermochemical energy storage system for cooling and process heating applications: A review. Energy Convers. Manag. 2021, 229, 113617. [Google Scholar] [CrossRef]
- Ure, Z. Thermal energy storage for cold chain applications. In Proceedings of the 7th IIR International Conference on Sustainability and the Cold Chain, Online, 11–13 April 2022. [Google Scholar] [CrossRef]
- D’agaro, P.; Libralato, M.; Toffoletti, G.; Cortella, G. Ice thermal energy storage for electricity peak shaving in a commercial refrigeration/HVAC unit. In Proceedings of the 6th IIR Conference on Thermophysical Properties and Transfer Processes of Refrigerants, Virtual, 1–3 September 2021. [Google Scholar] [CrossRef]
- Toffoletti, G.; Cortella, G.; D’Agaro, P. Thermodynamic and economic seasonal analysis of a transcritical CO2 supermarket with HVAC supply through ice thermal energy storage (ITES). J. Clean. Prod. 2024, 434, 139832. [Google Scholar] [CrossRef]
- Coccia, G.; Arteconi, A.; D’agaro, P.; Polonara, F.; Cortella, G. Demand side management of a commercial refrigeration system with cold thermal energy storage. In Proceedings of the 25th IIR International Congress of Refrigeration, Montréal, QC, Canada, 24–30 August 2019. [Google Scholar] [CrossRef]
- Maouris, G.; Sarabia Escriva, E.J.; Acha, S.; Shah, N.; Markides, C.N. CO2 refrigeration system heat recovery and thermal storage modelling for space heating provision in supermarkets: An integrated approach. Appl. Energy 2020, 264, 114722. [Google Scholar] [CrossRef]
- Yang, L.; Xu, H.; Cola, F.; Akhmetov, B.; Gil, A.; Cabeza, L.F.; Romagnoli, A. Shell-and-Tube Latent Heat Thermal Energy Storage Design Methodology with Material Selection, Storage Performance Evaluation, and Cost Minimization. Appl. Sci. 2021, 11, 4180. [Google Scholar] [CrossRef]
- Cortella, G.; Toffoletti, G.; Libralato, M.; D’Agaro, P. Demand side management through latent thermal storage in HVAC systems coupled with commercial refrigeration units. In Proceedings of the 15th IIR-Gustav Lorentzen Conference on Natural Refrigerants (GL2022), Trondheim, Norway, 13–15 June 2022. [Google Scholar] [CrossRef]
- Galteland, O.; Gouis, M.; Salgado-Beceiro, J.; Sevault, A. Fourteen months operation of a 200 kWh latent heat storage pilot. In Proceedings of the 8th International Conference on Smart and Sustainable Technologies (SpliTech), Split/Bol, Croatia, 20–23 June 2023; pp. 1–5. [Google Scholar] [CrossRef]
- Tommasini, D. Integration of a Cold Thermal Energy Storage for Air Conditioning Demand in a CO2 Refrigeration System of a Supermarket. Master’s Thesis, NTNU, Trondheim, Norway, 2023. Available online: https://ntnuopen.ntnu.no/ntnu-xmlui/handle/11250/3099019 (accessed on 30 October 2024).
- Selvnes, H. Development of Cold Thermal Energy Storage for Industrial Refrigeration Applications. Doctoral Thesis, NTNU, Trondheim, Norway, 2022. [Google Scholar]
- Dassault Systèmes. Dymola. Available online: https://www.3ds.com/products/catia/dymola (accessed on 18 November 2024).
- TLK-Thermo GmbH/Engineering Services and Software for Thermal Systems. Available online: https://www.tlk-thermo.com/en/ (accessed on 18 November 2024).
- Försterling, S.; Selvnes, H.; Sevault, A. Validation of a Modelica numerical model for pillow plate heat exchangers using phase change material. In Proceedings of the 15th IIR-Gustav Lorentzen Conference on Natural Refrigerants (GL2022), Trondheim, Norway, 13–15 June 2022. [Google Scholar] [CrossRef]
- Selvnes, H.; Pardiñas, A.A.; Hafner, A. Cold thermal energy storage for air conditioning in a supermarket CO2 booster refrigeration system. In Proceedings of the 10th IIR Conference on Ammonia and CO2 Refrigeration Technologies, Ohrid, North Macedonia, 27–29 April 2023. [Google Scholar] [CrossRef]
- Norsk Klimaservicesenter. Available online: https://klimaservicesenter.no/ (accessed on 18 November 2024).
- Hansen, M.; Rasul, M. Performance assessment and improvement of an existing air conditioning system of a supermarket: A case study on bi-lo supermarket. In Proceedings of the 3rd IASME/WSEAS International Conference on Energy & Environment (EE 08), Cambridge, UK, 23–25 February 2008; pp. 55–60. [Google Scholar]
- Nord Pool. Available online: https://www.nordpoolgroup.com/en/ (accessed on 18 November 2024).
- Huang, W.; Li, Z.; Liu, X.; Zhao, H.; Guo, S.; Jia, Q. Effective thermal conductivity of reservoir freshwater ice with attention to high temperature. Ann. Glaciol. 2013, 54, 189–195. [Google Scholar] [CrossRef]
- Bonales, L.J.; Rodriguez, A.C.; Sanz, P.D. Thermal conductivity of ice prepared under different conditions. Int. J. Food Prop. 2017, 20, 610–619. [Google Scholar] [CrossRef]
- Tan, S.; Zhang, X. Progress of research on phase change energy storage materials in their thermal conductivity. J. Energy Storage 2023, 61, 106772. [Google Scholar] [CrossRef]
- Zhang, S.; Mancin, S.; Pu, L. A review and prospective of fin design to improve heat transfer performance of latent thermal energy storage. J. Energy Storage 2023, 62, 106825. [Google Scholar] [CrossRef]
- Belinson, M.; Groulx, D. Numerical assessment of the impact of a pcm thermal conductivity on a storage system’s performance. In Proceedings of the 14th IIR Conference on Phase-Change Materials and Slurries for Refrigeration and Air Conditioning, Paris, France, 29–31 May 2024. [Google Scholar] [CrossRef]
- ECES; IEA. Thermal Energy Storage. Available online: https://iea-es.org/thermal-energy-storage/ (accessed on 18 November 2024).














| Level | Evaporation Temperature [°C] | Maximum Load [kW] |
|---|---|---|
| AC | 5 | 30 |
| MT | 40 | |
| LT | 4 |
| Model | Quantity | Application Level | Maximum Power Input [kW] | Nominal Displacement (1450 RPM 50 Hz) [m3/h] |
|---|---|---|---|---|
| 4KTE-10K | 2 | MT | 12.9 | 9.6 |
| 4PTE-7K | 2 | MT | 8.2 | 4.3 |
| 2MME-1K | 1 | LT | 1.4 | 1.73 |
| Model | No. of Frequency-Regulated Compressors over the Total | Nominal Frequency [Hz] | Minimum Frequency [Hz] | Maximum Frequency [Hz] |
|---|---|---|---|---|
| 4KTE-10K | 0/2 | 50 | - | - |
| 4PTE-7K | 1/2 | 50 | 30 | 70 |
| 2MME-1K | 1/1 | 50 | 40 | 70 |
| Load Demand [kWh] | Energy Consumed [kWh] | Average COP [-] | |||
|---|---|---|---|---|---|
| System: | Both | Reference | TES-AC | Reference | TES-AC |
| Average day | 935.8 | 383.27 | 357.41 (−6.75%) | 2.44 | 2.62 (+7.4%) |
| Hottest day | 1022.5 | 483.36 | 426.13 (−11.84%) | 2.12 | 2.40 (+13.2%) |
| TES-AC System [EUR] | Reference System [EUR] | Difference [EUR] | Reduction [%] | |
|---|---|---|---|---|
| Average day | 24.84 | 27.20 | 2.36 | 8.67 |
| Hottest day | 34.78 | 39.78 | 5.00 | 12.56 |
Disclaimer/Publisher’s Note: The statements, opinions and data contained in all publications are solely those of the individual author(s) and contributor(s) and not of MDPI and/or the editor(s). MDPI and/or the editor(s) disclaim responsibility for any injury to people or property resulting from any ideas, methods, instructions or products referred to in the content. |
© 2024 by the authors. Licensee MDPI, Basel, Switzerland. This article is an open access article distributed under the terms and conditions of the Creative Commons Attribution (CC BY) license (https://creativecommons.org/licenses/by/4.0/).
Share and Cite
Tommasini, D.; Selvnes, H.; Hafner, A. Integrating Cold Thermal Energy Storage for Air Conditioning Demand in a CO2 Refrigeration System at a Supermarket. Energies 2024, 17, 5923. https://doi.org/10.3390/en17235923
Tommasini D, Selvnes H, Hafner A. Integrating Cold Thermal Energy Storage for Air Conditioning Demand in a CO2 Refrigeration System at a Supermarket. Energies. 2024; 17(23):5923. https://doi.org/10.3390/en17235923
Chicago/Turabian StyleTommasini, Davide, Håkon Selvnes, and Armin Hafner. 2024. "Integrating Cold Thermal Energy Storage for Air Conditioning Demand in a CO2 Refrigeration System at a Supermarket" Energies 17, no. 23: 5923. https://doi.org/10.3390/en17235923
APA StyleTommasini, D., Selvnes, H., & Hafner, A. (2024). Integrating Cold Thermal Energy Storage for Air Conditioning Demand in a CO2 Refrigeration System at a Supermarket. Energies, 17(23), 5923. https://doi.org/10.3390/en17235923

