Simultaneous Optimization of Network Reconfiguration and Soft Open Points Placement in Radial Distribution Systems Using a Lévy Flight-Based Improved Equilibrium Optimizer
Abstract
1. Introduction
- Proposing a new method for optimal reconfiguration of RDS, including SOPs based on graph theory.
- Introducing the Lévy Flight-based Improved Equilibrium Optimizer (LF-IEO) algorithm for solving the optimization problem. This algorithm incorporates several enhancements to improve performance and convergence.
- Applying the proposed method to test networks, including the IEEE 33-bus, IEEE 69-bus, and IEEE 118-bus systems, and validating it on an Algerian power company’s 116-bus distribution system, demonstrating its scalability and real-world applicability.
2. Methodology
2.1. Equilibrium Optimizer (EO)
| Algorithm 1: Equilibrium Optimizer (EO) |
![]() |
2.2. The Proposed Levy Flight-Based Improved Equilibrium Optimizer (LF-IEO)
- A.
- Good Point Set-based (GPS) initialization
| Algorithm 2: GPS-based Initialization |
![]() |
- B.
- Levy Flight (LF) strategy
- C.
- Fast Random Opposition-Based Learning FROBL
| Algorithm 3: Fast random opposition-based learning |
![]() |
- D.
- Enhancing EO with Oscillating Generation Probability.
- E.
- Key Advantages of LF-IEO
- Enhanced Search Space Exploration:
- -
- The GPS initialization ensures a more uniform initial population distribution compared to random initialization, providing better coverage of the search space from the start.
- -
- The LF strategy allows both small-scale local searches and random big jumps, which allow the algorithm to break out of local optima faster than random walks.
- Improved Local Optima Avoidance:
- -
- The FROBL mechanism generates opposite solutions with controlled randomness through a sinusoidal function, helping avoid local optima traps. Additionally, an adaptive factor k in FROBL decreases over iterations, providing a natural transition from exploration to exploitation.
- Balanced Exploration-Exploitation:
- -
- The combination of the LF strategy and the FROBL mechanism provides an effective balance between global exploration and local exploitation. This adaptive balance helps avoid premature convergence while ensuring efficient convergence to optimal solutions.
- Computational Efficiency:
- -
- GPS initialization reduces the number of iterations needed to find high-quality solutions, thereby considerably reducing the computation time required to reach the optimal solution.
2.3. LF-IEO Performance Evaluation
3. Problem Formulation
3.1. SOPs Modeling
3.2. Objective Function
3.3. System Constraints
- A.
- Power Flow Equations
- (a)
- Net Active Power Balance:
- (b)
- Net Reactive Power Balance:where and are the active and reactive power load at bus i.
- B.
- Voltage Profile Constraints
- C.
- Branch Flow Limits:
- D.
- Operating constraints of SOPs
3.4. Constraints Handling Techniques
- A.
- Equality Constraints
| Algorithm 4: Backward-Forward Load Flow Method with SOPs |
![]() |
- B.
- Inequality Constraints
4. Application of LF-IEO in the Proposed Problem
4.1. Encoding/Decoding Solutions
- A.
- Encoding process
- B.
- Decoding process
| Algorithm 5: Decoding Solutions |
![]() |
4.2. Flowchart Description of the LF-IEO Algorithm Process
5. Simulation Results and Discussion
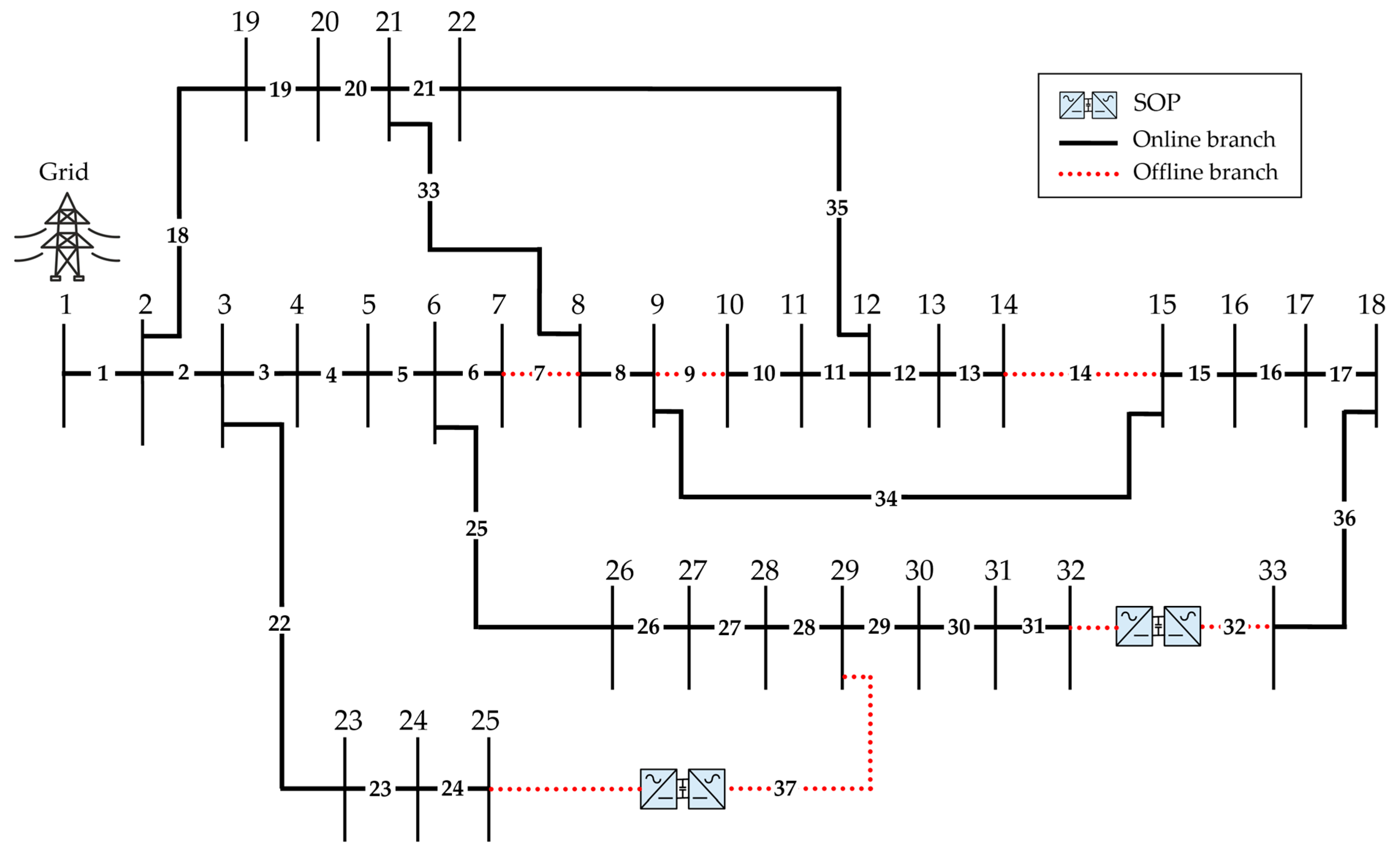
5.1. IEEE 33-Bus Test System
5.2. IEEE 69-Bus Test System
5.3. IEEE 118-Bus Test System
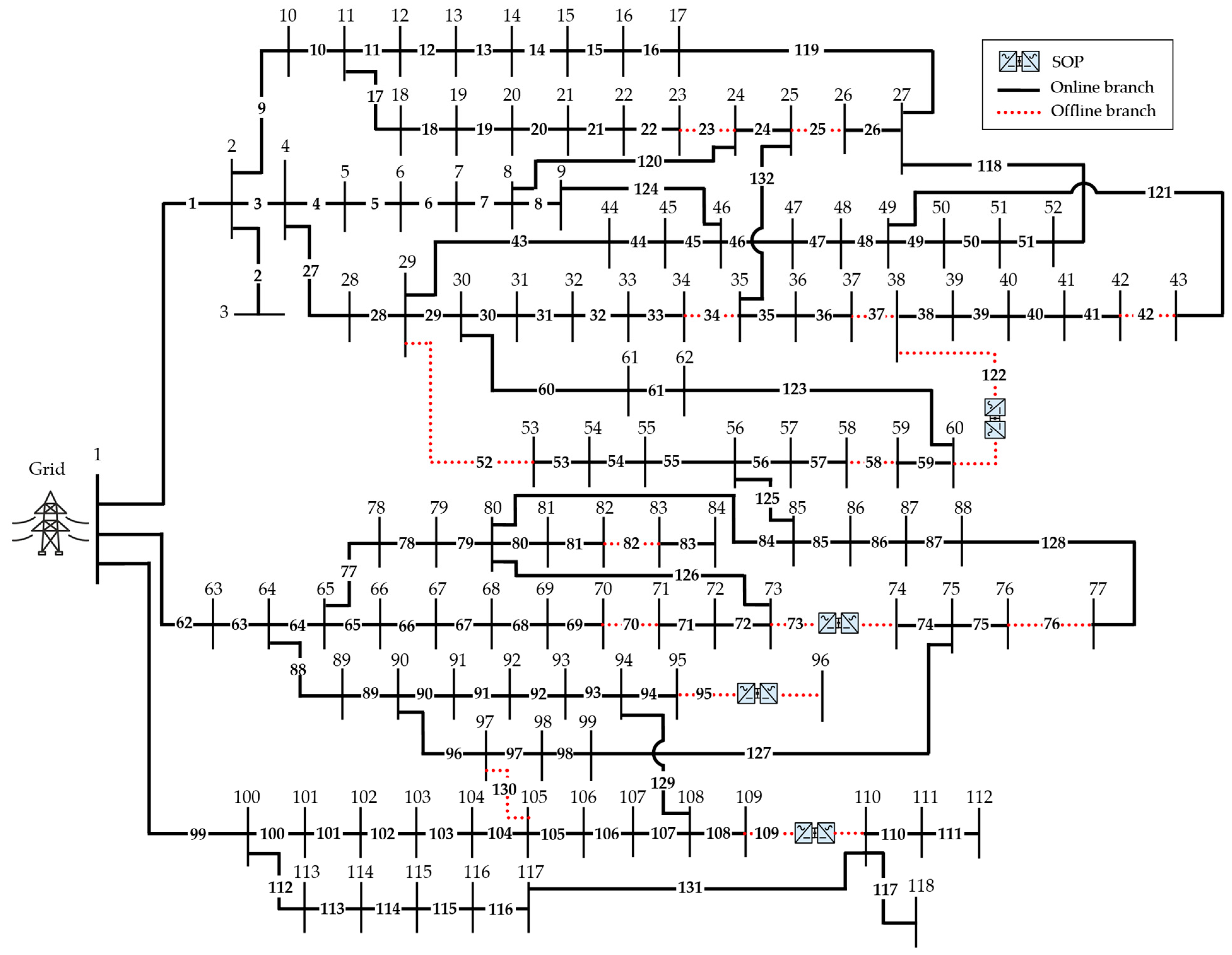
5.4. Real 116-Bus Distribution System in Algeria
5.5. Comparative Study
6. Conclusions
Author Contributions
Funding
Data Availability Statement
Acknowledgments
Conflicts of Interest
Appendix A
| Abbreviation | Definition | Abbreviation | Definition |
|---|---|---|---|
| LF-IEO | Levy Flight | GWO | Grey Wolf Optimizer |
| EO | Equilibrium Optimizer | BOA | Butterfly Optimization Algorithm |
| GPS | Good Point Set | WOA | Whale Optimization Algorithm |
| FROBL | Fast Random Opposition-Based Learning | MVO | Multi-Verse Optimizer |
| SOP | Soft Open Point | SSA | Salp Swarm Algorithm |
| BFLF | Backward-Forward Load Flow | ALO | Ant Lion Optimizer |
| BCBV | Branch Current to Bus Voltage | SCA | Sine Cosine Algorithm |
| BIBC | Bus Injection to Branch Current | BFO | Bacterial Foraging Optimization |
| VSC | Voltage Source Converter | NOP | Normally Open Point |
| OGP | Oscillating Generation Probability | NCC | Normally Closed Condition |
Appendix B
| N | Branch | Load at Destination Bus | Branch Parameters | Status | ||||
|---|---|---|---|---|---|---|---|---|
| From | To | PL (MW) | QL (MVAr) | R (p.u.) | X (p.u.) | Imax (A) | ||
| 1 | 1 | 2 | 0.133840 | 0.101140 | 0.0002975 | 0.0001074 | 1200 | 1 |
| 2 | 2 | 3 | 0.016214 | 0.011292 | 0.0002727 | 0.0000983 | 530 | 1 |
| 3 | 2 | 4 | 0.034315 | 0.021845 | 0.0003719 | 0.0001339 | 1200 | 1 |
| 4 | 4 | 5 | 0.073016 | 0.063602 | 0.0001240 | 0.0004463 | 530 | 1 |
| 5 | 5 | 6 | 0.144200 | 0.068604 | 0.0001240 | 0.0004463 | 530 | 1 |
| 6 | 6 | 7 | 0.104470 | 0.061725 | 0.0001240 | 0.0001033 | 530 | 1 |
| 7 | 7 | 8 | 0.028547 | 0.011503 | 0.0001488 | 0.0001157 | 530 | 1 |
| 8 | 8 | 9 | 0.087560 | 0.051073 | 0.0001736 | 0.0005207 | 530 | 1 |
| 9 | 2 | 10 | 0.198200 | 0.106770 | 0.0013719 | 0.0011107 | 530 | 1 |
| 10 | 10 | 11 | 0.146800 | 0.075995 | 0.0009256 | 0.0006521 | 530 | 1 |
| 11 | 11 | 12 | 0.026040 | 0.018687 | 0.0015455 | 0.0025868 | 530 | 1 |
| 12 | 12 | 13 | 0.052100 | 0.023220 | 0.0011736 | 0.0012496 | 530 | 1 |
| 13 | 13 | 14 | 0.141900 | 0.117500 | 0.0014876 | 0.0009752 | 530 | 1 |
| 14 | 14 | 15 | 0.021870 | 0.028790 | 0.0012397 | 0.0003719 | 530 | 1 |
| 15 | 15 | 16 | 0.033370 | 0.026450 | 0.0013223 | 0.0014876 | 530 | 1 |
| 16 | 16 | 17 | 0.032430 | 0.025230 | 0.0012975 | 0.0014132 | 530 | 1 |
| 17 | 11 | 18 | 0.020234 | 0.011906 | 0.0018017 | 0.0023554 | 530 | 1 |
| 18 | 18 | 19 | 0.156940 | 0.078523 | 0.0009752 | 0.0015289 | 530 | 1 |
| 19 | 19 | 20 | 0.546290 | 0.351400 | 0.0013223 | 0.0016198 | 530 | 1 |
| 20 | 20 | 21 | 0.180310 | 0.164200 | 0.0009917 | 0.0015620 | 530 | 1 |
| 21 | 21 | 22 | 0.093167 | 0.054594 | 0.0009917 | 0.0006521 | 530 | 1 |
| 22 | 22 | 23 | 0.085180 | 0.039650 | 0.0116529 | 0.0059752 | 530 | 1 |
| 23 | 23 | 24 | 0.168100 | 0.095178 | 0.0024215 | 0.0011140 | 530 | 1 |
| 24 | 24 | 25 | 0.125110 | 0.150220 | 0.0010992 | 0.0008595 | 530 | 1 |
| 25 | 25 | 26 | 0.016030 | 0.024620 | 0.0014711 | 0.0011074 | 530 | 1 |
| 26 | 26 | 27 | 0.026030 | 0.024620 | 0.0014711 | 0.0011074 | 530 | 1 |
| 27 | 4 | 28 | 0.594560 | 0.522620 | 0.0001240 | 0.0002446 | 530 | 1 |
| 28 | 28 | 29 | 0.120620 | 0.059117 | 0.0000992 | 0.0002281 | 530 | 1 |
| 29 | 29 | 30 | 0.102380 | 0.099554 | 0.0009917 | 0.0022860 | 530 | 1 |
| 30 | 30 | 31 | 0.513400 | 0.318500 | 0.0017355 | 0.0020083 | 530 | 1 |
| 31 | 31 | 32 | 0.475250 | 0.456140 | 0.0009917 | 0.0004463 | 530 | 1 |
| 32 | 32 | 33 | 0.151430 | 0.136790 | 0.0014711 | 0.0019339 | 530 | 1 |
| 33 | 33 | 34 | 0.205380 | 0.083302 | 0.0014711 | 0.0019339 | 530 | 1 |
| 34 | 34 | 35 | 0.131600 | 0.093082 | 0.0012727 | 0.0013388 | 530 | 1 |
| 35 | 30 | 36 | 0.448400 | 0.369790 | 0.0015455 | 0.0021570 | 530 | 1 |
| 36 | 36 | 37 | 0.440520 | 0.321640 | 0.0010992 | 0.0008182 | 530 | 1 |
| 37 | 29 | 38 | 0.112540 | 0.055134 | 0.0027273 | 0.0016033 | 530 | 1 |
| 38 | 38 | 39 | 0.053963 | 0.038998 | 0.0025620 | 0.0016033 | 530 | 1 |
| 39 | 39 | 40 | 0.393050 | 0.342600 | 0.0010744 | 0.0016033 | 530 | 1 |
| 40 | 40 | 41 | 0.326740 | 0.278560 | 0.0023140 | 0.0012397 | 530 | 1 |
| 41 | 41 | 42 | 0.536260 | 0.240240 | 0.0097521 | 0.0070248 | 530 | 1 |
| 42 | 42 | 43 | 0.076247 | 0.066562 | 0.0034711 | 0.0020132 | 530 | 1 |
| 43 | 43 | 44 | 0.053520 | 0.039760 | 0.0022314 | 0.0008033 | 530 | 1 |
| 44 | 44 | 45 | 0.040328 | 0.031964 | 0.0028017 | 0.0010091 | 530 | 1 |
| 45 | 45 | 46 | 0.039653 | 0.020758 | 0.0022314 | 0.0014702 | 530 | 1 |
| 46 | 35 | 47 | 0.066195 | 0.042361 | 0.0017355 | 0.0011430 | 530 | 1 |
| 47 | 47 | 48 | 0.073904 | 0.051653 | 0.0009917 | 0.0006521 | 530 | 1 |
| 48 | 48 | 49 | 0.114770 | 0.057965 | 0.0012397 | 0.0008157 | 1200 | 1 |
| 49 | 49 | 50 | 0.918370 | 1.205100 | 0.0012397 | 0.0008157 | 530 | 1 |
| 50 | 50 | 51 | 0.210300 | 0.146660 | 0.0019835 | 0.0013066 | 530 | 1 |
| 51 | 51 | 52 | 0.066680 | 0.056608 | 0.0009917 | 0.0006521 | 530 | 1 |
| 52 | 52 | 53 | 0.042207 | 0.040184 | 0.0033471 | 0.0012050 | 530 | 1 |
| 53 | 53 | 54 | 0.433740 | 0.283410 | 0.0033471 | 0.0012050 | 530 | 1 |
| 54 | 29 | 55 | 0.062100 | 0.026860 | 0.0032314 | 0.0011653 | 530 | 1 |
| 55 | 55 | 56 | 0.092460 | 0.088380 | 0.0033554 | 0.0012074 | 530 | 1 |
| 56 | 56 | 57 | 0.085188 | 0.055436 | 0.0033554 | 0.0012074 | 530 | 1 |
| 57 | 57 | 58 | 0.345300 | 0.332400 | 0.0058347 | 0.0045132 | 530 | 1 |
| 58 | 58 | 59 | 0.022500 | 0.016830 | 0.0027934 | 0.0010066 | 530 | 1 |
| 59 | 59 | 60 | 0.080551 | 0.049156 | 0.0027934 | 0.0010066 | 530 | 1 |
| 60 | 60 | 61 | 0.095860 | 0.090758 | 0.0017107 | 0.0006174 | 530 | 1 |
| 61 | 61 | 62 | 0.062920 | 0.047700 | 0.0020413 | 0.0073736 | 530 | 1 |
| 62 | 1 | 63 | 0.478800 | 0.463740 | 0.0002314 | 0.0003455 | 440 | 1 |
| 63 | 63 | 64 | 0.120940 | 0.052006 | 0.0009669 | 0.0016661 | 440 | 1 |
| 64 | 64 | 65 | 0.139110 | 0.100340 | 0.0021074 | 0.0007587 | 440 | 1 |
| 65 | 65 | 66 | 0.391780 | 0.193500 | 0.0017355 | 0.0006273 | 530 | 1 |
| 66 | 66 | 67 | 0.027741 | 0.026713 | 0.0031653 | 0.0011405 | 530 | 1 |
| 67 | 67 | 68 | 0.052814 | 0.025257 | 0.0041653 | 0.0027298 | 530 | 1 |
| 68 | 68 | 69 | 0.066890 | 0.038713 | 0.0033554 | 0.0012074 | 530 | 1 |
| 69 | 69 | 70 | 0.467500 | 0.395140 | 0.0079504 | 0.0062893 | 530 | 1 |
| 70 | 70 | 71 | 0.594850 | 0.239740 | 0.0013636 | 0.0004959 | 530 | 1 |
| 71 | 71 | 72 | 0.132500 | 0.084363 | 0.0025041 | 0.0009025 | 530 | 1 |
| 72 | 72 | 73 | 0.052699 | 0.022482 | 0.0025041 | 0.0009025 | 530 | 1 |
| 73 | 73 | 74 | 0.869790 | 0.614775 | 0.0017025 | 0.0011901 | 440 | 1 |
| 74 | 74 | 75 | 0.031349 | 0.029817 | 0.0019256 | 0.0006942 | 530 | 1 |
| 75 | 75 | 76 | 0.192390 | 0.122430 | 0.0048843 | 0.0014653 | 530 | 1 |
| 76 | 76 | 77 | 0.065750 | 0.045370 | 0.0010413 | 0.0003744 | 530 | 1 |
| 77 | 64 | 78 | 0.238150 | 0.223220 | 0.0046198 | 0.0030471 | 530 | 1 |
| 78 | 78 | 79 | 0.294550 | 0.162470 | 0.0015372 | 0.0010140 | 530 | 1 |
| 79 | 79 | 80 | 0.485570 | 0.437920 | 0.0015372 | 0.0010140 | 530 | 1 |
| 80 | 80 | 81 | 0.243530 | 0.183030 | 0.0021488 | 0.0011488 | 530 | 1 |
| 81 | 81 | 82 | 0.243530 | 0.183030 | 0.0012727 | 0.0012231 | 530 | 1 |
| 82 | 82 | 83 | 0.134250 | 0.119290 | 0.0019008 | 0.0010579 | 440 | 1 |
| 83 | 83 | 84 | 0.022710 | 0.027960 | 0.0020826 | 0.0008760 | 530 | 1 |
| 84 | 84 | 85 | 0.049513 | 0.026515 | 0.0014876 | 0.0012231 | 530 | 1 |
| 85 | 79 | 86 | 0.383780 | 0.257160 | 0.0013223 | 0.0015041 | 530 | 1 |
| 86 | 86 | 87 | 0.049640 | 0.020600 | 0.0016529 | 0.0019008 | 530 | 1 |
| 87 | 87 | 88 | 0.022473 | 0.011806 | 0.0013223 | 0.0032479 | 530 | 1 |
| 88 | 65 | 89 | 0.062930 | 0.042960 | 0.0055289 | 0.0019934 | 530 | 1 |
| 89 | 89 | 90 | 0.030670 | 0.034930 | 0.0021983 | 0.0010140 | 530 | 1 |
| 90 | 90 | 91 | 0.062530 | 0.066790 | 0.0021983 | 0.0010140 | 530 | 1 |
| 91 | 91 | 92 | 0.114570 | 0.081748 | 0.0021983 | 0.0010140 | 530 | 1 |
| 92 | 92 | 93 | 0.081292 | 0.066526 | 0.0021983 | 0.0010140 | 530 | 1 |
| 93 | 93 | 94 | 0.031733 | 0.015960 | 0.0019256 | 0.0009504 | 530 | 1 |
| 94 | 94 | 95 | 0.033320 | 0.060480 | 0.0040992 | 0.0011405 | 530 | 1 |
| 95 | 91 | 96 | 0.531280 | 0.224850 | 0.0016198 | 0.0014876 | 530 | 1 |
| 96 | 96 | 97 | 0.507030 | 0.367420 | 0.0016198 | 0.0014876 | 530 | 1 |
| 97 | 97 | 98 | 0.026390 | 0.011700 | 0.0015421 | 0.0010083 | 530 | 1 |
| 98 | 98 | 99 | 0.045990 | 0.030392 | 0.0006165 | 0.0026281 | 530 | 1 |
| 99 | 1 | 100 | 0.100660 | 0.047572 | 0.0005165 | 0.0002190 | 530 | 1 |
| 100 | 100 | 101 | 0.456480 | 0.350300 | 0.0012405 | 0.0019339 | 530 | 1 |
| 101 | 101 | 102 | 0.522560 | 0.449290 | 0.0011132 | 0.0007339 | 530 | 1 |
| 102 | 102 | 103 | 0.408430 | 0.168460 | 0.0019066 | 0.0009942 | 530 | 1 |
| 103 | 103 | 104 | 0.141480 | 0.134250 | 0.0036942 | 0.0013289 | 530 | 1 |
| 104 | 104 | 105 | 0.104430 | 0.066024 | 0.0013488 | 0.0004860 | 530 | 1 |
| 105 | 105 | 106 | 0.096793 | 0.083647 | 0.0027273 | 0.0008182 | 530 | 1 |
| 106 | 106 | 107 | 0.493920 | 0.419340 | 0.0012893 | 0.0004636 | 530 | 1 |
| 107 | 107 | 108 | 0.225380 | 0.135880 | 0.0031562 | 0.0011355 | 530 | 1 |
| 108 | 108 | 109 | 0.509210 | 0.387210 | 0.0013438 | 0.0004835 | 530 | 1 |
| 109 | 109 | 110 | 0.188500 | 0.173460 | 0.0031562 | 0.0011355 | 530 | 1 |
| 110 | 110 | 111 | 0.918030 | 0.898550 | 0.0020207 | 0.0007264 | 530 | 1 |
| 111 | 110 | 112 | 0.305080 | 0.215370 | 0.0017256 | 0.0006223 | 530 | 1 |
| 112 | 112 | 113 | 0.054380 | 0.040970 | 0.0019017 | 0.0006843 | 530 | 1 |
| 113 | 100 | 114 | 0.211140 | 0.192900 | 0.0050430 | 0.0018149 | 530 | 1 |
| 114 | 114 | 115 | 0.067009 | 0.053336 | 0.0015421 | 0.0010496 | 530 | 1 |
| 115 | 115 | 116 | 0.162070 | 0.090321 | 0.0030843 | 0.0020331 | 530 | 1 |
| 116 | 116 | 117 | 0.048785 | 0.029156 | 0.0033471 | 0.0030331 | 530 | 1 |
| 117 | 117 | 118 | 0.033900 | 0.018980 | 0.0040413 | 0.0036198 | 530 | 1 |
| 118 | 46 | 27 | - | - | 0.0043455 | 0.0024174 | 530 | 0 |
| 119 | 17 | 27 | - | - | 0.0043455 | 0.0024099 | 530 | 0 |
| 120 | 8 | 24 | - | - | 0.0035306 | 0.0012719 | 530 | 0 |
| 121 | 54 | 43 | - | - | 0.0039669 | 0.0014281 | 530 | 0 |
| 122 | 62 | 49 | - | - | 0.0029752 | 0.0010711 | 530 | 0 |
| 123 | 37 | 62 | - | - | 0.0047107 | 0.0047273 | 530 | 0 |
| 124 | 9 | 40 | - | - | 0.0043802 | 0.0027669 | 530 | 0 |
| 125 | 58 | 96 | - | - | 0.0032702 | 0.0011777 | 530 | 0 |
| 126 | 73 | 91 | - | - | 0.0056198 | 0.0053554 | 530 | 0 |
| 127 | 88 | 75 | - | - | 0.0033570 | 0.0012099 | 530 | 0 |
| 128 | 99 | 77 | - | - | 0.0038231 | 0.0013835 | 530 | 0 |
| 129 | 108 | 83 | - | - | 0.0053802 | 0.0019339 | 530 | 0 |
| 130 | 105 | 86 | - | - | 0.0067149 | 0.0024174 | 530 | 0 |
| 131 | 110 | 118 | - | - | 0.0058587 | 0.0021099 | 530 | 0 |
| 132 | 25 | 35 | - | - | 0.0041322 | 0.0041322 | 530 | 0 |
References
- Shahnia, F.; Arefi, A.; Ledwich, G. Electric Distribution Network Planning; Springer: Berlin/Heidelberg, Germany, 2018; Volume 400. [Google Scholar]
- Mahdavi, M.; Alhelou, H.H.; Hatziargyriou, N.D.; Jurado, F. Reconfiguration of electric power distribution systems: Comprehensive review and classification. IEEE Access 2021, 9, 118502–118527. [Google Scholar] [CrossRef]
- Saaklayen, M.A.; Liang, X.; Faried, S.O.; Mitolo, M. Soft Open Points in Active Distribution Systems. In Smart and Power Grid Systems—Design Challenges and Paradigms; River Publishers: Gistrup, Denmark, 2023; pp. 253–285. [Google Scholar]
- Azizi, A.; Vahidi, B.; Nematollahi, A.F. Reconfiguration of active distribution networks equipped with soft open points considering protection constraints. J. Mod. Power Syst. Clean Energy 2023, 11, 212–222. [Google Scholar] [CrossRef]
- Janamala, V.; Radha Rani, K.; Sobha Rani, P.; Venkateswarlu, A.; Inkollu, S.R. Optimal switching operations of soft open points in active distribution network for handling variable penetration of photovoltaic and electric vehicles using artificial rabbits optimization. Process Integr. Optim. Sustain. 2023, 7, 419–437. [Google Scholar] [CrossRef]
- Sreenivasulu Reddy, D.; Janamala, V. Political Optimizer-Based Optimal Integration of Soft Open Points and Renewable Sources for Improving Resilience in Radial Distribution System. In Proceedings of the Congress on Intelligent Systems: Proceedings of CIS 2021; Springer: Singapore, 2022; Volume 1, pp. 439–449. [Google Scholar]
- Li, L.; Yu, H.; Liu, Y.; Liu, W.; Huang, M.; Zhang, P.; You, X.; Li, S. Optimal control method of active distribution network considering soft open point and thermostatically controlled loads under distributed photovoltaic access. Syst. Sci. Control. Eng. 2023, 11, 2228334. [Google Scholar] [CrossRef]
- Chen, Z.; He, Y.; Hua, Y.; Wu, H.; Bi, R. Coordinated planning of DGs and soft open points in multi-voltage level distributed networks based on the Stackelberg game. IET Renew. Power Gener. 2024, 18, 2942–2955. [Google Scholar] [CrossRef]
- Pamshetti, V.B.; Singh, S.; Singh, S.P. Reduction of energy demand via conservation voltage reduction considering network reconfiguration and soft open point. Int. Trans. Electr. Energy Syst. 2020, 30, e12147. [Google Scholar] [CrossRef]
- Liu, G.; Sun, W.; Hong, H.; Shi, G. Coordinated Configuration of SOPs and DESSs in an Active Distribution Network Considering Social Welfare Maximization. Sustainability 2024, 16, 2247. [Google Scholar] [CrossRef]
- Ebrahimi, H.; Galvani, S.; Talavat, V.; Farhadi-Kangarlu, M. A conditional value at risk based stochastic allocation of SOP in distribution networks. Electr. Power Syst. Res. 2024, 228, 110111. [Google Scholar] [CrossRef]
- Rezaeian-Marjani, S.; Galvani, S.; Talavat, V. A generalized probabilistic multi-objective method for optimal allocation of soft open point (SOP) in distribution networks. IET Renew. Power Gener. 2022, 16, 1046–1072. [Google Scholar] [CrossRef]
- Farzamnia, A.; Marjani, S.; Galvani, S.; Kin, K.T.T. Optimal allocation of soft open point devices in renewable energy integrated distribution systems. IEEE Access 2022, 10, 9309–9320. [Google Scholar] [CrossRef]
- Linh, N.T.; Long, P.V. Optimizing the Location and Capacity of DGs and SOPs in Distribution Networks using an Improved Artificial Bee Colony Algorithm. Eng. Technol. Appl. Sci. Res. 2024, 14, 15171–15179. [Google Scholar] [CrossRef]
- Nguyen, T.T.; Nguyen, T.T.; Nguyen, H.P. Optimal soft open point placement and open switch position selection simultaneously for power loss reduction on the electric distribution network. Expert Syst. Appl. 2024, 238, 121743. [Google Scholar] [CrossRef]
- Gholami, K.; Azizivahed, A.; Arefi, A.; Arif, M.T.; Haque, M.E. Simultaneous allocation of soft open points and tie switches in harmonic polluted distribution networks. Electr. Power Syst. Res. 2024, 234, 110568. [Google Scholar] [CrossRef]
- Wang, K.; Xue, Y.; Zhou, Y.; Li, Z.; Chang, X.; Sun, H. Distributed coordinated reconfiguration with soft open points for resilience-oriented restoration in integrated electric and heating systems. Appl. Energy 2024, 365, 123207. [Google Scholar] [CrossRef]
- Diaaeldin, I.; Abdel Aleem, S.; El-Rafei, A.; Abdelaziz, A.; Zobaa, A.F. Optimal network reconfiguration in active distribution networks with soft open points and distributed generation. Energies 2019, 12, 4172. [Google Scholar] [CrossRef]
- Cao, W.; Wu, J.; Jenkins, N.; Wang, C.; Green, T. Benefits analysis of soft open points for electrical distribution network operation. Appl. Energy 2016, 165, 36–47. [Google Scholar] [CrossRef]
- Van Tran, H.; Truong, A.V.; Phan, T.M.; Nguyen, T.T. Optimal placement and operation of soft open points, capacitors, and renewable distributed generators in distribution power networks to reduce total one-year energy loss. Heliyon 2024, 10, e26845. [Google Scholar] [CrossRef]
- Faramarzi, A.; Heidarinejad, M.; Stephens, B.; Mirjalili, S. Equilibrium optimizer: A novel optimization algorithm. Knowl.-Based Syst. 2020, 191, 105190. [Google Scholar] [CrossRef]
- Mansour, S.; Badr, A.O.; Attia, M.A.; Sameh, M.A.; Kotb, H.; Elgamli, E.; Shouran, M. Fuzzy Logic Controller Equilibrium Base to Enhance AGC System Performance with Renewable Energy Disturbances. Energies 2022, 15, 6709. [Google Scholar] [CrossRef]
- Zellagui, M.; Belbachir, N.; Lasmari, A.; Molu, R.J.J.; Kamel, S. Enhancing PV distributed generator planning in medium-voltage DC distribution networks: A multi-design techno-economic analysis with load demand response. IET Gener. Transm. Distrib. 2024, 18, 173–189. [Google Scholar] [CrossRef]
- Djamel, M.R.; Mustafa, M.; Rabie, Z.; Abdelouahab, K.; Sidi, M.O.; Soufi, Y. A Novel Equilibrium Optimization Algorithm for Optimal Coordination of Directional Overcurrent Relays. In Proceedings of the 2023 International Conference on Electrical Engineering and Advanced Technology (ICEEAT), Batna, Algeria, 5–7 November 2023; pp. 1–6. [Google Scholar]
- Korashy, A.; Kamel, S.; Jurado, F.; Fendzi Mbasso, W. OptiCoord: Advancing directional overcurrent and distance relay coordination with an enhanced equilibrium optimizer. Heliyon 2024, 10, e26366. [Google Scholar] [CrossRef] [PubMed]
- Dao, T.M.; Huy, T.H.B.; Do, D.-P.N.; Ngoc Vo, D. A chaotic equilibrium optimization for temperature-dependent optimal power flow. Smart Sci. 2023, 11, 380–394. [Google Scholar] [CrossRef]
- Chankaya, M.; Naqvi, S.B.Q.; Hussain, I.; Singh, B.; Ahmad, A. Power quality enhancement and improved dynamics of a grid tied PV system using equilibrium optimization control based regulation of DC bus voltage. Electr. Power Syst. Res. 2024, 226, 109911. [Google Scholar] [CrossRef]
- Jiang, R.; Wang, X.; Cao, S.; Zhao, J.; Li, X. Joint compressed sensing and enhanced whale optimization algorithm for pilot allocation in underwater acoustic OFDM systems. IEEE Access 2019, 7, 95779–95796. [Google Scholar] [CrossRef]
- Li, J.; An, Q.; Lei, H.; Deng, Q.; Wang, G.-G. Survey of Lévy Flight-Based Metaheuristics for Optimization. Mathematics 2022, 10, 2785. [Google Scholar] [CrossRef]
- Mohapatra, S.; Mohapatra, P. Fast random opposition-based learning Golden Jackal Optimization algorithm. Knowl.-Based Syst. 2023, 275, 110679. [Google Scholar] [CrossRef]
- Mirjalili, S.; Mirjalili, S.M.; Lewis, A. Grey Wolf Optimizer. Adv. Eng. Softw. 2014, 69, 46–61. [Google Scholar] [CrossRef]
- Arora, S.; Singh, S. Butterfly optimization algorithm: A novel approach for global optimization. Soft Comput. 2019, 23, 715–734. [Google Scholar] [CrossRef]
- Mirjalili, S.; Lewis, A. The Whale Optimization Algorithm. Adv. Eng. Softw. 2016, 95, 51–67. [Google Scholar] [CrossRef]
- Mirjalili, S.; Mirjalili, S.M.; Hatamlou, A. Multi-Verse Optimizer: A nature-inspired algorithm for global optimization. Neural Comput. Appl. 2016, 27, 495–513. [Google Scholar] [CrossRef]
- Mirjalili, S.; Gandomi, A.H.; Mirjalili, S.Z.; Saremi, S.; Faris, H.; Mirjalili, S.M. Salp Swarm Algorithm: A bio-inspired optimizer for engineering design problems. Adv. Eng. Softw. 2017, 114, 163–191. [Google Scholar] [CrossRef]
- Mirjalili, S. The Ant Lion Optimizer. Adv. Eng. Softw. 2015, 83, 80–98. [Google Scholar] [CrossRef]
- Mirjalili, S. SCA: A Sine Cosine Algorithm for solving optimization problems. Knowl.-Based Syst. 2016, 96, 120–133. [Google Scholar] [CrossRef]
- Bloemink, J.M.; Green, T.C. Increasing photovoltaic penetration with local energy storage and soft normally-open points. In Proceedings of the 2011 IEEE Power and Energy Society General Meeting, Detroit, MI, USA, 24–29 July 2011; pp. 1–8. [Google Scholar]
- Ehsanbakhsh, M.; Sepasian, M.S. Simultaneous siting and sizing of Soft Open Points and the allocation of tie switches in active distribution network considering network reconfiguration. IET Gener. Transm. Distrib. 2023, 17, 263–280. [Google Scholar] [CrossRef]
- Rahimipour Behbahani, M.; Jalilian, A. Optimal operation of soft open point devices and distribution network reconfiguration in a harmonically polluted distribution network. Electr. Power Syst. Res. 2024, 237, 110967. [Google Scholar] [CrossRef]
- Wang, C.; Song, G.; Li, P.; Ji, H.; Zhao, J.; Wu, J. Optimal siting and sizing of soft open points in active electrical distribution networks. Appl. Energy 2017, 189, 301–309. [Google Scholar] [CrossRef]
- Wang, X.; Guo, Q.; Tu, C.; Li, J.; Xiao, F.; Wan, D. A two-stage optimal strategy for flexible interconnection distribution network considering the loss characteristic of key equipment. Int. J. Electr. Power Energy Syst. 2023, 152, 109232. [Google Scholar] [CrossRef]
- Yang, L.; Li, Y.; Zhang, Y.; Xie, Z.; Chen, J.; Qu, Y. Optimal allocation strategy of SOP in flexible interconnected distribution network oriented high proportion renewable energy distribution generation. Energy Rep. 2024, 11, 6048–6056. [Google Scholar] [CrossRef]
- Kawambwa, S.; Mwifunyi, R.; Mnyanghwalo, D.; Hamisi, N.; Kalinga, E.; Mvungi, N. An improved backward/forward sweep power flow method based on network tree depth for radial distribution systems. J. Electr. Syst. Inf. Technol. 2021, 8, 7. [Google Scholar] [CrossRef]
- Ali, A.; Keerio, M.U.; Laghari, J.A. Optimal Site and Size of Distributed Generation Allocation in Radial Distribution Network Using Multi-objective Optimization. J. Mod. Power Syst. Clean Energy 2021, 9, 404–415. [Google Scholar] [CrossRef]
- Rahimi, I.; Gandomi, A.H.; Chen, F.; Mezura-Montes, E. A Review on Constraint Handling Techniques for Population-based Algorithms: From single-objective to multi-objective optimization. Arch. Comput. Methods Eng. 2023, 30, 2181–2209. [Google Scholar] [CrossRef]
- Roberge, V.; Tarbouchi, M.; Okou, F.A. Distribution system optimization on graphics processing unit. IEEE Trans. Smart Grid 2015, 8, 1689–1699. [Google Scholar] [CrossRef]
- Diestel, R. Graph Theory; Springer: Berlin/Heidelberg, Germany, 2024. [Google Scholar]
- Yang, W.Y.; Cao, W.; Kim, J.; Park, K.W.; Park, H.-H.; Joung, J.; Ro, J.-S.; Lee, H.L.; Hong, C.-H.; Im, T. Applied Numerical Methods Using MATLAB; John Wiley & Sons: Hoboken, NJ, USA, 2020. [Google Scholar]
- Ghasemi, S. Balanced and unbalanced distribution networks reconfiguration considering reliability indices. Ain Shams Eng. J. 2018, 9, 1567–1579. [Google Scholar] [CrossRef]
- Nguyen, T.T.; Nguyen, T.T. An improved cuckoo search algorithm for the problem of electric distribution network reconfiguration. Appl. Soft Comput. 2019, 84, 105720. [Google Scholar] [CrossRef]
- Savier, J.; Das, D. Impact of network reconfiguration on loss allocation of radial distribution systems. IEEE Trans. Power Deliv. 2007, 22, 2473–2480. [Google Scholar] [CrossRef]
- Shirkhani, M.; Tavoosi, J.; Danyali, S.; Sarvenoee, A.K.; Abdali, A.; Mohammadzadeh, A.; Zhang, C. A review on microgrid decentralized energy/voltage control structures and methods. Energy Rep. 2023, 10, 368–380. [Google Scholar] [CrossRef]
- Meng, Q.; Tong, X.; Hussain, S.; Luo, F.; Zhou, F.; He, Y.; Li, B. Enhancing distribution system stability and efficiency through multi-power supply startup optimization for new energy integration. IET Gener. Transm. Distrib. 2024, 18, 3487–3500. [Google Scholar] [CrossRef]
- Duan, Y.; Zhao, Y.; Hu, J. An initialization-free distributed algorithm for dynamic economic dispatch problems in microgrid: Modeling, optimization and analysis. Sustain. Energy Grids Netw. 2023, 34, 101004. [Google Scholar] [CrossRef]
- Ma, K.; Yang, J.; Liu, P. Relaying-Assisted Communications for Demand Response in Smart Grid: Cost Modeling, Game Strategies, and Algorithms. IEEE J. Sel. Areas Commun. 2020, 38, 48–60. [Google Scholar] [CrossRef]
- Zhang, J.; Feng, X.; Zhou, J.; Zang, J.; Wang, J.; Shi, G.; Li, Y. Series-Shunt Multiport Soft Normally Open Points. IEEE Trans. Ind. Electron. 2023, 70, 10811–10821. [Google Scholar] [CrossRef]
- Zhang, J.; Li, H.; Kong, X.; Zhou, J.; Shi, G.; Zang, J.; Wang, J. A Novel Multiple-Medium-AC-Port Power Electronic Transformer. IEEE Trans. Ind. Electron. 2024, 71, 6568–6578. [Google Scholar] [CrossRef]
- Ding, B.; Li, Z.; Li, Z.; Xue, Y.; Chang, X.; Su, J.; Jin, X.; Sun, H. A CCP-based distributed cooperative operation strategy for multi-agent energy systems integrated with wind, solar, and buildings. Appl. Energy 2024, 365, 123275. [Google Scholar] [CrossRef]
- Zhang, H.; Li, Z.; Xue, Y.; Chang, X.; Su, J.; Wang, P.; Guo, Q.; Sun, H. A Stochastic Bi-level Optimal Allocation Approach of Intelligent Buildings Considering Energy Storage Sharing Services. IEEE Trans. Consum. Electron. 2024, 1. [Google Scholar] [CrossRef]




















| Function | Mathematical Formulation | Range | n | |||
|---|---|---|---|---|---|---|
| Sphere | 30 | 0 | ||||
| Schwefel | 30 | 0 | ||||
| Beale | 2 | 0 | ||||
| Ackley | 30 | 0 | ||||
| Rastrigin | 30 | 0 | ||||
| Griewank | 30 | 0 | ||||
| Shekel | 4 | −10.1532 | ||||
| Penalized | 30 | 0 | ||||
| Algorithm | Parameter | Value |
|---|---|---|
| GWO | Convergence factor | Decreases linearly from 2 to 0 |
| BOA | Probability switch, sensory modality, power exponent | 0.8, 0.01, 0.1 |
| WOA | Convergence factor (a) | Decreases linearly from 2 to 0 |
| MVO | Minimum and maximum likelihood of wormholes existing | 0.1, 1.0 |
| SSA | Exploration-Exploitation parameter | Decreases exponentially from 2 to 0 |
| ALO | Parameter used in random walk of ants | 2.0 |
| SCA | Exploration-Exploitation parameter | Decreases exponentially from 2 to 0 |
| Function | Metrics | GWO | BOA | WOA | MVO | SSA | ALO | SCA | EO | LF-IEO |
|---|---|---|---|---|---|---|---|---|---|---|
| Sphere | Best | 1.31 × 10−12 | 1.87 × 10−9 | 4.02 × 10−36 | 1.34 × 10−2 | 2.32 × 10−2 | 6.71 × 10−2 | 6.29 × 10−2 | 5.35 × 10−18 | 0.00 × 100 |
| Average | 1.44 × 10−11 | 4.10 × 10−9 | 8.62 × 10−31 | 2.13 × 10−2 | 1.10 × 10−1 | 2.19 × 100 | 1.95 × 100 | 1.88 × 10−16 | 0.00 × 100 | |
| Worst | 3.84 × 10−11 | 6.59 × 10−9 | 8.74 × 10−30 | 4.08 × 10−2 | 3.29 × 10−1 | 6.61 × 100 | 9.94 × 100 | 1.11 × 10−15 | 0.00 × 100 | |
| SD | 1.82 × 10−11 | 4.28 × 10−9 | 2.31 × 10−30 | 2.20 × 10−2 | 1.28 × 10−1 | 2.73 × 100 | 2.79 × 100 | 2.98 × 10−16 | 0.00 × 100 | |
| Rank | 4 | 5 | 2 | 6 | 7 | 9 | 8 | 3 | 1 | |
| Schwefel | Best | 6.75 × 10−3 | 2.59 × 10−6 | 1.36 × 101 | 3.07 × 100 | 1.08 × 101 | 1.38 × 101 | 1.70 × 101 | 6.40 × 10−5 | 0.00 × 100 |
| Average | 4.06 × 10−2 | 4.25 × 10−6 | 5.83 × 101 | 6.99 × 100 | 1.66 × 101 | 2.22 × 101 | 5.61 × 101 | 1.10 × 10−3 | 0.00 × 100 | |
| Worst | 9.23 × 10−2 | 5.22 × 10−6 | 9.00 × 101 | 1.39 × 101 | 2.31 × 101 | 3.21 × 101 | 8.18 × 101 | 3.25 × 10−3 | 0.00 × 100 | |
| SD | 4.66 × 10−2 | 4.29 × 10−6 | 6.30 × 101 | 7.42 × 100 | 1.68 × 101 | 2.25 × 101 | 5.73 × 101 | 1.46 × 10−3 | 0.00 × 100 | |
| Rank | 4 | 2 | 9 | 5 | 6 | 7 | 8 | 3 | 1 | |
| Beale | Best | 7.73 × 10−9 | 5.12 × 10−5 | 1.29 × 10−12 | 1.20 × 10−7 | 8.47 × 10−16 | 1.37 × 10−15 | 1.29 × 10−6 | 6.87 × 10−30 | 2.03 × 10−12 |
| Average | 5.08 × 10−2 | 5.41 × 10−2 | 5.08 × 10−2 | 2.04 × 10−1 | 7.62 × 10−2 | 7.69 × 10−2 | 8.67 × 10−4 | 1.57 × 10−16 | 2.12 × 10−9 | |
| Worst | 7.63 × 10−1 | 2.57 × 10−1 | 7.63 × 10−1 | 7.63 × 10−1 | 7.63 × 10−1 | 7.83 × 10−1 | 3.05 × 10−3 | 4.43 × 10−15 | 2.49 × 10−8 | |
| SD | 1.96 × 10−1 | 8.77 × 10−2 | 1.96 × 10−1 | 3.94 × 10−1 | 2.42 × 10−1 | 2.43 × 10−1 | 1.09 × 10−3 | 8.10 × 10−16 | 5.39 × 10−9 | |
| Rank | 5 | 6 | 4 | 9 | 7 | 8 | 3 | 1 | 2 | |
| Ackley | Best | 6.48 × 10−6 | 2.58 × 10−6 | 3.55 × 10−15 | 2.10 × 100 | 3.21 × 100 | 1.14 × 101 | 2.35 × 100 | 4.89 × 10−9 | 0.00 × 100 |
| Average | 1.76 × 10−5 | 4.33 × 10−6 | 3.02 × 10−14 | 2.86 × 100 | 4.90 × 100 | 1.39 × 101 | 6.06 × 100 | 4.56 × 10−8 | 0.00 × 100 | |
| Worst | 4.93 × 10−5 | 6.11 × 10−6 | 1.21 × 10−13 | 4.35 × 100 | 9.06 × 100 | 1.58 × 101 | 1.09 × 101 | 1.73 × 10−7 | 0.00 × 100 | |
| SD | 1.99 × 10−5 | 4.39 × 10−6 | 4.06 × 10−14 | 2.92 × 100 | 5.10 × 100 | 1.41 × 101 | 6.43 × 100 | 5.96 × 10−8 | 0.00 × 100 | |
| Rank | 5 | 4 | 2 | 6 | 7 | 9 | 8 | 3 | 1 | |
| Rastrigin | Best | 4.32 × 100 | 3.68 × 10−9 | 0.00 × 100 | 8.72 × 101 | 3.00 × 101 | 6.12 × 101 | 1.56 × 101 | 1.71 × 10−13 | 0.00 × 100 |
| Average | 1.65 × 101 | 4.07 × 101 | 2.27 × 10−14 | 1.41 × 102 | 5.85 × 101 | 9.04 × 101 | 9.88 × 101 | 6.65 × 10−2 | 0.00 × 100 | |
| Worst | 4.60 × 101 | 2.20 × 102 | 2.84 × 10−13 | 2.10 × 102 | 9.00 × 101 | 1.39 × 102 | 2.18 × 102 | 9.99 × 10−1 | 0.00 × 100 | |
| SD | 1.86 × 101 | 9.10 × 101 | 6.88 × 10−14 | 1.45 × 102 | 6.09 × 101 | 9.28 × 101 | 1.12 × 102 | 2.58 × 10−1 | 0.00 × 100 | |
| Rank | 4 | 5 | 2 | 9 | 6 | 7 | 8 | 3 | 1 | |
| Griewank | Best | 1.81 × 10−9 | 2.58 × 10−9 | 0.00 × 100 | 1.04 × 100 | 1.09 × 100 | 1.41 × 100 | 1.22 × 100 | 7.33 × 10−15 | 0.00 × 100 |
| Average | 6.44 × 10−3 | 8.07 × 10−9 | 4.14 × 10−2 | 1.08 × 100 | 1.59 × 100 | 9.42 × 100 | 6.98 × 100 | 1.97 × 10−3 | 0.00 × 100 | |
| Worst | 3.71 × 10−2 | 1.46 × 10−8 | 7.21 × 10−1 | 1.12 × 100 | 4.22 × 100 | 2.62 × 101 | 2.70 × 101 | 5.93 × 10−2 | 0.00 × 100 | |
| SD | 1.28 × 10−2 | 8.57 × 10−9 | 1.62 × 10−1 | 1.07 × 100 | 1.74 × 100 | 1.21 × 101 | 9.17 × 100 | 1.08 × 10−2 | 0.00 × 100 | |
| Rank | 4 | 2 | 5 | 6 | 7 | 9 | 8 | 3 | 1 | |
| Shekel | Best | 2.59 × 10−3 | 5.60 × 100 | 7.92 × 10−3 | 4.71 × 10−5 | -1.59 × 10−4 | -1.59 × 10−4 | 4.06 × 100 | -1.59 × 10−4 | -1.57 × 10−4 |
| Average | 4.42 × 10−1 | 6.67 × 100 | 3.67 × 100 | 1.45 × 100 | 2.52 × 100 | 4.89 × 100 | 7.05 × 100 | 1.88 × 100 | 6.47 × 10−1 | |
| Worst | 6.47 × 100 | 8.11 × 100 | 8.68 × 100 | 7.75 × 100 | 8.04 × 100 | 8.68 × 100 | 9.98 × 100 | 7.93 × 100 | 6.47 × 100 | |
| SD | 1.67 × 100 | 6.70 × 100 | 4.83 × 100 | 3.04 × 100 | 4.18 × 100 | 5.91 × 100 | 7.18 × 100 | 3.46 × 100 | 2.04 × 100 | |
| Rank | 1 | 8 | 6 | 3 | 5 | 7 | 9 | 4 | 2 | |
| Penalized | Best | 2.91 × 100 | 0.00 × 100 | 0.00 × 100 | 1.76 × 102 | 3.19 × 102 | 7.50 × 102 | 5.20 × 102 | 1.94 × 10−12 | 0.00 × 100 |
| Average | 2.12 × 101 | 1.28 × 10−10 | 1.66 × 10−15 | 2.69 × 102 | 7.26 × 102 | 1.53 × 103 | 6.74 × 106 | 6.60 × 10−1 | 0.00 × 100 | |
| Worst | 3.94 × 101 | 8.94 × 10−10 | 2.84 × 10−14 | 4.19 × 102 | 1.94 × 103 | 4.42 × 103 | 4.17 × 107 | 4.60 × 100 | 0.00 × 100 | |
| SD | 2.28 × 101 | 2.55 × 10−10 | 5.37 × 10−15 | 2.74 × 102 | 8.09 × 102 | 1.68 × 103 | 1.32 × 107 | 1.41 × 100 | 0.00 × 100 | |
| Rank | 5 | 3 | 2 | 6 | 7 | 8 | 9 | 4 | 1 | |
| Overall Ranking | 3 | 4 | 3 | 5 | 6 | 8 | 7 | 2 | 1 | |
| Parameter | 33-Bus | 69-Bus | 118-Bus | Algerian 116-Bus |
|---|---|---|---|---|
| Population Size | 200 | 500 | 1000 | 1000 |
| Max Iterations of LF-IEO | 500 | 1000 | 2000 | 2000 |
| a1, a2, GP0 | 2.0, 1.0, 0.5 | 2.0, 1.0, 0.5 | 2.0, 1.0, 0.5 | 2.0, 1.0, 0.5 |
| Maximum Load Flow Iterations | 50 | 50 | 50 | 50 |
| Load Flow Convergence Tolerance | 1 × 10−5 | 1 × 10−5 | 1 × 10−5 | 1 × 10−5 |
| Number of SOPs | 2 | 2 | 4 | 3 |
| Minimum and Maximum SOP sizes | 0.1, 1.0 MVAr | 0.1, 1.0 MVAr | 0.1, 1.0 MVAr | 0.1, 1.0 MVAr |
| Outputs | Base Case | Optimal Reconfiguration | Optimal Reconfiguration with SOPs Placement |
|---|---|---|---|
| Open switches | 33, 34, 35, 36, 37 | 7, 9, 14, 32, 37 | 7, 9, 14 |
| Optimal SOP locations (branches) | - | - | 32, 37 |
|
Optimal SOP sizes: } | - | - | SOP1 {−148.70, 270.27, 142.09, 322.23} SOP2 {−16.09, 214.90, 12.20, 172.98} |
| Total power loss (kW) | 202.68 | 139.55 | 110.52 |
| Minimum Voltage (p.u.) | 0.91309 (Below limit) | 0.93782 (Below limit) | 0.95588 (Within limit) |
| Maximum Voltage (p.u.) | 1.00000 | 1.00000 | 1.00000 |
| Cost of total loss ($/year) | 202,401.48 | 139,360.43 | 110,367.10 |
| SOPs investment and maintenance cost ($/year) | - | - | 12,699.00 |
| Net Saving ($/year) | - | 63,041.05 | 79,335.38 |
| Outputs | Base Case | Optimal Reconfiguration | Optimal Reconfiguration with SOPs Placement |
|---|---|---|---|
| Open switches | 69, 70, 71, 72, 73 | 14, 58, 61, 69, 70 | 14, 69, 70 |
| Optimal SOP locations (branches) | - | - | 56, 61 |
|
Optimal SOP sizes: } | - | - | SOP1 {−127.31, 60.45, 124.17, 120.07} SOP2 {33.53, 259.27, −38.38, 220.16} |
| Total power loss (kW) | 224.76 | 99.61 | 82.74 |
| Minimum Voltage (p.u.) | 0.90923 (Below limit) | 0.94276 (Below limit) | 0.95445 (Within limit) |
| Maximum Voltage (p.u.) | 1.00000 | 1.00000 | 1.00000 |
| Cost of total loss ($/year) | 224,451.37 | 99,475.61 | 82,626.54 |
| SOPs investment and maintenance cost ($/year) | - | - | 9712.15 |
| Net Saving ($/year) | - | 124,975.76 | 132,112.69 |
| Outputs | Base Case | Optimal Reconfiguration | Optimal Reconfiguration with SOPs Placement |
|---|---|---|---|
| Open switches | 118, 119, 120, 121, 122, 123, 124, 125,126, 127, 128, 129, 130, 131, 132 | 21, 26, 33, 38, 42, 48, 51, 61, 71, 73, 76, 82, 109, 125, 130 | 23, 25, 34, 37, 42, 52, 58, 70, 76, 82, 130 |
| Optimal SOP locations (branches) | - | - | 122, 109, 73, 95 |
|
Optimal SOP sizes: } | - | - | SOP1 {−368.33, 619.34, 351.19, 929.69} SOP2 {−159.04, 987.22, 139.07, 987.22} SOP3 {−107.17, 333.43, 95.43, 817.61} SOP4 {−221.04, 428.81, 209.28, 661.54} |
| Total power loss (kW) | 1298.09 | 888.36 | 700.34 |
| Minimum Voltage (p.u.) | 0.86880 (Below limit) | 0.93212 (Below limit) | 0.95208 (Within limit) |
| Maximum Voltage (p.u.) | 1.00000 | 1.00000 | 1.00000 |
| Cost of total loss ($/year) | 909,698.35 | 622,560.21 | 490,798.85 |
| SOPs investment and maintenance cost ($/year) | - | - | 39,394.81 |
| Net Saving ($/year) | - | 287,138.14 | 379,504.69 |
| Outputs | Base Case | Optimal Reconfiguration | Optimal Reconfiguration with SOPs Placement |
|---|---|---|---|
| Open switches | 116, 117, 118, 119, 120, 121, 122, 123, 124 | 8, 21, 28, 41, 54, 65, 99, 113, 123 | 21, 28, 41, 65, 99, 123 |
| Optimal SOP locations (branches) | - | - | 54, 8, 113 |
| Optimal SOP sizes: { } | - | - | SOP1 {74.02, 238.35, −106.70, 236.74} SOP2 {12.85, 176.57, 14.57, 176.28} SOP3 {−19.08, 773.27, 6.88, 773.50} |
| Total power loss (kW) | 687.28 | 627.86 | 584.92 |
| Minimum Voltage (p.u.) | 0.96021 (Within limit) | 0.96628 (Within limit) | 0.97108 (Within limit) |
| Maximum Voltage (p.u.) | 1.00000 | 1.00000 | 1.00000 |
| Cost of total loss ($/year) | 686,341.77 | 627,003.92 | 584,121.17 |
| SOPs investment and maintenance cost ($/year) | - | - | 27,794.20 |
| Net Saving ($/year) | - | 59,337.85 | 74,426.40 |
| Alg. | BEST | MEAN | WORST | SD | Best Solution | ||
|---|---|---|---|---|---|---|---|
| Branches Off | SOPs Branches | SOPs Sizes | |||||
| GWO | 72,687.6 | 66,046.8 | 60,354.88 | 4203.12 | 20, 41, 54, 65, 98, 123 | 29, 113, 8 | SOP1 = {11.18, 0.76, −12.30, 99.40}, SOP2 = {−25.29, 857.37, 8.14, 857.71}, SOP3 = {2.19, 299.02, −8.17, 298.96} |
| BFO | 48,960.07 | 28,535.23 | 12,549.76 | 13,841.46 | 8, 30, 41, 63, 98, 114 | 20, 123, 54 | SOP1 = {−23.59, 62.51, 21.90, 99.42}, SOP2 = {−20.40, −49.65, 18.80, 104.76}, SOP3 = {−31.65, 181.20, 28.03, 175.93} |
| WOA | 59,349.94 | 37,264.18 | 12,130.4 | 16,829.43 | 21, 31, 98, 118, 122, 123 | 54, 44, 113 | SOP1 = {141.55, 332.04, −148.76, 327.74}, SOP2 = {−124.13, 332.26, 117.04, 334.73}, SOP3 = {22.83, 756.52, −37.97, 755.88} |
| MVO | 74,133.66 | 61,492.54 | 34,233.77 | 14,265.32 | 8, 20, 29, 41, 122, 123 | 54, 113, 99 | SOP1 = {99.19, 362.10, −106.70, 359.88}, SOP2 = {−27.23, 632.28, 14.57, 632.69}, SOP3 = {−11.56, 233.85, 6.88, 233.91} |
| SSA | 63,484.37 | 44,259.62 | 14,310.69 | 18,260.07 | 7, 20, 41, 64, 99, 123 | 29, 119, 113 | SOP1 = {28.58, 183.96, −32.30, 183.35}, SOP2 = {−184.05, 384.71, 175.52, 388.68}, SOP3 = {−66.09, 750.50, 51.02, 751.68} |
| ALO | 54,762.2 | 46,404.58 | 36,867.59 | 6972.1 | 21, 28, 41, 54, 65, 123 | 100, 113, 8 | SOP1 = {−20.55, 248.41, 11.75, 630.81}, SOP2 = {−76.64, −14.27, 66.67, 916.63}, SOP3 = {4.85, 267.35, −9.98, 245.59} |
| SCA | 50,260.08 | 35,863.24 | 1913.17 | 17,250.61 | 30, 41, 65, 116, 120, 123 | 119, 121, 124 | SOP1 = {23.45, 64.93, −25.39, 122.30}, SOP2 = {−170.99, 684.04, 156.67, 709.77}, SOP3 = {7.37, 471.35, −16.74, 466.01} |
| LF-IEO | 74,426.4 | 72,082.52 | 67,150.99 | 2558.35 | 21, 28, 41, 65, 99, 123 | 54, 8, 113 | SOP1 = {74.02, 238.35, −79.01, 236.74}, SOP2 = {12.85, 176.57, −16.39, 176.28}, SOP3 = {−19.08, 773.27, 3.61, 773.50} |
Disclaimer/Publisher’s Note: The statements, opinions and data contained in all publications are solely those of the individual author(s) and contributor(s) and not of MDPI and/or the editor(s). MDPI and/or the editor(s) disclaim responsibility for any injury to people or property resulting from any ideas, methods, instructions or products referred to in the content. |
© 2024 by the authors. Licensee MDPI, Basel, Switzerland. This article is an open access article distributed under the terms and conditions of the Creative Commons Attribution (CC BY) license (https://creativecommons.org/licenses/by/4.0/).
Share and Cite
Mohammedi, R.D.; Gozim, D.; Kouzou, A.; Mosbah, M.; Hafaifa, A.; Rodriguez, J.; Abdelrahem, M. Simultaneous Optimization of Network Reconfiguration and Soft Open Points Placement in Radial Distribution Systems Using a Lévy Flight-Based Improved Equilibrium Optimizer. Energies 2024, 17, 5911. https://doi.org/10.3390/en17235911
Mohammedi RD, Gozim D, Kouzou A, Mosbah M, Hafaifa A, Rodriguez J, Abdelrahem M. Simultaneous Optimization of Network Reconfiguration and Soft Open Points Placement in Radial Distribution Systems Using a Lévy Flight-Based Improved Equilibrium Optimizer. Energies. 2024; 17(23):5911. https://doi.org/10.3390/en17235911
Chicago/Turabian StyleMohammedi, Ridha Djamel, Djamal Gozim, Abdellah Kouzou, Mustafa Mosbah, Ahmed Hafaifa, Jose Rodriguez, and Mohamed Abdelrahem. 2024. "Simultaneous Optimization of Network Reconfiguration and Soft Open Points Placement in Radial Distribution Systems Using a Lévy Flight-Based Improved Equilibrium Optimizer" Energies 17, no. 23: 5911. https://doi.org/10.3390/en17235911
APA StyleMohammedi, R. D., Gozim, D., Kouzou, A., Mosbah, M., Hafaifa, A., Rodriguez, J., & Abdelrahem, M. (2024). Simultaneous Optimization of Network Reconfiguration and Soft Open Points Placement in Radial Distribution Systems Using a Lévy Flight-Based Improved Equilibrium Optimizer. Energies, 17(23), 5911. https://doi.org/10.3390/en17235911






