Assessment of the Actual and Required Cooling Demand for Buildings with Extensive Transparent Surfaces
Abstract
1. Introduction
2. Material and Methods
2.1. Hottest Days, Heat Waves
2.2. Calculation Method of Direct and Diffuse Radiation on Horizontal Surfaces
2.3. Converting Horizontal Radiation Values to Vertical Radiation Values Using the Rb Factor
2.4. Diffuse and Direct Radiation on Vertical Surfaces
2.5. Summer, Hot, and Torrid Day Data for the Calculation of the Cooling Load
3. Results and Discussion
4. Conclusions
- The results of our calculations on peak-time cooling performance show a significant difference between the peak cooling performance requirements of light- and heavyweight buildings. This is due to the different thermal capacities of the structures. As the thermal resistances of the structures are the same, the difference between the building structures is how the direct solar gain is handled. This difference is particularly significant when maintaining operative temperature conditions. The impact is less pronounced when only air temperature is maintained.
- Based on the investigated meteorological data, the used sample days in the Romanian standards are closer to an actual torrid day. The sample day used by the MSZ 04-140-2 standard [32] is closer to a summer day and underestimates the solar radiation values. It causes a relevant difference in the results of the calculation, especially in buildings with large transparent surfaces.
- The peak operational period of the building greatly influences the amount of energy consumed. Taking into consideration both energy and human factors, the examined peak working hours from 8 a.m. to 4 p.m. represent an appropriate compromise. Based on calculations, it is advisable to minimize the building’s use during the 4 p.m. to 7 p.m. time interval, especially in the case of buildings with west-facing, large-sized transparent surfaces. This investigation focused on the cooling demand during the peak time (8 a.m.–4 p.m.) as several buildings operate in this period.
- When allocating spaces for various functions, it is essential to consider the analysis based on cardinal directions. By examining the peak usage times of specific spaces, it becomes possible to avoid the external heat load peak of the building and to reduce the amount of cooling energy consumed. The rooms with transparent surfaces facing north have the lowest cooling demand in all cases. At peak time, the rooms with east-facing transparent surfaces have the highest cooling demand.
Author Contributions
Funding
Data Availability Statement
Acknowledgments
Conflicts of Interest
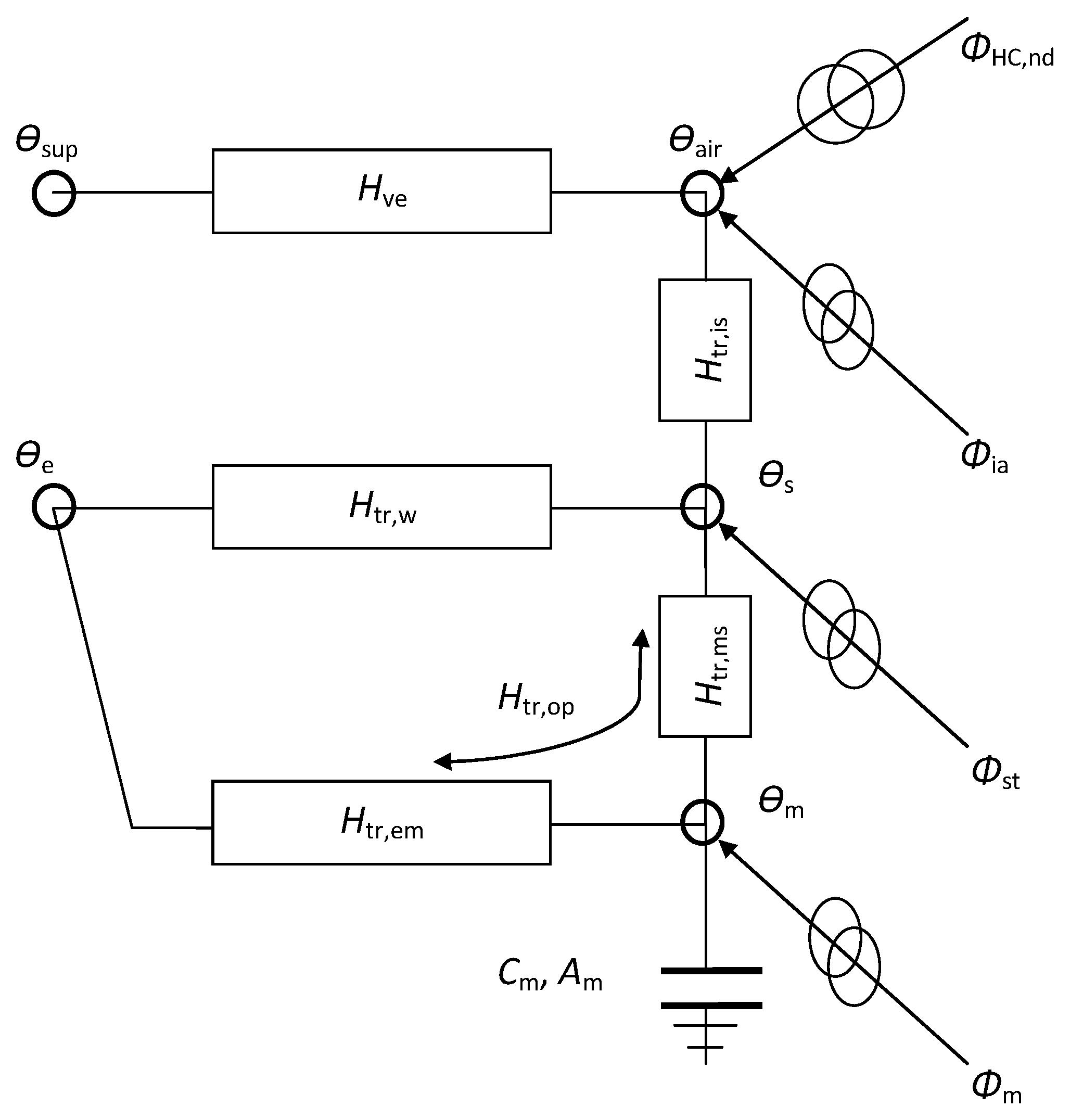
Nomenclature
| Hve | Heat transfer by ventilation (W/K) |
| θair | Air temperature node (°C) |
| θsup | The supply temperature (°C) |
| Htr,w | Heat transfer by transmission is split into the window segment, (W/K) |
| Htr,op | The thermal mass (W/K) |
| θs | (A mix of θair and mean radiant temperature) and the node representing the mass of the building zone, θm (°C) |
| Cm | Thermal capacity (J/K) |
| Φint | Heat flow rate given by internal heat sources (W) |
| Φsol | Solar heat sources (W) |
| ΦHC | Energy need for cooling (W) |
| Af | The conditioned area (m2) |
| θair,10 | The air temperature obtained for a heating power of 10 W/m2 (°C) |
| θair,0 | Air temperature in free floating conditions (°C) |
| θair,set | Air temperature (°C) |
| S | Summer day |
| H | Hot day |
| T | Torrid day |
| IGH | Is the global solar radiation on horizontal surfaces (W/m2) |
| IdirH | Direct solar radiation on horizontal surfaces (W/m2) |
| IdifH | Diffuse solar radiation on horizontal surfaces (W/m2) |
| IdifV | Diffuse solar radiation on vertical surfaces (W/m2) |
| IdirSouth, IdirEast, IdirWest, IdirNorth | Direct solar radiation on vertical surfaces (W/m2) Direct solar radiation on vertical surfaces (W/m2) Direct solar radiation on vertical surfaces (W/m2) Direct solar radiation on vertical surfaces (W/m2) |
| kT | The clearness index |
| GSC | The solar constant (W/m2) |
| θz | The zenith angle of the sun (°) |
| θ | The incidence angle (°) |
| δ | The solar declination (°) |
| φ | The latitude (°) |
| β | The angle of the surface with horizontal (°) |
| γ | The solar azimuth angle (°) |
| ω | The hour angle (°) |
| n | The number of the analyzed day of the year |
| Rb | Geometrical factor |
References
- Owen, M.S.; Kennedy, H.E. ASHRAE Handbook: Fundamentals American Society of Heating, Refrigeration, and Air-Conditioning Engineers; ASHRAE: New York, NY, USA, 2009. [Google Scholar]
- ASHRAE. Cooling and Heating Load Calculation Manual American Society of Heating, Refrigeration, and Air-Conditioning Engineers; ASHRAE: New York, NY, USA, 1979. [Google Scholar]
- ISO 52000-1:2017(en); Energy Performance of Buildings—Overarching EPB Assessment—Part 1: General Framework and Procedures. ISO: Geneva, Switzerland, 2017.
- EN ISO 13790:2008; Energy Performance of Buildings—Calculation of Energy Use for Space Heating and Cooling. European Committee for Standardization: Brussels, Belgium, 2008.
- Palme, M.; Isalgué, A.; Coch, H. Avoiding the Possible Impact of Climate Change on the Built Environment: The Importance of the Building’s Energy Robustness. Buildings 2013, 3, 191–204. [Google Scholar] [CrossRef]
- Antoniadou, P.; Papadopoulos, A.M. Occupants’ thermal comfort: State of the art and the prospects of personalized assessment in office buildings. Energy Build. 2017, 153, 136–149. [Google Scholar] [CrossRef]
- Wang, X.; Chen, D.; Ren, Z. Assessment of climate change impact on residential building heating and cooling energy requirement in Australia. Build Environ. 2010, 45, 1663–1682. [Google Scholar] [CrossRef]
- Huang, K.-T.; Hwang, R.-L. Future trends of residential building cooling energy and passive adaptation measures to counteract climate change: The case of Taiwan. Appl. Energy 2016, 184, 1230–1240. [Google Scholar] [CrossRef]
- Hacker, J.N. Modelling passive and active cooling strategies for housing under present and projected future climate—A case study of London. In Proceedings of the 5th Windsor Conference: Air Conditioning and the Low Carbon Cooling Challenge, Windsor, UK, 27–29 July 2008; NCEUB: London, UK, 2008; pp. 27–29. [Google Scholar]
- Woradechjumroen, D.; Yu, Y.; Li, H.; Yu, D.; Yang, H. Analysis of HVAC system oversizing in commercial buildings through field measurements. Energy Build. 2014, 69, 131–143. [Google Scholar] [CrossRef]
- Djunaedy, E.; Van den Wymelenberg, K.; Acker, B.; Thimmana, H. Oversizing of HVAC system: Signatures and penalties. Energy Build. 2011, 43, 468–475. [Google Scholar] [CrossRef]
- Szabó, L.G.; Kalmár, F. Parametric Analysis of Buildings’ Heat Load Depending on Glazing: Hungarian Case Study. Energies 2018, 11, 12. [Google Scholar] [CrossRef]
- Csáky, I.; Kalmár, F. Effects of thermal mass, ventilation and glazing orientation on indoor air temperature in buildings. J. Build. Phys. 2015, 39, 189–204. [Google Scholar] [CrossRef]
- Csáky, I.; Kalmar, F. Effects of solar asymmetry on building’s cooling energy needs. J. Build. Phys. 2015, 1, 35–54. [Google Scholar] [CrossRef]
- Csáky, I.; Kalmár, F. Investigation of the relationship between the allowable transparent area, thermal mass and air change rate in buildings. J. Build. Eng. 2017, 12, 1–7. [Google Scholar] [CrossRef]
- Csáky, I. Analysis of Daily Energy Demand for Cooling in Buildings with Different Comfort Categories: Case Study. Energies 2021, 14, 4694. [Google Scholar] [CrossRef]
- Csima, G.; Horányi, A. Validation of the ALADIN-Climate regional climate model at the Hungarian Meteorological Service. Időjárás 2008, 112, 155–177. [Google Scholar]
- Bottyán, Z.; Kircsi, A.; Szegedi, S.; Unger, J. The relationship between built-up areas and the spatial development of the mean maximum urban heat island in Debrecen, Hungary. Int. J. Climatol. 2005, 25, 405–418. [Google Scholar] [CrossRef]
- Hungarian Meteorological Services. Evaluation of Extreme Climate Indices. Available online: http://www.met.hu/en/omsz/tevekenysegek/klimamodellezes/szelsosegek/ (accessed on 18 June 2022).
- Debbage, N.; Shepherd, J.M. The urban heat island effect and city contiguity. Comput. Environ. Urban Syst. 2015, 54, 181–194. [Google Scholar] [CrossRef]
- Heat Wave|Meteorology; Encyclopedia Britannica: Edinburgh, UK, 1 April 2019.
- Erbs, D.G.; Klein, S.A.; Duffie, J.A. Estimation of the diffuse radiation fraction for hourly, daily and monthly-average global radiation. Sol. Energy 1982, 28, 293–302. [Google Scholar] [CrossRef]
- Duffie, J.A.; Beckman, W.A. Solar Engineering of Thermal Processes, 3rd ed.; John Wiley & Sons Inc.: Hoboken, NJ, USA, 2006. [Google Scholar]
- Clemens, J. Entwicklung Eines Einfachen Modells zur Abschätzung der Sommerlichen Überwärmung in Gebäuden. Diplomarbeit. Universität-Gesamthochschule Siegen, Fachbereich Physik: Siegen, Germany, 2000. Available online: http://nesa1.uni-siegen.de/download/Diplomarbeit_Clemens.pdf (accessed on 12 November 2024).
- Basunia, M.A.; Yoshio, H.; Abe, T. Simulation of Solar Radiation Incident on Horizontal and Inclined Surfaces. J. Eng. Res. (TJER) 2012, 9, 27–35. [Google Scholar] [CrossRef]
- Dragicevic, S.; Vuckovic, N. Evaluation of Distributional Solar Radiation Parameters of Cacak Using Long–Term Measured Global Solar Radiation Data. Therm. Sci. 2007, 11, 125–134. [Google Scholar] [CrossRef]
- Hsieh, J.S. Solar Energy Engineering; Prentice-Hall: Englewood Cliffs, NJ, USA, 1986. [Google Scholar]
- Barótfi, I. Environmental Technology (in Hungarian); Mezőgazda Kiadó: Budapest, Hungary, 2000. [Google Scholar]
- Bogoslovskij, B.N.; Poz, M.J. Teplofizika Apparatov Utilizatii Tepla System Otoplenija, Ventilatii i Konditionirovania Vazduha; Stroizdat: Moskva, Russia, 1983. [Google Scholar]
- Kondratev, K.J.; Povovarova, Z.M.; Fedorova, M.P. Radiationnij Rejim Naklonnih Poverhnostej; Gidrometeoizdat: Saint Petersburg, Russia, 1978; p. 340. [Google Scholar]
- Norris, D.J. Solar Radiation on Inclined Surfaces. Sol. Energy 1966, 10, 72–76. [Google Scholar] [CrossRef]
- Liu, B.Y.H.; Jordan, R.C. Daily Insolation on Surface Tilted Towards the Equator. ASHRAE J. 1961, 3, 53–59. [Google Scholar]
- Hongda, L.; Lun, L.; Yang, H.; Fang, L. Method of identifying the lengths of equivalent clear-sky periods in the time series of DNI measurements based on generalized atmospheric turbidity. Renew. Energy 2019, 136, 179–192. [Google Scholar] [CrossRef]
- Urban INCD Incerc, Minister of Regional Development and Tourism. Statistics os Romania Meteorological Data for Air Conditioning Equipment; Contract nr. 483/2011; Ministry of Regional Development and Tourism: Bucharest, Romania, 2011. [Google Scholar]
- MSZ 04-140-2; Power Engineering. Dimensioning Calculuses of Buildings and Building Envelope Structures. Hungarian Standard Commitment: Budapest, Hungary, 1992.
- MSZ CR 1752:2000; Ventilation for Buildings. Hungarian Standard Commitment: Budapest, Hungary, 2000.










| Hottest Days | Summer | Tmax > 25 °C |
| Hot | Tmax ≥ 30 °C | |
| Torrid | Tmax ≥ 35 °C |
| Year | Summer Days | Hot Days | Torrid Days |
|---|---|---|---|
| 2009 | 51 | 22 | 0 |
| 2010 | 40 | 18 | 0 |
| 2011 | 41 | 19 | 1 |
| 2012 | 40 | 31 | 9 |
| 2013 | 50 | 20 | 3 |
| 2014 | 47 | 16 | 0 |
| 2015 | 36 | 32 | 7 |
| 2016 | 50 | 11 | 0 |
| 2017 | 49 | 24 | 1 |
| 2018 | 68 | 25 | 0 |
| 2019 | 42 | 29 | 0 |
| Daily Maximum, °C | Number of Days |
|---|---|
| 25–25.99 | 106 |
| 26–26.99 | 105 |
| 27–27.99 | 121 |
| 28–28.99 | 91 |
| 29–29.99 | 91 |
| 30–30.99 | 76 |
| 31–31.99 | 67 |
| 32–32.99 | 48 |
| 33–33.99 | 34 |
| 34–34.99 | 22 |
| 35–35.99 | 14 |
| 36–36.99 | 5 |
| 37–37.99 | 2 |
| Heat waves | Level 1 | Tmean ≥ 25 °C 1–2 day |
| Level 2 | Tmean ≥ 25 °C 3 days at least or ≥27 °C 1 day at least | |
| Level 3 | Tmean ≥ 27 °C 3 days or more |
| Level 1 | Level 2 | Level 3 | |
|---|---|---|---|
| 2009 | 6 | 1 | 0 |
| 2010 | 3 | 2 | 0 |
| 2011 | 2 | 2 | 0 |
| 2012 | 2 | 4 | 1 |
| 2013 | 2 | 3 | 0 |
| 2014 | 1 | 0 | 0 |
| 2015 | 4 | 4 | 2 |
| 2016 | 1 | 1 | 0 |
| 2017 | 4 | 2 | 0 |
| 2018 | 8 | 0 | 0 |
| 2019 | 5 | 1 | 0 |
| Hour | |||||
|---|---|---|---|---|---|
| Raw Data | Data Adjusted to Clear Sky Day | ||||
| W/m2 | |||||
| 0:00 | 0.00 | 0.00 | 0.00 | 0.00 | 0.00 |
| 1:00 | 0.00 | 0.00 | 0.00 | 0.00 | 0.00 |
| 2:00 | 0.00 | 0.00 | 0.00 | 0.00 | 0.00 |
| 3:00 | 0.00 | 0.00 | 0.00 | 0.00 | 0.00 |
| 4:00 | 0.00 | 0.00 | 0.00 | 0.00 | 0.00 |
| 5:00 | 56.30 | 56.30 | 0.00 | 47.01 | 9.29 |
| 6:00 | 205.12 | 98.47 | 106.65 | 171.27 | 33.84 |
| 7:00 | 377.98 | 122.55 | 255.43 | 315.62 | 62.37 |
| 8:00 | 546.03 | 138.34 | 407.69 | 455.94 | 90.10 |
| 9:00 | 697.82 | 148.57 | 549.25 | 582.68 | 115.14 |
| 10:00 | 818.43 | 156.65 | 661.78 | 683.39 | 135.04 |
| 11:00 | 897.33 | 162.03 | 735.30 | 749.27 | 148.06 |
| 12:00 | 926.83 | 163.39 | 763.45 | 773.91 | 152.93 |
| 13:00 | 900.83 | 160.67 | 740.16 | 752.20 | 148.64 |
| 14:00 | 753.03 | 206.30 | 546.74 | 628.78 | 124.25 |
| 15:00 | 712.12 | 139.36 | 572.75 | 594.62 | 117.50 |
| 16:00 | 568.77 | 120.39 | 448.38 | 474.92 | 93.85 |
| 17:00 | 375.95 | 124.50 | 251.45 | 313.92 | 62.03 |
| 18:00 | 218.87 | 86.31 | 132.55 | 182.75 | 36.11 |
| 19:00 | 54.79 | 54.79 | 0.00 | 45.75 | 9.04 |
| 20:00 | 0.00 | 0.00 | 0.00 | 0.00 | 0.00 |
| 21:00 | 0.00 | 0.00 | 0.00 | 0.00 | 0.00 |
| 22:00 | 0.00 | 0.00 | 0.00 | 0.00 | 0.00 |
| 23:00 | 0.00 | 0.00 | 0.00 | 0.00 | 0.00 |
| Hour | ||
|---|---|---|
| Actual Day | Clear Sky Day | |
| W/m2 | ||
| 0:00 | 0.00 | 0.00 |
| 1:00 | 0.00 | 0.00 |
| 2:00 | 0.00 | 0.00 |
| 3:00 | 0.00 | 0.00 |
| 4:00 | 0.00 | 0.00 |
| 5:00 | 28.15 | 4.64 |
| 6:00 | 49.23 | 16.92 |
| 7:00 | 61.27 | 31.18 |
| 8:00 | 69.17 | 45.05 |
| 9:00 | 74.28 | 57.57 |
| 10:00 | 78.33 | 67.52 |
| 11:00 | 81.01 | 74.03 |
| 12:00 | 81.69 | 76.46 |
| 13:00 | 80.34 | 74.32 |
| 14:00 | 103.15 | 62.13 |
| 15:00 | 69.68 | 58.75 |
| 16:00 | 60.20 | 46.92 |
| 17:00 | 62.25 | 31.02 |
| 18:00 | 43.16 | 18.06 |
| 19:00 | 27.40 | 4.52 |
| 20:00 | 0.00 | 0.00 |
| 21:00 | 0.00 | 0.00 |
| 22:00 | 0.00 | 0.00 |
| 23:00 | 0.00 | 0.00 |
| Horizontal Surface | Vertical Surface | ||||||
|---|---|---|---|---|---|---|---|
| Diffuse | Direct | Diffuse | South | East | West | North | |
| Actual day | 1938.62 | 6171.59 | 969.31 | 2197.24 | 2611.79 | 2711.35 | 292.37 |
| Clear sky day | 1338.18 | 6772.02 | 669.09 | 2294.5 | 3091.11 | 3136.26 | 415.65 |
| Structures | U [W/m2 K] |
|---|---|
| Wall | 0.226 |
| Window | 1 |
| Flat roof | 0.166 |
| Comfort Categories | Operative Temperature [°C] Summer (Cooling) |
|---|---|
| A | 24.5 ± 1.0 |
| B | 24.5 ± 1.5 |
| C | 24.5 ± 2.5 |
| Heavyweight Construction | Lightweight Construction | |||||
|---|---|---|---|---|---|---|
| Operative Temperature | A Top: 23.5 °C | B Top: 26.0 °C | C Top: 27.0 °C | A Top: 23.5 °C | B Top: 26.0 °C | C Top: 27.0 °C |
| Summer day | 13,122 | 8173 | 6393 | 21,946 | 19,693 | 18,793 |
| Hot day | 14,619 | 9800 | 7902 | 23,893 | 21,641 | 20,738 |
| Torrid day | 14,963 | 10,201 | 8303 | 24,147 | 21,901 | 21,007 |
| Heavy Construction | Light Construction | ||||||||
|---|---|---|---|---|---|---|---|---|---|
| Comfort Category | Operative Temperature | South | North | East | West | South | North | East | West |
| A Top: 23.5 °C | summer day | 3361 | 1458 | 4212 | 4091 | 5462 | 1938 | 7398 | 7148 |
| hot day | 3715 | 1914 | 4402 | 4588 | 5908 | 2581 | 7555 | 7849 | |
| torrid day | 3979 | 2035 | 4281 | 4668 | 6319 | 2738 | 7167 | 7923 | |
| B Top: 26.0 °C | summer day | 2138 | 296 | 2810 | 2929 | 4900 | 1417 | 6749 | 6627 |
| hot day | 2495 | 752 | 3127 | 3426 | 5346 | 2060 | 6907 | 7328 | |
| torrid day | 2755 | 873 | 3039 | 3534 | 5763 | 2217 | 6519 | 7402 | |
| C Top: 27.0 °C | summer day | 1648 | 0 | 2281 | 2464 | 4675 | 1209 | 6490 | 6419 |
| hot day | 2018 | 287 | 2636 | 2961 | 5121 | 1851 | 6647 | 7119 | |
| torrid day | 2266 | 408 | 2549 | 3080 | 5545 | 2009 | 6260 | 7193 | |
| Summer Day | Hot Day | Torrid Day | |
|---|---|---|---|
| All day | 100.0 | 113.8 | 118.2 |
| Peak time (8 a.m.–4 p.m.) | 89.3 | 99.6 | 105.9 |
| Difference | 10.7 | 14.2 | 12.3 |
| Summer Day | Hot Day | Torrid Day | |
|---|---|---|---|
| All day | 100.0 | 114.8 | 115.9 |
| Peak time (8 a.m.–4 p.m.) | 68.8 | 79.0 | 83.6 |
| Difference | 31.2 | 35.8 | 32.3 |
| Cooling Demand Rate | Lightweight Construction | Heavyweight Construction | ||||
|---|---|---|---|---|---|---|
| Summer Day | Hot Day | Torrid Day | Summer Day | Hot Day | Torrid Day | |
| All day | 100% | +13.8% | +18.2% | −33.1% | −23.2% | −22.5% |
| Peak time (8 a.m.–4 p.m.) | −10.7% | −0.4% | +5.9% | −54.0% | −47.7% | −44.1% |
Disclaimer/Publisher’s Note: The statements, opinions and data contained in all publications are solely those of the individual author(s) and contributor(s) and not of MDPI and/or the editor(s). MDPI and/or the editor(s) disclaim responsibility for any injury to people or property resulting from any ideas, methods, instructions or products referred to in the content. |
© 2024 by the authors. Licensee MDPI, Basel, Switzerland. This article is an open access article distributed under the terms and conditions of the Creative Commons Attribution (CC BY) license (https://creativecommons.org/licenses/by/4.0/).
Share and Cite
Kostyák, A.; Szekeres, S.; Csáky, I. Assessment of the Actual and Required Cooling Demand for Buildings with Extensive Transparent Surfaces. Energies 2024, 17, 5814. https://doi.org/10.3390/en17235814
Kostyák A, Szekeres S, Csáky I. Assessment of the Actual and Required Cooling Demand for Buildings with Extensive Transparent Surfaces. Energies. 2024; 17(23):5814. https://doi.org/10.3390/en17235814
Chicago/Turabian StyleKostyák, Attila, Szabolcs Szekeres, and Imre Csáky. 2024. "Assessment of the Actual and Required Cooling Demand for Buildings with Extensive Transparent Surfaces" Energies 17, no. 23: 5814. https://doi.org/10.3390/en17235814
APA StyleKostyák, A., Szekeres, S., & Csáky, I. (2024). Assessment of the Actual and Required Cooling Demand for Buildings with Extensive Transparent Surfaces. Energies, 17(23), 5814. https://doi.org/10.3390/en17235814

