Next Article in Journal
An Open-Source Julia Package for RMS Time-Domain Simulations of Power Systems
Next Article in Special Issue
Modeling Energetic Effectiveness and Breakage Intensity in Mining and Processing Circuits on Limestone Crushing in HPGR
Previous Article in Journal
Changes in Farm Supply Voltage Caused by Switching Operations at a Wind Turbine
Previous Article in Special Issue
Energy Consumption and Fume Analysis: A Comparative Analysis of the Blasting Technique and Mechanical Excavation in a Polish Gypsum Open-Pit Mine
 
 
Font Type:
Arial Georgia Verdana
Font Size:
Aa Aa Aa
Line Spacing:
Column Width:
Background:
Article

Impact of Power Quality on the Efficiency of the Mining Process

1
Department of Power Electronics and Automation of Energy Transformation Systems, AGH University of Krakow, 30-059 Krakow, Poland
2
Bachelor Computer Science and Engineering, Faculty of Electrical Engineering, Mathematics & Computer Science, Delft University of Technology, 2628 CD Delft, The Netherlands
*
Author to whom correspondence should be addressed.
Energies 2024, 17(22), 5675; https://doi.org/10.3390/en17225675
Submission received: 30 September 2024 / Revised: 4 November 2024 / Accepted: 5 November 2024 / Published: 13 November 2024
(This article belongs to the Special Issue Energy Consumption at Production Stages in Mining)

Abstract

There are currently more than 30 underground mines operating in Poland. These are mines extracting hard coal, salt, and metal ores. Each of these plants has its own specifics for operation, but all operate under the same regulations. The basic principle is to ensure the safety of the crew and equipment. The progressive mechanization and automation of the mining process results in the installation of power electronic converters in the networks of mining plants, which significantly deteriorate the quality of the power in the plant supply networks. In addition, the constant reconfiguration of these networks related to the progress of the work can affect the safety conditions of the plant. This article describes problems occurring at one underground mining plant that are related to the structure of the power grid. Failures and interruptions in the production process were the result of poor power quality. They directly translated into increased production costs and significantly affected the safety level of the workforce, which could result in further consequences, not only in the financial sphere. The article also addresses the issue of existing legal regulations, the provisions of which may be insufficient in assessing the current state of power quality in mining plants.

1. Introduction

The problem of power quality occurs at any location where electricity flows, i.e., from generation through transmission and distribution to the end user [1,2,3,4,5,6]. Power quality began to be discussed a dozen years ago. However, until now, the topics related to it are not treated on a par with other operational problems in industrial plants. The significance of the problem is understood in light of the relatively new field, where connections between the failures that occur and the problems caused by poor quality of the power supply are scarcely noticed. A special type of industrial plant, in this regard, is an underground mine. Therefore, it is worthwhile to clarify what the quality of the electricity supply entails, what it is, and what the consequences of negligence in this area means for the proper operation of the mining plant.
Sources of higher harmonics in the power grids of mines are primarily power electronic converters supplying the drive systems of process equipment. Such equipment includes, among others:
  • hoisting machines,
  • fans, and
  • conveyor and pump drives.
Different types of converters belonging to one of the groups are used in these devices:
-
AC/DC converters,
-
compound converters—multi-pulse AC/DC systems,
-
AC/DC/AC intermediate frequency converters, and
-
soft starters.
The largest electricity loads in an underground mine are generated by the hoisting machine, and it is also the source of a great many disturbances. The problem is not just the unit power of such a machine, but its operating mode, characterized by numerous starts and stops. The power of the hoisting machines can reach values of several megawatts. The drives of main ventilation fans require much lower power, ranging in power from a few hundred kilowatts to 1.5 MW. A much greater risk is posed by equipment with smaller capacities that are switched on in a completely uncoordinated manner. In these cases, it is not possible to take preventive measures.
In addition, the situation is exacerbated by the permanent reconfiguration of the electricity network due to the progress of the work, which necessitates changes in cable lengths and the relocation of equipment.

2. The Definition of Power Quality

Throughout the structure in which the flow of energy occurs, different understandings of the characteristics of its quality emerge, which provokes conflicts between suppliers and consumers of energy. If energy quality is mentioned, it can have many meanings depending on who defines it. Figure 1 illustrates the different perceptions of the negative effects of a certain event.
The first recipient’s activation of one large drive results in overcurrent from his point of view. The electricity supplier will feel the same way. However, recipient 2 will have a completely different perception in this regard. For him, this procedure will be seen as a voltage collapse, a phenomenon unfavorable to him. Because the end customer experiences poor power quality and is affected by these phenomena, his perception of quality problems is of primary importance. Various definitions are cited in the literature, and this problem is still being discussed [7,8]. In [7], the definition that most captures the meaning of these discussions is provided below.
The quality of the power supply is a set of parameters describing the characteristics of the process of supplying power to the user under normal operating conditions, determining the continuity of the power supply (long and short interruptions) and characterizing the supply voltage (value, asymmetry, frequency, and time waveform).
Very often in mining plants, issues related to the quality of the power supply are incorrectly understood. It is wrongly believed that exceeding permissible levels of reactive power, and the associated penalties, is a problem related to the quality of the electricity supply. However, this is not true, as is clear from the cited definition.

3. The Assessment of the Power Quality

When determining the impact of equipment on the quality of the electricity supply, measurements of the relevant quantities are made. For this, class A measuring instruments are used in accordance with the IEC 61000-4-30 standard [9]. To assess the quality of the supply voltage, the following indicators are adopted:
RMS
Root mean square voltage is the equivalent direct current (DC) voltage for an alternating current (AC) source. The RMS voltage of a sinusoidal source of electromotive force is used to characterize the source. It is the square root of the time average of the voltage squared. The sinusoidal signal is defined as u(t) = Umsin(ωt), URMS = Um/√2.
Frequency
This is the parameter describing the number of voltage waveform periods per second. According to the standard PN-IEC 60038, 50 Hz is the value considered correct. The acceptable frequency deviation is ±10%
Total harmonic distortion (THD)
THD, which is defined as the percentage ratio of the sum of the voltage or current of all harmonic components to the voltage or current of the fundamental frequency, is a measurement of the harmonic distortion present in a signal.
Asymmetry
Supply voltage asymmetry refers to unevenness between the effective value of phase voltages or the shift angles between subsequent phases. In the case of three-phase systems, voltage asymmetry occurs when the effective values of three-phase voltages are not the same and/or the displacement angles between them are different than 120 degrees.
Fluctuation
The voltage fluctuations are defined as a series of changes in the RMS value or envelope of the voltage time course, the magnitude of which should not exceed ±10% of the rated network voltage. The main source of voltage fluctuations are devices with time-varying reactive power.
Distortion
A change in the supply voltage value is defined as an increase or decrease in the voltage value, usually caused by a change in the load on the power grid. Thera are two types of voltage changes: slow changes called voltage deviations and fast changes called voltage fluctuations. Two parameters are used, including short-term flicker indicator Pst and long-term flicker indicator Plt.
Collapses and rises
Voltage collapse (sag) is a sudden reduction of the supply voltage below a specified level, typically −10% or sometimes −15%, and a subsequent return to the initial value or a value close to it. The duration of the dip is generally defined as a range from 10 ms to 1 s. The depth of the voltage dip is defined as the difference between the minimum effective value during the dip and the rated voltage.
Voltage surges are defined as sudden and short-term increases in voltage above 110% of the rated voltage.
Power outages
Power outages are situations in which the voltage at a power grid connection drops below 1% of the rated voltage. This parameter determines the reduction of the power supply voltage value below the level specified by the standard for a given recipient. A power outage can also be defined as a voltage drop to a value close to zero at the point of electricity supply. Power outages are classified according to length:
-
Micro-breaks (transient)—last no longer then 1 s;
-
Short—last longer than 1 s, but no longer than 3 min;
-
Long—last over 3 min, but no longer than 12 h;
-
Very long—last longer than 12 h, but no longer than 24 h; and
-
Catastrophic—last longer than 24 h.
In addition to the mentioned indicators, other quantities are recorded, such as current harmonics, THDI current distortion factor, powers (active, reactive and apparent), PF power factor [10,11,12,13]. These quantities are given for informational purposes only and do not belong to the set of criterion quantities used to assess the quality of electricity supply. The requirements of [9] are taken as the basis for evaluating power supply conditions.

4. Regulatory Conditions

The basic legal act applicable to Polish law is the Regulation of the Minister of Climate and Environment [14]. In Poland, as in other EU countries, regulations in line with EU directives are applied. The EMC Directive (2014/30/EU) requires manufacturers, importers, and distributors to ensure that their products comply with EMC requirements. Products must be designed and manufactured in a way that ensures that they do not cause unacceptable electromagnetic interference and that they are immune to external interference. The manufacturer must draw up a declaration of conformity and label the product with the CE mark, which confirms compliance with the requirements of the EMC Directive. The equipment must undergo conformity assessment procedures, which may include internal production controls, laboratory testing, and certification by notified bodies.
In the case of equipment operating in underground mines, the assessment of hazards, the level of impact of this equipment on other receivers, and its resistance to interference should be particularly controlled. The environment of underground mines is special in terms of climatic and technical conditions and operational reliability, which directly affects the safety of working crews.
The requirements in Parts 2–4 of the standard [9] focus on compatibility levels for conducted interference in low-voltage power networks in industrial and public facilities. It defines the maximum permissible levels of electromagnetic interference that can occur in the power supply networks of these facilities. It covers interference, such as overvoltage conditions, harmonics, voltage rises, swings, and collapses, and other types of interference that can affect the operation of equipment. The standards describe the interference measurement methods and test procedures that must be carried out to assess compliance with the standard.

5. The Sources of Disturbance in a Mining Plant

Mining plants belong to that part of industrial plants where the configuration of the power grid changes continuously, depending on the progress of the mining process. This is due to the progress of mineral extraction, but also to the preparation of new areas and the decommissioning of old pits. These changes entail significant differences in the functioning of the networks and the impossibility of clearly predicting the phenomena that may occur in these networks.
The second major factor is the progressive mechanization and automation of work. This necessitates the use of advanced power electronic systems, which are a source of disturbances in mine networks, and also poses a threat to other power electronic systems that need power in the form of an undistorted sinusoid to function properly.
Machines that significantly affect the generation of disturbances in mine networks are hoisting machines and conveyor drives (Figure 2). In the first case, we are dealing with the cyclic switching on and off of a high-power drive. In the second case, it is a group of drives of significant power characterized by heavy starting, but without the ability to determine the moment of their stopping and restarting (this is due to the integration of these devices with other technological equipment or is caused by failures of these devices). The hoisting machine, as part of the mining vertical transportation system, is one of the largest consumers of electricity in a mining plant. Nowadays, in most cases, the drive motor is powered by a power electronic converter. It is a source of disturbances introduced into the plant network, and the consumer is exposed to disturbances occurring on the network. The literature does not describe much about the problems of disturbances in mining plant networks [15,16,17].
Figure 3 shows the waveforms of phase voltages recorded at one mining plant.
Prior to the occurrence of the event (grid disturbance—at time t1), the sinusoidal voltage waveforms will not cause any negative effects on the other consumers in the grid. However, during the time interval between t1 and t2, the operation of the power electronic converter will not be possible due to problems in synchronizing the operation of individual semiconductor valves of the converter. This means that subsequent components of the system will not be able to switch on properly, which may result in the interruption of the operation of the device and its emergency shutdown. In extreme cases, the semiconductor elements may be damaged. It is not difficult to imagine the consequences of such event if the converter mentioned before is a component of the hoisting machine drive system.
Deformations associated with changes in the shape of voltage waveforms are not the only ones that pose a threat to the correct operation of equipment. Another problem is the change in the effective value of the voltage (voltage rises, falls, and decays). The most common type of motors used in mines today are induction motors. The torque on the motor shaft depends on the square of the supply voltage. In addition, any change in the effective value of the supply voltage results in accelerated degradation of the insulation of such motors. These are hidden costs associated with the poor quality of the power supply.
Figure 4 and Figure 5 show another dangerous phenomenon related to the quality problem, namely, voltage collapse, consisting of a temporary decrease or increase in the RMS value of the voltage. This can cause tripping of protections in network systems, and the frequent occurrence of such phenomena leads to a reduction in the life of equipment, including electric motors.
Another dangerous type of disturbance is a change in the frequency of the waveforms powering the equipment. Figure 6 shows the MV voltage waveforms. As a result of a previous disturbance in the network, there was a change in the frequency of the supply waveforms.
The frequency of supply voltage waveforms has a direct effect on the speed of induction motors. In mining plants, a great number of drives are directly connected to the grid, and the phenomenon shown in Figure 7 directly affects the instantaneous change in the speed of these machines.
The change in the frequency of the network waveforms shown in Figure 6 is the result of a sequence of events related to the increase in voltage, a significant deformation of the voltage waveforms, and a change in the frequency of the waveforms during the final phase of the entire event. Figure 6 shows the phase voltage waveforms during the entire event.

6. The Analysis of Disturbances at One of the Mining Plants

Taking into account the potential problems described earlier, during the discussion, possible courses of action were identified to minimize the potential adverse impacts of phenomena related to the quality of the electricity supply on the efficiency of the production process and the safety of the workforce.
In recent years, this mine has seen an increase in the number of power grid failures. At the same time, work was being carried out to expand the network in the underground workings. The analysis of the incidents in question showed that there may be problems in the networks of mining plants:
-
problems with maintaining the appropriate effective voltage value,
-
problems with insulation and its accelerated aging, and
-
problems with deformation of voltage waveforms.
The consequences of the occurrence of these phenomena are significant economic losses due to uncontrolled interruptions of the production process. Sources of disturbances related to the quality of electricity supply in the plant include regulated electric drives of hoisting machines, belt conveyors, longwalls, and face complexes, as well as the extensive underground power system. In this case, hoisting machinery has been eliminated as a source of disturbance, due to the fact that these machines are built on the basis of the Leonard system.
The effect of a change in the effective value of the voltage mainly involves problems with the proper functioning of protection in mine networks and the reliable operation of contact elements of equipment. Due to the use of drives supplied directly from the mains, a change in the value of the supply voltage causes a change in the slip and an increase in current, which, as a consequence, causes increased heating of the machinery and a faster progressive wear process.
The largest number of failures, in this case, was caused by disturbances occurring in the underground power system. These primarily included damage to cables and wires, due to accelerated aging of the working insulation. Each failure triggered the tripping of protection in the switchgears and shut down the power supply to the mining region, stopping the operation of the entire process line as a result, and creating an additional hazard (shutting down the ventilation and drainage system). Re-energizing the power supply had to be preceded by many hours of preparation, including the localization of the damage site, the repair of the wire or cable by making a cable socket, and measurements of the network.
Another problem that potentially occurs in the networks of mining plants is the distortion of voltage waveforms. They can cause malfunctions of protections in power grids, problems with synchronization of converters, switching off of contact elements, and accelerated aging of insulation due to the flow of additional ground currents. All the aforementioned problems negatively affect the production process of mining plants. In addition, they reduce the reliability and operational safety of the mining plant.
The following events, among others, occurred in the power grid of the analyzed mining plant:
Incident 1
Emergency shutdown of one of the bays of the 6 kV switchgear.
The location of the fault was a 6 kV cable line leading from the field of the 6 kV switchgear, and emergency shutdown of the field occurred due to tripping of the earth fault protection. The cause was damage to the working insulation in one of the main cables supplying the underground workings. Visual inspection did not reveal mechanical damage to the armor, and no damage to the insulation sheath or fatigue due to stress was observed. The failure was the result of internal damage to the cable caused by the effect of the power quality on the acceleration of the ageing process of the working insulation. The consequences of the failure included no power supply to the 6 kV transformer stations connected to the cable line from the 6 kV switchyard. The consequence of the failure was the lack of power supply as follows:
-
ore haulage equipment from the coalface;
-
conveyors 2 × 2 × 100 kW;
-
pumps in the area of the exploratory heading (90 kW), ramps (90 kW), and local drainage in the face;
-
equipment for the longwall complex; and
-
fan for ventilation of the coalface.
The duration of failure was 2 h 30 min, representing the time required to locate the failure site and repair the damaged cable.
Incident 2
The second major failure occurred as a result of a 6 kV blackout in the main switchgear. As a result, power was disconnected to the equipment in the plant. The power was then started again. After a few minutes, one of the electricians found smoke coming from the hoisting machine building of one of the shafts. The power supply to the 6 kV switchboard and the power supply to the winding machine building in question were switched off.
The National Fire Service was called to the incident. After the smoke had been cleared from the winding machine building, it was visually established that the source of the smoke was an overheated starting choke of the synchronous motor of the winding machine control generator. In addition, it was noted that the power switch for the synchronous motor was in the ON state despite a power failure. The power failure caused the 6 kV circuit breaker, which switches off the synchronous motor starting choke during start-up, to switch off. The lack of excitation voltage (electromechanical exciter off) caused the motor to fall out of synchrony. Prolonged operation at currents several times the rated currents caused the starting choke windings to overheat.
As part of the removal of the failed components of the power supply system of the hoisting machine of the mine shaft lift, the following items were replaced:
-
the power switch in the power supply system of the synchronous motor driving the control generator,
-
6 kV cable in the synchronous motor power supply system, and
-
the starting choke.
After analyzing the incident, it was decided to assess the power supply quality indicators, which was carried out by the staff of the Centre for Electricity Quality operating within the AGH University of Krakow. On the basis of these findings, a modification was made to the mine’s electrical network by changing the power supply structure and connecting some equipment to a different medium-voltage switchgear, which resulted in an improvement in the power supply quality indicators and thus a reduction in the number of failures in the plant network.

7. Measurement of Power Quality Indicators

The remainder of this article will present selected test results after changes were made to the mine’s power supply system. Due to the fact that the mine consists of two parts, and each of them is supplied by different transformer stations, the measurements were carried out in several stages.
The analysis was carried out in terms of the presence of disturbances in the mine’s power grid, which can affect the operation of equipment connected to it and cause negative financial consequences in the form of contractual penalties (reactive power, higher harmonics, and voltage fluctuations). The following indicators were adopted to assess the quality of the supply voltage:
-
RMS value of the supply voltage,
-
supply voltage asymmetry,
-
supply voltage fluctuation,
-
supply voltage distortion,
-
supply voltage collapses and spikes, and
-
power supply interruptions.
In addition to the mentioned indicators, the report also includes registrations of other quantities, such as supply voltage frequency, current harmonics, THDI current distortion factor, powers (active, reactive, and apparent), and power factor (PF). These quantities are given for informational purposes only and do not belong to the set of criteria used to assess power quality.
The basic time for aggregation of measurement data, based on the assessment of the correctness of power supply conditions that was carried out, was set at 10 min. Measurements were made with an aggregation of 1 min, so as to obtain more accurate information about the variability of the loads at the considered measurement points in case of a potential need to select compensating devices.
SONEL PQM-703 recorders (SONEL, Świdnica, Poland) were used for the measurements. The PQM-703 power quality recorder is a device for measuring, analyzing, and recording power network parameters and power quality in accordance with the standard [14]. The recorder fully complies with the requirements of [9] Class A.
The measurands, measuring ranges, and measurement accuracy of the analyzer are contained in [18].
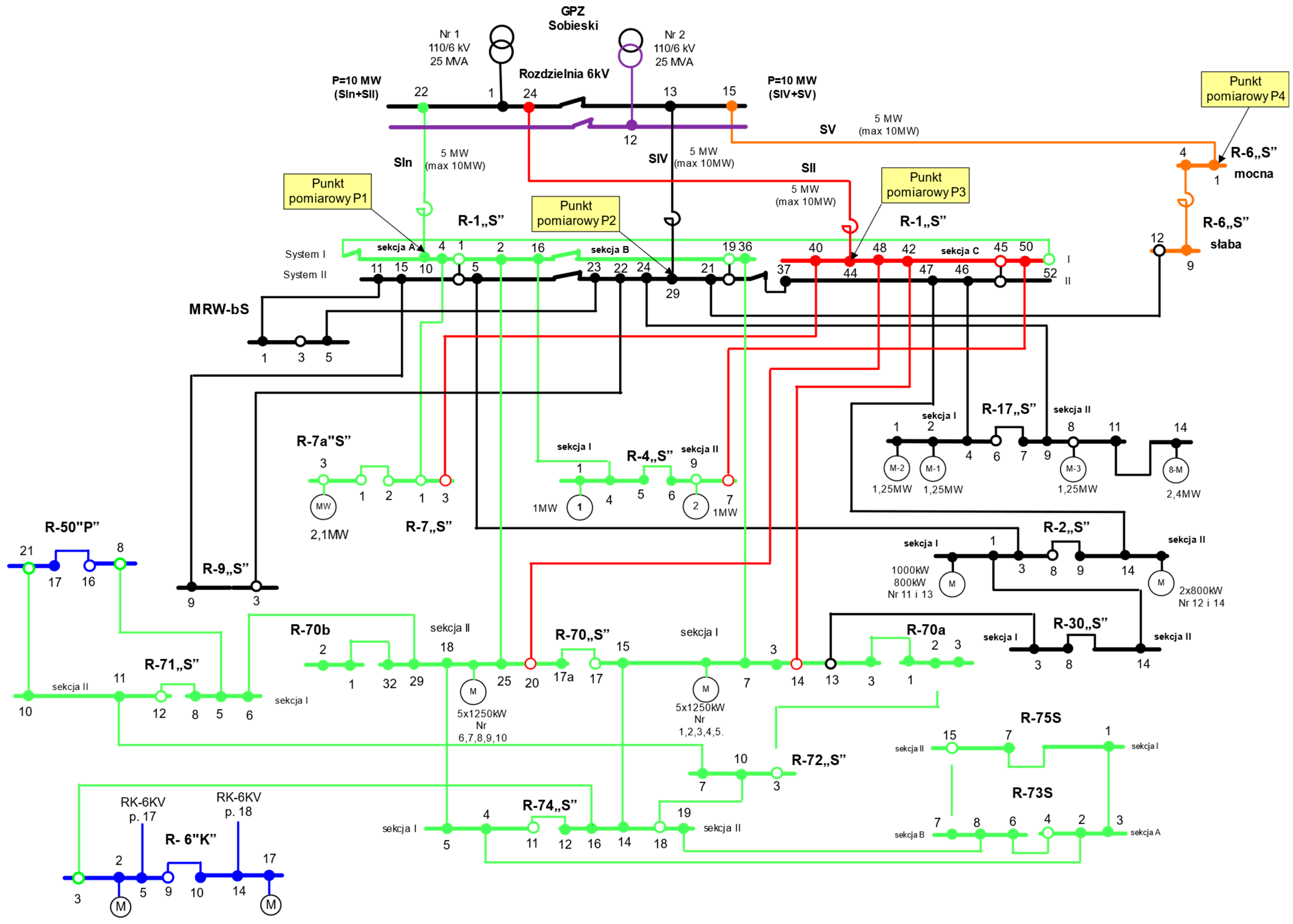
Power quality analyzers were connected for simultaneous recording at four points of the mine’s primary power supply system (Figure 8).
At each of the four points, one recorder was installed at the same time, and its current and voltage inputs were connected as shown in Figure 9.
Table 1 summarizes the results of each indicator for the four measurement points.
As can be seen in Table 1, the presented values of the individual coefficients are within the range of acceptable values, except for the coefficient of voltage asymmetry for point P4.
However, when analyzing networks with much smaller disturbances, it is clear that undesirable phenomena can occur in this network. This is due to the fact that the relevant coefficients take values close to the limit values.
How the change in power supply structure affects the generation and propagation of disturbances in the grid can be seen in the waveform in Figure 10. Shown is the THDU waveform of one phase measured at measurement point P4. As can be seen, the extent of THD changes has clearly changed since 25 September, when the power supply structure was changed. It also depends on the current load. THDU changes between Monday and Friday are greater than those on Saturday and Sunday, which has to do with the supply of process equipment.

8. Conclusions

Undoubtedly, a problem that is very often raised during discussions on the quality of the electricity supply for mining plants is the issue of regulations that seek to regulate this problem in Poland holistically. Due to the development of renewable energy sources, regulations for the operation of the electricity system in Poland are being modified. However, this applies to the power supply of industrial plants, and the assessment of the problem of the system’s impact on the power supply network is still not clearly defined. There are also standards available [9] that define the whole issue of power quality.
As can be seen from the analysis carried out, the normative conditions [9,14] may not be sufficient to ensure the safe and fault-free operation of equipment in underground mines. The conditions under which equipment operates vary greatly in terms of network extensiveness, power, and environmental conditions. An important aspect noted in this type of plant is the constant change in the configuration of the power network due to the progress of the work. In any case, all quality indicators and their changes over time should be analyzed. This will allow early detection of anomalies in the power system caused, for example, by changes to newer equipment or the installation of additional equipment. This is crucial in terms of ensuring the safety of the people working in these plants. In many cases, power failures and outages are not directly linked to power quality problems and are attributed to equipment failures.
In each case, failures result in a halt in mining, which translates directly into losses from unextracted ore. In the cases analyzed, problems resulting simply from poor power quality caused losses of more than PLN 1.5 million during the year. It is not possible to estimate the losses that could have occurred had appropriate measures not been taken to improve the voltage levels in the plant network, which had a direct impact on the safe and uninterrupted operation of the mine.
The design and commissioning of equipment for mining plants is based on regulations related to those plants. However, references to power quality issues cannot be found. Current mining plants will have to operate for another dozen or more years in a new reality, in which professional power engineering will force attention to matters regarding the quality of the power supply. The development of good models and, above all, the training of engineers by power and mechanical engineering departments to deal with such problems is no longer a luxury that only prosperous mining plants can afford, but is now becoming a necessity [19,20,21,22]. In the described mining plant, the changes made to the network are primarily authored by engineers associated with maintenance, and the necessary knowledge and measurement tools were provided to them by the AGH staff. The solution to the failure problem was the result of mutual cooperation and an exchange of experiences.
The currently used power quality indicators, or more precisely, their limits in the regulations, are not sufficient to ensure failure-free operation of mine power grids. To date, the costs of outages and failures have not been identified with the impact of poor power quality on power infrastructure. Ongoing studies show that the acceptable level of indicators is too high. The only problems, which have been misinterpreted as problems of poor power quality, have been excess levels of reactive power. This happened because of the penalties that distribution system operators Imposed on the mine. The paper presents a different approach to this issue and the need for careful analysis of measurement data, despite the initial compliance of the results with normative recommendations. Currently, research is being conducted on the possibility of using other indicators, such as aggregate indicators. However, this requires additional research and the development of guidelines for new regulations that will ensure an adequate level of power supply reliability under changing mine conditions.

Author Contributions

Conceptualization, T.S.; methodology, T.S.; software, J.W. and W.S.; validation, T.S., M.D. and J.W.; formal analysis, T.S., M.D. and J.W.; investigation, T.S., M.D. and J.W.; resources, T.S.; data curation, J.W. and W.S.; writing—original draft preparation, T.S., M.D., J.W. and W.S.; writing—review and editing, T.S.; visualization, J.W. and W.S.; supervision, T.S.; project administration, T.S.; funding acquisition, T.S. All authors have read and agreed to the published version of the manuscript.

Funding

This research received no external funding.

Data Availability Statement

The data presented in this study are available on request from the corresponding author. The data are not publicly available due to contractual restrictions on measurements.

Conflicts of Interest

The authors declare no conflicts of interest.

References

  1. Kilter, J.; Meyer, J.; Elphick, S.; Milanovic, J.V. Guidelines for power quality monitoring—Results from CIGRE/CIRED JWG C4.112. In Proceedings of the 2014 16th International Conference on Harmonics and Quality of Power (ICHQP), Bucharest, Romania, 25–28 May 2014. [Google Scholar]
  2. Martens, E.A., Jr.; Dias, L.F.S.; Fernandes, F.A.; Bonatto, B.D.; Abreu, J.P.G.; Arango, H. Evaluation and trends of power quality indices in distribution system. In Proceedings of the 9th International Coference. Electrical Power Quality and Utilisation, Barcelona, Spain, 9–11 October 2007. [Google Scholar]
  3. Baggini, A. Handbook of Power Quality; John Wiley&Sons, Ltd.: Hoboken, NJ, USA, 2008; pp. 79–131, 187–259. [Google Scholar]
  4. Dugan, R.C.; McGranaghan, M.F.; Santoso, S.; Wayne Beaty, H. Electrical Power Systems Quality; Mc-Graw-Hill: New York, NY, USA, 2004. [Google Scholar]
  5. Li, H.; Lv, C.; Zhang, Y. Research on new characteristics of power quality in distribution network. In Proceedings of the IEEE International Conference on Power, Intelligent Computing and Systems (ICPICS), Shenyang, China, 12–14 July 2019. [Google Scholar]
  6. Shepherd, W.; Zakikhani, P. Energy Flow and Power Factor in Non-Sinusoidal Circuits; Cambridge University Press: New York, NY, USA, 1979. [Google Scholar]
  7. Hanzelka, Z. Jakość Dostawy Energii Elektrycznej. Zaburzenia Wartości Skutecznej Napięcia; Wydawnictwa AGH: Kraków, Poland, 2013. [Google Scholar]
  8. Zhang, X.; Yan, Z. Energy quality: A definitione. IEEE Open Access J. Power Energy 2020, 7, 430–440. [Google Scholar] [CrossRef]
  9. IEC 61000-4-30; Electromagnetic compatibility (EMC)—Part 4-30: Testing and Measurement Techniques—Power Quality Measurement Methods. PKN: Warszawa, Poland, 2015.
  10. Karve, S. Harmonics—Active harmonic conditioners. In Leonardo Power Quality Application Guide—Part 3.3.3; A guide material by Leonardo Power Quality Initiative; European Copper Institute: Brussels, Belgium, 2001. [Google Scholar]
  11. Hanzelka, Z.; Bien, A. Harmonics—Interharmonics. In Leonardo Power Quality Application Guide—Part 3.3.1; A guide material by Leonardo Power Quality Initiative; European Copper Institute: Brussels, Belgium, 2004. [Google Scholar]
  12. Elmore, W.A.; Kramer, C.A.; Zocholl, E. Effect of waveform distortion on protective relays. IEEE Trans. Ind. Appl. 1993, 29, 404–411. [Google Scholar] [CrossRef]
  13. Xu, W.; Liu, X.; Liu, Y. An investigation on the validity of power-direction method for harmonic source determination. IEEE Trans. Power Deliv. 2003, 18, 214–219. [Google Scholar] [CrossRef]
  14. Regulation of the Minister of Climate and Environment of 22 March 2023, on Detailed Conditions for the Operation of the Electricity System. Available online: https://isap.sejm.gov.pl/isap.nsf/download.xsp/WDU20230000819/O/D20230819.pdf (accessed on 28 August 2024).
  15. Bebikhov, Y.V.; Egorov, A.N.; Semenov, A.S. How higher harmonics affect the electrical facilities in mining power systems. In Proceedings of the International Conference on Industrial Engineering, Applications and Manufacturing (ICIEAM), Sochi, Russia, 18–22 May 2020. [Google Scholar]
  16. Semenov, A.S.; Semenova, A.N.; Fedorov, O.V. The results of the implementation of the system for monitoring the quality of electricity in mining enterprises. In Proceedings of the 1st International Conference on Control Systems, Mathematical Modelling, Automation and Energy Efficiency (SUMMA), Lipetsk, Russia, 20–22 November 2019. [Google Scholar]
  17. Wiechmann, E.P.; Aqueveque, P.; Munoz, L.; Henriquez, J.A. Energy quality and efficiency of an open pit mine distribution system: An improvement. In Proceedings of the IEEE Industry Application Society Annual Meeting, Vancouver, BC, Canada, 5–9 October 2014. [Google Scholar]
  18. Instrukcja Obsługi. Analizatory Jakości Zasilania. Available online: https://www.sonel.pl (accessed on 28 August 2024).
  19. Jiangzi, M.L. Measure and suppression of harmonics currents for heavy-duty hoisting machines. In Proceedings of the IEEE/PES Transmission and Distribution Conference & Exhibition: Asia and Pacific, Dalian, China, 26–29 November 2005. [Google Scholar]
  20. Sukanth, T.; Jayanthu, S.; Jayalaxmi, A. Mitigation of power quality problem in underground mine using defferent control strategies. In Proceedings of the IEEE Region 10 Humanitarian Technology Conference (R10-HTC), Agra, India, 21–23 December 2016. [Google Scholar]
  21. Siostrzonek, T.; Chmielowiec, K.; Firlit, A.; Barczentewicz, S. Zalety i wady stosowania układów wielopulsowych w napędzie elektrycznym maszyn wyciągowych. Przegląd Elektrotechniczny Zeszyt 2020, 5, 43–46. [Google Scholar] [CrossRef]
  22. Siostrzonek, T.; Chmielowiec, K.; Piątek, K.; Dutka, M.; Firlit, A. The use of multi-pulse systems in the power supply of hoisting machine drives to improve voltage parameters in mining plants. In Proceedings of the EPQU’20, 12th International Conference and Exhibition on Electrical Power Quality and Utilization, Krakow, Poland, 14–15 September 2020. [Google Scholar]
Figure 1. A perspective on power quality problems.
Figure 1. A perspective on power quality problems.
Energies 17 05675 g001
Figure 2. Connection of the energy source to the consumer through a power electronic circuit.
Figure 2. Connection of the energy source to the consumer through a power electronic circuit.
Energies 17 05675 g002
Figure 3. The waveforms of the three-phase voltages of the MV network.
Figure 3. The waveforms of the three-phase voltages of the MV network.
Energies 17 05675 g003
Figure 4. Voltage collapse (decrease in voltage value).
Figure 4. Voltage collapse (decrease in voltage value).
Energies 17 05675 g004
Figure 5. The waveform of phase voltages when the line voltage increases.
Figure 5. The waveform of phase voltages when the line voltage increases.
Energies 17 05675 g005
Figure 6. Change in the frequency of phase voltage waveforms in the MV network.
Figure 6. Change in the frequency of phase voltage waveforms in the MV network.
Energies 17 05675 g006
Figure 7. Disturbance (increase in network voltage).
Figure 7. Disturbance (increase in network voltage).
Energies 17 05675 g007
Figure 8. The installation sites of recorders used for measurements.
Figure 8. The installation sites of recorders used for measurements.
Energies 17 05675 g008
Figure 9. Diagram of the connection of the recorder at a selected point in the network.
Figure 9. Diagram of the connection of the recorder at a selected point in the network.
Energies 17 05675 g009
Figure 10. THD coefficient on the medium voltage side at point P4.
Figure 10. THD coefficient on the medium voltage side at point P4.
Energies 17 05675 g010
Table 1. Summary of the numerical measurements (maximum values among the 3 phases) for which the assessment of compliance of the parameters of the quality of electricity supply is carried out.
Table 1. Summary of the numerical measurements (maximum values among the 3 phases) for which the assessment of compliance of the parameters of the quality of electricity supply is carried out.
ParameterMeasurement PointThe Permissible Level According to [9]
P1P2P3P4
RMS valueCP06.184 kV6.072 kV6.029 kV6.021 kV5.1 kV
CP1006.399 kV6.497 kV6.506 kV6.539 kV6.6 kV
Voltage asymmetryCP1000.08%0.07%0.14%3.7%3%
Voltage fluctuationsCP950.840.840.870.921
Voltage distortion factorCP1000.95%2.62%3.42%3.59%10%
Disclaimer/Publisher’s Note: The statements, opinions and data contained in all publications are solely those of the individual author(s) and contributor(s) and not of MDPI and/or the editor(s). MDPI and/or the editor(s) disclaim responsibility for any injury to people or property resulting from any ideas, methods, instructions or products referred to in the content.

Share and Cite

MDPI and ACS Style

Siostrzonek, T.; Wójcik, J.; Dutka, M.; Siostrzonek, W. Impact of Power Quality on the Efficiency of the Mining Process. Energies 2024, 17, 5675. https://doi.org/10.3390/en17225675

AMA Style

Siostrzonek T, Wójcik J, Dutka M, Siostrzonek W. Impact of Power Quality on the Efficiency of the Mining Process. Energies. 2024; 17(22):5675. https://doi.org/10.3390/en17225675

Chicago/Turabian Style

Siostrzonek, Tomasz, Jakub Wójcik, Mateusz Dutka, and Wojciech Siostrzonek. 2024. "Impact of Power Quality on the Efficiency of the Mining Process" Energies 17, no. 22: 5675. https://doi.org/10.3390/en17225675

APA Style

Siostrzonek, T., Wójcik, J., Dutka, M., & Siostrzonek, W. (2024). Impact of Power Quality on the Efficiency of the Mining Process. Energies, 17(22), 5675. https://doi.org/10.3390/en17225675

Note that from the first issue of 2016, this journal uses article numbers instead of page numbers. See further details here.

Article Metrics

Back to TopTop