Steady-State Temperature Prediction for Cluster-Laid Tunnel Cables Based on Self-Modeling in Natural Convection
Abstract
1. Introduction
2. Physical Model and Computational Methods
2.1. Physical Model
2.2. Computational Methods
2.2.1. Governing Equations
2.2.2. Boundary Conditions
2.3. Steady-State Temperature Prediction Model for the Tunnel Cable
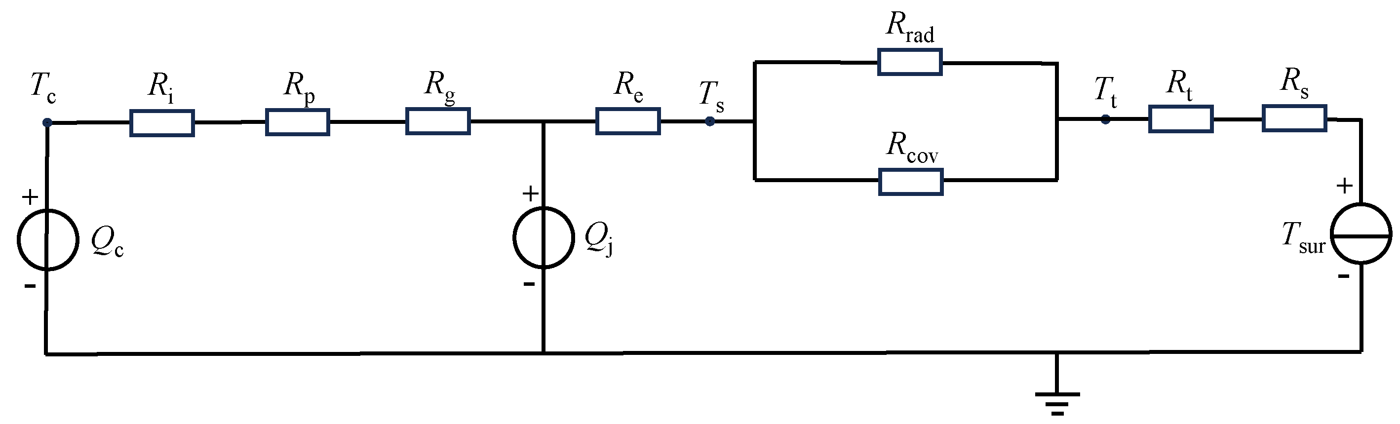
2.3.1. Steady-State Thermal Circuit Model for the Single Cable
- (1)
- Heat source
- (2)
- Thermal resistance
2.3.2. Steady-State Temperature Prediction Model for the Cluster-Laid Cable
- (1)
- Temperature prediction for the three-phase single-circuit cable
- (2)
- Temperature prediction for the single-phase four-circuit cable
- (3)
- Temperature prediction for the three-phase four-circuit cable
2.4. Self-Modeling Principle in Natural Convection
3. Grid Independence Test and Model Validations
3.1. Grid Independence Test
3.2. Model Validations
4. Results and Discussion
4.1. Self-Modeling Method in Natural Convection on the Cable Surface
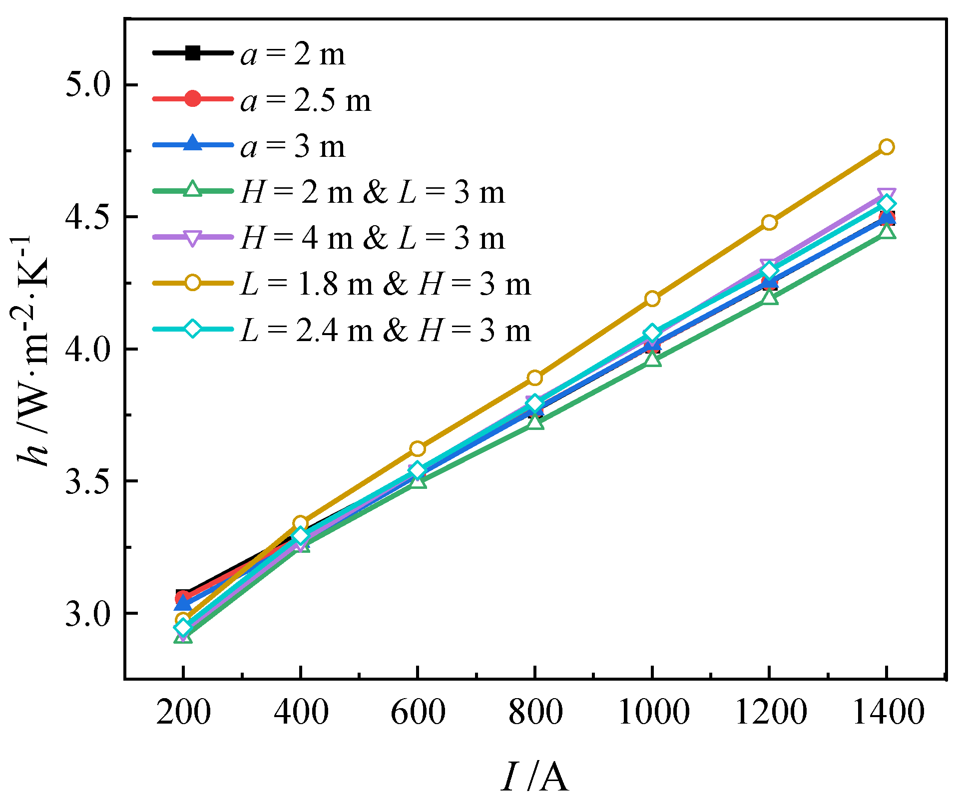
4.1.1. Variation in the Natural Convective Heat Transfer Coefficient with the Current
4.1.2. Variation in the Natural Convective Heat Transfer Coefficient with the Tunnel Size and the Validation of Self-Modeling in Natural Convection on the Single-Laid Cable Surface
4.1.3. Application of Self-Modeling in Steady-State Thermal Circuit Model for Single Cable
4.2. Prediction of Steady-State Temperature of Cable Core in Three-Phase Four-Circuit Cluster Laying Based on the Self-Modeling Method and Combined Method
4.2.1. Model Parameter Solving
- (1)
- Parameter solving for the temperature prediction model for three-phase single-circuit cable core
- (2)
- Parameter solving for the temperature prediction model for single-phase four-circuit cable core
4.2.2. Application Example
- (1)
- The convective heat transfer coefficient h and convective thermal resistance Rcov of the single cable
- (2)
- The core temperature Tc0 of the single cable
- (3)
- Correction factor C1 of the cable core temperature in circuit 1 under three-phase laying
- (4)
- The core temperature Tc1 of circuit 1 under single-phase four-circuit laying
- (5)
- The core temperature Tc of circuit 1 under three-phase four-circuit laying
4.3. Applicability and Extendibility
5. Conclusions
- (1)
- A higher aspect ratio H/L of the rectangular tunnel would lead to better synergy between the velocity field and temperature field near the cable, resulting in a higher natural convective heat transfer coefficient h on the cable surface. Although h varies with the rectangular tunnel size, the maximum deviation between the calculated h when neglecting the tunnel size and the finite element results is only 0.068 W·m−2·K−1, and the maximum relative deviation is only 1.78%, which is within the allowable range of engineering applications, indicating that the natural convective heat transfer on the cable surface in the rectangular tunnel would approximately satisfy the self-modeling within the range of engineering applications. Therefore, it is only necessary to determine the relationship between the convective heat transfer coefficient and the current denoted as the function h = g(I) at the specific size of the tunnel in the solution. Within the range of cases considered in this paper, the maximum deviation between the steady-state cable core temperature predicted with the thermal circuit model and the finite element method is within 1 K, and the maximum relative deviation is within 1.5%, which verifies the predictive accuracy of the thermal circuit model of the single tunnel cable based on the self-modeling method in natural convection.
- (2)
- To predict the steady-state core temperature of the three-phase four-circuit tunnel cable, a cable core temperature prediction model based on the combined method is proposed, regarding the three-phase four-circuit cable as the combination of single cables and taking the mutual heating effect between cables into account. In the application example, the deviation between the core temperature of the three-phase four-circuit cable predicted with the combined method and the finite element method is only 0.52 K, with a relative deviation of only 0.15%, which verifies the accuracy of the combined method in temperature prediction for the cluster-laid cable. This combined method can expand the prediction of cable core temperature from single laying to cluster laying and enable the thermal circuit model of the single tunnel cable based on the self-modeling method to be successfully applied to the temperature prediction for the three-phase multi-circuit tunnel cable.
Author Contributions
Funding
Data Availability Statement
Conflicts of Interest
Abbreviations
| Nomenclature | |
| magnetic vector potential (Wb·m−1) | |
| A | area of the cable surface or the inner wall of the tunnel (m2) |
| a | side length of the square tunnel (m) |
| magnetic induction intensity (T) | |
| C | correction factor |
| d | diameter of the cable conductor (m) |
| electric field intensity (V·m−1) | |
| f | AC frequency (Hz) |
| g | gravitational acceleration (m·s−2) |
| Gr | Grashof number |
| magnetic field intensity (A·m−1) | |
| H | height of the tunnel (m) |
| h | convective heat transfer coefficient (W·m−2·K−1) |
| I | cable current (A) |
| current density (A·m−2) | |
| J | surface effective radiation (W·m−2) |
| k | turbulent kinetic energy (m2·s−2) |
| L | width of the tunnel (m) |
| Nu | Nusselt number |
| p | pressure (Pa) |
| Pr | Prandtl number |
| Q | heat transfer rate (W) |
| R | thermal resistance (K·W−1) |
| r | radius of each layer of the cable (m) |
| T | temperature (K) |
| u | air velocity in x-direction (m·s−1) |
| v | air velocity in y-direction (m·s−1) |
| Greek letters | |
| ε | surface emissivity or turbulent dissipation rate (m2·s−3) |
| λ | thermal conductivity (W·m−1·K−1) |
| μ | dynamic viscosity (Pa·s) |
| ν | kinematic viscosity (m2·s−1) |
| ρ | resistivity (Ω·m) or density (kg·m−3) |
| σ | conductivity (S·m−1) or Stefan-Boltzmann constant (W·m−2·K−4) or turbulent Prandtl number |
References
- Li, Y.; Jiang, L.Y.; Xie, M.; Yu, J.; Quan, L.; Xu, K.; Chen, M.; Wang, Y.L. Advancements and challenges in power cable laying. Energies 2024, 17, 2905. [Google Scholar] [CrossRef]
- Lin, L.; Huang, Y.M.; Zhang, Z.J.; Wang, J.Z.; Zhao, N.N. Method for determining crimping defects in cable joints in tunnels based on surface temperature stability difference. Measurement 2024, 232, 114677. [Google Scholar] [CrossRef]
- Li, H.L.; Zhang, Z.P.; Meng, S.X.; Liu, S.H.; Xie, S.L. Comparison and analysis of temperature rise characteristic of cable under the tunnel and pipe. Adv. Eng. Res. 2017, 23, 168–174. [Google Scholar]
- Li, Y.; Qiao, J.J.; Wang, T.; Liu, Y.F.; Liu, X.Y.; Wang, M.T.; Zhen, G.C.; Song, H.Y.; Liang, Y.W.; Liu, X.K.; et al. Planning of optimal operation scheme for ventilated tunnel fans based on cable conductor temperature. IEEE Trans. Power Deliv. 2023, 38, 2563–2572. [Google Scholar] [CrossRef]
- Ge, X.F.; Fan, F.L.; Given, M.J.; Stewart, B.G. Insulation resistance degradation models of extruded power cables under thermal ageing. Energies 2024, 17, 1062. [Google Scholar] [CrossRef]
- Wang, C.; Zhao, X.T.; Qiao, J.Q.; Xiao, Y.J.; Zhang, J.; Li, Y.C.; Cao, H.Z.; Yang, L.J.; Liao, R.J. Structural changes and very-low-frequency nonlinear dielectric response of XLPE cable insulation under thermal aging. Materials 2023, 16, 4388. [Google Scholar] [CrossRef] [PubMed]
- Naskar, A.K.; Bhattacharya, N.K.; Sarkar, D. Transient thermal analysis of underground power cables using two-dimensional finite element method. Microsyst. Technol. 2018, 24, 1279–1293. [Google Scholar] [CrossRef]
- Xiong, L.; Chen, Y.H.; Jiao, Y.; Wang, J.; Hu, X. Study on the effect of cable group laying mode on temperature field distribution and cable ampacity. Energies 2019, 12, 3397. [Google Scholar] [CrossRef]
- Gela, G.; Dai, J.J. Calculation of thermal fields of underground cables using the boundary element method. IEEE Trans. Power Deliv. 1988, 3, 1341–1347. [Google Scholar] [CrossRef]
- Lv, J.C.; Chen, X.Z.; Liu, G.; Liu, Y.P.; Li, L. Simplified calculation of hot spots of 35 kV oil immersed transformer based on porous medium theory. High Volt. Eng. 2024, 50, 1034–1042. [Google Scholar]
- Buscarino, A.; Fortuna, L.; Famoso, C. Reduced order thermal models for electronic devices. In Proceedings of the 2020 IEEE 20th Mediterranean Electrotechnical Conference (MELECON), Palermo, Italy, 16–18 June 2020. [Google Scholar]
- Muratori, M.; Canova, M.; Guezennec, Y.; Rizzoni, G. A reduced-order modelfor the thermal dynamics of li-ion battery cells. IFAC Proc. Vol. 2010, 43, 192–197. [Google Scholar] [CrossRef]
- Huang, R.Z.; Wu, H.Y.; Cheng, P. A new Lattice Boltzmann model for solid-liquid phase change. Int. J. Heat Mass Transf. 2013, 59, 295–301. [Google Scholar] [CrossRef]
- Gao, D.Y.; Tian, F.B.; Chen, Z.Q. An improved Lattice Boltzmann method for solid-liquid phase change in porous media under local thermal non-equilibrium conditions. Int. J. Heat Mass Transf. 2017, 110, 58–62. [Google Scholar] [CrossRef]
- Sun, Q.Q.; Lin, Z.Q.; Wang, F.; Chen, S.; Zhong, L.P.; Zhou, H.; Chen, J. Thermal network modeling of tunnel cable considering circumferential heat transfer and tunnel curvature. Electr. Power Syst. Res. 2021, 196, 107190. [Google Scholar] [CrossRef]
- Giglio, D.A.; de León, F. Dynamic thermal model for different size trefoil power cables with various loads in non-forced-ventilated tunnels. IEEE Trans. Power Deliv. 2024, 38, 1286–1296. [Google Scholar] [CrossRef]
- Fu, C.Z.; Si, W.R.; Fang, K.K.; Yang, J. Heat transfer simulation and temperature rapid prediction for trench laying cable. Math. Probl. Eng. 2021, 2021, 9271283. [Google Scholar] [CrossRef]
- Shaker, H.; Fotuhi-Firuzabad, M.; Aminifar, F. Fuzzy dynamic thermal rating of transmission lines. IEEE Trans. Power Deliv. 2012, 27, 1885–1892. [Google Scholar] [CrossRef]
- Atoccsa, B.A.; Puma, D.W.; Mendoza, D.; Urday, E.; Ronceros, C.; Palma, M.T. Optimization of ampacity in high-voltage underground cables with thermal backfill using dynamic PSO and adaptive strategies. Energies 2024, 17, 1023. [Google Scholar] [CrossRef]
- Xu, H.; Cheng, S.Y.; Jiang, S.; Zhao, T.; Sun, S.Z. Research on temperature prediction of spacecraft cable based on BP neural network. In Proceedings of the 2021 IEEE 4th International Electrical and Energy Conference (CIEEC), Wuhan, China, 28–30 May 2021. [Google Scholar]
- Wang, J.; Wang, C.S.; Yang, S.Y.; Qin, X. Analysis of the three-dimensional temperature distribution and ampacity of forced ventilation multi-loop cable tunnel by finite element method. In Proceedings of the 2022 5th International Conference on Renewable Energy and Power Engineering, Beijing, China, 29–30 September 2022. [Google Scholar]
- Gu, L.; Zhang, G.; Han, Z. Cable loading in tunnels based on efficient multiphysics simulation method. In Proceedings of the 2022 IEEE International Conference on High Voltage Engineering and Applications (ICHVE), Chongqing, China, 25–29 September 2022. [Google Scholar]
- Zhao, H.; Zhang, Z.L.; Wu, Y.Y.; Yang, Y.; Dong, Z.J. Thermal analysis of power cable in tunnel considering different laying conditions. In Proceedings of the 2022 6th International Conference on Power and Energy Engineering, Shanghai, China, 25–27 November 2022. [Google Scholar]
- Oclon, P.; Cisek, P.; Pilarczyk, M.; Talor, D. Numerical simulation of heat dissipation processes in underground power cable system situated in thermal backfill and buried in a multilayered soil. Energy Conv. Manag. 2015, 95, 352–370. [Google Scholar] [CrossRef]
- IEC 60287-1-1-2014; Electric Cables—Calculation of the Current Rating—Part 1-1: Current Rating Equations (100% Load Factor) and Calculation of Losses—General (Edition 2.1 Consolidated Reprint). IEC: Geneva, Switizerland, 2014.
- Tao, W.Q. Heat Transfer, 5th ed.; Higher Education Press: Beijing, China, 2019; pp. 254–257. [Google Scholar]
- Fu, C.Z.; Si, W.R.; Yang, D.; Yang, J. Numerical study of heat transfer and optimum design for trench laying cables with ceramic plates. Math. Probl. Eng. 2021, 2021, 1227817. [Google Scholar] [CrossRef]
















| Conductor rc (mm) | Insulation ri (mm) | Water-Proof rp (mm) | Air Gap rg (mm) | Aluminum Sheath rj (mm) | Outer Sheath re (mm) |
|---|---|---|---|---|---|
| 16.5 | 34.0 | 38.0 | 39.0 | 41.0 | 45.5 |
| Part | Material | Thermal Conductivity (W·m−1·K−1) | Conductivity (S·m−1) | Relative Dielectric Constant | Relative Permeability |
|---|---|---|---|---|---|
| Conductor | Copper | 400 | σc (T) | 1.0 | 1.0 |
| Insulation | XLPE | 0.285 | 1 × 10−5 | 2.5 | 1.0 |
| Water-proof | PVC | 0.167 | 1 × 10−5 | 4.0 | 1.0 |
| Air gap | Air | 0.029 | 1 × 10−5 | 1.0 | 1.0 |
| Aluminum sheath | Aluminum | 238 | σj (T) | 1.0 | 1.0 |
| Outer sheath | PE | 0.285 | 1 × 10−5 | 2.5 | 1.0 |
| Tunnel | Cement | 1.73 | 1 × 10−5 | 1.0 | 1.0 |
| Soil | Soil | λ(T) | 1 × 10−5 | 1.0 | 1.0 |
| Grid | Zone | Minimum Grid Size (m) | Grid Number | Qloss (W) | Tmax (K) |
|---|---|---|---|---|---|
| 1 | Zone 1 | 2.175 × 10−3 | 2213 | 13.644 | 312.53 |
| Zone 2 | 4.811 × 10−3 | ||||
| Zone 3 | 0.2155 | ||||
| Zone 4 | 0.2818 | ||||
| 2 | Zone 1 | 1.197 × 10−3 | 3902 | 13.601 | 311.98 |
| Zone 2 | 4.674 × 10−3 | ||||
| Zone 3 | 0.2062 | ||||
| Zone 4 | 0.1469 | ||||
| 3 | Zone 1 | 1.120 × 10−3 | 8806 | 13.598 | 311.91 |
| Zone 2 | 4.544 × 10−3 | ||||
| Zone 3 | 0.0910 | ||||
| Zone 4 | 0.1395 | ||||
| 4 | Zone 1 | 9.982 × 10−4 | 12,740 | 13.596 | 311.86 |
| Zone 2 | 4.159 × 10−3 | ||||
| Zone 3 | 0.0609 | ||||
| Zone 4 | 0.1386 | ||||
| 5 | Zone 1 | 9.958 × 10−4 | 18,026 | 13.595 | 311.83 |
| Zone 2 | 3.420 × 10−3 | ||||
| Zone 3 | 0.0600 | ||||
| Zone 4 | 0.1300 |
| Current (A) | Upper Circuits | Lower Circuits | ||||||
|---|---|---|---|---|---|---|---|---|
| Present Study (K) | Fu et al. [27] (K) | Deviation (K) | Relative Deviation (%) | Present Study (K) | Fu et al. [27] (K) | Deviation (K) | Relative Deviation (%) | |
| 500 | 312.41 | 312.83 | 0.42 | 1.06 | 313.24 | 313.09 | 0.15 | 0.38 |
| 600 | 319.31 | 319.26 | 0.05 | 0.11 | 319.79 | 319.90 | 0.11 | 0.24 |
| 700 | 327.28 | 327.22 | 0.06 | 0.11 | 327.98 | 328.38 | 0.40 | 0.72 |
| 800 | 336.72 | 336.22 | 0.50 | 0.79 | 337.57 | 338.53 | 0.96 | 1.47 |
| 900 | 347.54 | 346.75 | 0.79 | 1.07 | 349.76 | 350.47 | 0.71 | 0.92 |
| 1000 | 359.94 | 358.69 | 1.25 | 1.46 | 362.60 | 362.92 | 0.32 | 0.36 |
| 1100 | 374.73 | 372.30 | 2.43 | 2.45 | 377.17 | 377.04 | 0.13 | 0.13 |
| H = L = a (m) | h (W·m−2·K−1) | H (m) (L = 3 m) | h (W·m−2·K−1) | L (m) (H = 3 m) | h (W·m−2·K−1) |
|---|---|---|---|---|---|
| 1.8 | 4.010 | 2.0 | 3.954 | 1.8 | 4.190 |
| 2.4 | 4.011 | 2.5 | 3.988 | 2.1 | 4.123 |
| 3.0 | 4.014 | 3.0 | 4.015 | 2.4 | 4.061 |
| 3.5 | 4.018 | 3.5 | 4.034 | 2.7 | 4.028 |
| 4.0 | 4.019 | 4.0 | 4.049 | 3.0 | 4.015 |
| Changed Size | Initial Size | Final Size | Changes in h |
|---|---|---|---|
| H = L = a | 1.8 m | 4.0 m | Increased by 0.21% |
| H (L = 3 m) | 2.0 m | 4.0 m | Increased by 2.42% |
| L (H = 3 m) | 1.8 m | 3.0 m | Decreased by 4.16% |
| Case | Width L (m) | Height H (m) | Current I (A) |
|---|---|---|---|
| 1 | 2.74 | 3.87 | 530 |
| 2 | 2.90 | 3.26 | 498 |
| 3 | 2.63 | 3.50 | 851 |
| 4 | 2.95 | 2.97 | 1200 |
| 5 | 2.09 | 2.81 | 496 |
| … | … | … | … |
| 17 | 2.07 | 2.23 | 556 |
| 18 | 2.55 | 3.36 | 675 |
| 19 | 2.86 | 3.83 | 1155 |
| 20 | 2.73 | 3.43 | 1284 |
| Resistance | Ri | Rp | Rg | Re | Rt | Rs |
|---|---|---|---|---|---|---|
| Value (K·m·W−1) | 0.457 | 0.106 | 0.142 | 0.058 | 0.014 | 0.808 |
| Current (A) | Tc0 (K) | (K) | C1 |
|---|---|---|---|
| 400 | 294.97 | 296.33 | 1.0046 |
| 600 | 298.91 | 301.91 | 1.0100 |
| 800 | 304.46 | 309.81 | 1.0176 |
| 1000 | 311.74 | 320.21 | 1.0272 |
| 1200 | 320.95 | 333.66 | 1.0396 |
| 1400 | 332.35 | 350.52 | 1.0547 |
Disclaimer/Publisher’s Note: The statements, opinions and data contained in all publications are solely those of the individual author(s) and contributor(s) and not of MDPI and/or the editor(s). MDPI and/or the editor(s) disclaim responsibility for any injury to people or property resulting from any ideas, methods, instructions or products referred to in the content. |
© 2024 by the authors. Licensee MDPI, Basel, Switzerland. This article is an open access article distributed under the terms and conditions of the Creative Commons Attribution (CC BY) license (https://creativecommons.org/licenses/by/4.0/).
Share and Cite
Zhao, Y.; Si, W.; Fu, C.; Yang, C.; Yang, J. Steady-State Temperature Prediction for Cluster-Laid Tunnel Cables Based on Self-Modeling in Natural Convection. Energies 2024, 17, 5510. https://doi.org/10.3390/en17215510
Zhao Y, Si W, Fu C, Yang C, Yang J. Steady-State Temperature Prediction for Cluster-Laid Tunnel Cables Based on Self-Modeling in Natural Convection. Energies. 2024; 17(21):5510. https://doi.org/10.3390/en17215510
Chicago/Turabian StyleZhao, Yingying, Wenrong Si, Chenzhao Fu, Chenhan Yang, and Jian Yang. 2024. "Steady-State Temperature Prediction for Cluster-Laid Tunnel Cables Based on Self-Modeling in Natural Convection" Energies 17, no. 21: 5510. https://doi.org/10.3390/en17215510
APA StyleZhao, Y., Si, W., Fu, C., Yang, C., & Yang, J. (2024). Steady-State Temperature Prediction for Cluster-Laid Tunnel Cables Based on Self-Modeling in Natural Convection. Energies, 17(21), 5510. https://doi.org/10.3390/en17215510

