1. Introduction
In order to improve fuel efficiency, electric oil pumps are substituted for mechanical oil pumps as shown in
Figure 1a.
For high performance drives of electric oil pumps, an angular position sensor is necessary. To reduce component cost and size, sensorless methods with a model-based position estimator are introduced to remove the position sensor. The model-based methods are widely used in AC motor drives, which mainly include an extended electromotive force (EEMF) observer, sliding mode observer (SMO) [
1], model reference adaptive systems (MRAS) [
2], and an extended Kalman filter (EKF) [
3]. These methods are developed on the basis of the mathematical model of AC motors, and the back EMF plays a significant role in the estimation process.
The sliding mode observer (SMO) provides robust performances but causes chattering due to the discontinuity of control. To reduce chattering, several studies are introduced, but complexity and execution load could be increased [
4].
In the model reference adaptive system (MRAS), the position observation is based on the accuracy of the reference model, and the accuracy of the parameters of the reference model itself directly affect the effectiveness of the identification [
5].
The extended Kalman filter (EKF)-based methods compute the observer gain matrix in each controlling cycle to balance trust between model and sensor accuracy. Therefore, good robustness and anti-disturbance ability can be achieved. However, the high computational cost and difficulty in designing the covariance matrices cannot be ignored in the real implementation [
3]. To overcome the implementation complexity, simplified and reduced order-EKF are introduced [
6,
7].
The extended EMF (EEMF) observers are widely adopted in pump and fan applications for automotives because of the simplicity of their implementation. Major microcontroller banders for automotive provide the sensorless control software based on the extended EMF observer as a reference design [
8,
9,
10]. For the EEMF model, its magnitude varies with the motor speed. At low-speed conditions, its magnitude is very difficult to accurately extract due to the small signal-to-noise ratio (SNR).
Electric oil pumps for e-Axle operate in a very wide oil temperature range from −40 to 130 °C [
11]. As shown in
Figure 1b, below subzero temperature oil viscosity increases exponentially [
12]. At a lower limit temperature, higher torque is required, more than 5~6 times greater than nominal torque, and pumps should operate with very low speed to avoid excessive pressure of transmission. The low speed and high torque requirements are main obstacles when applying sensorless drive to electric oil pump for e-Axle [
13].
Back electromotive force is a component proportional to speed, and the smaller the size is at low speeds, the greater the impact of the phase voltage error or the phase resistance and inductance errors of the motor in the estimation of back electromotive force [
14]. The phase resistance of the motor changes due to changes in coil temperature, and the inductance changes due to magnetic saturation when high current is applied [
15,
16].
In this paper, the adaptive parameters and phase voltage compensation method are applied to the EEMF-based sensorless drives in order to improve low temperature and low speed performance of electric oil pumps.
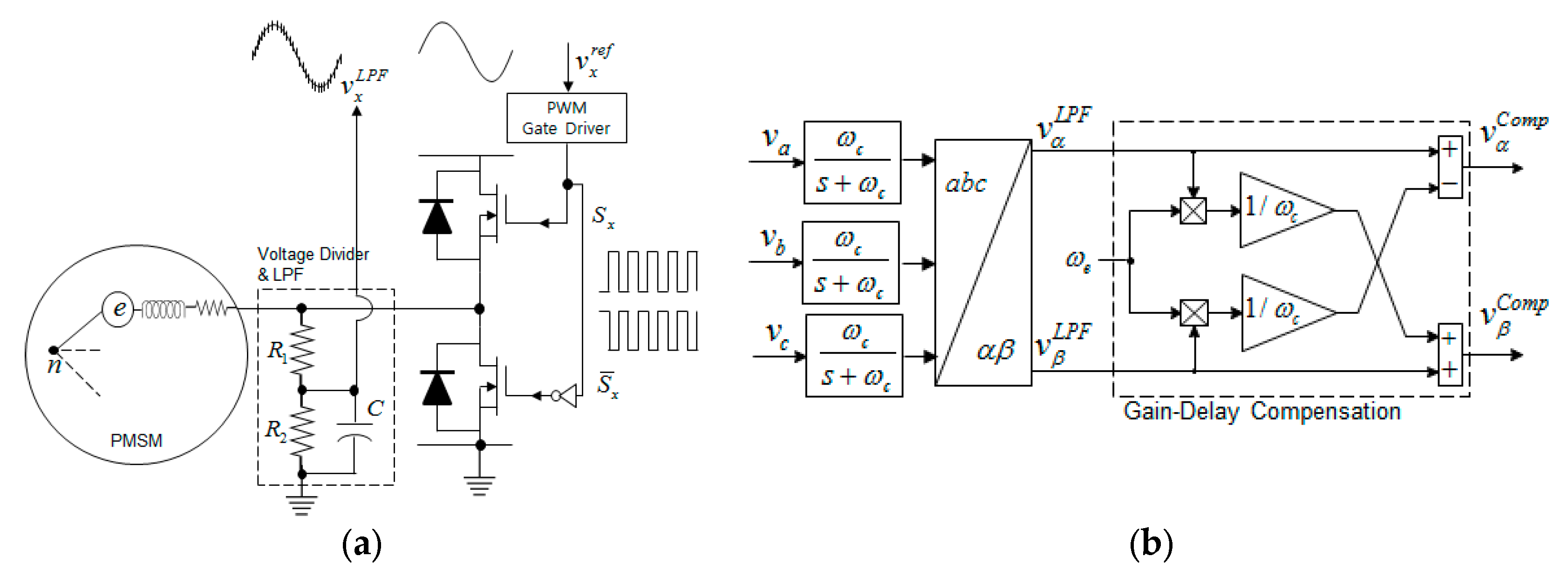
In the case of phase voltage, it is generally used for the reference value of the controller rather than measuring it directly. However, due to non-ideal switching characteristics such as the dead time of the PWM (Pulse Width Modulation) inverter, a difference occurs between the reference value of the controller and the actual phase voltage, and this difference plays a large role in the low-speed section where the reference of phase voltage value is small [
17,
18,
19].
In order to measure phase voltage to reduce rotor position estimation error in the low-speed section, it is necessary to apply a low-pass filter (LPF) to remove the PWM switching component and select an appropriate cut-off frequency. This is because a cut-off frequency that is too high makes it difficult to remove the switching noise component, and a cut-off frequency that is too low causes gain attenuation and phase delay of the fundamental wave component.
Techniques for compensating for gain attenuation and phase delay when measuring phase current of an electric system and their application examples were introduced [
20]. The compensation method of their attenuation and delay was implemented via simple arithmetic operations based on the orthogonal property of the measured voltages in the two-axis stationary reference frame. In this paper, the compensation method is applied to sensorless drives of an electric oil pump for automotive transmissions which require very low-speed drives of pumps at a subzero oil temperature. Experimental results show improvements of the low-speed drive performance for an automotive electric oil pump with an electric power of 12 V 200 W.
There have been several studies on the variable application of motor parameters of the position estimator to secure sensorless low-speed performance, which is indicated via several well-known techniques like the Recursive Least Squares (RLS) and the Extended Kalman filter (EKF) methods [
21]. Among these, RLS method is perhaps the most widely adopted as a simple solution to implement [
22]. In consideration of the very tight margin of computation loads in a microcontroller for automotive mass-production applications, simplicity is the first criteria for implementation.
Representative methods include phase resistance and inductance estimation techniques based on recursive least squares and techniques for estimating phase resistance via applying additional DC and AC components to the d-axis current [
23,
24].
The method of applying direct current and low frequency to the d-axis current allows relatively accurate phase resistance estimation, but it has disadvantages in automotive system applications because it causes a decrease in efficiency and noise generation due to unnecessary application of current. A technique to simultaneously estimate phase resistance and inductance using the recursive least square (RLS) has been introduced, but it requires complex parameter matrix calculations, making it difficult to implement in low-cost microcontrollers. In order to change the parameters of the extended back electromotive force-based position estimator, a method of estimating phase resistance via the RLS and using experimentally measured offline inductance values was introduced in a previous study [
25]. In the existing study, phase resistance estimation via the RLS was conducted under the assumption that the flux linkage was constant. However, the flux linkage changes depending on the temperature of the permanent magnet, and in electric oil pumps for transmissions that require high current operation at extremely low temperatures of −40 degrees, the effect of changes in flux linkage cannot be ignored.
This paper proposes a more accurate estimation method via applying the RLS-based phase resistance estimation technique that considers the change in flux linkage obtained from extended back electromotive force estimation. In addition, in order to overcome the constraints of the experimental inductance measurement method in load situations of more than five times the rating required at cryogenic temperatures, this paper proposes the use of inductance calculation values through finite element analysis techniques. The results of improving low-speed driving performance are experimentally presented by applying the proposed method to a 270 V 1 kW electric oil pump for an e-Axle of HEV.
Figure 1.
(a) Electric oil pump of e-Axles for HEV and BEV (Hyundai Motor Company, Seoul, Republic of Korea) and (b) kinematic viscosity of ATF (Automatic Transmission Fluid) oil according to temperature (GM DEXRON-VI, General Motors Company, Detroit, MI, USA).
Figure 1.
(a) Electric oil pump of e-Axles for HEV and BEV (Hyundai Motor Company, Seoul, Republic of Korea) and (b) kinematic viscosity of ATF (Automatic Transmission Fluid) oil according to temperature (GM DEXRON-VI, General Motors Company, Detroit, MI, USA).
2. Sensorless Drives
Figure 2 shows a block diagram for the sensorless operation of a permanent magnet synchronous motor. The measured values of the phase voltage and phase current of three phases (abc) can be converted to a two-phase synchronous coordinate system (γδ or dq) and controlled like the direct current component. At this time, the q-axis current was responsible for generating torque, and the d-axis current was responsible for generating magnetic flux. Generally, for maximum torque control, the d-axis current was controlled to maintain zero.
The cascaded speed and current controller based on PI (proportional-integral) controllers produce dq-voltage commands. The dq voltage command was inversely converted to three phase(abc) voltage commands of a three-phase inverter for control. For this conversion, rotor position information is required. A technique to obtain position and speed information by receiving voltage and current input instead of a sensor and using a back electromotive force-based position estimator is widely applied.
The voltage equation model expressed in the dq-axis synchronous coordinate system of a permanent magnet synchronous motor is shown in Equation (1).
In order to express the determinant as a symmetric matrix, the extended back electromotive force is expressed in the estimated γδ-axis synchronous coordinate system as Equations (2) and (3). Equation (4) represents the expanded back electromotive force [
3].
Figure 2.
(a) Block diagram for sensorless drives and (b) definition of axes.
Figure 2.
(a) Block diagram for sensorless drives and (b) definition of axes.
Figure 2b represents the estimated γδ-axis synchronous coordinate system delayed by the position estimation error compared to the actual dq-axis synchronous coordinate system, and the position estimation error is calculated as shown in Equation (5). The position and velocity are estimated by applying a proportional integral filter to converge this error to zero.
The extended EMF observer is widely used for sensorless drives [
3]. The accuracy of the estimation obtained from the sensorless control based on the motor model depends on the accuracy of motor parameters and input values as shown in Equations (2)–(5).
4. Adaptive Electrical Parameters
4.1. RLS-Based Phase Resistance Estimation
The general RLS technique for parameter estimation is introduced in Equations (13) to (15) and is widely applied [
25]. Here,
Y is the output,
Θ is the parameter vector,
Z is the input vector, and
P is the covariance vector.
λ is a forgetting factor and has a value less than 1 and generally has a value of 0.96 to 0.98.
To apply this RLS technique, Equation (1) can be expressed as a steady state ignoring the differential term as shown in Equation (16). Additionally, considering d-axis current 0 control, the input and output for phase resistance parameter estimation can be simply defined by excluding the effect of inductance as shown in Equation (17).
Although the influence of inductance is excluded, flux linkage information is required for output calculation. Since the magnetic flux linkage is also a value that changes depending on the permanent magnet temperature, it must be applied variably to accurately estimate phase resistance.
If the d-axis current is controlled to 0 and the change in q-axis current is relatively slow, the extended back electromotive force in Equation (4) can be assumed to be the general back electromotive force, and its magnitude can be obtained from Equation (18).
Finally, by substituting Equation (17) into Equations (14) and (15), Equations (19) and (20) can be obtained, and the phase resistance can be calculated without complex parameter vector operations.
The assumption of a d-axis current of 0 can be established in the normal response state after the transient response state. It is applicable in cryogenic operation where relatively slow response is required, but additional consideration is needed at temperatures where fast response is required.
4.2. Inductance Calculation through Finite Element Analysis
Figure 7a,b show the magnetic saturation state of the permanent magnet synchronous motor according to the phase current consumptions through finite element analysis (FEA). When the magnetic field intensity increased, the magnetic flux density did not increase linearly and become saturated, so the d- and q-axis inductances were decreased as shown in
Figure 7c.
As shown in
Figure 7c, the experimentally measured experimental value also decreased with the current consumptions, and the pattern of change was similar to the analyzed value. The experimental measurement method used was the offline measurement method proposed in the author’s previous research [
26]. However, measurement is difficult at extremely low temperatures due to restrictions on the allowable temperature of measuring devices such as oscilloscopes, and when a current larger than the rating is applied at a room temperature, the motor generates excessive heat, which not only results in large measurement errors but also raises the risk of motor burnout. Therefore, the current that can be experimentally measured was limited to the rated current as 5~6 A.
Figure 7.
FEA results (a) 5 A, (b) 25 A, and (c) inductance variation due to magnitude of current.
Figure 7.
FEA results (a) 5 A, (b) 25 A, and (c) inductance variation due to magnitude of current.
To overcome these experimental limitations, at currents above the rating required at cryogenic temperatures, the inductance change pattern obtained through finite element analysis was used to estimate the position.
In the 5 A rated current range, the change in inductance was about 10%, but when driving at extremely low temperatures, a current more than 5 times the rated was required, and the resulting magnetic saturation caused a change in q-axis inductance of more than 50 to 60%. As shown in Equation (2) for estimating extended back electromotive force, the position estimation error was greatly affected by the q-axis inductance (Lq).
The q-axis inductance value obtained from finite element analysis can be implemented and applied in the form of a table for current magnitude, and for simpler implementation, it can be linearized and applied with
α (0.021) as shown in Equation (21).
Figure 8 shows the final result of applying the adaptive phase resistance and inductance to the position estimator. It is calculated using Equations (19) and (20) using the δ-axis voltage and current on the estimated synchronous coordinate system instead of the q-axis voltage and current. In order to calculate Equation (20) for calculating phase resistance, the change in flux linkage is fed back and calculated from the output of the position estimator as shown in Equation (18). In addition, the phase voltage measurement and compensation which was proposed in
Section 3 in this paper was applied.
4.3. Experimental Results with Adaptive Parameters
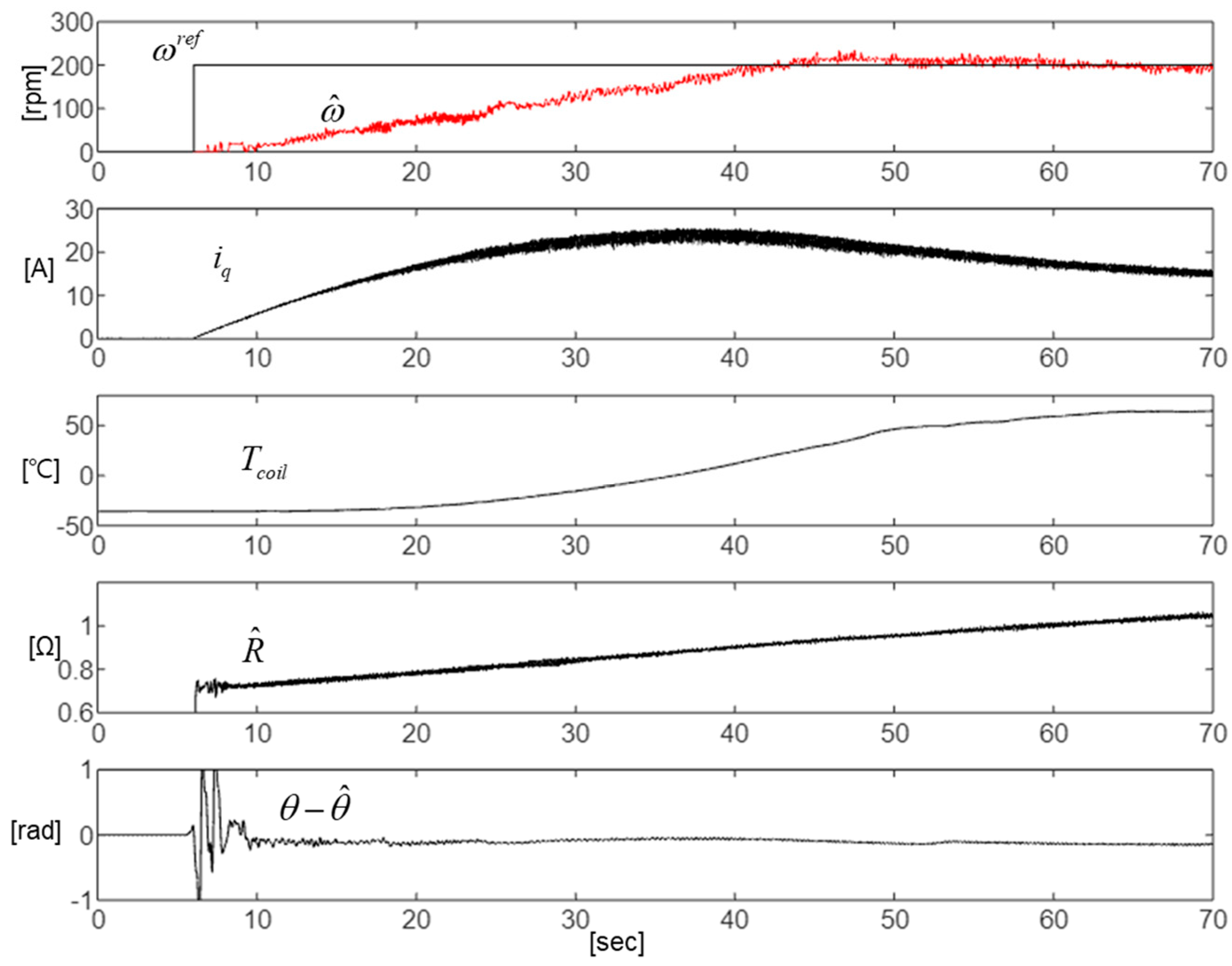
The low-speed driving performance before and after applying adaptive phase resistance and inductance during sensorless operation of an actual electric oil pump was experimentally compared. All test results were measured values of variables in the microcontroller via CAN (Control Area Network) communication (Vector CANalyzer, version 19.0) every 10 msec. The microcontroller was based on TriCore-TC212 (Infineon Technologies, Neubiberg, Germany) which has 133 MHz clock, 500 kbyte flash, and 12 bit-200 ksamples/sec ADC (Analog-to-Digital Converter).
Figure 9a is a test bench consisting of an electric oil pump and an oil tank. The test was performed after leaving the entire test bench at −40 °C in a temperature and humidity environment chamber. The electric oil pump had eight poles for the e-Axle of a HEV and had a power of 270 V 1 kW and a rating of 4000 rpm. A temperature sensor was attached to measure the actual winding temperature only for test purposes, as shown in
Figure 9b. A rotor position sensor was installed for monitoring and the performance of the position estimator was evaluated via measuring the difference between the actual position and the estimated position.
Changes in phase resistance and inductance increased the need for the proposed adaptive parameters for high-voltage motors of 270 V or higher for hybrid vehicles, which have 10 times more windings than 12 V-based low-voltage motors with a small number of turns.
Figure 10 is the sensorless driving result for a 200 rpm command with a position estimator with constant phase resistance and inductance. When looking at the initial 6 to 9 s of operation, the initial position of the rotor is not known, so the operation begins with a large position error. Here, the position error was the difference between the actual value measured by the rotor position sensor and the estimate estimated by the position estimator. As the position estimator was executed, the position error decreased, but as the magnitude of the current and temperature increased, the position error gradually increased. If the error became larger than π/4, the motor could no longer operate normally and lost stability.
Figure 11 shows the inductance according to Equation (21) as well as the values estimated online by the RLS using Equations (12) and (13). Compared with
Figure 9b and
Figure 10, it can be confirmed that stable control results can be obtained.
As shown in
Figure 11, it can be seen that the estimated phase resistance continued to increase, while the coil temperature measured by the temperature sensor increased after a certain period of time. It can be inferred that this was due to the difference between the temperature sensor mounted on the outside of the coil and the actual temperature at the center of the coil. This was because the heat dissipation effect on the outside of the coil due to motor rotation and external temperature, which was better than at the center of the coil. The temperature at the center of the coil, which had a dominant effect on actual phase resistance, was difficult to measure because it was difficult to install a temperature sensor, so it was difficult to experimentally predict coil temperature changes according to current. In addition, it was even more difficult to consider various heat dissipation conditions in actual vehicle drive conditions. It can be confirmed that the proposed RLS-based phase resistance estimation method was a useful method that could directly estimate the change in phase resistance instead of direct measurement of coil temperature.
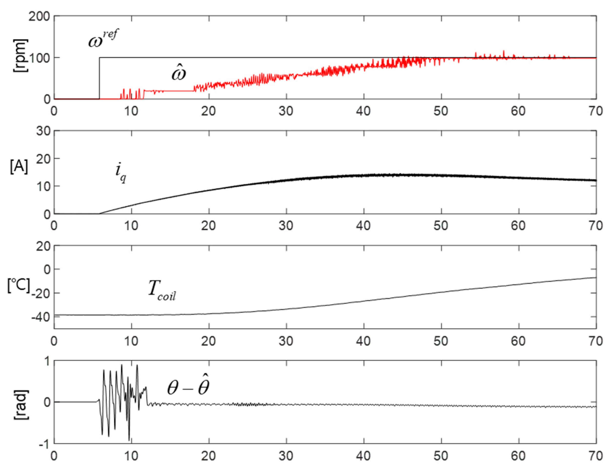
Figure 12 shows the secured driving performances for the 100rpm speed reference when applying the proposed voltage compensation method and adaptive parameters.
5. Conclusions
This paper shows that the low-speed, high-load driving performance required at extremely low temperatures can be improved via applying the adaptive phase resistance and inductance parameters and compensating for the gain attenuation and phase delay that occur when measuring the phase voltage of the position estimator for the sensorless operation of an electric oil pump.
The gain attenuation and phase delay can be easily compensated for by using the orthogonality of the axis-fixed coordinate system with a calculation of one addition and two multiplications for a total of two additions and four multiplications for each axis component, making it easy to implement even in low-cost microprocessors. The results of an experiment applied to an actual electric oil pump with a 12 V 200 W permanent magnet synchronous motor show that the proposed compensation method can be operated at a low speed (150 rpm) of less than 5% of the rated speed (3500 rpm) at a temperature of −40 °C.
The phase resistance could be obtained via performing more accurate calculations online by additionally considering changes in flux linkage based on the general RLS technique. Starting from extremely low temperatures, the position estimation error could be reduced by variably applying phase resistance changes as the temperature rises due to high current. The d-axis current was controlled to 0, and under the assumption that the change in q-axis current changed relatively slowly, the influence of inductance could be excluded when calculating phase resistance. By using the results obtained offline from the finite element analysis results, the inductance was able to reduce the position estimation error through varying the inductance change due to the magnetic saturation phenomenon caused by the application of high current. By applying the proposed adaptive parameter technique to an actual electric oil pump with a 270 V 1 kW permanent magnet synchronous motor, driving performance could be secured at a low speed (100 rpm) of less than 3% of the rated speed 4000 rpm under temperature conditions of −40 °C.
Due to the high viscosity characteristics of oil at extremely low temperatures, excessive speed of the electric oil pump generates unnecessary hydraulic pressure within the transmission, which reduces efficiency and causes transmission wear due to excessive hydraulic pressure. To prevent this, it was important to maintain the speed of the electric oil pump at the lowest possible operating speed at extremely low temperatures [
13,
27]. From this perspective, the cryogenic driving performance of the e-Axle can be improved by operating the electric oil pump at the lowest speed through the method proposed in this paper.