Reliability Enhancement of a Double-Switch Single-Ended Primary Inductance–Buck Regulator in a Wind-Driven Permanent Magnet Synchronous Generator Using a Double-Band Hysteresis Current Controller
Abstract
1. Introduction
- When operating at the same duty cycle rate, the DSSB regulator provides greater voltage gain than step-up SEPIC regulators and other conventional DC-DC regulators.
- The comparison study conducted for this work indicates that DSSB is more practical than conventional buck and SEPIC regulators, particularly for high-power renewable-energy systems, electric vehicles, and solar panels.
- The double-PI hysteresis control approach with the well-known MPPT technique is an additional benefit, which is normally very straightforward for a DSSB regulator structure. This configuration can significantly reduce the level of harmonics generated at the input and output in comparison to the current boost regulators, SEPIC, and bucking/boosting circuits. This leads to a wider output DC voltage range, greater power capacity, greater current rating capacity, and improved efficiency. Consequently, the regulator can reach its maximum power point, which is contingent only upon the mutual multiplication of the input/output DSSB voltages and currents [1,2].
- According to the comparative and analytical study that is carried out in this paper, DSSB is more practical and has better dynamic performance than other DC-DC regulators, especially for high-power renewable-energy systems, electric vehicles, and solar panels, than the conventional boost regulator.
- The hysteresis current-mode control of the source and load currents of the DSSB regulator is an additional benefit of this paper. This control technique is normally very straightforward for any double-switch-based DC-DC regulator structure since it includes a dual-hysteresis current methodology with two PI current regulators.
- The perturb and observe approach (MPPT technique) used in conjunction with hysteresis current-mode control enhances the performance of the field-oriented VSI. This effectively maximizes the output power supplied to the load and helps achieve the maximum power point of the WECS system in different operating conditions.
- A simulation study is conducted in the environments of Simulink/MATLAB and Ansoft Simplorer to verify the efficacy of the suggested system.
2. Modeling, Analysis, and Control of the DSSB Regulator
The DSSB Regulator
3. Creation of the Equivalent Circuit and Equations for the PMSG Model
Mathematical Model of PMSG
4. Modeling of Variable-Speed Wind Turbine (VSWT)
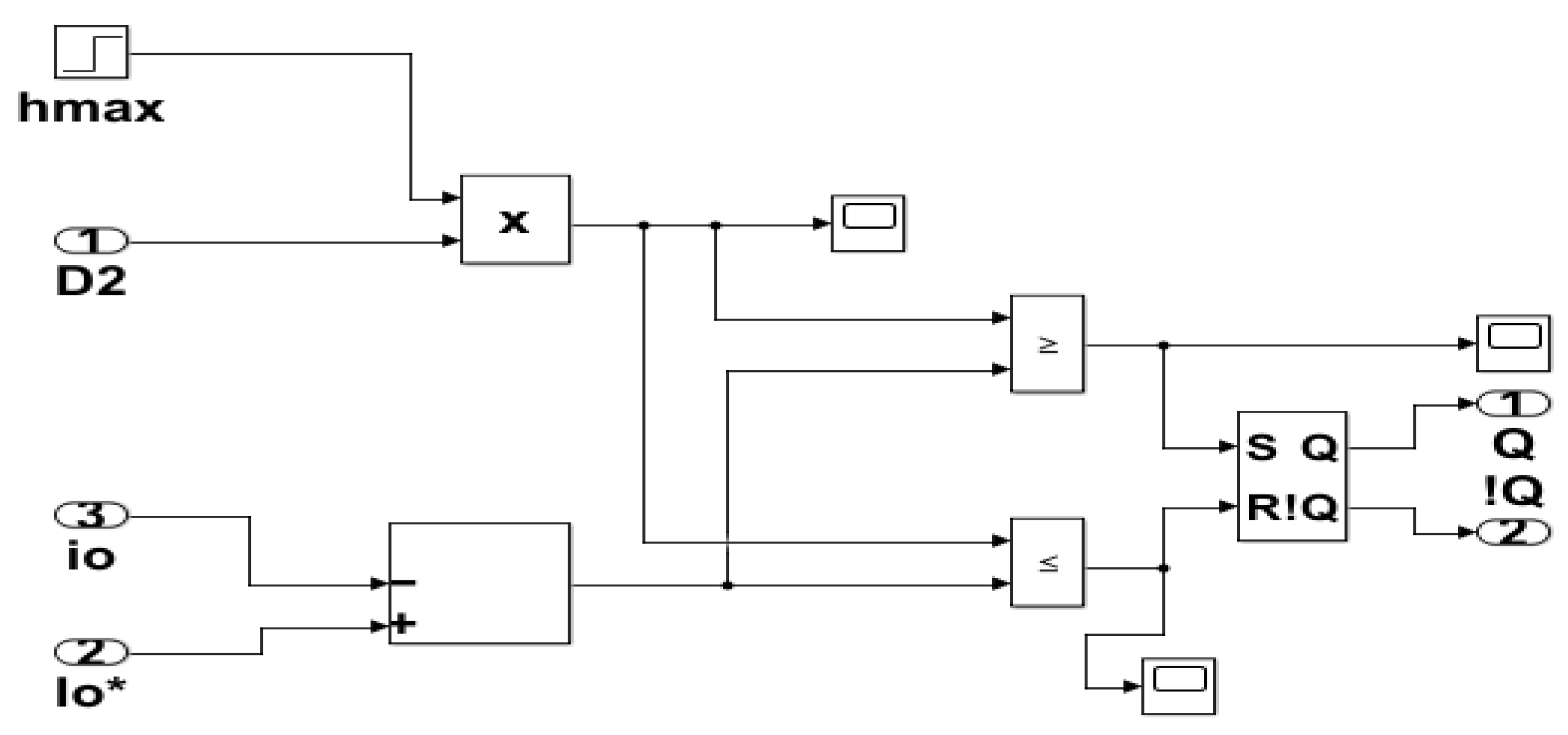
5. Double-Hysteresis Current Control of DSSB Regulator
5.1. Control of the DSSB Input Voltage
5.2. Control of the DSSB Input Choke Current
6. Front-Loading Inverter Control at the Grid/Load Side
6.1. VSI Field-Oriented Control-Based Decoupled Current Controller in dq Reference Frame
6.2. Determination of the Decoupled Current PI Controllers
6.3. Effect of LCL Filter Cables between the Grid and the Inverter
7. Simulation Results
7.1. WECS with PMSG, DSSB, and VSI Supplying RL () through LCL Filters
7.2. WECS with PMSG, DSSB, and VSI Supplying Triple-Phase AC Grid through LCL Filters
8. Conclusions
- A recently adopted hysteresis current-mode-controlled double-switch SEPIC–buck regulator (DSSB) with a dual-lead PI controller is examined and explained. This is achieved using mathematical analysis and simulation in SIMULINK/MATLAB.
- The main objectives of this are to compensate for wind speed variation-induced voltage instability and to track the maximum active power that can be injected into the series transmission line (LCL filter shunt impedance) from the grid and the PMSG using the hysteresis-regulated DSSB regulator.
- This paper also presents a dq current-controlled voltage source inverter (VSI) with two proposed PI controllers for current error elimination.
- To ascertain whether the performance of the front-loading VSI controller and DSSB regulator is satisfactory, the system performance is assessed under both normal and variable operating conditions as it is used to supply an AC triple-phase grid and a triple-phase RL. It is shown that the proposed WECS system with the DSSB regulator and VSI has very good control dynamic quality because it responds very accurately to step-change variations in the wind profile. MATLAB and Simplorer are used to verify the simulation.
- Additionally, the high performance of the recommended DSSB regulator during the turbine-side zero-wind-speed fault is demonstrated. During the zero-wind-speed fault, the DSSB source current and its output voltage—the VSI’s DC link voltage—are maintained within a safe range. Every indicator falls between the typical ranges.
- Using the double-hysteresis current control in conjunction with the dq-current control of the voltage source inverter, the DSSB regulator tracks and regulates its input variables, and the voltage and current generated by the rectifier. Thus, the suggested DSSB regulator improves the monitoring of the maximum power point and efficiently maximizes the output power supplied to the load.
Author Contributions
Funding
Data Availability Statement
Acknowledgments
Conflicts of Interest
References
- Bin, W.; Lang, Y.; Zargari, N.; Kouro, S. Power Conversion and Control of Wind Energy Systems; John Wiley & Sons: Hoboken, NJ, USA, 2011. [Google Scholar] [CrossRef]
- Emar, W.; Issa, H.; Kanaker, H.; Fares, O.; Attar, H. A New Double-Switch SEPIC-Buck Topology for Renewable Energy Applications. Energies 2024, 17, 238. [Google Scholar] [CrossRef]
- Chinchilla, M.; Arnaltes, S.; Burgos, J.C. Control of permanent magnet generators applied to variable-speed wind energy systems connected to the grid. IEEE Trans. Energy Convers. 2016, 21, 130–135. [Google Scholar] [CrossRef]
- Gajewski, P.; Pieńkowski, K. Advanced control of direct-driven PMSG generator in wind turbine system. Arch. Electr. Eng. 2016, 65, 643–656. [Google Scholar] [CrossRef]
- Shadab, M.M.; Tariq, A. Performance analysis of PMSG connected with wind turbine. Int. J. Adv. Technol. Eng. Res. 2015, 3, 155–165. [Google Scholar]
- Oner, Y.; Bekiroglu, N.; Ozcira, S. Dynamic Analysis of Synchronous generator with permanent magnets with Power Electronics. Adv. Electr. Comput. Eng. 2010, 10, 11–15. [Google Scholar] [CrossRef]
- Emar, W.; Saraereh, O.A. Analytical and comparative study of different types of two-leg chopping up regulator. Int. J. Adv. Comput. Sci. Appl. 2019, 10, 5. [Google Scholar] [CrossRef]
- Datta, S.; Deb, S.; Datta, A.; Adhikari, S.; Roy, B. Grid Connected PMSG Based Wind Energy Conversion System Using Back-to-Back Regulator. In Intelligent Techniques and Applications in Science and Technology. ICIMSAT 2019; Dawn, S., Balas, V., Esposito, A., Gope, S., Eds.; Learning and Analytics in Intelligent Systems; Springer: Cham, Switzerland, 2020; Volume 12. [Google Scholar] [CrossRef]
- Yan, G.; Hu, W.; Jia, Q.; Liu, K.; Wang, J. Analysis of Subsynchronous Oscillation of Direct Drive PMSG Based Wind Farm under Low Operating Condition. J. Electr. Eng. Technol. 2021, 16, 1–13. [Google Scholar] [CrossRef]
- Rahimi, M. Modeling, control and stability analysis of grid connected PMSG based wind turbine assisted with diode rectifier and boost regulator. Int. J. Electr. Power Energy Syst. 2017, 93, 84–96. [Google Scholar] [CrossRef]
- Majout, B.; Bossoufi, B.; Karim, M.; Gaiceanu, M.; Livinti, P.; El Zair Laggoun, Z.; El Alami, H.; Majout, B. Comparative Analysis of Predictive and Direct Power Control Strategies for PMSG-Based WECS. In Digital Technologies and Applications. ICDTA 2023; Motahhir, S., Bossoufi, B., Eds.; Lecture Notes in Networks and Systems; Springer: Cham, Switzerland, 2023; Volume 669. [Google Scholar] [CrossRef]
- Masters, G.M. Renewable and Efficient Electric Power Systems; John Wiley and Sons: Hoboken, NJ, USA, 2004. [Google Scholar]
- Emar, W. Analysis, modeling, and simulation of step-up regulator using Matlab–Simulink and Simplorer. Int. J. Model. Simul. Sci. Comput. 2016, 7, 1650004. [Google Scholar] [CrossRef]
- Emar, W. Analysis, Modeling and Control Design of a Synchronous Generator with a Wind Turbine and a Multilevel Voltage Source Inverter. Int. J. Res. Electr. Electron. Eng. 2015, 3, 1–15. [Google Scholar]
- Chowdhury, M.M. Modelling and Control of Direct Drive Variable Speed Wind Turbine with Interior Permanent Magnet Synchronous Generator. Ph.D. Thesis, School of Engineering, University of Tasmania, Sandy Bay, TAS, Australia, 2014. [Google Scholar]
- Chowdhury, M.M.; Haque, M.E.; Das, D.; Gargoom, A.; Negnevitsky, M. Modeling, parameter measurement and sensorless speed estimation of IPM synchronous generator for direct drive variable speed wind turbine application. Int. Trans. Electr. Energy Syst. 2015, 25, 1814–1830. [Google Scholar] [CrossRef]
- Ragheb, M.; Ragheb, A.M. Wind Turbines Theory—The Betz Equation and Optimal Rotor Tip Speed Ratio. Fundam. Adv. Top. Wind. Power. 2011, 1, 19–38. [Google Scholar] [CrossRef]
- Cui, P.; Zheng, F.; Zhou, X.; Li, W. Current harmonic suppression for permanent magnet synchronous motor based on phase compensation resonant controller. J. Vib. Control 2022, 28, 735–744. [Google Scholar] [CrossRef]
- Gao, J.; Zhang, J.; Fan, M.; Peng, Z.; Chen, Q.; Zhang, H. Model Predictive Control of Permanent Magnet Synchronous Motor Based on State Transition Constraint Method. Math. Probl. Eng. 2021, 2021, 3171417. [Google Scholar] [CrossRef]
- Emar, W.; Maher, R.A.; Jalil, A. Constant frequency digital hysteresis-band current controller for a three-phase voltage inverter. Control Intell. Syst. 2011, 39, 108. [Google Scholar] [CrossRef]
- Agrawal, J.; Bodkhe, S. Steady-State Analysis and Comparison of Control Strategies for PMSM. Model. Simul. Eng. 2015, 2015, 306787. [Google Scholar] [CrossRef][Green Version]
- Emar, W. Hysteresis Current-Mode Regulated Modified SEPIC-Buck Regulator Used for Solar Photovoltaic Systems. Arab. J. Sci. Eng. 2024, 49, 7053–7077. [Google Scholar] [CrossRef]
- Chacko, G.; Syamala, L.; James, N.; Jos, B.M.; Kallarackal, M. Switching Frequency Limited Hysteresis Based Voltage Mode Control of Single-Phase Voltage Source Inverters. Energies 2023, 16, 783. [Google Scholar] [CrossRef]
- Xie, G.; Lu, K.; Dwivedi, S.K.; Rosholm, J.R.; Blaabjerg, F. Minimum-Voltage Vector Injection Method for Sensorless Control of PMSM for Low-Speed Operations. IEEE Trans. Power Electron. 2016, 31, 1785–1794. [Google Scholar] [CrossRef]
- Errami, Y.; Ouassaid, M.; Maaroufi, M. A performance comparison of a nonlinear and a linear control for grid-connected PMSG wind energy conversion system. Int. J. Electr. Power Energy Syst. 2015, 68, 180–194. [Google Scholar] [CrossRef]
- Davoodnezhad, R. Hysteresis Current Regulation of Voltage Source Inverters with Constant Switching Frequency. Ph.D. Thesis, RMIT University, Melbourne, VIC, Australia, January 2014. [Google Scholar]
- Kim, Y.-S.; Chung, I.-Y.; Moon, S.-I. Tuning of the PI Controller Parameters of a PMSG Wind Turbine to Improve Control Performance under Various Wind Speeds. Energies 2015, 8, 1406–1425. [Google Scholar] [CrossRef]
- Wu, Z.; Dou, X.; Chu, J.; Hu, M. Operation and Control of a Direct-Driven PMSG-Based Wind Turbine System with an Auxiliary Parallel Grid-Side Regulator. Energies 2013, 6, 3405–3421. [Google Scholar] [CrossRef]
- Zhang, X.; Huang, C.; Hao, S.; Chen, F.; Zhai, J. An Improved Adaptive-Torque-Gain MPPT Control for Direct-Driven PMSG Wind Turbines Considering Wind Farm Turbulences. Energies 2016, 9, 977. [Google Scholar] [CrossRef]
- Iqbal, A.; Moinoddin, S.; Reddy, B.P. Electrical Machine Fundamentals with Numerical Simulation Using MATLAB/SIMULINK; Wiley: Hoboken, NJ, USA, 2021. [Google Scholar]
- Mohamed, R.; Mossa, M.A.; El-Gaafary, A. Performance Enhancement of a Variable Speed Permanent Magnet Synchronous Generator Used for Renewable Energy Application. Int. J. Robot. Control Syst. 2023, 3, 530–560. [Google Scholar] [CrossRef]
- Douglass, P.J.; Trintis, I. Balancing distribution systems with three-phase active front end rectifiers: Field experiment results. IET Gener. Transm. Distrib. 2017, 11, 3749–3755. [Google Scholar] [CrossRef]
- Yazdani, A.; Iravani, R. Voltage-Sourced Regulators in Power Systems: Modeling, Control, and Applications; Wiley-IEEE Press: Hoboken, NJ, USA, March 2010; 464p, ISBN 978-0-470-52156-4. [Google Scholar]
- da Costa, I.D.L.; Brandao, D.I.; Seleme, S.I., Jr.; Morais, L.M.F. Torque Control for PMSGBased Wind-Power System Using Stationary abc-Reference Frame. Energies 2022, 15, 8060. [Google Scholar] [CrossRef]
- Wu, F.; Liu, R.; Xie, Y.; Lyu, J. A modified power decoupling control strategy for a grid-connected inverter with a low switching frequency under unbalanced grid voltages. Energy Rep. 2022, 8 (Suppl. 5), 757–768. [Google Scholar] [CrossRef]
- Gannoun, M.; Naouar, M.W.; Monmasson, E. Modeling of a PMSG-based wind turbine assisted by a diode rectifier. In Proceedings of the 2019 International Conference on Signal, Control, and Communication (SCC), Hammamet, Tunisia, 16–18 December 2019. [Google Scholar]
- Ravi, T.; Kumar, K.S.; Dhanamjayulu, C.; Khan, B.; Rajalakshmi, K. Analysis and mitigation of PQ disturbances in grid-connected systems using fuzzy logic-based IUPQC. Sci. Rep. 2023, 13, 22425. [Google Scholar] [CrossRef] [PubMed]
- Zholtayev, D.; Rubagotti, M.; Do, T.D. Adaptive super-twisting sliding mode control for maximum power point tracking of PMSG-based wind energy conversion systems. Renew. Energy 2022, 183, 877–889. [Google Scholar] [CrossRef]
- Salime, H.; Bossoufi, B.; Motahhir, S.; El Mourabit, Y. A novel combined FFOC-DPC control for wind turbine based on the permanent magnet synchronous generator. Energy Rep. 2023, 9, 3204–3221. [Google Scholar] [CrossRef]
- Tao, R.; Wu, M.; Ying, G.; Tang, J.; An, R.; Wang, Q.; Liu, J. A phase compensation method combined with power correction for suppressing sub-synchronous resonance of wind generation under weak grid. Int. J. Electr. Power Energy Syst. 2023, 151, 109115. [Google Scholar] [CrossRef]




































| Parameter | Symbol | Real Value |
|---|---|---|
| Input voltage | Vs | 50 V |
| Input choke | L1 | 50 mH |
| Shunt choke | L3 | 50 mH |
| Output choke | L2 | 50 mH |
| Smoothing capacitor | Cs | 1 mF |
| Shunt capacitor | Cm | 470 μF |
| Shunt capacitor | C1 | 470 μF |
| Output capacitor | Co | 1 mF |
| Load resistance | R | 10 Ω |
| Switching frequency | f | 10 kHz |
| Parameter | Real Value |
|---|---|
| DC link voltage | 6000 V–12,000 V |
| Grid phase-to-phase voltage | 6000 V |
| Grid internal inductance | 16.58 mH |
| Grid internal resistance | 0.8929 Ω |
| Parameters of the LCL Kalman filter on the inverter side | 1 mH and 0.5 Ω |
| Parameters of the LCL Kalman filter on the grid side | 1 mH and 0.5 Ω |
| Filter capacitance | 5 mF |
| Filter resistance | 0.5 Ω |
| Grid frequency | 50 Hz |
| Inverter frequency | 10 kHz |
| Parameter | Symbol | Real Value |
|---|---|---|
| Input choke | L1 | 100 mH |
| Shunt choke | L2 | 10 mH |
| Output choke | L3 | 670 μH |
| Smoothing capacitor | Cs | 470 μF |
| Shunt capacitor | Cm | 470 μF |
| Shunt capacitor | C1 | 470 μF |
| Output capacitor | Co | 5 mF |
| Load resistance | R | 10 Ω |
| Switching frequency | f | 10 kHz |
| Wind Turbine Parameters | |
|---|---|
| Assessed power | 12.3 kW |
| Assessed wind speed | 12 m/s |
| Cut-in speed | 4 m/s |
| Cut-out speed | 24 m/s |
| Air density | 1.225 kg/m3 |
| Power factor | 0.85 |
| Turbine rotor radius | 1.3 m |
| PMSG Parameters | |
| Assessed power | 1.1 MW |
| Assessed voltage | 3.3 KV |
| Number of pole pairs | 3 |
| Stator resistive element, Rs | 0.0485 Ω |
| d-component of synchronous inductance | 0.395 × 103 H |
| q-component of synchronous inductance | 0.395 × 103 H |
| Rotor flux, λf | 0.1194 Web |
| Rotor flux position when theta = 0 | 90° behind phase A axis |
| Power factor | 0.85 |
| Parameter | Symbol | Real Value |
|---|---|---|
| Nominal phase-to-phase voltage | VgL | 680 V |
| Active power | Pg | 10 kW |
| Inductive reactive power | Qg | 100 VAR |
| Parameter | Real Value |
|---|---|
| Phase-to-phase grid voltage | 680 V |
| Grid frequency | 50 Hz |
| Grid source inductance | 16.58 mH |
| Grid source resistance | 0.8929 Ω |
| Inverter frequency | 10 kHz |
Disclaimer/Publisher’s Note: The statements, opinions and data contained in all publications are solely those of the individual author(s) and contributor(s) and not of MDPI and/or the editor(s). MDPI and/or the editor(s) disclaim responsibility for any injury to people or property resulting from any ideas, methods, instructions or products referred to in the content. |
© 2024 by the authors. Licensee MDPI, Basel, Switzerland. This article is an open access article distributed under the terms and conditions of the Creative Commons Attribution (CC BY) license (https://creativecommons.org/licenses/by/4.0/).
Share and Cite
Emar, W.; Alzgool, M.; Mansour, I. Reliability Enhancement of a Double-Switch Single-Ended Primary Inductance–Buck Regulator in a Wind-Driven Permanent Magnet Synchronous Generator Using a Double-Band Hysteresis Current Controller. Energies 2024, 17, 4868. https://doi.org/10.3390/en17194868
Emar W, Alzgool M, Mansour I. Reliability Enhancement of a Double-Switch Single-Ended Primary Inductance–Buck Regulator in a Wind-Driven Permanent Magnet Synchronous Generator Using a Double-Band Hysteresis Current Controller. Energies. 2024; 17(19):4868. https://doi.org/10.3390/en17194868
Chicago/Turabian StyleEmar, Walid, Mais Alzgool, and Ibrahim Mansour. 2024. "Reliability Enhancement of a Double-Switch Single-Ended Primary Inductance–Buck Regulator in a Wind-Driven Permanent Magnet Synchronous Generator Using a Double-Band Hysteresis Current Controller" Energies 17, no. 19: 4868. https://doi.org/10.3390/en17194868
APA StyleEmar, W., Alzgool, M., & Mansour, I. (2024). Reliability Enhancement of a Double-Switch Single-Ended Primary Inductance–Buck Regulator in a Wind-Driven Permanent Magnet Synchronous Generator Using a Double-Band Hysteresis Current Controller. Energies, 17(19), 4868. https://doi.org/10.3390/en17194868

