Engineering Microgrids Amid the Evolving Electrical Distribution System
Abstract
1. Introduction
2. State of the Art
2.1. Literature Review
2.2. Application Review
2.2.1. Fremont Fire Stations Microgrid
2.2.2. Brooklyn Microgrid
2.2.3. Marine Corps Air Station Miramar Microgrid
2.2.4. Kodiak Island Microgrid
2.2.5. Borrego Springs Microgrid
2.2.6. Chattanooga Microgrid
2.2.7. Bronzeville Microgrid
2.2.8. Summary of Microgrid Applications
2.3. State of the Art Summary
2.4. Previous Work and New Contributions
2.4.1. Previous Work
2.4.2. Building on Previous Work and New Contributions
- They develop the critical objectives for microgrids and present the practical implementation of microgrid design to meet those objectives.
- They study the practical experiences of sourcing and sectionalizing placement, black start requirements, and data availability limitations in actual microgrid deployments with the need to serve critical loads while weighing energy equity concerns.
- They replace predominantly deterministic techniques based on day-ahead time horizons or representative load shapes for the design of stand-alone and collaborative microgrids with time-efficient probabilistic practices based on load forecasts for months into the future.
- They consider the practical reality of areas with low DER penetration being adjacent to areas with high DER penetration. Considering this experience from actual microgrid deployments in the optimization methods offers the opportunity to improve the reliability of low DER penetration areas, which can also be lower income level areas.
- The use of the methods is presented with actual real-world deployments of two sets of adaptive networked microgrids.
3. Microgrid Objectives
- Reduce outage times and frequency: A utility may initiate microgrid development to reduce outage frequency and outage times in a certain area without the need to build or reinforce lines. With the capacity to operate in islanded mode, communities (or parts of communities) that are served by infrastructure that is susceptible to weather events, such as part of a feeder with long lines through wooded areas, can avoid power outages.
- Improve resiliency: A utility may initiate microgrid development to improve resiliency of a feeder during extreme weather events. With the capacity to operate in islanded mode, it can be quicker and easier to restore power to all or some of the community in the case of significant impact, e.g., storms, flooding, or fires, that otherwise may cause prolonged outages.
- Improve power quality: A utility may initiate microgrid development to improve local power quality. Through proper resource placement and additional control capabilities with microgrid development, a utility can actively utilize local resources to manage power quality issues, such as low or high voltage magnitudes or voltage imbalance.
- Increase DER hosting capacity and promote local DER build-out: A utility may initiate microgrid development to increase DER hosting capacity. The same control capabilities that enable improved power quality can also be leveraged to support larger populations of DERs in the feeder. Over time, this can spur DER build-out by local customers, thus further improving the ability of the feeder to operate in islanded mode.
- Meet local demand for renewable energy: Many local communities desire to be served by primarily renewable energy. By coupling microgrid development with community solar or other forms of community-owned and/or customer-sited resources, the utility can partner with the community on achieving their local goals.
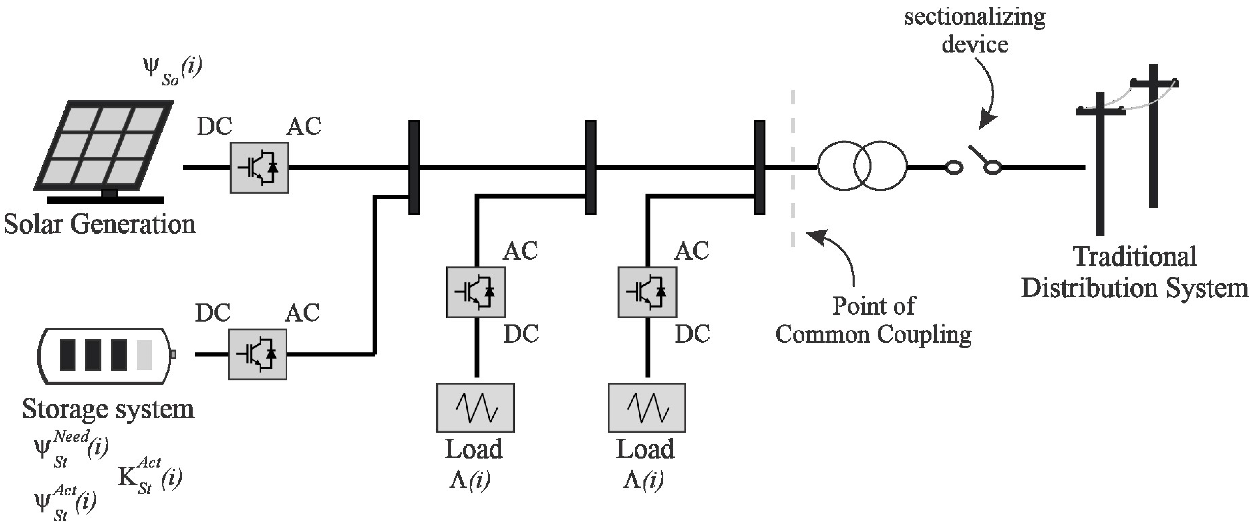
4. Engineering Microgrids
4.1. Data Availability
4.2. Sectionalizing and DER
4.2.1. Sectionalizing Placement
- Reclosers: These devices automatically interrupt and restore power in response to faults, allowing for quick isolation of affected sections and restoration of unaffected areas.
- Remote-controlled switches: These switches are not automated but can be operated remotely, allowing for efficient reconfiguration of the microgrid layout without manual intervention in the field.
- Manual switches: These manual switches are placed strategically along the circuit to isolate specific sections, enabling targeted maintenance or fault isolation. The isolation and operation of these switches require crews to make the change in the field.
- Fault indicators: These devices provide visual or remote indication of faults along the circuit, helping operators in the field to quickly locate and address issues.
Practical Considerations
- Load distribution: Sectionalizers should be strategically placed to ensure balanced load distribution across the circuit to reduce the outage timing and frequency, optimize efficiency, and minimize overloads.
- Improve reliability and power quality: Sectionalizers should be placed at locations that improve the power quality of the area by localizing and isolating faults on distribution lines. By strategically locating sectionalizers, utilities can minimize the impact of faults, reduce outage durations, and enhance system reliability. This proactive approach aids in maintaining consistent voltage levels, reducing momentary interruptions, and improving overall power quality for consumers. For this guideline, it is critical that engineers understand the location of faults and the probability that those faults are to occur.
- Accessibility: Ensure that sectionalizers are easily accessible for maintenance and troubleshooting purposes. They should be placed in locations that are truck accessible and near major intersections as much as possible.
- Sectionalizer locations: Poles with little to no other equipment installed should be selected or placed to allow for the installation of sectionalizers.
- Easements: Locations for sectionalizers should be selected with consideration for the ability to obtain easements from customers.
Customer-Focused Considerations
- Medical customers: Placement of sectionalizers on an electric circuit with medical customers, such as hospitals, clinics, and medical facilities, should be selected to ensure uninterrupted and reliable supply of electricity, which is essential for patient care and safety.
- Critical loads: sectionalizers should be placed on the circuit to provide reliable service to critical loads such as government buildings, pumping stations, police stations, and fire stations.
- Energy assistance: customers on energy assistance programs could be given preference considering the potentially disproportionate impact of outages on these customers.
- Fault detection: sectionalizers should be located at points that consider where faults are most probable to occur, such as areas prone to equipment failure or tree hazards.
- Aesthetics: Aesthetics considerations for placing sectionalizers on an electric circuit involve ensuring that these devices blend harmoniously with their surroundings and do not detract from the visual appeal of the environment.
- Boundary balance of load: The sectionalized load should be able to be served by the contained DERs.
4.2.2. DER Placement
- Installed DERs: Including forecasted DER (e.g., customer installation of solar panels, wind turbines, or other DERs) in areas with ample renewable energy potential to maximize generation output.
- Available property to install DERs: Research to find the property that would fit the need for the required DER.
- Community engagement: Engage with local communities, stakeholders, and customers to solicit input and address concerns regarding DER placement.
- Load profile: Analyze the load profile of the electric circuit to identify areas with high energy demand or potential for load balancing. Place DERs strategically in locations where they can effectively offset peak demand or provide ancillary services to improve grid stability.
- Promote local DERs: Considering the benefits of microgrids, promoting the installation of DERs at customer sites to eventually help other sections of the circuit can be considered.
- Fault location: The DERs must be placed considering the probability of faults occurring. For example, a centralized DER will not support areas with frequent service drop issues.
4.3. Optimizing Renewable Generation to Serve Load
4.3.1. Stand-Alone Microgrids
Stand-Alone Microgrid Configuration
Stand-Alone Microgrid Optimization Formulation
Stand-Alone Microgrid Optimization Results
4.3.2. Networked Microgrids
Networked Microgrids Configuration
Networked Microgrids Collaboration Formulation
Stand-Alone Microgrid Design Performance with Collaboration
Networked Microgrid Optimized Design Considering Collaboration
Summary of Microgrid Results
4.4. Protection and Control
4.5. Black Start Capability
4.6. Illustrative Examples
4.6.1. Rural Area Example
4.6.2. Urban Area Example
5. Summary of Findings and Future Work
5.1. Summary of Findings
5.2. Future Work
Author Contributions
Funding
Data Availability Statement
Conflicts of Interest
Nomenclature
| Abbreviations | |
| ADI | Area Deprivation Index |
| AI | Artificial Intelligence |
| ANM | Adaptive Networked Microgrids |
| BMG | Brooklyn Microgrid |
| DACs | Disadvantaged Communities |
| DOE | Department of Energy |
| EPB | Electrical Power Board in Chattanooga, Tennessee |
| GIS | Geographic Information System |
| MCAS | Marine Corps Air Station |
| ML | Machine Learning |
| NSGA | Non-Dominated Sorting Genetic Algorithm |
| SDG&E | San Diego Gas & Electric |
| VPP | Virtual Power Plant |
| Key Variables Used with Microgrid Design | |
| Installation Expenditures | |
| Percent of Scenarios Not Fully Served for a Stand-Alone Microgrid | |
| Percent of Scenarios Not Fully Served by Microgrid A | |
| Percent of Scenarios Not Fully Served by Microgrid B | |
| Percent of Scenarios Not Fully Served by Microgrid FB | |
| Load from 24 h Day Scenarios from Monte Carlo Simulations | |
| Solar Power Normalized to the Maximum Output | |
| Actual Solar Power | |
| Power Output Needed from Storage to Serve a Scenario | |
| Power Output Available from Storage with Limitations | |
| Energy Available from Storage with Limitations | |
| Maximum Power Output for a Solar Deployment | |
| Energy Available from Storage without Limitations | |
| used to index through the hours of a day that make up a scenario | |
References
- DOE OE 2021 Strategy White Papers on Microgrids: Program Vision, Objectives, and R&D Targets in 5 and 10 Years–Topic Area #1. Available online: https://www.energy.gov/sites/default/files/2022-12/Topic1%20Report.pdf (accessed on 19 June 2024).
- Ton, D.T.; Smith, M.A. The U.S. Department of Energy’s Microgrid Initiative. Electr. J. 2012, 25, 84–94. [Google Scholar] [CrossRef]
- Uddin, M.; Mo, H.; Dong, D.; Elsawah, S.; Zhu, J.; Guerrero, J.M. Microgrids: A Review, Outstanding Issues and Future Trends. Energy Strategy Rev. 2023, 49, 101127. [Google Scholar] [CrossRef]
- Saeed, M.H.; Fangzong, W.; Kalwar, B.A.; Iqbal, S. A Review on Microgrids’ Challenges & Perspectives. IEEE Access 2021, 9, 166502–166517. [Google Scholar] [CrossRef]
- Altaf, M.W.; Arif, M.T.; Islam, S.N.; Haque, M.E. Microgrid Protection Challenges and Mitigation Approaches—A Comprehensive Review. IEEE Access 2022, 10, 38895–38922. [Google Scholar] [CrossRef]
- Hamanah, W.M.; Hossain, M.I.; Shafiullah, M.; Abido, M.A. AC Microgrid Protection Schemes: A Comprehensive Review. IEEE Access 2023, 11, 76842–76868. [Google Scholar] [CrossRef]
- Danish, M.S.S.; Matayoshi, H.; Howlader, H.R.; Chakraborty, S.; Mandal, P.; Senjyu, T. Microgrid Planning and Design: Resilience to Sustainability. In Proceedings of the 2019 IEEE PES GTD Grand International Conference and Exposition Asia (GTD Asia), Bangkok, Thailand, 19–23 March 2019; pp. 253–258. [Google Scholar]
- Santos, A.Q.; Ma, Z.; Olsen, C.G.; Jørgensen, B.N. Framework for Microgrid Design Using Social, Economic, and Technical Analysis. Energies 2018, 11, 2832. [Google Scholar] [CrossRef]
- Salehi, N.; Martínez-García, H.; Velasco-Quesada, G.; Guerrero, J.M. A Comprehensive Review of Control Strategies and Optimization Methods for Individual and Community Microgrids. IEEE Access 2022, 10, 15935–15955. [Google Scholar] [CrossRef]
- Ignat, A.; Szilagyi, E.; Petreuş, D. Islanded Microgrid Simulation and Cost Optimisation. In Proceedings of the 2020 IEEE 26th International Symposium for Design and Technology in Electronic Packaging (SIITME), Pitesti, Romania, 21–24 October 2020; pp. 426–429. [Google Scholar]
- Dakir, S.; Cornélusse, B. Combining Optimization and Simulation for Microgrid Sizing. In Proceedings of the 2021 IEEE Madrid PowerTech, Madrid, Spain, 28 June–2 July 2021; pp. 1–6. [Google Scholar]
- Su, W.; Wang, J.; Roh, J. Stochastic Energy Scheduling in Microgrids with Intermittent Renewable Energy Resources. IEEE Trans. Smart Grid 2014, 5, 1876–1883. [Google Scholar] [CrossRef]
- Moving from Customized to Plug-And-Play Microgrids. Available online: https://guidehouseinsights.com/news-and-views/moving-from-customized-to-plug-and-play-microgrids (accessed on 10 June 2024).
- DynaGrid: Dynamic Microgrids for Large-Scale DER Integration and Electrification. Available online: https://www.nrel.gov/grid/assets/pdfs/07-dynagrid-dynamic-microgrids-for-large-scale-der-integration-and-electrification.pdf (accessed on 8 September 2023).
- Zhu, L.; Zhang, C.; Yin, H.; Li, D.; Su, Y.; Ray, I.; Dong, J.; Wang, F.; Tolbert, L.M.; Liu, Y.; et al. A Smart and Flexible Microgrid with a Low-Cost Scalable Open-Source Controller. IEEE Access 2021, 9, 162214–162230. [Google Scholar] [CrossRef]
- Taylor, S.; Setyawan, G.; Cui, B.; Zamzam, A.; Roald, L.A. Managing Wildfire Risk and Promoting Equity through Optimal Configuration of Networked Microgrids. In Proceedings of the 14th ACM International Conference on Future Energy Systems, Orlando, FL, USA, 20–23 June 2023; Association for Computing Machinery: New York, NY, USA, 2023; pp. 189–199. [Google Scholar]
- 3 Types of Microgrids Transforming the Industry|Blog. Available online: https://sustainablesolutions.duke-energy.com/resources/three-types-of-microgrids/ (accessed on 14 December 2023).
- Wood, E. Nested Microgrid Proposed for Town of New Paltz. Available online: https://www.microgridknowledge.com/editors-choice/article/11432127/nested-microgrid-proposed-for-town-of-new-paltz (accessed on 14 December 2023).
- Salehi, N.; Martínez-García, H.; Velasco-Quesada, G. A Novel Component Sizing Procedure in Off-Grid Networked Microgrids. In Proceedings of the 2021 International Conference on Electrical, Computer and Energy Technologies (ICECET), Cape Town, South Africa, 9–10 December 2021; pp. 1–5. [Google Scholar]
- Noorpi, N.S.M.; Aprilia, E.; Zhang, W.; Meng, K. ADMM-Based Optimum Power Flow in Nested Microgrids. In Proceedings of the 2020 International Conference on Smart Grids and Energy Systems (SGES), Perth, Australia, 23–26 November 2020; pp. 916–921. [Google Scholar]
- Proactive Resilient Scheduling for Networked Microgrids with Extreme Events|IEEE Journals & Magazine|IEEE Xplore. Available online: https://ieeexplore.ieee.org/document/8790696 (accessed on 15 December 2023).
- 2022 Fremont Fire Station—Gridscape. Available online: https://grid-scape.com/ccfc/2022-fremont-fire-station/ (accessed on 1 October 2023).
- Microgrids across the United States. Available online: https://clean-coalition.org/community-microgrids/microgrids-across-the-united-states/ (accessed on 14 March 2024).
- Brooklyn Microgrid|Community Powered Energy. Available online: https://www.brooklyn.energy/about (accessed on 14 March 2024).
- Mengelkamp, E.; Gärttner, J.; Rock, K.; Kessler, S.; Orsini, L.; Weinhardt, C. Designing Microgrid Energy Markets. Appl. Energy 2018, 210, 870–880. [Google Scholar] [CrossRef]
- Microgrid at Marine Corps Air Station Miramar. Available online: https://www.marines.mil/News/News-Display/Article/2677033/microgrid-at-marine-corps-air-station-miramar (accessed on 1 October 2023).
- Cohn, L. Air Station Miramar Increases Microgrid Islanding Time to as Much as 21 Days for Base the Size of a Small City. Available online: https://www.microgridknowledge.com/government-military/article/33001213/microgrid-islanding-air-station-miramar-increases-time-in-island-mode-to-as-much-as-21-days (accessed on 14 March 2024).
- Slanger, D. An Alaskan Island Goes 100% Renewable. Available online: https://rmi.org/blog_2015_05_19_an_alaskan_island_goes_one_hundred_percent_renewable/ (accessed on 14 March 2024).
- The Alaska Center for Energy and Power (ACEP)|ACEP. Available online: https://www.uaf.edu/acep/ (accessed on 14 March 2024).
- Borrego Springs Microgrid|San Diego Gas & Electric. Available online: https://www.sdge.com/more-information/environment/smart-grid/microgrids (accessed on 14 March 2024).
- S2270075_Borrego Springs Microgrid Fact Sheet.Pdf. Available online: https://www.sdge.com/sites/default/files/documents/S2270075_Borrego%20Springs%20Microgrid%20Fact%20Sheet.pdf?nid=21356 (accessed on 10 June 2024).
- Hitchens, K. New Critical Services Microgrid Launched in Chattanooga. Available online: https://www.microgridknowledge.com/microgrids/critical-services/article/33005899/new-critical-services-microgrid-launched-in-chattanooga (accessed on 14 March 2024).
- Microgrid Boosts Resiliency for Chattanooga Police and Fire. Available online: https://www.govtech.com/smart-cities/microgrid-boosts-resiliency-for-chattanooga-police-and-fire (accessed on 14 March 2024).
- Bronzeville Microgrid—Chicago, Illinois|Adaptation Clearinghouse. Available online: https://www.adaptationclearinghouse.org/resources/bronzeville-microgrid-chicago-illinois.html (accessed on 10 June 2024).
- The Country’s First Neighborhood Microgrid Is Coming Online in Chicago. Available online: https://www.canarymedia.com/articles/grid-edge/the-countrys-first-neighborhood-microgrid-is-coming-online-in-chicago (accessed on 10 June 2024).
- Cohn, L. Here Comes the Future: Bronzeville ‘Microgrid Cluster’ Set to Begin Operating This Year. Available online: https://www.microgridknowledge.com/distributed-energy/article/11427478/here-comes-the-future-bronzeville-microgrid-cluster-set-to-begin-operating-this-year (accessed on 10 June 2024).
- Su, W.; Wang, J. Energy Management Systems in Microgrid Operations. Electr. J. 2012, 25, 45–60. [Google Scholar] [CrossRef]
- Bui, V.-H.; Hussain, A.; Su, W. A Dynamic Internal Trading Price Strategy for Networked Microgrids: A Deep Reinforcement Learning-Based Game-Theoretic Approach. IEEE Trans. Smart Grid 2022, 13, 3408–3421. [Google Scholar] [CrossRef]
- Pourbabak, H.; Chen, T.; Zhang, B.; Su, W. Control and Energy Management System in Microgrids. In Clean Energy Microgrids; Obara, S., Morel, J., Eds.; Institution of Engineering and Technology: London, UK, 2017; pp. 109–133. ISBN 978-1-78561-097-4. [Google Scholar]
- O’Donnell, J.; Su, W. Attention-Focused Machine Learning Method to Provide the Stochastic Load Forecasts Needed by Electric Utilities for the Evolving Electrical Distribution System. Energies 2023, 16, 5661. [Google Scholar] [CrossRef]
- O’Donnell, J.; Su, W. A Stochastic Load Forecasting Approach to Prevent Transformer Failures and Power Quality Issues Amid the Evolving Electrical Demands Facing Utilities. Energies 2023, 16, 7251. [Google Scholar] [CrossRef]
- Chanda, S.; Srivastava, A.K. Defining and Enabling Resiliency of Electric Distribution Systems with Multiple Microgrids. IEEE Trans. Smart Grid 2016, 7, 2859–2868. [Google Scholar] [CrossRef]
- Rhodes, N.; Roald, L. The Role of Distributed Energy Resources in Distribution System Restoration. arXiv 2021, arXiv:2112.06317. [Google Scholar]
- Casey, J.A.; Fukurai, M.; Hernández, D.; Balsari, S.; Kiang, M.V. Power Outages and Community Health: A Narrative Review. Curr. Environ. Health Rep. 2020, 7, 371–383. [Google Scholar] [CrossRef] [PubMed]
- Greenwald, P.W.; Rutherford, A.F.; Green, R.A.; Giglio, J. Emergency Department Visits for Home Medical Device Failure during the 2003 North America Blackout. Acad Emerg. Med. 2004, 11, 786–789. [Google Scholar] [CrossRef]
- Beryl Power Outages Crowd Hospitals, Delay New Admissions. Available online: https://www.newsfromthestates.com/article/beryl-power-outages-crowd-hospitals-delay-new-admissions (accessed on 13 August 2024).
- Huff, C. Growing Power Outages Pose Grave Threat to People Who Need Medical Equipment to Live. NPR. Available online: https://www.npr.org/sections/health-shots/2021/05/15/996872685/growing-power-outages-pose-grave-threat-to-people-who-need-medical-equipment-to- (accessed on 13 August 2024).
- Wang, Y.; Chen, C.; Wang, J.; Baldick, R. Research on Resilience of Power Systems Under Natural Disasters—A Review. IEEE Trans. Power Syst. 2015, 31, 1604–1613. [Google Scholar] [CrossRef]
- Arif, A.; Wang, Z. Networked Microgrids for Service Restoration in Resilient Distribution Systems. IET Gener. Transm. Distrib. 2017, 11, 3612–3619. [Google Scholar] [CrossRef]
- Kind, A.J.H.; Buckingham, W.R. Making Neighborhood-Disadvantage Metrics Accessible—The Neighborhood Atlas. N. Engl. J. Med. 2018, 378, 2456–2458. [Google Scholar] [CrossRef] [PubMed]
- University of Wisconsin School of Medicine and Public Health Neighborhood Atlas. Available online: https://www.neighborhoodatlas.medicine.wisc.edu/ (accessed on 13 August 2024).
- Ramasamy, V.; Zuboy, J.; Woodhouse, M.; O’Shaughnessy, E.; Feldman, D.; Desai, J.; Walker, A.; Margolis, R.; Basore, P. U.S. Solar Photovoltaic System and Energy Storage Cost Benchmarks, with Minimum Sustainable Price Analysis: Q1 2023; National Renewable Energy Laboratory: Golden, CO, USA, 2023. [Google Scholar]
- Park, C.-Y.; Hong, S.-H.; Lim, S.-C.; Song, B.-S.; Park, S.-W.; Huh, J.-H.; Kim, J.-C. Inverter Efficiency Analysis Model Based on Solar Power Estimation Using Solar Radiation. Processes 2020, 8, 1225. [Google Scholar] [CrossRef]
- Liu, Y.; Liao, Y.G.; Lai, M.-C. Effects of Depth-of-Discharge, Ambient Temperature, and Aging on the Internal Resistance of Lithium-Ion Battery Cell. In Proceedings of the 2021 International Conference on Electrical, Computer and Energy Technologies (ICECET), Cape Town, South Africa, 9–10 December 2021; pp. 1–5. [Google Scholar]
- Park, S.-J.; Song, Y.-W.; Kang, B.-S.; Kim, W.-J.; Choi, Y.-J.; Kim, C.; Hong, Y.-S. Depth of Discharge Characteristics and Control Strategy to Optimize Electric Vehicle Battery Life. J. Energy Storage 2023, 59, 106477. [Google Scholar] [CrossRef]
- Shabani, M.; Wallin, F.; Dahlquist, E.; Yan, J. The Impact of Battery Operating Management Strategies on Life Cycle Cost Assessment in Real Power Market for a Grid-Connected Residential Battery Application. Energy 2023, 270, 126829. [Google Scholar] [CrossRef]
- Xu, B.; Oudalov, A.; Ulbig, A.; Andersson, G.; Kirschen, D. s Modeling of Lithium-Ion Battery Degradation for Cell Life Assessment. IEEE Trans. Smart Grid 2016, 99, 1131–1140. [Google Scholar] [CrossRef]
- Blank, J.; Deb, K. Pymoo: Multi-Objective Optimization in Python. IEEE Access 2020, 8, 89497–89509. [Google Scholar] [CrossRef]
- Yusoff, Y.; Ngadiman, M.S.; Zain, A.M. Overview of NSGA-II for Optimizing Machining Process Parameters. Procedia Eng. 2011, 15, 3978–3983. [Google Scholar] [CrossRef]
- Pymoo—NSGA-II: Non-Dominated Sorting Genetic Algorithm. Available online: https://pymoo.org/algorithms/moo/nsga2.html#nb-nsga2 (accessed on 24 November 2023).
- Kaur, A.; Kaushal, J.; Basak, P. A Review on Microgrid Central Controller. Renew. Sustain. Energy Rev. 2016, 55, 338–345. [Google Scholar] [CrossRef]
- Espín-Sarzosa, D.; Palma-Behnke, R.; Núñez-Mata, O. Energy Management Systems for Microgrids: Main Existing Trends in Centralized Control Architectures. Energies 2020, 13, 547. [Google Scholar] [CrossRef]
- Espina, E.; Llanos, J.; Burgos-Mellado, C.; Cardenas-Dobson, R.; Martinez-Gomez, M.; Saez, D. Distributed Control Strategies for Microgrids: An Overview. IEEE Access 2020, 8, 193412–193448. [Google Scholar] [CrossRef]
- Zhou, Q.; Shahidehpour, M.; Paaso, A.; Bahramirad, S.; Alabdulwahab, A.; Abusorrah, A. Distributed Control and Communication Strategies in Networked Microgrids. IEEE Commun. Surv. Tutor. 2020, 22, 2586–2633. [Google Scholar] [CrossRef]
- Yamashita, D.Y.; Vechiu, I.; Gaubert, J.-P. A Review of Hierarchical Control for Building Microgrids. Renew. Sustain. Energy Rev. 2020, 118, 109523. [Google Scholar] [CrossRef]
- Yao, W.; Wang, Y.; Xu, Y.; Deng, C.; Wu, Q. Distributed Weight-Average-Prediction Control and Stability Analysis for an Islanded Microgrid with Communication Time Delay. IEEE Trans. Power Syst. 2022, 37, 330–342. [Google Scholar] [CrossRef]
- Poudel, B.P.; Mustafa, A.; Bidram, A.; Modares, H. Detection and Mitigation of Cyber-Threats in the DC Microgrid Distributed Control System. Int. J. Electr. Power Energy Syst. 2020, 120, 105968. [Google Scholar] [CrossRef]
- Li, S.; Oshnoei, A.; Blaabjerg, F.; Anvari-Moghaddam, A. Hierarchical Control for Microgrids: A Survey on Classical and Machine Learning-Based Methods. Sustainability 2023, 15, 8952. [Google Scholar] [CrossRef]
- Brearley, B.J.; Prabu, R.R. A Review on Issues and Approaches for Microgrid Protection. Renew. Sustain. Energy Rev. 2017, 67, 988–997. [Google Scholar] [CrossRef]
- Dagar, A.; Gupta, P.; Niranjan, V. Microgrid Protection: A Comprehensive Review. Renew. Sustain. Energy Rev. 2021, 149, 111401. [Google Scholar] [CrossRef]
- Patnaik, B.; Mishra, M.; Bansal, R.C.; Jena, R.K. AC Microgrid Protection—A Review: Current and Future Prospective. Appl. Energy 2020, 271, 115210. [Google Scholar] [CrossRef]














| Microgrid Attribute | Standalone Microgrid | Networked Microgrid |
|---|---|---|
| Control strategy | Time-invariant control law | Time-varying adaptive control law |
| Electric boundary | Pre-defined | Dynamic and may even have overlay |
| Physical topology | Fixed and static | Flexible (changing over time) |
| Communication | Fixed directed graph | Variable directed graph |
| AC-OPF solver | Dedicated to a given topology | Needs to be much more robust against dynamically changing topologies |
| Contingency analysis | Computationally expensive | Extremely high computational cost |
| Organization | Location | Site | All Renewable Sources | Dynamic Boundaries | Multiple Microgrids | Goal |
|---|---|---|---|---|---|---|
| CEC | Fremont, CA, USA | Fire Stations | X | X | Reliability, ensure fire station has power during emergencies | |
| LO3 Energy | Brooklyn, NY, USA | Remote Community | X | X | Reliaibility, local energy, lower energy costs | |
| SDG&E | San Diego, CA, USA | Marine Corps Air Station Miramar | X | Reliability, ensure operations had power during missions | ||
| KEA | Kodiak Island, AK, USA | Remote Community | X | X | Reliability, reduce rates | |
| SDG&E | Borrego Springs, CA, USA | Remote Community | Future | Reliability, fully renewable in future | ||
| EPB of Chattanooga | Chattanooga, TN, USA | Airport | X | X | Reliabilty, ensure power during emergencies | |
| Bronzeville Microgrid | Chicago, IL, USA | College Campus and Surrounding Community | X | Reliabilty, clean energy |
| V | W | X | Y | μA | FB | μB |
|---|---|---|---|---|---|---|
| 0 | 0 | 0 | 0 | Grid Connected | Grid Connected | Grid Connected |
| 0 | 0 | 0 | 1 | Grid Connected | Grid Connected | No Service |
| 0 | 0 | 1 | 0 | Grid Connected | No Service | Serving Itself |
| 0 | 0 | 1 | 1 | Grid Connected | No Service | No Service |
| 0 | 1 | 0 | 0 | No Service | Potential Service from B | Serve Itself and FB |
| 0 | 1 | 0 | 1 | No Service | No Service | No Service |
| 0 | 1 | 1 | 0 | No Service | No Service | Serve Itself |
| 0 | 1 | 1 | 1 | No Service | No Service | No Service |
| 1 | 0 | 0 | 0 | Serve Itself, FB, and B | Potential Service from A and B | Serve Itself, FB, and A |
| 1 | 0 | 0 | 1 | Serve Itself and FB | Potential Service from A | No Service |
| 1 | 0 | 1 | 0 | Serve Itself | No Service | Serve Itself |
| 1 | 0 | 1 | 1 | Serve Itself | No Service | No Service |
| 1 | 1 | 0 | 0 | No Service | Potential Service from B | Serve Itself and FB |
| 1 | 1 | 0 | 1 | No Service | No Service | No Service |
| 1 | 1 | 1 | 0 | No Service | No Service | Serve Itself |
| 1 | 1 | 1 | 1 | No Service | No Service | No Service |
| Individual Results | Combined Results | ||||
|---|---|---|---|---|---|
| μAo = μA Alone | μBo = μB Alone | μT = μA, μB, and FB | μAf = Collaborative Result for μA = μAo and μT | μBf = Collaborative Result for μB = μBo and μT | FB For Fault = μT |
| 0 | 0 | 0 | 0 | 0 | 0 |
| 0 | 0 | 1 | 0 | 0 | 1 |
| 0 | 1 | 0 | 0 | 0 | 0 |
| 0 | 1 | 1 | 0 | 1 | 1 |
| 1 | 0 | 0 | 0 | 0 | 0 |
| 1 | 0 | 1 | 1 | 0 | 1 |
| 1 | 1 | 0 | 0 | 0 | 0 |
| 1 | 1 | 1 | 1 | 1 | 1 |
| Individual Results | Combined Results | ||
|---|---|---|---|
| μAo Alone | μAFB = μA and FB Together | μAf = Collaborative Result for μA = μAo | FB = μAo and μAFB |
| 0 | 0 | 0 | 0 |
| 0 | 1 | 0 | 1 |
| 1 | 1 | 1 | 1 |
| Individual Results | Combined Results | ||
|---|---|---|---|
| μBo Alone | μBFB = μB and FB Together | μBf = Collaborative Result for μB = μBo | FB = μBo and μBFB |
| 0 | 0 | 0 | 0 |
| 0 | 1 | 0 | 1 |
| 1 | 1 | 1 | 1 |
| Measure | Stand-Alone Design and Operation | Stand-Alone Design and Collaborative Operation | Collaborative Design and Operation |
|---|---|---|---|
| E | $8.3 M | $8.3 M | $8.3 M |
| NA | 21% | 18% | 18% |
| NB | 20% | 18% | 16% |
| NFB | 100% | 60% | 59% |
| Practical Considerations | |
| Load distribution | Rural area loads are sparse compared to urban area loads. This makes placing sectionalizers to ensure even distribution of load simpler. |
| Improve reliability and power quality | Locations on the circuit are picked to help any existing power quality issues in the area. With rural areas, the circuits are long and often run into low voltage issues near the ends. Placing DER near the ends of the circuit can address this concern. |
| Accessibility | The locations of the sectionalizers are truck accessible and easily operated by field crews. With more trees in the rural area, tree clearance is necessary. |
| Sectioniaizers location | The poles that are selected are clean for equipment installation with tree clearance in the rural area. Load flow studies must be completed for all scenarios to ensure that no infrastructure is overloaded during collaboration. |
| Easements | The locations for the installations have been selected where easements can likely be easily obtained. |
| Customer-Focused Consideration | |
| Medical customers | No medical facilities or customers are on the circuit to prioritize. |
| Critical loads | A critical load that serves the entire city will be served by Microgrid 2. Microgrid 1 will serve a critical business area for the community. |
| Fault detection | The reliability history of the circuit has been reviewed to maximize fault detection and isolation. |
| Aesthetics | Tourism provides a large portion of revenue for this community. For that reason, areas frequently visited by tourists have not been selected for overhead equipment installation. |
| Boundary balance | Boundaries are picked to balance load and contained DER. |
| DER Placement | |
| Installed DERs | DERs already installed on the circuit are evaluated in the engineering study to determine the location for additional installations. For this rural setting, microgrid 1 is in construction currently. |
| Property | There is more opportunity for available property in a rural area. Suitable property had been identified for this set of microgrids. |
| Community engagement | Start collaboration with the community before the execution phase. |
| Load profile | DER is placed to ensure stability based on historical load profiles. |
| Promote local DER | Work with regional community affairs to illustrate the benefits of local DER. |
| Fault location | In a rural setting, the circuit has long line miles, making it essential to review historical faults to prevent delay in restoration. |
| Protection and Control | |
| Control | Distributed controls will be placed at each DER and each microgrid. These controls will act autonomously in the event of communication disruptions. They will leverage guidelines from centralized processing elements when communications are maintained. |
| Protection | More protection devices are required, as the rural circuit is not very sectionalized. Fault studies are needed to determine the settings for protective devices, which will be based on the scenarios under which the microgrids will operate. |
| Black Start Capability Factors | |
| Topology of system | In all settings, the control and protection systems must maintain an accurate view of the current topology for both current operating conditions and potential black start needs. |
| Availability of DER | In a rural setting, the availability of property to potentially install multiple small battery storage units around the microgrids should be easier to find. |
| Electrical factors | Steady state and dynamic simulations will be completed to consider cold load pickup and voltage/current imbalance. |
| Practical Considerations | |
| Load distribution | Urban areas are more densely populated. Sectionalizers are placed to ensure that load distribution is even, which may be a challenge. |
| Improve reliability and power quality | Locations are selected to resolve any power quality issue in the area. In urban areas, this is more likely to be a current issue. |
| Accessibility | The locations of the sectionalizers are truck accessible and easily operated by field crews. With lower tree density compared to rural areas, this is simpler. |
| Sectionalizers location | The poles that are selected are clean for equipment installation. Load flow studies must be completed for all scenarios to ensure that no infrastructure is overloaded during collaboration. |
| Easements | The locations for the installations have been selected where easements can likely be easily obtained. This may be more of a challenge with an urban setting due to the density of customers. |
| Customer-Focused Consideration | |
| Medical customers | No medical facilities or customers are on the circuit to prioritize. |
| Critical loads | No critical loads are connected to the circuit to prioritize. |
| Fault detection | The reliability history of the circuit has been reviewed to maximize fault detection and isolation. |
| Aesthetics | To maintain the beauty of the city, areas frequently visited and seen by city residents are avoided for installation of overhead equipment. |
| Boundary balance | Boundaries are picked to balance load and contained DER. |
| DER Placement | |
| Installed DERs | DERs already installed on the circuit are evaluated in the engineering study to decide the location for additional installations. |
| Property | Property available for DER installation will require coordination with customers. It is more challenging to find property in an urban area compared to a rural area. Suitable property has been identified for the case study being discussed. |
| Community engagement | Start collaboration with the community before the execution phase. |
| Load profile | DER is placed to ensure stability based on historical load profiles. |
| Promote local DER | Work with regional community affairs to illustrate the benefits of local DER. |
| Fault location | In an urban setting, the faults are more frequently at service drops. Additionally, it is easier to locate faults with the shorter circuits in an urban area. |
| Protection and Control | |
| Control | Distributed controls will be placed at each DER and each microgrid. These controls will act autonomously in the event of communication disruptions. They will leverage guidelines from centralized processing elements when communications are maintained. |
| Protection | Fewer protection devices are required because urban circuits are usually very sectionalized. Fault studies are needed to determine the settings for protective devices, which will be based on the scenarios under which the microgrids will operate. |
| Black Start Capability Factors | |
| Topology of system | In all settings, the control and protection systems must maintain an accurate view of the current topology for both current operating conditions and potential black start needs. |
| Availability of DER | In an urban setting, the availability of property to potentially install multiple small battery storage units around the microgrids will require research and is not as easy to find. |
| Electrical factors | Additional studies will be needed to make sure electrical factors are taken into consideration, such as cold load pickup and voltage/current imbalance. |
Disclaimer/Publisher’s Note: The statements, opinions and data contained in all publications are solely those of the individual author(s) and contributor(s) and not of MDPI and/or the editor(s). MDPI and/or the editor(s) disclaim responsibility for any injury to people or property resulting from any ideas, methods, instructions or products referred to in the content. |
© 2024 by the authors. Licensee MDPI, Basel, Switzerland. This article is an open access article distributed under the terms and conditions of the Creative Commons Attribution (CC BY) license (https://creativecommons.org/licenses/by/4.0/).
Share and Cite
Sharma, S.; O’Donnell, J.; Su, W.; Mueller, R.; Roald, L.; Rehman, K.; Bernstein, A. Engineering Microgrids Amid the Evolving Electrical Distribution System. Energies 2024, 17, 4764. https://doi.org/10.3390/en17194764
Sharma S, O’Donnell J, Su W, Mueller R, Roald L, Rehman K, Bernstein A. Engineering Microgrids Amid the Evolving Electrical Distribution System. Energies. 2024; 17(19):4764. https://doi.org/10.3390/en17194764
Chicago/Turabian StyleSharma, Smriti, John O’Donnell, Wencong Su, Richard Mueller, Line Roald, Khurram Rehman, and Andrey Bernstein. 2024. "Engineering Microgrids Amid the Evolving Electrical Distribution System" Energies 17, no. 19: 4764. https://doi.org/10.3390/en17194764
APA StyleSharma, S., O’Donnell, J., Su, W., Mueller, R., Roald, L., Rehman, K., & Bernstein, A. (2024). Engineering Microgrids Amid the Evolving Electrical Distribution System. Energies, 17(19), 4764. https://doi.org/10.3390/en17194764

