Modeling the Operating Conditions of Electric Power Systems Feeding DC and AC Traction Substations
Abstract
1. Introduction
- Determination of modes and indicators of electricity quality;
- Selection of methods and means to improve the quality of electricity:
- Development of measures to improve the reliability of power supply and energy efficiency;
- Determination of the optimal load of traction transformers.
2. Methodology for Modeling the Operating Parameters of EPS Containing AC and DC Segments
- Modeling the three-phase, three-phase-single-phase, and three-phase-multiphase power systems with multi-wire power transmission lines and multi-winding transformers of any design;
- Determining the operating parameters of EPSs and RPSSs including AC and DC segments;
- Calculating the emergency processes for all types (simple and complex) unbalances in the electrical network;
- Correctly modeling the traction loads, which is especially important for EPSs with a large share of such loads;
- Identifying non-sinusoidal conditions, taking into account stationary and spatially moving sources of harmonic distortion;
- Analyzing the electromagnetic situation in the EPS and RPSS based on the determination (simultaneously with power flow calculation) of the strength of electromagnetic fields created by multi-wire power lines and induced voltages on adjacent lines of power transmission and communication and pipelines.
- Calculate the AC network operating parameters in the absence of traction loads and calculate voltages at the input of converter units. Based on them, find the potentials of the nodes on the DC side.
- Determine equivalent resistances of traction substation. The DC segment includes EMF sources, contact networks and rails, as well as traction loads connected at train locations. This approach allows using the calculation algorithms for alternating current and obtaining results equal in effective values to the corresponding values for direct current.
- Model the operating parameters of the DC segment using the no-load voltage of the substations and their internal resistances calculated at step 1.
- Control the correct operation of converters according to the criterion of consumption of energy from the AC network by rectifiers and supply of energy to this network by inverters. If the result is negative, turn off the corresponding devices. Repeat the calculations until, as a result of the control, another switching is required.
- Determine the input currents of the external network from their values at the outputs of the converters and model its operating parameters.
- (1)
- Calculate the parameters of current sources, which are associated with converter models, at the current frequency for the AC segment;
- (2)
- Form equivalent circuits of both segments at the current frequency with the corresponding reactances of the components and determine their operating parameters.
3. Modeling Results for Operating Parameters of EPSs Feeding DC and AC Traction Substations
- The design scheme for the DC traction power supply system provides models of step-down and converter transformers with appropriate winding connection schemes, and models of rectifier–inverter converters;
- A smoothed form of rectified current is assumed, since a large inductive resistance is connected from the side of the traction network, composed by the reactants of the traction network and the reactor of the smoothing device;
- When calculating harmonics, the nodes of the converter model on the AC side are represented by harmonic current sources, since the inductive resistances of the short circuit of the step-down and converter transformers are much greater than the reactance of the supply network;
- The harmonic composition of the mains current of the converter model is determined by the transformation and summation of the harmonics of the input currents of the converter, taking into account the asymmetry of the supply network voltages. To obtain harmonic currents, including the first one, phase switching times and the switching angle of the next diode are calculated, and the harmonic composition of the current represented by positive and negative trapezoidal pulses is calculated. The rise and fall of the pulse are assumed to be quadratic;
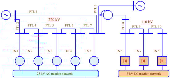
- A power supply network equipped with three-phase high-voltage power lines;
- Traction substations of alternating and direct current;
- Traction networks with a voltage of 25 kV AC and 3 kV DC.
- Based on the solution of a system of nonlinear steady-state equations written in phase coordinates, voltage modules and phases at the nodal points of the network are calculated.
- With the help of known transformations, the symmetric components of the forward, reverse, and zero sequences are calculated and the coefficients of asymmetry are determined.
- Power losses in the elements of the EES are increasing; for example, when high harmonic currents flow in the transformer, additional losses increase sharply and can reach 30 … 50% of the passport losses in copper;
- There is a reduction in the resource of power transformers as a result of additional heating of the insulation of the windings caused by losses of active power arising from the flow of currents of higher harmonics in them;
- The service life of asynchronous motors is reduced, which is associated with thermal aging of the insulation due to an increase in the temperature of the stator winding;
- When the voltage sinusoidal distortion occurs, an additional error in the measurement of electricity appears, which can lead to the output of the resulting error of the measuring complex beyond the permissible value;
- In the presence of a significant level of harmonics with numbers multiple of three, significant overheating of the neutral wire and contact burnout is possible; a break in the neutral wire, in turn, can lead to significant voltages at the terminals of individual electrical receivers and their failure;
- Resonant effects at frequencies of high harmonics can create serious problems for electrical equipment; the results of calculations and field measurements show the presence of resonances at frequencies of 21 … 23rd harmonics with a shift of resonances by 27 … 29th harmonics with short substation zones; in the case of three-way sections, resonances occur at 21 … 23rd harmonics even with relatively short zones.
4. Conclusions
- Significant spatial distribution and the length of the traction network may exceed several thousand kilometers;
- The heterogeneity of the subsystem structure, which consists of the fact that three-phase electric networks of various voltages form the power grid, and the traction power supply system is a single-phase network;
- Pulsating nature of active power in the traction network and at the high voltage inputs of traction substations;
- Movement of consumers in space;
- The sharply variable dynamics of changes in traction loads;
- Significant asymmetry and non-sinusoidal currents consumed by heavy substations;
- Electromagnetic influence of the traction network on adjacent transmission and communication lines, and on extended metal structures mounted along the railway route;
- A significant level of electromagnetic fields generated by an unbalanced traction network.
- Determination of modes and indicators of power quality;
- Selection of methods and means to improve the power quality;
- Development of measures to improve the reliability of power supply and energy efficiency;
- Determination of the optimal load of traction transformers.
Author Contributions
Funding
Data Availability Statement
Acknowledgments
Conflicts of Interest
References
- Bocharnikov, Y.V. Modeling of a traction power supply system for assessing electromagnetic compatibility with adjacent systems. Technol. Electromagn. Compat. 2008, 1, 45–55. [Google Scholar]
- Feng, D.; Zhou, H.; Lin, S. A Reactive Power Optimization Method for AC Metro Power Supply System Based on Particle Swarm Optimization Algorithm. In Proceedings of the 2023 IEEE Vehicle Power and Propulsion Conference (VPPC), Milan, Italy, 24–27 October 2023. [Google Scholar]
- Baranov, I.A.; Agunov, A.V. Modeling of reactive power compensation processes in a traction power supply system using Matlab-Simulink. Intell. Technol. Transp. 2021, 2, 5–12. (In Russian) [Google Scholar]
- Konstantinova, Y.A.; Lee, V.N.; Konstantinov, A.M. Simulation modeling of electricity transit from an external power supply system via an AC traction network. Bull. Amur State Univ. 2016, 4, 70–76. (In Russian) [Google Scholar]
- Yang, S.; Chen, Y.; Dong, Z.; Wu, J. A collaborative operation mode of energy storage system and train operation system in power supply network. Energy 2023, 276, 127617. [Google Scholar] [CrossRef]
- Garanin, M.A.; Boshkareva, T.V.; Frolenkov, S.A. Modeling of an alternating current traction power supply system for passing high-mass trains. Bull. Transp. Volga Reg. 2016, 5, 22–27. (In Russian) [Google Scholar]
- Sun, L.; Zhang, X.; Liu, M.; Peng, H. Modeling and influence research of traction power supply system based on ADPSS. In Proceedings of the 2014 International Conference on Power System Technology, Chengdu, China, 20–22 October 2014. [Google Scholar]
- Zhang, Y.W.; Chen, R.M.; Xiao, Y.; Zhao, W.; Li, X.R.; Zhang, G.D. Measurement-based modeling of traction power supply system. In Proceedings of the 2011 International Conference on Advanced Power System Automation and Protection, Beijing, China, 16–20 October 2011. [Google Scholar]
- Li, J.X.; Li, X.R.; Deng, W.; Xu, Z.H.; Liu, Q.Y.; Zhang, Y.-W. Study on power systems transient stability considering traction power supply system measurement-based load model. In Proceedings of the 2011 International Conference on Advanced Power System Automation and Protection, Beijing, China, 16–20 October 2011. [Google Scholar]
- Yu, X. General Mathematical Model of AC Traction Power Supply System Simulation Based on Mathematical Reasoning and Its Application Research. In Proceedings of the 2020 IEEE International Conference on Artificial Intelligence and Information Systems (ICAIIS), Dalian, China, 20–22 March 2020. [Google Scholar]
- Fan, Z.; Tian, X.; Sun, X.; Yang, X.; Zhang, H.; Tan, Z. Research on Modeling and Power Supply Capability of AT Traction Power Supply System. In Proceedings of the 2021 International Conference on Artificial Intelligence and Electromechanical Automation (AIEA), Guangzhou, China, 14–16 May 2021. [Google Scholar]
- Lu, C.; Li, X.; Chen, S. Composite Load Equivalent Modeling of Traction Power Supply System. In Proceedings of the 2021 3rd Asia Energy and Electrical Engineering Symposium (AEEES), Chengdu, China, 26–29 March 2021. [Google Scholar]
- Yang, H.; Du, X.; Chen, B.; Cao, Y.; Zheng, L.; Wang, H. The Influence of Electrified Railway Traction Power Supply System on the Power Quality of Regional Power Grid. In Proceedings of the 2023 IEEE International Conference on Sensors, Electronics and Computer Engineering (ICSECE), Jinzhou, China, 18–20 August 2023. [Google Scholar]
- Xia, S.; Wang, Y.; Wang, L.; Zhang, C.; Wang, C. Optimization Design of Traction Substation in APM Traction Power Supply System based on Adaptive Particle Swarm Algorithm. In Proceedings of the 2019 IEEE International Conference on Power, Intelligent Computing and Systems (ICPICS), Shenyang, China, 12–14 July 2019. [Google Scholar]
- Yan, N.; Wang, J.; Ping, A.; Liu, R.; Xiao, R.; Yan, H. Simulation Study on Dynamic Distribution of Ground Fault Current in Low and Medium Speed Magnetic Levitation Traction Power Supply System. In Proceedings of the 2022 IEEE International Conference on High Voltage Engineering and Applications (ICHVE), Chongqing, China, 25–29 September 2022. [Google Scholar]
- Sokol, Y.; Sychenko, V.; Voitovych, Y.; Kosariev, Y.; Styslo, B.; Hubskyi, P. AC/DC Converter for DC Traction Power Supply System with High-Speed Train Operation. In Proceedings of the 2019 IEEE 6th International Conference on Energy Smart Systems (ESS), Kyiv, Ukraine, 17–19 April 2019. [Google Scholar]
- Chen, M.; Wen, T.; Jiang, W.; Luo, J. Modelling and Simulation of New Traction Power Supply System in Electrified Railway. In Proceedings of the 2015 IEEE 18th International Conference on Intelligent Transportation Systems, Las Palmas, Spain, 15–18 September 2015. [Google Scholar]
- Xia, M.; Zhou, Y.; Huang, Y.; Yang, H.; Tai, Y. Research on Short-Circuit Characteristics of Subway DC Traction Power Supply System. In Proceedings of the 46th Annual Conference of the IEEE Industrial Electronics Society, Singapore, 18–21 October 2020. [Google Scholar]
- Xiang, N.; Yuan, Q.; Wang, C. Study on the adaptability of traction power supply system under the operation of high density heavy haul train. In Proceedings of the IEEE 6th International Electrical and Energy Conference (CIEEC), Hefei, China, 12–14 May 2023. [Google Scholar]
- Han, A.; Yu, L.; Wang, L.; Jia, X.; Sun, W.; Bi, Y. Research on the influence of urban metro traction power supply system on power grid harmonics. In Proceedings of the First International Conference on Electronics Instrumentation & Information Systems (EIIS), Harbin, China, 3–5 June 2017. [Google Scholar]
- Wang, J.; Han, Y.; Wang, X.; Zhan, X.; Li, L.; Chen, W. Research on Optimal Dispatch of Multi-energy Complementary Traction Power Supply System Based on PV Uncertainty. In Proceedings of the 10th International Conference on Power and Energy Systems Engineering (CPESE), Nagoya, Japan, 8–10 September 2023. [Google Scholar]
- Zhu, W.; Wang, X.; Chang, M.; Lyu, X. Harmonic State Space Modeling and Stability Analysis of Traction Power System Connected to the Three-Phase Grid. In Proceedings of the 17th Conference on Industrial Electronics and Applications (ICIEA), Chengdu, China, 16–19 December 2022. [Google Scholar]
- Rylov, A.; Ilyushin, P.; Kulikov, A.; Suslov, K. Testing photovoltaic power plants for participation in general primary frequency control under various topology and operating conditions. Energies 2021, 14, 5179. [Google Scholar] [CrossRef]
- Nezevak, V.; Cheremisin, V. Prediction of Bandwidth Increase of Railways Areas at the Change Expense of The Direct Current Traction Power Supply System Characteristics by Implementation of Electric Storage Units. In Proceedings of the 2020 International Ural Conference on Electrical Power Engineering (UralCon), Chelyabinsk, Russia, 22–24 September 2020. [Google Scholar]
- Huang, S.; Wu, M. Reliability Evaluation System for Traction Power Supply System of Electric Railways. In Proceedings of the 2018 IEEE 9th International Conference on Software Engineering and Service Science (ICSESS), Beijing, China, 23–25 November 2018. [Google Scholar]
- Xu, C.; Han, Y.; Li, Q.; Chen, W.; Fu, W. Research on Coordinated Control Method of PV and Battery Access Traction Power Supply System Based on RPC. In Proceedings of the 2020 IEEE Sustainable Power and Energy Conference (iSPEC), Chengdu, China, 23–25 November 2020. [Google Scholar]
- Zakaryukin, V.P.; Kryukov, A.V. Complex Asymmetric Modes of Electrical Systems; Irkutsk University: Irkutsk, Russia, 2005; 273p. (In Russian) [Google Scholar]
- Tian, Z.; Zhao, N.; Hillmansen, S.; Su, S.; Wen, C. Traction Power Substation Load Analysis with Various Train Operating Styles and Substation Fault Modes. Energies 2020, 13, 2788. [Google Scholar] [CrossRef]
- Meng, X.; Zhang, Q.; Hu, G.; Liu, F.; Zhang, G. Multiple vehicles and traction network interaction system stability analysis and oscillation responsibility identification. IEEE Trans. Power Electron. 2024, 39, 6148–6162. [Google Scholar] [CrossRef]
- Zakaryukin, V.P.; Kryukov, A.V. Modeling of DC Traction Power Supply Systems Based on Phase Coordinates; Direct-Media: Moscow, Russia, 2023; 156p. [Google Scholar]
- Smirnov, A.S.; Solonina, N.N.; Suslov, K.V. Separate measurement of fundamental and high harmonic energy at consumer inlet—A way to enhancement of electricity use efficiency. In Proceedings of the 2010 International Conference on Power System Technology: Technological Innovations Making Power Grid Smarter, POWERCON2010, Hangzhou, China, 24–28 October 2010. [Google Scholar]
- Suslov, K.; Kryukov, A.; Ilyushin, P.; Kryukov, A.; Shepovalova, O. Modeling of modes of traction power supply systems equipped with renewable energy sources. Energy Rep. 2023, 9, 447–461. [Google Scholar] [CrossRef]
- Rules of Technical Operation of Railways of the Russian Federation; Ministry of Transport of the Russian Federation: Moscow, Russia, 2022.


















Disclaimer/Publisher’s Note: The statements, opinions and data contained in all publications are solely those of the individual author(s) and contributor(s) and not of MDPI and/or the editor(s). MDPI and/or the editor(s) disclaim responsibility for any injury to people or property resulting from any ideas, methods, instructions or products referred to in the content. |
© 2024 by the authors. Licensee MDPI, Basel, Switzerland. This article is an open access article distributed under the terms and conditions of the Creative Commons Attribution (CC BY) license (https://creativecommons.org/licenses/by/4.0/).
Share and Cite
Iliev, I.K.; Kryukov, A.V.; Suslov, K.V.; Cherepanov, A.V.; Hieu, N.Q.; Beloev, I.H.; Valeeva, Y.S. Modeling the Operating Conditions of Electric Power Systems Feeding DC and AC Traction Substations. Energies 2024, 17, 4692. https://doi.org/10.3390/en17184692
Iliev IK, Kryukov AV, Suslov KV, Cherepanov AV, Hieu NQ, Beloev IH, Valeeva YS. Modeling the Operating Conditions of Electric Power Systems Feeding DC and AC Traction Substations. Energies. 2024; 17(18):4692. https://doi.org/10.3390/en17184692
Chicago/Turabian StyleIliev, Iliya K., Andrey V. Kryukov, Konstantin V. Suslov, Aleksandr V. Cherepanov, Nguyen Quoc Hieu, Ivan H. Beloev, and Yuliya S. Valeeva. 2024. "Modeling the Operating Conditions of Electric Power Systems Feeding DC and AC Traction Substations" Energies 17, no. 18: 4692. https://doi.org/10.3390/en17184692
APA StyleIliev, I. K., Kryukov, A. V., Suslov, K. V., Cherepanov, A. V., Hieu, N. Q., Beloev, I. H., & Valeeva, Y. S. (2024). Modeling the Operating Conditions of Electric Power Systems Feeding DC and AC Traction Substations. Energies, 17(18), 4692. https://doi.org/10.3390/en17184692

