Next Article in Journal
Cost of Green Hydrogen
Previous Article in Journal
Future Sensemaking Beyond Own Business Self-Interests: Insights from Offshore Wind Energy Innovation Ecosystems
 
 
Font Type:
Arial Georgia Verdana
Font Size:
Aa Aa Aa
Line Spacing:
Column Width:
Background:
Article

Effect of Separating Air into Primary and Secondary in an Integrated Burner Housing on Biomass Combustion

by
Dariusz Kardaś
1,*,†,
Michał Wantuła
2,3,†,
Szymon Pieter
3,† and
Paweł Kazimierski
1
1
The Szewalski Institute of Fluid-Flow Machinery Polish Academy of Sciences, Fiszera 14 St., PL-80231 Gdańsk, Poland
2
Tricity Doctoral School, Fiszera 14 St., PL-80231 Gdańsk, Poland
3
Klimosz Sp. z o.o., Zjednoczenia 6 St., PL-43250 Pawłowice, Poland
*
Author to whom correspondence should be addressed.
These authors contributed equally to this work.
Energies 2024, 17(18), 4648; https://doi.org/10.3390/en17184648
Submission received: 28 June 2024 / Revised: 21 August 2024 / Accepted: 30 August 2024 / Published: 18 September 2024
(This article belongs to the Section A4: Bio-Energy)

Abstract

Pellet burners, although they are commonly used devices, require high-quality fuels and yet are characterized by relatively high levels of CO and NO emissions and their variability. This article presents a combustion study of an original biomass burner that separates air into primary for biomass gasification and secondary for oxidizing the gasification products, with ducts placed in the housing of the burner. This study introduces a new burner design that separates air into primary and secondary streams within an integrated burner housing, aiming to optimize biomass combustion efficiency and reduce harmful emissions. Two burner designs were proposed, with a high secondary air nozzle (HCrown) and a low secondary air nozzle (LCrown). These two burners were compared with a typical retort burner (Ret). The LCrown burner reduced particulate matter emissions by 36% and CO emissions by 74% with respect to a typical retort burner. This study showed that the distance of the secondary air nozzles from the gasifying part has a significant impact on the operation of the burner and the possibility of reducing emissions of CO and NO. These results highlight the potential of the innovation to significantly improve combustion quality while simultaneously reducing environmental impact.

1. Introduction

Amid growing concerns about climate change and increased emphasis on sustainable energy sources, the search for green and efficient methods of heating has become not only a priority but also a necessity. In the context of the rapidly changing economic landscape, it is crucial to analyze the latest statistical data concerning the energy market and its environmental impact. As highlighted in the OR 2022 report, the accelerating growth of energy demand in Poland is not only challenging the stability of supply but also exacerbating air pollution, making it an urgent issue for national energy policy [1]. Furthermore, research conducted by Kowalska et al. [2] underscores the increasing role of renewable energy sources in reducing emissions, which is vital for mitigating the adverse effects of air pollution and shaping future investments in the sector. One of the promising technological developments in this field is the use of biofuels, particularly in the context of biomass burners for boilers. Biomass, as a renewable energy source, has the potential to significantly reduce dependence on fossil fuels and to reduce greenhouse gas emissions, thus becoming a key element in the transition to green energy.
Research on biomass burners for boilers is becoming particularly timely in the context of global efforts to reduce emissions of CO2 and other harmful substances. In addition, due to the rising price of fossil fuels and the instability of energy supply, biomass offers an attractive alternative economically, with the potential to contribute to energy security on a local and global level. The availability of raw materials for biomass production, such as agricultural, forestry and municipal waste, also makes it a solution that promotes a closed-loop economy.
Despite its many advantages, the use of biomass burners in heating stoves comes with some technological and environmental challenges, such as energy efficiency and emissions of dust and other pollutants, as well as logistics and the storage of raw materials. Thus, there is a clear need to to conduct research aimed at optimizing combustion and developing new burner technologies, as well as analyzing the impact of their use on the environment and human health.
By innovating and improving the design of biomass burners, one can significantly improve their efficiency and reduce negative environmental impacts. Such optimization requires interdisciplinary research, combining knowledge of mechanical engineering, chemistry, ecology and economics. In the long term, the development and implementation of advanced biomass burner technologies for heating stoves can play a key role in achieving climate goals and increasing the share of renewable energy sources in the energy mix.
In conclusion, research on biomass burners for boilers is not only timely but also essential for promoting sustainability and providing clean, safe and economically viable energy for the future. This work is an important contribution to global efforts to reduce the negative impact of human activities on the climate, as well as to building the resilience and energy independence of societies.

1.1. Fuel Type and Quality

The effect of fuel type on combustion in burners has been studied by many researchers. Pawlak-Kruczek’s work [3] investigated, among other things, whether raw or torrefied palm kernel shells cause greater contamination of boiler heating surfaces. The study showed that the surfaces were cleaner when burning the torrefied fuel.
The article by Vitoussia et al. [4] presents the study results of the combustion of pellets made from three types of biomass at three different ratios in a domestic stove. During the study, CO concentrations between 476 and 675 mg/Nm3 were measured, with suspended particulate matter (TSP) in the range of 130–240 mg/Nm3. These emission values were significantly higher than those obtained when burning normalized EN+ pellets in the same stove.
Another paper on the effect of biofuel type on burner performance was conducted by Tucki et al. [5]. It was a research on the temperature distribution and emissions for a new burner and a reference burner using such fuels as lignite, wood pellets, straw pellets and sunflower pellets.
The article by Konieczna et al. [6] presents the results of combustion tests of hemp pellets together with pine wood pellets. The fuel was combusted on an automatic gasifier burner from Lester Projekt. The lowest concentrations of particulate matter were obtained when burning pure pine pellets, which emitted three times less PM 2.5 and PM 10 than pure hemp pellets. NO2 and SO2 concentrations were not significantly different for the two fuels.
A comparison of the spruce wood combustion compared to corn husks, lime leaves, pine needles and grass cuttings in an 18 kW boiler with a rotary burner was made by Trnka et al. [7]. The measurements showed that corn husk pellets were the best while grass pellets were the worst in terms of dust emissions. The results show that the alternative types of pellets had lower mechanical strength values when compared to spruce pellets. This may be due to the lower lignin content of the samples but also to the use of different pressing technology in the pellet production.
Another report on the combustion of non-standard fuels such as oat and canola seeds, canola bark pellets and wood pellets, a mixture of oat with peat and kaolin and wood with kaolin was carried out. Tissari et al. [8] found that NO, SO2 and HCI emissions were significantly higher for cereal or blended fuels than for pure wood fuel. CO emissions and particle counts from cereal fuels were not significantly different from those from wood fuels.
The issue of replacing coal with affordable cleaner fuels is a significant challenge for developing countries. Shen and Xue’s [9] study compared the CO emissions and particulate matter (PM) with the financial costs of pelletized biofuels. The use of pelletized fuels burned in modern pellet burners can significantly reduce emissions compared to traditional solid fuels.
Burning non-wood biomass increases the risk of slagging, corrosion and increased emissions. Khalsa et al. [10] presented a method for preparing fuel from non-wood biomass. The high content of unfavorable elements contained in non-wood biomass was reduced by leaching. Pellets of leached grass, leaves and a mixture of both were burned in different boilers. The combustion complied with emission standards except for NO in the case of pure grass pellets and particulate emissions in the vast majority of all cases. A similar study was conducted by Tucki et al. [11], who showed that, after chemical and mechanical processing, even troublesome non-wood biomass such as leaves and grass can become good fuel. The combustion of hydrophobic torrefied biomass was the subject of the work by Lasek et al. [12].

1.2. Burner Designs and Boiler Modifications

The combustion of biomass depends not only on the fuel but also on the amount of air present, the burner design and the combustion chamber. A paper by Ciupek et al. [13] presents a study of the effect of changes in the fuel–air equivalence ratio ( λ = 1.5, 1.9, 2.3) on CO and NO emissions. Tests were conducted on a 10 kW pellet boiler. The experimental results illustrate the trend of increasing CO levels and decreasing NOx levels when the air supply is reduced. Along with a reduction in oxygen supply, an increase in flue gas temperature was also noted. CFD tools can be used for optimization. Jia et al. [14] used CFD simulations (Fluent) to obtain a rotary burner with an optimized design, after which a prototype was built. The actual results were in line with the simulation, allowing CFD simulations to be used for further product development. Ahn and Kim [15] also used numerical analysis tools and experimental studies. Based on the experimental results, the combustion process was divided into gasification, flame combustion and charcoal combustion. The conversion time was accurately predicted by numerical simulation at 800 ° C , but the numerical predictions deviated from the experimental data at low temperature.
Measurements of emissions of CO, NOx and particulate matter, among others, in various biomass burning appliances, both with manual and automatic feeding, under actual operating conditions were carried out by Ozgen et al. [16]. The highest emissions were generally observed for an open fireplace, but traditional and advanced cookers also have high CO emissions. It turned out that, in batch mode appliances, the differences in emissions did not depend on the type of firewood. However, in continuous combustion appliances, the quality of the pellets significantly affect emission levels. The authors also conclude that the design of the heating appliance (i.e., primary and secondary air supply) has a direct impact on emission characteristics.
The study by Kirsanovs et al. [17] focuses on optimizing combustion in a small (25 kW) pellet boiler by improving the use of oxygen in the combustion. Two optimization methods were used, flame spreading and flame concentration, to improve air and fuel mixing. Both methods had a positive effect on the combustion, reducing CO emissions and increasing boiler efficiency. The greatest reduction was obtained during flame concentration.
The work by Polonini et al. [18] looked at the use of flue gas recirculation (FGR) to improve combustion and reduce CO, particulate matter and nitrogen oxides in pellet cookers. Combustion tests using flue gas recirculation showed that average CO emissions were 80% lower than for a cooker without flue gas recirculation. In the case of particulate matter, the reduction in emissions was 45% after recirculation. There was also a decrease in oxygen content from 8–9% without FGR to 5–7% with FGR. A reduction in NOx emissions of about 11% was also observed with FGR. The reduction in CO, NO and dust emissions was the subject of a study by Wantula and Kardaś [19]. The paper shows that the use of ceramic casting filters reduces dust by up to 30%.
As household solid fuel combustion is a major source of many pollutants, Shen et al. [20] studied improved biomass gasification stoves. Such cookers emitted less than conventional cookers when burning wood. They also found that emissions were higher for wood burners than for coal. The gasifier cookers had relatively high thermal efficiencies, but the emissions of most air pollutants per energy delivered were not significantly different from the emissions from burning coal in improved cast iron stoves.
The effects of design on combustion were also addressed in the work of Olsson and Kjallstrand [21]. The pellets were burned in different heating appliances, conducting measurements of CO2, CO, CH4, benzene and phenanthrene. Emissions during pellet combustion were found to be dependent on the combustion temperature and type of heating appliance.
Quite recently, a paper by Jolibois et al. [22] was published, where a reduction of up to 35% in nitrogen oxides in the combustion of hard coal, lignite, wood pellets and wood chips was achieved following the use of oscillatory air feeding.

1.3. Secondary Air

The solution tested by the researchers was also to separate the air into primary and secondary. This type of solution has been known for a long time in pulverized coal burners. Also, in the case of pellet and woodchip combustion, the amount of air and its supply has a key impact on the amount of CO. Checking this influence was undertaken by Petrocelli et al. [23]. Their work investigated, among other things, the effect of secondary air on CO. In their study, the area of the secondary air discharge nozzles represented 7% to 20% of the total air discharge area. They found that, in burners with a higher proportion of secondary air, the amount of CO more than doubled, while NOx changed a little.
Contrary to Petrocelli et al. [23], studies by Eskilsson et al. [24] show that the use of air zoning for primary, secondary and tertiary air results in a significant reduction in NOx emissions of approximately 45%.
Also, Wiinikka and Gebarb [25] studied the effect of primary and secondary air on combustion on a laboratory bench. Secondary air was introduced into the reactor about 30 cm above the grate and primary air inlet. During the tests, the amount of air (primary and total) was changed and the flue gas vortex was shaped by the angle of air injection in the secondary zone. Analysis of the results shows that the lower the primary airflow, the lower the CO concentration in the flue gas. The authors also showed that vortexing in the secondary air zone reduces CO. Not all works report a positive effect of primary and secondary air separation on dust emissions. Schulte et al. [26] failed to establish such a correlation. In addition to the studies supporting positive results, one can find the very concepts of a burner with two air zones, primary and secondary, as in the work of Rabby et al. [27].
Sungur and Basarwere [28] experimentally investigated the effect of the position of air holes in the pellet burner. Four burner versions with different air hole distances from the base of the burner were tested, and different amounts of air were applied while burning the same pellet. The research showed that the place of distribution of the air required for combustion has a significant influence on the combustion course. In general, efficiency was a function of the excess air factor λ , highest for λ = 1.7, lowest when λ = 3. The distance of the air holes from the base of the burner influences CO emissions such that a greater distance results in a decrease in CO.
An article by Gehrmann et al. [29] presented a method in which an oscillating supply of secondary air was used in addition to the secondary air, which enabled nitrogen oxides to be reduced by approximately 50% with a good burnout rate.

1.4. Objectives of This Work

In Central and Eastern Europe, boilers with retort burners constitute the largest group of heating devices in residential buildings. The design of the new burner is based on traditional retort burner models, utilizing their components. The geometric dimensions and the fuel feeding system of the burner are similar to those of the retort burner. Unlike traditional burners, which typically use a single combustion air stream, this burner features an integrated system that separates the combustion air into primary and secondary streams within a single housing. This solution is innovative and not widely used. It is assumed that this approach will enable precise control over the combustion process and reduce emissions of combustion products. In the case of positive results, the burner could serve as an alternative to retort burners, of which there are hundreds of thousands already installed in existing boilers and furnaces.
The objective of this work was to design and build a wood pellet burner in which the total air was separated into primary and secondary air, and then to measure emissions. To compare the effect of secondary air on combustion quality, emission tests were performed for a typical retort burner. Burning biomass in the new burner is expected to emit flue gases with significantly less particulate matter and lower CO and NO content.

2. Materials and Methods

2.1. Research Standpoint

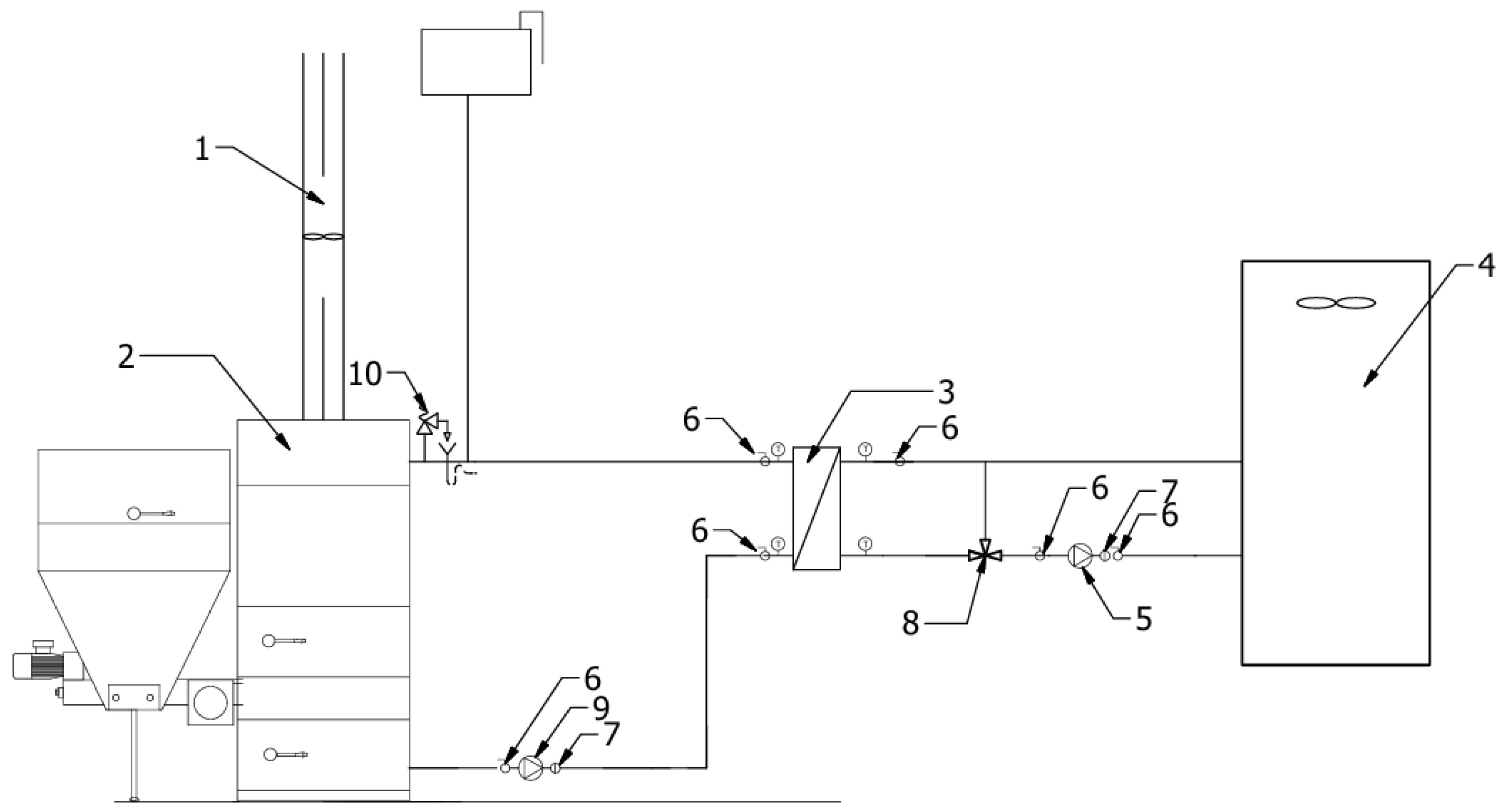
The on-site test laboratory at Klimosz, Pawłowice, Poland was used to test the pyrolytic burner. The laboratory station is adapted for testing low-temperature heating appliances with a capacity of up to 500 kW in accordance with the PN-EN 303-5 [30]. The laboratory is equipped with two independent connection stations, each with separate chimney systems and access to the hot water reception system. Figure 1 shows a schematic diagram of the test bench.
The laboratory is equipped with the necessary apparatus for measuring and recording data of system operating parameters and combustion products of the tested heating appliances. The measurement and recording of hydraulic parameters (flow, delta temperature, power) were carried out using an UltraFlow 54 ultrasonic flow sensor and a MultiCal 603 heat meter by the renowned Kanstrump, Stilling, Denmark. For the recording of emissions products of the combustion, a dedicated line of equipment by Afriso, Güglingen, Germany was used [31]. O2, CO2, CO, NO, λ and flue gas temperature were measured with the Afriso Multilyzer STe analyzer, dust measurements with the Afriso STM 225 device and the vacuum in the exhaust system with a CAPBs device equipped with a pressure-measuring probe. Data recording was conducted in accordance with the information contained in the technical documentation and the user manuals of the aforementioned devices. The measurement error of Afriso devices is 1%. Thermocouples joined with an Apar 207, Raszyn, Poland multi-channel data logger were used to measure the temperature of the fuel bed in the burner and above the furnace. The entire station is controlled and monitored by a computer that is linked to a heat meter, flue gas analyzer and pressure analyzer. This ensures full control over the test process and the ability to record data in real time. Figure 2 shows the mounting points of the probes recording the measured values.
To test the burner, a typical boiler sheet exchanger, in the manufacturer’s stock was used. It has already served as research boiler, featuring an integrated burner, automatic fuel integrated with the burner, automatic fuel supply and automatic control system. The main part of the boiler is a steel heat exchanger made of P265GH [32], a plate with an increased yield strength and inner thickness of 6 mm and outer thickness of 4 mm. The multi-pass heat exchanger is characterized by horizontal flue gas flow channels (Figure 3). The last flue gas flow is a triple row of flames. At the bottom of the exchanger is the combustion chamber, with the test burner mounted through the side wall. The door of the combustion chamber and the inspection door fixed above it are equipped with peepholes for viewing the combustion process in the chamber. The boiler exchanger has 6.4   m 2 of heat transfer surface and a water volume of 171l. Dimensions of the firebox: width—430 mm, height—668 mm, depth—611 mm.

2.2. ISA Burner

The overall design of the ISA burner (Integrated in burner Secondary Air) is shown in Figure 4. It is divided into two main components: the fuel feed system (A) and the burner with a grate and air distribution system (B). The first part of the burner assembly is made up of a geared motor (1) and a feeder tube (2) together with a basket (3), which connects to the hopper, and a feed screw (4). The geared motor (1), consisting of a 0.09 kW motor with a gearbox, is coupled to the feeding screw (4). The connection between these components is a pin (5) made from an M5 screw with hardness grade 8.8 that also acts as an overload protection system. The feeder tube (2) is fitted with a cleanout (6) to enable fuel removal from the fuel tank in case servicing of the appliance is needed. An adjustable steel support maintains stability of the structure. The second part of the assembly consists of the air mixer (7), in which the following elements are embedded: cast iron retort elbow (8), heat-resistant steel grate (9), air duct (10), connecting fan (11) to the air mixer and post-combustion crown (12). The mechanism for separating the air into primary (I) and secondary (II) was housed in the air mixer (7) and constitutes two adjustable apertures. The degree of opening of each aperture is adjusted by inserting or extending the upper and lower links. The pyrolytic combustion grate (9) and the post-combustion crown (12) have holes that are arranged around each element. The grate has three rows of holes, which are located on the upper part of the component. The afterburner section features one row of holes, which are evenly distributed around the upper part of the component.
The design of the gasification–oxidation burner (Figure 5) was guided by the idea of splitting the combustion air into two separate streams: primary air (arrows on the blue background) and secondary air (arrows on the red background), where the amount of each of these streams could be controlled. In addition, the idea of the new burner was based on dividing into two distinct and separate zones, namely the gasification zone for solid fuel and the oxidation zone for gaseous products. Primary air is fed into the gasification zone (g), where pyrolysis and gasification of the pellets takes place. Secondary air flows through a separate duct located above the primary air duct. The secondary air duct forms a ring/crown above the gasification zone from which the secondary air flows. This air combines with the gas stream generated in the gasification zone to form the gas product combustion zone (c). Between the gasification zone (g) and the combustion zone (c) is a heat buffer (b) colored in gray, where air access to the combustible gases formed in the gasification zone is restricted.

2.3. Research Methodology

The main focus of this study was to compare the performance of an ISA-type burner equipped with a secondary air lace with a traditional retort burner. The ISA burner was prepared in two variants. In the first variant, the distance between the secondary air crown and the fuel bed was 69 mm, while, in the second, it was 24 mm. To determine the efficiency of these two ISA burners, a comparative study of a conventional retort burner was carried out. For the purposes of this publication, in the remainder of this article, the individual ISA burner variants are described by their respective letter abbreviations: for a distance of 69 mm, HCrown, for 24 mm, LCrown, and for the configuration with the retort burner, Ret. Schematics of the aforementioned configurations are shown in Figure 6. All tests were performed on the same exchanger, maintaining similar operating parameters. The Klimosz Komfort automatic boiler controller was responsible for controlling the boiler.
Before testing, the boiler with the burner and water system was warmed up until it reached a steady state. The burner’s operating parameters were fuel feed time, pause time and fan power, as shown in Table 1. The pumped combustion fuel output was 3.9 kg/h, which in turn translated into a boiler output in the range of 17.5–18.5 kW. The water flow rate in the system and the settings of the heating medium cooling system were determined empirically and according to the experience of the laboratory technicians and the procedures adopted in the laboratory. During the course of the test, constant monitoring of the measuring equipment and burner operation was carried out through the inspection glass in the door. The work was carried out in such a way as to avoid all interruptions or disruptions not directly related to the combustion and boiler operation. The dust and flue gas analyzers were installed at a distance of 1 m behind the boiler flue on the vertical flue Figure 2. Two thermocouples (the lower one, above the grate, and the upper one, above the afterburner pipe) were placed in the measuring holes in the ash pan door and at a depth guaranteeing measurement in the flame core. Once the measurements were completed, the data were recorded in the measuring device. The results of the recorded emissions presented were converted to 10% oxygen in the flue gas.
The tests used certified A1 grade conifer pellets produced in accordance with EN ISO 17225-2 [33]. The analysis was carried out in accordance with the applicable standards at the accredited laboratory CLB-P. Sp. z o.o., accreditation number AB 300. The parameters of the pellet used are shown in Table 2.

3. Results

During the tests, which lasted about six hours in each case, the burner received an identical amount of fuel and the air fans were set to the same speed (Table 1). However, differences in the resistance to airflow through the burner resulted in different amounts of air supplied to each burner. The excess air ratio, which expresses the ratio between the amount of air supplied and the theoretical air needed to burn the λ fuel for the HCrown, LCrown and Ret burners, is shown in Table 3.
These data show that combustion in HCrown and Ret was at a higher airflow than in the LCrown burner. The Ret burner shows a much higher variation in λ , as shown by a standard deviation of s λ = 0.12 compared to s λ = 0.08 for HCrown. This indicates greater instability in the combustion or greater variation in flow resistance. The LCrown burner has λ ¯ = 1.61 and the smallest standard deviation of s λ = 0.065, suggesting a more stable combustion with less excess air than the other two burners.
The combustion characteristics and dynamics of the flue gas flow can be captured by photography, which, although it only shows a momentary image of the flame, is a useful tool for assessing burner performance. Photography performs the function of evaluating combustion particularly well when different burners are juxtaposed. In the literature on combustion, there are many studies analyzing various aspects of flames, including their structure, stability, emissions and impact on the combustion process [34]. Flame stability is a key aspect of combustion efficiency. Stable flames are less prone to extinction and oscillations, which is crucial for maintaining consistent combustion. Research shows that the burner design, as well as the type of fuel–air mixture, affects flame stability. Differences in the mixing of fuel with air can lead to varying flame characteristics [35]. Figure 7 shows side-by-side photographs of the HCrown, LCrown and Ret burners in operation. The visual analysis of the flame takes into account the shape, size, color and structure of the flame, which can indicate combustion characteristics. In Figure 7A, the flame of the HCrown burner in the buffer zone of the division is visible. It is tall, has a yellow, bright color and consists of individual laminar flames. Flame glow can be seen particularly close to the edge of the secondary air crown. Figure 7B shows the outflow of gases from the gasification zone in the LCrown burner and the flame above the secondary air crown. In the buffer zone, the gases in the LCrown burner are more transparent, with no bright, glowing flames. In addition, the gas flow in this zone appears to be more laminar than in the HCrown burner. Above the secondary air crown, the flame is very bright and glowing, which may indicate high temperatures and combustion reactions. The third and final Ret burner is shown in Figure 7C, which shows a flame composed of multiple flames, the picture creating an impression of a dynamic and turbulent process, indicating intense mixing and combustion.
During the experiments, temperature measurements were taken just above the gasification zone T g and above the combustion zone T c for the HCrown and LCrown burners. The results of the measurements are shown in Table 4.
Based on the photos of the HCrown and LCrown burners and the measured temperatures, it can be said that the conditions in the buffer zone (b) of the two burners are not significantly different. The average temperatures T g and the standard deviations of the temperatures in this zone are similar. In the combustion zone (c), the T c temperatures and temperature standard deviations differ more than in the buffer zone. The relatively low standard deviation of the HCrown temperature ( s T c = 28 ° C ) suggests that the combustion is stable over time, with only minor temperature fluctuations in the combustion zone. The higher standard deviation of the LCrown ( s T c = 36.5 ° C ) temperature compared to the HCrown burner suggests that the combustion may be less stable or subject to greater fluctuations. Compared to the ISA burner, the Ret retort burner is characterized by a very dynamic and irregular flame with many swirls. The structure of this flame is the most chaotic of the three, with visible turbulence structures.
Figure 8 shows the CO concentration over a one-hour period for all three burners. The one-hour timeframe was chosen to prevent the image from being overloaded with information. This graph clearly shows significant variation in CO concentrations and fluctuations for each of these burners. Table 5 shows the average CO concentration levels and standard deviations. A lower standard deviation suggests that CO concentrations are closer to the average while a high standard deviation indicates that the concentration is dispersed widely around the mean. The HCrown burner has an average CO concentration of 267 ppm and a standard deviation of 63 ppm. LCrown has the lowest average CO emission concentration at 100 ppm and the lowest CO standard deviation of 54 ppm. This indicates not only good combustion but also stable operation of LCrown. The Ret burner has the highest average CO concentration at 378 ppm and a high CO standard deviation of 152 ppm, meaning that its CO emissions are not only higher on average but also more variable. In summary, the ISA burner’s LCrown version emits 74% less CO than the Ret burner.
The Figure 9 graph displays NO profiles, while Table 5 provides average values and standard NO deviations. The average NO concentration for the HCrown burner is 63 ppm, with a standard deviation of 1.6 ppm. This graph shows a stable and minimally variable NO trend. The average NO value for LCrown is slightly higher at 64 ppm, but the standard deviation is nearly twice as high, reaching 2.9 ppm. A larger standard deviation indicates greater variability in NO emissions compared to HCrown, although it is still not a high level of fluctuation. The graph illustrates that values for LCrown are more variable than for HCrown. The Ret burner has the highest average NO concentration at 71 ppm, with a standard deviation of 4.5 ppm, which is the highest among the presented burners. The relatively high standard deviation indicates significant irregularity in emissions, suggesting that this burner operates the least steadily. The NO line corresponding to the Ret burner fluctuates much more than for the other burners, confirming greater variability in emissions.
Table 5 shows the results of particulate matter (PM) emissions from the combustion of biomass pellets in two ISA HCrown and LCrown burners and a Ret burner. These results show that the HCrown burner has the highest particulate emissions, reaching 61 mg/m3. The LCrown burner has lower emissions, at 32 mg/m3, while the Ret is between the other two, with emissions of 49.5 mg/m3. From these data, it can be concluded that the HCrown burner is the least efficient in terms of particulate emissions while LCrown is the most efficient of the burners tested. The Ret burner occupies an intermediate position. The particulate emissions of the LCrown burner are 18 mg/ m3 lower than those of the Ret burner. This means that the LCrown burner has approximately 36% lower particulate emissions compared to the Ret burner. This shows that the LCrown burner is significantly better at reducing particulate emissions than the Ret burner.

4. Conclusions

The delivery of secondary air significantly influences the course and efficiency of the combustion. Adding a secondary air channel to the burner stabilizes combustion and significantly reduces carbon monoxide emissions. Conducted studies have shown that CO emissions for the LCrown burner were approximately 74% lower, from 378 ppm to 100 ppm, and, for the HCrown burner, almost 30% lower, from 378 ppm to 267 ppm, compared to the burner without air division (Ret burner). Recorded nitrogen oxide and particulate matter emissions also showed lower concentrations for the LCrown and HCrown burners. The obtained NO results were 10% lower, from 74 ppm to 63 ppm and 64 ppm, than those of the retort burner. Additionally, dust emissions in the LCrown burner were almost 36% lower, from 49.5 mg/m3 to 32 mg/m3, compared to the Ret burner. The smallest standard deviation of the excess air ratio for the LCrown suggests a more stable combustion in this burner compared to the HCrown and Ret burner, where particularly the Ret burner showed significant variability, which may indicate less efficient combustion. Managing the combustion process by controlling primary and secondary air can significantly reduce the emission of harmful substances.
The ISA burner, originally developed for biomass applications, has demonstrated its adaptability and environmental advantages through tests with various fuels [36]. These tests have consistently shown that the ISA burner achieves lower emissions in comparison to conventional retort burners. This characteristic underscores its versatility and potential as a superior alternative for existing burners in boilers.
By integrating the ISA burner into boilers, there are notable improvements in combustion quality and efficiency. This translates to reduced emissions of harmful compounds during operation, addressing environmental concerns effectively. Therefore, the ISA burner not only enhances operational efficiency but also aligns with sustainability goals by minimizing the environmental impact associated with combustion.
In further research, optimization of the primary and secondary air distribution for other types of fuels will be carried out. It will also be crucial to investigate the impact of various operating parameters, such as temperature and fuel moisture, on combustion quality and emissions of harmful substances. Analyses and computer simulations will be conducted using CAE and CFD environments.

5. Patents

The innovative biomass burner, detailed in Chapter 3 of this article, is the subject of a patent application submitted to the Patent Office of the Republic of Poland under the number P.448739 on 31 May 2024. The subject of the invention is a burner that generates the process of pyrolysis and combustion of the produced gas from solid fuel, comprising an air nozzle, a channel, nozzles and a primary air shutter, as well as a secondary air shutter, which have movable actuators. Moreover, the invention also concerns a method for burning shredded solid fuel using the pyrolytic burner.

Author Contributions

Conceptualization, D.K., M.W., S.P. and P.K.; methodology, M.W., D.K. and S.P.; validation, D.K., P.K. and M.W.; formal analysis, D.K. and M.W.; investigation, M.W. and S.P.; resources, M.W. and S.P.; data curation, M.W.; writing—original draft preparation, D.K. and M.W.; writing—review and editing, D.K. and M.W.; visualization, M.W., S.P. and D.K.; supervision, P.K.; project administration, P.K.; funding acquisition, P.K. All authors have read and agreed to the published version of the manuscript.

Funding

This research was funded by the Polish Ministry of Education and Science in the frame of program entitled “Implementation Doctorate”—DWD/6/0429/2022.

Data Availability Statement

The original contributions presented in the study are included in the article, further inquiries can be directed to the corresponding author.

Conflicts of Interest

The authors declare no conflict of interest.

Abbreviations and Symbols

s C O Standard deviation of carbon monoxide
s N O Standard deviation of nitrogen oxides
L H V Net calorific value
I S A Burner: Integrated in burner Secondary Air
s P M Standard deviation of particulate matter
λ Air-to-fuel ratio
s λ Standard deviation of air-to-fuel ratio
T g Gasification zone temperature
s T g Standard deviation of temperature gasification zone
T c Combustion zone temperature
s T c Standard deviation of temperature combustion zone
H C r o w n High secondary air nozzle, 69 mm between fuel bed and air nozzle
L C r o w n Low secondary air nozzle, 24 mm between fuel bed and air nozzle
R e t Retort burner

References

  1. Available online: https://www.gov.pl/web/gios/ocena-jakosci-powietrza-w-polsce-w-2022-roku–raport-gios (accessed on 29 August 2024).
  2. Kowalska, F. Air pollution is a significant threat to the health of residents of Polish towns. Pismo Nauk. Stud. Doktorantów WNPiD UAM 2020, 71–84. (In Polish) [Google Scholar] [CrossRef]
  3. Pawlak-Kruczek, H.; Arora, A.; Mościcki, K.; Krochmalny, K.; Sharma, S.; Niedzwiecki, L. A transition of a domestic boiler from coal to biomass—Emissions from combustion of raw and torrefied Palm Kernel shells (PKS). Fuel 2020, 263, 116718. [Google Scholar] [CrossRef]
  4. Vitoussia, T.; Leyssens, G.; Trouvé, G.; Brillard, A.; Kemajou, A.; Njeugna, E.; Brilhac, J.F. Analysis of the combustion of pellets made with three Cameroonian biomass in a domestic pellet stove. Fuel 2020, 276, 118105. [Google Scholar] [CrossRef]
  5. Tucki, K.; Orynycz, O.; Wasiak, A.; Śwíc, A.; Wichłacz, J. The impact of fuel type on the output parameters of a new biofuel burner. Energies 2019, 12, 1383. [Google Scholar] [CrossRef]
  6. Konieczna, A.; Mazur, K.; Koniuszy, A.; Gawlik, A.; Sikorski, I. Thermal Energy and Exhaust Emissions of a Gasifier Stove Feeding Pine and Hemp Pellets. Energies 2022, 15, 9458. [Google Scholar] [CrossRef]
  7. Trnka, J.; Holubcik, M.; Cajova Kantova, N.; Jandacka, J. Energy performance of a rotary burner using pellets prepared from various alternative biomass residues. BioResources 2021, 2020, 6737–6749. [Google Scholar] [CrossRef]
  8. Tissari, J.; Sippula, O.; Kouki, J.; Vuorio, K.; Jokiniemi, J. Fine particle and gas emissions from the combustion of agricultural fuels fired in a 20 kW burner. Energy Fuels 2008, 22, 2033–2042. [Google Scholar] [CrossRef]
  9. Shen, G.; Xue, M. Comparison of carbon monoxide and particulate matter emissions from residential burnings of pelletized biofuels and traditional solid fuels. Energy Fuels 2014, 28, 3933–3939. [Google Scholar] [CrossRef]
  10. Khalsa, J.H.A.; Döhling, F.; Berger, F. Foliage and Grass as Fuel Pellets-Small Scale Combustion of Washed and Mechanically Leached Biomass. Energies 2016, 9, 361. [Google Scholar] [CrossRef]
  11. Tucki, K.; Orynycz, O.; Wasiak, A.; Swic, A.; Mieszkalski, L.; Wichlacz, J. Low emissions resulting from combustion of forest biomass in a small scale heating device. Energies 2020, 13, 5495. [Google Scholar] [CrossRef]
  12. Lasek, J.A.; Matuszek, K.; Hrycko, P.; Głód, K.; Li, Y.H. The combustion of torrefied biomass in commercial-scale domestic boilers. Renew. Energy 2023, 216, 119065. [Google Scholar] [CrossRef]
  13. Ciupek, B.; Judt, W.; Urbaniak, R.; Kłosowiak, R. The emission of carbon monoxide and nitrogen oxides from boilers supplied by a pellet under the influence of changes in the air-fuel equivalence ratio. J. Ecol. Eng. 2019, 20, 34–38. [Google Scholar] [CrossRef] [PubMed]
  14. Jia, G.; Li, L.; Zhang, D. Effect Analysis on Combustion and Emission Characteristics of a Rotary Burner Fueled by Biomass Pellet Fuel. J. Chem. 2020, 2020, 3618382. [Google Scholar] [CrossRef]
  15. Ahn, J.; Kim, H.J. Combustion process of a Korean wood pellet at a low temperature. Renew. Energy 2020, 145, 391–398. [Google Scholar] [CrossRef]
  16. Ozgen, S.; Caserini, S.; Galante, S.; Giugliano, M.; Angelino, E.; Marongiu, A.; Hugony, F.; Migliavacca, G.; Morreale, C. Emission factors from small scale appliances burning wood and pellets. Atmos. Environ. 2014, 94, 144–153. [Google Scholar] [CrossRef]
  17. Kirsanovs, V.; Žandeckis, A.; Veidenbergs, I.; Blumbergs, I.; Gedrovičs, M.; Blumberga, D. Experimental study on the optimisation burning process in the small scale pellet boiler by air supply improvement. Agron. Res. 2014, 12, 499–510. [Google Scholar]
  18. Polonini, L.F.; Petrocelli, D.; Lezzi, A.M. The Effect of Flue Gas Recirculation on CO, PM and NOx Emissions in Pellet Stove Combustion. Energies 2023, 16, 954. [Google Scholar] [CrossRef]
  19. Wantula, M.; Kardas, D. Biomass boiler emission reduction with the use of ceramic filters ceramic filters. In Proceedings of the XXV Jubilee Congress of Thermodynamicists 2023, Gdańsk, Poland, 11–14 September 2023. [Google Scholar]
  20. Shen, G.; Chen, Y.; Xue, C.; Lin, N.; Huang, Y.; Shen, H.; Wang, Y.; Li, T.; Zhang, Y.; Su, S.; et al. Pollutant emissions from improved coal- and wood-fuelled cookstoves in rural households. Environ. Sci. Technol. 2015, 49, 6590–6598. [Google Scholar] [CrossRef]
  21. Olsson, M.; Kjällstrand, J. Emissions from burning of softwood pellets. Biomass Bioenergy 2004, 27, 607–611. [Google Scholar] [CrossRef]
  22. Jolibois, N.; Gehrmann, H.J.; Aleksandrov, K.; Hauser, M.; Stapf, D.; Jäger, B.; Wirtz, S.; Scherer, V.; Pollmeier, G.; Danz, P.; et al. Oscillating combustion of different fuel types for NOX reduction in grate furnaces and coal burners. Fuel 2023, 340, 127504. [Google Scholar] [CrossRef]
  23. Petrocelli, D.; Lezzi, A.M. CO and NO emissions from pellet stoves: An experimental study. J. Physics: Conf. Ser. 2014, 501, 012036. [Google Scholar] [CrossRef]
  24. Eskilsson, D.; Rönnbäck, M.; Samuelsson, J.; Tullin, C. Optimisation of efficiency and emissions in pellet burners. Biomass Bioenergy 2004, 27, 541–546. [Google Scholar] [CrossRef]
  25. Wiinikka, H.; Gebart, R. Experimental investigations of the influence from different operating conditions on the particle emissions from a small-scale pellets combustor. Biomass Bioenergy 2004, 27, 645–652. [Google Scholar] [CrossRef]
  26. Schulte, S.; Heinzle, J.; Groß, B. Reduction of Particulate Matter Emissions from a Pellet Boiler Using Primary Measures. Chem. Eng. Technol. 2020, 43, 1506–1513. [Google Scholar] [CrossRef]
  27. Rabby, M.I.I.; Uddin, M.W.; Sheikh, M.R.; Bhuiyan, H.K.; Mumu, T.A.; Islam, F.; Sultana, A. Thermal performance of gasifier cooking stoves: A systematic literature review. F1000Research 2023, 12, 38. [Google Scholar] [CrossRef]
  28. Sungur, B.; Basar, C. Experimental investigation of the effect of supply airflow position, excess air ratio and thermal power input at burner pot on the thermal and emission performances in a pellet stove. Renew. Energy 2023, 202, 1248–1258. [Google Scholar] [CrossRef]
  29. Gehrmann, H.J.; Jaeger, B.; Wirtz, S.; Scherer, V.; Aleksandrov, K.; Hauser, M.; Stapf, D.; Pollmeier, G.; Danz, P. Oscillating combustion—primary measure to reduce nitrogen oxide in a grate furnace–experiments and simulations. Processes 2021, 9, 2210. [Google Scholar] [CrossRef]
  30. PN-EN 303-5:2021; Heating Boilers—Part 5: Heating Boilers for Solid Fuels, Manually and Automatically Stoked, Nominal Heat Output of up to 500 kW—Terminology, Requirements, Testing and Marking. Polish Committee of Standardization: Warsaw, Poland, 2021.
  31. Available online: https://www.afriso.com/en/PM/Portable-measuring-instruments/Flue-gas-analysis (accessed on 29 August 2024).
  32. PN-EN 10028-3:2017-09; Flat Products Made of Steels for Pressure Purposes. Part 3: Weldable Fine Steels Normalized. Polish Committee of Standardization: Warsaw, Poland, 2017.
  33. PN-EN ISO 17225-2:2014-07; Solid Biofuels—Fuel Specifications and Classes—Part 2: Graded Wood Pellets. European Standard: Warsaw, Poland, 2014.
  34. Golec, T.; Remiszewski, K.; Świątkowski, B.; Błesznowski, M. Palniki pyłowe na biomasę. Energetyka 2007, 5, 375–382. [Google Scholar]
  35. Turns, S.R. An Introduction to Combustion: Concepts and Applications, 3rd ed.; McGraw-Hill: New York, NY, USA, 2012. [Google Scholar]
  36. Wantula, M.; Pieter, S.; Kardas, D. Comparison of pea coal combustion in a novel burner with separated primary and secondary air with combustion in a typical retort burner. In Proceedings of the 8 th International Conference on Contemporary Problems of Thermal Engineering, Gliwice, Poland, 23–26 September 2024. [Google Scholar]
Figure 1. Concept diagram of the test bench. 1. Chimney with draft regulator and exhaust fan; 2. Boiler; 3. Hydraulic coupling; 4. Fan water cooler; 5. Short circuit cooler pump; 6. Shut-off valve; 7. Non-return valve; 8. 3-way mixing valve; 9. System circulation pump; 10. Safety valve.
Figure 1. Concept diagram of the test bench. 1. Chimney with draft regulator and exhaust fan; 2. Boiler; 3. Hydraulic coupling; 4. Fan water cooler; 5. Short circuit cooler pump; 6. Shut-off valve; 7. Non-return valve; 8. 3-way mixing valve; 9. System circulation pump; 10. Safety valve.
Energies 17 04648 g001
Figure 2. 1. Chimney system; 2. Boiler; A. Dust measurement port; B. Emission measurement port; C. Flue system pressure measurement hole; D, F. Thermocouple mounting holes; E, G. Inspection glass.
Figure 2. 1. Chimney system; 2. Boiler; A. Dust measurement port; B. Emission measurement port; C. Flue system pressure measurement hole; D, F. Thermocouple mounting holes; E, G. Inspection glass.
Energies 17 04648 g002
Figure 3. View and cross-section of the boiler with flue gas flow marked.
Figure 3. View and cross-section of the boiler with flue gas flow marked.
Energies 17 04648 g003
Figure 4. Cross-section of an ISA burner with air distribution into primary (blue) and secondary (red), as marked. Underneath is a view of an ISA burner with feeding system.
Figure 4. Cross-section of an ISA burner with air distribution into primary (blue) and secondary (red), as marked. Underneath is a view of an ISA burner with feeding system.
Energies 17 04648 g004
Figure 5. Gasification zone (g), buffer zone (b) and combustion zone (c) in the ISA burner.
Figure 5. Gasification zone (g), buffer zone (b) and combustion zone (c) in the ISA burner.
Energies 17 04648 g005
Figure 6. Concept diagram of the burner configurations used in the testing. (A). Crown distance 69 mm (HCrown); (B). Crown distance 24 mm (LCrown); (C). Retort burner (Ret).
Figure 6. Concept diagram of the burner configurations used in the testing. (A). Crown distance 69 mm (HCrown); (B). Crown distance 24 mm (LCrown); (C). Retort burner (Ret).
Energies 17 04648 g006
Figure 7. Comparison of flames in HCrown, LCrown and Ret burners during biomass pellet combustion. (A). HCrown, (B). LCrown, (C). Ret.
Figure 7. Comparison of flames in HCrown, LCrown and Ret burners during biomass pellet combustion. (A). HCrown, (B). LCrown, (C). Ret.
Energies 17 04648 g007
Figure 8. Comparison of CO content in exhaust gases over time for burners HCrown (blue), LCrown (red) and Ret (black) in the process of burning wood biomass pellets.
Figure 8. Comparison of CO content in exhaust gases over time for burners HCrown (blue), LCrown (red) and Ret (black) in the process of burning wood biomass pellets.
Energies 17 04648 g008
Figure 9. Comparison of NO content in exhaust gases for three different burners, HCrown (blue), LCrown (red) and Ret (black), in the process of burning wood biomass pellets.
Figure 9. Comparison of NO content in exhaust gases for three different burners, HCrown (blue), LCrown (red) and Ret (black), in the process of burning wood biomass pellets.
Energies 17 04648 g009
Table 1. Settings of the Klimosz Komfort controller.
Table 1. Settings of the Klimosz Komfort controller.
ParameterHCrownLCrownRet
Feeder work1 s1 s1 s
Feeder break5 s5 s5 s
Fan power33%33%33%
Table 2. Physical and chemical parameters of the fuel.
Table 2. Physical and chemical parameters of the fuel.
ParametersUnitsValues
Moisture%7.2
C%49.79
H%6.25
N%43.96
LHVkJ/kg17,150
Table 3. Mean value lambda ( λ ) and standard deviation ( s λ ) of the excess air ratio for the burners tested.
Table 3. Mean value lambda ( λ ) and standard deviation ( s λ ) of the excess air ratio for the burners tested.
ParametersHCrownLCrownRet
λ 1.911.611.92
s λ 0.080.0650.122
Table 4. Average temperature T and standard deviation s T for ISA burners.
Table 4. Average temperature T and standard deviation s T for ISA burners.
TemperatureHCrownLCrown
T g , ° C 738759
s T g , ° C 19.918
T c , ° C 946876
s T c , ° C 2836.5
Table 5. Emission of CO, NO and PM.
Table 5. Emission of CO, NO and PM.
ParametersHCrownLCrownRet
CO, ppm267100378
s C O , ppm6354152
NO, ppm636471
s N O , ppm1.62.94.5
PM, mg m−3613249.5
s P M , mg m−31415.5
Disclaimer/Publisher’s Note: The statements, opinions and data contained in all publications are solely those of the individual author(s) and contributor(s) and not of MDPI and/or the editor(s). MDPI and/or the editor(s) disclaim responsibility for any injury to people or property resulting from any ideas, methods, instructions or products referred to in the content.

Share and Cite

MDPI and ACS Style

Kardaś, D.; Wantuła, M.; Pieter, S.; Kazimierski, P. Effect of Separating Air into Primary and Secondary in an Integrated Burner Housing on Biomass Combustion. Energies 2024, 17, 4648. https://doi.org/10.3390/en17184648

AMA Style

Kardaś D, Wantuła M, Pieter S, Kazimierski P. Effect of Separating Air into Primary and Secondary in an Integrated Burner Housing on Biomass Combustion. Energies. 2024; 17(18):4648. https://doi.org/10.3390/en17184648

Chicago/Turabian Style

Kardaś, Dariusz, Michał Wantuła, Szymon Pieter, and Paweł Kazimierski. 2024. "Effect of Separating Air into Primary and Secondary in an Integrated Burner Housing on Biomass Combustion" Energies 17, no. 18: 4648. https://doi.org/10.3390/en17184648

APA Style

Kardaś, D., Wantuła, M., Pieter, S., & Kazimierski, P. (2024). Effect of Separating Air into Primary and Secondary in an Integrated Burner Housing on Biomass Combustion. Energies, 17(18), 4648. https://doi.org/10.3390/en17184648

Note that from the first issue of 2016, this journal uses article numbers instead of page numbers. See further details here.

Article Metrics

Back to TopTop