Next Article in Journal
Diagnosing Energy Poverty in Portugal through the Lens of a Social Survey
Previous Article in Journal
Investigating the Effect of 2-Ethylhexyl Nitrate Cetane Improver (2-EHN) on the Autoignition Characteristics of a 1-Butanol–Diesel Blend
 
 
Font Type:
Arial Georgia Verdana
Font Size:
Aa Aa Aa
Line Spacing:
Column Width:
Background:
Article

Improved Control Technique for Enhancing Power System Stability in Out-of-Step Conditions

by
Nande Fose
1,*,
Senthil Krishnamurthy
1 and
Prathaban Moodley
2
1
Department of Electrical, Electronics and Computer Engineering, Cape Peninsula University of Technology, P.O. BOX 1906, Bellville 7535, South Africa
2
South African National Energy Development Institute (SANEDI), Upper Grayston Office Park, Sandton 2146, South Africa
*
Author to whom correspondence should be addressed.
Energies 2024, 17(16), 4086; https://doi.org/10.3390/en17164086
Submission received: 20 June 2024 / Revised: 5 August 2024 / Accepted: 13 August 2024 / Published: 16 August 2024
(This article belongs to the Topic Power System Protection)

Abstract

From time to time, a series of unpredictable and conflicting contingencies can lead to angular instability of the power system and even blackouts if not adequately handled by an out-of-step (OOS) protection system. The key contribution of this research work, to the theory of out-of-step protection, is the identification and isolation after a given disruption of many unstable swings. This paper presents a proposed method to avoid false operation for distance function by out-of-step blocking to improve the system stability by using optimally placed PMUs for the fast detection of system analogue quantities. The studies were performed on a modified Eskom transmission network in the Western Cape with 765 kV and 400 kV voltage levels. The aim is to investigate the IEC 61850-90-5 standard for predictive dynamic stability maintaining systems using PMUs for out-of-step conditions of synchronous generators. The power system modelling and simulation are performed in the RSCAD-FX for the proposed multi-area power system network. An experimental lab-scale implementation is built to test the proposed out-of-step algorithm in a real-time digital simulator. Software-based PMU is incorporated to test and validate the IEC 61850-90-5 standard sampled values. Simulation and experimental results are presented.

1. Introduction

The power system is often subject to numerous disruptions during steady-state activity, which leads to voltage instability. System engineers and developers are trying to develop the most robust power system structure capable of dealing with all potential contingencies. There is, however, a slight risk of contingencies where an unexpected scenario of complex events can contribute to power system instability. As an out-of-step regime, angular instability is one of the most dangerous states of instability in the power structure. Due to the limited capacity of the transmission lines, the short circuits, and the lack of generation, the generated power cannot be successfully transmitted to the load. Then, some parts of the power system generator continue to operate asynchronously with the remaining part of the system in response to the generation/load imbalance.
The out-of-step condition cannot be sustained for a long duration as it may pose a negative impact on the power system equipment and its integrity. The last resort to prevent a potential power grid from failing is the regulated blackouts of the network into many electrically separated islands. The goal of this division is to try to maintain the balance within each island [1]. At their inception, power systems were designed to transmit power to places geographically close to generation stations. This feature made power systems very stable, which means that power systems worked well beyond their stability limits. A small or significant disruption would not disrupt the system, nor would the ability to produce power be affected. As the use of electrical power became more widespread in the early twentieth century, the need to transmit power over long distances became inevitable. This, along with the rise in network size, has changed the way power systems are run. Power grids are now being forced to run closer to their reliability limits. The higher the energy demand, the higher the increase in production, and the lack of new transmission lines has caused the system to hit stressed conditions more frequently and the system to collapse [2].
Government agencies have imposed restrictions on power utilities and system operators to comply with regulations that seek to guarantee the reliable operation of the bulk power system. This is one of the reasons why, in recent years, the control and security of the network have become an important area of research. New and more precise protection philosophies and operational guidance are being applied around the grid with the development and implementation of phasor measurement units (PMUs). The concept of a phasor synchronized with the power system was introduced in the 1980s and standardized for the first time in 1995 with the IEEE 1344 standard (Martin, 2011) [3]. In 2011, as a result of joint work between IEEE and IEC, IEEE Standard C37.117-2007 [4] was split into two parts, IEEE C37.118.1 [5]: the structured way of calculating the synchrophasor and IEEE C37.118.2 [6]: the data transfer criteria stated. The establishment of this task force marked the formal beginning of the IEC TR 61850-90-5 [7] production, which was first published in 2012.
The generator rotor speed has a significant contribution to the apparent power supplied by the synchronous machine to the power system. Its function is to dive and accelerate the electrical torque which in turn produces the electrical power. When a pole slipping occurs in the generator, the machine will fall out of synchronism with the rest of the power system and the rotor will be purely driven by mechanical power; as the rotor speed increases, the rotor angle also mis-aligns. Thus, the study of the electromechanical oscillations inherent in the power system is referred to as rotor angle stability. The key question to be answered is how the rotor angle varies in response to a change in power output because, under normal stable operation, the rotor angle does not change:
  • The network’s synchronous machines all run at 2πf electrical speed.
  • The phase angle between all machines’ internal electromagnetic forces is constant, hence the term synchronism.
  • All mechanical and electromagnetic torques operating on the spinning masses of the synchronous machine are equal.
The primary considerations in rotor angle stability studies are to ensure that synchronous generators are in synchronism, that all generators’ electrical speeds are similar, and that appropriate damping is available if oscillation occurs. The rotor speed is investigated to see if there is an imbalance between the mechanical and electromagnetic torques. An imbalance is common in the event of a disturbance and, if not resolved promptly, might cause the synchronous machine to overspeed. When a disturbance is present, oscillation can be reduced by reducing active power generation, providing dynamic brake resistance when the power supply is abundant, or shedding a load when the power supply is scarce [8].
As briefly covered above, dynamic resistance braking, excitation, fast valving (i.e., reducing the mechanical torque as quickly as possible), a power system stabilizer, generation tripping, and load shedding are some of the control techniques needed to stabilize a power system for transient or small-signal stability [8].
It is possible to see a decrease in synchronizing torque, which causes the machine to move out of step, as well as a decrease in damping torque, which might result in expanding oscillations, during small-signal stability events.
  • Large (disturbance rotor angle stability or transient angle stability): 3 to 5 s following the disruption. What is noticeable during these events is that voltage-sensitive consumers may be impacted by generators that desynchronize and huge angle swings that cause voltage dips.
Power swing detection approaches rely on the observation that the alteration in apparent impedance, as seen by the relay during a power swing, is gradual in comparison to the abrupt shift that occurs when a fault occurs in the system. Historically, power swings have been detected using traditional methods such as double blinders, concentric polygons, or concentric circles [9,10]. Figure 1 is an instance of an out-of-step element employing concentric polygons.
The (IEEE Power System Relaying Committee, 2005) [11] reports that, in many applications, the necessary settings for the power swing blocking (PSB) and out-of-step tripping (OST) elements could be difficult to calculate. To calculate the fastest rate of potential power swings, detailed stability studies with various operating conditions must be conducted for these applications. Actually, some transmission line relays may operate for stable power swings for which the system should recover and remain stable. The committee complicates matters further when it writes that, during OOS conditions, instantaneous phase-overcurrent relays can operate if the line current during the swing exceeds the relay’s threshold setting. Likewise, the ones with directional elements will operate if the swings surpass pickup and polarizing voltage settings; however, the time-delayed ones are less likely to operate, although this is dependent on the time-delay setting of the relay and the current magnitudes of the swings.
The working group emphasizes that impedance relays respond only to positive-sequence quantities. During an OOS condition, the positive-sequence impedance seen at a line terminal changes as a function of the phase angle d, amongst the two equivalent system sources. The distance relay elements most vulnerable to trip during a power swing would be Zone 1 distance relay elements, with no deliberate time delay; therefore, the use of concentric characteristic schemes may help prevent such maloperations as these schemes are capable of detecting and checking the power swing condition before any of the impedance tripping zones is entered which permits the tripping elements to block if desired. However, on heavy-loaded transmission lines, this concept may have a drawback due to load encroachment as this will limit the reach of higher impedance zones.
When utilizing the impedance-based approach, the lowest recorded impedance value seen throughout the swinging phase can be employed to ascertain the electrical swing centre during oscillations. If the measured impedance remains within the specified range for a predetermined duration, an out-of-step condition is identified, and the distance elements are deactivated [12]. The out-of-step blocking (OSB) element is commonly assigned the ANSI device number 68. Out-of-step tripping (OST) techniques are implemented to safeguard the power system in the event of unstable power swing situations by initiating separation at pre-set ideal points. The OST element is commonly assigned the ANSI device number 78. The conventional approach for detecting out-of-step tripping (OST) involves the employment of a trip duration timer. This timer must reach its expiration point before the block duration timer, precisely when the impedance exceeds the inner characteristic (Appendix A). However, this technique is susceptible to network reconfiguration and changes in load or generation, as it requires specific settings. These settings should be computed offline, as their calculation necessitates extensive system studies and cannot accommodate real-time changes in the network [9].
Various OOS detection methods have been proposed in the literature. Table 1 provides a concise overview of the current strategies employed in the industry and suggested techniques found in the literature for reliably identifying an out-of-step (OOS) state. Also, the benefits and specific constraints of the methodologies are emphasized. The local measurement detection systems have the option to utilize various monitoring techniques, such as angle-based algorithms, V cos algorithm, energy function-based methods, integration of the differential protection technology, distance algorithms, pulsation detection, identification of the presence of multiple frequencies, and utilization of artificial intelligence [13].
In an earlier study, [23] explored new adaptive OOS detection through neural network techniques using a stochastic backpropagation training algorithm. The principle used prediction from various line outages whereby sample values are computed to obtain ideal discrimination results simulated at five different stages to enhance the response of the relay under varying network conditions. The author further acknowledges that there are many benefits of using neural networks for OOS prediction known to literature, as the schemes provide a capability to trigger early isolation for non-recoverable swings while avoiding tripping for recoverable ones. The researchers insist that, for certain cases, the algorithm adjusts the optimal output in the training set which then leads to a different decision boundary for the neural network trained from this data, which thereby reduces a large percentage of trips to no-trips causing the scheme to have less false trips. This is realized by classifying a region with “trip” to 1 and the region with “no-trip” to 0; then, the algorithm will compute and check the neighbours of every trip to weigh the probability of the present OOS condition; if at least two of the number of “no-trips” surround a “trip”, the target trip output will be modified to no-trip.
Additionally to the methods listed in the comparative table, some recent work on OOS protection based on local, bay level, measurements include [24,25]. These methods, however, can only be applied on generator terminals since they require direct input from generator measurements. Analysis from [26] reveals that it is not necessary to monitor the frequency deviation of the voltage on the local bus to enhance the higher probability of OOS detection; the authors suggest an implementation of a new frequency difference-based scheme for a multi-terminal transmission system.
The algorithm uses three criteria for an OOS detection to be performed; the first works such that the threshold value for frequency difference concerning current and voltage at the local bus has to be known; secondly, the frequency of the remote and local terminal should deviate inversely; a regression coefficient is utilized as an indicator for that situation. The third one checks whether the frequency differences between the local and remote ends exceed the threshold to avoid a false signal; it also validates whether the signs of the frequencies are opposite. This approach is said to be universal, as it can handle almost all of the complex situations that could be presented by OOS. An adaptive OOS relay design and application that utilizes an equal-area criterion and is based on wide-area measurements had already been proposed over 30 years ago [27]. To function, this method necessitates complex operational studies and requires the comparison of measurement data with pre-stored network, generation, and load data, as well as breaker and line data.
According to [28], synchrophasor measurement began in 1986 with attempts to investigate whether power system stability monitoring and protection can be enhanced. The authors highlight that, indeed, the application of phasor measurement units has enhanced the bulk power system protection whereby the available system quantities such as bus voltage magnitudes, real and reactive power flows and injections, and status of the breaker are measured to estimate the state of the system often referred to as “state estimation algorithms”. However, Ref. [29] argues that the application of PMUs dates back to the early 1980s when measurements were carried out between Montreal and SEPT-ILES for voltage phase angles, and Bonomi’s parallel efforts in 1981. Nonetheless, the PMU technology available today was then used by Phadke et al. in 1986 to shed new light on synchronized clocks which the previous studies did not completely address. The authors of [30] that it is important to note that PMUs promote ground-breaking solutions to conventional utility problems and give power system engineers a wide variety of potential benefits, including but not limited to improved precise snapshots of post-disturbance analyses which are obtained through GPS synchronization and advanced protection may be applied based on synchronized phasor measurements, with options to enhance the overall system response to disastrous events. These authors further concede that PMUs exhibit optimal benefits when incorporated with FACTS controllers to mitigate sub-synchronous oscillations by employing global positioning satellite systems to transmit satellite positional coordinates from which GPS may be used to determine the location of a receiver station on Earth.
In more recent years, several effective methods have been developed for the detection of OOS conditions based on wide-area information—some of the most notable work includes [22,25,31]. However, all of these methods depend on measurements taken directly at the generator terminals or the matching high-voltage terminals. The lack of coverage of phasor measurement units (PMUs) in a big power system is commonly disregarded, which makes it difficult to implement the developed methodologies in real power systems. IEEE Std C37.118-2007 for synchrophasor measurements highlights that although different vendors are given commercial platforms to compete against each other they are guarded under the same standard to promote the use of technology through consistency and create confidence among users while adhering to assurance conformance.
The introduction of IEC 61850-90-5 has gained enormous interest amongst protection engineers as it has made it possible to locally measure both magnitude and phase electrical quantities since it incorporates phasor measurement units (PMUs) that can be optimally placed in the power system. A more systematic and theoretical examination of the IEC TR 61850-90-5 standard has been studied in the literature, where they searched for a suitable indicator that would indicate the occurrence of a disruption with a slow onset of 5 s to 10 if an out-of-step condition emerges in a loop or a mesh network connecting two or major power systems. When an OOS is detected, the program can prevent the OST situation from occurring by separating the system at a specific point. An out-of-step state can be established, and the out-of-step condition can be avoided by eventually separating the system at a specific moment.
In this paper, we describe the novel online detection of out-of-step conditions utilizing PMU-determined system synchrophasors. This scheme uses phasor measurement data collected at the Palmiet pump storage generating station busbar, a test model of the South African utility transmission network. The phasor measurement unit (PMU) is configured to transmit voltage and current sampled values to the SEL-421 protection device for its local portion of the power system (Area 3). If the angles seen by PMU surpass a pre-defined value, the IED will decide that there is an out-of-step condition, thereby triggering the relevant circuit breaker. However, it is important to note that remote area monitoring and testing are not possible for this study as the practical testing involves a lab scale test bench, and wide-area networking involves multiple stations to be tested, which may be only possible practically in industrial applications where remote sites are available for commissioning and testing.

2. Proposed Algorithm

The algorithm that has been developed is based on the premise that the aggregate system can be simplified by employing the conventional assumption that high grid inertia with minor variations is no longer valid in power networks with significant RES shares. This is crucial, as it sets the stage for understanding the subsequent challenges related to frequency dynamics and power system stability. The lack of rotational inertia in RES-connected devices affects frequency dynamics and power system stability. Understanding and addressing these issues are essential for ensuring the reliability and security of power systems with a substantial share of RES as outlined in [32]. This is founded on the widely recognized power–angle curve and the stability phenomena of the power system under an out-of-step condition. This assumption suggests that a multi-machine system can be divided into area groups cantered on a tie line. The parameters δ, ω 0 , H, Pm, and Pe can be used to reduce the simplified two-machine system that was constructed around the observed tie line to a single-machine infinite equivalent system. With the classical representation, the generator dynamics can be depicted by swing Equation (2).
2 H ω 0 d 2 δ d t 2 = P m P e
where
H is the inertia constant, ω 0 is the angular velocity of the machine, δ   is rotor angle, Pm is the mechanical power, and Pe is the electrical power.
The inertia constant of a synchronous machine varies based on its size, which can be large or tiny. Even the inertia constant may vary depending on what material is utilized. The inertia constant (H) can be calculated as follows:
H = 0.5 · J · ω m 0 2 S
Power swing detection methods are predicated on the observation that the apparent impedance change observed by the relay as a result of a power swing is incremental in comparison to the step change that occurs when the system is faulted. Double blinders, concentric polygons, or concentric circles were employed in traditional techniques to detect power swings [33]. The detection of an out-of-step issue and the development of OOS protection strategies are facilitated by the measurement of fluctuations in system impedance. The configurations of these schemes are essential for the stability and reliability of the system. The schemes must be configured to immediately isolate a machine to prevent instability from spreading to other parts of the system and to minimize damage [32,33].
In the proposed algorithm, to prevent network instability, the virtual PMU is employed in the test methodology. The flow chart in Figure 2 presents the PMU algorithm data origination and sending steps from PMU to SEL-421 IED.
The suggested OOS protection technique involves changing the estimated voltage phasors of two equivalent sources at the remote endpoints of the observed tie lines. The equivalent system voltage is calculated at both ends of the tie line, as shown below: V.
E e q 1 = Z e q 1 · I t l + V 1 E e q 2 = Z e q 2 · I t l + V 2
Figure 3 depicts the angle difference between two equivalent generator voltages for the equivalent system.
The PMU can compute and determine the last stable angle that is fixed by using the angle difference of the equivalent vectors. This value is continuously recalculated by using the measurement values and the previously obtained equivalent impedances. On the power–angle curve, the last stable angle is fixed by using the computed angle difference between the sources (90° < LSA < 130°). Protection tripping criterion calls for isolation if
δ > δ L S A   f o r   t w o   c o n s e c u t i v e   m e a s u r e m e n t s d δ d t > 0   f o r   t w o   c o n s e c u t i v e   m e a s u r e m e n t s           V 1   &   V 2 > 0.5   p u
The angle difference has surpassed the LSA and is gradually increasing, as indicated by the first two criteria. The final three criteria are implemented as a safety measure to prevent the protection from malfunctioning due to a short-circuit occurrence. To confirm that the tie line is operational and that there are no faults on the line, voltage thresholds of 0.5 pu have been established.
For power transmission networks, each bus is linked to a limited number of lines. There are a sufficient number of channels in existing phasor measurement instruments. It is, therefore, reasonable to consider that the installed system not only records the complex bus voltage but also the complex currents flowing along all the lines that exist on this bus once the bus is chosen for PMU instrumentation. Each generating source will be placed with a PMU to detect OSS and subsequently isolate its predetermined protected area to obtain optimal full device isolation. For the identification of the most susceptible load buses to voltage stability for a study case, modal analysis of the reduced system matrix and calculation of the bus participation factors will be used.
In the literature, it is stated that generators can be operated in two modes: lock mode and free mode. The generators provide electrical power in proportion to the rotating speed of the prime mover while it is in a locked position [32]. The operation of the generator in free mode is governed by the mechanical torque exerted on it. The variation in the angular velocity of the generator, which is a key characteristic in a prime mover, is crucial when the generators are under stress. Rotor angle stability is a crucial attribute for ensuring the reliability of system dynamics. Therefore, out-of-step prevention is a significant feature in such cases.

3. Settings Configuration

3.1. OOS Element for SEL-421 IED

A detailed description of the process for setting out-of-step (OOS) elements for the SEL-421 is provided in Ref. [32]. However, in general, the settings are implemented in two fundamental stages. Initially, the two mho characteristics are zone 1 and zone 2.
The first step is to establish the characteristics, and the second is to determine the values for the two periods. Typically, the outer polygon must be configured to exclude the maximal load impedance point. OSB or OST elements must adhere to this condition. Furthermore, it is imperative to incorporate a specific security margin. The inner blinder must be configured to encompass all zones of the phase distance protection that require out-of-step blocking. Once more, a specific security margin should be implemented. The swing rate should be used to establish the timings associated with out-of-step blocking and tripping logic for both stable and unstable power swings. Table 2 provides a summary of the OOS element settings for the test system.
Out-of-step protection settings are calculated by examining the probable range of apparent impedance trajectories in the R-X impedance plane, as well as the related swing rate. Out-of-step protection can be configured using graphical approaches or by conducting transient stability [12]. While graphical approaches are convenient and straightforward, transient stability studies can be a useful tool for establishing settings or validating the accuracy of settings acquired using a graphical method. The dynamic models of power system elements, specifically rotating machines, and associated control systems, such as the AVR, turbine governor, and Power System Stabilizer (PSS), are studied in transient stability studies.

3.2. PMU Configuration on RSCAD-FX and SEL-421 Relay

The detailed configuration settings for the virtual PMU on the RSCAD interface are also given in [33]; however, it is important to note that, in completion of setting up the device on RSCAD, the PMU communication protocol needs to be configured in the protection relay to achieve a stable gateway for transmitting the analogue signals seen by the PMU into the relay for it to subsequently make a sound decision thereon.
When the settings are completed and sent to the physical device successfully, the metering values of the phasor measurement units are then displayed on the relay’s human–machine interface (HMI) provided that the hardware-in-the-loop test is running on RSCAD-FX RunTime. Figure 4 provides a screen capture of the test system metering values seen by the PMU in steady-state load flow.
The PMU used for the case study is the GNET-PMU8 which is already interfaced with the GNET card through RSCAD internal programming; the component can be found in the RSCAD-FX library and is designed to perform lab bench studies; otherwise, for utility testing, there is another one available, i.e., PMU utility test that is interfaced with PMU wave control for industrial practicality.

3.3. RTDS GTnet GSE Configuration for GOOSE Message Status Event

The relay word bits that were defined earlier in the settings configuration for the SEL-421 relay tripping functionality for the RTDS simulated network, namely trip (for zone tripping), OSB (out-of-step blocking), and OST (out-of-step trip), will now be defined by the corresponding logical node PRO for a GOOSE message to be successfully published via the Ethernet network. The available LNs corresponding to ANSI relay word bits in the device are listed in Table 3. The logical device nodes described in Table 3 are utilized to configure data sets for GOOSE messaging in AcSELerator Architect software (SEL-5032); the initial configured file in the software is the substation configuration language (SCL); it hosts the CID file and all the information relevant to the substation. The key parts of the configuration tool for AcSELerator Architect are detailed in reference [32].
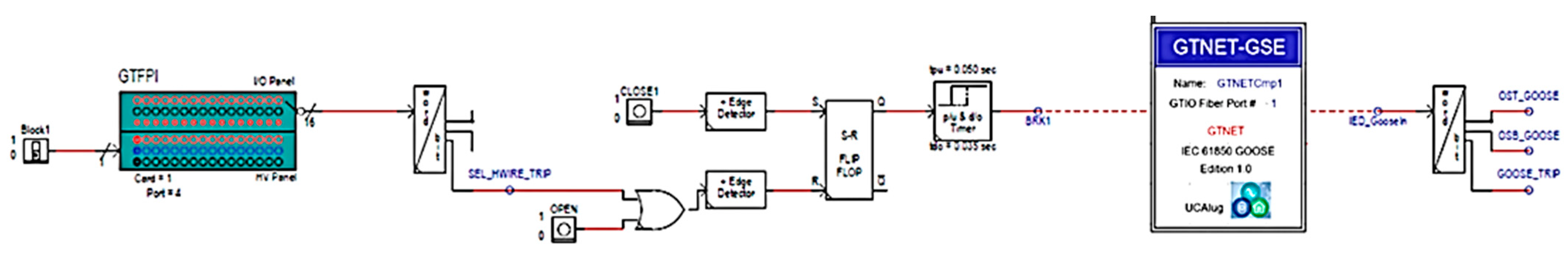
Incompletion of GNET-GSE component configuration, a circuit breaker logic that will incorporate the IEC 61850 GOOSE messaging, needs to be defined for the complete implementation of the communication standard; Figure 5 provides a schematic of this control logic. In Figure 5, the GOOSE trip signals are perceived by the circuit breakers via the word-to-bit conversion block with the OST_GOOSE, OSB_GOOSE, and GOOSE_TRIP being the signal attributes published by the SEL-421 external IED to be transmitted to the real-time simulator by the GNET-GSE component.
Smart circuit breakers typically operate in 40-millisecond gusts. This delay is taken into account by the pickup/dropdown timer that is displayed in the circuit breaker logic in Figure 5 as it is set to pick up at 50 ms and drop at 35 ms

4. Eskom West Grid Transmission System

The West Grid Interconnected Transmission System of Eskom extends across the whole of the western and northern region and interconnects bulk consumers and electricity generators located in South Africa. The transmission system’s primary role is to transport electricity in bulk from wherever it is generated to load centres throughout South Africa and the region. From these load centres, the distribution networks owned by Eskom, the metros, and municipalities deliver electricity to individual end users. The system has to be expanded and reinforced to connect new loads and more sources of generation to the grid, as well as to meet the changing needs of customers. The Renewable Energy Independent Power Producer (REIPP) Programme of the Department of Mineral Resources and Energy has resulted in increasing amounts of electricity produced from renewable sources, mainly wind and solar projects located primarily in the Western Cape and Northern Cape. To date, the REIPP Programme has procured around 6400 MW of energy from 106 Independent Power Producer (IPP) projects, with about 4000 MW already in commercial operation. It is anticipated that the transformation of the South African energy mix will continue over the next 10-year period, as more electricity from renewable sources becomes integrated into the national grid with the Just Energy Transition program. To test the performance of the proposed scheme, the Eskom western grid network is modified to a 400 kV 7-bus as seen in Figure 6, and consists of the following:
  • Two peaking stations (Palmiet pump storage and Ankerling gas pump)
  • Wind plant (Fransvlei)
  • Solar plant (Electra)
  • Nuclear generation (Koeberg)
  • Transmission sites
    o
    Aurora
    o
    Muldersvlei
    o
    Stikland
    o
    Pinotage

5. Hardware-in-Loop Test Model Data

The RSCAD-FX draft of RTDS was used to build the network diagram in Appendix B. The dynamic network comprises generator dynamic controls, T-line models, dynamic loads, and buses to assess the effectiveness of the autonomous generation control and assess the rotor angle stability of Palmiet pump storage generating units. Table 4 and Table 5 provide the system data and monitored variables, respectively.
Generators can be operated in either the lock mode or the free mode. In the lock mode, the generators generate power based on the prime mover’s rotational speed. In the free mode, the generator’s operation is determined by the mechanical torque applied to it. The angular velocity of the generator, which fluctuates depending on how loaded it is, can be used to measure the frequency in the generators.
Areas 1, 2, and 3 are the groupings given to the three subsystems in Appendix A. The multi-generation system is a mesh system with n/o points in a practical aspect so subsystems need to be constructed to cater to these scenarios. Power for Area 1 is generated from Ankerling generators and it sometimes exports power to Area 2. Ankerling 3 generating units’ apparent power is 148.8 MW each which is sufficient to cater for load demand in other parts of the system when required to. Koeberg parallel T-lines are used to export this power to Area 2.
Likewise, Area 2 power is being generated from Koeberg generators and often exports power to Area 1 and Area 3 as this is the primary source of the National Grid supply. Koeberg T-lines and Muldersvlei T-lines are the ones responsible for this power transfer to the relative areas. The two generating units at the Koeberg station have an apparent power of 900 MW each. Whereas Area 3 is fed from Palmiet generators, this power is never exported to any other parts of the system unless there is contingency as it is a peaking station supply. Palmiet storage generators each generate an apparent power of 200 MW to be distributed to various loads in Area 3.
The nominal frequency of 50 Hz is kept constant throughout the system for simulation results in this test platform. Appendix A provides an overview of the test system modelled in the RSCAD-FX draft.

6. RTDS Online Detection for a Predictive Dynamic Stability System in Hardware-in-the-Loop (HIL) Simulation

Given the current state of computing and communication, as well as the distributed nature of the method, this model may now incorporate the system’s dynamic behaviour. On this topic, a practical implementation of the standard is proposed making use of a virtually placed PMU in RSCAD-FX to create an out-of-step protection scheme in RTDS for hardware-in-the-loop testing. The phasor measurement unit (PMU) is configured to transmit voltage and current signal angles to the SEL-421 protection device for its local portion of the power system (Area 3). If the angles seen by PMU surpass a pre-defined value, the IED will decide that there is an out-of-step condition thereby triggering the relevant circuit breaker. However, it is important to note that remote area monitoring and testing are not possible for this study as the practical testing involves a lab scale test bench and wide-area networking involves multiple stations to be tested which may be only possible practically in industrial applications where remote sites are available for commissioning and testing.
The developed test bed is configured to integrate the PMU for system OOS tripping control. The analogue signals transmitted to the phasor measurement unit are measured at the Palmiet_400kV busbar. The signals are then transported through a communication medium using an ethernet switch and via a GPS clock. The Giga-Transceiver Network (GTNET) Communication Card is installed on RTDS, allowing signal transmission and reception from the virtual device (PMU) specified in the testbed. The PMU also requires a GTSNC card to operate which is connected to port 7 of the GTWIF card. In Figure 7, the developed test-bed configuration is displayed. The communication link between the agents is indicated by the blue arrows on the lines.
RTDS enables the hardware performance of the actual protection device with extensive simulation into a single loop. It combines hardware and simulation to run in real time. The GTSYNC card synchronizes the simulation time stamp to the external reference provided by the GPS clock and synchronizes all the devices under test. Power system modelling and simulation are performed on RSCAD-FX; to test and validate IEC 61850-90-5 sampled values, the software-based PMU is incorporated on RSCAD.
When it comes to three-phase sets of instantaneous voltage and current values, the phasor measurement (PMU) component is suited to delivering the symmetrical component information. One component contains eight PMUs that each function individually. The measurement loops supply the voltage, current, and positive, negative, and zero phasor information (voltage and current). These plot signals come in magnitude and angle values as well as real and imaginary ones. Each PMU will deliver a total of 12 phasors; the measured frequency and the rate of frequency change if all signals are chosen. However, to reduce backplane transfers and improve the simulation time step, the frequency plot signal outputs will be disabled on RunTime since they are of less interest to the study as the system frequency is run at a constant value of 50 Hz.
Each PMU is coupled to the voltage and current signals via six signal name inputs found in the component menus. This component supports two PMU algorithms; the option “pmutype” adjusts the algorithm from Annex C of the IEEE C37.118.1TM2011 standard to P or M class. The angle difference can be detected and monitored, with the output in degrees. To test the effectiveness of the predictive scheme, the PMU is incorporated into the RSCAD-FX draft in Area 3 which is solely optimally placed to perform the IEC 61850-90-5 protocol. A schematic diagram with GNET-PMU in Area 3 is illustrated in Figure 8.
The usual processes taken by the PMU to process the input signals do not include the anti-aliasing LP filter; a GTNET card supplies the absolute time reference and the simulation data is sampled at a pre-set sample rate. When the timestamp at the window’s centre is used, the phasor estimate at its centre is unaffected by the real system frequency and does not need additional phase correction.
Out-of-step protection testing can now be performed effortlessly and precisely without the worry of the misconnection of wires for analogue signals or hardwired trip signals as these signals are being published by the GNET-PMU8 to be subscribed to in the RTDS hardware interface as seen in Figure 8.

6.1. Case Study 1—Zone 1 Fault on Palmiet_Pinotage 400 kV Line

For this study, only a zone 1 fault will be simulated on the line as its qualities and effects on protection are similar to that of a zone 2 fault (just that zone 2 is further on the line). For completeness, an out-of-step blocking needs to be verified; hence, only one impedance fault will be injected to confirm the OSB functionality through PMU detection and GOOSE messaging. It is also important to note that the IEC 61850-90-5 standard often specifies a Routable-GOOSE for its desired operation; however, for the study, this is not necessary as the hardware-in-the-loop test bed is housed in one location at the CSAEMS for a limited period; no cyber-attacks will arise in the scenario. Cyber security as defined by Routable-GOOSE may be applicable in an industrial network that is always running live conditions.
A three-phase bolted fault is injected on the Tx line. Figure 9 and Figure 10 illustrate the resulting plots of RSCAD RunTime as the GOOSE trip asserts with OSB data set blocking the zone 1 fault.
During this event the relay is set to be able to distinguish between the stable power swing of zone 1 and zone 2 faults; as a result, the rotor machine speed of Palmiet_Gen1 decreases as does the rotor angle. In this case, besides the Zone 1 trip target, the protection relay also asserts the OSB alarm as depicted in Figure 9a.
The relay remains stable and blocks the power swing seen by the system during a zone 1 fault; the same goes for zone 2 disturbances as seen above in Figure 10. Now, a case of pole slipping needs to be simulated to see the protection relay response in a hardware-in-the-loop testing environment. The next case study looks at a pole slipping scenario.

6.2. Case Study 2—Busbar Fault on Palmiet_400kV Bus

Analysing a pole slipping condition through the adaptive scheme is also of interest to the dissertation study. Now, a three-phase bolted fault is injected to investigate the reliability of the published data sets for virtual circuit breakers in the test system. Protection philosophy calls for the fast detection of out-of-step tripping when generator pole slipping arises on the Palmiet_400kV bus. When the bus experiences a fault, the synchronous machines will experience a power transfer capability limit; thus, the electrical torque produced by the rotor will divert to mechanical torque. As soon as this situation occurs, the machine’s rotor speed accelerates rapidly which in turn causes the rotor angle to lose stability. When the rotor angle is gradually increased, the synchronous machine is bound to lose synchronism with the rest of the system; therefore, an out-of-step trip will be triggered. Figure 11 and Figure 12 show graph plots resulting in runtime during this occurrence in the test system.
In Figure 11b, as the speed of the rotor increases, the current in the rotor (IROTF) declines as the machine is now converting electrical power to mechanical power due to limited power transfer at the fault location frequently referred to as a zero-voltage crossing point; Figure 12 shows the power transfer capability during pole slipping.

7. Discussion of Results

A summary follows of the current available methods for detecting an OOS condition (Table 1), as determined by prior industrial and academic accomplishments. The benefits of the conventional and notable non-conventional OOS protection methods that have been published thus far have been highlighted as well as the limitations of these methods.
From the methods listed in the comparative table, some methods have employed machine learning techniques to address the OOS issue [18,19]. Nevertheless, these methods necessitate exhaustive model simulations to train the machine learning algorithms and, as a result, they do not currently demonstrate significant advantages over the classical impedance-based protections. Moreover, several efficient out-of-service (OOS) protection techniques that rely on comprehensive wide-area information have been recently documented in the academic literature. Prominent recent research can be accessed in the references in Table 1. These approaches depend on measurements taken either at the generator terminals or at the equivalent high-voltage terminals. The lack of coverage of phasor measurement units (PMUs) in a big power system is a frequently neglected limiting factor that hinders the practical use of established approaches.
In this study, the developed algorithm has been designed to be applicable in any power system on transmission lines where an out-of-step (OOS) condition is likely to occur. This method utilizes PMU measurement data from the transmission line where the step change of voltage phasors is computed and is founded on the widely recognized power–angle curve and the stability phenomena of the power system under an out-of-step condition.
The protection devices that are optimally placed in the system operate efficiently for OOS and PSB conditions. However, the results cannot be claimed to universally be the case for all generating units in the system owing to their dynamic loads though a similar approach may be applicable. From these simulation results, it is clear that a critical clearing angle/time plays a critical part in mitigating OOS conditions and thereby saving the generators from wearing out. The generator speed quickly accelerates to regain stability once the pole slipping is cleared for the continuation of smooth operation. In the above results, this is not quite clear owing to the time stamp of the simulation being limited to 15 s for a clear view of the graphs. As mentioned before, the system under test is not a classical two-machine system so it might take a while for the speed to regain its operating equilibrium, as seen in Figure 13.
This study implemented two combined methods of out-of-step approaches currently available in literature and industry. While the impedance-based detection from the SEL-421 can differentiate between unstable and stable swings depending on the application, it poses challenges in detecting fast rigorous swings thereby making it difficult to perform analysis to set blinders, and has no predictive properties as seen in [32,33]. In [8], a method for angle-controlled out-of-step (OOS) prevention is suggested. This method simplifies the entire power system into a two-terminal network and calculates the equivalent voltage vectors of the generators. This also depends on the pre-established impedance settings of the comparable networks, making it challenging to adjust to real-time system reconfigurations. On the other hand, the predictive OOS based on a synchrophasor enhances the existing OOS protection and provides more secure and reliable operation on an oscillatory OOS compared to the existing methods; however, this method is ineffective in detecting non-oscillatory unstable swings and requires a step change in the network to determine network impedances for OOS detection; then, the PMU-determined impedance-based detection is integrated in the predictive scheme. Thus, the hybrid prototype implemented in this paper exhibits a faster detection algorithm as the one would take advantage where the other one lacks; then, the accuracy and reliability of the scheme are obtained.
Future research would be in the interest of deploying the wide-area predictive algorithm prototype for industrial application in the South African grid context. The OOS protection algorithm based on the angle derivates criterion is gaining interest in the power system protection research area. Power system protection engineers and researchers are now more interested in implementing a faster algorithm that requires two PMU measurement data from both ends of the transmission line. This enables the calculation of derivatives of angular differences, as well as the monitoring of voltage, current, and power levels, and executes a tripping decision without the involvement of an external protection relay.

8. Conclusions

This paper presented real-time hardware-in-the-loop implementation and testing to validate the developed IEC 61850-90-5 standard. The adaptive scheme worked for both power swing blocking and pole slip tripping (OOS) conditions; the implementation of the communication standard is necessary to replace the hard-wired analogues and binary inputs for better protection and situational awareness of the predictive dynamic system. The adaptive technique takes advantage of direct transient stability analysis methods by computing the angular difference between the system’s voltages and transmitting them to the protection device through PMU. As a result, out-of-step events are more predictable than traditional techniques, contributing to the growing need for a smart grid as it relates to the IEC 61850 standard and substation automation. This type of scheme will benefit power utility companies when it comes to rotor angle stability as it may also be applied over a wide range of areas with the dispatching of Routable-GOOSE messages at various stations for live situational awareness.
The application of PMUs has been historically limited to transmission systems due to their cost, but recent developments of PMUs in electronic sectors reduced the cost of assembling which consequently dropped prices drastically making them attractive tools throughout the utility, including embedded generation and distribution systems. The idea behind this practical application was to attract the industry protection engineers and gain trust for PMU applications; in an industry perspective, the technology and financial impacts are of the most importance such that when you introduce new technologies you need to slowly phase out the already-in-use schemes by showing over time that the new technological advancement is more reliable. Thus, we have two algorithms working together to achieve the research objective of the South African case study context.
However, the most unfortunate encountered limitation is the unavailability of the OOS tripping output card in the SEL700GT protection relay that is available for research use at the CSAEMS lab such that only the SEL-421 relay was utilized for practical implementation of the adaptive; therefore, we could not test the redundancy of the scheme. Another limitation of this research work relates to the HIL test-bench capabilities; a wide area of the dynamic network could not be realized to its full extent as examining angular differences between different locations would require more than three physical relays optimally placed in the virtual system stations to receive data transmitted by virtual PMU’s to PDC for an appropriate protection tripping decision.
Despite this limitation, the findings of this study are important as they contribute both to academic and industrial applications in an exclusive way as the adaptive scheme was validated to pose better benefits than that of conventional OOS applications previously applied in previous research studies.
Future research would be in the interest of deploying the wide-area predictive algorithm prototype for industrial application in the South African grid context. The OOS protection algorithm based on the angle derivates criterion is gaining interest in the power system protection research area. Power system protection engineers and researchers are now more interested in implementing a faster algorithm that requires two PMU measurement data from both ends of the transmission line. This enables the calculation of derivatives of angular differences, as well as the monitoring of voltage, current, and power levels, and executes a tripping decision without the involvement of an external protection relay. The future work will focus on creating a centralized system situational awareness through a phasor data concentrator (PDC) for system data quantities that can be controlled remotely in a central control station centre, where if a pole slipping is detected at one station another generating reserve such as peaking power stations would be automatically connected to the grid while the problem of pole slipping is being cleared by out-of-step protection in that disturbed station. Further research into this area may therefore be useful since this phenomenon in turn will reduce unnecessary unplanned power outages; even in the light of load shedding there would not be a time delay in switching back customers as this would be performed rapidly by the phasor data concentrator outputs.

Author Contributions

Conceptualization, N.F., S.K., and P.M.; methodology, N.F.; software configurations, N.F.; validation, N.F.; investigation, N.F.; resources, S.K. and P.M.; writing—original draft preparation, N.F.; writing—review and editing, S.K.; supervision, S.K.; funding acquisition, S.K. and P.M. All authors have read and agreed to the published version of the manuscript.

Funding

This research was funded in part by the NRF Thuthuka Grant, Number 138177, SANEDI JET RFQ062, Eskom Tertiary Education Support Programme (TESP) and Council for Scientific Industrial Research Institute (CSIR) funding towards the carrying out of the research work.

Data Availability Statement

Data and functional details presented in this study are available on in the article.

Acknowledgments

The authors acknowledge Cape Peninsula University of Technology for offering the facilities to carry out this research work at the Centre for Substation Automation and Energy Management Systems (CSAEMS).

Conflicts of Interest

The authors declare no conflicts of interest.

Appendix A

Figure A1. Modified West Grid Transmission network system model in RSCAD-FX.
Figure A1. Modified West Grid Transmission network system model in RSCAD-FX.
Energies 17 04086 g0a1

Appendix B

Figure A2. OOS algorithm for the protection philosophy.
Figure A2. OOS algorithm for the protection philosophy.
Energies 17 04086 g0a2

References

  1. Hou, D.; Tziouvaras, D. Out-Of-Step Protection Enhancements. In Developments in Power System Protection, Proceedings of the Eighth IEEE International Conference, Amsterdam, The Netherlands, 5–8 April 2004; IET: Edison, NJ, USA, 2004. [Google Scholar]
  2. Sallam, A.A.; Malik, O.P. Power System Stability: Modelling, Analysis and Control. Power System Stability Overview; Institution of Engineering and Technology (IET): Stevenage, UK, 2015; pp. 1–10. [Google Scholar]
  3. IEEE Std 1344-1995(R2001); IEEE Standard for Synchrophasers for Power Systems. IEEE: Piscataway, NJ, USA, 1995. [CrossRef]
  4. IEEE C37.117-2007; IEEE Guide for the Application of Protective Relays Used for Abnormal Frequency Load Shedding and Restoration. Available online: https://standards.ieee.org/ieee/C37.117/2651 (accessed on 12 August 2024).
  5. IEEE Std. C37.118.1-2011 (Revision of C37.118-2005); IEEE Standard for Synchrophasor Measurements for Power Systems. 2011. Available online: http://ieeexplore.ieee.org/stamp/stamp.jsp?arnumber=6111219 (accessed on 12 August 2024).
  6. IEEE Std. C37.118.2-2011 (Revision of C37.118-2005); IEEE Standard for Synchrophasor Data Transfer for Power Systems. 2011. Available online: http://ieeexplore.ieee.org/stamp/stamp.jsp?arnumber=6111222 (accessed on 12 August 2024).
  7. IEC TR 61850-90-5:2012; Communication Networks and Systems for Power Utility Automation—Part 90-5: Use of IEC 61850 to Transmit Synchrophasor Information According to IEEE C37.118. Available online: https://webstore.iec.ch/en/publication/6026 (accessed on 12 August 2024).
  8. Sauhats, A.; Utans, A.; Antonovs, D.; Svalovs, A. Angle Control-based Multi-terminal Out-of-step Protection System. Energies 2017, 10, 308. [Google Scholar] [CrossRef]
  9. Tziouvaras, D.; Hou, D. Out-of-Step Protection Fundamentals and Advancements. In Proceedings of the 30th Western Protective Relay Conference, Spokane, WA, USA, 21–23 October 2003. [Google Scholar]
  10. Blackburn, J.L. Protective Relaying Principles and Applications, 2nd ed.; Marcel Dekker: New York, NY, USA, 1998; pp. 488–490. [Google Scholar]
  11. IEEE Std C37.113-2015 (Revision of IEEE Std C37.113-1999); IEEE Guide for Protective Relay Applications to Transmission Lines. IEEE: Piscataway, NJ, USA, 2016; pp. 1–141. [CrossRef]
  12. Plumptre, F.; Brettschneider, S.; Hiebert, A.; Thompson, J.M.; Mynam, M.V. Validation of Out-of-Step Protection with a Real Time Digital Simulator. In Proceedings of the 60th Annual Georgia Tech Protective Relaying Conference, Atlanta, GA, USA, 2–5 May 2006. [Google Scholar]
  13. Abdalla, O.; Al-Khusaibi, T.; Al-Bitashi, A.; Kumar, A.; Svalova, I.; Watson, P.; Svalovs, A. Development of Stability Protection Framework in Oman Electricity Transmission System. In Proceedings of the 11th IET International Conference on Developments in Power Systems Protection (DPSP 2012), Birmingham, UK, 23–26 April 2012. [Google Scholar] [CrossRef]
  14. Blumschein, J.; Yelgin, Y.; Kereit, M. Blackout prevention by power swing detection and out-of-step protection. J. Power Energy Eng. 2014, 2, 694–703. [Google Scholar] [CrossRef]
  15. GE Vernova. MiCOM O40, Agile P543/P545 Technical Manual Ver92M; Schneider Electric: Rueil Malmaison, France, 2021. [Google Scholar]
  16. Abedini, M.; Davarpanah, M.; Sanaye-Pasand, M.; Hashemi, S.M.; Iravani, R. Generator out-of-step prediction based on faster-than-realtime analysis: Concepts and applications. IEEE Trans. Power Syst. 2018, 33, 4563–4573. [Google Scholar] [CrossRef]
  17. Paudyal, S.; Ramakrishna, G.; Sachdev, M.S. Application of equal area criterion conditions in the time domain for out-of-step protection. IEEE Trans. Power Del. 2010, 25, 600–609. [Google Scholar] [CrossRef]
  18. Sreenivasachar, K. Out-of-step detection on transmission lines using apparent impedance differential method. IEEE Trans. Power Deliv. 2021, 37, 3245–3256. [Google Scholar] [CrossRef]
  19. Camarillo-Penaranda, J.R.; Celeita, D.; Gutierrez, M.; Toro, M.; Ramos, G. An approach for out-of-step protection based on swing center voltage estimation and analytic geometry parameters. IEEE Trans. Ind. Appl. 2020, 56, 2402–2408. [Google Scholar] [CrossRef]
  20. Tealane, M.; Kilter, J.; Popov, M.; Bagleybter, O.; Klaar, D. Online detection of out-of-step condition using PMU-determined system impedances. IEEE Access 2022, 10, 14807–14818. [Google Scholar] [CrossRef]
  21. Tealane, M.; Kilter, J.; Bagleybter, O.; Heimisson, B.; Popov, M. Out-of-Step Protection Based on Discrete Angle Derivatives. IEEE Access 2022, 10, 78290–78305. [Google Scholar] [CrossRef]
  22. Deshmukh, B.; Biswal, S.; Lal, D.K. Synchronous generator out-of-step protection based on Savitzky-Golay filtering technique. In Proceedings of the 2021 Emerging Trends in Industry 4.0 (ETI 4.0), Raigarh, India, 19–21 May 2021; pp. 1–3. [Google Scholar]
  23. Abdelaziz, A.; Irving, M.; Mansour, M.; El-Arabaty, A.; Nosseir, A. Adaptive protection strategies for detecting power system out-of-step conditions using neural networks. IEE Proc. Gener. Transm. Distrib. 1998, 145, 387–394. [Google Scholar] [CrossRef]
  24. Nasab, M.R.; Yaghobi, H. A real-time out-of-step protection strategy based on instantaneous active power deviation. IEEE Trans. Power Deliv. 2020, 36, 3590–3600. [Google Scholar] [CrossRef]
  25. Desai, J.P.; Makwana, V.H. Phasor measurement unit incorporated adaptive out-of-step protection of synchronous generator. J. Mod. Power Syst. Clean Energy 2021, 9, 1032–1042. [Google Scholar] [CrossRef]
  26. Krata, J.; Balcerek, P.; Gajic, Z. The new frequency difference based Out of Step protection for multiterminal transmission system. In Proceedings of the 12th IET International Conference on Developments in Power System Protection (DPSP 2014), Copenhagen, Denmark, 31 March–3 April 2014; pp. 1–6. [Google Scholar] [CrossRef]
  27. Zhang, S.; Zhang, Y. A novel out-of-step splitting protection based on the wide area information. IEEE Trans. Smart Grid 2016, 8, 4151. [Google Scholar] [CrossRef]
  28. Phadke, A.G. Thorp, J.S. Computer Relaying for Power Systems; Wiley: Hoboken, NJ, USA, 2009. [Google Scholar]
  29. Alinezhad, B.; Karegar, H.K. Predictive out-of-step relay based on equal area criterion and PMU data. Int. Trans. Electr. Energy Syst. 2017, 27, e2327. [Google Scholar] [CrossRef]
  30. Singh, B.; Sharma, N.; Tiwari, A.; Verma, K.; Singh, S. Applications of phasor measurement units (PMUs) in electric power system networks incorporated with FACTS controllers. Int. J. Eng. Sci. Technol. 2011, 3, 68423. [Google Scholar] [CrossRef]
  31. Zare, H.; Yaghobi, H.; Alinejad-Beromi, Y. Adaptive concept of controlled islanding in power systems for wide-area out-of-step prediction of synchronous generators based on adaptive tripping index. IET Gener. Transm. Distrib. 2018, 12, 3829–3836. [Google Scholar] [CrossRef]
  32. Fose, N. Application of IEC 61850-90-5 Standard-Based Predictive Dynamic Stability System. Master’s Thesis, Cape Peninsula University of Technology, Cape Town, South Africa, 2023. [Google Scholar]
  33. Fose, N.; Krishnamurthy, S.; Moodley, P. Adaptive OOS protection scheme to enhance rotor stability of the system. In Proceedings of the 2024 32nd Southern African Universities Power Engineering Conference (SAUPEC), Stellenbosch, South Africa, 24–25 January 2024; pp. 1–7. [Google Scholar] [CrossRef]
Figure 1. Impedance-based OOS characteristic using concentric polygon.
Figure 1. Impedance-based OOS characteristic using concentric polygon.
Energies 17 04086 g001
Figure 2. Flow chart for PMU algorithm execution.
Figure 2. Flow chart for PMU algorithm execution.
Energies 17 04086 g002
Figure 3. Equivalent phasor diagram generated from measured quantities and computed equivalent system impedances.
Figure 3. Equivalent phasor diagram generated from measured quantities and computed equivalent system impedances.
Energies 17 04086 g003
Figure 4. PMU metering values received by the relay.
Figure 4. PMU metering values received by the relay.
Energies 17 04086 g004
Figure 5. GOOSE tripping circuit breaker control logic in RSCAD-FX draft.
Figure 5. GOOSE tripping circuit breaker control logic in RSCAD-FX draft.
Energies 17 04086 g005
Figure 6. Modified Eskom 400kV western grid network.
Figure 6. Modified Eskom 400kV western grid network.
Energies 17 04086 g006
Figure 7. Hardware-in-the-loop test bench setup fully integrated with virtual PMU.
Figure 7. Hardware-in-the-loop test bench setup fully integrated with virtual PMU.
Energies 17 04086 g007
Figure 8. Area 3 network with PMU integrated on RSCAD-FX draft interface.
Figure 8. Area 3 network with PMU integrated on RSCAD-FX draft interface.
Energies 17 04086 g008
Figure 9. Resultant plots when a zone 1 fault is exhibited on the Palmiet_Pinotage 400 kV line. (a) Current and voltage signals with GOOSE digital outputs. (b) Rotor machine control variables during zone 1 fault.
Figure 9. Resultant plots when a zone 1 fault is exhibited on the Palmiet_Pinotage 400 kV line. (a) Current and voltage signals with GOOSE digital outputs. (b) Rotor machine control variables during zone 1 fault.
Energies 17 04086 g009
Figure 10. Palmiet generation supply and load profiles during zone 1 fault. (a) Palmiet generating unit supply with zone 1 fault cleared. (b) Palmiet transmission line load during the disturbance.
Figure 10. Palmiet generation supply and load profiles during zone 1 fault. (a) Palmiet generating unit supply with zone 1 fault cleared. (b) Palmiet transmission line load during the disturbance.
Energies 17 04086 g010
Figure 11. Resultant graphs when a bus fault is employed on the system. (a) CT and PT analogues along with GOOSE data sets for out-of-step conditions. (b) Rotor control variables during this disturbance.
Figure 11. Resultant graphs when a bus fault is employed on the system. (a) CT and PT analogues along with GOOSE data sets for out-of-step conditions. (b) Rotor control variables during this disturbance.
Energies 17 04086 g011
Figure 12. System generating sources as Palmiet generators lose synchronism with the rest of the system due to OST being detected. (a) Palmiet generating supply during pole slipping. (b) System power transfer capabilities with Palmiet generating units losing synchronism with the rest of the system.
Figure 12. System generating sources as Palmiet generators lose synchronism with the rest of the system due to OST being detected. (a) Palmiet generating supply during pole slipping. (b) System power transfer capabilities with Palmiet generating units losing synchronism with the rest of the system.
Energies 17 04086 g012
Figure 13. RMS/EMT simulation for OOS tripping with a longer timestamp.
Figure 13. RMS/EMT simulation for OOS tripping with a longer timestamp.
Energies 17 04086 g013
Table 1. Present OOS protection strategies and approaches found in academic literature and industry.
Table 1. Present OOS protection strategies and approaches found in academic literature and industry.
ApproachMethodBenefitDrawback
Conventional approaches (no predictive properties)Angle-controlled OOS protection [8]More secure and faster than impedance-based OOSNeeds predetermined settings and cannot adapt to system reconfigurations
Impedance-based OOS [14]Depending on the application can distinguish between stable and unstable swingsDifficulties in detecting very fast swings and needs extensive analysis to set blinders
Superimposed current detection [15]Ability to detect very fast swingsHighly dependent on the estimation of swing centre voltage
Local measurement-based OOS approachesOOS detection based on faster than real-time [16]Offers highly rapid out-of-step detection and forecasts the potential instability of a swingRequires detailed knowledge of generator parameters
OOS based on power time curve [17]A detection of instability is made directly from measurementsCan only be applied from generator terminals; no predictive properties
Lyapunov function-based detection [18]The approach demonstrates exceptional performance in OOS detectionSignificantly dependent upon the estimation of swing centre voltage
OOS detection based on wide-area informationPredictive OOS detection based on synchrophasors [proposed approach]Enhances the current OOS protection, offers a more secure and dependable operation than the present techniques, and possesses predictive propertiesIneffective in detecting non-oscillatory unstable swings
Clarke transform-based detection [19]It has been prototyped in an actual industrial system and offers stingless OOS protectionOOS detection speed is not known and has no predictive properties
OOS detection based on PMU-determined impedances [20]This method is more reliable and provides faster detection than conventional solutionsRequires a step change in the network to determine network impedances for OOS detection and is not predictive
Out-of-step protection based on discrete angle derivatives [21]The method does not require predetermined settings and provides faster and more reliable OOS detectionNo predictive properties
Voltage fluctuation-based OOS [22]The method exhibits fast detection of instabilityRequires a high level of network observability and has no predictive properties
Table 2. SEL-421 OOS protection settings for the test system.
Table 2. SEL-421 OOS protection settings for the test system.
SettingDescriptionSecondary Value Entry
R_1R6Zone 6 resistance5.78 ꭥ
R_1R7Zone 7 resistance37.57 ꭥ
X_1T6Zone 6 reactance11.56 ꭥ
X_1T7Zone 7 reactance43.35 ꭥ
OSTDOOS trip delay1 cycle
50ABCPositive current supervision1 A
OSB (1, 2, 3)Block zoneAll zones
OSBDOOS block time delay1.75 cycles
OOSImpedance crossing1
Table 3. List of relay word bits to logical device Pro for SEL-421.
Table 3. List of relay word bits to logical device Pro for SEL-421.
Relay Word BitDescriptionLogical NodeStatus
TRIPGeneral trip (Z1 and Z2)TRIPPTRC1Tr.general
OSBOut-of-step blockOSB1RPSB2Str.general
OSTOut-of-step tripOSTRPSB1Op.general
Table 4. List of some generator network data.
Table 4. List of some generator network data.
Generator Data
GeneratorDynamic Controller Models
NameTypeMVA RatedPFPlant
Category
Automatic Voltage RegulatorGovernorPower System Stabiliser
Ankerling Gen 1P-V1860.8DieselIEEET1TGOV1STAB1
Ankerling Gen 2P-V1860.8DieselIEEET1TGOV1STAB3
Ankerling Gen 3P-V1860.8DieselIEEET1TGOV1STAB3
Koeberg Gen1Slack10720.9NuclearEXST2GASTSTAB1
Koeberg Gen2P-V10720.9NuclearEXST2GASTSTAB1
Palmiet Gen 1P-V2500.8Pump storageIEEET1TGOV2STAB1
Palmiet Gen2P-V2500.8Pump storageIEEET1TGOV2STAB3
Standby GenP-V2500.9HydroIEEET1TGOV1STAB3
Electra PVP-Q0.911PV---
FransvleiP-Q20.8Wind---
Table 5. The system monitored variables.
Table 5. The system monitored variables.
ParameterBusbarsGeneratorsDynamic Loads
Frequency XX
Rotor Angle X
Angular Speed X
Torque X
VoltageXXX
Power FactorXXX
Apparent PowerXXX
Active PowerXXX
CurrentXXX
Reactive PowerXXX
Grey Background color represents those parameter datas are not available for the indicated power system components; X represents those parameter datas are available for the indicated power system components.
Disclaimer/Publisher’s Note: The statements, opinions and data contained in all publications are solely those of the individual author(s) and contributor(s) and not of MDPI and/or the editor(s). MDPI and/or the editor(s) disclaim responsibility for any injury to people or property resulting from any ideas, methods, instructions or products referred to in the content.

Share and Cite

MDPI and ACS Style

Fose, N.; Krishnamurthy, S.; Moodley, P. Improved Control Technique for Enhancing Power System Stability in Out-of-Step Conditions. Energies 2024, 17, 4086. https://doi.org/10.3390/en17164086

AMA Style

Fose N, Krishnamurthy S, Moodley P. Improved Control Technique for Enhancing Power System Stability in Out-of-Step Conditions. Energies. 2024; 17(16):4086. https://doi.org/10.3390/en17164086

Chicago/Turabian Style

Fose, Nande, Senthil Krishnamurthy, and Prathaban Moodley. 2024. "Improved Control Technique for Enhancing Power System Stability in Out-of-Step Conditions" Energies 17, no. 16: 4086. https://doi.org/10.3390/en17164086

APA Style

Fose, N., Krishnamurthy, S., & Moodley, P. (2024). Improved Control Technique for Enhancing Power System Stability in Out-of-Step Conditions. Energies, 17(16), 4086. https://doi.org/10.3390/en17164086

Note that from the first issue of 2016, this journal uses article numbers instead of page numbers. See further details here.

Article Metrics

Back to TopTop