Next Article in Journal
Application of an Improved Harmony Search Algorithm on Electric Vehicle Routing Problems
Previous Article in Journal
A Review of End-of-Life Scenarios for Fibre-Reinforced Polymer Materials
 
 
Font Type:
Arial Georgia Verdana
Font Size:
Aa Aa Aa
Line Spacing:
Column Width:
Background:
Article

A New Method of Transformer Short-Circuit Impedance Regulation Based on Magnetic Shunts

College of Information Science and Engineering, Huaqiao University, Xiamen 361021, China
*
Author to whom correspondence should be addressed.
Energies 2024, 17(15), 3714; https://doi.org/10.3390/en17153714
Submission received: 29 May 2024 / Revised: 20 July 2024 / Accepted: 24 July 2024 / Published: 27 July 2024
(This article belongs to the Section F3: Power Electronics)

Abstract

Short-circuit impedance is an important economic and technical index to test the cost, efficiency and operation safety of transformers. Increasing the short-circuit impedance of the transformer can reduce the influence of the transformer fault current on the system. The short-circuit impedance of a general power transformer is 4~7%. When the short-circuit impedance is too small, the short-circuit current is too large, which will cause harm to electrical equipment. This paper proposes a method to adjust the short-circuit impedance by adding magnetic shunts of different thicknesses between the high and low voltage windings of the transformer. Compared with other methods, this method does not change the structure of the transformer core and winding, and is simple and efficient. In this paper, a three-dimensional simulation model of a single-phase multi-winding transformer is established by Altair Flux to study the influence of the thickness of magnetic shunts on the short-circuit impedance of a transformer. The feasibility of the proposed method is verified by comparing the simulation with the measured values. The magnetic shunt is also introduced into the three-phase transformer. The result shows that adding magnetic shunts of different thicknesses between the high and low voltage windings of the transformer will change the distribution and size of the leakage of the magnetic field. The short-circuit impedance increases significantly with the increase in the thickness of the magnetic shunt, but a certain number of magnetic shunts have minimal effects on the efficiency of the transformer.

1. Introduction

Transformers have been widely used in modern power systems. Short-circuit impedance is an important parameter of a transformer, which is related to many factors of transformers, such as their capacity, copper loss, iron loss, coil material and structure. It is related to the stability of the power supply system, the quality of the power supply to the load, the safety and reliability of the transformer after parallel connection, and so on. We can calculate the maximum short-circuit current that the transformer can withstand according to the short-circuit impedance, which is an important indicator for assessing the transformer.
The short-circuit impedance of the transformer is determined by its magnetic flux leakage. Therefore, the effective calculation and control of short-circuit impedance by using magnetic flux leakage has become an important and widely discussed topic.
The calculation methods of short-circuit impedance are various, but each method has a small disadvantage. For example, the direct calculation method [1] has a large error with the actual situation, and it is difficult to achieve wide universality. The magnetic field energy method [2,3,4,5] needs to be calculated many times in the finite element software when solving the short-circuit impedance of multiple single-to-single windings, so it increases the difficulty of solving. The field–circuit coupling method [6,7,8,9] needs to set different short-circuit conditions each time to solve the composite short-circuit impedance of a certain winding or some windings. The overall workload and working time are very long.
Reference [10] used the direct formula method, the self-inductance and mutual inductance analysis method, and the finite element method based on ANSYS Maxwell to calculate the short-circuit impedance of the controllable reactor of the transformer. However, this method is a two-dimensional linear modeling method, and there is a large error in practical application. In reference [11], a combined calculation method of the short-circuit impedance of a multi-winding transformer based on an equivalent single-turn inductance matrix is proposed. The error between the calculated value and the measured value is less than 5%. Reference [12] proposed an automatic measurement technology of transformer winding short-circuit impedance based on a partial discharge ultrasonic signal, obtained the partial discharge ultrasonic signal of the transformer, and extracted the characteristics of the partial discharge ultrasonic signal of the transformer by wavelet. This method measures the short-circuit impedance error within 0.3%. Reference [13] proposed a calculation method based on a simplified transformer finite element model. This method can quickly and accurately calculate the composite short-circuit impedance and the corresponding short-circuit circulating current of the multi-winding transformer. At present, there is a method to adjust the short-circuit impedance by changing the winding arrangement order. The literature [14] uses the finite element method to calculate the leakage reactance of the three-phase three-column transformer, and changes the leakage reactance by adjusting the winding distribution. Reference [15] proposed a method to adjust the short-circuit impedance of the interleaved transformer by changing the winding arrangement, and verified the accuracy of the calculation method through experimental and simulation data. However, when the transformer is manufactured, it is necessary to change the winding arrangement to adjust the short-circuit impedance. The operation is cumbersome and will destroy the structural integrity of the transformer. In the past few years, some scholars have proposed to install magnetic shunts in transformers, but their research focuses are different. The research direction mainly focuses on the influence of magnetic shunts on the electromagnetic forces of transformers [16], the influence of magnetic shunts on eddy current loss and temperature rise [17], and the use of magnetic shunts to reduce stray loss [18]. The addition of magnetic shunts to increase short-circuit impedance to reduce the short-circuit current needs to be studied. It is more convenient to add magnetic shunts directly between windings, and one-by-one superposition can more accurately adjust short-circuit impedance. At present, the research on magnetic shunts is basically based on the single-phase small transformer, and there is a lack of energy efficiency research after adding magnetic shunts.
This paper is organized as follows: Section 2 discusses the relationship between short-circuit impedance and magnetic shunts. In Section 3, the simulation model of the transformer is established by the magnetic circuit coupling method. The accuracy of the model is verified by experiments. Section 4 verifies the feasibility of the scheme through examples. Section 5 studies the transformer efficiency. In Section 6, the magnetic flux density, magnetic field strength, and relative permeability are analyzed by Altair FLUX. In Section 7, magnetic shunts are placed in a three-phase transformer. The last part concludes the paper.

2. Principle of Magnetic Shunts

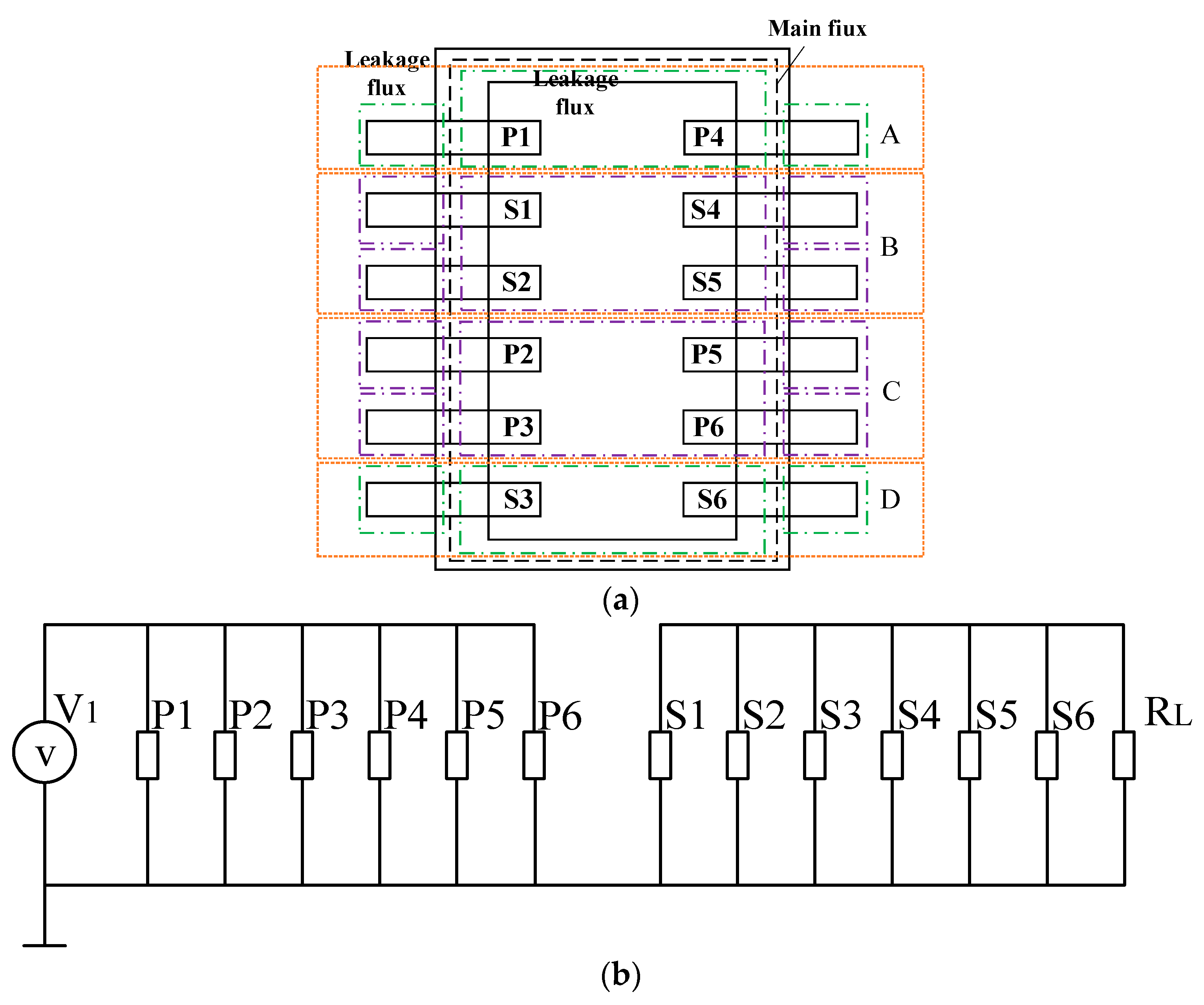
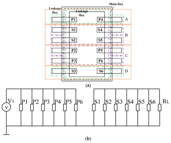
The transformer studied in this paper adopts an elliptical cylindrical winding, six windings on both sides, a symmetrical distribution, and adopts a low (P)–high (S)–high (S)–low (P)–low (P)–high (S) staggered distribution, as shown in Figure 1a, there is sufficient insulation distance between windings. The transformer with this winding arrangement can change the leakage magnetic field and reduce the additional loss. A-D represents the four winding areas divided by the orange box. The green and purple boxes represent the simplified magnetic circuits of each area. The core adopts a UI structure, that is, there are two vertical air gaps on the transformer’s iron frame, and the core is made of a 0.35 mm silicon steel sheet. Six windings on the primary side are parallel with each other, and the voltage source is also parallel with the primary winding. Six windings on the secondary side are parallel with each other, and the load is parallel with the secondary winding. The wiring is shown in Figure 1b.
P is the primary side winding and S is the secondary side winding. For the magnetic circuit between area A, B and B, C, the short-circuit impedance of the transformer can be adjusted by superimposing the number of magnetic shunts. The material of the magnetic shunt is the same as the magnetic core, and the B–H curve is shown in Figure 2.
The short-circuit resistance corresponds to the equivalent resistance of the copper loss of the primary and secondary windings. Under normal circumstances, this part will not change; The short-circuit reactance reflects the equivalent parameters of the leakage flux of the primary and secondary windings. The purpose of increasing the magnetic shunt is to increase the leakage flux, so that the short-circuit impedance can be increased. Figure 3a shows the appearance of the magnetic shunt. The thickness of a single magnetic shunt is d = 0.35 mm, the length is a = 60 mm, and the width is b = 120 mm. This section derives the case of adding a magnetic shunt at two positions, namely position 1 and position 2.
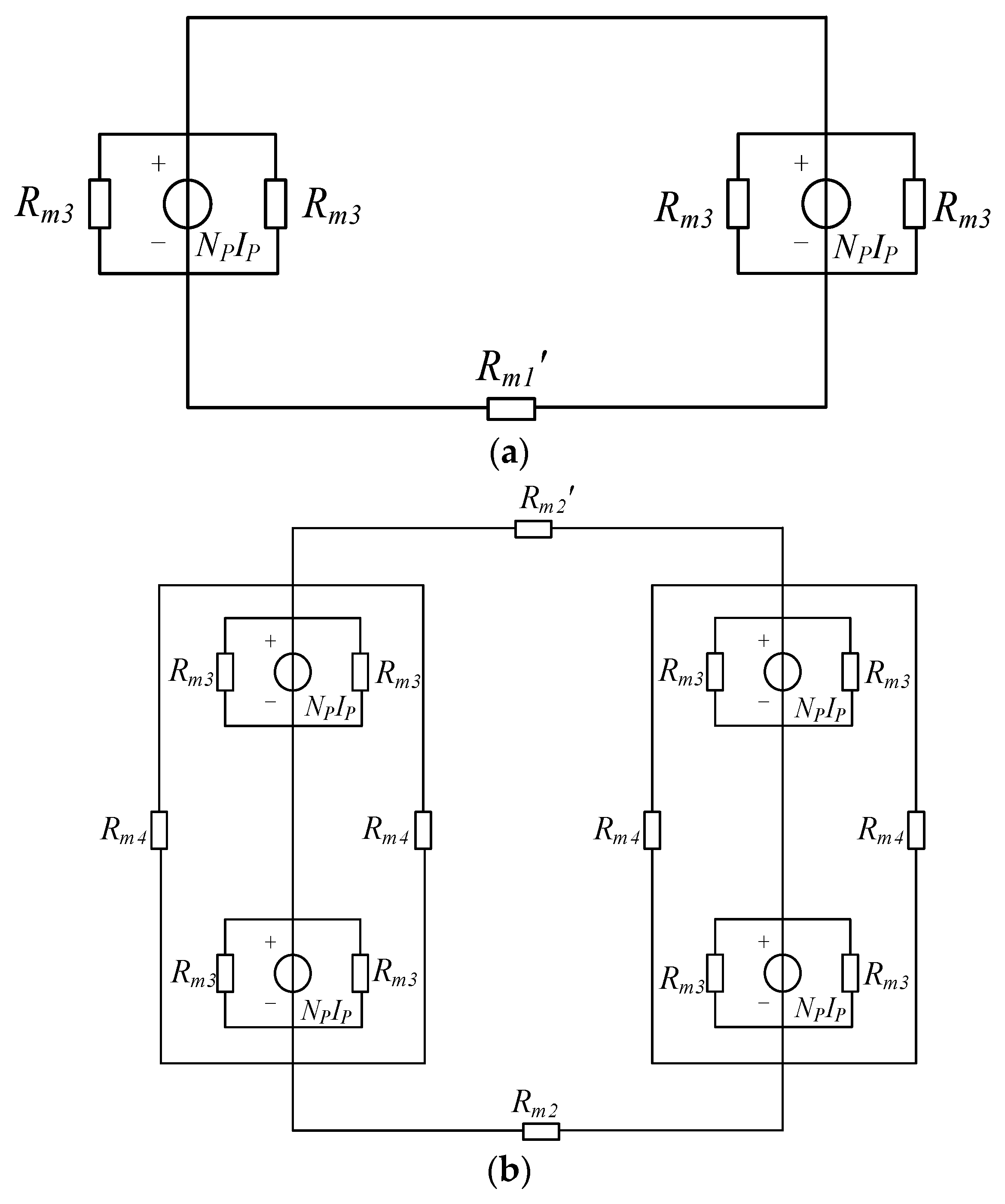
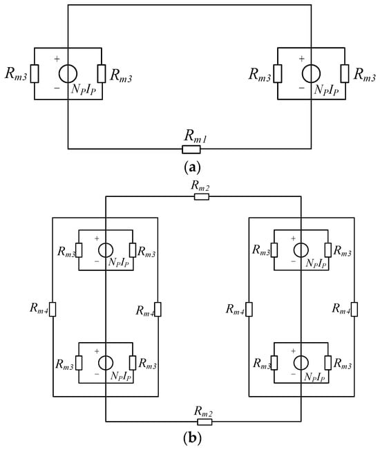
Since the permeability of the iron core is much larger than that of the air, that is, μFe >> μ0, the reluctance of the iron core can be ignored. It can be seen from Figure 1a that the primary winding and the secondary winding structure of the transformer are the same. Therefore, when calculating the magnetic circuit parameters of the transformer, the secondary side parameters can be simplified to the primary side. By using the circuit analysis method, the primary side magnetic circuit without the magnetic shunt can be obtained, as shown in Figure 4.
In the calculation, we ignore the skin effect and the proximity effect, and consider the core permeability as a constant. The magnetic air circuit is equivalent to multiple cuboids, and we assume that each coil on the primary side generates the same magnetic potential.
According to the calculation formula of reluctance,
R m = l μ s
where l is the length of the magnetic circuit, μ is the permeability, and s is the effective cross-sectional area through which the magnetic flux passes.
According to Formula (1), the relevant reluctance expression in Figure 4 can be calculated as follows:
R m 1 = l 1 μ 0 c 1 h 1 R m 2 = l 1 μ 0 c 1 2 h 1 R m 3 = l 3 μ 0 c 3 h 3 R m 4 = 2 l 3 μ 0 c 3 h 3
where l1 and l3 are the length of the magnetic circuit in the A and C regions, μ0 is the permeability, c1 and c3 are the width of the magnetic circuit, h1 and h3 are the height of the magnetic circuit.
If the magnetic shunt is not added, the total reluctance of the primary side is
R m s = R m p K 2 R m s = 1 2 R m 1 + 2 R m 2 + 12 R m 3 + 8 R m 4 K 2 = R m 1 R m 2 R m 3 R m 4 2 R m 2 R m 3 R m 4 + 2 R m 1 R m 3 R m 4 + 12 R m 1 R m 2 R m 4 + 8 R m 1 R m 2 R m 3 K 2 = l 1 l 3 6 μ 0 c 1 h 1 l 3 + 16 μ 0 c 3 h 3 l 1 K 2
The transformer short-circuit inductance can be expressed as
L k = N p 2 R m p + R m s = ( 6 μ 0 c 1 h 1 l 3 + 16 μ 0 c 3 h 3 l 1 ) K 2 N p 2 l 1 l 3 ( 1 + K 2 )
According to the definition of short-circuit impedance Zk, it can be simplified as
X k = ω L k = ω ( ( 6 μ 0 c 1 h 1 l 3 + 16 μ 0 c 3 h 3 l 1 ) K 2 N p 2 ) l 1 l 3 ( 1 + K 2 ) Z k = X k 2 + R k 2 = ( ω 6 μ 0 c 1 h 1 l 3 + 16 μ 0 c 3 h 3 l 1 K 2 N p 2 l 1 l 3 1 + K 2 ) 2 + R k 2
where K is the turn ratio of the primary winding to the secondary winding group, and Rk is the short-circuit resistance of the transformer.
After adding magnetic shunts at position 1 and position 2, the reluctance of the A and C regions in Figure 1a will change with the increase in the number of magnetic shunts. δ is the number of magnetic shunts. The transformer primary side magnetic circuit diagram is shown in Figure 5.
The schematic diagram of the magnetic air circuit size between the two windings inside the core is shown in Figure 6. We think that the magnetic circuit width c1 is equal to the magnetic shunt width b. The purpose of this is to facilitate the calculation. The magnetic air circuit only needs to be divided into three blocks, otherwise more is needed.
When δ 1 magnetic shunts are added at position 1, the Rm1 of area A is:
R m 1 = l 1 a μ 0 c 1 h 1 + a μ 0 c 1 ( h 1 δ 1 d ) + a μ F e δ 1 d b
Due to the fact that μFe >> μ0, the third term can be omitted in the calculation. For ease of comparison, write Rm1 in (2) as
R m 1 = l 1 a μ 0 c 1 h 1 + a μ 0 c 1 ( h 1 δ 1 d ) + a μ 0 δ 1 d b
It is easy to obtain Rm1 < Rm1. Similarly, when δ 2 magnetic shunts are added at position 2, we can obtain the expression of Rm2:
R m 2 = l 1 a 2 μ 0 c 1 h 1 + a 2 μ 0 c 1 h 1 δ 2 d + a μ F e δ 2 d b R m 2 < R m 2
The total reluctance of the primary side is
R m p = 1 2 R m 1 + 2 R m 2 + 12 R m 3 + 8 R m 4 R m s = 1 ( 2 R m 1 + 2 R m 2 + 12 R m 3 + 8 R m 4 ) K 2
When the magnetic shunt is not added, it becomes the case of (3). Or if one of the positions is added with a magnetic shunt and the other is not added, we can freely choose the combination of R m 1 , R m 2 and R m 1 , R m 2 .
From the above,
R m 1 > R m 1 R m 2 > R m 2
So,
R m p < R m p R m s < R m s
After adding the magnetic shunt, the short-circuit inductance of the transformer is
L k = N p 2 R m p + R m s
L k > L k
According to the definition of short-circuit impedance,
X k = ω L k Z k = ( X k ) 2 + R k 2 = ( ω N p 2 R m p + R m s ) 2 + R k 2 Z k > Z k
It can be concluded that increasing the thickness of the magnetic shunt can effectively adjust the short-circuit impedance of the transformer without changing the number of winding turns.

3. Experimental Model and Validation

3.1. Experimental Model

In order to shorten the design cycle of the transformer and save the cost, the transformer model is established by Altair FLUX, and an experimental test platform composed of a single-phase transformer, an oscilloscope, a multimeter, an air switch and an adjustable voltage source is established to verify the accuracy of the transformer model. The experimental platform is shown in Figure 7.
In the steady state, the voltage and current data of the transformer no-load test, short-circuit test, and rated operation are measured. The short-circuit test of the transformer with the load is carried out under the transient condition. The rated parameters and geometric parameters of the transformer are shown in Table 1 and Table 2. The transformer used in the experiment is shown in Figure 8. The simulation model is shown in Figure 9.
The actual structure of the transformer is more complex, but in the electromagnetic simulation calculation, if there is no special consideration, it can be simplified according to the actual situation. For example: (1) The core cannot be composed of actual silicon steel sheets, but can only be replaced by the core column to make the eddy current loss of the core deviate; (2) The coil is replaced by a cylindrical conductor, resulting in errors in the calculation of magnetic flux leakage; (3) The air gap is set at the magnetic core connection. According to the actual measurement data, the finite element simulation model is established, as shown in Figure 8. In order to improve the simulation speed and save storage space, only half of the transformer needs to be modeled.
The input of the transformer is simplified as the voltage source V1, and P1~P6 and S1~S6 are the primary winding and the secondary winding of the transformer, respectively. They are connected parallelly, and RL is the secondary side load, as shown in Figure 1b. By setting the resistance of RL, the simulation data under various working conditions can be obtained. For example, when RL = 108 Ω, the transformer runs without a load; when RL = U2N/I2N, the transformer operates under a rated load. When RL = 10−8 Ω, the secondary side of the transformer is short-circuited.

3.2. Model Verification

The verification of the transformer model includes two parts:
(A) Steady-state verification involves a no-load operation experiment, a short-circuit operation experiment, and a rated load operation experiment.
In the no-load operation experiment, the voltage range of the primary side power supply of the transformer is 0~1.5 U1N, and the secondary side is open. It can be seen from reference [15] that the maximum error between the measured value and the simulated value does not exceed 3%.
In the short-circuit operation experiment, when the secondary side of the transformer is short-circuited, the primary side inputs the voltage source. According to the experiment, when the primary side inputs 14.6 V of voltage, the secondary side winding current reaches the rated current of 58.3 A. According to the simulation, when the primary side inputs 14.1 V of voltage, the secondary side winding current reaches the rated current of 58.3 A. The error between the simulated value and the measured value of the short-circuit voltage is 3.42%.
In the rated load experiment, the primary side input voltage U1 is 104 V, and the secondary side is connected to a pure resistive load. The results are shown in Table 3.
Under the rated working condition, the error between the simulated value and the measured value of voltage and current is within 4%.
(B) Transient verification involves a transient short-circuit experiment.
In the transient short-circuit experiment, the primary side inputs sine wave voltage:
U 1 = 2 U 1 N sin ( ω t + α )
where α is the initial phase angle of the input voltage when t = 0. Figure 10 is the transient short-circuit experimental circuit diagram.
According to the short-circuit time measured by the transient short-circuit experiment, the simulation is set to close the switch when the short-circuit is t = 0.594 s at the same time. The measured value of the primary side current and the simulated value over time are shown in Figure 11.
According to the simulation results, it can be found that when t = 0.615 s, the primary side current reaches the maximum value, and the error between the simulation value and the measured value is 3.4%.
In other words, by comparing the simulated value of the transformer with the measured value, it is concluded that the error of each working condition is less than 5% within the allowable range of the project. Therefore, the simulation model can be used for further research.

4. Illustrative Example

As shown in Figure 12, magnetic shunts are added between the first set of P and S windings.
When the magnetic shunts are added, according to (2), (6)–(9), (16) and (17) can be obtained:
R m 1 = l 1 a μ 0 c 1 h 1 + a μ 0 c 1 ( h 1 δ 1 d ) R m 2 = l 1 μ 0 c 1 2 h 1 R m 3 = l 3 μ 0 c 3 h 3 R m 4 = 2 l 3 μ 0 c 3 h 3 R m p = 1 2 R m 1 + 2 R m 2 + 12 R m 3 + 8 R m 4 R m s = 1 ( 2 R m 1 + 2 R m 2 + 12 R m 3 + 8 R m 4 ) K 2
L k = N p 2 R m p + R m s X k = ω L k Z k = ( X k ) 2 + R k 2 = ( ω N p 2 R m p + R m s ) 2 + R k 2
The parameter values of (16) and (17) are shown in Table 4.
By changing the number of magnetic shunts, the secondary side is short-circuited. When the current passing through the secondary side is a rated current, the simulation value, calculated value, and experimental value of the short-circuit impedance in Table 5 are compared. SV means the simulation value, CV means the calculated value, and EV means the measured value. The short-circuit impedance in the following Table is the actual value rather than the percentage.
As shown in Figure 13, the short-circuit impedance change corresponding to the maximum short-circuit current is as follows:
(A) As the thickness of the magnetic shunt increases, it gradually increases, thereby reducing the maximum short-circuit current.
(B) As the thickness of the magnetic shunt increases, the short-circuit impedance curve tends to be gentle and the growth rate decreases. Therefore, considering the economic benefits, increasing the number of magnetic shunts at the same position is not a case of more being better.
The calculated value in the curve is close to the experimental value, and the simulation value has a relatively large error. The reason for this is that the actual situation is simplified during the simulation. For example, the magnetic core cannot be modeled by a piece of a silicon steel sheet, but by a complete magnetic core column; the coil is replaced by a cylindrical conductor, resulting in small errors in the calculation of the leakage of the magnetic field, and so on.
The short-circuit resistance corresponds to the equivalent resistance of the copper loss of the primary and secondary windings. In large transformers, the resistance component accounts for a small proportion of the short-circuit impedance. For 220 V transformers, the DC resistance is generally very small, between tens to hundreds of milliohms. The single-phase transformer used in this paper has 42 turns of primary winding. The resistance of each winding on the primary side is only 73.2 mΩ, the secondary winding is 97 turns, and the resistance of each winding on the secondary side is only 400 mΩ. But in the method of increasing the short-circuit impedance by the magnetic shunt proposed in this paper, when the number of magnetic shunts is increased to 5, the short-circuit impedance has increased by 27 mΩ, and as the number increases, the short-circuit impedance continues to increase.
In addition, we change the winding material from copper wire to aluminum wire, and the wire resistance increases. The resistance of each winding on the primary side becomes 118.3 mΩ, and the resistance of each winding on the secondary side becomes 646.8 mΩ. When the number of magnetic shunts increases to 10, the short-circuit impedance increases by 53.3 mΩ, and as the number increases, the short-circuit impedance continues to increase. The results are shown in Table 6.
Therefore, it is a convenient and effective method to increase the short-circuit impedance by increasing number of magnetic shunts on some occasions.

5. Research on Efficiency of the Single-Phase Transformer

In this section, the efficiency of a single-phase transformer is simulated, and the efficiency of no magnetic shunt and adding 1, 2, 3, 7 and 10 magnetic shunts under a rated load is discussed. The input and output power are compared directly, as shown in the following Table 7.
The secondary voltage and efficiency in Table 7 are converted into Figure 14. It can be seen that the change trend is consistent. As the number of magnetic shunts increases, the secondary voltage and efficiency decrease slightly. When 10 magnetic shunts are added, the voltage decreases by 0.866% and the efficiency decreases by 1.75%. However, combined with the short-circuit impedance simulation data in Table 5, the short-circuit impedance increases by 22.378%. Therefore, we can conclude that the short-circuit impedance can be greatly increased by adding a magnetic shunt at the expense of a very small part of the output voltage and efficiency.
It is worth noting that the position of the added magnetic shunts discussed in this paper is not necessarily optimal. If the positions and shapes of the magnetic shunts are optimized, it is believed that the efficiency and the secondary side voltage drop will be smaller.

6. Magnetic Field Analysis

6.1. Magnetic Flux Density Analysis

In order to reasonably arrange the total length of the article, δ = 0, 1, 7 and 11 are selected for magnetic field analysis. Figure 15 is the magnetic flux density cloud map of magnetic shunts with different thicknesses, and the magnetic flux density cloud map near the magnetic shunt in the white dotted frame is enlarged. The white box number corresponds to the enlarged area number, and the arrow represents the value of the corresponding position. The same is true for Figure 16 and Figure 17. It can be seen that when δ = 0, the magnetic flux density distribution around the coil is relatively uniform, about 0~0.643 T. When δ = 1, the magnetic flux density at the iron yoke increases slightly, and the maximum value is 0.725 T, but the magnetic flux density near the magnetic shunt increases significantly, and the maximum value is 0.580 T. When δ = 7, the maximum magnetic flux density around the coil and the yoke is 0.783 T, and the maximum value around the magnetic shunt changes significantly, reaching 0.887 T. As the thickness continues to increase, when δ = 11, the maximum magnetic flux density at the position of the magnetic shunt reaches 2.032 T, but the maximum magnetic flux density around the coil and the iron yoke is only 0.889 T. Therefore, the magnetic flux density of the magnetic shunt part is the most affected by the increase in the thickness of the magnetic shunt.

6.2. Magnetic Field Intensity Distribution

Figure 16 shows the distribution of magnetic field intensity. When δ = 0, the magnetic field between each group of high and low voltage windings is symmetrically distributed. The maximum magnetic field of the winding is stable at about 55,000 A/m. After the magnetic shunt is added, the magnetic field at the magnetic shunt is greatly enhanced, reaching 100,000 A/m, which is almost two times that without the magnetic shunt. However, with the increase in the thickness of the magnetic shunt, the influence on the magnetic field distribution of the transformer winding is small, and the range of the strong magnetic field on both sides of the magnetic shunt is slightly increased.

6.3. Relative Permeability Distribution

Figure 17 shows the relative permeability distribution of the transformer core. When δ = 0, the relative permeability of the magnetic core is above 3979, and with the increase in the thickness of the magnetic shunt, the relative permeability of the inner angle of the lower iron yoke always remains at the maximum value of 24,490, indicating that increasing the thickness of the magnetic shunt has no effect on the place, and observing the four diagrams shows that the relative permeability distribution near the magnetic shunt is similar, only the upper iron yoke changes slightly, so adding the magnetic shunt has little effect on the relative permeability.
Combined with the conclusion of the previous section, it can be proved that a certain number of magnetic shunts can effectively increase the short-circuit impedance and almost have minimal effect on the efficiency.

7. The Case of Adding Magnetic Shunts to Three-Phase Transformers

At present, the three-phase transformer is widely used, so this section introduces magnetic shunts into three-phase transformers. Firstly, the three-phase transformer model is established according to the technical parameters provided by the manufacturer, as shown in Figure 18. The red box represents the three-phase input connector on the primary side. The three-phase transformer is verified with reference to the single-phase transformer model verification process. The error is less than 10%. Three-phase transformer wiring is shown in Figure 19. The rated parameters are shown in Table 8.
Firstly, the distribution of the magnetic field intensity vectors during normal operation is simulated. It is shown in Figure 20a. It is found that the magnetic field intensity is the strongest at the position between the windings, so the number of magnetic separators can be saved to the greatest extent by placing them between the windings. Magnetic shunts are placed in position 1 and position 2 between the B and C phase windings shown in Figure 20b, and the size of the magnetic shunts is adjusted appropriately.
The three-phase winding of the secondary side is short-circuited. The primary side is powered by three sinusoidal current sources with an effective value of 7.6 A, a frequency of 50 Hz, and a phase difference of 120°. The circuit diagram is shown in Figure 21.
First, add one, two, four, five, and eight magnetic shunts at position 1, and then add eight magnetic shunts at position 2. The results are as follows.
It can be seen from Table 9 that when eight magnetic shunts are added at position 1, the C-phase short-circuit impedance increases by 6%. However, when eight magnetic shunts are added at position 2, the C-phase short-circuit impedance increases by 21.7%. It can be concluded that in addition to the number of magnetic shunts, the position of the magnetic shunts also has an important influence on the short-circuit impedance.

8. Conclusions

This paper proposes a method to adjust the short-circuit impedance of the transformer by using magnetic shunts between the high and low voltage windings. The purpose is to reduce the leakage reactance of the transformer without changing the core and winding structure, thereby increasing the leakage flux. Firstly, the simulation model of the single-phase interleaved transformer is established. After verifying the accuracy of the model, the influence of the thickness of the magnetic shunt between the high and low voltage windings on the short-circuit impedance is studied. The main conclusions are as follows:
(1)
After adding a magnetic shunt between the primary and secondary coils, the reluctance decreases with the increase in the thickness of the magnetic shunt, and the total leakage flux and short-circuit reactance also increase accordingly, but this is within a certain range. If it exceeds this range, it will increase slowly, and the simulation results, experimental results and theoretical calculation results are highly consistent.
(2)
Through the efficiency of the transformer, it can be found that adding a certain number of magnetic shunts has minimal effect on the transformer, but the short-circuit impedance increases significantly. It can be seen from the relative permeability of the core, the magnetic flux density, and the magnetic field distribution of the winding that the increase in the thickness of the magnetic shunt will not have a significant effect on them, and only changes around the magnetic shunt. The above two analysis methods show that a certain number of magnetic shunts have little effect on the transformer, but can significantly improve the short-circuit impedance.
(3)
After introducing magnetic shunts into the three-phase transformer, we find that magnetic shunts can increase the short-circuit impedance, but the increase in the three-phase short-circuit impedance is not the same, which is related to the number and position of the magnetic shunts. Further research will be carried out based on this aspect.

Author Contributions

Conceptualization, H.J. and W.Z.; data curation, H.J.; formal analysis, H.J.; investigation, H.J. and W.C.; methodology, H.J.; project administration, H.J.; resources, H.J. and W.Z.; software, H.J.; supervision, H.J. and W.Z.; validation, H.J.; visualization, H.J.; writing—original draft, H.J.; writing—review and editing, H.J. and Z.Y. All authors have read and agreed to the published version of the manuscript.

Funding

This research received no external funding.

Data Availability Statement

The original contributions presented in the study are included in the article, further inquiries can be directed to the corresponding authors.

Conflicts of Interest

The authors declare no conflicts of interest.

References

  1. Deng, H.S.; Chen, D.F.; Lin, G. Analysis of calculation methods for short circuit impedance of double-winding on-load-tap-changing transformer with arrangement of HV-LV-HV-voltage regulation windings. Transformer 2010, 47, 6. [Google Scholar]
  2. Li, Y. Examples to calculate reactance by energy method. Transformer 2004, 41, 18–21. [Google Scholar]
  3. Chou, J.D.; Ling, H.Y.; Zhu, H.F. Calculation of Transformer’s Short Impedance Based on Energy Method. Electrotech. Appl. 2006, 25, 26–28. [Google Scholar]
  4. Li, J.B. Energy method for calculating short circuit impedance of zigzag transformer. Trans. China Electrotech. Soc. 2013, 28, 424–426. [Google Scholar]
  5. Cheng, P.; Cheng, E.K.; Sun, Y.R. Calculation of short circuit impedance of amorphous alloy transformer. Transformer 2016, 53, 15–18. [Google Scholar]
  6. Xie, B.R.; Li, X.S.; Chen, Q.F. Calculation of the circulating current and short-circuit impedance of a 3000kva hts transformer with split types of windings. In Proceedings of the International Conference on Electrical Machines and Systems (ICEMS), Seoul, South Korea, 8–11 October 2007; pp. 104–111. [Google Scholar]
  7. Han, F.X.; Li, Y.; Sun, X. Calculation of leakage magnetic field and short circuit impedance of power transformer. Transformer 2010, 47, 9–12. [Google Scholar]
  8. Xie, B.R.; Cheng, Q.F.; Kang, C.H. Modeling and impedance parameter design of multi winding transformer based on combined field circuit coupling method. Proc. CSEE 2009, 29, 104–111. [Google Scholar]
  9. Wei, X.; Zhu, X.S.; Ge, J.; Zhou, Q.W.; Zhang, Z.F.; Li, Z. Improved sag control strategy for parallel operation of cascaded power electronic transformers. High Volt. Eng. 2021, 47, 1274–1282. [Google Scholar]
  10. Tian, M.X.; Yuan, D.S.; Gong, Y. Different short-circuit impedance calculation method of controllable reactor of transformer type. In Proceedings of the IEEE International Conference on Applied Superconductivity and Electromagnetic Devices, Beijing, China, 25–27 October 2013; pp. 422–425. [Google Scholar]
  11. Luo, R.F.; Liao, W.D.; Xu, J.H. Multi-winding transformer composite short-circuit impedance and circulating current calculation based on a new field-circuit coupling method. J. Hunan Univ. 2015, 42, 67–73. [Google Scholar]
  12. Xu, C.; Zhang, S.W.; Xue, R.P. Automatic Measurement Technology of Transformer Winding Short Circuit Impedance Based on Partial Discharge Ultrasonic Signal. Autom. Instrum. 2024, 39, 79–83. [Google Scholar]
  13. Li, S.J.; Huang, C.; Xia, X.B.; Yang, J.Y.; Kuang, X.W.; Zhang, B.; Chen, Y.Y.; Guo, Y. Calculation of Composite Short-circuit Impedance and Circulating Current of Multi-winding Transformer. J. Electr. Eng. 2023, 18, 260–267. [Google Scholar]
  14. Fukumoto, H.; Furukawa, T.; Itoh, H.; Ohchi, M. Calculating leakage reactance of 9-winding transformer using time-dependent 3D FEM analysis. In Proceedings of the IECON 2015—41st Annual Conference of the IEEE Industrial Electronics Society, Yokohama, Japan, 9–12 November 2015; pp. 4459–4464. [Google Scholar]
  15. Ye, Z.; Yu, W.; Gou, J.; Tian, K.; Zeng, W.; An, B.; Li, Y. A Calculation Method to Adjust the Short-Circuit Impedance of a Transformer. IEEE Access 2020, 8, 223848–223858. [Google Scholar] [CrossRef]
  16. Wang, Y.; Zhang, J.; Zhou, B.; Wang, Y.; Ni, Y.; Pan, J. Magnetic Shunt Design and Their Effects on Transformer Winding Electromagnetic Forces. Iran. J. Sci. Technol. Trans. Electr. Eng. 2019, 43, 97–105. [Google Scholar] [CrossRef]
  17. Yang, H.; Zhang, Y. Analysis on the magnetic shunt structure of large power transformer. IET Gener. Transm. Distrib. 2018, 12, 2755–2761. [Google Scholar] [CrossRef]
  18. Moghaddami, M.; Sarwat, A.I.; De Leon, F. Reduction of Stray Loss in Power Transformers Using Horizontal Magnetic Wall Shunts. IEEE Trans. Magn. 2017, 53, 8100607. [Google Scholar] [CrossRef]
Figure 1. Winding arrangement structure and wiring diagram: (a) the winding arrangement structure; (b) the wiring diagram.
Figure 1. Winding arrangement structure and wiring diagram: (a) the winding arrangement structure; (b) the wiring diagram.
Energies 17 03714 g001
Figure 2. B–H curve of the core material.
Figure 2. B–H curve of the core material.
Energies 17 03714 g002
Figure 3. A magnetic shunt and its placement position: (a) a magnetic shunt, (b) its position.
Figure 3. A magnetic shunt and its placement position: (a) a magnetic shunt, (b) its position.
Energies 17 03714 g003
Figure 4. Transformer primary side magnetic circuit diagram: (a) Magnetic circuit diagram of area A; (b) Magnetic circuit diagram of area C.
Figure 4. Transformer primary side magnetic circuit diagram: (a) Magnetic circuit diagram of area A; (b) Magnetic circuit diagram of area C.
Energies 17 03714 g004
Figure 5. Transformer primary side magnetic circuit diagram: (a) Magnetic circuit diagram of area A after adding magnetic shunts; (b) Magnetic circuit diagram of area C after adding magnetic shunts.
Figure 5. Transformer primary side magnetic circuit diagram: (a) Magnetic circuit diagram of area A after adding magnetic shunts; (b) Magnetic circuit diagram of area C after adding magnetic shunts.
Energies 17 03714 g005
Figure 6. Magnetic air circuit size diagram.
Figure 6. Magnetic air circuit size diagram.
Energies 17 03714 g006
Figure 7. The experimental test platform.
Figure 7. The experimental test platform.
Energies 17 03714 g007
Figure 8. Diagram of the prototype physical object: (a) the front of the transformer; (b) the back of the transformer.
Figure 8. Diagram of the prototype physical object: (a) the front of the transformer; (b) the back of the transformer.
Energies 17 03714 g008
Figure 9. Simulation model of the transformer.
Figure 9. Simulation model of the transformer.
Energies 17 03714 g009
Figure 10. Transient short-circuit experiment circuit diagram.
Figure 10. Transient short-circuit experiment circuit diagram.
Energies 17 03714 g010
Figure 11. The variation curve of the primary side current with time.
Figure 11. The variation curve of the primary side current with time.
Energies 17 03714 g011
Figure 12. Transformer with magnetic shunt added.
Figure 12. Transformer with magnetic shunt added.
Energies 17 03714 g012
Figure 13. Short-circuit impedance varies with the magnetic shunt’s thickness.
Figure 13. Short-circuit impedance varies with the magnetic shunt’s thickness.
Energies 17 03714 g013
Figure 14. Single-phase transformer voltage and efficiency change curve diagram: (a) Secondary voltage; (b) Efficiency.
Figure 14. Single-phase transformer voltage and efficiency change curve diagram: (a) Secondary voltage; (b) Efficiency.
Energies 17 03714 g014
Figure 15. Magnetic flux density distribution diagram for different magnetic shunt thicknesses.
Figure 15. Magnetic flux density distribution diagram for different magnetic shunt thicknesses.
Energies 17 03714 g015
Figure 16. Magnetic field intensity distribution diagram for different magnetic shunt thicknesses.
Figure 16. Magnetic field intensity distribution diagram for different magnetic shunt thicknesses.
Energies 17 03714 g016
Figure 17. Relative permeability distribution diagram for different magnetic shunt thicknesses.
Figure 17. Relative permeability distribution diagram for different magnetic shunt thicknesses.
Energies 17 03714 g017
Figure 18. Three-phase transformer size diagram and simulation model: (a) Size diagram; (b) Simulation model.
Figure 18. Three-phase transformer size diagram and simulation model: (a) Size diagram; (b) Simulation model.
Energies 17 03714 g018
Figure 19. Three-phase transformer wiring diagram.
Figure 19. Three-phase transformer wiring diagram.
Energies 17 03714 g019
Figure 20. Magnetic field intensity vector diagram and magnetic shunt position diagram: (a) Magnetic field intensity vector diagram; (b) Magnetic shunt position diagram.
Figure 20. Magnetic field intensity vector diagram and magnetic shunt position diagram: (a) Magnetic field intensity vector diagram; (b) Magnetic shunt position diagram.
Energies 17 03714 g020
Figure 21. Three-phase transformer short-circuit impedance test diagram.
Figure 21. Three-phase transformer short-circuit impedance test diagram.
Energies 17 03714 g021
Table 1. Rated parameters of the transformer.
Table 1. Rated parameters of the transformer.
ParameterValue
Rated power (kW)14
Rated frequency (Hz)50
Primary rated voltage (V)104
Secondary rated voltage (V)240
Primary rated current (A)134.6
Secondary Rated Current (A)58.3
Short-circuit voltage percentage 6%
No-load current percentage4%
Table 2. Structure parameters of the transformer.
Table 2. Structure parameters of the transformer.
ParameterNumerical Value/mmParameterNumerical Value/mm
Core outer length210Core outer height417
Core inner length68Core inner height275
Distance from winding to core column6Distance from winding to yoke0.5
Winding pitch on the same side5Core thickness127
Table 3. The rated load experiment.
Table 3. The rated load experiment.
ParameterI1 (A)U2 (V)I2 (A)
Measured value138235.158.02
Simulation value132.63232.1357.29
Error3.89%1.26%1.26%
Table 4. Parameter values.
Table 4. Parameter values.
ParameterValue
R1l1 = 68 mm S1 = 7339 mm2
R2L2 = 41 mm S2 = 2864 mm2
R3L3 = 87 mm S3 = 2864 mm2
R4L4 = 68 mm S4 = 15,537 mm2
NP42
NS97
K42/97
a60 mm
b120 mm
d0.35 mm
Table 5. The error of simulation value, measured value, and calculated value of transformer short-circuit impedance.
Table 5. The error of simulation value, measured value, and calculated value of transformer short-circuit impedance.
δUk (V)I (A)SV Zk (Ω)CV Zk (Ω)EV Zk (Ω)Error between SV and CVError between EV and CV
014.120758.30.24220.23540.23772.81%−0.97%
114.595958.30.25040.24340.24082.80%1.08%
215.015458.30.25760.25080.2472.64%1.54%
315.428958.30.26460.25740.25392.72%1.38%
415.838158.30.27170.26420.2612.76%1.23%
516.278758.30.27920.2710.2682.94%1.12%
616.579358.30.28440.27640.27322.81%1.17%
716.811358.30.28840.28020.27782.84%0.86%
816.998458.30.29160.28320.28122.88%0.71%
917.21658.30.29530.2860.28363.15%0.85%
1017.278958.30.29640.28650.28393.34%0.92%
1117.323758.30.29710.28670.28523.50%0.53%
Table 6. Short-circuit impedance of the aluminum wire material.
Table 6. Short-circuit impedance of the aluminum wire material.
δUK (V)I (A)Zk (Ω)
016.871858.30.2893
217.643358.30.3026
518.821458.30.3228
1019.976558.30.3426
Table 7. The efficiency of the single-phase transformer.
Table 7. The efficiency of the single-phase transformer.
δU1 (V)I1 (A)U2 (V)I2 (A)Efficiency
0 104 132.63 232.13 57.29 0.9641
1 104 132.33 231.90 57.08 0.9618
2 104 132.01 231.65 56.93 0.9606
3 104 131.67 231.43 56.71 0.9584
7 104 131.03 230.48 56.16 0.9498
10 104 130.57 230.12 55.86 0.9466
Table 8. Rated parameters of three-phase transformer.
Table 8. Rated parameters of three-phase transformer.
ParameterValue
SN (kVA)5
Rated frequency (Hz)50
Primary rated voltage (V) (Star connection)N-220/380
Secondary rated voltage (V) (Delta connection)225
Primary rated current (A) (Star connection)7.6
Secondary rated current (A) (Delta connection)12.83
NP/NS (Each phase)84 × 2/174
Short-circuit voltage percentage≥13%
Table 9. Simulation data of three-phase transformer short-circuit impedance.
Table 9. Simulation data of three-phase transformer short-circuit impedance.
δUA (V)UB (V)UC (V)I (A)ZkA (Ω)ZkB (Ω)ZkC (Ω)
032.301632.699132.36837.64.25024.30254.2590
132.470432.193532.28147.64.27244.23604.2476
232.244032.165932.50047.64.24264.23244.2764
432.317332.774632.77467.64.25234.31244.3124
532.296632.575233.52297.64.24964.28624.4109
832.228832.620834.31947.64.24064.29224.5157
1632.314233.772139.40647.64.25194.44375.1850
Disclaimer/Publisher’s Note: The statements, opinions and data contained in all publications are solely those of the individual author(s) and contributor(s) and not of MDPI and/or the editor(s). MDPI and/or the editor(s) disclaim responsibility for any injury to people or property resulting from any ideas, methods, instructions or products referred to in the content.

Share and Cite

MDPI and ACS Style

Ye, Z.; Jia, H.; Cai, W.; Zeng, W. A New Method of Transformer Short-Circuit Impedance Regulation Based on Magnetic Shunts. Energies 2024, 17, 3714. https://doi.org/10.3390/en17153714

AMA Style

Ye Z, Jia H, Cai W, Zeng W. A New Method of Transformer Short-Circuit Impedance Regulation Based on Magnetic Shunts. Energies. 2024; 17(15):3714. https://doi.org/10.3390/en17153714

Chicago/Turabian Style

Ye, Zhijun, Hao Jia, Wei Cai, and Wenhui Zeng. 2024. "A New Method of Transformer Short-Circuit Impedance Regulation Based on Magnetic Shunts" Energies 17, no. 15: 3714. https://doi.org/10.3390/en17153714

APA Style

Ye, Z., Jia, H., Cai, W., & Zeng, W. (2024). A New Method of Transformer Short-Circuit Impedance Regulation Based on Magnetic Shunts. Energies, 17(15), 3714. https://doi.org/10.3390/en17153714

Note that from the first issue of 2016, this journal uses article numbers instead of page numbers. See further details here.

Article Metrics

Back to TopTop