Next Article in Journal
Evaluation of Energy-Production Preferences Using ANP Methodology Based on a Comprehensive Residential Survey
Previous Article in Journal
Decoding the Developmental Trajectory of Energy Trading in Power Markets through Bibliometric and Visual Analytics
 
 
Font Type:
Arial Georgia Verdana
Font Size:
Aa Aa Aa
Line Spacing:
Column Width:
Background:
Article

Three-Coil Wireless Charging System Based on S-PS Topology

Shaanxi Provincial Key Laboratory of Oil and Gas Well Measurement and Control Technology, Xi’an Shiyou University, Xi’an 710065, China
*
Authors to whom correspondence should be addressed.
Energies 2024, 17(15), 3606; https://doi.org/10.3390/en17153606
Submission received: 12 June 2024 / Revised: 10 July 2024 / Accepted: 16 July 2024 / Published: 23 July 2024
(This article belongs to the Section F: Electrical Engineering)

Abstract

To protect the battery, radio energy transmission charging typically uses constant current (CC) charging before switching to constant voltage (CV) charging to enhance battery durability. This paper proposes adding an auxiliary clamp coil to the original circuit topology. The IPT battery charger designed with the auxiliary clamp coil can achieve both constant current (CC) and constant voltage (CV) outputs. The mutual inductance between the auxiliary clamp coil and the primary side coil greatly influences the output performance of the entire IPT system, so the auxiliary clamp coil should not be too large. To solve this problem, an S-S-PS circuit with secondary compensation topology in the secondary coil is proposed. This circuit topology reduces the size of the auxiliary clamp coil, allowing it to be placed in an optimal position. When the constant voltage output critical position is reached, the IPT system can still automatically, continuously, and smoothly switch between CC and CV modes. Consequently, this approach avoids increased cost consumption associated with detecting CC-CV switching thresholds, adding wireless transmission communication modules, real-time control of the power transmitter, and active protection of the circuit during constant current charging. Finally, a 48 V/2.5 A prototype was built to verify that the IPT system has CC-CV conversion functionality.

1. Introduction

At present, wireless charging devices are ubiquitous in daily life. Compared to traditional wired charging, wireless power transfer (WPT) is widely favored due to its stability, safety, and convenience [1,2,3,4]. Inductive power transfer (IPT) technology is highly efficient and can charge lithium batteries using both constant current (CC) and constant voltage (CV) methods, extending battery life.
According to the literature, two output modes are currently used to charge lithium batteries: first constant current (CC) charging and then constant voltage (CV) charging [5,6,7]. When the IPT system is first connected to the battery, the battery power is low, the internal equivalent resistance is small, and the voltage at both ends is low. As CC charging continues, the voltage at both ends of the battery gradually increases. When it reaches a certain threshold, the system switches to constant voltage charging by changing the frequency or using other methods, and the resistance at the receiving load can be considered infinite. The current through the load side is also approximately zero [8,9,10]. Additionally, to reduce reactive circulating current and improve the output efficiency of the IPT system, the system should achieve soft switching in both CC and CV output modes and maintain an input zero phase angle (ZPA). Based on these principles, researchers have designed IPT systems with various control schemes and circuit topology switching methods [11,12,13]. Some scholars have designed a closed-loop feedback IPT system using a DC–DC converter, which transmits the current charging data to the DC–DC converter in real time to achieve stable constant current (CC) and constant voltage (CV) output during the charging process. However, the introduction of a DC−DC module occupies design space and generates power loss [14,15,16,17]. While CC and CV output can be achieved by changing the operating frequency in an IPT system, high-frequency changes can lead to frequency division faults, resulting in poor system stability. A WPT system with different circuit topology switching can compensate for insufficient control strategies and achieve CC and CV output. However, this requires additional peripheral driving circuits and parameter components for different topologies, which increases system design complexity and internal energy loss [18,19,20,21]. Applying a high-frequency inverter on the primary side and a semi-active rectifier on the secondary side allows bilateral control to manage constant voltage (CV) output and maximize efficiency under fixed load and internal coupling conditions in the system [22,23,24]. Scholars propose a three-coil compensation WPT system. The series–series–series (S-S-S) method can actively adjust the system’s constant current (CC) and constant voltage (CV) output modes based on the output current and voltage values. However, the auxiliary coil affects the mutual inductance between the primary and secondary sides, which restricts the secondary output end [25]. The series–series–LC (S-S-LC) circuit topology adds a compensation inductor on the secondary side, reducing the auxiliary coil’s impact on the mutual inductance of the secondary coil. However, the mutual inductance of the newly added compensation coil is not accounted for, leading to significant deviations [26]. However, these methods require detecting and controlling the system output information using high-precision equipment and complex control methods, which is impractical from an engineering perspective. The circuit contains too many compensators, making the design overly complex and prone to failure, deviating from the original simplicity principle of the IPT system design. Researchers propose using an auxiliary coil at both the primary transmitting end and the secondary receiving end to actively switch the system output mode when the current voltage reaches a certain threshold. However, this approach limits the IPT system’s adaptability to size constraints, making it challenging to optimize and deploy in narrow spaces like underground settings. Accurately estimating the battery SOC and battery temperature can protect the battery and extend the battery life. Scholars have proposed a method for jointly estimating the SOC and temperature of lithium iron phosphate batteries based on ultrasonic transmission waves. An ultrasonic transducer is added to the outside of the battery. The ultrasonic transducer transmits ultrasonic signals at one end and receives them at the other end. The battery SOC characteristics are analyzed through a sliding window. Finally, the BP neural network is used to jointly estimate the battery status over a wide range, which can improve the safety of the entire system [27]. Scholars proposed that a DD-square pad (DDQP) be used as the receiving end and a circular coil be used as the transmitting end. When energy is transmitted, the coupling zero point in the Y direction is moved to 70% of the coil, which can significantly increase the interoperability range. Scholars proposed that the use of bipolar pad (BPP) coils can save wires. Using them as transmitting and receiving coils can control the internal current to adapt to different environments, which becomes the basis for interoperability with different coils. The compensation topology can compensate for impedance matching and reactive power in the circuit. Therefore, to improve the interoperability of the coupler, a suitable compensation topology must be selected. Scholars proposed the bilateral LCC compensation topology, which has advantages over the SS topology in terms of stability and parameter fluctuations and can achieve better interoperability. At the same time, there are topologies such as LCC-P, LCC-S, and S-LCC, which can achieve the same power output under a fixed coupling coefficient [28].
To address these issues, this paper proposes a three-coil wireless charging system that can actively switch between constant current (CC) and constant voltage (CV) modes. An auxiliary clamp coil loop is added to the original side-transmitting coil, which includes an auxiliary mutual inductance coil and a diode rectifier bridge. This setup allows active switching between CC and CV at the output end, preventing system damage from accidental openings. The auxiliary coil ensures the system’s voltage output gain is unaffected by internal parameters, allowing for active adjustment of battery charging based on load changes, thus enhancing system design flexibility. The series–series–parallel series (S-S-PS) compensation topology is used for the primary and secondary edges, eliminating the need for additional control and detection equipment at the secondary edge, reducing system costs. Compared with [26], this design avoids the interference of the magnetic field generated by the compensation inductor on the three coils of the coupling system, reduces the system complexity, and improves the system stability. At the same time, the capacitor compensation is smaller in size than the inductor compensation. The size of the experimental prototype is smaller than that in [26], which is conducive to reducing the system space volume. The system operates in three modes: constant current output, transition from constant current to constant voltage, and constant voltage output. Zero phase angle (ZPA) can be applied in all three modes to reduce reactive power circulation and improve output efficiency.

2. Topology Analysis of S-S-S Circuit Based on Auxiliary Coil

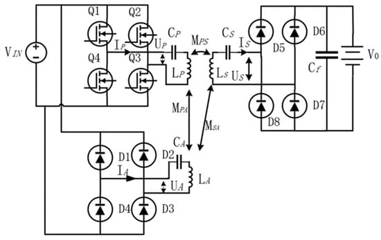
At present, the three-coil S (primary edge)-S (auxiliary)-S (secondary edge) topology circuit has appeared on the market; its circuit diagram is shown in Figure 1, and the equivalent circuit is shown in Figure 2. Where LP, LA and LS are the resonant inductors of the primary side, auxiliary side and secondary side, respectively, and CP, CA and CS are the resonant capacitors corresponding to the primary side, auxiliary side and secondary side MPS, MPA and MSA are the inductance between the primary edge and the secondary edge, the mutual inductance between the primary edge and the auxiliary clamp coil, and the mutual inductance between the auxiliary clamp coil and the secondary edge coil. RE is the value of the internal resistance of the battery, which will slowly increase with the increase in charging times and the increase in the internal charge state of the battery. When the resonant frequency of the primary side, auxiliary side, and secondary side coils reaches the same as the switching frequency, the ω = 2 π f = 1 L P C P = 1 L A C A = 1 L S C S circuit starts to resonate.
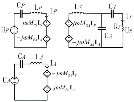
The mathematical relationship of the resonant network in Figure 2 can be obtained from the circuit principle
V P = j ω M PS I R j ω M PA I A V R = j ω M PS I P j ω M S A I A V A = j ω M PA I P j ω M S A I S
In Equation (1), VP, VA, and VR are the equivalent voltage source of the primary side, the equivalent voltage source of the auxiliary side, and the voltage of the equivalent resistance. Here, V R = 4 V 0 π and R E = 8 R L π 2 . In the process of power transmission, the equivalent resistance RE of the secondary side in the initial three-coil mode does not reach the critical value, so the voltage on both sides of the load battery is too small, the voltage VA on both sides of the auxiliary clamp coil does not exceed VIN, and the rectifier bridge diode is not conducted, so IA is 0. This circuit can be regarded as a set of S-S circuit topology for constant current charging. According to the first item in Equation (1), its constant current output is I R = V P j ω M PS .
With constant current charging, the internal resistance of the battery continues to increase, corresponding to a VA voltage greater than or equal to VIN, and the auxiliary loop starts to activate. Since the value of MSA is relatively small and can be ignored in the calculation, the second and third terms in Equation (1) can be simplified as
V R = j ω M PS I P V A = j ω M PA I P
At this time, the auxiliary loop gently conducts, and the whole circuit can be regarded as the equivalent current source I P = V A j ω M PA drive, and the final constant voltage output (CV) and the voltage on both sides of the load is V R = M PS M PA V A .
Through the above analysis, the constant current output of the three-coil S-S-S topology circuit is limited by mutual inductance MPS, while constant voltage output is limited by MPS and MPA. When the primary side coil and secondary side coil are fixed, the auxiliary side coil must be designed in a fixed position so that the whole circuit design is limited, and, especially when it is applied to the narrow space in the underground, this disadvantage is particularly prominent.

3. Theoretical Derivation of S-S-PS with Auxiliary Clamp Coil

After fixing the element parameters in the three-coil charger, that is, when the parameters such as LP, LS and LA are determined, the corresponding parameters such as MPS, MPA and MSA are also all fixed. As pointed out in Section 2, when the circuit starts constant current output, its current magnitude is I R = V P j ω M PS , and the constant current output value can be adjusted by controlling the operating frequency or changing the phase angle offset. When the IPT system performs a constant voltage output, the output constant voltage value is V R = M PS M PA V A . The output of VR can be changed by adjusting the value of VA or adjusting the compensation of the primary and secondary sides to change MPS; additionally, the compensation of the primary and auxiliary sides can be adjusted to change the value of the mutual inductance of the MPA coupling parameter.
As mentioned above, the auxiliary clamp coil has not been conducted in the initial constant current stage, and the whole IPT system can be simplified as an S-S topology circuit. When the recharging-battery resistance increases and reaches a critical value, the auxiliary coil is conducted and gradually transformed into constant voltage (CV) charging. In this process, the primary side circuit can be equivalent to the current source driving circuit in the series circuit, so the compensation should be placed in the secondary side coil. The two-port network is applied to analyze the S-S-PS system. The main circuit is equivalent to matrix A, the compensation matrix of the primary side circuit is AP, the transmission matrix of the primary and secondary side circuit is AT, and the compensation matrix of the secondary side is AS, as shown in Figure 3, while the corresponding relationship is Equation (6).
A = A P A T A S
VP and IP are port voltage and current inputs, VR and IR are two-port network outputs, and the mathematical relationship in Figure 3 can be obtained from the principle of two-port network
V P I P = A V R I R
Here, matrix A gain should be [21]
A = 0 1 G G 0
In Equation (5), G is G = I R / V P , G is an imaginary number, and G is its conjugate. Therefore, the mathematical relationship in Figure 3 can be expressed as
A = A P A T A S = 0 1 G G 0
Figure 3 shows that AP compensation is a single capacitor compensation and AT is an SS topology circuit, so it can be concluded that its two-port matrix network is
A P = 1 1 j ω C P 0 1
A T = L P M P S j ω M P S ( 1 k 2 1 ) 1 j ω M P S L S M P S
where k = M L P L S , can be obtained by putting (5), (7) and (8) into (6)
A = 1 1 j ω C P 0 1 L P M P S j ω M P S ( 1 k 2 1 ) 1 j ω M P S L S M P S A S = 0 1 G G 0
By simplifying Equation (9), the secondary edge compensation matrix can be obtained as
A S = A T 1 A P 1 A = L S M PS j ω M PS j ω L P L S M PS 1 j ω M PS L P M PS 1 1 j ω C P 0 1 0 1 G G 0
We can simplify (10) to get
A S = G L S M PS j ω C P j ω L P + G j ω M PS L S G M PS G ω 2 C P M PS + G L P M PS 1 j ω M PS G
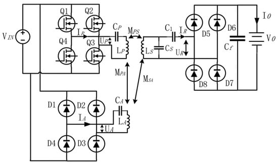
Based on the above analysis, it is proposed that the secondary edge compensation network is designed as a PS compensation. The overall circuit design of the S-S-PS three-coil is shown in Figure 4, and its equivalent circuit is shown in Figure 5.
According to the circuit in Figure 4 and Figure 5, the parameters of the SP compensation circuit of the secondary side coil in the CC and CV mode are analyzed. From the circuit principle, it can be concluded that, in the PS compensation circuit, the compensation topology network matrix APS is
A P S = 1 1 j ω C 1 j ω C S C 1 + C S C 1
Substituting Equation (12) into Equation (11),
G L S M PS j ω C P j ω L P + G j ω M PS = 1 L S G M PS = 1 j ω C 1 G ω 2 C P M PS + G L P M PS = j ω C S 1 j ω M PS G = C 1 + C S C 1
In the compensation mode of secondary edge PS topology network, the compensation capacitors CP and CS can be deduced from Equation (13)
C P = L S 2 C 1 ω 2 L S C 1 L P L S M P S 2 + M P S 2 C S = 1 ω 2 L S C 1
After determining the compensation parameters of CP and CS in the circuit, the conductance value GS_PS in the circuit can be calculated as
G S P S = I R V P = j ω C 1 M PS
When the constant current is charging the battery, the resistance of the battery side increases, making the voltage of the auxiliary side VA increase. When the value is greater than the critical value, the auxiliary side starts to conduct, the circuit is in the state of constant voltage output, and its voltage gain is
E = V R V A = V R j ω M PA I P = 1 j ω M PA G = M PS ω 2 M PA C 1
According to Equations (15) and (16), the constant current output and constant voltage output values in the three-coil S-S-PS mode can be obtained as
I CC = 8 ω C 1 V IN sin π D 2 π 2 M PS V CV = M PS V IN ω 2 M PA C 1
According to Equation (17), the S-S-PS three-coil circuit can output constant current and constant voltage. When the IPT circuit outputs constant current, it can be seen from the first item in Equation (17) that the current size can be changed through the program control of the operating frequency ω and the control of the voltage phase α by fixing the internal parameters of the circuit. When the output voltage of the IPT circuit is constant, it can be seen from the second item in Equation (17) that the voltage value can be changed through the program control of the operating frequency ω by fixing the internal parameters of the circuit. It can be seen from the two terms in Equation (17) that the clamp coil MSA does not participate in the current and voltage output gain, so it can be designed to be small and placed away from the secondary side coil, and an additional compensation capacitor C1 is added to the outside to reduce the rest of the compensation components.

4. Theoretical Analysis of IPT Charging Network Based on S-S-PS Topology

4.1. Analysis of Circuit Characteristics in the Initial Charging Phase

In the S-S-PS topological equivalent Figure 5, it can be seen that VP, VA and vs. are the induced voltages of the primary side, the auxiliary clamp side, and the secondary side under the electromagnetic field, respectively. IP, IA and IS are the induced currents through the three induction coils. IR,VR, is the value of current and voltage through the inside of the load battery, R E = 8 π 2 R L , and RL is the equivalent resistance of the load cell.
In Figure 5, it can be obtained from the circuit principle
V P = j ω L P j ω C P I P j ω M PS I S j ω M PA I A V A = j ω M PA I P j ω M SA I S V R = 1 ω C 1 L s ( j ω M PS I P j ω M SA I A ) = I R R E V R = I R R E V S = 1 ω C 1 L s V R = j ω M PS I P j ω M SA I A I S = j ω C s V R I R ω C 1 L s
From Figure 4, it can be seen that the voltage VP is chopped in the external DC voltage source VIN through a full-bridge inverter composed of four MOS tubes. VIN is modulated by four MOS transistors. The inverter circuit is a bipolar square wave which can be obtained by Fourier decomposition
v P ( t ) = 4 V IN π sin π D 2 sin ( ω t + θ )
where D is the duty cycle of voltage source VP.
When the whole S-S-PS circuit is just conducted, the battery inside the battery is too small, and the current IP value in the original side circuit is very small. According to the second item in Equation (18), the induced voltage VA on the auxiliary clamp coil is too small and the voltage is lower than the input source voltage VIN. The internal rectifier bridge D1,2,3,4 is not conducted, and the current IA through the auxiliary loop is always 0. The secondary side output has been maintained in a constant current state.

4.2. Constant Current to Constant Voltage Intermediate State

As the internal resistance RL of the battery increases, the voltage UA on the corresponding auxiliary clamp coil also increases smoothly until the voltage UA reaches UIN
U A V IN
When the voltage of UA reaches the condition (20), the rectifier bridge D1,2,3,4 on the side of the auxiliary clamp coil starts to turn on, the current of IA gradually increases from zero, and then the constant current output starts to convert to the constant voltage output mode at this moment. The change of the on-state voltage in the auxiliary circuit is shown in Figure 6.
It can be obtained from Equation (15)
I R = j ω C 1 V P M PS
It can be obtained by putting it into Equation (18)
I P = ω 2 C 1 2 V P R E M PS 2 · L S 2 M P S M S A M P A ( L S 1 ω 2 C 1 )
Since the system is initially in constant current operation mode and the IPT charging system is in constant current mode, there is π / 2 in the phase between the primary edge transmitting coil current IP and the secondary edge receiving coil current IS. Equations (21) and (22) are put into Equation (18) and can be obtained by modulo Equation UA
U A = U P M S A M P S 2 + ω 3 C 1 2 V P R E M P A M PS 2 · L S 2 M P S M S A M P A ( L S 1 ω 2 C 1 ) 2
Substitute Equation (19) into Equation (23)
U A = 4 V IN π sin π D 2 M S A M P S 2 + ω 3 C 1 2 V P R E M P A M PS 2 · L S 2 M P S M S A M P A ( L S 1 ω 2 C 1 ) 2
According to the above conditions of constant voltage mode and Equation (20) into Equation (24), it can be concluded that the constraint condition that the auxiliary clamp coil can conduct is
4 V IN π sin π D 2 M S A M P S 2 + ω 3 C 1 2 V P R E M P A M PS 2 · L S 2 M P S M S A M P A ( L S 1 ω 2 C 1 ) 2 < 1
The critical value of the equivalent internal resistance of the battery in the circuit when the constant current state changes to the constant voltage mode can be obtained by simplification
R CC = π 2 M PS 2 8 ω 3 M PA C 1 2 L S 2 M P S M S A M P A ( L S 1 ω 2 C 1 ) π 2 16 sin 2 π D 2 M SA 2 M PS 2
With the constant voltage mode charging slowly, the battery power continues to increase, the internal resistance of the battery exceeds the critical value RCritical and gradually increases, and the system enters the intermediate transition state. With the continuous charging, the equivalent load inside the battery increases, and the corresponding voltage value UA in the auxiliary clamp loop increases to VIN and gradually exceeds VIN. At this time, the conduction angle of the diode rectifier bridge in the auxiliary loop increases continuously and reaches π / 2 ; at this time, UA is satisfied
U A = 4 π V I N
When UA reaches this condition, the diode rectifier bridge in the auxiliary loop starts to conduct completely, and the current begins to appear in the loop. It can be obtained by substituting Equation (27) into Equation (23)
M S A M P S 2 + ω 3 C 1 2 R E M P A M PS 2 · L S 2 M P S M S A M P A ( L S 1 ω 2 C 1 ) 2 = 1
When the auxiliary clamp loop is fully conducted, that is, when the whole IPT charger completely enters the constant voltage charging state from the intermediate constant voltage transition state, the battery stability value is
R CV = π 2 M PS 2 8 ω 3 M PA C 1 2 L S 2 M P S M S A M P A ( L S 1 ω 2 C 1 ) 1 sin 2 π D 2 M SA 2 M PS 2

4.3. Constant Voltage Output Process

Figure 7 shows the S-S-PS three-coil IPT charging system with the change in equivalent resistance inside the load battery, the output of constant current output mode and constant voltage input mode, and the intermediate transition process. During the experiment, the design of the auxiliary clamp coil is small, so the MSA mutual inductance value between the secondary side coil and the auxiliary coil is also small. When the battery is finished with constant current output charging, the constant voltage charging starts and the value of MSA will affect the subsequent constant voltage output. When in constant voltage mode output, you have the following two cases:
(1) After the intermediate transition state of constant current to constant voltage, the internal equivalent resistance of the battery gradually increases. When the internal equivalent resistance of the battery is R L R C V , the integral diode flow bridge in the auxiliary clamp loop is fully conducted and the IPT system completely enters the constant voltage output state. Since the auxiliary coil is just conducting at this time, the current IA flowing through the auxiliary loop can be regarded as 0, which is much smaller than the current value I0 flowing through the battery. At this point, by putting Equation (29) into Equation (18), the battery load voltage at the beginning of the constant voltage stage can be obtained as follows.
V B e g i n = M PS V d c ω 2 M PA C 1 L S M P S M S A M P A L S ( L S 1 ω 2 C 1 ) 1 M SA 2 M PS 2 sin 2 π D 2
(2) After the battery has been charged for a period of time, when the internal equivalent resistance of the battery R L R C V , the current IA in the auxiliary coil loop gradually increases and the current IR flowing through the equivalent load of the battery in the secondary side coil gradually decreases, which satisfies I A I R . At this time, IR can be regarded as 0. In the IPT charging system, I P is in phase with VP at time, IA is in phase with VA, and there is a phase difference of π / 2 between IP and VA, so there is a phase difference of π / 2 between VA and VP. According to Equation (18), the phase relationship between VP and VA is taken into account at the same time, and the voltage value at the end of constant voltage output is as follows.
V e n d = M PS V d c ω 2 M PA C 1 L S 1 + M P S M S A M P A L S ( L S 1 ω 2 C 1 ) + M SA 2 M PS 2 sin 2 π D 2 2
From the above deduction and Equations (30) and (31), it can be concluded that, when the value of MSA is sufficient, the influence on the constant voltage output of the system is very small and the output voltage can be protected from exceeding the voltage threshold of the system load battery.
The analysis of Equation (18) shows that the mutual inductance MPA of the primary edge and the auxiliary edge is greater than MSA in the normal operation of the S-S-PS three-coil system; however, with the constant output current of the secondary edge, the battery resistance gradually increases, which makes the current in the secondary edge loop sink become smaller, but the current value in the primary edge transmitting coil almost does not change. At this time, the voltage in the auxiliary clamp coil gradually increases and the auxiliary circuit is completely conducted. At this time, the output voltage of the auxiliary circuit is clamped at Vend, which can automatically protect, thus avoiding the damage to the system when the circuit appears to be open fault.

5. Parameter Design

In all cases, the wireless coupling charging system is applied to charge the battery. In this electrical coupling system, the value of mutual inductance MPS between the primary coil and the secondary coil can be obtained by testing. When the output current is constant, the auxiliary clamp side does not participate in the operation, and the circuit operating frequency f can be calculated by Equation (17). In this design system, the coaxial three-coil coupling design is used, where DP, DS and DA are the diameter of the primary side coil, the secondary side coil, and the auxiliary clamp coil and NP, NS and NA are the corresponding coil turns. Since the secondary side of the system selects the S-PS topology structure for compensation, that is, after the three parameters LP, LS and LA are fixed, the constant voltage output of the system can be controlled by changing the value of C 1 . In order to reduce the size of the whole system and adapt to the downhole environment more easily, the auxiliary clamp coil is placed inside the primary side coil and D A = 88 mm and N A = 15 are set. In the system, the coil diameter is 0.1 × 200 Litz wire, the distance between the transmitting coil and the receiving coil is 250 mm, the coil parameters LP, LA, and LS are 85.22 μH, 70.4 μH, 11.18 μH, respectively, and the mutual inductance between the primary edge, the auxiliary edge, and the secondary edge is MPS = 21.05 μH, MPA= 10.91 μH, MSA = 4.03 μH, respectively. It can be seen that the mutual inductance MSA between the auxiliary coil and the receiving coil is much smaller than the mutual inductance MPS of the original and secondary edges. In the experiment, the compensation parameters CP = 5.19 nF, CS = 19.24 nF, CA = 36.22 nF, C1 = 16.71 nF in the system are used.

6. Experimental Analysis and Verification

In view of the above theoretical research, a prototype platform for lithium battery charging is built in the laboratory, as shown in Figure 8, which charges the 48 V/20 Ah lithium battery load. The current on both sides of the load battery in the receiving loop is 2.5 A, and its constant voltage end voltage is set to Vend of 55 V in order to charge the battery at full capacity. The DC voltage on both sides of the inverter is 48 V, and the conduction ratio of four internal MOS transistors is 0.95 in half a cycle. According to the calculation in Section 4, the internal duty ratio of the inverter is 0.95 by applying dspIC30F4013 control, and the system operating frequency is 100 kHz. The S-S-PS three-coil coupling structure in the circuit is shown in Figure 9. In the circuit, IRFP460 is selected as the N-channel FET of the inverter circuit of this platform, and its drain can withstand the maximum load voltage of 500 V and the maximum load current of 20 A. The HBR20200 rectifier diode bridge was used for the auxiliary clamp side and the auxiliary side.
After fixing the internal parameters of the system above, R CC is calculated as 17.25 Ω in the constant current output mode of the system by Equation (26) in Section 4 and R CV is calculated as 22.1 Ω in the constant voltage output mode of the system by Equation (29). In the process of constant current charging, the voltage on both sides of the system load battery will gradually increase as the charging proceeds. When the voltage reaches a certain threshold, it will enter the transition state from the constant current mode and finally enter the constant voltage charging mode. In constant voltage mode, the system output current will gradually decrease with the increase in battery power. In the experiment, the equivalent constant current load of 10 Ω, the critical load of constant current to constant voltage transition of 20 Ω, and the load of 100 Ω after charging and full saturation in the constant voltage stage of the battery are selected to verify the output status under three different working modes.
Figure 10 shows the waveform diagram of the system constant current output for battery charging. Where VP is the output voltage of the input voltage through the inverter circuit, IP is the output current of the inverter, VR is the output voltage of the secondary coil after the compensation topology, IR is the output current of the secondary side, VA is the induced accepted voltage of the auxiliary clamp side, IA is the internal current of the auxiliary clamp side, and IR is the charging current value of both sides of the battery. As shown in Figure 10, when the battery resistance at the internal load end of the system is equivalent to R L = 10   Ω , obviously R L < R C C , the system is in constant current output mode at this time, and the output constant current supplies power to the battery. In this case, the voltage VA on the auxiliary clamp coil is always less than the DC voltage VIN at the input end. The rectifier bridge side is not conducted, and IA is 0, so the auxiliary side rarely interferes with the induced electromotive force of the primary and secondary sides. It can be seen from Figure 10b that the voltage VA on the auxiliary clamp coil fluctuates due to the induced current in the primary coil and secondary coil. At present, the whole IPT system can be regarded as the S-PS circuit topology, and the output continues to output a 2.5 A constant current. Although the IR current waveform fluctuates slightly, the overall output waveform is flat, which is roughly the same as the theoretical expected result. In the constant current charging mode, the output voltage VP of the inverter in the loop of the primary side coil is almost in phase with the current IP in the loop. As can be seen in Figure 10a, the inverter output realizes ZVS, reduces the reactive power circulation in the whole constant current output mode, and completes the predesigned ZPA.
With the constant current output of the system, the load battery is continuously charged at constant current. At this time, the batteries on both sides of the battery gradually rise, the internal equivalent resistance value R L of the load battery gradually increases, and the absorbed power of the load battery also continues to increase, so the output power of the system under constant current mode also gradually increases. Since the induced EMF at the receiving end is obtained by magnetic resonance at the transmitter, and the output voltage VP at both sides of the inverter bridge at the transmitter is a fixed square wave voltage signal, according to the principle of equal power at the input and output of the transformer, the output current IP of the inverter bridge will also increase accordingly. As shown in Figure 11a, when the battery resistance at the internal load end of the system is equivalent to R L = 20 Ω , it is obvious from R C V > R L > R C C that the maximum value of voltage VA on both sides of the auxiliary clamp coil is equal to the voltage provided by the voltage source VIN. When V A = 48   V , the internal rectifier bridge of the auxiliary side circuit starts to conduction gradually, but not all conduction, and the loop current IA flows into the voltage source. At this time, the system no longer maintains the original constant current output characteristics but does not fully enter the constant voltage transmission mode. It can be observed in 10 that the whole IPT system enters the intermediate transition mode from constant current output to constant voltage output at this time, but the input still maintains ZPA characteristics. With the increase in battery resistance, the voltage on both sides also increases continuously, increasing to about 51 V.
As the system output continues to charge the battery in transition mode, when the equivalent resistance of the battery at the load end R L = 100   Ω exceeds 22.5 Ω, that is, R L > R C V , at this time the coil voltage of the auxiliary clamp side is higher than that of the DC voltage source VIN. The internal diode rectifier bridge is fully conducted, and the auxiliary side clamp rectifier bridge inputs the DC voltage source into the voltage clamp, as shown in Figure 12. VA is the square wave voltage signal whose size is equal to the input value VIN under the action of the clamp, IA is the current waveform flowing through the auxiliary coil, and the IA waveform is in phase with the VA waveform, so the circuit topology of the auxiliary clamp side can be designed correctly. At this time, the system IPT enters the constant voltage mode. Due to the large equivalent load in the receiving loop, it can be seen from Figure 12b that the output terminal voltage value of the system is approximately 56 V, which reaches the theoretical cut-off voltage value Vend of the battery. According to this battery standard, the maximum charging voltage is 64 V, so this set of IPT charging systems can meet the constant voltage output charging demand. At this stage, the IPT system still achieves the preset ZPA and soft-switching characteristics.
It can be seen from Figure 10, Figure 11 and Figure 12 that the IPT system works in the constant current charging mode and meets the input ZPA when the equivalent resistance does not reach R C C . When the constant current is charged for a period of time, the internal equivalent resistance changes and the system enters the constant current to constant voltage transition state. Here, the auxiliary clamp side diode rectifier circuit is not fully conducted, which has a certain impact on the circuit waveform, but the PS compensation network is designed in advance, which can compensate the input impedance angle of the circuit and still maintain the input ZPA. After continuous charging enters the constant voltage charging mode, the analysis in Section 4 shows that the circuit can be equivalent to a pure resistive load in this mode and ZPA can be achieved.
When the recharge-battery is connected to the S-S-PS three-coil IPT system, the system power remains stable because the current IP in the primary side-transmitting coil is clamped by the auxiliary clamp coil and the output side power is the same as the input side power. When the battery equivalent resistance is small, the system starts constant current charging and the unexpected open circuit problem occurs on the receiving side of the secondary side, which is equivalent to the infinite output battery load resistance, which is much larger than the constant voltage critical resistance RCV. At this time, the IPT system actively switches to the constant voltage output mode, and the output power is higher than the accepted power of the load side. At this time, the excess power absorbed by the battery can be re-bent back to the input DC power supply through the auxiliary clamp rectifier bridge. Through the circulation of excess power in the auxiliary coil, the safety and failure rate of the whole system are guaranteed.
Figure 13 shows the actual measurement curves of the real-time changes of the secondary side output voltage and output current, as well as the equivalent resistance of the rechargeable battery when the battery of the IPT system is charging. It can be seen from Figure 13 that the output current is almost constant in the constant current stage. With the increase in equivalent resistance, when the charging mode changes from constant current to constant voltage transition mode, the output current value of the secondary side begins to decrease slowly and the output voltage value increases linearly in the transition mode. After entering the constant voltage charging mode, the load output voltage increased slightly, but the overall waveform curve was relatively stable. It can be seen that the experimental results are consistent with the theoretical analysis.
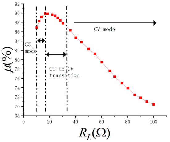
Figure 14 shows the dynamic curve of charging efficiency of the IPT system as the circuit equivalent resistance continues to increase. It can be seen from the measurement curve that the system efficiency is above 85% at the beginning when the resistance is small. When the equivalent resistance of the IPT system is around R L = 20   Ω , the output efficiency of the system reaches up to 90.47%. As the charging continues, the equivalent resistance continues to increase beyond RCV and enters the constant voltage mode, the output current value gradually becomes smaller, and the absorbed power at the load end decreases. At this time, because the output current IP value of the inverter at the primary transmitting coil loop has been clamped by the auxiliary coil loop, the output power of the primary edge is constant, so the output power of the primary edge inverter is always higher than the accepted power at the load end. However, since the overall power should be kept constant, the higher part will flow back to the DC voltage source through the auxiliary coil loop, then into the IPT system through the primary side coil, and so on. As the charging continues, the inflow DC voltage power of the auxiliary loop gradually rises, but the current IA in the auxiliary loop keeps increasing because the DC voltage source VIN is fixed at 48 V. In the process of material selection, there is a certain internal resistance in the wire, so the increase in current will increase the internal loss power of the auxiliary coil. Further, the power re-entering the IPT system decreases and the final efficiency stabilizes at about 70%, which is the same as the efficiency range of the traditional constant current–constant voltage switching system. Therefore, the IPT system in this study has a high engineering application prospect.

7. Conclusions

In order to simplify the coupling structure and the size of the prototype, as well as reduce the number of internal compensation elements and simplify the system, this paper designs a three-coil compensation network based on S-S-PS, internal adaptation of appropriate parameter elements, and builds an IPT principle prototype. Similar to the conventional IPT system, the three-coil IPT system can be configured with constant current and voltage output by changing the frequency switching and compensating the parameters of the secondary side components. In this paper, the appropriate equivalent load resistance of the output terminal is selected to measure the transmission waveform of the system at the moment, and the output value based on the load resistance and the voltage and current changes of the primary and secondary sides are recorded. At the same time, the change in the system transmission efficiency with the continuous charging is calculated. The final prototype experiment shows that the S-S-PS three-coil transmission IPT system in this paper can realize ZVS and ZPA within a wide equivalent load to the rechargeable battery and can achieve fixed constant current output and constant voltage output. The charging efficiency decreases as the charging proceeds and the equivalent load increases. This IPT system can carry out the current clamp protection system, which can spontaneously control the output current IP of the primary inverter, the auxiliary clamp side current IA and the output voltage VR of the load side within the designed equivalent load range. It avoids the traditional IPT system to collect current and voltage samples and set the constant current and constant voltage mode, and it can automatically adjust the constant current and constant voltage output state according to the internal state value of the battery.
This paper selects the SP compensation topology, focusing mainly on system feasibility and system efficiency. This work fixes the receiving end, and the transmitter inevitably has a low offset with the receiving end during operation. It is known that the interoperability of SP is not as good as other circuit compensation topologies such as LCC. Subsequent work will explore circuit topologies with strong interoperability such as LCC for the primary and secondary sides. The coupler selects efficient coil structures such as three-pole pad TPP and two-pole pad BPP coils to improve the interoperability of the entire system [28]. Subsequent exploration of suitable coupling structures will reduce the offset tolerance.

Author Contributions

Conceptualization, K.Y.; methodology, K.Y.; software, K.Y.; validation, K.Y. and R.D.; formal analysis, R.D.; investigation, R.D.; resources, R.D.; data curation, K.Y.; writing—original draft preparation, K.Y.; writing—review and editing, K.Y. and W.W.; visualization, R.D.; supervision, R.D. and W.W.; project administration, R.D.; funding acquisition, R.D. All authors have read and agreed to the published version of the manuscript.

Funding

This research was funded by National Natural Science Foundation of China grant number 41874158.

Institutional Review Board Statement

Not applicable.

Informed Consent Statement

Not applicable.

Data Availability Statement

Data available by reasonable request.

Acknowledgments

Thank you for the experimental environment provided by the Key Laboratory of Oil and Gas Well Measurement and Control in the Shaanxi Province of Xi’an shiyou University.

Conflicts of Interest

The authors declare that they have no known competing financial interest or personal relationships that could have appeared to influence the work reported in this paper.

References

  1. Yang, L.; Li, X.; Liu, S.; Xu, Z.; Cai, C. Analysis and design of an LCCC/S-compensated WPT system with constant output characteristics for battery charging applications. IEEE J. Emerg. Sel. Top. Power Electron. 2020, 9, 1169–1180. [Google Scholar] [CrossRef]
  2. Sun, L.; Ma, D.; Tang, H. A review of recent trends in wireless power transfer technology and its applications in electric vehicle wireless charging. Renew. Sustain. Energy Rev. 2018, 91, 490–503. [Google Scholar] [CrossRef]
  3. Wang, H.; Li, X. Review and research progress of wireless power transfer for railway transportation. IEEJ Trans. Electr. Electron. Eng. 2019, 14, 475–484. [Google Scholar] [CrossRef]
  4. Huda SM, A.; Arafat, M.Y.; Moh, S. Wireless power transfer in wirelessly powered sensor networks: A review of recent progress. Sensors 2022, 22, 2952. [Google Scholar] [CrossRef]
  5. Mahesh, A.; Chokkalingam, B.; Mihet-Popa, L. Inductive wireless power transfer charging for electric vehicles—A review. IEEE Access 2021, 9, 137667–137713. [Google Scholar] [CrossRef]
  6. Huang, Z.; Lam, C.S.; Mak, P.I.; da Silva Martins, R.P.; Wong, S.C.; Chi, K.T. A single-stage inductive-power-transfer converter for constant-power and maximum-efficiency battery charging. IEEE Trans. Power Electron. 2020, 35, 8973–8984. [Google Scholar] [CrossRef]
  7. Wang, D.; Qu, X.; Yao, Y.; Yang, P. Hybrid inductive-power-transfer battery chargers for electric vehicle onboard charging with conFigureurable charging profile. IEEE Trans. Intell. Transp. Syst. 2020, 22, 592–599. [Google Scholar] [CrossRef]
  8. Lecluyse, C.; Minnaert, B.; Kleemann, M. A review of the current state of technology of capacitive wireless power transfer. Energies 2021, 14, 5862. [Google Scholar] [CrossRef]
  9. Frechter, Y.; Kuperman, A. Analysis and design of inductive wireless power transfer link for feedback-less power delivery to enclosed compartment. Appl. Energy 2020, 278, 115743. [Google Scholar] [CrossRef]
  10. Wu, J.; Dai, X.; Sun, Y.; Li, Y. A node role dynamic change method among repeater, receiver, and decoupling using topology switching in multinode WPT system. IEEE Trans. Power Electron. 2021, 36, 11174–11182. [Google Scholar] [CrossRef]
  11. Zhu, X.; Zhao, X.; Li, Y.; Liu, S.; Yang, H.; Tian, J.; Hu, J.; Mai, R.; He, Z. High-efficiency WPT system for CC/CV charging based on double-half-bridge inverter topology with variable inductors. IEEE Trans. Power Electron. 2021, 37, 2437–2448. [Google Scholar] [CrossRef]
  12. Zhong, W.; Zhang, S.; Chen, M.; Xu, M.D. Reconfigureurable resonant topology linking two-, three-, and four-coil modes for WPT with large coupling range and fixed frequency. IEEE Trans. Power Electron. 2022, 37, 8713–8725. [Google Scholar] [CrossRef]
  13. He, L.; Guo, D. An active switched-capacitor half-wave receiver with high efficiency and reduced components in WPT system. IEEE Trans. Ind. Electron. 2020, 68, 12119–12129. [Google Scholar] [CrossRef]
  14. Xiao, Y.; Liu, C. Direct load voltage control for electrolytic capacitorless wireless power transfer system without DC/DC converter. IEEE Trans. Ind. Electron. 2020, 68, 8039–8048. [Google Scholar] [CrossRef]
  15. Wu, L.; Zhang, B.; Jiang, Y. Position-independent constant current or constant voltage wireless electric vehicles charging system without dual-side communication and DC–DC converter. IEEE Trans. Ind. Electron. 2021, 69, 7930–7939. [Google Scholar] [CrossRef]
  16. Gheisarnejad, M.; Farsizadeh, H.; Tavana, M.R.; Khooban, M.H. A novel deep learning controller for DC–DC buck–boost converters in wireless power transfer feeding CPLs. IEEE Trans. Ind. Electron. 2020, 68, 6379–6384. [Google Scholar] [CrossRef]
  17. Liu, J.; Wang, G.; Xu, G.; Peng, J.; Jiang, H. A parameter identification approach with primary-side measurement for DC–DC wireless-power-transfer converters with different resonant tank topologies. IEEE Trans. Transp. Electrif. 2020, 7, 1219–1235. [Google Scholar] [CrossRef]
  18. Cheng, B.; He, L. Frequency Adaptive Topology to Realize Constant Output and Soft Switching for the WPT System. IEEE Access 2021, 9, 148884–148893. [Google Scholar] [CrossRef]
  19. Wang, D.; Fu, C.; Bei, X.; Zhao, Q. A reconFigureurable half-bridge compensation topology-based WPT system with constant current and constant voltage outputs. IEEE Trans. Circuits Syst. II Express Briefs 2022, 70, 256–260. [Google Scholar]
  20. Zhang, S.; Wang, C.; Chen, D. A single-stage wireless power transfer converter with hybrid compensation topology in AC input. IEEE Trans. Veh. Technol. 2022, 71, 8266–8279. [Google Scholar] [CrossRef]
  21. Zhang, Y.; Shen, Z.; Pan, W.; Wang, H.; Wu, Y.; Mao, X. Constant current and constant voltage charging of wireless power transfer system based on three-coil structure. IEEE Trans. Ind. Electron. 2022, 70, 1066–1070. [Google Scholar] [CrossRef]
  22. Yang, L.; Shi, Y.; Wang, M.; Ren, L. Constant voltage charging and maximum efficiency tracking for WPT systems employing dual-side control scheme. IEEE J. Emerg. Sel. Top. Power Electron. 2021, 10, 945–955. [Google Scholar] [CrossRef]
  23. Babaki, A.; Vaez-Zadeh, S.; Zakerian, A.; Covic, G.A. Variable-frequency retuned WPT system for power transfer and efficiency improvement in dynamic EV charging with fixed voltage characteristic. IEEE Trans. Energy Convers. 2021, 36, 2141–2151. [Google Scholar] [CrossRef]
  24. Yan, Z.; Xie, H.; Li, Y.; He, Z.; Yang, H.; Zhou, W.; Zhu, C.; Jing, X.; Chen, S.; Mai, R. A monitoring equipment charging system for HVTL based on domino-resonator WPT with constant current or constant voltage output. IEEE Trans. Power Electron. 2021, 37, 3668–3680. [Google Scholar] [CrossRef]
  25. Huang, Z.; Wang, G.; Yu, J.; Qu, X. A novel clamp coil assisted IPT battery charger with inherent CC-to-CV transition capability. IEEE Trans. Power Electron. 2021, 36, 8607–8611. [Google Scholar] [CrossRef]
  26. Ma, C.; Yao, R.; Li, C.; Qu, X. A Family of IPT Battery Chargers with Small Clamp Coil for ConFigureurable and Self-Sustained Battery Charging Profile. IEEE Trans. Power Electron. 2023, 38, 7910–7919. [Google Scholar] [CrossRef]
  27. Al-Saadi, M.; Valtchev, S.; Romba, L.; Gonçalves, J.; Craciunescu, A. Comparison of spiral and square coil configurations in wireless power transfer system for contactless battery charging. In Proceedings of the 2019 Electric Vehicles International Conference (EV), Bucharest, Romania, 3–4 October 2019; IEEE: Piscataway, NJ, USA, 2019; pp. 1–5. [Google Scholar]
  28. Song, K.; Lan, Y.; Zhang, X.; Jiang, J.; Sun, C.; Yang, G.; Yang, F.; Lan, H. A review on interoperability of wireless charging systems for electric vehicles. Energies 2023, 16, 1653. [Google Scholar] [CrossRef]
Figure 1. Three-coil (S-S-S) IPT system.
Figure 1. Three-coil (S-S-S) IPT system.
Energies 17 03606 g001
Figure 2. Equivalent circuit for three coils.
Figure 2. Equivalent circuit for three coils.
Energies 17 03606 g002
Figure 3. Two-port equivalent circuit of secondary edge compensation network.
Figure 3. Two-port equivalent circuit of secondary edge compensation network.
Energies 17 03606 g003
Figure 4. S-S-PS three-coil IPT system.
Figure 4. S-S-PS three-coil IPT system.
Energies 17 03606 g004
Figure 5. S-S-PS three-coil equivalent circuit.
Figure 5. S-S-PS three-coil equivalent circuit.
Energies 17 03606 g005
Figure 6. Conduction state diagram of auxiliary clamp loop rectifier bridge. (a) No conduction, (b) extreme conduction, (c) conduction angle < π 2 , (d) fully conductive.
Figure 6. Conduction state diagram of auxiliary clamp loop rectifier bridge. (a) No conduction, (b) extreme conduction, (c) conduction angle < π 2 , (d) fully conductive.
Energies 17 03606 g006
Figure 7. Current and voltage transmission characteristics of S-S-PS three-coil charging system.
Figure 7. Current and voltage transmission characteristics of S-S-PS three-coil charging system.
Energies 17 03606 g007
Figure 8. Lithium battery charging principle prototype platform.
Figure 8. Lithium battery charging principle prototype platform.
Energies 17 03606 g008
Figure 9. Structure of three-coil coupling mechanism.
Figure 9. Structure of three-coil coupling mechanism.
Energies 17 03606 g009
Figure 10. Load R L = 10   Ω output state waveform. (a) IP, VP primary input voltage and current, IR, VR secondary output current and voltage (b) IA, VA auxiliary coil current and voltage, I0 is the load current.
Figure 10. Load R L = 10   Ω output state waveform. (a) IP, VP primary input voltage and current, IR, VR secondary output current and voltage (b) IA, VA auxiliary coil current and voltage, I0 is the load current.
Energies 17 03606 g010
Figure 11. Load R L = 20   Ω output state waveform. (a) IP, VP primary input voltage and current, IR, VR secondary output current and voltage (b) IA, VA auxiliary coil current and voltage, I0 is the load current.
Figure 11. Load R L = 20   Ω output state waveform. (a) IP, VP primary input voltage and current, IR, VR secondary output current and voltage (b) IA, VA auxiliary coil current and voltage, I0 is the load current.
Energies 17 03606 g011
Figure 12. Load R L = 100   Ω output state waveform. (a) IP, VP primary input voltage and current, IR, VR secondary output current and voltage (b) IA, VA auxiliary coil current and voltage, I0 is the load current.
Figure 12. Load R L = 100   Ω output state waveform. (a) IP, VP primary input voltage and current, IR, VR secondary output current and voltage (b) IA, VA auxiliary coil current and voltage, I0 is the load current.
Energies 17 03606 g012
Figure 13. Dynamic curve of voltage and current at the output terminal.
Figure 13. Dynamic curve of voltage and current at the output terminal.
Energies 17 03606 g013
Figure 14. Dynamic graph of IPT system output efficiency.
Figure 14. Dynamic graph of IPT system output efficiency.
Energies 17 03606 g014
Disclaimer/Publisher’s Note: The statements, opinions and data contained in all publications are solely those of the individual author(s) and contributor(s) and not of MDPI and/or the editor(s). MDPI and/or the editor(s) disclaim responsibility for any injury to people or property resulting from any ideas, methods, instructions or products referred to in the content.

Share and Cite

MDPI and ACS Style

Yan, K.; Dang, R.; Wang, W. Three-Coil Wireless Charging System Based on S-PS Topology. Energies 2024, 17, 3606. https://doi.org/10.3390/en17153606

AMA Style

Yan K, Dang R, Wang W. Three-Coil Wireless Charging System Based on S-PS Topology. Energies. 2024; 17(15):3606. https://doi.org/10.3390/en17153606

Chicago/Turabian Style

Yan, Kai, Ruirong Dang, and Wenzhen Wang. 2024. "Three-Coil Wireless Charging System Based on S-PS Topology" Energies 17, no. 15: 3606. https://doi.org/10.3390/en17153606

APA Style

Yan, K., Dang, R., & Wang, W. (2024). Three-Coil Wireless Charging System Based on S-PS Topology. Energies, 17(15), 3606. https://doi.org/10.3390/en17153606

Note that from the first issue of 2016, this journal uses article numbers instead of page numbers. See further details here.

Article Metrics

Back to TopTop