Next Article in Journal
A Collaborative Modulation Method of Dual-Side Backflow Power Optimization and Zero-Voltage Switching for Dual Active Bridge
Next Article in Special Issue
Study on the Influences of an Outer-Coreless-Rotor Permanent Magnet Synchronous Machine Using Halbach Magnet Array
Previous Article in Journal
Markov Chain Analysis of Ship Energy Efficiency
Previous Article in Special Issue
Dynamic Decoupling Method Based on Motor Dynamic Compensation with Application for Precision Mechatronic Systems
 
 
Font Type:
Arial Georgia Verdana
Font Size:
Aa Aa Aa
Line Spacing:
Column Width:
Background:
Article

Adaptive Feedforward Control Based on Estimated Electromagnetic Parameters upon a Novel Two-Degrees-of-Freedom Actuator with a Unibody Magnetic Circuit

by
Zhaoxi Yi
1,
Meizhu Luo
1,*,
Ji-an Duan
1 and
Yan Jiang
2
1
College of Mechanical and Electrical Engineering, Central South University, Changsha 410083, China
2
College of Electrical and Information Engineering, Hunan University, Changsha 410082, China
*
Author to whom correspondence should be addressed.
Energies 2024, 17(12), 3017; https://doi.org/10.3390/en17123017
Submission received: 13 April 2024 / Revised: 17 June 2024 / Accepted: 17 June 2024 / Published: 19 June 2024
(This article belongs to the Special Issue Linear/Planar Motors and Other Special Motors)

Abstract

This paper focuses on the study of the tracking performance of a novel two-degrees-of-freedom (two-DOF) voice coil motor (VCM). Intelligent control algorithms estimate the motor control model by the relationship between the input and output values, and it is hard to achieve excellent tracking performance due to the wider variational range of motor electromagnetic parameters (MEPs). This paper proposes estimated methods for MEPs and an adaptive feedforward control algorithm based on estimated MEPs (ACBE). ACBE can alter its control parameters from inside out in time with the change in MEPs. Experiments are carried out to verify that the proposed ACBE realized excellent tracking performance upon the novel two-DOF VCM. This study indicates that an adaptive control algorithm with high-precision control parameters has better tracking performance upon a motor control model with large variation.

1. Introduction

This paper focuses on the study of the tracking performance of a novel two-DOF VCM, which is applied as an end-effector of an optical fiber alignment system. The end-effectors of high-performance multi-dimensional motion platforms directly act on their terminal properties [1,2,3]. In order to improve the precision and reduce equipment size, multi-degrees-of-freedom motors are potential force sources for these end-effectors [4,5]. The novel two-DOF VCM has the advantage of a higher power–mass ratio and lower thrust (torque) ripple [6]. The structure of this novel two-DOF VCM is shown in Figure 1. Its linear mover and rotary rotor share one stator; this stator employs one permanent magnet (PM) to excite the main magnetic field, and the PM is magnetized in the direction of y. A Lorentz force will act on the linear coil of this two-DOF VCM when current flows through it; then, a linear reciprocating motion along direction x is produced. A Lorentz force also will be imposed on the rotary coil when current flows through it, but a rotary motion around the axis of the precision bearing is generated due to the special mechanism of the rotary coil and its bracket. The peculiarities of this novel two-DOF VCM are as follows:
(1)
The linear coil and swing coil share one iron yoke; their main magnetic circuits are the same. When the current in one coil changes, a related electromotive force (EMF) will be induced by the other coil.
(2)
Due to the rotation of the rotor, the relative position of the linear coil and the rotary coil will change; this leads to variations in the mutual inductance between the two coils and the leakage inductance of the rotary coil.
(3)
The swing coil also has back EMF when the linear motion is active separately.
The novel two-DOF VCM will carry optical fibers and scan for a light source. Excellent position tracking control performance is helpful for improving the quality and efficiency of fiber alignment. Many control strategies are used to improve the accuracy and tracking performance of motion systems. In [7], fuzzy control was adopted to achieve 15% speed tracking error upon a butterfly-shaped linear ultrasonic motor. To deal with the hysteresis of piezoelectric actuators, a fuzzy adaptive internal model controller was designed to improve the tracking performance, and 0.32% tracking error was realized [8]. Further, Long Cheng provided an adaptive fuzzy model-based predictive controller for piezoelectric actuators and reduced the tracking error to 0.2% [9]. Fuzzy fractional-order sliding-mode control effectively attenuated the chattering upon a permanent magnet linear synchronous motor and realized 0.26% tracking error [10].
Pan Huihui proposed disturbance observer-based adaptive tracking control for a class of nonlinear systems with parametric uncertainty, bounded external disturbance, and actuator saturation. The modeling inaccuracy and disturbance were integrated by a disturbance observer, which was estimated and compensated [11]. Liu Xiufeng took position and velocity as variates to establish a linear extended state observer for an iron-less permanent magnet linear synchronous motor. The precision control could compensate the slow-varying disturbance due to the observer, and 1.5 µm tracking performance was obtained [12]. Further, a periodic adaptive disturbance observer was provided for a permanent magnet linear synchronous motor, which estimated parametric errors, friction force, and force ripple. Depending on the observer, a 2.7 µm tracking performance was realized [13]. Zhao Ling designed observer-based integral sliding-mode tracking control for a pneumatic cylinder with varying loads. The generalized nonlinear extended state observer estimated the total disturbance and its derivative for the system, which reduced the tracking error to 0.25 mm [14]. An internal model control PID method based on a model linear extended state observer was used to improve the estimation accuracy for the system states and total unknown uncertainties, which was applied to a permanent magnet linear synchronous motor servo system, and 0.18% tracking error was accomplished [15]. An improved sliding-mode observer was also presented, which was based on the design idea of “identification–adjustment–adaptation”. It could adaptively estimate the load torque during variable-speed and variable-load operation and improved the response to load change successfully [16].
Active disturbance rejection control (ADRC) is an effective method for precision motion. In [17], a particle swarm optimization method was suggested to tune the parameters of ADRC for a magnetic levitation system, which enhanced the dynamic performance of the control system. The control strategy had better disturbance rejection capability. Predictive control is another control strategy for precision motion systems. Model predictive control was provided for a three-phase permanent magnet synchronous motor to deal with parameter variation and improve control precision, which was based on an indirect reference vector with an extended control set, and 8.9% current total harmonic distortion was realized [18]. Further, recurrent-neural-network-based model predictive control was presented for a nano-positioning system. The nonlinear dynamics of the nano-positioning system were accurately captured, which effectively guarantees the track performance of the system [19]. Xu Qingsong provided digital integral terminal sliding-mode predictive control for a piezoelectric-driven motion system. The control strategy was output-based and did not require a hysteresis model and a state observer and achieved 0.16% tracking performance [20].
The traditional identification methods of motor parameters include the Kalman filter [21,22], least square method [23,24], etc. The Kalman filter algorithm involves a lot of matrix and vector operations and needs to pre-process the motor mathematical model, so the process is complicated. The least square method needs to calculate the derivative of the objective function with respect to the motor parameters, which is susceptible to interference from measurement noise and motor speed fluctuations, which means unsteadiness. Compared with traditional methods, the intelligent optimization algorithm has the advantages of high efficiency, strong robustness, and low requirements for the objective function, such as the neural network algorithm [25,26]. However, it still has some problems, such as weak global search ability, poor anti-interference ability, and slow convergence speed.
Adaptive fuzzy control does not require an exact control model and has the advantages of stronger robustness and better tracking performance, but the fuzzy rule is key in precision motion and hard to obtain. The observer establishes equations of state from inputs and outputs and identifies the changes in the control model. However, the performance of the observer in one control system depends on precise state equations, which are non-universal and need be gradually optimized by lots of test data. The effect of ADRC and predictive control essentially depends on the accuracy of their control parameters, which are given by another intelligent algorithm. Nevertheless, the applicable intelligent algorithm also needs to be optimized by lots of data or be deduced by complex mathematical models.
Some of the above-discussed control algorithms require a lot of data, such as fuzzy control and neural networks; some are limited by the compensation accuracy of the inverter, such as the state observer; and some require a lot of computational time, such as the least squares method. At the same time, the control algorithms discussed above do not consider the characteristics of the control object, which is not conducive to the further optimization of the control performance. Based on the structure of the novel two-DOF VCM, this paper proposes a real-time estimated method for MEPs to deal with their changefulness. The estimated MEPs include the electrical time constant, torque/thrust constant, and back-EMF constant. The estimated method of the electrical time constant is based on the estimation of armature inductance, which is elaborated in Section 2. The estimated method of the torque/thrust constant and back-EMF constant is based on the estimation of air-gap flux density, which is elaborated in Section 3. This paper also proposes an adaptive feedforward control algorithm from inside out based on estimated parameters (ACBE) in Section 4. ACBE does not require measured data for optimization or complex control rules, and the control performance of ACBE depends mainly on the accuracy of the estimated electromagnetic parameters. Section 5 provides the experimental verification and analysis. The conclusion is given in Section 6.

2. Estimated Method of Electrical Time Constant

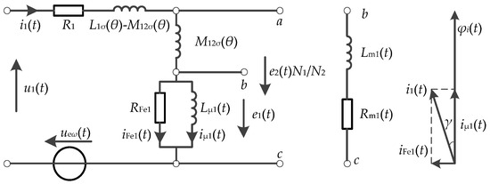
The estimated method of the electrical time constant in this paper takes core-loss resistance and magnetizing inductance as constant and time-varying parameters, respectively, in one current cycle. When the swing motion is active, the linear coil is treated as the tested coil, and the equivalent circuit of the swing motion is shown in Figure 2. R1 and L(θ) are the resistance and leakage inductance of the swing coil, respectively, M12σ(θ) is the mutual inductance between the swing and linear coil, u(t) and θ are the back EMF and angle of swing motion, respectively, u1(t) and i1(t) are the voltage and current of the swing coil, respectively, N1 and N2 are the turns of the swing/linear coil, respectively, RFe1 and iFe1(t) are core-loss resistance and current for swing motion, respectively, and Lμ1(t), iμ1(t), and e1(t) are the magnetizing inductance, current, and voltage for the swing motion, respectively. L(θ) and M12σ(θ) are changed with θ.
As i1(t) is variational, the magnetic flow in the iron core φi(t) is generated only by iμ1(t), and the open-circuit voltage e2(t) of the linear coil is induced by Lμ1(t) and M12σ(θ). The phase difference between i1(t) and iμ1(t) is γ. Rm1(t) and Lm1(t) are the excitation resistance and inductance for the swing motion, respectively, which are accorded with
R m 1 t = 4 π 2 f 2 R Fe 1 L μ 1 2 t / R Fe 1 2 + 4 π 2 f 2 L μ 1 2 t ,   L m 1 t = R Fe 1 2 L μ 1 t / R Fe 1 2 + 4 π 2 f 2 L μ 1 2 t ,
where f is the frequency of i1(t). The electrical time constant of the swing motion τa1(t) is equal to [L(θ) + Lm1(t)]. Then, τa1(t) is related to RFe1, Lμ1(t), and L(θ). RFe1 is estimated by the analysis of iron loss. The iron yoke in the 2-DOF VCM is not laminated; its iron loss PFe consists of hysteresis loss Ph and eddy current loss Pec. Considering the effect of Bm and f on Ph, Ph can be given by
P h = C h B m , f f α B m , f V B m β B m , f ,
where V is the volume of iron, and Ch(Bm, f), α(Bm, f), and β(Bm, f) are the coefficients of hysteresis loss, frequency, and flux density, respectively. The coefficients can be obtained by the analysis of the hysteresis curve under different flux density amplitudes. Bm is the maximum flux density of the alternating magnetic field which is excited by iμ1(t). For Equation (1), the accuracy of Ph depends on Bm greatly, and Bm is derived as follows. e2(t) is excited by φi(t), and N1e2(t)/N2 = N1i(t)/dt + M12σ(θ)di1(t)/dt. Supposing the sample period is t0, which is tiny, e2(t) can be described as
N 1 e 2 t / N 2 = N 1 φ i t φ i t t 0 / t 0 + M 12 σ i 1 t i 1 t t 0 / t 0 ,
Then, φi(t) can be expressed as
φ i t = N 1 e 2 t t 0 N 2 M 12 σ i 1 t i 1 t t 0 / N 1 N 2 + φ i t t 0 ,
where φi(0) = φPM(xl); φPM(xl) is the initial magnetic flow caused by the PM only, and its value is related with the location of linear coil xl. φimax and φimax are the maximum positive and negative values of φi(t) in one current cycle, respectively, which are obtained by Equation (3). Considering the bias of the PM, Bm can be given by Bm = (φimaxφimax)/2S, where S is the cross-area of iron. Then, Ph is obtained in one period.
Based on the structure of the 2-DOF VCM, the initial magnetic flux caused by the PM to the different parts of the iron is different. This paper equally divides the iron into 2n parts along the main magnetic path, which is shown in Figure 3a. The width of each part is l0; l0 is tiny, and l0 = l/2n; l is the length of the main magnetic path. There are many eddy current loops within the cross-area of jth divided iron, and a supposed eddy current loop of the area of 4rz2 is shown in Figure 3b, which is z away from the center line. φi(z) is the magnetic flux of 4rz2 that is caused by iμ1(t), r = lcy/lm, and lcy and lm are the lengths of the iron core in directions y and z, respectively; l is the length of the iron core.
The alternating magnetic density Bi(y,z) of the iron core is excited by iμ1(t) within the cross-area, which is uneven. Considering the skin effect, its effective value Brms(y,z) can be approximately expressed as
B rms y , z = B 0 rmsj cosh k jy + cosh k jz ,
where B0rmsj is the effective value at the central point of jth divided iron, and
B 0 rmsj = l m / 2 l m / 2 l cy / 2 l cy / 2 B rms y , z cosh k jy + cosh k jz d y d z = k j φ irms 2 l cy sinh k j l m / 2 + l m sinh k j l cy / 2 ,
φirms is the effective value of φi(t), kj is the skin coefficient of jth divided iron, and kj = 2 π f μ rmsj σ Fe , where σFe is the electrical conductivity of iron, and μrmsj is the magnetic conductivity of jth divided iron in one current cycle. Μrms can be given by μrms = μPMj + f (φirms/S). μ = f (B) is the normal magnetization curve of iron, and μPMj is the initial magnetic resistance of jth divided iron that is caused by the PM. Supposing Ermsj(z) and φirmsj(z) are the effective values of the induced voltage and magnetic flow of 4rz2, respectively, Eirms and φirms are the effective values of the induced voltage and magnetic flow of S, respectively. E1 is the effective value of e1(t); then,
E rmsj z E irms = E rmsj z E 1 / N 1 = φ irmsj z φ irms = B 0 rmsj 4 r z sinh k j z + 4 z sinh k j z k j φ irms
is founded, which deduces
E rmsj z = 2 E 1 r z sinh k j z + z sinh r k j z / N 1 l cy sinh k j l m / 2 + l m sinh k j l cy / 2 .
Referring to Figure 3b, the conductance dG corresponding to Ermsj(z) can be expressed as
d G = k r e σ Fe r l 0 d z / 4 1 + r 2 z ,
kre is the path correction coefficient, which depends on the shape and size of the cross-area of iron. Referring to Equations (5) and (6), the eddy current loss of jth divided iron Pecj can be written as
P ecj = l m / 2 l m / 2 E rmsj 2 z d G = k r e σ Fe r l 0 E 1 2 l m / 2 l m / 2 z r z sinh k j z + z sinh r k j z 2 d z N 1 2 1 + r 2 l cy sinh k j l m / 2 + l m sinh k j l cy / 2 2 ,
Then,
R Fe 1 = E 1 2 / C h B m , f f α B m , f V B m β B m , f + j = 1 , 2 , . 2 n P ecj .
The estimated method for RFe1 has fully considered the distribution of magnetic density; moreover, the tested E1 is helpful in weakening the influence of non-sinusoidal current on core loss, which makes the estimated RFe1 more accurate. Referring to Figure 2,
e 1 t = L μ 1 t i μ 1 t = N 1 e 2 t / N 2 M 12 σ i μ 1 t , i μ 1 t = i 1 t i Fe t = i 1 t e 1 t / R Fe 1
are founded, which deduce that
L μ 1 t = L μ 1 t t 0 f θ , t = 0 R Fe 1 N 1 e 2 t / N 2 M 12 σ d i μ 1 t / d t / f θ , t f θ , t 0
where
f θ , t = R Fe 1 i 1 t + M 12 σ θ θ t i 1 t + M 12 σ θ i 1 t N 1 e 2 t / N 2
and t0 is the sampling interval. Equation (8) indicates that Lμ1(t) is an instantaneous value.

3. Estimated Method of Torque Constant

To the novel 2-DOF VCM, the torque constant Cf is the same as the back-EMF constant Ce. Due to different xs(t) and armature reaction, the gap flux density is not immobile, which leads to Cf and Ce that are variational. Xs(t) is the equivalent position of the swing coil. Swing motion is integrated in linear motion, xs(t) = xl + d + (db + bst + lsz/2)sin[θ(t)], which is shown in Figure 4b. xl is the position of the linear coil, and d is the distance between the linear and swing coils as θ = 0. Supposing the equivalent gap flux density of the swing motion is Bδe[xs(t), φi], and the flux through the forced edge of the swing coil is φδ[xs(t), φi], φδ[xs(t), φi] = Bδ[xs(t), φi]As, and As is the cross-area of the swing coil on the plane xoz. The real-time torque constant Cf [xs(t), φi] can be written as
Cf[xs(t), φi] = Ce[xs(t), φi] = Bδe[xs(t), φi]Ce[xs(t), 0]/Bδe[xs(t), 0],
where Ce[xs(t), 0] and Bδe[xs(t), 0] are the back-EMF constant and equivalent gap flux density at xs(t) when φi = 0, respectively. Ce[xs(t), 0] can be obtained by the test of back EMF. Bδe[xs(t), 0] can be obtained by the calculation or simulation of the static magnetic field.
When φi = 0, φδ[xs(t), 0] is excited only by F(bs), F(bs) is the magnetomotive force of the PM under swing coil, and the center line of the swing coil passes through pth and qth divided iron, which are shown in Figure 4a. φδ[xs(t), 0] is divided into φmn and φmp, and its equivalent magnetic circuit can be treated as Figure 4c. Rδ1 is the magnetic resistance of gap δ1; its value is changeless and can be written as δ1/[μ0(lm + δ1)(lcy + δ1)].
Rmz[xs(t), 0] and Rmy[xs(t), 0] are the magnetic resistance of iron located to the left and right of the swing coil, respectively, when t = 0, and
R mz x s t , 0 = h = q , q + 1 p l 0 / g B PM h S ,
R my x s t , 0 = i = 1 , 2 q 1 l 0 / g B PM i S + j = p + 1 , p + 2 2 n l 0 / g B PM j S .
where μ = g(B) is the initial magnetization curve, BPMk is the initial flux density of kth divided iron, and k belongs to [1 2n]. Rδ0[xs(t)] is the magnetic resistance of gap δ0 for the swing coil at xs(t), which is hard to calculate directly. To avoid the uncertain path of magnetic field lines within gap δ0, this paper treats F(bs) as a constant along the x-axis, but φδ[xs(t), 0] is a variate. Referring to Figure 4c,
R δ 0 x s t = F b s φ δ x s t , 0 R δ 1 + R my x s t , 0 R δ 1 + R mz x s t , 0 2 R δ 1 + R my x s t , 0 + R mz x s t , 0 .
When i1(t) is active, its equivalent magnetic circuit is as shown in Figure 4d. The added flux φi(t) in iron will alter the original flux densities of divided irons, which lead to Rmz[xs(t), φi] and Rmy[xs(t), φi] being changed. The variational Rmz[xs(t), φi] and Rmy[xs(t), φi] cause the change in Bδ[xs(t), φi]As, so accurate Rmz[xs(t), φi] and Rmy[xs(t), φi] are the key for Bδ[xs(t), φi]. Supposing Rmzr[xs(t), φi] and Rmyr[xs(t), φi] are the magnetic resistance of iron located to the left and right of the swing coil regardless of the magnetic saturation, respectively, they can be expressed as
R mzr x s t , φ i = h = q , q + 1 p l 0 / g B PM h + f φ i t / S / S ,
R myr x s t , φ i = i = 1 , 2 q 1 l 0 / S g B PM i + f φ i t / S + j = p + 1 , p + 2 2 n l 0 / S g B PM j + f φ i t / S .
In the initial magnetic path of the PM, the fluxes in 1th~nth divided irons have opposite directions to those in (n + 1)th~2nth divided irons, which make φi(t) magnetized in one part and demagnetized in the other part. So, only one of Rmzr[xs(t), φi] and Rmyr[xs(t), φi] is affected by magnetic saturation. If φi(t) has the same direction as φmn, Rmy[xs(t), φi] = Rmyr[xs(t), φi]; else, Rmz[xs(t), φi] = Rmzr[xs(t), φi]. Referring to Figure 4d, Rmy[xs(t), φi] + Rmz[xs(t), φi] = N 1 2 /Lμ1(t) − 2Rδ1 is founded. Then, Rmz[xs(t), φi] and Rmy[xs(t), φi] can, respectively, be expressed as
R mz x s t , φ i = R mzr x s t , φ i s i g n φ i t = s i g n φ mn N 1 2 / L μ 1 t 2 R δ 1 R myr x s t , φ i s i g n φ i t s i g n φ mn
R my x s t , φ i = R myr x s t , φ i s i g n φ i t = s i g n φ mn N 1 2 / L μ 1 t 2 R δ 1 R mzr x s t , φ i s i g n φ i t s i g n φ mn
Then, Bδe[xs(t), φi] can be deduced by
B δ e x s t , φ i = N 1 2 F b s A s L μ 1 t R δ 1 + R mz x s t , φ i R δ 1 + R my x s t , φ i + N 1 2 R δ 0 x s t .
Then, Cf [xs(t), φi] and Ce [xs(t), φi] are presented.

4. Adaptive Feedforward Control Based on Estimated Electromagnetic Parameters

The proposed ACBE is a typical three-loop control system; ACR1 is the PI controller for the current loop, ASR1 is the PI controller for the speed loop, and APR1 is the P controller for the position loop, as shown in Figure 5. In particular, the parameters of ACR1, ASR1, and APR1 are changed as estimated electromagnetic parameters, which always ensure the expected performance. Further, the position feedforward controller (PFC) and drag feedforward controller (DFC) are added to the ACBE. The PFC and DFC are beneficial to tracking performance, especially as they update parameters in real time.
In Figure 5, K and T0 are the voltage amplification factor and equivalent time constant of the PWM converter, respectively. Tfi1 and Tfn1 are the filtering time of current feedback and position feedback, respectively. k11 and k12 are the current and speed feedback coefficients, respectively. J is the rotational inertia of the swing motion. Te and Tf are the electromagnetic and drag torque, respectively. wACR1(s), wASR1(s), and wAPR1(s) are the transfer function of ACR1, ASR1, and APR1, respectively.
wACR1(s) = Kc1(t)[1 + τi1(t)s]/[τi1(t)s], wASR1(s) = Ks1(t)[1 + τn1(t)s]/[τn1(t)s], wAPR1(s) = Kp1(t).
where Kc1(t) and τi1(t) are the amplification coefficient and integration time constant of ACR1, respectively, Ks1(t) and τn1(t) are the amplification coefficient and integration time constant of ASR1, respectively, and Kp1(t) is the amplification coefficient of APR1. Ignoring the influence of speed on the bearing resistance, these variates are changed as τa1(t), Lm1(t), L(θ), and Ce [xs(t), φi]. Taking the current loop as a second-order system, based on the traditional performance optimization tuning method,
Kc1(t) = [L(θ) + Lm1(t)]/[2K(T0 + Tfi1)k11], τi1(t) = τa1(t)= [L(θ) + Lm1(t)]/[R1 + Rm1(t)].
Which indicates that the parameters of wACR1(s) are changed as τa1(t), Lm1(t), and L(θ) and always keep the performance of the current loop. Considering back EMF, the open-loop transfer function of current-loop Woc(s) can be written as
W o c s = K c 1 t k 11 1 + τ i 1 t / τ i 1 t T 0 s + 1 T fi 1 s + 1 L s t s 2 + R s t s + C e 2 x s t , φ i / J .
In order to reduce the impact of bearing resistance on the tracking performance, the DFC is added at the input of the current loop. The transfer function of the DFC is Fn(s), and
F n s = k 11 1 + W o c s / W o c s T fi 1 s + 1 C f x s t , φ i ,
which indicates that the parameters of Fn(s) are changed as τi1(t), Kc1(t), and Ce [xs(t), φi] and effectively keep the accuracy of the DFC. A filter link is added after ASR1, and the current loop is treated as an inertia link; then, the open-loop transfer function of the speed-loop Wos(s) can be written as
W o s s = C f x s t , φ i K s 1 t k 12 1 + τ n 1 t s / J k 11 τ n 1 t s 2 T e t s + 1 ,
where Te(t) is the equivalent time constant of the current loop. Referring to Equation (12) and omitting the higher term of the small time constant,
T e t = L s t / R s t + K c 1 t k 11 + τ i 1 t R s t + K c 1 t k 11 / K c 1 t k 11 + T fn 1 .
Equation (13) indicates that Wos(s) is a typical type II system. Supposing h is the intermediate frequency width of the speed loop, Ks1(t) and τn1(t) can be deduced as
τ n 1 t = h T e t , K s 1 t = J k 11 / h T e t C f x s t , φ i k 12 ,
which indicates that the parameters of wASR1(s) are changed as Lm1(t), L(θ), τi1(t), Kc1(t), h, and Cf [xs(t), φi] and always keep the performance of the speed loop. In order to further improve the track performance of the speed loop, the PFC is added at the input of the speed loop. The transfer function of the PFC is Fr(s), and
F r s = k 12 W o c s + 1 / W o c s s T fn 1 + 1 .
Supposing the gain of the speed loop is Kos(t),
K o s t = K s 1 t k 12 C f x s t , φ i / J h T e t k 11 .
Referring to Figure 5, the close-loop transfer function of position-loop Wcp(s) can be written as
W c p s = K p 1 t K o s t / k 12 T e t s 4 + s 3 + K o s t τ n 1 t s 2 + K o s t s + K p 1 t K o s t
K p 1 t / k 12 τ n 1 t + T e t + 1 / K o s t τ n 1 t + k 12 s + K p 1 t ,
which is treated as a second-order system. Supposing the damping ratio is ζ, and the undamped natural frequency is ωn, then
2 ζ ω n = 1 / τ n 1 t + T e t + 1 / K o s t τ n 1 t , ω n 2 = K p 1 t / k 12 τ n 1 t + T e t + 1 / K o s t τ n 1 t
is founded, which deduces
K p 1 t = k 12 / 4 ζ 2 τ n 1 t + T e t + 1 / K o s t τ n 1 t .
The above expositions show that the control parameters of ACBE are changed as estimated electromagnetic parameters from the inside out; once the estimated electromagnetic parameters are accurate, the expected tracking performance can be realized.

5. Experimental Test and Discussion

Based on the proposed control model, an experimental platform was conducted, as shown in Figure 6.
The permeability of the core is always changed by the variational current. Figure 7a is the input current of the swing coil, and the tested curve of e2(t) is shown in Figure 7b. The phase between i1(t) and e2(t) is not 90 degrees due to Rm1(t). Based on the tested e2(t) and Equation (7), RFe1 = 0.166 Ω is obtained in this cycle. Then, the estimated τa1(t) is deduced by the proposed method, which is shown in Figure 7c. The estimated τa1(t) indicates that the electrical time constant of the swing coil has changed greatly within a cycle of i1(t) = 1.4sin(2πt), and it is significant to estimate the electrical time constant and update the related control parameters. Due to the hysteresis characteristic of the core, τa1(t) lags behind i1(t) obviously. When the absolute value of i1(t) is greater than 1A, τa1(t) has less change due to the core being saturated.
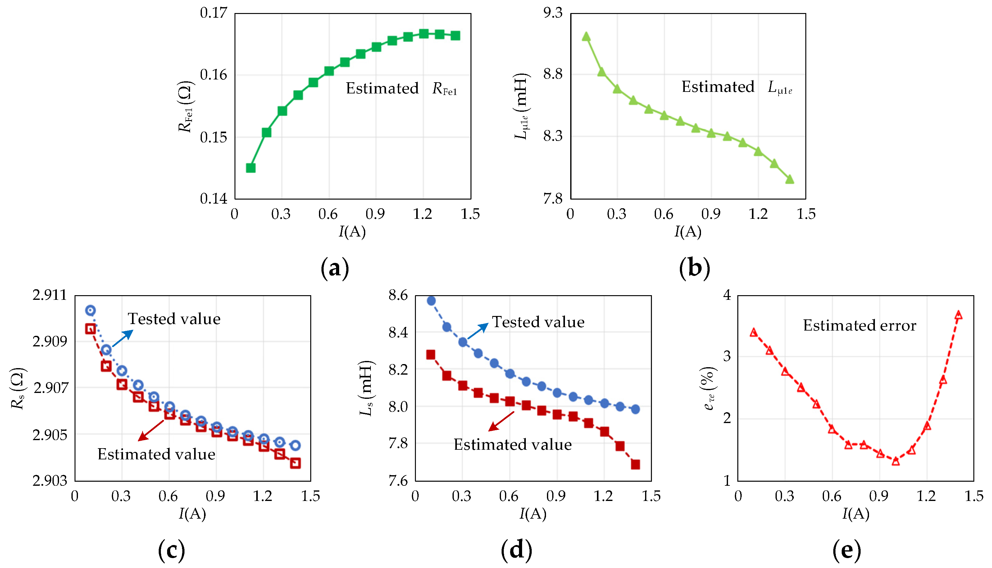
The accuracy of the estimated τa1(t) is important for the performance of the proposed ACBE, but both the amplitude and frequency of i1(t) can affect the estimated accuracy. Figure 8 shows the effect of different current amplitudes on the accuracy of the estimated τa1(t). Due to the increasing Bm and core reluctance, the estimated RFe1 increases slightly as the current amplitude increases, but the estimated Lμ1e decreases, which is shown in Figure 8a,b. Lμ1e is the effective value of Lμ1(t). The tested Rs and Ls in Figure 8c,d are obtained by the digital electric bridge, and the estimated Rs and Ls are deduced by the estimated RFe1 and Lμ1e. In comparison with the tested Rs and Ls, the estimated values are smaller due to the accuracy of the estimated RFe1 being related to the tested error of e2(t) and the estimated error of the core loss. The effective value of noise of e2(t) has a greater proportion as the value of E2 is smaller, which makes the error of the estimated RFe1 larger at a lower current, and the accuracy of the estimated Rs and Ls increases as I changes from 0.1 A to 1 A. When I exceeds 1 A, the core becomes saturated, and the estimated core loss based on the proposed method is relatively bigger than that when it is not saturated, which leads to a slightly smaller estimated RFe1. The value of the estimated Lμ1(t) is related to the estimated RFe1; thus, the variation tendency of Lμ1(t) is similar to that of RFe1. So, the estimated Rs and Ls have the highest accuracy around I = 1 A. Based on Figure 8c,d, Figure 8e shows that the highest accuracy of the estimated electrical time constants under the proposed method is around 1.31%, which appears at the saturation point of the core.
Figure 9 shows the effect of different current frequencies on the accuracy of the estimated τa1(t). Due to the increasing f, the estimated RFe1 increases obviously with the increase in current frequency, but the estimated Lμ1e also decreases, which is shown in Figure 9a,b. The accuracy of the estimated core loss is depressed with the rise in current frequency, which leads to the accuracy of the estimated RFe1 decreasing gradually. The variation tendency of Lμ1(t) is also similar to that of RFe1. So, the estimated Rs and Ls are smaller than the tested Rs and Ls, and the estimation accuracy decreases with increasing frequency, which is shown in Figure 9c and Figure 9d, respectively. Figure 9e shows that the estimation accuracy of the electrical time constants also decreases with increasing frequency, which is from 1.31% to 2.02% as f goes from 1 Hz to 10 Hz.
Figure 8 and Figure 9 illustrate that the electrical time constant estimation based on the proposed method has high accuracy around the saturation point of the core and decreases with increasing frequency.
Figure 10a,b show the palstance ω and armature voltage EbEMF of the back-EMF test, respectively. The tested static Cf is obtained by EbEMF/ω, which is shown in Figure 10c. Due to the effective length of the swing coil being increased as cos (θ) becomes smaller, the static Cf has minimum and maximum values of around θ = 0° and θ = ±8°, respectively, which are 28.356 mN/A and 28.905 mN/A. The armature current can enhance or reduce the magnetic density of the air gap. When I = 1 A, the tested dynamic Cf for size 0.5° within [−8° 8°] is shown in Figure 10d. Compared to the static Cf, the dynamic Cf under I = 1 A is larger and also has minimum and maximum values of around θ = 0° and θ = ±8°, respectively. Without the proposed method, the error of Cf under I = 1 A is around 4.6%, which is shown in Figure 10e. Figure 10d shows that the estimated dynamic Cf is smaller than the tested value because the estimated Lu1(t) is smaller than the actual value. The estimated accuracy is reduced as cos (θ) becomes smaller because the difference between Rmz and Rmy becomes bigger as cos (θ) becomes smaller. Figure 10e shows that the error of Cf under I = 1 A with the proposed method is around 1.5%.
In order to verify the track performance of ACBE, this paper takes fuzzy control (FZC) as a comparative object. The given angle and palstance input of reciprocating motion are shown in Figure 11a and Figure 11b, respectively; the angle is from −8° to +8°, f = 1 Hz, and palstance is 0.698 rad/s at uniform motion. Under the given input, Figure 11c shows the current of the swing coil with ACBE and FZC; Iu is the current at uniform motion, which is around 1 A. The magnitude and fluctuation of the armature current can affect the accuracy of the control parameters of ACBE and vice versa. The control parameters of ACBE have higher accuracy when Iu = 1 A and f = 1 Hz, which make its current fluctuations lower than those of FZC. The varying torque (acceleration) will increase the amplitude of the armature current, which is not beneficial to the tracking performance of ACBE.
Figure 11d shows that the track error of palstance eω(t) under ACBE is larger than that of FZC as the torque changes (acceleration) but lower in the region of uniform motion. Under the given input of palstance, the region of uniform motion of ACBE and FZC means the steady-state region of the response curve of palstance, which is also called effective travel. The effective travel of ACBE is around 11.687°, which is lesser than that of FZC (12°). Within the region of uniform motion, the palstance track performance of ACBE is better than that of FZC, which is shown in Figure 11e,f. The palstance track error at uniform motion of ACBE is less than 4 × 10−3 rad/s, and that of FZC is 7.5 × 10−3 rad/s. The root-mean-square (RMS) of the palstance track error can partly reflect the palstance track performance of the control method at uniform motion, where ACBE is around 1.3 × 10−3 rad/s and FZC is around 2.5 × 10−3 rad/s. Similar to the palstance track error, Figure 11g shows that the track error of angle eθ(t) under ACBE is more than that of FZC at the beginning of motion and lesser at uniform motion. Within the region of uniform motion, the eθ(t) of ACBE is changed from 18.8 × 10−3 degrees to 20.5 × 10−3 degrees, and its RMS value is 19.7 × 10−3 degrees, which is shown in Figure 11h. Meanwhile, the eθ(t) of FZC is changed from 26.9 × 10−3 degrees to 29.3 × 10−3 degrees, and its RMS value is 28.3 × 10−3 degrees, which is shown in Figure 11i. Figure 11 reveals that ACBE with higher accuracy control parameters has better track performance than FZC at the region of uniform motion but lesser effective travel. Both the armature current and reciprocating frequency can affect the accuracy of the control parameters of ACBE.
Iu is the armature current at uniform motion, which can be increased by adjusting the friction torque. Different Iu changes the accuracy of the control parameters of ACBE, which determine the tracking performance of ACBE. θe is effective travel, and eωRMS and eθRMS are the RMS values of eω(t) and eθ(t) at uniform motion, respectively, which are evaluating indicators of tracking performance. Figure 12 shows the impact of different Iu on the θe, eωRMS, and eθRMS of ACBE and FZC. When Iu is changed from 0.4 A to 1.2 A (step size 0.1 A), the θe of FZC is always a constant, the eωRMS of FZC hardly changes, and the eθRMS of FZC is changed from 25.7 × 10−3 degrees to 28.9 × 10−3 degrees as the Iu increases. For ACBE, the θe, eωRMS, and eθRMS have a similar change trend as the increase in Iu; their best points are all around Iu = 1 A, which is the critical saturation point of the iron core. When ACBE works at the critical saturation point of the iron core, its parameters have the least fluctuation. The values of Iu not only determine the accuracy of the ACBE parameters at the uniform motion but also at the acceleration motion. When the armature current is closer to 1 A, the accuracy of ACBE parameters is higher. Compared to FZC, ACBE is more affected by the change in armature current, but within Iu = [0.8 A 1 A], the tracking performance of ACBE is better than that of FZC, especially when Iu is around 1 A.
Except for the armature current, the reciprocating frequency f also can affect the accuracy of the control parameters of ACBE. The angle range of the reciprocating motion is kept at −8° to +8°, and Iu is around 1 A. Figure 13 shows the impact of different f on the θe, eωRMS, and eθRMS of ACBE and FZC. As f increases, the acceleration and amplitude of the given palstance curve (trapezoidal wave) become bigger, which increases the armature current at acceleration motion and the displacement at the sampling interval. So, the tracking performance of ACBE and FZC declines as f increases. An increased armature current seriously degrades the accuracy of the control parameters of ACBE at acceleration motion; the θe of ACBE decreases more than that of FZC as f increases, which is shown in Figure 13a. At uniform motion, increased f also reduces the accuracy of the control parameters of ACBE. The eθRMS and eωRMS of ACBE are more than those of FZC when f exceed 3 Hz and 4 Hz, respectively, which is shown in Figure 13b,c. ACBE is more affected as f increases, but within f = 3 Hz, the tracking performance of ACBE is still better than that of FZC.
The above experiments show that the proposed methods for MEPs have higher accuracy at low frequency and around the critical saturation point of the iron core. The tracking performance of ACBE depends on the accuracy of the estimated electromagnetic parameters.

6. Conclusions

In this paper, through the analysis of the armature current and the flux of the main magnetic circuit, the real-time armature inductance, the reluctance of the main magnetic circuit, and the air-gap magnetic density are deduced. Further, the electromagnetic parameters are estimated. According to the estimated electromagnetic parameters, ACBE adjusts the control parameters of the current loop, speed loop, position loop, and feedforward controller from inside out. A higher accuracy of the estimated electromagnetic parameters and better tracking performance of ACBE are observed. With the proposed method, the palstance tracking error of the swing motion is within 4 × 10−3 rad/s, and the angle tracking error is around 19.7 × 10−3 degrees. This study indicates that adaptive algorithms based on a real-time control model have better tracking performance at uniform motion in a motor system. In addition, ACBE can not only be adopted in the two-DOF VCM but can also be used in other linear VCMs which need just one detective coil, which means that the proposed ACBE can be applied more widely.

Author Contributions

Z.Y. and M.L. contributed to this research article in the formal analysis, investigation, resources, data curation, and writing of the original draft. J.-a.D. contributed to the conceptualization and methodology of this research article. Y.J. contributed to the writing expression of this research article. All authors have read and agreed to the published version of the manuscript.

Funding

This research was funded by the National Natural Science Foundation of China, grant number 52377048, the Natural Science Foundation of Hunan Province of China under Grant 2022JJ30138, and the Natural Science Foundation of Hunan Province of China under Grant 2023JJ30159.

Data Availability Statement

The data presented in this study are available on request from the corresponding author due to privacy.

Conflicts of Interest

The authors declare no conflicts of interest.

References

  1. Peng, G.; Yang, C.; He, W.; Chen, C.P. Force Sensorless Admittance Control with Neural Learning for Robots with Actuator Saturation. IEEE Trans. Ind. Electron. 2020, 67, 3138–3148. [Google Scholar] [CrossRef]
  2. Jang, N.; Ihn, Y.S.; Choi, N.; Gu, G.; Jeong, J.; Yang, S.; Yim, S.; Kim, K.; Oh, S.R.; Hwang, D. Compact and Lightweight End-Effectors to Drive Hand-Operated Surgical Instruments for Robot-Assisted Microsurgery. IEEE/ASME Trans. Mechatron. 2020, 25, 1933–1943. [Google Scholar] [CrossRef]
  3. Motzki, P.; Khelfa, F.; Zimmer, L.; Schmidt, M.; Seelecke, S. Design and Validation of a Reconfigurable Robotic End-Effector Based on Shape Memory Alloys. IEEE/ASME Trans. Mechatron. 2019, 24, 293–303. [Google Scholar] [CrossRef]
  4. Liang, C.; Wang, F.; Huo, Z.; Shi, B.; Tian, Y.; Zhao, X.; Zhang, D. A 2-DOF Monolithic Compliant Rotation Platform Driven by Piezoelectric Actuators. IEEE Trans. Ind. Electron. 2020, 67, 6963–6974. [Google Scholar] [CrossRef]
  5. Cheng, C.H.; Hung, S.K. A piezoelectric two- degree-of-freedom nanostepping motor with parallel design. IEEE/ASME Trans. Mechatron. 2018, 21, 2197–2199. [Google Scholar] [CrossRef]
  6. Zhang, Z.; Luo, M.; Zhou, H.; Duan, J.A. Design and analysis of a novel two-degree-of-freedom voice coil motor. IEEE/ASME Trans. Mechatron. 2019, 24, 2908–2918. [Google Scholar] [CrossRef]
  7. Shi, Y.; Zhang, J.; Lin, Y.; Wu, W. Improvement of Low-Speed Precision Control of a Butterfly-Shaped Linear Ultrasonic Motor. IEEE Access 2020, 8, 135131–135137. [Google Scholar] [CrossRef]
  8. Li, P.; Li, P.; Sui, Y. Adaptive Fuzzy Hysteresis Internal Model Tracking Control of Piezoelectric Actuators with Nanoscale Application. IEEE Trans. Fuzzy Syst. 2015, 24, 1246–1254. [Google Scholar] [CrossRef]
  9. Cheng, L.; Liu, W.; Hou, Z.G.; Huang, T.; Yu, J.; Tan, M. An Adaptive Takagi–Sugeno Fuzzy Model-Based Predictive Controller for Piezoelectric Actuators. IEEE Trans. Ind. Electron. 2017, 64, 3048–3058. [Google Scholar] [CrossRef]
  10. Chen, S.Y.; Chiang, H.H.; Liu, T.S.; Chang, C.H. Precision Motion Control of Permanent Magnet Linear Synchronous Motors Using Adaptive Fuzzy Fractional-Order Sliding-Mode Control. IEEE/ASME Trans. Mechatron. 2019, 24, 741–752. [Google Scholar] [CrossRef]
  11. Pan, H.; Sun, W.; Gao, H.; Jing, X. Disturbance Observer-Based Adaptive Tracking Control with Actuator Saturation and Its Application. IEEE Trans. Autom. Sci. Eng. 2016, 13, 868–875. [Google Scholar] [CrossRef]
  12. Liu, X.; Cao, H.; Wei, W.; Wu, J.; Li, B.; Huang, Y. A Practical Precision Control Method Base on Linear Extended State Observer and Friction Feedforward of Permanent Magnet Linear Synchronous Motor. IEEE Access 2020, 8, 68226–68238. [Google Scholar] [CrossRef]
  13. Cho, K.; Kim, J.; Choi, S.B.; Oh, S. A High-Precision Motion Control Based on a Periodic Adaptive Disturbance Observer in a PMLSM. IEEE/ASME Trans. Mechatron. 2014, 20, 2158–2171. [Google Scholar] [CrossRef]
  14. Zhao, L.; Zhang, B.; Yang, H.; Wang, Y. Observer-Based Integral Sliding Mode Tracking Control for a Pneumatic Cylinder with Varying Loads. IEEE Trans. Syst. Man Cybern. Syst. 2020, 50, 2650–2658. [Google Scholar] [CrossRef]
  15. Liu, Y.; Gao, J.; Zhong, Y.; Zhang, L. Extended State Observer-Based IMC-PID Tracking Control of PMLSM Servo Systems. IEEE Access 2021, 9, 49036–49046. [Google Scholar] [CrossRef]
  16. Lu, W.; Tang, B.; Ji, K.; Lu, K.; Wang, D.; Yu, Z. A New Load Adaptive Identification Method Based on an Improved Sliding Mode Observer for PMSM Position Servo System. IEEE Trans. Power Electron. 2020, 36, 3211–3223. [Google Scholar] [CrossRef]
  17. Humaidi, A.J.; Badr, H.M.; Hameed, A.H. PSO-Based Active Disturbance Rejection Control for Position Control of Magnetic Levitation System. In Proceedings of the 2018 5th International Conference on Control, Decision and Information Technologies (CoDIT), Thessaloniki, Greece, 10–13 April 2018. [Google Scholar]
  18. Niu, S.; Luo, Y.; Fu, W.; Zhang, X. Robust Model Predictive Control for a Three-Phase PMSM Motor with Improved Control Precision. IEEE Trans. Ind. Electron. 2020, 68, 838–849. [Google Scholar] [CrossRef]
  19. Xie, S.; Ren, J. Linearization of Recurrent-Neural-Network-Based Models for Predictive Control of Nano-Positioning Systems Using Data-Driven Koopman Operators. IEEE Access 2020, 8, 147077–147088. [Google Scholar] [CrossRef]
  20. Xu, Q. Digital Integral Terminal Sliding Mode Predictive Control of Piezoelectric-Driven Motion System. IEEE Trans. Ind. Electron. 2016, 63, 3976–3984. [Google Scholar] [CrossRef]
  21. Shi, S.; Guo, L.; Chang, Z.; Zhao, C.; Chen, P. Current Controller Based on Active Disturbance Rejection Control with Parameter Identification for PMSM Servo Systems. IEEE Access 2023, 11, 46882–46891. [Google Scholar] [CrossRef]
  22. Wang, Z.; Chai, J.; Xiang, X.; Sun, X.; Lu, H. A Novel Online Parameter Identification Algorithm Designed for Deadbeat Current Control of the Permanent-Magnet Synchronous Motor. IEEE Trans. Ind. Appl. 2022, 58, 2029–2041. [Google Scholar] [CrossRef]
  23. Lian, C.; Xiao, F.; Liu, J.; Gao, S. Parameter and VSI Nonlinearity Hybrid Estimation for PMSM Drives Based on Recursive Least Square. IEEE Trans. Transp. Electrif. 2023, 9, 2195–2206. [Google Scholar] [CrossRef]
  24. Brosch, A.; Wallscheid, O.; Böcker, J. Long-Term Memory Recursive Least Squares Online Identification of Highly Utilized Permanent Magnet Synchronous Motors for Finite-Control-Set Model Predictive Control. IEEE Trans. Power Electron. 2023, 38, 1451–1467. [Google Scholar] [CrossRef]
  25. HAhmed, H.M.; Jlassi, I.; Cardoso, A.J.M.; Bentaallah, A. Model-Free Predictive Current Control of Synchronous Reluctance Motors Based on a Recurrent Neural Network. IEEE Trans. Ind. Electron. 2022, 69, 10984–10992. [Google Scholar]
  26. Deng, W.; Qian, Z.; Chen, W.; Qian, C.; Wang, Q. Orthotropic Material Parameters Identification Method of Stator Core and Windings in Electric Motors. IEEE Trans. Energy Convers. 2023, 38, 2464–2474. [Google Scholar] [CrossRef]
Figure 1. Structure of the novel two-DOF VCM.
Figure 1. Structure of the novel two-DOF VCM.
Energies 17 03017 g001
Figure 2. Equivalent circuit of swing motion.
Figure 2. Equivalent circuit of swing motion.
Energies 17 03017 g002
Figure 3. Analysis of eddy current loss: (a) iron is divided into n parts; (b) supposed eddy current path of jth divided iron.
Figure 3. Analysis of eddy current loss: (a) iron is divided into n parts; (b) supposed eddy current path of jth divided iron.
Energies 17 03017 g003
Figure 4. Analysis of armature reaction: (a) magnetic circuit of swing motion, (b) equivalent position of swing coil, (c) equivalent magnetic circuit of PM, and (d) equivalent magnetic circuit of N1iμ1(t).
Figure 4. Analysis of armature reaction: (a) magnetic circuit of swing motion, (b) equivalent position of swing coil, (c) equivalent magnetic circuit of PM, and (d) equivalent magnetic circuit of N1iμ1(t).
Energies 17 03017 g004
Figure 5. Schematic block diagram of ACBE upon swing motion.
Figure 5. Schematic block diagram of ACBE upon swing motion.
Energies 17 03017 g005
Figure 6. Experimental platform: (a) parameter test and (b) performance test.
Figure 6. Experimental platform: (a) parameter test and (b) performance test.
Energies 17 03017 g006
Figure 7. Variation in electrical time constant τa1(t) in one cycle under i1(t) = 1.4sin(2πt): (a) curve of tested i1(t), (b) curve of tested e2(t), and (c) curve of estimated τa1(t) by proposed method.
Figure 7. Variation in electrical time constant τa1(t) in one cycle under i1(t) = 1.4sin(2πt): (a) curve of tested i1(t), (b) curve of tested e2(t), and (c) curve of estimated τa1(t) by proposed method.
Energies 17 03017 g007
Figure 8. Accuracy of estimated τa1(t) vs. different amplitudes of i1(t) = Isin(2πt): (a) the value of estimated RFe1, (b) the value of estimated Lμ1e, (c) the value of estimated and tested Rs, (d) the value of estimated and tested Ls, and (e) estimated error of τa1.
Figure 8. Accuracy of estimated τa1(t) vs. different amplitudes of i1(t) = Isin(2πt): (a) the value of estimated RFe1, (b) the value of estimated Lμ1e, (c) the value of estimated and tested Rs, (d) the value of estimated and tested Ls, and (e) estimated error of τa1.
Energies 17 03017 g008
Figure 9. Accuracy of estimated τa1(t) vs. different frequency of i1(t) = sin(2πft): (a) the value of estimated RFe1, (b) the value of estimated Lμ1e, (c) the value of estimated and tested Rs, (d) the value of estimated and tested Ls, and (e) estimated error of τa1.
Figure 9. Accuracy of estimated τa1(t) vs. different frequency of i1(t) = sin(2πft): (a) the value of estimated RFe1, (b) the value of estimated Lμ1e, (c) the value of estimated and tested Rs, (d) the value of estimated and tested Ls, and (e) estimated error of τa1.
Energies 17 03017 g009
Figure 10. Accuracy of estimated Cf under proposed method: (a) palstance curve of back-EMF test, (b) armature voltage curve of back-EMF test, (c) curve of tested static torque constant, (d) tested and estimated dynamic torque constant under I = 1 A, and (e) error of estimated torque constant under proposed method under I = 1 A.
Figure 10. Accuracy of estimated Cf under proposed method: (a) palstance curve of back-EMF test, (b) armature voltage curve of back-EMF test, (c) curve of tested static torque constant, (d) tested and estimated dynamic torque constant under I = 1 A, and (e) error of estimated torque constant under proposed method under I = 1 A.
Energies 17 03017 g010
Figure 11. Tracking performance of reciprocating motion (angle is from −8° to +8° and f = 1 Hz) under ACBE and FZC: (a) angle input of reciprocating motion, (b) palstance input of reciprocating motion, (c) armature current of ACBE and FZC, (d) palstance track error of ACBE and FZC, (e) palstance track error of ACBE and its RMS value at uniform motion, (f) palstance track error of FZC and its RMS value at uniform motion, (g) angle track error of ACBE and FZC, (h) angle track error of ACBE and its RMS value at uniform motion, and (i) angle track error of FZC and its RMS value at uniform motion.
Figure 11. Tracking performance of reciprocating motion (angle is from −8° to +8° and f = 1 Hz) under ACBE and FZC: (a) angle input of reciprocating motion, (b) palstance input of reciprocating motion, (c) armature current of ACBE and FZC, (d) palstance track error of ACBE and FZC, (e) palstance track error of ACBE and its RMS value at uniform motion, (f) palstance track error of FZC and its RMS value at uniform motion, (g) angle track error of ACBE and FZC, (h) angle track error of ACBE and its RMS value at uniform motion, and (i) angle track error of FZC and its RMS value at uniform motion.
Energies 17 03017 g011aEnergies 17 03017 g011b
Figure 12. Track performance of reciprocating motion (angle is from −8° to +8° and f = 1 Hz) under ACBE and FZC with different Iu: (a) effective travel, (b) RMS value of eω(t) at uniform motion, and (c) RMS value of eθ(t) at uniform motion.
Figure 12. Track performance of reciprocating motion (angle is from −8° to +8° and f = 1 Hz) under ACBE and FZC with different Iu: (a) effective travel, (b) RMS value of eω(t) at uniform motion, and (c) RMS value of eθ(t) at uniform motion.
Energies 17 03017 g012
Figure 13. Track performance of reciprocating motion (angle is from −8° to +8° and Iu = 1 A) under ACBE and FZC with different f: (a) effective travel, (b) RMS value of eω(t) at uniform motion, and (c) RMS value of eθ(t) at uniform motion.
Figure 13. Track performance of reciprocating motion (angle is from −8° to +8° and Iu = 1 A) under ACBE and FZC with different f: (a) effective travel, (b) RMS value of eω(t) at uniform motion, and (c) RMS value of eθ(t) at uniform motion.
Energies 17 03017 g013
Disclaimer/Publisher’s Note: The statements, opinions and data contained in all publications are solely those of the individual author(s) and contributor(s) and not of MDPI and/or the editor(s). MDPI and/or the editor(s) disclaim responsibility for any injury to people or property resulting from any ideas, methods, instructions or products referred to in the content.

Share and Cite

MDPI and ACS Style

Yi, Z.; Luo, M.; Duan, J.-a.; Jiang, Y. Adaptive Feedforward Control Based on Estimated Electromagnetic Parameters upon a Novel Two-Degrees-of-Freedom Actuator with a Unibody Magnetic Circuit. Energies 2024, 17, 3017. https://doi.org/10.3390/en17123017

AMA Style

Yi Z, Luo M, Duan J-a, Jiang Y. Adaptive Feedforward Control Based on Estimated Electromagnetic Parameters upon a Novel Two-Degrees-of-Freedom Actuator with a Unibody Magnetic Circuit. Energies. 2024; 17(12):3017. https://doi.org/10.3390/en17123017

Chicago/Turabian Style

Yi, Zhaoxi, Meizhu Luo, Ji-an Duan, and Yan Jiang. 2024. "Adaptive Feedforward Control Based on Estimated Electromagnetic Parameters upon a Novel Two-Degrees-of-Freedom Actuator with a Unibody Magnetic Circuit" Energies 17, no. 12: 3017. https://doi.org/10.3390/en17123017

APA Style

Yi, Z., Luo, M., Duan, J.-a., & Jiang, Y. (2024). Adaptive Feedforward Control Based on Estimated Electromagnetic Parameters upon a Novel Two-Degrees-of-Freedom Actuator with a Unibody Magnetic Circuit. Energies, 17(12), 3017. https://doi.org/10.3390/en17123017

Note that from the first issue of 2016, this journal uses article numbers instead of page numbers. See further details here.

Article Metrics

Back to TopTop