Abstract
Modular multilevel converters with non-sinusoidal ac voltage output can reduce cost and volume in medium-voltage-connected electric vehicle battery charging applications. The use of full-bridge submodules in such converters enables single-stage ac/ac voltage conversion, allowing a medium-voltage grid to be directly connected to a medium-frequency isolation transformer. The application of a square wave voltage at the medium-frequency transformer’s single-phase port enhances the converter’s efficiency and power density in comparison to a sinusoidal voltage. This paper presents the analysis and modelling of a modular multilevel converter, comparing its operation with sinusoidal and square wave output voltages. A single control scheme for both output voltage waveforms is proposed for the three-phase and single-phase ac currents, circulating currents, and the energy stored in the submodule capacitors. The control strategy of the three-phase and single-phase port currents is verified through simulation and experiments using a scaled-down prototype, thereby validating its suitability for high-power bidirectional battery chargers.
1. Introduction
The energy transition has increased the demand for large electric vehicles, necessitating the development of high-power chargers [1,2]. The high power level necessary to charge these vehicles requires a connection to the medium-voltage (MV) grid instead of the low-voltage (LV) grid to prevent overloading the electricity network. In traditional architectures, a bulky line frequency transformer (LFT) is used to lower the voltage and provide isolation. State-of-the-art chargers typically include a three-phase ac/dc converter and a dc/dc converter to regulate the intermediate dc voltage for battery charging, as presented in Figure 1a [1,2,3].
Figure 1.
Ultrafast chargers: (a) Conventional charger with a line frequency transformer, and (b) proposed charger with an ac/ac modular multilevel converter and a medium-frequency transformer.
The volume of such a transformer, as well as other passive components in the charger, typically decreases with an increase in frequency [4,5]. Therefore, there is currently much interest in replacing the low-frequency transformer with one operating at a higher frequency. This does, however, require a different charger topology.
Various multilevel topologies allow the interfacing of a medium-voltage grid with a medium-frequency transformer (MFT). For example, in a cascaded H-bridge-based solid state transformer, multiple isolated dc/dc converters are applied for isolation [6,7]. The downside of this approach is the increased number of magnetic components and the many high-voltage isolation barriers that are required. Alternatively, a grid-connected ac/ac modular multilevel converter (MMC) can be used to convert the three-phase medium-voltage of the grid to a single-phase ac voltage with a desired voltage level and frequency. This can be interfaced to a medium-frequency transformer, effectively creating a single-stage converter, as shown in Figure 1b [8]. A significant advantage of such a topology over the cascaded H-bridge approach is the need for only one transformer. Due to the high isolation voltage that is required [1,6], this is a considerable advantage in medium-voltage applications.
The ac/ac MMC is suitable for MV-connected charging due to its high efficiency and scalability to different voltage and power levels [9]. In [10], it has been shown that, although a sine wave voltage might seem like an obvious choice, it is beneficial to generate a square wave voltage to apply across the transformer, since this leads to less power pulsation and a reduced number of MMC submodules (SMs).
Ac/ac MMCs have been proposed for various applications [8,9,10,11,12,13,14,15,16,17,18,19,20,21,22,23,24,25,26,27,28,29,30,31]. The MMC converts the MV grid to a medium-frequency sinusoidal voltage in [8,9,11,12,13,14,15] and to a low-frequency sinusoidal voltage in [16,17]. In addition, in [18,19,20] and in [10,21,22,23,24,25,26,27], the MMC converts a single-phase and a three-phase MV grid, respectively, into a square wave medium-frequency voltage. Furthermore, in [28,29,30,31], the MMC submodules directly connect to multiple medium-frequency transformers and ac/dc converters, and the MMC legs connect to a dc bus voltage. However, the MMC with a single-phase ac and a dc bus voltage port, as in [26,27,28,29,30,31], is not needed in this application. Therefore, the proposed ultrafast charger in Figure 1b implements a three-phase to single-phase ac/ac MMC with FB SMs.
Notably, each MMC architecture requires control of its currents and SM capacitor voltages. Many control schemes for the three-phase to single-phase ac/ac MMC have been proposed. For example, references [8,9,16,17] propose control schemes for the MMC using sinusoidal single-phase voltage, while [10,21,22,23,24,25] propose control schemes for the MMC using square wave single-phase voltage. However, the control strategy for a bidirectional single-stage MV-connected MMC with a medium-frequency single-phase port that can be adapted for different voltage waveforms has not yet been proposed in the literature. Therefore, this paper focuses on a hierarchical control scheme that regulates the power transfer between the three-phase MV grid and single-phase ports for either sinusoidal or square wave voltage waveforms while balancing the MMC SM capacitor voltages. The control scheme can be used in many applications, but in this paper, the example of a single-stage ac/dc converter will be used.
This paper is organized as follows: Section 2 explains the ac/ac MMC fundamentals and decomposition of circuit states, Section 3 proposes a hierarchical control scheme, Section 4 provides the simulation results, Section 5 shows the experimental verification, and Section 6 outlines the main findings.
2. Modular Multilevel Converter
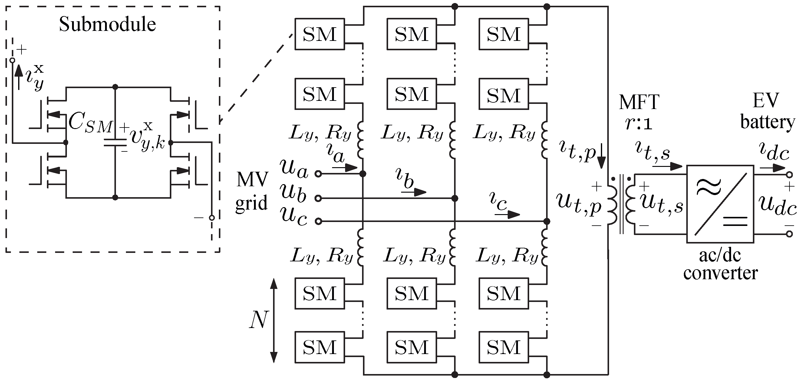
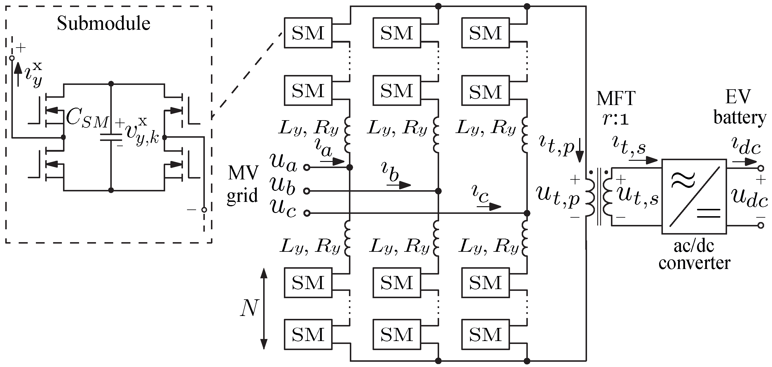
The submodule is the fundamental MMC component, typically consisting of a half- or full-bridge converter with a bus capacitor. Since for ac/ac conversion, the MMC submodules should generate negative voltages, full-bridge submodules are generally necessary [8,32], as shown in Figure 2. Half-bridge SMs can be utilized for ac/ac conversion by creating a virtual dc-bus voltage; however, as demonstrated in [14], the arm voltage of the MMC equipped with HB SMs is twice as high as the arm voltage of the MMC with FB SMs. Therefore, this paper investigates the ac/ac MMC with full-bridges as it requires fewer submodules than the ac/ac MMC with half-bridges.
Figure 2.
Ultrafast charger based on a direct three-phase to single-phase ac/ac MMC with full-bridge SMs, an MFT, and an ac/dc converter.
The series connection of N of these SMs constitutes a converter arm. Furthermore, to allow current control, the MMC arms contain a series inductance [33]. The two converter arms that are connected to the same grid phase compose a converter leg. All MMC legs are connected to the single-phase port and together can be used to transfer power to an ac/dc converter stage. Changing the number of submodules per arm N allows scaling of the converter to different voltage and power levels. The available arm voltage levels at the single-phase port of the converter depend on the number of series-connected SMs and their capacitor voltages.
2.1. Fundamentals
The MMC is used to transfer power bidirectionally between the three-phase ac grid and the single-phase port, which is connected to the MFT primary side terminals. The transformer is used in this converter to offer galvanic isolation between the three-phase ac voltages , , and and the dc voltage . Additionally, its turns ratio can be used to step-up or step-down the transformer primary side voltage in relation to the secondary side voltage . Since the ac/dc converter in Figure 2 acts as a voltage source, and the transformer is considered to be ideal, the MMC single-phase port voltage amplitude, i.e., for sinusoidal or for square wave, is equal to the primary referred EV battery voltage , in which r is the MFT winding turn ratio. Since this paper is focused on the ac/ac MMC model and control, it does not cover the ac/dc converter operation and the transformer’s voltage and frequency optimization.
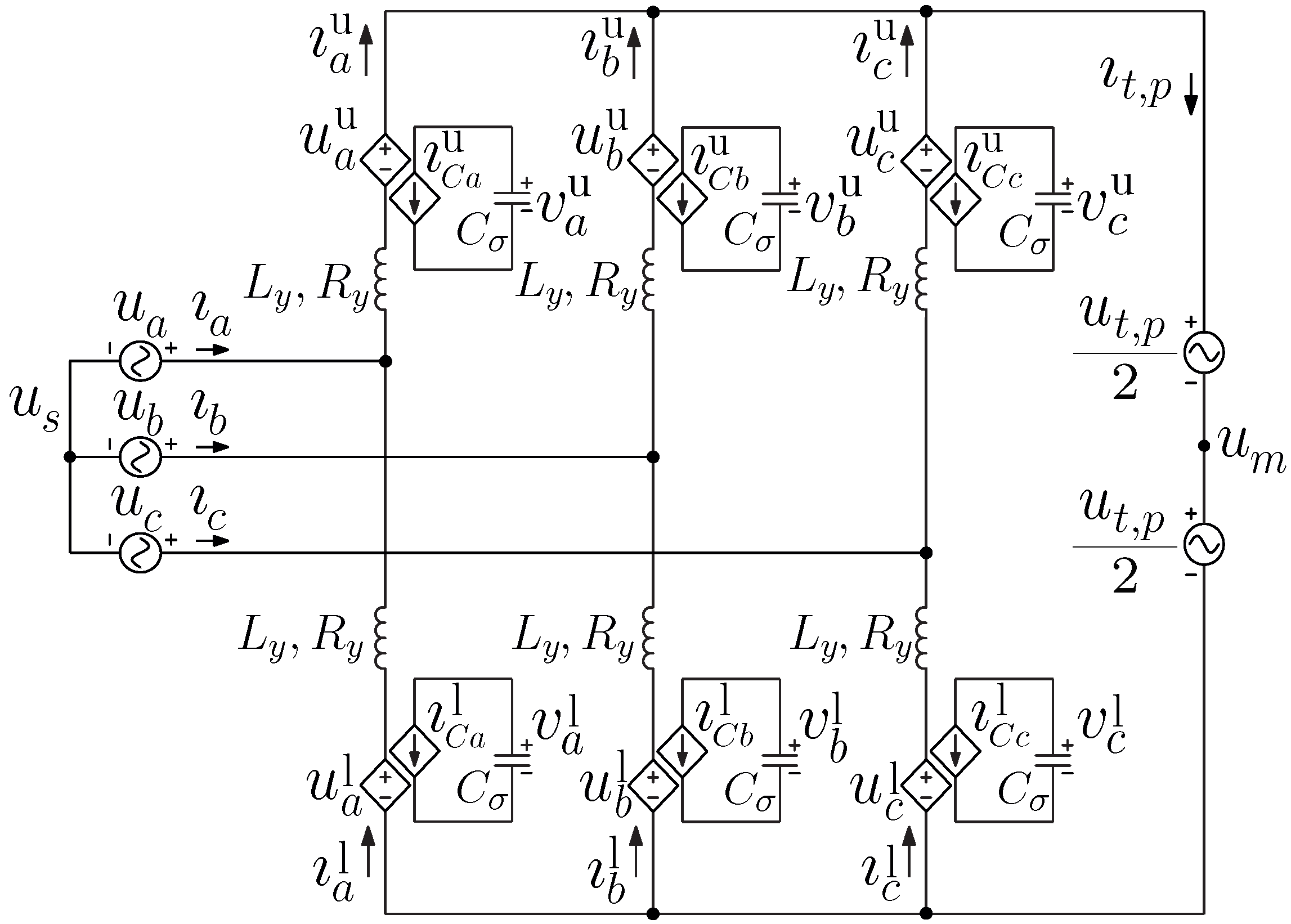
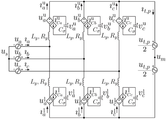
An averaged equivalent circuit allows modelling the time-average operation of the ac/ac MMC [34]. The model employs controllable average voltage sources to represent the SMs of each arm, as shown in Figure 3. In the model, for each of the three phases , there is an upper and a lower arm indicated by . The resistance and inductance are assumed to be equal in each arm. The ac/ac MMC interfaces the three-phase MV grid with phase voltages
where the three-phase voltage angles are , , and . In this paper, the single-phase transformer’s primary side is operated with either a sinusoidal voltage
or a square wave voltage
in which mod is the modulo operator. The angular frequencies and correspond to the frequencies and of the three-phase and single-phase port voltages, respectively. In addition, the three-phase and single-phase voltages and represent their RMS values.
Figure 3.
Averaged equivalent circuit of the ac/ac MMC.
To decouple the upper and lower arm voltages and currents, the primary winding of the transformer can be thought of as being composed of two identical parts. Referencing all voltages to the midpoint voltage , as indicated in Figure 3, Kirchhoff’s voltage law is used to describe the dynamics of the upper and lower arm currents as
where is the upper or lower arm current, the equivalent upper or lower arm voltage in phase y, and is the star-point voltage.
A summed capacitor voltage can be introduced, that follows from the SM capacitor voltage of all SMs in each arm , where is the capacitor voltage of the kth submodule. In addition, assuming that every SM capacitance is equal to , the equivalent capacitance is . Then, the total arm energy is . Assuming that within each arm, every submodule capacitor voltage is equal, the voltage sources and current sources in Figure 3 can be controlled through an insertion index , as and . The insertion index represents the combined contribution of each submodule to the arm voltage and is defined as , with , the kth SM’s switching function. Besides controlling the power exchange with the three-phase and single-phase ports, the insertion index is used to control the summed capacitor voltages [8,16,32,33].
2.2. Decomposition of Circuit States
It is convenient to separate the converter’s electrical quantities into differential-mode () and common-mode () components [8]. This allows the MMC’s upper and lower arm voltages and currents, and the summed capacitor voltages to be decomposed as
Additionally, by defining the instantaneous power absorbed in each MMC arm as , it is possible to define differential- and common-mode power and energy as
3. MMC Control
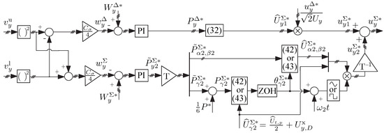
The ac/ac MMC control scheme is separated into two parts: (1) three-phase ac grid current control, and (2) cell balancing and common-mode current control. The first part controls the three-phase ac grid currents for a given active and reactive power reference, and , respectively, through the differential-mode voltages . The second part controls the energies and stored in the MMC arm capacitors to a given summed capacitor voltage reference [23,24]. It also controls the MMC common-mode currents through the common-mode voltages [8].
Figure 4 schematically depicts the MMC control. A phase-locked loop (PLL) is used to synchronize the control of the converter to the three-phase grid voltage [16,32]. It additionally estimates . While this frequency is imposed by the grid voltage, the frequency of the single-phase voltage and current can be chosen for the power transfer through the transformer, as long as it is not equal to . The transformer voltage and frequency can be chosen to optimize the charger efficiency and power density [10,35,36] but are limited by the converter’s voltage rating and switching frequency, respectively. In this paper, it is chosen as to decrease the transformer size.
Figure 4.
Hierarchical control scheme of the three-phase to single-phase ac/ac MMC.
The two controller outputs and are converted back into the arm voltage references , which are then divided by the summed capacitor voltage reference to yield the insertion index [16,32]. The summed capacitor voltage reference for sinusoidal and square wave single-phase output voltage is given by and , respectively. Finally, the insertion index yields a switching function for every submodule in an arm through PWM and a sorting algorithm that balances the SM capacitor voltages within the arms. Furthermore, the ac/dc converter uses either PWM or square wave modulation to produce the transformer voltage (2) or (3). However, as this paper’s focus is on the ac/ac MMC, the ac/dc converter modulation is not discussed.
3.1. Three-Phase ac Grid Current Control
The grid voltages and currents are assumed to be sinusoidal with frequency . The differential-mode components are therefore also sinusoidal:
The PLL in Figure 4 outputs an estimate of the grid voltage angle for synchronization. The p-q theory for three-phase systems [37] is then used to calculate a reference for the d and q components of the delta-current components for a desired instantaneous active power p and reactive power q. The most straightforward voltage-oriented control consists of a current controller in the frame and active and reactive power feed-forward control [38]. Therefore, the -current references are calculated for the desired active and reactive power as
where and denote the setpoints for and . The direct and quadrature grid voltages and are obtained from the measured in Figure 5a. Applying the -transformation to (16) leads to
Figure 5.
Three-phase ac grid current control: (a) Generation of differential-mode current references, and (b) control of differential-mode currents.
As depicted in Figure 5b, the -currents and are controlled through a standard control scheme [38,39].
3.2. Cell Balancing and Common-Mode Current Control
The common mode voltage component is used to control both the energy stored in the MMC submodule capacitors and the common-mode current . Therefore, this voltage also controls the single-phase port current [8]. To decouple , the -to- transformation is applied to (17) to obtain
where the common-mode voltages and regulate the internally circulating currents and , and controls the single-phase port current through , since [8].
The arm capacitor voltages can be controlled through the MMC’s power balance. Decoupled control requires to contain at least two independent components and with frequencies and , which therefore also appear in [10]. The steady-state common-mode voltage then becomes
which results in
On the other hand, for the square wave single-phase port voltage waveform in (3), the instantaneous voltage and current in Figure 6 are derived as in [40,41]:
and
with and .
The components with frequency regulate the energy difference between the upper and lower arms in each phase leg, and components with frequency control the power transfer between the MMC and the single-phase port, as well as the total energy that is stored in the equivalent submodules’ capacitance in each phase leg.
Given that due to the arm inductance, and choosing , the average differential- and common-mode power associated with each converter leg are found by averaging (30) and (31) over a fundamental period:
In steady-state, each MMC arm exchanges an average power with the three-phase ac grid . The single-phase port power is for the sinusoidal wave quantities in (26) and (27) equal to
and for square wave quantities in (28) and (29) equal to
which is analogous to the power transfer in Dual Active Bridge (DAB) converters [24,25,40,41,42,43,44].
The difference therefore charges the submodule capacitors in the concerning leg. A control scheme that makes use of this is presented in Figure 7 to regulate the energy stored in the MMC equivalent arm capacitors to the references
The control scheme shown in Figure 7 mitigates the steady-state error between the differential- and common-mode energies in (14) and (15) and their references in (36) and (37) through the use of PI controllers. This controls the submodule capacitor voltages to their desired value. The -controller outputs . Then, through (32), assuming , the differential-mode energy in each leg is controlled through the amplitude of the voltage . Since this component is chosen to be in phase with , this amplitude is multiplied by the normalized differential-mode voltage to create .
On average, in steady-state, each MMC leg transfers the same power to the MFT , where , ideally. The components with frequency in (26) and (27) for sinusoidal wave quantities and (28) and (29) for square wave quantities control the power exchange of each MMC leg with the single-phase port. By setting the amplitude of this common-mode voltage component equal to half the primary referred DC-bus voltage as , and since and are linked through the arm inductance and resistance, the power that is transferred by each leg can be controlled independently through the angle of with respect to the transformer voltage . The -controller controls the total energy in the submodule capacitors in the leg by adjusting this power. The controller outputs a power variation needed to balance the energy in the SM capacitors. Moreover, the power transferred between and is added as a feed-forward contribution to in Figure 7, resulting in a faster control response.
The power transfer between and for a sinusoidal voltage and current follows from (34) and is given by the phase-shift angle reference
that is used to linearize the loop gain of the system, through construction of the sinusoidal voltage reference
The extra term can be used to compensate for the voltage drop across the MMC switches, which can be significant. Note that its value depends on the arm current direction. For instance, considering SMs with identical IGBTs, their forward voltage drop can be modelled as . The compensation of for the differential-mode voltages is not covered in this paper.
The power transfer between and for a square wave voltage follows from (35) and is given by the phase-shift angle
which is used to linearize the loop gain, creating the square wave voltage reference
Compensation of the forward voltage drop is especially important for square wave operation, to make sure that the current peaks and in Figure 6 are aligned.
To update the voltage , a Zero-Order Hold (ZOH) is added in the control scheme, as shown in Figure 7. The ZOH makes sure that the phase angle is updated only once per period of the single-phase port.
The closed-loop control presented in Figure 7 generates three phase angles that create the common-mode voltages . Alternatively, it is possible to make the phase angle of the three legs equal and balance the capacitor voltages with orthogonal voltage components instead. This can be achieved by, for example, applying the -to- transformation to (34) and (35), resulting in
for sinusoidal and square wave quantities, respectively.
From (42) and (43), it is clear that decoupled control of , , and is possible by controlling , , and , respectively. Therefore, the decoupled closed-loop control of , , and for sinusoidal and square wave single-phase port voltages is shown in Figure 8. Clark transformation, i.e., matrix in Figure 8, is used to convert -to-. The power can be controlled with the power transfer angle or the voltage amplitude . For example, by fixing the voltage amplitude , the power is controlled with the angle . This angle is used to create , and , in which the voltage amplitudes and are calculated using and , respectively. Finally, the inverse Clarke transformation, i.e., -to-, is used to obtain .
4. Simulation Results
According to [8], the number of submodules per arm in the ac/ac MMC is given by , where and are the semiconductor device breakdown voltage and derating factor, respectively. As presented in [10], considering the parameters in Table 1, = 20 mΩ and , to achieve high efficiency, a sinusoidal single-phase port voltage needs at least 28 SMs per arm, while square wave single-phase port voltage needs 26 SMs per arm. Due to the high number of devices required, an averaged model is less complex than a model that includes all submodule capacitor voltages [32]. Therefore, the averaged model is useful for simulating the megawatt charger operation, e.g., to evaluate a new control scheme.
Table 1.
Parameters of the three-phase to single-phase ac/ac MMC full-scale simulations during steady-state operation.
Given the complexity of the ac/ac MMC system, it is important to analyze the behavior of an ideal system separately from an actual implementation. This approach allows for initial validation of the proposed control strategy’s performance. After that, the influence of non-ideal behavior and implementation issues can be assessed in a practical setup. Therefore, to verify the proposed ac/ac MMC hierarchical control, simulations of the megawatt charger operation were conducted using the MMC averaged equivalent circuit shown in Figure 3 and the parameters listed in Table 1. The use of the averaged model eliminates the need for PWM and the sorting algorithm; hencem the switching frequency is not defined yet. Simulations consider an IGBT forward voltage drop V. Additionally, the peak voltage for sinusoidal and square wave voltage at the single-phase port are chosen to be equal, to have the same summed capacitor voltage reference .
The cell balancing and common-mode current controllers presented in Figure 7 are implemented to control the common-mode currents with either sinusoidal or trapezoidal waveform, as shown in Figure 9 and Figure 10, respectively. The three-phase grid currents are purely sinusoidal without medium-frequency components , and the single-phase current exhibits no low-frequency components, showing perfect decoupling of differential-mode and common-mode components.
Figure 9.
Simulated voltage and current waveforms during steady-state operation with sinusoidal single-phase port voltage.
Figure 10.
Simulated voltage and current waveforms during steady-state operation with square wave single-phase port voltage.
Simulations show that the hierarchical control scheme is able to control the three-phase and single-phase port currents. In addition, the control balances the energy stored in the MMC submodule capacitors. This can be seen in the lowest traces of Figure 9 and Figure 10, where the summed capacitor voltages , , and are regulated to the reference for both sinusoidal and square wave single-phase port voltages.
Given that = 0.25 mF in Table 1, simulation results show that the summed capacitor voltage ripple is close to of the summed capacitor voltage reference for both sinusoidal and square wave voltages in Figure 9 and Figure 10. However, due to the number of SMs per arm, = 7 mF for the sinusoidal wave, and = 6.5 mF for the square wave single-phase voltage.
5. Experimental Verification
The proposed hierarchical control is verified with a scaled-down prototype, shown in Figure 11. The experimental setup implements an ac/ac MMC to interface a three-phase ac voltage source with the MFT primary side. The MFT secondary side connects to a dc voltage source through a full-bridge ac/dc converter, as depicted in Figure 2. The MMC and ac/dc converter are composed of PEH2015 and PEB8038 modules from Imperix, respectively. The system is controlled using four Imperix B-Box RCP 3.0 fast prototyping control platform modules, which run the control scheme shown in Section 3 in discrete-time implementation. In addition, the data acquired via the controllers have a sample rate of 50 kHz.
Figure 11.
Photograph of the experimental setup with the scaled-down MMC.
The main parameters of the experimental setup are listed in Table 2. As in Section 4, the peak voltages for sinusoidal and square wave voltage at the single-phase port are equal to keep the same summed capacitor voltage setpoint for both single-phase port voltage waveforms. The MMC submodules use IXYS IXGR48N60C3D1 IGBTs with a forward voltage drop V. Therefore, V is used to compensate in (39) and (41).
Table 2.
Parameters of the three-phase to single-phase ac/ac MMC scaled-down prototype during steady-state operation.
First, the ac/ac MMC is operated in steady-state with sinusoidal wave single-phase voltage by implementing the control scheme presented in Figure 7 with Equations (38) and (39). Figure 12 and Figure 13 illustrate the bidirectional power flow. As simulated in Section 4, the three-phase and single-phase port currents are controlled for a given active power reference and reactive power reference and the summed capacitor voltages to the voltage reference in Table 2. The three-phase currents show high-order harmonics due to IGBTs forward voltage drop and dead-time between the gate signals in the MMC submodules [45]. The level-shifted PWM and the sorting algorithm implemented in the experimental setup also influence the MMC ports’ current ripples [46,47,48]. However, this paper does not investigate the MMC three-phase and single-phase port current ripples.
Figure 12.
Measured voltage and current waveforms during steady-state operation with sinusoidal single-phase port voltage and positive dc current (data acquired via the control platform).
Figure 13.
Measured voltage and current waveforms during steady-state operation with sinusoidal single-phase port voltage and negative dc current (data acquired via the control platform).
The MMC single-phase port voltage is supplied via the transformer by the ac/dc converter. Therefore, in Figure 12 and Figure 13 is not purely sinusoidal with frequency as in (39) but is a pulse-width modulated voltage using unipolar PWM, resulting in an effective switching frequency of = 100 kHz. However, the voltage sensor in the scaled-down prototype, which has a measurement bandwidth of 60 kHz, attenuates the ripple at the effective switching frequency. Additionally, since the sampling and switching frequencies are synchronized, the measurements acquired using the control platform do not capture the high-frequency PWM waveform of the transformer voltage that is filtered by the sensor, due to aliasing. The voltage ripple in is visible in data acquired via the Tektronix P5200A differential voltage probe using a Keysight Technologies DSOX2024A oscilloscope as shown in Figure 14.
Figure 14.
Measured single-phase port voltage and current waveforms during steady-state operation with sinusoidal common-mode current control.
Measurements with a square wave single-phase port voltage are presented in Figure 15 with positive dc current. The control scheme presented in Figure 7 with Equations (40) and (41) is applied for the square wave operation. As presented for sinusoidal single-phase voltage, the three-phase and single-phase port currents are controlled for a given active and reactive power reference, and the summed capacitor voltages , , and are regulated to the reference by the energy controllers. The transformer current in Figure 15 should be trapezoidal but is not in practice. This is due to the resolution of used to generate (41). The control accuracy relies on the resolution, or quantization step size, of the angle . The smaller the quantization step size or the higher the resolution, the better the phase-shift control accuracy [43]. Moreover, the presence of quantizers in the closed-loop control, such as an analog-to-digital converter (ADC) and digital PWM, may result in steady-state limit cycling [49,50]. In other words, the phase-shift angles cannot be adjusted precisely to match the voltage references , which could explain the limit cycling of the transformer current . Other possible causes for this transformer current waveform are the dead-time and IGBT forward voltage drop as they result in arm voltage ripples, which influence the submodule capacitor voltages, grid current harmonics, and transformer current harmonics as described in [45]. The arm voltage ripple amplitude caused by dead-time is calculated and compensated in [45] for ac/dc MMCs. The voltage ripple depends on the arm current profile, which could explain the difference between the grid current ripple when operating with sinusoidal and trapezoidal transformer current, as shown in Figure 12 and Figure 15. In addition, Figure 16 shows a measurement of the single-phase port voltage acquired via the Tektronix P5200A differential voltage probe using a Keysight Technologies DSOX2024A oscilloscope.
Figure 15.
Measured voltage and current waveforms during steady-state operation with square wave single-phase port voltage and positive dc current (data acquired via the control platform).
Figure 16.
Measured single-phase port voltage and current waveforms during steady-state operation with trapezoidal common-mode current control.
A higher resolution is achieved with the control strategy presented in Figure 8 since the angle can, in this case, be used to shift the carrier of the ac/dc converter modulation scheme. The much higher clock frequency with which this carrier is generated, in comparison to the sampling frequency of the controller, increases the resolution with which the phase-shift can be applied. The experimental results using the proposed control in Figure 8 with positive and negative dc current directions are presented in Figure 17 and Figure 18, respectively. The single-phase port current in Figure 17 shows a lower current ripple than in Figure 15. Measurements of the trapezoidal current implementing the controllers in Figure 7 and Figure 8 are magnified for better visualization in Figure 15, Figure 17 and Figure 18. To remove the remaining ripple in both three-phase and single-phase port currents, the arm voltage ripples in the ac/ac MMC that are caused by the IGBT forward voltage drop and dead-time must be compensated, which is not covered in this paper.
Figure 17.
Measured voltage and current waveforms during steady-state operation with square wave single-phase port voltage and positive dc current (data acquired via the control platform). The angle shifts the ac/dc converter carriers.
Figure 18.
Measured voltage and current waveforms during steady-state operation with square wave single-phase port voltage and negative dc current (data acquired via the control platform). The angle shifts the ac/dc converter carriers.
The current ripple caused by the dead-time at both MMC ports is less visible when the active power reference is increased to kW as shown in Figure 19. It is also less visible with lower ratings, e.g., V, V, and W, as shown in Figure 20. Measurements of the trapezoidal current with different converter parameters are magnified in Figure 19 and Figure 20.
Figure 19.
Measured voltage and current waveforms during steady-state operation with square wave single-phase port voltage and positive dc current for = 2 kW (data acquired via the control platform). The angle shifts the ac/dc converter carriers.
Figure 20.
Measured voltage and current waveforms during steady-state operation with square wave single-phase port voltage and positive dc current for = 500 W (data acquired via the control platform). The angle shifts the ac/dc converter carriers.
Since determines the average power exchange with the three-phase ac grid, the grid current is equal but opposite in phase for both positive and negative dc currents. The dc current, however, is unequal in magnitude for both power flow directions, since it also depends on the system losses.
The transient response of the proposed hierarchical control scheme is tested by applying a step change in the power reference for positive dc current direction. The transient response is shown for sinusoidal and square wave single-phase port voltages in Figure 21 and Figure 22, using the controllers shown in Figure 7 and Figure 8, respectively. The step in the power reference immediately increases the grid current amplitude, but the single-phase port current amplitude and dc port current react with a delay between 0 and due to the ZOH. The submodule capacitor voltage ripple increases, mostly due to the increased grid and transformer current amplitudes [11].
Figure 21.
Measured voltage and current waveforms with sinusoidal single-phase port voltage during a step change in the active power reference , which is increased from 1 kW to 1.5 kW at s (data acquired via the control platform).
Figure 22.
Measured voltage and current waveforms with square wave single-phase port voltage during a step change in the active power reference , which is increased from 1 kW to 1.5 kW at t = 0.02 s (data acquired via the control platform).
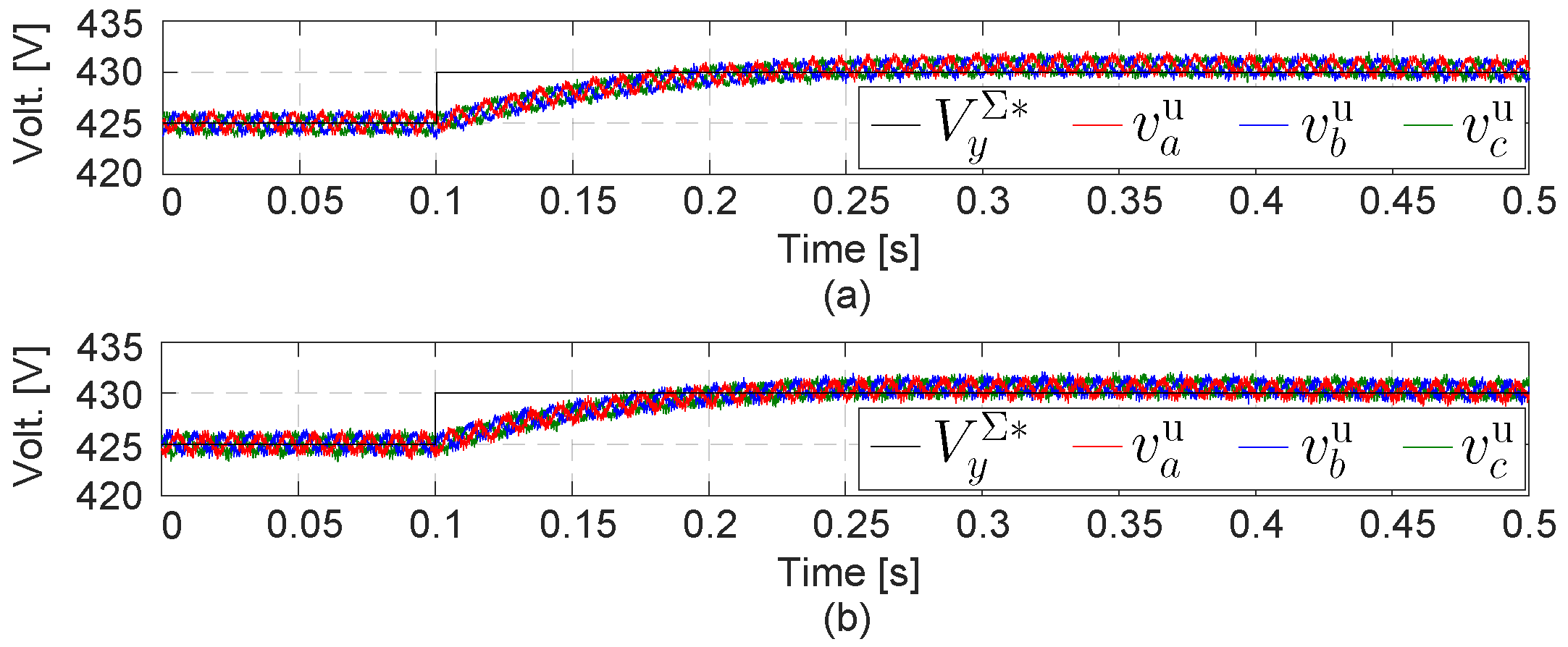
The transient response of the proposed control is also tested by applying a step change in the summed capacitor voltage reference . The summed capacitor voltages’ transient response for sinusoidal and square wave single-phase port voltage are shown in Figure 23a and Figure 23b, which are obtained through the control scheme presented in Figure 7 and Figure 8, respectively. The summed capacitor voltages converge to the new reference value for sinusoidal and square wave operations.
Figure 23.
Measured summed capacitor voltages of the upper arms with (a) sinusoidal and (b) square wave single-phase port voltage during a step change in the voltage reference , which is increased from 425 V to 430 V at t = 0.1 s (data acquired via the control platform).
6. Conclusions
A direct three-phase to single-phase ac/ac MMC circuit was investigated based on its averaged behavior. This averaged circuit model was used to decouple the MMC’s internally circulating currents, as well as the three-phase and single-phase port currents. Based on this model, a hierarchical control strategy for the ac/ac MMC was developed to transfer power between a medium-voltage three-phase grid and a low-voltage dc side. This control scheme also ensures that the energy stored in the submodule capacitors remains balanced close to the reference value, which is crucial for MMC operation.
The proposed control strategy has been analyzed and verified for sinusoidal and square wave single-phase port voltages. Simulations demonstrate that square wave single-phase voltage results in fewer MMC SMs and lower SM capacitance compared to a sinusoidal voltage. Simulations of a full-scale MV-connected ultrafast charger and experimental verification using a scaled-down prototype in steady-state validated the control approach. In addition, the system shows good transient response for both sinusoidal and square wave operation during a step change in the active power reference and summed capacitor voltage reference.
Future work should include a performance comparison of the hierarchical control with sinusoidal and square wave single-phase voltage under various operating conditions, such as unbalanced grid voltages. Additionally, further research is needed to calculate and compensate for the influence of dead-time in the ac/ac MMC arm currents.
Author Contributions
Conceptualization, Y.P.M., M.G.L.R., C.G.E.W., J.L.D. and H.H.; Simulation, Y.P.M.; Validation, Y.P.M.; Writing—original draft, Y.P.M.; Writing—review and editing, M.G.L.R., C.G.E.W., J.L.D. and H.H. All authors have read and agreed to the published version of the manuscript.
Funding
This research has been funded by the NEON (New Energy and Mobility Outlook for the Netherlands) Crossover NWO (Dutch Research Council) Grant, project number 17628.
Data Availability Statement
The original contributions presented in the study are included in the article, further inquiries can be directed to the corresponding author.
Conflicts of Interest
The authors declare no conflicts of interest.
References
- Ahmad, A.; Qin, Z.; Wijekoon, T.; Bauer, P. An Overview on Medium Voltage Grid Integration of Ultra-Fast Charging Stations: Current Status and Future Trends. IEEE Open J. Ind. Electron. Soc. 2022, 3, 420–447. [Google Scholar] [CrossRef]
- Ronanki, D.; Kelkar, A.; Williamson, S.S. Extreme Fast Charging Technology—Prospects to Enhance Sustainable Electric Transportation. Energies 2019, 12, 3721. [Google Scholar] [CrossRef]
- Srdic, S.; Lukic, S. Toward Extreme Fast Charging: Challenges and Opportunities in Directly Connecting to Medium-Voltage Line. IEEE Electrif. Mag. 2019, 7, 22–31. [Google Scholar] [CrossRef]
- Lüth, T.; Merlin, M.M.C.; Green, T.C.; Hassan, F.; Barker, C.D. High-Frequency Operation of a DC/AC/DC System for HVDC Applications. IEEE Trans. Power Electron. 2014, 29, 4107–4115. [Google Scholar] [CrossRef]
- Kenzelmann, S.; Rufer, A.; Dujic, D.; Canales, F.; de Novaes, Y.R. Isolated DC/DC Structure Based on Modular Multilevel Converter. IEEE Trans. Power Electron. 2015, 30, 89–98. [Google Scholar] [CrossRef]
- Tu, H.; Feng, H.; Srdic, S.; Lukic, S. Extreme Fast Charging of Electric Vehicles: A Technology Overview. IEEE Trans. Transp. Electrif. 2019, 5, 861–878. [Google Scholar] [CrossRef]
- Vasiladiotis, M.; Rufer, A.; Béguin, A. Modular converter architecture for medium voltage ultra fast EV charging stations: Global system considerations. In Proceedings of the 2012 IEEE International Electric Vehicle Conference, Greenville, SC, USA, 4–8 March 2012; pp. 1–7. [Google Scholar] [CrossRef]
- Marca, Y.P.; Roes, M.G.L.; Duarte, J.L.; Wijnands, K.G.E. Isolated MMC-based ac/ac stage for ultrafast chargers. In Proceedings of the 2021 IEEE 30th International Symposium on Industrial Electronics (ISIE), Kyoto, Japan, 20–23 June 2021; pp. 1–8. [Google Scholar] [CrossRef]
- Rojas, F.; Díaz, M.; Espinoza, M.; Cárdenas, R. A solid state transformer based on a three-phase to single-phase Modular Multilevel Converter for power distribution networks. In Proceedings of the 2017 IEEE Southern Power Electronics Conference (SPEC), Puerto Varas, Chile, 4–7 December 2017; pp. 1–6. [Google Scholar] [CrossRef]
- Marca, Y.P.; Roes, M.G.L.; Duarte, J.L.; Wijnands, K. Square wave operation to reduce pulsating power in isolated MMC-based ultrafast chargers. In Proceedings of the 2022 24th European Conference on Power Electronics and Applications (EPE’22 ECCE Europe), Hanover, Germany, 5–9 September 2022; pp. 1–7. [Google Scholar]
- Marca, Y.P.; Roes, M.G.L.; Wijnands, K.G.E. Capacitor voltage ripple and capacitance evaluation in a direct three-phase to single-phase ac/ac MMC. In Proceedings of the 2023 11th International Conference on Power Electronics and ECCE Asia (ICPE 2023—ECCE Asia), Jeju Island, Republic of Korea, 22–25 May 2023; pp. 2278–2283. [Google Scholar] [CrossRef]
- Mondal, G.; Nielebock, S. Control of M2C direct converter for AC to AC conversion with wide frequency range. In Proceedings of the 2016 18th European Conference on Power Electronics and Applications (EPE’16 ECCE Europe), Karlsruhe, Germany, 5–9 September 2016; pp. 1–10. [Google Scholar] [CrossRef]
- Zheng, G.; Chen, Y.; Kang, Y. Modeling and control of the modular multilevel converter (MMC) based solid state transformer (SST) with magnetic integration. CES Trans. Electr. Mach. Syst. 2020, 4, 309–318. [Google Scholar] [CrossRef]
- Zheng, G.; Chen, Y.; Kang, Y. A Modular Multilevel Converter (MMC) Based Solid-State Transformer (SST) Topology with Simplified Energy Conversion Process and Magnetic Integration. IEEE Trans. Ind. Electron. 2021, 68, 7725–7735. [Google Scholar] [CrossRef]
- Purkayastha, B.; Bhattacharya, T. Submodule Capacitor Voltage Regulation of Modular Multilevel Converter Based Traction Propulsion System with Medium Frequency Isolation. IEEE Trans. Ind. Appl. 2021, 57, 904–914. [Google Scholar] [CrossRef]
- Bessegato, L.; Ilves, K.; Harnefors, L.; Norrga, S.; Östlund, S. Control and Admittance Modeling of an AC/AC Modular Multilevel Converter for Railway Supplies. IEEE Trans. Power Electron. 2020, 35, 2411–2423. [Google Scholar] [CrossRef]
- Vasiladiotis, M.; Cherix, N.; Rufer, A. Operation and control of single-to-three-phase direct AC/AC Modular Multilevel Converters under asymmetric grid conditions. In Proceedings of the 2015 9th International Conference on Power Electronics and ECCE Asia (ICPE-ECCE Asia), Seoul, Republic of Korea, 1–5 June 2015; pp. 1061–1066. [Google Scholar] [CrossRef]
- Glinka, M. Prototype of multiphase modular-multilevel-converter with 2 MW power rating and 17-level-output-voltage. In Proceedings of the 2004 IEEE 35th Annual Power Electronics Specialists Conference (IEEE Cat. No.04CH37551), Aachen, Germany, 20–25 June 2004; Volume 4, pp. 2572–2576. [Google Scholar] [CrossRef]
- Glinka, M.; Marquardt, R. A new AC/AC-multilevel converter family applied to a single-phase converter. In Proceedings of the The Fifth International Conference on Power Electronics and Drive Systems, PEDS 2003, Singapore, 17–20 November 2003; Volume 1, pp. 16–23. [Google Scholar] [CrossRef]
- Liu, W.; Zhang, K.; Chen, X.; Xiong, J. Simplified model and submodule capacitor voltage balancing of single-phase AC/AC modular multilevel converter for railway traction purpose. IET Power Electron. 2016, 9, 951–959. [Google Scholar] [CrossRef]
- Hamasaki, S.i.; Takahashi, K.; Fujita, Y.; Daido, T. New Circuit Structure Applying MMC and Its Control for Quick Charger System. In Proceedings of the 2022 International Power Electronics Conference (IPEC-Himeji 2022- ECCE Asia), Himeji, Japan, 15–19 May 2022; pp. 2364–2369. [Google Scholar] [CrossRef]
- Budo, K.; Takeshita, T. An Isolated Medium-Voltage AC-DC Converter Using Level-Shifted PWM Control of a Modular Matrix Converter. In Proceedings of the 2020 22nd European Conference on Power Electronics and Applications (EPE’20 ECCE Europe), Lyon, France, 7–11 September 2020; pp. P.1–P.10. [Google Scholar] [CrossRef]
- Schnarrenberger, M.; Kammerer, F.; Gommeringer, M.; Kolb, J.; Braun, M. Current control and energy balancing of a square-wave powered 1AC-3AC modular multilevel converter. In Proceedings of the 2015 IEEE Energy Conversion Congress and Exposition (ECCE), Montreal, QC, Canada, 20–24 September 2015; pp. 3607–3614. [Google Scholar] [CrossRef]
- Pouresmaeil, K.; Roes, M.G.L.; Baars, N.H.; Wijnands, C.G.E. Switching Loss Reduction for an MMC-Fed AC/DC Converter. IEEE Open J. Power Electron. 2024, 5, 70–78. [Google Scholar] [CrossRef]
- Brando, G.; Bova, B.; Cervone, A.; Dannier, A.; Del Pizzo, A. A Distribution Power Electronic Transformer with MMC. Appl. Sci. 2018, 8, 120. [Google Scholar] [CrossRef]
- Liao, Z.; Jiao, Y.; Suo, Z.; Li, B.; Zhao, X.; Han, L.; Xu, D. A Three-Port Power Electronic Transformer Based on Magnetic Integration. Appl. Sci. 2022, 12, 11607. [Google Scholar] [CrossRef]
- Ma, D.; Chen, W.; Shu, L.; Qu, X.; Hou, K. A MMC-Based Multiport Power Electronic Transformer With Shared Medium-Frequency Transformer. IEEE Trans. Circuits Syst. II Express Briefs 2021, 68, 727–731. [Google Scholar] [CrossRef]
- Teng, J.; Sun, X.; Pan, Y.; Liu, X.; Zhang, Y.; Zhao, W.; Li, X. An Inductive-Filtering Strategy of Submodule Ripple-Power in Triple-Port MMC-Based SST Applied to Hybrid Medium and Low Voltage AC/DC Interface. IEEE Trans. Power Electron. 2022, 37, 8015–8032. [Google Scholar] [CrossRef]
- Pei, Z.; Kong, D.; Liu, C.; Liu, C.; Guo, D.; Zhu, D.; Sun, Y.; Heldwein, M.L. Hybrid Isolated Modular Multilevel Converter Based Solid-State Transformer Topology with Simplified Power Conversion Process and Uneven Voltage Ratio. IEEE Trans. Power Electron. 2023, 38, 12757–12773. [Google Scholar] [CrossRef]
- Bu, Z.; Teng, J.; Sun, X.; Pan, Y.; Pan, Y. Low-Frequency Voltage Ripples Decoupling with Switched-Capacitor Conversion for an MMC-Based SST. IEEE Trans. Ind. Electron. 2022, 69, 11293–11303. [Google Scholar] [CrossRef]
- Bu, Z.; Zhao, W.; Zhang, M.; Teng, J.; Li, X.; Sun, X. Dynamic Performance Evaluation and Optimization of Common HFAC Bus Lightweight MMC-SST. IEEE Trans. Power Electron. 2024, 39, 2035–2050. [Google Scholar] [CrossRef]
- Sharifabadi, K.; Harnefors, L.; Nee, H.P.; Norrga, S.; Teodorescu, R. Design, Control, and Application of Modular Multilevel Converters for HVDC Transmission Systems, 1st ed.; John Wiley & Sons, Inc.: Hoboken, NJ, USA, 2016. [Google Scholar]
- Antonopoulos, A.; Angquist, L.; Nee, H.P. On dynamics and voltage control of the Modular Multilevel Converter. In Proceedings of the 2009 13th European Conference on Power Electronics and Applications, Barcelona, Spain, 8–10 September 2009; pp. 1–10. [Google Scholar]
- Ludois, D.C.; Venkataramanan, G. Simplified Terminal Behavioral Model for a Modular Multilevel Converter. IEEE Trans. Power Electron. 2014, 29, 1622–1631. [Google Scholar] [CrossRef]
- Pouresmaeil, K.; Duarte, J.; Wijnands, K.; Roes, M.; Baars, N. Single-Phase Bidirectional ZVZCS AC-DC Converter for MVConnected Ultra-fast Chargers. In Proceedings of the PCIM Europe 2022; International Exhibition and Conference for Power Electronics, Intelligent Motion, Renewable Energy and Energy Management, Nuremberg, Germany, 10–12 May 2022; pp. 1–7. [Google Scholar] [CrossRef]
- Mo, R.; Li, H.; Shi, Y. A Phase-Shifted Square Wave Modulation (PS-SWM) for Modular Multilevel Converter (MMC) and DC Transformer for Medium Voltage Applications. IEEE Trans. Power Electron. 2019, 34, 6004–6008. [Google Scholar] [CrossRef]
- Hirofumi, A.; Edson, H.W.; Aredes, M. Instantaneous Power Theory and Applications to Power Conditioning; John Wiley & Sons, Inc.: Hoboken, NJ, USA, 2007. [Google Scholar]
- Teodorescu, R.; Liserre, M.; Rodriguez, P. Grid Converters for Photovoltaic and Wind Power Systems; John Wiley & Sons, Inc.: Hoboken, NJ, USA, 2011. [Google Scholar]
- Gui, Y.; Wang, X.; Blaabjerg, F. Vector Current Control Derived from Direct Power Control for Grid-Connected Inverters. IEEE Trans. Power Electron. 2019, 34, 9224–9235. [Google Scholar] [CrossRef]
- Rodríguez, A.; Vázquez, A.; Lamar, D.G.; Hernando, M.M.; Sebastián, J. Different Purpose Design Strategies and Techniques to Improve the Performance of a Dual Active Bridge With Phase-Shift Control. IEEE Trans. Power Electron. 2015, 30, 790–804. [Google Scholar] [CrossRef]
- Krismer, F. Modeling and Optimization of Bidirectional Dual Active Bridge DC-DC Converter Topologies. Ph.D. Thesis, ETH Zurich, Zürich, Switzerland, 2010. [Google Scholar]
- De Doncker, R.W.A.A.; Divan, D.M.; Kheraluwala, M.H. A three-phase soft-switched high-power-density DC/DC converter for high-power applications. IEEE Trans. Ind. Appl. 1991, 27, 63–73. [Google Scholar] [CrossRef]
- Du, Y.; Huang, A.Q. A high resolution digital phase-shift modulation scheme for ultra-high frequency dual active bridge converters. In Proceedings of the 2012 IEEE Energy Conversion Congress and Exposition (ECCE), Raleigh, NC, USA, 15–20 September 2012; pp. 1684–1691. [Google Scholar] [CrossRef]
- Shao, S.; Chen, L.; Shan, Z.; Gao, F.; Chen, H.; Sha, D.; Dragičević, T. Modeling and Advanced Control of Dual-Active-Bridge DC–DC Converters: A Review. IEEE Trans. Power Electron. 2022, 37, 1524–1547. [Google Scholar] [CrossRef]
- Chen, B.; Chen, Y.; Tian, C.; Yuan, J.; Yao, X. Analysis and Suppression of Circulating Harmonic Currents in a Modular Multilevel Converter Considering the Impact of Dead Time. IEEE Trans. Power Electron. 2015, 30, 3542–3552. [Google Scholar] [CrossRef]
- Deng, F.; Yu, Q.; Wang, Q.; Zhu, R.; Cai, X.; Chen, Z. Suppression of DC-Link Current Ripple for Modular Multilevel Converters Under Phase-Disposition PWM. IEEE Trans. Power Electron. 2020, 35, 3310–3324. [Google Scholar] [CrossRef]
- Yu, Q.; Deng, F.; Liu, C.; Zhao, J.; Blaabjerg, F.; Abulanwar, S. DC-Link High-Frequency Current Ripple Elimination Strategy for MMCs Using Phase-Shifted Double-Group Multicarrier-Based Phase-Disposition PWM. IEEE Trans. Power Electron. 2021, 36, 8872–8886. [Google Scholar] [CrossRef]
- Mohamed Ismail, H.; Kaliyaperumal, S. Enhanced Voltage Sorting Algorithm for Balancing the Capacitor Voltage in Modular Multilevel Converter. IEEE Access 2021, 9, 167489–167502. [Google Scholar] [CrossRef]
- Peng, H.; Maksimovic, D.; Prodic, A.; Alarcon, E. Modeling of quantization effects in digitally controlled DC-DC converters. In Proceedings of the 2004 IEEE 35th Annual Power Electronics Specialists Conference, Aachen, Germany, 20–25 June 2004; Volume 6, pp. 4312–4318. [Google Scholar] [CrossRef]
- Peterchev, A.V.; Sanders, S.R. Quantization resolution and limit cycling in digitally controlled PWM converters. IEEE Trans. Power Electron. 2003, 18, 301–308. [Google Scholar] [CrossRef]
Disclaimer/Publisher’s Note: The statements, opinions and data contained in all publications are solely those of the individual author(s) and contributor(s) and not of MDPI and/or the editor(s). MDPI and/or the editor(s) disclaim responsibility for any injury to people or property resulting from any ideas, methods, instructions or products referred to in the content. |
© 2024 by the authors. Licensee MDPI, Basel, Switzerland. This article is an open access article distributed under the terms and conditions of the Creative Commons Attribution (CC BY) license (https://creativecommons.org/licenses/by/4.0/).






















