Next Article in Journal
The Relationship between Transparency Obligations and Foreign Investment in Renewable Energies: Realising the Potential Role of IIAs
Next Article in Special Issue
Impact of Pressure and Temperature on Charge Accumulation Characteristics of Insulators in Direct-Current Gas-Insulated Switchgear
Previous Article in Journal
Techno-Economic Assessment of Molten Salt-Based Concentrated Solar Power: Case Study of Linear Fresnel Reflector with a Fossil Fuel Backup under Saudi Arabia’s Climate Conditions
Previous Article in Special Issue
A Draft Design of a Zero-Power Experiment for Molten Salt Fast Reactor Studies
 
 
Font Type:
Arial Georgia Verdana
Font Size:
Aa Aa Aa
Line Spacing:
Column Width:
Background:
Article

Power Components Mean Values Determination Using New Ip-Iq Method for Transients

Faculty of Electrical Engineering and Information Technologies, University of Žilina, 010 26 Žilina, Slovakia
*
Author to whom correspondence should be addressed.
Energies 2024, 17(11), 2720; https://doi.org/10.3390/en17112720
Submission received: 28 March 2024 / Revised: 20 May 2024 / Accepted: 25 May 2024 / Published: 3 June 2024
(This article belongs to the Special Issue Energy, Electrical and Power Engineering 2024)

Abstract

This paper deals with the quasi-instantaneous determination (in a single-step response time) of apparent, active, and reactive (i.e., blind and distortion) power mean values including the total power factor, total harmonic distortion, and phase shift of fundamentals of a power electronic and electrical system (PEES) using the ip-iq method, which is the main contribution of the paper. The power components’ mean values are investigated during the transient and steady states. The power components’ mean values can be determined directly from phase current and voltage quantities, using an integral calculus over one period within the next calculation step and using moving average and moving rms techniques (or digital filtering). Consequently, the power factor can be evaluated with known values of a phase shift of fundamentals (using a Fourier analysis). The results of this study show how a distortion power component during transients is generated even under a harmonic supply and linear resistive–inductive load. The paper contains a theoretical base, modeling, and simulation for the three and single phases of the transients in power electronic systems. The worked-out results can be used to determine and size any PES. The presented approach brings a detailed time waveform verified by simulations in Matlab/Simulink 2022a and the Real-time HW Simulator Plecs RT Box 1.

1. Introduction

It is known that in power system theory, by now the instantaneous reactive power theory (IRP) raised by Akagi, Kanazawa, and Nabae, and Czarnecki’s currents’ physical component theory (CPC) based on the Budeanu method, are the most widely used [1,2,3]. Both line disturbances and the features of the connected appliances have an impact on the quality of the electrical energy that is extracted from the network. We can list a variety of power quality indices and events among the first ones, such as flicker, sags, transients, and slot harmonics. Reactive power compensation devices, particularly active power filters, have effectively utilized their application. Appliances, on the other hand, have the ability to overload the network with a variety of waveforms, non-linearities, and higher harmonics. For instance, the third harmonic current produced by switched-mode power supplies, which are often used in television sets, personal computers, etc., is almost the same size (80–90%) as the fundamental frequency component. In power systems, the range of harmonic sources can be represented by these load types taken together. Note that even seemingly small adjustments to control strategies and parameter settings can have a big influence on the creation of a harmonic current. Only the active power component is physically significant in an AC power network; the other components, apparent, active, blind, and distortion, make up the electric power features [4,5]. The apparent power is the sum of the active, blind, and distortion powers. Its size needs to be considered in the design because it is transferred from the source to the load. The measurement of blind and/or distortion power is related with certain challenges and cannot be accomplished using a conventional ’sinusoidal´ wattmeter (power meter). However, the active power may be determined and measured rather easily. The active power can be represented by the scalar product of the voltage and current phasors, and the blind power by the vector product of them, when rotating phasors of instantaneous time waveforms of voltages and currents are substituted in complex plains [6,7]. It is necessary to know the phase displacement between phasors in order to use this calculus. Determining the performance power factor’s value is likewise related to this. Although both approaches have been modified, the majority of methods for an instantaneous computation of power components as a function of time in steady states are described in the previously mentioned literature [3]. However, in transient conditions, it is frequently necessary to ascertain the average value of the apparent, active, blind, and distortion power components. As a result, the study in this paper deals with the calculation of the mean value of each power component in a single step in the transient states of PEES, but it does not use Akagi’s p-q theory as in [8]. Numerous studies [9,10,11,12] explain transient phenomena and Fourier analysis, particularly in power electrical and electronic systems. The Fourier transform is a helpful technique for transient solutions centered on harmonic analysis, as is made evident in [8]. However, during transient situations, power component mean values are not solved in any of ref. [1,2,3,4,5,6,7].
This paper introduces the advanced power theory of electrical systems with non-sinusoidal voltages and currents, based on the concept of current physical components (CPCs), and compares it to the instantaneous reactive power theory (IRP) based on the Clarke transform [13]. CPCs includes single- and three-phase systems with linear, time-invariant (LTI), and harmonic generating loads. Work [14] brings a new physical interpretation of the reactive power, while work [15] describes physical phenomena that affect the effectiveness of the power components’ transfer. A present point of view on the instantaneous reactive power theory is given in [16]. Unlike the id-iq method [17,18] that works in a rotary coordinate system, the ip-iq method works with a stationary coordinate system.
Unfortunately, no one from the mentioned works [1,2,3,4,5,6,7,8,9,10,11,12,13,14,15,16,17,18] solves the problem of an average value of apparent, active, blind, and distortion power components in transient states.
In the article, there are the following four sections (besides the introduction), including:
-
The ip-iq method for the determination of the apparent, active, blind, and distortion powers’ mean values during transients under the harmonic supply and linear LTI load;
-
The determination of the power components’ mean values during transients under the harmonic supply and non-linear load and under transient conditions caused by a step change in the load;
-
The determination of the power components’ mean values during transients under the nonharmonic supply and LTI load and under transient conditions caused by a switch-over decreased load;
-
The application of the ip-iq method for a three-phase power system under steady and transient states in Matlab/Simulink;
-
A modeling and real-time (RT) simulation for single- and three-phase supply systems under different steady and transient conditions using a HIL Simulator Plecs RT Box [19];
-
A discussion of each mode of operation, also to time the waveform of each power component during transient, and a conclusion.

2. Ip-Iq Method Used for Apparent, Active, Blind, and Distortion Power Components

The aim is to determine individual components of power as we know them from the classical power theory [2,4]. So
  • S a v proportional to U r m s × I r m s ,
  • P a v proportional to U r m s × I p , r m s ,
  • Q a v proportional to ( U r m s × I q , r m s ),
  • D a v proportional to ( U r m s × I , r m s ),
  • and consequently
  • P F as ratio of P a v / S a v ,
  • THD—as ratio of D a v / S a v ,
and those as quasi-instantaneous quantities in any k-steps.
So, the first goal is the determination of the P a v     a n d   Q a v components using ip-iq currents. Based on definitional relationships, the instantaneous power is given as [4]
s t = u t i t
where u t = U m a x s i n ω t and i t is the calculated current course.
And for its mean value
S a v = U r m s I r m s .
Each harmonic waveform can be decomposed into a sine and cosine component. So, for the harmonic supply and linear RL load
i t = I m a x s i n ω t φ = i p t + i q t = I p s i n ω t + I q c o s ω t  
where
I m a x = U m a x Z ;   Z = R 2 + ω L 2   ; I p = I m a x s i n π 2 φ   a n d   I q = I m a x s i n 0 φ .    
Similarly, for the power components
s t = u t i p t + i q t = p t + q t .
A graphic presentation is shown in Figure 1.
Thus, similarly as S a v in (2)
P a v = U r m s I p , r m s  
and
  Q a v = U r m s I q , r m s .
Then the distortion power mean value (if exists) will be
D a v = S a v 2 P a v 2 Q a v 2 .
Although the P a v ,   Q a v ,   D a v power components are significant electrical quantities in PEES systems, determining their instantaneous size during transients is not so simple, as we can see in the next sections.

During Transients

Since the input voltage is shifted by an angle α
u t = U m s i n ω 1 t + α    
then
i R L t = I m c o s ω 1 t + α φ 1 c o s α φ 1 e t / τ 1 + I 0 e t / τ 1 .  
i R L t = I m s i n ω 1 t + α φ 1 s i n α φ 1 e t / τ 1 + I 0 e t / τ 1 .    
where I m = U m Z and α is a voltage shift and I 0 is the initial value of the current.
Transient components of i R L t are
I m c o s α φ 1 e t / τ 1 + I 0 e t / τ 1   .    
I p , r m s k 1 T 0 T i p t d t   a n d   I q , r m s k = 1 T 0 T i q t d t ,
Using the m o v R M S function, we can calculate the RMS value of the currents both during the transient and steady state, Figure 2.
In generally, in the case of non-harmonic current,
I r m s = I 1 , r m s 2 + n = 2 I n , r m s 2
But I 1 , r m s k can be determined by [8], where there are more ways to do it:
-
Using continuous-time filter;
-
Using digital filtering;
-
Using integral calculus;
-
Using a discrete Fourier transform;
-
Using artificial neural networks [20].
The use of the continuous-time filter seems to be the fastest way to process a signal, but it requires the use of auxiliary hardware for conversion and processing (DAC-ADC converter, multiplier, integrator, etc.). So, the time of calculation also depends on the settling time, time of conversion of DAC converter, and soon. The last two items are not directly bound to the ip-iq method.
By this, we can use Fourier coefficients for the maximal value calculation of ip-iq currents and their time waveforms.
The first term in Equation (11)
I r m s t = 1 T 0 T i 2 t d t   u s i n g   m o v R M S   I r m s k    
or calculating the sliding window using the square or (more exactly) meander rule
I r m s k = 1 N i 0 2 + i N 2 2 k = 1 N 1 i 2 k .  
And the first term under sqrt in (11)
I 1 , r m s t = 1 T 0 T i 1 2 t d t   u s i n g   m o v R M S   I 1 , r m s k .  
So, for single power components, we can write:
For active power
P a v t = 1 T 0 T u t i p t d t = 1 T 0 T u 2 t i p 2 t d t u s i n g   m o v R M S P a v k = U r m s k I p , r m s k .          
For other power components analogically:
For blind reactive power
Q a v k = U r m s k I q , r m s k        
although
Q ( 1 ) a v t 1 T 0 T U m a x s i n ω t I 1 q , m a x c o s ω t = 0 !  
For apparent power
S a v k = U r m s k I r m s k  
It can be also calculated as
S ~ a v k = P a v 2 k + Q a v 2 k    
which is, in steady state, the same.
Since the distortion reactive power is, in steady state, equal to zero, distortion power in the transient can be determined as
D a v k = U r m s k I d , r m s k = U r m s k I r m s 2 k I 1 , r m s 2 k      
And it can also be calculated as
D a v k = S a v 2 k P a v 2 k Q a v 2 k        
In practical simulation or implementation, the distortion power component D a v k , however, is not zero due to the different calculated time of I r m s k and I p , r m s k or I q , r m s k , respectively. The principal time waveforms of the power components S, P, Q, D (k) by using the movRMS method are shown in both transient states’ start-up (a) and recovery (b), Figure 3.
As can be seen from the figure, the apparent power (black) is not equal to the square of the sum of the active and reactive ones (blue dashes). Let us name the difference between these power components the fictitious distortion component (purple).
Let us note, in this regard, using the Fourier transform on Equation (9a) for the total transient current waveform
i R L t = U m Z s i n ω 1 t + α φ 1 s i n α φ 1 e t / τ 1 + I 0 e t / τ 1                                          
which consists of steady and transient components (two-times e t / τ 1 ). Since the equation consists of steady- and transient-state components, we can write
F i R L j ω = F s t s t j ω + F t r a n s j ω = U m Z 0 c o s ω 1 t φ 1 e j ω t d t + U m Z 0 c o s φ 1 e t / τ 1 e j ω t d t .    
Taking into account Tabs in [8], the Fourier transform of the i R L t function can be derived (a simplified approach [8]), namely, using the time-shift rule
f t ± t 1     e j ω t 1 F f ( t )  
where t 1 = φ 1 ω 1 .
Then, for the steady-state component
F s t s t j ω = e j φ 1 F s t s t u t c o s ω 1 t = U m Z e j φ 1 F s t s t 1 2 e j ω 1 t + e j ω 1 t = U m Z 1 2 e j φ 1 F u j ω ω 1 + F u j ω + ω 1 = U m Z 1 2 e j ω φ 1 ω 1 π δ ω ω 1 + 1 j ω ω 1 + π δ ω + ω 1 + 1 j ω + ω 1 = U m Z π 2 δ ω ω 1 + δ ω + ω 1 e j φ 1 + j ω ω 1 2 ω 2 e j φ 1 .          
And, for the transient component
F t r a n s j ω = F t r a n s U m Z c o s φ 1 e t / τ 1 = U m Z cos φ 1 1 j ω + 1 τ 1 .      
This equation shows the distortion component is not quite fictitious.
(a)
In the case of harmonic supply and non-harmonic current:
The total non-harmonic current can be decomposed
I r m s = I 1 , r m s 2 + k = 2 I k , r m s 2
We need to know I r m s , I 1 , r m s to determine the rms value of the sum of higher harmonics
k = 2 I k , r m s 2 = I , r m s = I 2 r m s I 1 , r m s 2      
By this, we can use Fourier coefficients for the maximal value calculation of i p i q currents and their time waveforms
I 1 p , m a x b 1 = 2 T 0 T i t s i n ω t d t   i 1 p t = I 1 p , m a x s i n ω t  
The time waveforms of decomposed current components are shown in Figure 4.
And
I 1 q , m a x a 1 = 2 T 0 T i t c o s ω t d t   i 1 q t = I 1 q , m a x c o s ω t    
Using Equations (13)–(16), we obtain the active and blind reactive power components S a v ( k )   P ( 1 ) a v t , Q ( 1 ) a v t , and D a v k .
  • (b) In the case of non-harmonic supply and quasi-harmonic current:
A classical non-harmonic rectangular time waveform causes under R-L load a non-harmonic current, Figure 5.
The voltage and the current can be decomposed into p- and q- components.
Since the supply voltage is non-harmonic
U r m s = U 1 , r m s 2 + k = 2 U k , r m s 2
We need to know U r m s , U 1 , r m s to determine the rms value of the sum of higher harmonics
k = 2 U k , r m s 2 = U , r m s U 2 r m s U 1 , r m s 2 .    
The first term under sqrt
U r m s k 1 T 0 T u t d t , u s i n g   m o v R M S      
and
U 1 , r m s k 1 T 0 T u 1 t d t , u s i n g   m o v R M S
By this, we can use Fourier coefficients for the maximal value calculation of the u p ,   u q voltages and their time waveforms
U 1 p , m a x b 1 = 2 T 0 T u t s i n ω t d t   u 1 p ( t ) = U 1 p , m a x s i n ω t
U 1 q , m a x b 1 = 2 T 0 T u t c o s ω t d t   u 1 q ( t ) = U 1 q , m a x c o s ω t
The time waveforms of the decomposed current components are shown in Figure 6.
Figure 6 shows non-harmonic input voltage (inverter voltage) u(t), its fundamental harmonic, and its decomposition into u1p, u1q components (a), and also the decomposition of the total current fundamental harmonic into i1p, i1q components, respectively. Decomposition (a) follows Equations (29)–(30) and decomposition (b) follows Equations (23) and (24), in which the ip-iq method is included. So, again using Equations (13)–(16), we obtain the active and blind reactive power components S a v ( k )   P ( 1 ) a v t , Q ( 1 ) a v t , and D a v k .
The calculated power components S a v k , P a v k , Q a v k , and D a v k are applied in the next application section.
While for a non-symmetric system, the inequality holds
x a t + x b t + x c t 0 ,
because of including a zero-phase sequence component x 0 t into the Clarke transform [13].
x α , β t x 0 t = C t   1 a a 2 1 2 1 2 1 2 x a t x b t x c t ; o r   x α t x β t x 0 t = 1 3 2 1 1 0   3 3 1 1 1 x a t x b t x c t .
where a = −1/2 + 3 / 2 and C t is the transformation constant.
We can also use the method of symmetrical components x 1,2 , 0 t , [7,11].
x 1 t x 2 t x 0 t = 1 3 1 a a 2 1   a 2 a 1   1 1 x a t x b t x c t .
The inverse transformation into the a , b , c system can be obtained using the inverse transformation matrix. Consequently, the power in a non-symmetrical system also features an instantaneous zero-sequence component p 0 t .
p α , β t q α , β t p 0 t = 3 2 u α t u β t 0 u β t u α t 0 0 0 u 0 t 3 i α t i β t i 0 t .
The phase power components p a , b , c t can be expressed by the inverse transform of Equation (34).

3. Application of ip-iq Theory on Three-Phase Network and Linear Time-Invariant Load—Simulation Using Matlab/Simulink

The three-phase network and symmetric linear time-invariant R-L load can be connected between each other:
-
Directly, without any means of interconnection;
-
Employing a rectifier (controlled, uncontrolled);
-
Employing an inverter (direct, indirect, or cycloconverter).
By the simulation of some of them, we can confirm the theoretical derivation performed in the previous section.

3.1. Simulation Using Matlab/Simulink

There will be simulated transient states during the start-up and during a change in the load of the chosen connection of the systems. As investigated, the quantities are time courses of the power components’ mean values S a v k , P a v k , Q a v k , and D a v k .
A. 
Direct connection
Parameters of the system for steady states at t < 0.0 ; 0.1 > and at t < 0.1 ; 0.16 > are given in Table 1.
The start-up and load change simulation have been performed using Matlab/Simulink. The time courses of the average power components are shown in Figure 7.
The graphic interpretations of the Fourier transform amplitude spectra of both the steady-state and transient components of the current are shown in Figure 8 in the absolute units.
Since the time constant τ 1 is rather small (cca 2.4 ms), i.e., smaller than one-fourth of the time period (Table 1), the predominant component is the steady-state one.

3.2. Case of Non-Symmetrical Load

The load asymmetry has been provided by a different value of resistor in one phase. The resistors of the asymmetrical phase c are R c = 10   Ω and 20 Ω . Parameters for both steady states are given in Table 2.
Power component average values, computed in Matlab/Simulink, are given in Table 2.
Network voltages and currents in a , b , c , N coordinate system at steady states are shown in Figure 9a,b.
In this case, the network neutral is connected to the load neutral. Therefore, current IN flows through the neutral wire despite the voltage zero-sequence being zero. It is interesting that active power in the steady state after the transient is smaller than before, Figure 9b, although load resistance in phase “c” is changed to double. But the phase current ic and the current of neutral IN are in antiphase (shifted by 180 °el.), Figure 9a. So, the power loss (Joule loss) in the neutral wire acts negatively on the load active power. During the transient state, waveforms feature oscillating characters, and the power component P o is zero, due to the zero-sequence component U o equal to zero.
B. 
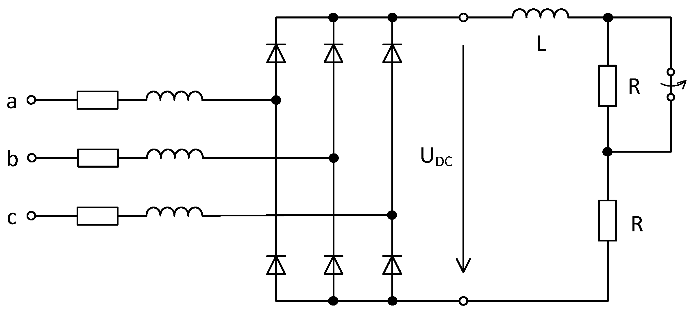
System with the connection of a diode rectifier
Let us consider systems supplied from a harmonic network and equipped with a three-phase diode rectifier with a linear resistive R-L load, Figure 10.
Parameters for steady states at t < 0.0 ; 0.1 > and at t < 0.1 ; 0.16 > are given in Table 3.
The start-up and load change simulation have been performed using Matlab/Simulink. The time courses of average power components are shown in Figure 11.
C. 
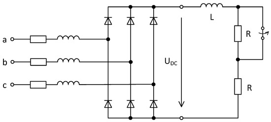
System with the connection of a controlled rectifier
Let us consider systems supplied from a harmonic network and equipped with a three-phase controlled rectifier and a linear resistive R-L load, Figure 12.
Parameters for steady states at t < 0.0 ; 0.1 > and at t < 0.1 ; 0.16 > are given in Table 4.
The start-up and load change simulation have been performed using Matlab/Simulink. The time courses of average power components are shown in Figure 13.
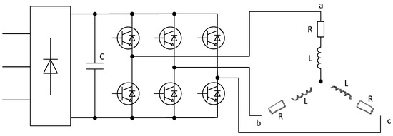
D. 
Three-phase inverter type of VSI and linear RL load
Let us consider systems supplied from a harmonic network and equipped with a three-phase VSI inverter and a linear resistive R-L load, Figure 14.
Parameters for steady states at t < 0.0 ; 0.1 > and at t < 0.1 ; 0.2 > are given in Table 5.
The start-up and load change simulation have been performed using Matlab/Simulink. The time courses of average power components are shown in Figure 15.

4. Verification of ip-iq Theory by a HIL Simulation (in Real Time)

A HIL simulator presented by the Plexim RT Box 1 with CPU cores 2 x ARM Cortex-A9, 1 GHz, is suitable for HIL simulations of power electronic circuits of moderate complexity and for single-tasking control prototyping [19]. The block scheme for interconnection of the microprocessor board with the RT Box and its assembly is shown in Figure 16.
There are simulated transient states during the start-up and during the changes in the load as they have been chosen in Section 2. As investigated, the quantities are time courses of the power components’ mean values S a v k , P a v k , Q a v k , and D a v k .
A. 
Direct connection of RL load to the network
Parameters of the system for steady states at t < 0.0 ; 0.1 > and at t < 0.1 ; 0.16 > are given in Table 1 above.
The start-up and load change simulation have been performed using Matlab/Simulink. The time courses of average power components are shown in Figure 17.
B. 
System with the connection of a diode rectifier
Let us consider systems supplied from a harmonic network and employing a three-phase diode rectifier with a linear resistive R-L load (Figure 9 above). Parameters for steady states at t < 0.0 ; 0.1 > and at t < 0.1 ; 0.16 > are given in Table 3 (in Section 2 above).
The start-up and load change simulation have been performed using Matlab/Simulink. The time courses of average power components are shown in Figure 18.

5. Discussion and Conclusions

This paper shows the behavior of power electronic systems, as well as power systems, under transient states presented by a step change of the load or another quantity, using the instantaneous reactive power ip-iq method. The simulation was performed under different types of loads and supply voltages (linear and non-linear load, sinusoidal and non-sinusoidal voltage). The simulation results are shown with the quasi-instantaneous determination of power components’ mean values, including the phase shift of fundamentals (resp. cos φ1) and total power factor PF. The waveforms of apparent, active, blind, and distorted power components are displayed in the timeline. It has been shown that the distortion power components are generated during the transient under harmonic supply conditions and linear load.
The moving average and moving rms methods have been used to determine a power component’s mean values in the next calculation step, directly from measurable phase current and voltage quantities.
The results are comparable with those obtained using the p-q method (IRP), published by the authors in paper [8].
A comparison of the working-out results of the HIL and Matlab/Simulink has shown that these are nearly identical. The essential difference is in the time of the computation. In the case of HIL, the quantities sensing and computation of power components, including the moving RMS, takes about 5 microseconds, which is practically real-time, unlike the Matlab/Simulink simulation.
Finally, while the p-q method does not allow a direct application to a single-phase system or an unbalanced load, the ip-iq method using decomposition into Fourier coefficients yields results like the p-q method without the mentioned disadvantages. Moreover, neither the IRP method nor CPC method investigates the instantaneous power components in transient states which is the main contribution of this paper.

Author Contributions

Conceptualization, B.D.; Methodology, B.D.; Software, S.K. and J.Š.; Validation, S.K. and J.Š.; Investigation, J.Š.; Writing—original draft, B.D.; Writing—review & editing, S.K. All authors have read and agreed to the published version of the manuscript.

Funding

This research was funded by VEGA 1/0314/24 “Research of a system for active management of electrical energy using battery storage system” and APVV-22-0330 “Research of a system for active and optimal management of electrical energy using battery storage system”.

Data Availability Statement

Data is contained within the article.

Acknowledgments

While the p-q method does not allow direct application to a single-phase system or an unbalanced load, the ip-iq method using decomposition into Fourier coefficients yields results like the p-q method without the mentioned disadvantages.

Conflicts of Interest

The authors declare no conflict of interest.

Nomenclature

PEESpower electrical and electronic systems
AVE (ave)average value or function
RMS (rms)root mean square value or function
Nnumber of sliding window points
C T Clarke transformation constant
p-qinstantaneous active and reactive power method
ip-iqinstantaneous active and reactive power method
p ( t ) , q ( t ) instantaneous active and reactive power components
u α t ,   u β t phase voltages in α , β -coordinate system
i α t ,   i β t phase currents in α , β -coordinate system
A 1 the amplitude of phase current
S a v apparent power
P a v active power
Q a v reactive blind power
D a v reactive distortion power
P F power factor
THDtotal harmonic distortion
P 1 a v active power of fundamental harmonic
P 0 a v active power of a zero-sequence component
S a v k   D a v ( k ) discretized power components at k - time instants
x α , β , 0 t components of a non-symmetrical system in α , β - coordinates
x a , b , c t components in a , b , c - coordinates
u 0 t ,   i 0 t voltage and current zero-sequence power components
i N t neutral wire current
ihh(t)sum of high harmonics
ist-ststeady-state current component
φ 1 , c o s φ 1 , τ 1 phase shift, PF of fundamental harmonic
Z ,   R , L impedance, resistance, and inductance of the load

References

  1. Akagi, H.; Kanazawa, Y.; Nabae, A. Generalized Theory of the Instantaneous Reactive Power in Three-Phase Circuits. In Proceedings of the IPEC Conference, Tokyo, Japan, 27–31 March 1983; pp. 1375–1386. [Google Scholar]
  2. Czarnecki, L.S. Currents’ Physical Components (CPC) Concept: A Fundamental of Power Theory. In Proceedings of the International School on Non-sinusoidal Currents and Compensation, Lagow, Poland, 10–13 June 2008; pp. 1–11. [Google Scholar]
  3. Guo, J.; Xiao, X.N.; Tao, S. Discussion on Instantaneous Reactive Power Theory and Current Physical Component (CPC) Theory. In Proceedings of the 15th International Conference on Harmonics and Quality of Power, Hong Kong, China, 17–20 June 2012; pp. 427–432. [Google Scholar] [CrossRef]
  4. Dugan, R.C.; McGranaghan, M.F.; Santoso, S.; Beaty, H.W. Electrical Power Systems Quality, 2nd ed.; McGrow-Hill Copyrighted Material; McGraw Hill: Maidenhead, UK, 2004. [Google Scholar]
  5. Kryltcov, S.; Makhovikov, A.; Korobitcyna, M. Novel Approach to Collect and Process Power Quality Data in Medium-Voltage Distribution Grids. Symmetry 2021, 13, 460. [Google Scholar] [CrossRef]
  6. Varga, L.; Hlubeň, D. Measuring Methods in Electro-Energetics; Technical University Košice: Košice, Slovakia, 2002; 175p, Chapter 1; pp. 15–21. (In Slovak) [Google Scholar]
  7. Kouzou, A.; Ismeil, M.A.; Abu Rub, H.; Ahmed, S.M.; Mahmoudi, M.O.; Boucherit, M.S.; Kennel, R. Discussions on the Instantaneous Reactive Power Theory Terms in the General Case Based on the Symmetric Components. In Proceedings of the International Conference on Renewable Energies and Power Quality (ICREPQ’12), Santiago de Compostela, Spain, 28–30 March 2012. [Google Scholar]
  8. Dobrucký, B.; Koňarik, R.; Beňová, M.; Praženica, M. A New Modified Non-Approximative Method for Dynamic Systems Direct Calculation. Appl. Sci. 2023, 13, 4162. [Google Scholar] [CrossRef]
  9. Shenkman, A.L. Transient analysis using the Fourier transform. In Transient Analysis of Electric Power Circuits Handbook; Springer: Dordrecht, The Netherlands, 2005; Chapter 4; pp. 213–263. ISBN -10 0-387-28799-X. [Google Scholar]
  10. Bai, H.; Mi, C. Transients of Modern Power Electronics; John Wiley & Sons, Ltd.: Chichester, UK, 2011; ISBN 978-0-470-68664-5. [Google Scholar]
  11. Peretyatko, L.; Spinul, L.; Shcherba, M. Theoretical Fundamentals of Electrical Engineering, Part I; IS Polytechnic Institute: Kiev, Ukraine, 2021; Chapters 5–6; pp. 36–54. [Google Scholar]
  12. Kreyszig, E.; Kreyszig, H.; Norminton, E.J. Advanced Engineering Mathematics; John Wiley & Sons, Inc.: New York, NY, USA, 2011; Chapter 6; pp. 203–255. ISBN 978-0-470-45836-5. [Google Scholar]
  13. Mohan, N.; Undeland, T.M.; Robbins, W.P. Power Electronics: Converters, Applications, and Design, 3rd ed.; John Wiley & Sons, Inc.: New York, NY, USA, 2003. [Google Scholar]
  14. Hartman, M.T. Why the new physical interpretations of the reactive power on terms of the CPC power theory is not true? In Proceedings of the International Conference CPE ‘07on Compatibility in Power Electronics, Gdansk, Poland, 29 May–1 June 2007. [Google Scholar] [CrossRef]
  15. Czarnecki, L.S. Physical Phenomena that Affect the Effectiveness of the Energy Transfer in Electrical Systems. In Proceedings of the 20th International Scientific Conference on Electric Power Engineering (EPE), Kouty nad Desnou, Czech Republic, 15–17 May 2019. [Google Scholar] [CrossRef]
  16. Herrera, R.S.; Salmerón, P. Present point of view about the instantaneous reactive power theory. IET Power Electron. 2009, 2, 484–495. [Google Scholar] [CrossRef]
  17. Soares, V.; Verdelho, P.; Marques, G.D. An instantaneous active and reactive current component method for active filters. IEEE Trans. Power Electron 2000, 15, 660–669. [Google Scholar] [CrossRef]
  18. Verdelho, P.C. Voltage type reversible rectifiers control methods in unbalanced and nonsinusoidal conditions. In Proceedings of the IECON 98—24th Annual Conference of the IEEE Industrial Electronics Society, Aachen, Germany, 31 August–4 September 1998. [Google Scholar] [CrossRef]
  19. Plexim. A HIL Simulator on Every Engineer’s Desk. Available online: https://www.plexim.com/products/rt_box/rt_box_1 (accessed on 26 March 2024).
  20. Osowski, S. Neural network for estimation of harmonic components in a power system. IEE Proc. GTD 1992, 139, 129–135. [Google Scholar] [CrossRef]
Figure 1. Decomposition of time waveforms of harmonic current i t into a sine and cosine component (a) and power components’ time waveforms (b).
Figure 1. Decomposition of time waveforms of harmonic current i t into a sine and cosine component (a) and power components’ time waveforms (b).
Energies 17 02720 g001
Figure 2. Principal time waveform of I r m s ( k ) by using of m o v R M S method: step k = 0.5 ms, length of sliding window l = T / 2 = 0.01 s.
Figure 2. Principal time waveform of I r m s ( k ) by using of m o v R M S method: step k = 0.5 ms, length of sliding window l = T / 2 = 0.01 s.
Energies 17 02720 g002
Figure 3. Principal time waveforms of power components S ,   P ,   Q ,   D   ( k ) by using m o v R M S method in transient states start-up (a) and hypothetical recovery (b).
Figure 3. Principal time waveforms of power components S ,   P ,   Q ,   D   ( k ) by using m o v R M S method in transient states start-up (a) and hypothetical recovery (b).
Energies 17 02720 g003
Figure 4. Decomposition of non-harmonic i t into sine and cosine components in diode rectifier (a) and in controlled thyristor rectifier (b).
Figure 4. Decomposition of non-harmonic i t into sine and cosine components in diode rectifier (a) and in controlled thyristor rectifier (b).
Energies 17 02720 g004
Figure 5. Non-harmonic rectangular time waveform of input voltage and responding non-harmonic time waveform of current.
Figure 5. Non-harmonic rectangular time waveform of input voltage and responding non-harmonic time waveform of current.
Energies 17 02720 g005
Figure 6. Decomposition of non-harmonic input voltage u t (a), resp. i t (b) into a sine and cosine components.
Figure 6. Decomposition of non-harmonic input voltage u t (a), resp. i t (b) into a sine and cosine components.
Energies 17 02720 g006
Figure 7. Time courses of average power components during start-up and load changing in direct connection.
Figure 7. Time courses of average power components during start-up and load changing in direct connection.
Energies 17 02720 g007
Figure 8. Amplitude spectra of steady-state (a) and transient component (b) under R - L load in transient phenomenon at switch-on of system.
Figure 8. Amplitude spectra of steady-state (a) and transient component (b) under R - L load in transient phenomenon at switch-on of system.
Energies 17 02720 g008
Figure 9. Network phase currents (a), and corresponding to them, power components (b) under symmetrical network supplying non-symmetrical linear RL load.
Figure 9. Network phase currents (a), and corresponding to them, power components (b) under symmetrical network supplying non-symmetrical linear RL load.
Energies 17 02720 g009
Figure 10. The basic scheme of the considered systems—diode rectifier.
Figure 10. The basic scheme of the considered systems—diode rectifier.
Energies 17 02720 g010
Figure 11. Time courses of average power components during start-up and load changing in diode connection.
Figure 11. Time courses of average power components during start-up and load changing in diode connection.
Energies 17 02720 g011
Figure 12. The basic scheme of the considered systems—controlled rectifier.
Figure 12. The basic scheme of the considered systems—controlled rectifier.
Energies 17 02720 g012
Figure 13. Time courses of average power components during start-up and load changing in controlled rectifier connection.
Figure 13. Time courses of average power components during start-up and load changing in controlled rectifier connection.
Energies 17 02720 g013
Figure 14. The basic scheme of the considered systems—VSI inverter.
Figure 14. The basic scheme of the considered systems—VSI inverter.
Energies 17 02720 g014
Figure 15. Time courses of average power components during start-up and load changing.
Figure 15. Time courses of average power components during start-up and load changing.
Energies 17 02720 g015
Figure 16. A block scheme of HIL simulator type of RT Box 1 (a), and its assembly photo (b).
Figure 16. A block scheme of HIL simulator type of RT Box 1 (a), and its assembly photo (b).
Energies 17 02720 g016
Figure 17. Time courses of average power components during start-up and load changing.
Figure 17. Time courses of average power components during start-up and load changing.
Energies 17 02720 g017
Figure 18. Time courses of average power components during start-up and load changing.
Figure 18. Time courses of average power components during start-up and load changing.
Energies 17 02720 g018
Table 1. Parameters of RL load for steady states before and after load change in direct connection.
Table 1. Parameters of RL load for steady states before and after load change in direct connection.
Load R   [ Ω ] L   [ m H ] Z Ω τ   [ m s ] φ   [ ° e l . ] c o s φ s i n φ [ ]
before 18.4 43.94 23.09 2.38 36.87 0.8 0.6
after 36.8 43.94 39.30 1.19 20.56 0.94 0.35
U r m s = 230   V ,   f = 50   H z , t h r e e p h a s e   s y s t e m .
Table 2. Load parameters for steady states before and after load change in case of non-symmetrical load.
Table 2. Load parameters for steady states before and after load change in case of non-symmetrical load.
Load R a   [ Ω ] L   [ m H ] Z Ω τ a   [ m s ] φ a   [ ° e l . ] c o s φ a s i n φ a [ ]
before 10 43.93 17.04 4.39 54.07 0.59 0.81
after 20 43.93 24.29 2.19 34.61 0.82 0.57
Simulation results before and after change (at steady states)
Time S a v [ V A ] P a v [ W ] Q a v [ V A r ] D a v [ V A d } P F [ ] P 1 a v [ W ] P 0 a v [ W ]
t = 0.1   s 3098 1264 2828 0 0.408 1264 0
t = 0.16   s 2173 174.9 2166 0 0.08 174.9 0
U r m s = 230   V ,   f = 50   H z ,   t h r e e p h a s e   s y s t e m .
Table 3. Load parameters for steady states before and after load change in diode connection.
Table 3. Load parameters for steady states before and after load change in diode connection.
Load R   [ Ω ] L   [ m H ]α [deg}
before 41.911000
after 83.821000
U r m s = 230   V ,   f = 50   H z ,   t h r e e p h a s e   s u p p l y   s y s t e m .
Table 4. Load parameters for steady states before and after load change in controlled rectifier connection.
Table 4. Load parameters for steady states before and after load change in controlled rectifier connection.
Load R   [ Ω ] L   [ m H ]α [deg}
before 41.911000
after 41.9110030
U r m s = 230   V ,   f = 50   H z ,   t h r e e p h a s e   s u p p l y   s y s t e m .
Table 5. Load parameters for steady states before and after load change.
Table 5. Load parameters for steady states before and after load change.
Load R   [ Ω ] L   [ m H ] Z Ω τ   [ m s ] φ   [ ° e l . ] c o s φ s i n φ [ ]
before 9.2 43.93 16.584.77556.310.5500.835
after 18.4 43.93 23.002.38737.870.7970.604
U r m s = 230   V ,   f = 50   H z ,   t h r e e p h a s e   s y s t e m .
Disclaimer/Publisher’s Note: The statements, opinions and data contained in all publications are solely those of the individual author(s) and contributor(s) and not of MDPI and/or the editor(s). MDPI and/or the editor(s) disclaim responsibility for any injury to people or property resulting from any ideas, methods, instructions or products referred to in the content.

Share and Cite

MDPI and ACS Style

Dobrucký, B.; Kaščák, S.; Šedo, J. Power Components Mean Values Determination Using New Ip-Iq Method for Transients. Energies 2024, 17, 2720. https://doi.org/10.3390/en17112720

AMA Style

Dobrucký B, Kaščák S, Šedo J. Power Components Mean Values Determination Using New Ip-Iq Method for Transients. Energies. 2024; 17(11):2720. https://doi.org/10.3390/en17112720

Chicago/Turabian Style

Dobrucký, Branislav, Slavomír Kaščák, and Jozef Šedo. 2024. "Power Components Mean Values Determination Using New Ip-Iq Method for Transients" Energies 17, no. 11: 2720. https://doi.org/10.3390/en17112720

APA Style

Dobrucký, B., Kaščák, S., & Šedo, J. (2024). Power Components Mean Values Determination Using New Ip-Iq Method for Transients. Energies, 17(11), 2720. https://doi.org/10.3390/en17112720

Note that from the first issue of 2016, this journal uses article numbers instead of page numbers. See further details here.

Article Metrics

Back to TopTop