Abstract
Using multiple input power sources increases the reliability of electric vehicles compared to a single source. However, the inclusion of other sources exhibits complexity in the controller system, such as computing time, program difficulty, and switching speed to connect or disconnect the input power to load. To ensure optimal performance and avoid overloading issues, the EV system needs sophisticated control. This work introduces a machine-learning-based controller using an artificial neural network to solve these problems. This paper describes the detailed power management control methodology using multiple sources like solar PV, fuel cells, and batteries. Novel control with an instantaneous reference current scheme is used to manage the input power sources to satisfy the power demand of electric vehicles. The proposed work executes the power split-up operation with standard and actual drive cycles and maximum power point tracking for PV panels using MATLAB Simulink. Finally, power management with a machine learning technique is implemented in an experimental analysis with the LabVIEW software, and an FPGA controller is used to control a 48 V, 1 kW permanent-magnet synchronous machine.
Keywords:
ANN; battery; bidirectional DC converter; boost converter; fuel cell; machine learning; solar array 1. Introduction
Day by day, climate change threatens the survival of living beings on Earth. The cause behind this issue is air pollution due to the population [], which mainly comes from the transportation sector []. An increase in vehicles is unavoidable. Nevertheless, human beings can control air pollution by making necessary vehicle changes. Even though a lot of research has been carried out to prevent vehicle pollution, the climate data show the attainment of peaks in pollution every year []. An exact plan to control pollution is using electric-powered vehicles without any engine or fuel tank setup. Switching transportation to EVs is growing exponentially, and around 2.3 million EVs were sold in the first three months of 2023 []. Electric vehicles (EVs) provide an alternate way for the automobile industry to protect the environment and nature from global warming. Battery-based electric vehicles (BBEVs) have been popular among users in the last decade []. However, onboard chargers in BBEVs convert the external power from one form into the desired form for the battery. So, BBEVs require a charging station or grid to charge their batteries. Dependency on the grid is the primary concern in BBEV transportation [,]. The electric grid obtains a lot of its power from thermal power stations. Therefore, BBEVs are also not advisable in terms of being pollution-free. In recent times, BBEVs have come with a supercapacitor arrangement, which provides high-power support for these EVs []. This supports the EV system whenever it requires high-power conditions []. The characteristics of the supercapacitor are mainly based on the electrode material [,]. Adopting solar PV with batteries reduces the grid power requirement, and solar-based EVs (SBEVs) are an emerging technology []. A maximum power point tracking (MPPT) controller is essential for SBEVs. Another alternative to BBEVs is fuel-cell-based electric vehicles (FBEVs) [,], which give some advantages over BBEVs and SBEVs. Filling up with hydrogen gas is quicker than charging batteries to produce the same electric power []. All three sources are incorporated into one vehicle, giving more reliability and efficiency, a wider cruising range, and independence from the grid. Multiple sources are integrated into the EVs using a power management process, which is mandatory for switching the sources of input to the load as per the controller program.
A canonical type of converter has been developed to suppress ripple current, and adaptive-based observer control is employed with solar-PV-fed EVs. Brushless DC (BLDC) drives without any sensors for the rotor position are the major contribution. This control technique is suitable only for light EVs. Regardless, the intermittent nature of solar power makes feeding power to EV motors a more difficult task []. Battery sources are mandatory with solar-based EVs, and a proper battery management system helps the SoC, the SoH, and the proper charging and discharging operations of the battery. This EV system has been compared with P, PI, and PID controllers, which have no drive cycle []. All the converters operate using fuzzy rules. The reduction of hydrogen is achieved in fuel-cell- and supercapacitor-fed EVs []. The same sources used under the bee colony algorithm were tested with standard drive cycles, even though the motor selected for this system was a DC machine, and it is not suitable for EVs due to the risk of fire accidents []. A random decision forest (RDF) is mainly used to control the management of power. The exact combination of a supercapacitor and a battery has been used in EV applications []. To improve its reliability, a conventional IC engine with a fuel tank setup is included in BEVs. A deep reinforcement algorithm has been used to increase their fuel economy []. Fuzzy control with online and offline optimization is employed to manage the energy. Battery and fuel cell sources are taken as the input with different driving cycles. The output of real-time EVs is not exactly the same as that of a hardware-in-the-loop type of implementation []. A switched reluctance motor (SRM) is suitable for light EVs, and the torque control (TC) strategy involves no feedback sensor for the rotor position of the SRM. A self-charging capability is not addressed with this control method []. A traditional PI controller with solar PV and battery-to-light EVs for power management implemented a reluctance synchronous motor (RSM). This control methodology has not been validated by further similar studies []. Deep reinforcement learning (DRL) control has also been implemented to meet the power demand with a fuel cell, a battery, and an ultracapacitor. However, different simulation results have not been validated for this experimental setup []. Comparison with other research was shown in Table 1. The DRL control employed battery- and IC-engine-based hybrid EVs, which resulted in 82.37% battery degradation []. This control technique satisfies the load power requirements. An exact method for selecting the EV motor is the vehicle dynamics concept, based on the weights and forces on the vehicle [].
Table 1.
Comparison with other research.
This detailed review of power management in multiple-source-fed EVs demonstrates the limitations with respect to the control method, such as poor switching times, undershoot and overshoot problems, implementation issues, and complications in coding and effectiveness. The proposed controller eliminates all these concerns and provides reliable operation under different load conditions at all times. This power management works based on the novel concept of an instantaneous-based reference current. This model, which measures the load variations regularly and offers appropriate switch control decisions, is used. The major contributions of the proposed work are given:

- Development of power management with solar PV, a fuel cell, and a battery under standard and practical drive cycles.

- The implementation of an MPPT controller for rooftop solar panels of a vehicle based on real-time insolation data.

- Detailed concept of controller design to split the sources as per the load requirements.

- Executed power management hardware setup using the three different power sources for the PMSM.
The manuscript is organized according to the following structure: Section 2 explains the proposed methodology, Section 3 describes the MPPT and power converters, Section 4 explains the machine learning control, Section 5 and Section 6 explains the results and discussion and hardware implementation, and finally, we give the conclusion.
2. Proposed Methodology
The three kinds of energy sources involved in the proposed work are light energy from solar panels, chemical energy from a battery, and hydrogen energy from a fuel cell. The main objective of all the sources is to produce mechanical energy for the motor. To integrate these sources into the EV motor, a power converter is needed for power modulation. Basically, DC-DC and AC-DC converters are used between the sources and the load. According to the power flow direction from the sources, a bidirectional or unidirectional type of DC-DC converter is used. Concerning the fuel cell and solar array sources, a unidirectional type of DC-DC converter is used. A bidirectional DC-DC converter is mandatory for the battery to charge and discharge. The output end of all the converters is coupled to a common link using switches, namely a solar pulse switch (PS), a fuel cell pulse switch (PF), a battery discharge pulse switch (PD), and a battery charge pulse switch (PC). A voltage source inverter connects the DC link and the PMSM (load) using the load pulse switch (PL). A converter module is supposed to coordinate all the converters and switches for this EV system. The proposed machine-learning-based controller receives the program from the user and delivers the control signals to the converters and on/off pulses to the switches. Figure 1 depicts a block diagram of a machine-learning-control-based EV.
Figure 1.
Block diagram of machine learning control for EV.
Real-time and standard drive cycles are used in this work, which enables the proposed work to be adopted with all driving cycles. Practical drive cycle data were observed on a university campus, as displayed in Figure 2. As per the practical data, the maximum speed attained by the vehicle was 76 km/h, and a road map of these data is presented in Figure 3. We tested the power management operation under two standard drive cycles [], namely an urban dynamometer driving schedule (UDDS) and a highway fuel economy test (HWFET), which are pictured in Figure 4 and Figure 5.
Figure 2.
Real-time drive cycle.
Figure 3.
A road map utilized for drive cycle data.
Figure 4.
UDDS cycle.
Figure 5.
HWFET cycle.
3. MPPT and Power Converters
3.1. VSS-INC-Based MPPT
Solar-fed EVs basically possess a MPPT controller to track and extract the power at its maximum. The MPPT setup is designed with a boost converter along with a controller. The combination of the boost converter with an ML-based controller is incorporated for MPPT in this proposed work. The output of the solar array is nonlinear, and its output mainly depends on the insolation and temperature. The change in temperature of the panel gives a variable output voltage from the solar PV. The input and output voltages of the boost converter determine the selection of the boost converter elements. The nonlinear PV panel’s resistance must match or be equal to the load resistance to fix the maximum power point. Matching this resistance is possible using the boost converter with the controller unit. An overall block diagram for MPPT is shown in Figure 6.
Figure 6.
MPPT controller.
The variation in the voltage and current output (VPV and IPV) of the solar array is sensed by the ML-based controller. Depending on the voltages at the input and output, the duty cycle of the boost converter is fixed, and the controller maintains the output voltage as the reference voltage (Vr). This controller helps to equate the source resistance with the load resistance. The technical specifications of the solar panel simulated are observed from the Jinko solar data sheet. The power range of one panel is 555 W with 14.07 A of short-circuit current and 50.34 V of open-circuit voltage, respectively []. The solar irradiance values were observed from 5 min up to the entire day (29 September 2023) in Vellore using the Solcast website []. So, 288 observed irradiance data are given as a graphical representation in Figure 7.
Figure 7.
Irradiance data taken from the Solcast website.
For most types of MPPT, the variable step size of the incremental conductance (VSS-INC) method is well suited to EVs due to the tracking accuracy and its ease of incorporation with practical circuits. The control methodology for the VSS-INC is displayed in Figure 8.
Figure 8.
Control technique used in MPPT.
VSS-INC control operates using the below equations [].
In the above, Equations (1) and (2), d(i) is the duty ratio, and Q is the scaling factor range for controlling the variable step size. The total performance of MPPT is determined by the scaling factor. The step rule for the MPPT must meet Equation (3).
In Equation (3), Δdmaxi is the maximum step size in the MPPT, so this value is set for the maximum range in the variable step size. The scaling factor can be derived using Equation (4).
The above, Equation (4), indicates the concept of choosing the scaling factor. The scaling factor value taken in this MPPT is 3. A constant step size cannot fulfil the needs of MPPT, where the insolation and temperature are changing quickly. This method works based on the threshold function (T), which is a product of the solar output power (PPV) and the solar power derivatives [dP/dI] in Equation (5).
The PV power versus the current slope is expressed as [dP/dI], which can be written as Equation (6).
The controller tracks the maximum power point through adjustment of the boost converter duty cycle according to the variable step size principle. The reference current (Ir) and voltage (Vr) are used to track the solar PV’s maximum power. At the maximum point, Ir should be equal to IMPP, and the initial step size is fixed as a larger step size (ΔIr)maxi. The upper limit of this variable step size is denoted in Equation (7) as Zk, with the time from 0 to all iterations.
The maximum power point attained on the I-V and P-V curves is represented in Figure 9. This MPPT system draws more power from the solar array based on the solar input. A comparison of the extracted power with and without a tracking system is illustrated in Figure 10.
Figure 9.
Location of the maximum power point.
Figure 10.
Comparison of solar PV output.
3.2. Boost Converter
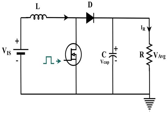
The boost converter is used when the output voltage exceeds the input source voltage. Stored energy from the inductor is added to the supply voltage, which enhances the output voltage of the boost converter. For a simple understanding of the concept behind this converter, a general circuit diagram with its notations is given in Figure 11.
Figure 11.
Circuit diagram of boost converter.
Where VIS is the input source voltage (Volts), VAvg indicates the average output voltage (Volts), L is the inductor (Henry), C is the capacitor (Farad), S is the MOSFET switch, and R is the load resistor (Ohms). In the first instance ti, the MOSFET is in ON, and current flows through the inductor and switch. In the next time period tn, MOSFET is in OFF, and current flows through L, D, and R. The stored energy of the inductor, along with the supply voltage, is present in the load. At ti, the inductor current (ΔI) rises from to Imin to Imax, as shown in Equations (8) and (9).
At time tn, the inductor current falls from Imax to Imin, and Equations (10) and (11) help us to find out the average output voltage of the load in Equation (12).
Equations (13) and (14) present the concepts for choosing the inductor and capacitor in the boost converter, where f is the switching frequency (kHz).
3.3. A Bidirectional DC-DC Converter
A bidirectional converter is used when the output voltage is more or less than the input source voltage. This converter can act in both buck and boost modes, and it is well suited to battery sources. Charging or discharging of the battery belongs to either the buck or boost mode. It consists of a MOSFET switch with an inductor, a capacitor, and a diode, and a circuit diagram of a bidirectional converter is shown in Figure 12.
Figure 12.
Circuit diagram of bidirectional converter.
Where VIS represents the input source voltage (Volts), S denotes the MOSFET switch, D is the diode, L and C are the inductor and capacitor, and R is the load. At the initial time ti, the switch is ON, and current flows through the switch and the inductor. The diode (D) is in reverse bias. In the next time period tn, the switch is in the OFF condition, and current flows through the inductor, capacitor, D, and R. At ti, the current through the inductor rises from Imin to Imax, and the input source voltage is given in Equation (15).
At time tn, the inductor current falls from Imax to Imin, and Equations (15) and (16) help us to find out the average output voltage of the load in Equation (18).
Equations (19) and (20) present the concepts for choosing the inductor and capacitor in the boost converter, where f is the switching frequency (kHz).
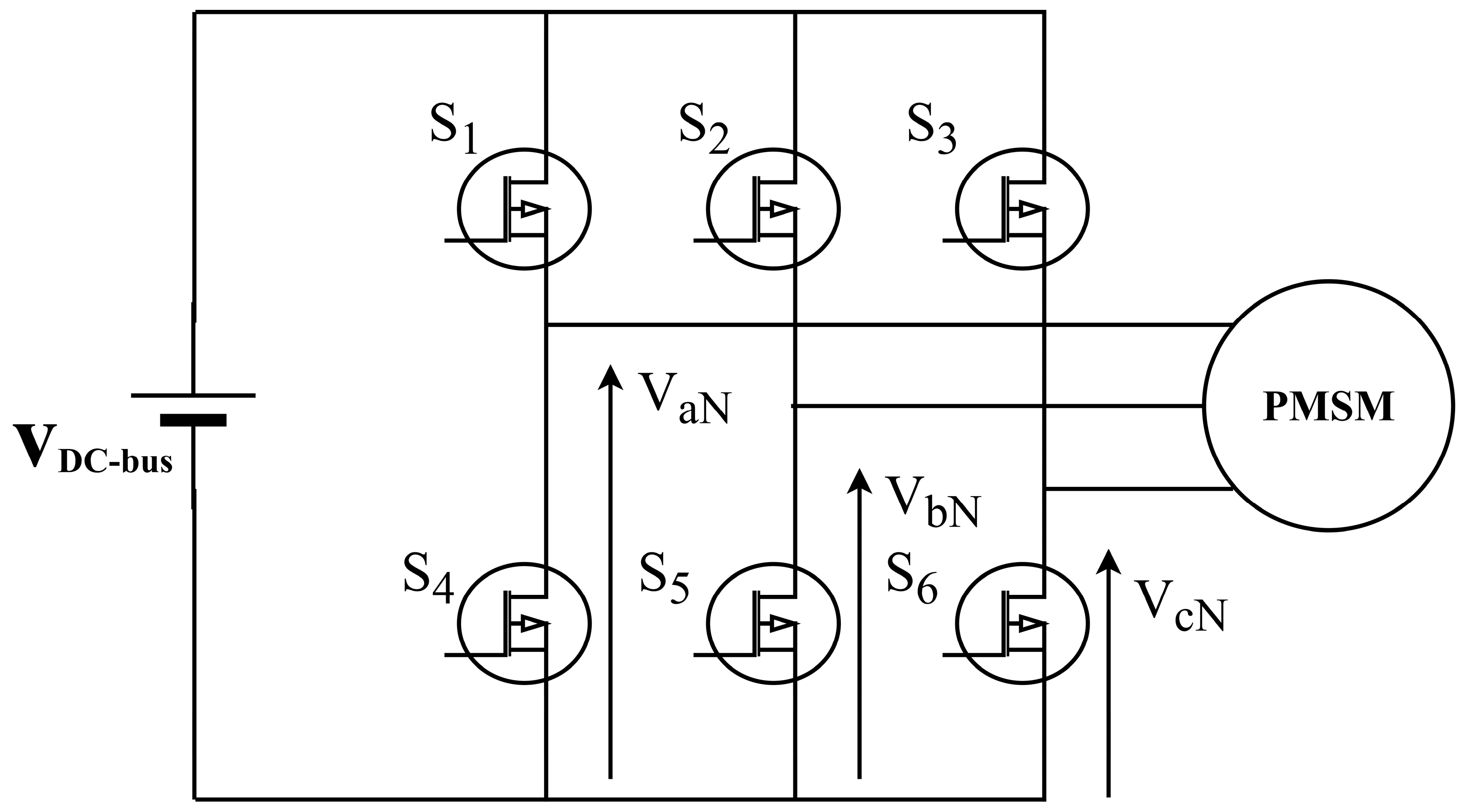
3.4. Inverter
The inverter used in the proposed work is illustrated in Figure 1. A constant voltage from the DC bus is the input of the inverter. A MOSFET device is utilized to construct an inverter circuit with three arms. These three arms are associated with S1S4, S2S5, and S3S6, as displayed in the Figure 13.
Figure 13.
Inverter-fed PMSM.
The controller decides the ON/OFF state of the switches, which gives gate signals to the switches like Sx, Sy, and Sz, as shown in (1–3). Here, VaN, VbN, and VcN indicate the voltage with respect to a phase to neutral.
An expression of the output voltage is given in Equation (4)
4. Machine Learning Control
An artificial neural network (ANN) represents the structure of the human brain, and it is helpful for making various decision-making processes. The significant advantage of ANN implementation is the decreased intricacy of computation. Systems with partial training might not be able to produce the intended results. An ANN’s primary functions are dataset selection, training, and performance or execution. The ANN structure used in this work is pictured in Figure 14.
Figure 14.
The ANN architecture.
The dataset is selected using either some standard formulae or simulation data and experimental data. After the dataset is gathered, preprocessing is required to extract the features from it. The next step of data collection is learning the data, and learning is the process of determining weights. In terms of the structure, the learning phase is comparable to a natural neuron structure’s synaptic tuning. Several feedforward and feedback algorithms support tuning or adjusting the weights to provide the desired output. The network should be tested after training before the last execution stage.
A total of 1650 datasets are collected from both the simulation and standard formulae, with 1185 data for training and the rest of the 465 data used for testing. The testing data are crucial for determining whether the network can produce the desired results and has been appropriately trained. These datasets hold the values of the voltage and current of the solar panel, the battery, and the fuel cell; the reference voltage and current; and the SoC during different load demands of EVs. In order to produce the same output voltage from DC/DC converters, the controller adjusts the duty ratio. The proposed ANN controller sets the duty cycles based on the DC bus voltage (Vref) and the output voltage from the sources. The overall control technique is illustrated in Figure 15. The duty cycles of the input-source-fed DC/DC converters are shown in Equations (26)–(28).
Figure 15.
The overall control technique.
dsolar, dfuelcell, and dbattery represent the duty ratios of solar-array-, fuel-cell-, and battery-connected DC/DC converters. Vref indicates the reference voltage in the DC bus. VIn-S, VIn-F, and VIn-B are the input voltages of the DC/DC converters connected to solar power, fuel cell power, and battery power. If there any changes in the DC bus (Vref) voltage from 465 V, the ANN controller sets duty cycles to maintain 465 V. The input of the ANN is three different input powers from the sources (VS IS, VB IB, and VF IF), the load current, the reference voltage and current, and the SoC. The output from the ANN is the control signals to adjust the duty cycles and pulse signals to set the switches to ON and OFF. The ANN controller is designed based on the following priority list.

- Priority starts with solar power due to its cost-effectiveness and renewable energy.

- When the load demand increases, the battery satisfies the load alongside solar power.

- When the load is not met by the solar PV and battery power, the fuel cell is also combined to fulfil the load requirements.

- When excessive power is present from the DC bus, then the battery absorbs or is charged with the valuable power.
The machine learning controller maintains a constant voltage (Vref) in the DC bus and compares the PMSM current with the reference currents of the sources. If the solar array power is more or equal to the load power, the solar reference currents are as shown in Equations (29) and (30).
where Ps defines the power from the solar PV as in Equation (29), and the duty cycle of the solar-PV-linked DC/DC converter follows Equation (31). Based on sporadically varying irradiance and temperature, IS-Ref varies. Accordingly, the duty cycle of the ANN controller makes the output current of the solar PV (IOS) equal to IS-ref using the below equations [].
where ‘S’ denotes the scaling factor, which decides the operating speed from IOS to IS-Ref. More significant dynamic oscillations may result when the scaling factor is not variable, which causes a slow reaction in the system. So, a scaling factor with a variable magnitude is introduced in this work. The scaling factor “Z” automatically increases to accommodate the increased difference between “IOS” and “IS-Ref”, allowing “ISO” to converge with “IS-Ref” more quickly. The boost converter’s duty cycle ratios, which are linked to the sources, are used to repeatedly calculate and update the fixed magnitude of Z”. The scaling factor Zs(k) is as follows: the scale factor “Z” of any power source is modified in Equation (32).
Equation (33) is used to determine the charging current with respect to the reference for the battery proportionate to the additional power available at the DC bus:
By maintaining VDC-BUS in duty cycle “d,” the buck mode battery charging duty cycle is maintained when IBCh-actual = IBCh-Ref or when the reference charging current for the battery is equal to the actual charging current. To attain the reference charging current, as in Equation (28), the reference voltage is either increased or decreased in fixed step sizes compared to the duty pulse if IBCh-actual ≠ IBCh-Ref. To address a power shortage, the discharging current reference “IBDis-Ref” at 465 V is determined using the following, Equation (34). The neural network’s training performance is displayed in Figure 16, which shows the controller achieved the desired results in 45 epochs.
Figure 16.
Settled value in 45 epochs.
In order to achieve IBCh-actual = IBCh-Ref, or the actual battery current equaling the reference battery current, the duty cycle must be adjusted as in Equation (35) [].
In total, there are 11 neurons in the input layer, 6 neurons in the output layer, 20 neurons in hidden layer 1, and 10 neurons in hidden layer 2. It is also possible to determine the hidden neurons using the formula in Equation (36).
K represents the hidden neuron count, Output is output neurons, and Input is input neurons. The positive semi-definite constant (θ) ranges from 0 to 12.
5. Results and Discussion
The proposed ML-based controller controls all the switches based on the source power to meet the load power. Input real-time drive cycle data are fed to the controller for a long drive (HWFT) on a highway and a short drive within an urban area (UDDS). An inverter, a boost converter, and a bidirectional converter are taken as the power modulators. The entire input voltage and current are input into the controller, and the output voltage of the DC-DC converter is 465 V in the DC bus. The output voltage of the battery is 540 V, and 540 V is modulated to 465 V in buck mode. The voltage is stepped down from 465 V to 540 V according to the boost mode of the bidirectional converter. Due to the irradiance level, the solar PV exhibits a voltage in a range between 40 V and 400 V. The solar-fed boost converter delivers the 465 V using the controller. The voltage of the fuel cell is 280 V, and the boost converter converts this 280 V into 465 V through adjustment of the duty cycle. Finally, VDC-bus is fixed as 465 V as the reference parameter for voltage.
A DC bus is connected to the 1 kW PMSM using the inverter. The proposed controller receives the entire source current and load current, which helps us to manage the power based on the instantaneous reference current principle. Since the DC bus voltage is constant, the controller measures the load current and matches it with the source current through the switches. For example, if the load current is 22 A, then the controller works on the instantaneous basis of the reference current. This power is split up as the current from the input sources based on availability, such as the solar current being 3 A, the battery current being 14 A, and the fuel cell current being 5 A. The ON/OFF pulses for every switch are shown with 12 modes of EV operation in Table 2.
Table 2.
Modes of operation.
These 12 different modes for EVs briefly explain the concept of power management based on switching actions. In mode 1, SL is in OFF due to the vehicle being parked in the sunlight. So, the controller opens SF and SBDC and closes SS and SBC, and solar power charges the battery during daytime. Mode 5 describes the vehicle being in ON (SL) and the controller deciding to take power from the fuel cell (SF) to satisfy the load requirements. If excessive power is available from the fuel cell, the battery is charged with (SBC) the power from the DC bus. In mode 7, the EV is operated by means of the battery and solar PV power. All three input power sources confer power to the EV motor in mode 11. The switch pulses for turning ON and OFF are displayed in Figure 17.
Figure 17.
Switch pulses to turn ON and OFF.
The power management control is initially tested with the UDDS cycle. Battery power is the major source compared to both solar and fuel cell power for up to the first 100 s in Figure 18. After the switching of SBD and SF, the controller is given the same amount of source power from the battery pack and the fuel cell (100 s to 660 s). The fuel cell delivers more power than solar and battery power after 660 s. In Figure 19, the fuel cell power dominates (70%) from 0 to 380 s, and the remaining 30% power is covered by the battery and solar power. A total of 70% of the load power is covered by the battery after 660 s. Battery power combined with solar power satisfies the load in a typical solar-based BEV in Figure 20. The main power source is a fuel cell in Figure 21, which delivers the maximum power, along with solar power, to the load, like in an FCEV. If vehicle is in a standstill condition, the load power is zero, which is displayed in Figure 22. So, the SBD, SF, and SL switches are open. Solar power is utilized, and this power charges the battery (SS and SBC are closed) under sunlight.
Figure 18.
Power split up under UDDS cycle.
Figure 19.
Fuel-cell- and battery-dominated power management.
Figure 20.
Battery-dominated system.
Figure 21.
Fuel-cell-dominated system.
Figure 22.
Battery charges at no load.
Simulation of the HWFT cycle data is tested for the power management system for an EV. In Figure 23, solar power is focused in on, which clearly indicates the power variation based on the irradiance data. Fuel cell power dominated for the first half of the total time and battery power dominated for the next half of the total simulation time in Figure 24. The solar array and battery pack power is delivered to the load, as in a commercially available BEV, in Figure 25. Fuel cell output power added to solar PV power, as in an FECV, is represented in Figure 26. Solar power is available in the daytime, which charges the battery under the Sun in parking mode, as illustrated in Figure 27. As per the simulation of practical driving data collected in the college, shown in Figure 28, all the input power sources are combined to meet the load power.
Figure 23.
Management of power under HWFET cycle.
Figure 24.
Fuel-cell- and battery-dominated EV.
Figure 25.
Battery and solar PV satisfy the load.
Figure 26.
Fuel-cell-dominated system.
Figure 27.
Battery charging system at no load.
Figure 28.
Power management under real-time drive cycle.
The reaction time (or the amount of time elapsed) to settle at the reference value in the proposed controller is relatively short. It is better to use an ML-based controller in power management rather than a digital controller for hybrid power supplies to EVs. In Figure 29, it is evidenced that the proposed ML-based controller has a very short reaction time.
Figure 29.
Output response of proposed controller with digital controller.
The operation of electric vehicles (EVs) involves multiple sources and device switches, leading to electromagnetic compatibility challenges. Therefore, ensuring a high-quality power output to the load is essential in EV systems. The quality of the power, particularly in terms of the current, relies heavily on managing harmonics. In this system, an inverter is positioned between the DC bus and the motor to regulate the output current. Figure 30 illustrates the output current of the inverter, demonstrating the effectiveness of the proposed controller in harmonics control. Further analysis using FFT, shown in Figure 31, confirms this control. The Total Harmonic Distortion (THD) value, as depicted in Figure 32, is measured at 4.03%, aligning with IEEE standard 519-2014, which stipulates the THD to be below 5%. Adhering to this standard ensures electromagnetic compatibility across all operational modes with precise control.
Figure 30.
Inverter output current.
Figure 31.
Signal considered for FFT analysis.
Figure 32.
THD analysis.
6. Hardware Investigation
The power control strategy for EVs (PMSM) using multiple sources is carried out through an implementation setup in a laboratory. The selection process for all the sources decides the motor rating. A 48 V, 1 kW PMSM is selected as the load, which receives input from the solar array, the battery pack, and the fuel cell through power electronic converters. A solar array setup available on top of the laboratory is used as one of the input sources, and the technical specifications for one panel are given in Table 3.
Table 3.
Solar PV rating.
A combination of five panels is connected in series, which gives 1 kW as the maximum power with respect to the solar insolation and temperature. The output of the solar panel is directly connected to the energy storage device (ESD) without any MPPT or charge controller. This ESD contains two series-connected 12 V and 150 Ah batteries and is charged by the solar PV when there is irradiance. Solar PV arrangements with ESDs are called solar batteries (SBs). Eight 12 V valve-regulated lead acid (VRLA) batteries are connected in series, which forms an input source called the main battery (MB). The specifications of the MB are listed in Table 4. The efficiency of the battery determines the overall reliability of the BEV. Enhancing the battery for efficiency depends on the electrode materials, temperature control, the charge and discharge cycles within the operating region, the reduction in internal resistance, and an exact SoC measurement.
Table 4.
Rating of the battery.
A 1 kW proton exchange membrane (PEM) fuel cell is used as one of the sources in this system. Every cell in the PEM receives oxygen or air on the cathode side and hydrogen on the anode side. Hydrogen is the main input to the fuel cell, and a hydrogen tank is present in the laboratory, where opening or closing the source of H2 gas is possible for the PEM’s operation. Auxiliary power is needed to start the fuel cell, along with hydrogen gas, which gives the electrical power output and water as a by-product. A pressure gauge and pressure control setup are also required to control the output power of the PEM. Using a knob, the pressure can be controlled, and 0.7 bar is the appropriate pressure value while the PEM is in operation. The specification of the fuel cell is shown in Table 5. The sources used for the hardware experiment are displayed in Figure 33.
Table 5.
Rating of the fuel cell.
Figure 33.
Power sources used in the proposed work.
The output of all the sources is connected to the respective DC converters available in the converter box, which consists of three DC converters and an inverter. The entire boost converter output is connected together, and the two terminals taken in the converter box are called the DC bus. The duty ratio for each converter is fed by the FPGA controller as per the code on the LabVIEW platform. LabVIEW helps us to generate the duty ratio with respect to the input voltage from all the DC converters. The prime aim of the FPGA is to maintain the level of voltage irrespective of the voltage variation in the sources. So, the FPGA maintains 48 V at the DC bus, which is indicated by the multimeter. Three relays are connected between the DC/DC converters and the DC bus. A voltage source inverter (VSI) is essential to convert the DC power from the DC bus into the AC power input for the PMSM (load) through a relay switch. The FPGA controls the four relays from the program given by LabVIEW. The software code behind the machine learning is converted into the LabVIEW program format by the user. A block diagram for the implementation of the experimental setup is depicted in Figure 34.
Figure 34.
Block diagram of hardware implementation.
A digital signal oscilloscope (DSO) is connected and measures the DC bus voltage. To measure the current flow in the load and for each source, a clamp meter is used. A DC shunt motor is directly connected to the PMSM through mechanical coupling for the load variation in the PMSM. A separate DC power supply is required to run the DC motor, and a rheostat is linked with the DC motor for speed control operation. The experimental setup of the power management system of the PMSM using an FPGA fed by different sources is shown in Figure 35.
Figure 35.
Hardware implementation.
The initial step to activate this system is in the LabVIEW software. Hence, LabVIEW is opened by the computer. An auxiliary power source is needed for the FPGA, and LabVIEW sends the command program to the FPGA. The FPGA receives multiple parameters, like the voltage and current from the input sources and the load current. This FPGA delivers the duty ratio to all the DC converters to set the DC bus to 48 V with respect to the source voltages. PWM of the pulse is enabled by the FPGA, which helps with the inverter operation. The PMSM receives 48 V as the stator voltage, and the permanent-magnet rotor starts to run. The armature of the DC shunt motor is connected to a rheostat, and speed control of DC motor is made possible by the adjustment of the variable resistor. Load changes in the PMSM are essential in the power management operation. Hence, varying the load in the DC motor is required using the rheostat. Load changes in the motor are displayed on the torque meter provided. Every second, the FPGA obtains all the parameters, delivers the exact duty cycle to all the DC-DC converters, and enables and disables the switches connected to the DC-DC converters. According to the power conditions from all the sources, the FPGA connects the sources as per the priority list using relay switches and matches the load demand. All the power electronic switches and relay switches are activated by the FPGA using the LabVIEW program throughout the entire operation. The generation of PWM is given in Figure 36. In the operation of the experimental setup, the output voltage and current of all the sources are observed using the voltmeter and the clamp meter. The load current and voltage are measured irrespective of the load variation. Table 6 indicates the power management data as per the load demand. Since all the source voltages and the PMSM voltage are maintained at 48 V by the FPGA, variations in the current are split by the FPGA with respect to the available input power. For example, if the PMSM current value is 19 A, then based on the LabVIEW code, the FPGA draws 2 A from the solar battery, 3 A from the fuel cell, and 14 A from the main battery and satisfies the load current and power. Figure 37 illustrates the 48 V DSO output present in the DC bus, for which 1 division of scale is 8.33 V.
Figure 36.
The control logic of PWM.
Table 6.
Management of power.
Figure 37.
A value of 48 V at DC bus.
7. Conclusions
The machine-learning-based controller achieves a quick response time and reliable operation and uses simple code. The ANN helps to solve the relevant problems using an instantaneous reference current methodology. The effective control mechanism of the controller algorithm of prioritization allowed it to successfully control various power inputs to an EV motor under various load situations. Power management for electric vehicles (EVs) is highly commended in all scenarios to meet the load power based on the input power sources. The controller maintains the SoC between 20% and 80% to improve the battery health. Power management under different load conditions is achieved for standard and real-time drive cycles. Finally, a LabVIEW code-based FPGA controller with a solar array, battery pack, and fuel cell system is implemented and validated as the hardware setup. Future work for the proposed system is a supercapacitor incorporating exciting sources for artificial intelligence control.
Author Contributions
Conceptualization, G.M. and R.S. (Raju Saravanakumar); methodology, G.M.; software, G.M.; validation, G.M., R.S. (Raju Saravanakumar) and R.S. (Rohit Salgotra); formal analysis, R.S. (Raju Saravanakumar); investigation, R.S. (Raju Saravanakumar) and R.S. (Rohit Salgotra); resources, G.M.; data curation, G.M.; writing—original draft preparation, G.M. and R.S. (Raju Saravanakumar); writing—review and editing, G.M. and R.S. (Raju Saravanakumar); visualization, R.S. (Raju Saravanakumar) and R.S. (Rohit Salgotra); supervision, R.S. (Raju Saravanakumar) and R.S. (Rohit Salgotra); project administration, R.S. (Raju Saravanakumar) and R.S. (Rohit Salgotra). All authors have read and agreed to the published version of the manuscript.
Funding
The paper is funded by the open access agreement of AGH University of Krakow, Poland.
Data Availability Statement
Data will be made available on reasonable request from the corresponding author.
Acknowledgments
The authors would like to thank the Vellore Institute of Technology, Vellore, India, for its assistance in the completion of this work. Rohit Salgotra would like to thanks AGH University of Krakow, Poland for providing the necessary infrastructure and facilities to carry out this work.
Conflicts of Interest
The authors declare no conflicts of interest.
References
- World Health Organization. {WHO} Ambient Air Quality Database (Update 2023). Available online: https://www.who.int/publications/m/item/who-ambient-air-quality-database-(update-2023) (accessed on 18 December 2023).
- Xue, Y.; Nie, T.; Cui, Y.; Liu, X.; Chen, J.; Wu, X.; Wu, T.; Shen, Y. Prediction of Air Pollution Reduction Benefits and Atmospheric Environmental Quality Improvement Effects from Electric Vehicle Deployment in Beijing, China. Int. J. Environ. Sci. Technol. 2023, 20, 10973–10982. [Google Scholar] [CrossRef]
- U.S. EPA Office of Air; Radiation Air Quality Trends Show Clean Air Progress. Available online: https://gispub.epa.gov/air/trendsreport/2023/#air_trends (accessed on 10 December 2023).
- Connelly, E.; Dasgupta, A. Electric Vehicles. Available online: https://www.iea.org/energy-system/transport/electric-vehicles (accessed on 2 October 2023).
- Rahman, K.; Jurkovic, S.; Hawkins, S.; Tarnowsky, S.; Savagian, P. Propulsion System Design of a Battery Electric Vehicle. IEEE Electrif. Mag. 2014, 2, 14–24. [Google Scholar] [CrossRef]
- Monteiro, V.; Pinto, J.G.; Afonso, J.L. Operation Modes for the Electric Vehicle in Smart Grids and Smart Homes: Present and Proposed Modes. IEEE Trans. Veh. Technol. 2016, 65, 1007–1020. [Google Scholar] [CrossRef]
- Vijayakumar, S.; Sudhakar, N. A Review on Unidirectional Converters for On-Board Chargers in Electric Vehicle. Front. Energy Res. 2022, 10. [Google Scholar] [CrossRef]
- Ramachandran, T.; Hamed, F.; Kumar, Y.A.; Raji, R.K.; Hegazy, H.H. Multifunctional Covalent-Organic Frameworks (COFs)-2D MXenes Composites for Diverse Applications. J. Energy Storage 2023, 73, 109299. [Google Scholar] [CrossRef]
- Ramachandran, T.; Hamed, F. Fabrication of Dual-1D/2D Shaped ZnCo2O4 -ZnO Electrode Material for Highly Efficient Electrochemical Supercapacitors. J. Phys. Chem. Solids 2024, 188, 111915. [Google Scholar] [CrossRef]
- Ramachandran, T.; Hamed, F.; Raji, R.K.; Majhi, S.M.; Barik, D.; Kumar, Y.A.; Jauhar, R.M.; Pachamuthu, M.P.; Vijayalakshmi, L.; Ansar, S. Enhancing Asymmetric Supercapacitor Performance with NiCo2O4–NiO Hybrid Electrode Fabrication. J. Phys. Chem. Solids 2023, 180, 111467. [Google Scholar] [CrossRef]
- Ramachandran, T.; Sana, S.S.; Kumar, K.D.; Kumar, Y.A.; Hegazy, H.H.; Kim, S.C. Asymmetric Supercapacitors: Unlocking the Energy Storage Revolution. J. Energy Storage 2023, 73, 109096. [Google Scholar] [CrossRef]
- Mulhall, P.; Lukic, S.M.; Wirasingha, S.G.; Lee, Y.-J.; Emadi, A. Solar-Assisted Electric Auto Rickshaw Three-Wheeler. IEEE Trans. Veh. Technol. 2010, 59, 2298–2307. [Google Scholar] [CrossRef]
- Maalej, K.; Kelouwani, S.; Agbossou, K.; Dubé, Y. Enhanced Fuel Cell Hybrid Electric Vehicle Power Sharing Method Based on Fuel Cost and Mass Estimation. J. Power Sources 2014, 248, 668–678. [Google Scholar] [CrossRef]
- Sundarakamath, R.; Natarajan, S. Integration of Multiple Sources for Fuel Cell Hybrid Electric Vehicles Using Single Inductor Multi-Input Converter. Int. J. Hydrogen Energy 2024, 53, 503–516. [Google Scholar] [CrossRef]
- Gopinath, M.; Marimuthu, R. A Review on Solar Energy-Based Indirect Water-Splitting Methods for Hydrogen Generation. Int. J. Hydrogen Energy 2022, 47, 37742–37759. [Google Scholar] [CrossRef]
- Saha, B.; Singh, B.; Sen, A. SMO Based Position Sensorless BLDC Motor Drive Employing Canonical Switching Cell Converter for Light Electric Vehicle. IEEE Trans. Ind. Appl. 2023, 59, 2974–2984. [Google Scholar] [CrossRef]
- Raj, P.J.; Prabhu, V.V.; Krishnakumar, V.; Anand, M.C.J. Solar Powered Charging of Fuzzy Logic Controller (FLC) Strategy with Battery Management System (BMS) Method Used for Electric Vehicle (EV). Int. J. Fuzzy Syst. 2023, 25, 2876–2888. [Google Scholar] [CrossRef]
- hamlat, A.; Sekour, M.; Mankour, M.; Yahiaoui, M.; Khalfaoui, M.; Brahmi, B. Advanced Power Management and Control Using Fuzzy Backstepping Super-Twisting Controls Designed for Fuel Cell Supercapacitors Hybrid Power Systems for Traction Applications. J. Control. Autom. Electr. Syst. 2023, 34, 996–1012. [Google Scholar] [CrossRef]
- Sun, Y.; Xia, C.; Yin, B.; Yu, Y.; Han, J.; Gao, H. Adaptive Energy Management Strategy of Fuel Cell Electric Vehicle. Int. J. Automot. Technol. 2022, 23, 1393–1403. [Google Scholar] [CrossRef]
- Ponnupandian, A.; Veeramani, V.P. Optimal Design for SCAP/Battery Power Management Applied in Electric Vehicle (EV) Applications: A KHO–RDF Technique. Soft Comput. 2020, 24, 17247–17263. [Google Scholar] [CrossRef]
- Sun, M.; Zhao, P.; Lin, X. Power Management in Hybrid Electric Vehicles Using Deep Recurrent Reinforcement Learning. Electr. Eng. 2022, 104, 1459–1471. [Google Scholar] [CrossRef]
- Hou, S.; Yin, H.; Pla, B.; Gao, J.; Chen, H. Real-Time Energy Management Strategy of a Fuel Cell Electric Vehicle with Global Optimal Learning. IEEE Trans. Transp. Electrif. 2023, 1, 5085–5097. [Google Scholar] [CrossRef]
- Kumar, A.; Singh, B.; Singh, G. Modified Direct Torque Control of Solar Fed Sensorless Switched Reluctance Motor Drive for Electric Vehicle with Regenerative Braking. IEEE Trans. Ind. Appl. 2023, 60, 3155–3164. [Google Scholar] [CrossRef]
- Mishra, S.; Varshney, A.; Singh, B.; Parveen, H. Driving-Cycle-Based Modeling and Control of Solar-Battery-Fed Reluctance Synchronous Motor Drive for Light Electric Vehicle With Energy Regeneration. IEEE Trans. Ind. Appl. 2022, 58, 6666–6675. [Google Scholar] [CrossRef]
- Huang, Y.; Hu, H.; Tan, J.; Lu, C.; Xuan, D. Deep Reinforcement Learning Based Energy Management Strategy for Range Extend Fuel Cell Hybrid Electric Vehicle. Energy Convers. Manag. 2023, 277, 116678. [Google Scholar] [CrossRef]
- Ye, Y.; Zhang, J.; Pilla, S.; Rao, A.M.; Xu, B. Application of a New Type of Lithium-sulfur Battery and Reinforcement Learning in Plug-in Hybrid Electric Vehicle Energy Management. J. Energy Storage 2023, 59, 106546. [Google Scholar] [CrossRef]
- Mathesh, G.; Saravanakumar, R. A Novel Intelligent Controller-Based Power Management System With Instantaneous Reference Current in Hybrid Energy-Fed Electric Vehicle. IEEE Access 2023, 11, 137849–137865. [Google Scholar] [CrossRef]
- Mathesh, G.; Saravanakumar, R. A Novel Digital Control Scheme for Power Management in a Hybrid Energy-Source Environment Pertaining to Electric Vehicle Applications. Front. Energy Res. 2023, 11, 1–15. [Google Scholar] [CrossRef]
- Us Epa, O. Dynamometer Drive Schedules. Available online: https://www.epa.gov/vehicle-and-fuel-emissions-testing/dynamometer-drive-schedules (accessed on 8 August 2023).
- DNV Company Solcast. Available online: https://solcast.com/ (accessed on 17 August 2023).
- Saravanan, S.; Thangavel, S. Instantaneous Reference Current Scheme Based Power Management System for a Solar/Wind/Fuel Cell Fed Hybrid Power Supply. Int. J. Electr. Power Energy Syst. 2014, 55, 155–170. [Google Scholar] [CrossRef]
Disclaimer/Publisher’s Note: The statements, opinions and data contained in all publications are solely those of the individual author(s) and contributor(s) and not of MDPI and/or the editor(s). MDPI and/or the editor(s) disclaim responsibility for any injury to people or property resulting from any ideas, methods, instructions or products referred to in the content. |
© 2024 by the authors. Licensee MDPI, Basel, Switzerland. This article is an open access article distributed under the terms and conditions of the Creative Commons Attribution (CC BY) license (https://creativecommons.org/licenses/by/4.0/).