Analysis of Power System Electromagnetic Transients Using the Finite Element Technique
Abstract
1. Introduction
2. Overview of the Developed Numerical Model
3. Power System Parts Modeled as Finite Elements
3.1. Synchronous Generator Modeled as a Finite Element
- represents the flux linkage of individual generator winding;
- L represents the inductance of individual generator winding and mutual inductances between different generator windings;
- is the electrical angle of the rotor position;
- i is the current flowing through an individual winding;
- are indexes associated with the armature winding on the stator (see Figure 1);
- f is an index associated with the excitation winding on the rotor (see Figure 1);
- are indexes associated with the damping winding on the rotor (see Figure 1).
- s is the synchronous generator rotor slip in p.u.;
- is the rotor angular frequency in p.u.;
- is the rotor angle in ;
- is the mechanical time constant in ;
- is the per-unit (p.u.) mechanical moment of the generator;
- is the p.u. electrical moment of the generator.
3.2. Network Equivalent Modeled as a Finite Element
- —nominal voltage of the network;
- —Three-phase subtransient short circuit power;
- —Single-phase subtransient short circuit power.
- is the direct sequence network reactance;
- is the inverse sequence network reactance;
- is the zero sequence network reactance.
3.3. Transformers Modeled as Finite Elements
- and —voltages on the primary and secondary windings;
- —voltage on the secondary winding reduced to the primary side;
- and —current through the primary winding and the current through the secondary winding reduced to the primary side;
- and —resistance of the primary winding and the resistance of the secondary winding reduced to the primary side;
- and —leakage inductance of the primary winding and the leakage inductance of the secondary winding reduced to the primary side.
3.4. Loads Modeled as Finite Elements
4. Test Example
- The generator data are as follows:
- MVA, MW, MVAr;
- kV, A;
- A;
- A.
- The available parameters of generators are as follows:
- p.u., p.u., p.u., p.u., p.u.;
- p.u., p.u., s, s, s; s, s.
- Turbine governor data are as follows:
- s, s, s, s;
- ;
- s;
- .
- Excitation system data are as follows:
- s, s, s, s;
- .
- Step-up transformer data are as follows:
- MVA, ;
- kV, kW.
- Load data are as follows:
- MW, kV.
- Network equivalent data are as follows:
- kV, kA, kA.
5. Discussion
6. Conclusions
Author Contributions
Funding
Data Availability Statement
Conflicts of Interest
Nomenclature
| indexes associated with the armature winding on the stator | |
| turbine coeficients | |
| turbine gain | |
| a | transformation ratio of single-phase transformer |
| C | single-phase load capacitance |
| indexes associated with the damping winding on the rotor | |
| f | index associated with the excitation winding on the rotor |
| open circuit generator field coil current | |
| nominal generator field coil current | |
| three-phase subtransient short circuit current | |
| single-phase subtransient short circuit current | |
| phase a generator current | |
| phase b generator current | |
| phase c generator current | |
| field coil current | |
| damper winding current in axes d | |
| damper winding current in axes q | |
| current through the primary winding | |
| current through the secondary winding reduced to the primary side | |
| PID controller proportional gain | |
| PID controller integral gain | |
| PID controller derivative gain | |
| regulator amplification factors | |
| ℓ | three-phase transmission line length |
| phase a stator inductance depending on rotor position | |
| phase b stator inductance depending on rotor position | |
| phase c stator inductance depending on rotor position | |
| field coil inductance depending on angle of rotor position | |
| damper winding inductance in axis d depending on angle of rotor position | |
| damper winding inductance in axis q depending on angle of rotor position | |
| mutual inductances between windings i and j depending on rotor position (i, j) = a, b, c, f, D, Q | |
| L | single-phase load inductance |
| equivalent network mutual inductance in the natural a, b, c system | |
| equivalent network inductance in the natural a, b, c system | |
| leakage inductance of the primary winding | |
| leakage inductance of the secondary winding reduced to the primary side | |
| mechanical moment of the generator in p.u. | |
| electrical moment of the generator in p.u. | |
| step up transformer short-circuit active power | |
| nominal active power | |
| referent value of mechanical power | |
| mechanical power | |
| nominal reactive power | |
| gate max opening speed | |
| gate min closing speed | |
| maximal gate position | |
| minimal gate position | |
| r | generator armature (stator) resistance |
| phase a stator resistance | |
| phase b stator resistance | |
| phase c stator resistance | |
| field coil resistance | |
| damper winding resistance in axis d | |
| damper winding resistance in axis q | |
| R | single-phase load resistance |
| resistance of the primary winding | |
| resistance of the secondary winding reduced to the primary side | |
| s | the synchronous generator rotor slip in p.u. |
| three-phase subtransient short circuit power | |
| single-phase subtransient short circuit power | |
| nominal apparent power | |
| t | time |
| time constants | |
| PID controller derivative time constant | |
| the generator mechanical time constant in rad | |
| pilot time constant | |
| transient droop time constant | |
| water inertia time constant | |
| gate time constant | |
| the generator mechanical time constant | |
| transient and subtransient open- circuit time constants in d and q axes | |
| phase a generator voltage | |
| phase b generator voltage | |
| phase c generator voltage | |
| field coil voltage | |
| initial field voltage | |
| nominal voltage | |
| single-phase load capacitance voltage | |
| voltage on the primary winding of the single-phase transformer | |
| voltage on the secondary winding of the single-phase transformer | |
| voltage on the secondary winding of the single-phase transformer reduced to the primary side | |
| step up transformer nominal voltage ratio | |
| step up transformer short-circuit voltage in in percentages | |
| regulator signals | |
| phase voltage | |
| referent phase voltage | |
| synchronous, transient and subtransient reactances in d and q axes | |
| synchronous generator leakage reactance | |
| direct sequence network reactance | |
| inverse sequence network reactance | |
| zero sequence network reactance | |
| equivalent network reactance’s in the natural a, b, c system | |
| equivalent network mutual reactance’s in the natural a, b, c system | |
| global matrix formed by assembling all local matrices using the connectivity matrix | |
| local matrix of the finite element | |
| inductance matrix | |
| capacitance matrix | |
| resistance matrix | |
| global vector formed by assembling all local vectors using the connectivity matrix | |
| local vector of the finite element | |
| vector of local nodal currents at the end of the integration interval | |
| vector of generator stator winding currents | |
| vector of generator rotor winding currents | |
| vector of currents | |
| vector of generator stator winding voltages | |
| vector of generator rotor winding voltages | |
| vector of voltages | |
| electrical angle of rotor position | |
| temporary droop coefficient | |
| the rotor angle in rad | |
| time increment | |
| interpolation factor | |
| permanent droop coefficient | |
| vector of potentials | |
| vector of global potentials at the end of the integration interval | |
| vector of local nodal potentials at the end of the integration interval | |
| phase a stator flux linkage | |
| phase b stator flux linkage | |
| phase c stator flux linkage | |
| field coil flux linkage | |
| damper winding flux linkage in axis d | |
| damper winding flux linkage in axis q | |
| magnetic flux matrix | |
| rotor angular frequency in p.u. |
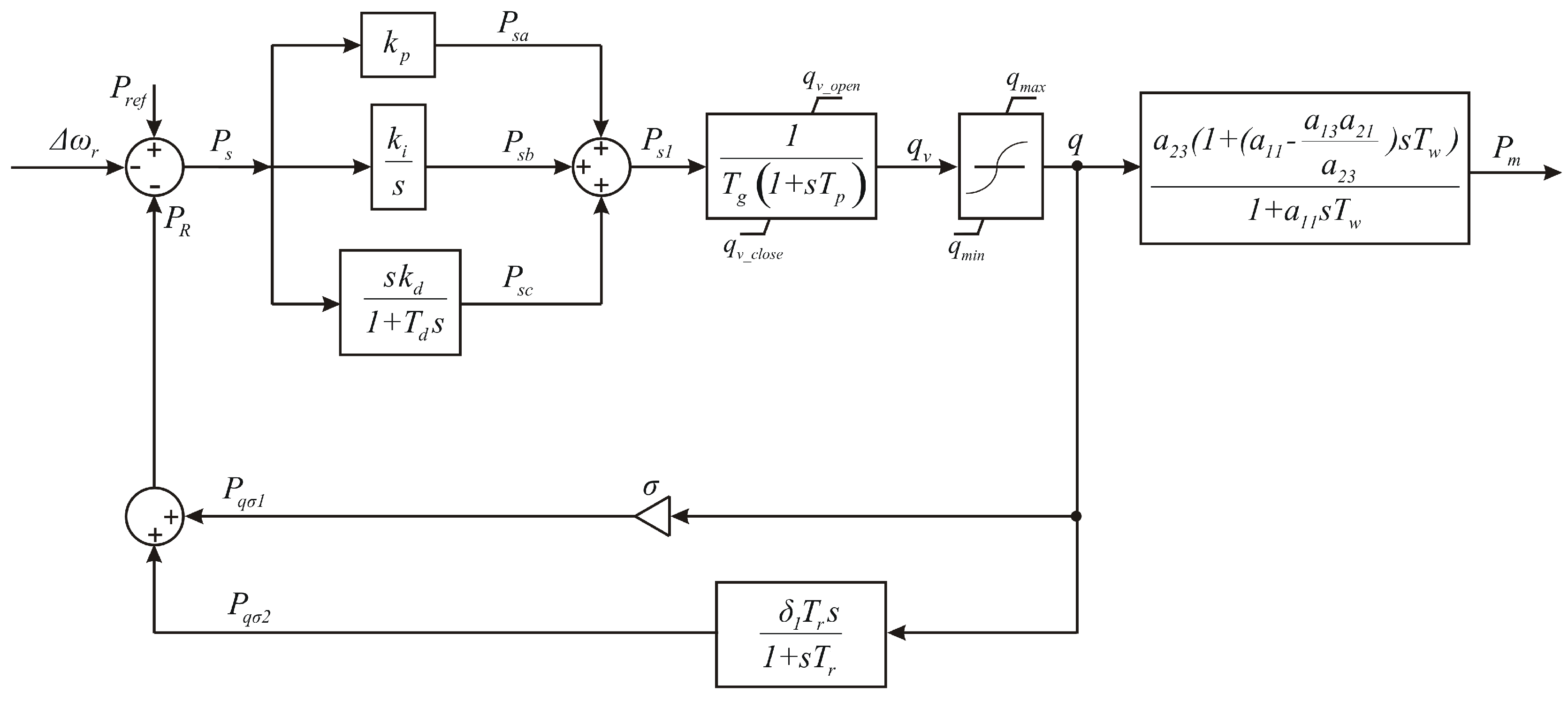
Appendix A. Model of Turbine Governor

Appendix B. Model of the Excitation System

References
- Anderson, P.M.; Fouad, A.A. Power System Control and Stability, 2nd ed.; IEEE Press: Piscataway, NJ, USA, 2003. [Google Scholar]
- Arrillaga, J.; Arnold, C.P.; Harker, B.J. Computer Modelling of Electrical Power Systems; John Wiley and Sons: New York, NY, USA, 1983. [Google Scholar]
- Arrillaga, J.; Arnold, C.P. Computer Analysis of Power Systems; John Wiley and Sons: New York, NY, USA, 1990. [Google Scholar]
- Dommel, H.W. Digital computer solution of electromagnetic transients in single-end multiphase networks. IEEE Trans. Power Appar. Syst. 1969, 88, 388–389. [Google Scholar] [CrossRef]
- Dommel, H.W. Electromagnetic Transients Program Reference Manual (EMTP Theory Book); BPA: Portland, OR, USA, 1986. [Google Scholar]
- Woodford, D.A.; Gole, A.M.; Menzies, R.Z. Digital Simulation of DC Links and AC Machines. IEEE Trans. Power Appar. Syst. 1983, 102, 1616–1623. [Google Scholar] [CrossRef]
- Nagel, L.W. SPICE2 A Computer Program to Simulate Semiconductor Circuits. Memorandum ERL M520 1975. [Google Scholar]
- Mahseredjian, J.; Alvarado, F. Creating an Electromagnetic Transients Program in MATLAB: MatEMTP. IEEE Trans. Power Deliv. 1997, 12, 380–388. [Google Scholar] [CrossRef]
- Mahseredjian, J.; Alvarado, F.; Rogers, G.; Long, B. MATLAB’s Power for Power Systems. IEEE J. Comput. Appl. Power 2001, 14, 13–19. [Google Scholar]
- Zienkiewicz, O.C.; Taylor, R.L. The Finite Element Method Vol. 1; McGraw-Hill: New York, NY, USA, 1989. [Google Scholar]
- Zienkiewicz, O.C.; Taylor, R.L. The Finite Element Method Vol. 2; McGraw-Hill: New York, NY, USA, 1991. [Google Scholar]
- Jurić-Grgić, I.; Lucić, R.; Kurtović, M. Power system fault studies using finite element technique. Int. Rev. Model. Simul. 2009, 2, 12–17. [Google Scholar]
- Lee, S.Y.; Konrad, A. Lossy Transmission Line Transient Analysis by the Finite Element Method. IEEE Trans. Magn. 1993, 29, 1730–1732. [Google Scholar] [CrossRef]
- Lucić, R.; Jurić-Grgić, I.; Kurtović, M. Time domain finite element method analysis of multiconductor transmission lines. Eur. Trans. Electr. Power 2010, 20, 822–832. [Google Scholar] [CrossRef]
- Jurić-Grgić, I.; Grulović-Plavljanić, N.; Dabro, M. An Analysis of Power System Transient Stability Using Finite Element Technique. Int. Trans. Electr. Energy Syst. 2019, 29, e2647. [Google Scholar] [CrossRef]
- Zienkiewicz, O.C.; Morgan, K. Finite Elements and Approximation; John Wiley & Sons: Hoboken, NJ, USA, 1982. [Google Scholar]
- Henschel, S. Analysis of Electromagnetic und Electromechanical Power System Transients with Dynamic Phasors. Ph.D. Dissertation, University of British Colombia, Vancouver, BC, Canada, 1999. [Google Scholar]
- Venkatasubramanian, V. Tools for dynamic analysis of the general large power system using time-varying phasors. Int. J. Electr. Power Energy Syst. 1994, 16, 365–376. [Google Scholar] [CrossRef]
- Adapa, R.; Reeve, J. A new approach to dynamic analysis of AC networks incorporating detailed modeling of DC systems. II. Application to interaction of DC and weak AC systems. IEEE Trans. Power Deliv. 1988, 3, 2012–2019. [Google Scholar] [CrossRef]
- Zambroni de Souza, A.C.; Lopes, B.I.L. Unified computational tool for transient and long-term stability studies. IET Gener. Transm. Distrib. 2009, 3, 173–181. [Google Scholar] [CrossRef]
- Zarate, M.R.; Van, C.T.; Federico, M.; Conejo, A.J. Securing transient stability using time-domain simulations within an optimal power flow. IEEE Trans. Power Syst. 2010, 25, 243–253. [Google Scholar] [CrossRef]
- Bagde, B.Y.; Umre, B.S.; Dhenuvakonda, K.R. An efficient transient stability-constrained optimal power flow using biogeography-based algorithm. Int. Trans. Electr. Energy Syst. 2018, 28, e2467. [Google Scholar] [CrossRef]
- Odun-Ayo, T.; Crow, M.L. An analysis of power system transient stability using stochastic energy functions. Int. Trans. Electr. Energy Syst. 2013, 23, 151–165. [Google Scholar] [CrossRef]
- IEEE Standard 421.5-2016; Recommended Practice for Excitation System Models for Power System Stability Studies. IEEE Standard: Piscataway, NJ, USA, 2016.

















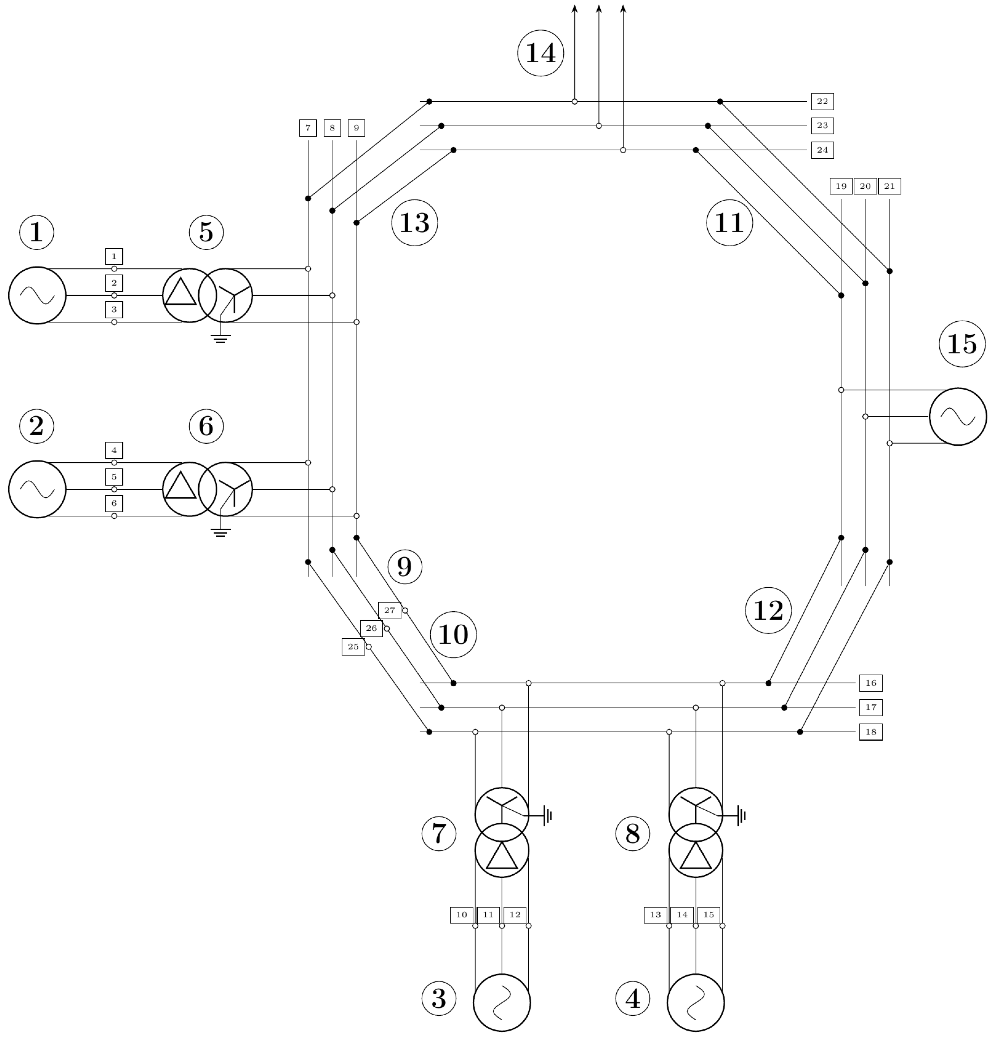
| Local Nodes | |||||||
|---|---|---|---|---|---|---|---|
| Type | Finite Element | 1 | 2 | 3 | 4 | 5 | 6 |
| Generator 1 | 1 | 1 | 2 | 3 | |||
| Generator 2 | 2 | 4 | 5 | 6 | |||
| Generator 3 | 3 | 10 | 11 | 12 | |||
| Generator 4 | 4 | 13 | 14 | 15 | |||
| Transformer 1 | 5 | 1 | 2 | 3 | 7 | 8 | 9 |
| Transformer 2 | 6 | 4 | 5 | 6 | 7 | 8 | 9 |
| Transformer 3 | 7 | 10 | 11 | 12 | 16 | 17 | 18 |
| Transformer 4 | 8 | 13 | 14 | 15 | 16 | 17 | 18 |
| Line 4 | 9 | 7 | 8 | 9 | 25 | 26 | 27 |
| Line 4 | 10 | 16 | 17 | 18 | 25 | 26 | 27 |
| Line 2 | 11 | 19 | 20 | 21 | 22 | 23 | 24 |
| Line 3 | 12 | 16 | 17 | 18 | 19 | 20 | 21 |
| Line 1 | 13 | 7 | 8 | 9 | 22 | 23 | 24 |
| Equivalent network | 14 | 19 | 20 | 21 | |||
| Load | 15 | 22 | 23 | 24 | |||
Disclaimer/Publisher’s Note: The statements, opinions and data contained in all publications are solely those of the individual author(s) and contributor(s) and not of MDPI and/or the editor(s). MDPI and/or the editor(s) disclaim responsibility for any injury to people or property resulting from any ideas, methods, instructions or products referred to in the content. |
© 2024 by the authors. Licensee MDPI, Basel, Switzerland. This article is an open access article distributed under the terms and conditions of the Creative Commons Attribution (CC BY) license (https://creativecommons.org/licenses/by/4.0/).
Share and Cite
Jurić-Grgić, I.; Lovrić, D.; Krolo, I. Analysis of Power System Electromagnetic Transients Using the Finite Element Technique. Energies 2024, 17, 2517. https://doi.org/10.3390/en17112517
Jurić-Grgić I, Lovrić D, Krolo I. Analysis of Power System Electromagnetic Transients Using the Finite Element Technique. Energies. 2024; 17(11):2517. https://doi.org/10.3390/en17112517
Chicago/Turabian StyleJurić-Grgić, Ivica, Dino Lovrić, and Ivan Krolo. 2024. "Analysis of Power System Electromagnetic Transients Using the Finite Element Technique" Energies 17, no. 11: 2517. https://doi.org/10.3390/en17112517
APA StyleJurić-Grgić, I., Lovrić, D., & Krolo, I. (2024). Analysis of Power System Electromagnetic Transients Using the Finite Element Technique. Energies, 17(11), 2517. https://doi.org/10.3390/en17112517

