A Bridgeless Cuk-BB-Converter-Based BLDCM Drive for MEV Applications
Abstract
1. Introduction
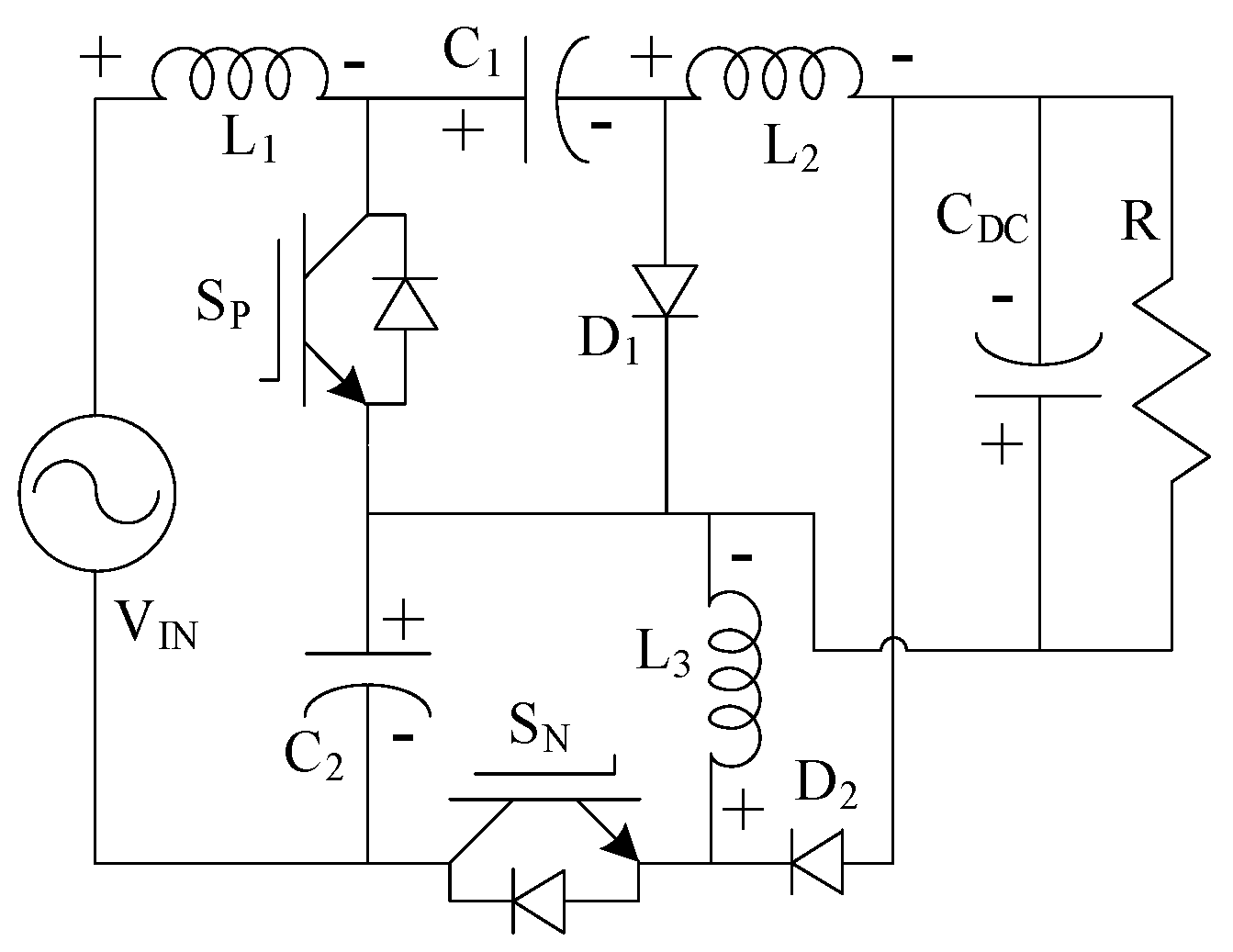
2. BL-Cuk-BB Converter Configuration
2.1. BL-Cuk-BB AC-DC Converter Operation
2.2. Distinctive Factors of BL-Cuk-BB Converter
2.3. Selection of BL-Cuk-BB Converter Components
3. BL-Cuk-BB Converter Fed BLDCM Drive Control
3.1. BL-Cuk-BB Converter Control Scheme
3.2. BLDCM Speed Control
4. State-Space Model (SSM) and Small-Signal Analysis of BL-Cuk-BB Converter
4.1. Stability Assessment of Converter operating in Supply AC voltage’s Positive Cycle
4.2. Stability Assessment of Converter Operating in Negative Cycle of Supply AC Voltage
5. Validation and Result
5.1. BLDCM Drive Steady-State Performance
5.2. Performance of BL-Cuk-BB Converter
5.3. BL-Cuk-BB Converter Fed BLDCM Drive Dynamic Performance
6. Conclusions
Author Contributions
Funding
Data Availability Statement
Conflicts of Interest
Appendix A
References
- Xia, C.L. Permanent Magnet Brushless DC Motor Drives and Controls; Wiley: Hoboken, NJ, USA, 2012. [Google Scholar]
- Moreno, J.; Ortuzar, M.E.; Dixon, J.W. Energy-management system for a hybrid electric vehicle, using ultra capacitors and neural networks. IEEE Trans. Ind. Electron. 2006, 53, 614–623. [Google Scholar] [CrossRef]
- Rahman, M.; Zhou, P. Analysis of brushless permanent magnet synchronous motors. IEEE Trans. Ind. Electron. 1996, 43, 256–267. [Google Scholar] [CrossRef]
- Huang, X.; Goodman, A.; Gerada, C.; Fang, Y.; Lu, Q. A Single Sided Matrix Converter Drive for a Brushless DC Motor in Aerospace Applications. IEEE Trans. Ind. Electron. 2012, 59, 3542–3552. [Google Scholar] [CrossRef]
- Chen, Y.-T.; Chiu, C.-L.; Jhang, Y.-R.; Tang, Z.-H.; Liang, R.-H. A Driver for the Single-Phase Brushless DC Fan Motor With Hybrid Winding Structure. IEEE Trans. Ind. Electron. 2013, 60, 4369–4375. [Google Scholar] [CrossRef]
- Pillay, P.; Krishnan, R. Modeling of permanent magnet motor drives. IEEE Trans. Ind. Electron. 1988, 35, 537–541. [Google Scholar] [CrossRef]
- Toliyat, H.A.; Campbell, S. DSP-Based Electromechanical Motion Control; CRC Press: New York, NY, USA, 2004. [Google Scholar]
- International Standards IEC 61000-3-2; Limits for Harmonics Current Emissions (Equipment Current per Phase). International Electrotechnical Commission: Geneva, Switzerland, 2000.
- Singh, S.; Singh, B. A Voltage-Controlled PFC Cuk Converter-Based PMBLDCM Drive for Air-Conditioners. IEEE Trans. Ind. Appl. 2012, 48, 832–838. [Google Scholar] [CrossRef]
- Singh, B.; Singh, S.; Chandra, A.; Al-Haddad, K. Comprehensivestudy of single-phase ac-dc power factor corrected converters with high-frequency isolation. IEEE Trans. Ind. Inf. 2011, 7, 540–556. [Google Scholar] [CrossRef]
- Singh, B.; Chandra, A.; Al-Haddad, K.; Pandey, A.; Kothari, D. A review of single-phase improved power quality ac~dc converters. IEEE Trans. Ind. Electron. 2003, 50, 962–981. [Google Scholar] [CrossRef]
- Singh, S.; Singh, B. Power quality improved PMBLDCM drive for adjustable speed application with reduced sensor buck-boost PFC converter. In Proceedings of the 4th ICETET, Port Louis, Mauritius, 18–20 November 2011; pp. 180–184. [Google Scholar]
- Gopalarathnam, T.; Toliyat, H. A new topology for unipolar brushless DC motor drive with high power factor. IEEE Trans. Power Electron. 2003, 18, 1397–1404. [Google Scholar] [CrossRef]
- Ravindran, A.; Kumar, A.C.B. Solar powered BLDC motor drive using LUO converter. In Proceedings of the 2017 IEEE International Conference on Power, Control, Signals and Instrumentation Engineering (ICPCSI), Chennai, India, 21–22 September 2017. [Google Scholar]
- Bist, V.; Singh, B. A PFC-Based BLDC Motor Drive Using a Canonical Switching Cell Converter. IEEE Trans. Ind. Inform. 2014, 10, 1207–1215. [Google Scholar] [CrossRef]
- Mansouri, S.; Allahverdinejad, B.; Torkaman, H. Power factor correction based Hybrid Resonance PWM fed BLDC drive. In Proceedings of the 2018 9th Annual Power Electronics, Drives Systems and Technologies Conference (PEDSTC), Tehran, Iran, 13–15 February 2018. [Google Scholar]
- Ammar, A.M.; Spliid, F.M.; Nour, Y.; Knott, A. Analysis and Design of a Charge-Pump-Based Resonant AC–DC Converter With Inherent PFC Capability. IEEE J. Emerg. Sel. Top. Power Electron. 2020, 8, 2067–2081. [Google Scholar] [CrossRef]
- Spliid, F.M.; Ammar, A.M.; Knott, A. Analysis and Design of a Resonant Power Converter With a Wide Input Voltage Range for AC/DC Applications. IEEE J. Emerg. Sel. Top. Power Electron. 2020, 8, 2056–2066. [Google Scholar] [CrossRef]
- Ammar, A.M.; Spliid, F.M.; Nour, Y.; Knott, A. A 1-MHz Resonant LED Driver With Charge-Pump-Based Power Factor Correction. IEEE J. Emerg. Sel. Top. Power Electron. 2021, 9, 5838–5850. [Google Scholar] [CrossRef]
- Li, G.; Xia, J.; Wang, K.; Deng, Y.; He, X.; Wang, Y. A Single-Stage Interleaved Resonant Bridgeless Boost Rectifier with High-Frequency Isolation. IEEE J. Emerg. Sel. Top. Power Electron. 2020, 8, 1767–1781. [Google Scholar] [CrossRef]
- Zhang, C.; Wang, J.; Tang, S.; Wang, D.; Yin, X.; Shuai, Z.; Shen, Z.J. A New PFC Design With Interleaved MHz-Frequency GaN Auxiliary Active Filter Phase and Low-Frequency Base Power Si Phase. IEEE J. Emerg. Sel. Top. Power Electron. 2020, 8, 557–566. [Google Scholar] [CrossRef]
- Jagadeeswari, S.; Hemalatha, N.; Baskaran, J. PFC Bridgeless buck-boost converter-fed BLDC motor drive. In Proceedings of the 2015 International Conference on Computation of Power, Energy, Information and Communication (ICCPEIC), Melmaruvathur, India, 22–23 April 2015. [Google Scholar]
- Bist, V.; Singh, B. A Unity Power Factor Bridgeless Isolated Cuk Converter-Fed Brushless DC Motor Drive. IEEE Trans. Ind. Electron. 2015, 62, 4118–4129. [Google Scholar] [CrossRef]
- Sanjay, S.; Raghavendra, L. Adaptable Speed Bridgeless SEPIC Converter VSI Fed BLDC Motor Drive. In Proceedings of the 2017 International Conference on Current Trends in Computer, Electrical, Electronics and Communication (CTCEEC), Mysore, India, 8–9 September 2017; pp. 1138–1143. [Google Scholar]
- Singh, B.; Bist, V. A PFC based BLDC motor drive using a Bridgeless Zeta converter. In Proceedings of the IECON 2013—39th Annual Conference of the IEEE Industrial Electronics Society, Vienna, Austria, 10–13 November 2013. [Google Scholar]
- Singh, B.; Bist, V.; Chandra, A.; Al-Haddad, K. Power Factor Correction in Bridgeless-Luo Converter-Fed BLDC Motor Drive. IEEE Trans. Ind. Appl. 2015, 51, 1179–1188. [Google Scholar] [CrossRef]
- Bist, V.; Singh, B. A PFC based bridgeless Sheppard-Taylor converter fed brushless DC motor drive. In Proceedings of the 2014 Innovative Applications of Computational Intelligence on Power, Energy and Controls with Their Impact on Humanity (CIPECH), Ghaziabad, India, 28–29 November 2014. [Google Scholar]
- Singh, B.; Bist, V. A BL-CSC Converter-Fed BLDC Motor Drive With Power Factor Correction. IEEE Trans. Ind. Electron. 2015, 62, 172–183. [Google Scholar] [CrossRef]
- Singh, P.K.; Singh, B.; Bist, V.; Al-Haddad, K.; Chandra, A. BLDC Motor Drive Based on Bridgeless Landsman PFC Converter With Single Sensor and Reduced Stress on Power Devices. IEEE Trans. Ind. Appl. 2018, 54, 625–635. [Google Scholar] [CrossRef]
- Kumar, R.; Singh, B. Single Stage Solar PV Fed Brushless DC Motor Driven Water Pump. IEEE J. Emerg. Sel. Top. Power Electron. 2017, 5, 1377–1385. [Google Scholar] [CrossRef]















| S. No. | Configurations | Components Count | ||||
|---|---|---|---|---|---|---|
| Switch | C | L | D | Total | ||
| 01 | BL-Buck-Boost [22] | 2 | 2 | 3 | 4 | 11 |
| 02 | BL-Cuk [23] | 2 | 5 | 6 | 4 | 17 |
| 03 | BL-SEPIC [24] | 2 | 3 | 4 | 4 | 13 |
| 04 | BL-zeta [25] | 2 | 2 | 3 | 3 | 10 |
| 05 | BL-Luo [26] | 2 | 3 | 4 | 4 | 13 |
| 06 | BL-CSC [28] | 2 | 3 | 2 | 4 | 11 |
| 07 | BL-Sheppard-Taylor [27] | 4 | 3 | 4 | 10 | 21 |
| 08 | BL-Landsman [29] | 2 | 3 | 4 | 4 | 13 |
| 09 | Proposed BL-Cuk-BB | 2 | 3 | 3 | 2 | 10 |
(Radians) | Hall Signals | Switching States of VSI | |||||||
|---|---|---|---|---|---|---|---|---|---|
| HA | HB | HC | S1 | S2 | S3 | S4 | S5 | S6 | |
| NA | 0 | 0 | 0 | 0 | 0 | 0 | 0 | 0 | 0 |
| 0–(π/3) | 1 | 1 | 0 | 1 | 0 | 0 | 0 | 1 | 0 |
| (π/3)–(2π/3) | 1 | 1 | 0 | 1 | 0 | 0 | 0 | 0 | 1 |
| (2π/3)–π | 1 | 1 | 1 | 0 | 1 | 0 | 0 | 0 | 1 |
| π–(4π/3) | 0 | 0 | 1 | 0 | 1 | 0 | 1 | 0 | 0 |
| (4π/3)–(5π/3) | 0 | 0 | 1 | 0 | 0 | 1 | 1 | 0 | 0 |
| (5π/3)–2π | 0 | 0 | 0 | 0 | 0 | 1 | 0 | 1 | 0 |
| NA | 0 | 0 | 0 | 0 | 0 | 0 | 0 | 0 | 0 |
Disclaimer/Publisher’s Note: The statements, opinions and data contained in all publications are solely those of the individual author(s) and contributor(s) and not of MDPI and/or the editor(s). MDPI and/or the editor(s) disclaim responsibility for any injury to people or property resulting from any ideas, methods, instructions or products referred to in the content. |
© 2023 by the authors. Licensee MDPI, Basel, Switzerland. This article is an open access article distributed under the terms and conditions of the Creative Commons Attribution (CC BY) license (https://creativecommons.org/licenses/by/4.0/).
Share and Cite
Shukla, T.; Nikolovski, S. A Bridgeless Cuk-BB-Converter-Based BLDCM Drive for MEV Applications. Energies 2023, 16, 3747. https://doi.org/10.3390/en16093747
Shukla T, Nikolovski S. A Bridgeless Cuk-BB-Converter-Based BLDCM Drive for MEV Applications. Energies. 2023; 16(9):3747. https://doi.org/10.3390/en16093747
Chicago/Turabian StyleShukla, Tanmay, and Srete Nikolovski. 2023. "A Bridgeless Cuk-BB-Converter-Based BLDCM Drive for MEV Applications" Energies 16, no. 9: 3747. https://doi.org/10.3390/en16093747
APA StyleShukla, T., & Nikolovski, S. (2023). A Bridgeless Cuk-BB-Converter-Based BLDCM Drive for MEV Applications. Energies, 16(9), 3747. https://doi.org/10.3390/en16093747

