A Study of a Generalized Photovoltaic System with MPPT Using Perturb and Observer Algorithms under Varying Conditions
Abstract
1. Introduction
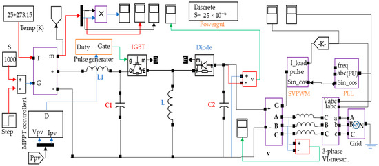
2. The Proposed Model
2.1. Modelling of the Solar PV System
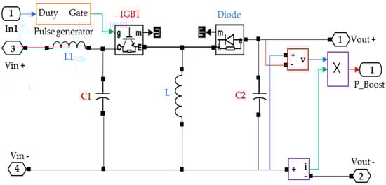
2.2. DC/DC Boost Converter
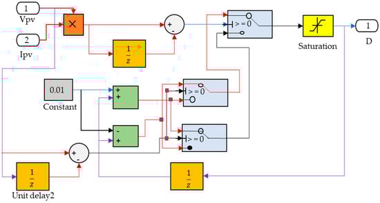
2.3. MPPT Control Algorithm
2.4. The DC/AC Power Inverter
SVPWM Technique
2.5. The Inverter Connected to Grid
3. The Studied System Simulation Model
4. Simulation Results and Discussion
4.1. The PV Array Features under Erratic Temperature and Radiation
4.2. The PV System Performance during Hasty Solar Radiation (G) Variance
4.3. The PV System Performance during Sudden Variation in Temperature
4.4. The PV System Performance with Variation in Load
4.5. Three-Phase Inverter Connected to PV
4.6. Test Simulation Results of Inverter Synchronization
5. Conclusions and Future Implications
- The methodology is simple and adaptive; therefore, it is economical for future use.
- The maximum power point can be tracked in varying environmental conditions; thus, it is quite appropriate to the areas where the environmental conditions vary abruptly.
- This technique is highly efficient compared to others; therefore, it is quite helpful for developing countries. Incorporating energy management strategies using advanced tools is essential when developing MPPT algorithms for photovoltaic systems.
- In the future, another recommended method is to use a variable step size using an advanced machine learning method and data analytics that adjusts the step size based on the difference between the PV output power and the reference power. This strategy increases the step size when the difference is significant and decreases it when the difference is slight, which can improve the convergence rate and reduce oscillations.
- Furthermore, advanced control techniques, such as model predictive control (MPC) and fuzzy logic control (FLC), have been suggested to enhance the performance of the P&O method. These methods use a mathematical model of the PV system and a feedback loop to adjust the operating point, which can improve the accuracy and stability of the control.
- In conclusion, while the P&O method is an effective and widely used algorithm for tracking the MPP of a PV system, it does have limitations that can affect its performance. These limitations can be addressed in future research by introducing modifications and advanced control techniques that can improve the accuracy, stability, and efficiency of the control.
- The technique is user-friendly as it is simple, thus it is quite appropriate for future use.
- Intelligent MPPT tracking models effectively analyze the system’s behavior under various conditions. This allows the identification of optimal settings for the MPPT algorithm and energy management strategies to maximize energy efficiency and minimize losses.
- Another essential tool is data analytics, which can provide insights into energy consumption patterns and enable predictive maintenance to reduce downtime and optimize performance. Additionally, integrating energy storage systems, such as batteries, can provide backup power and increase the system’s overall efficiency. By utilizing these advanced tools and strategies, developers can design MPPT algorithms that effectively manage energy and improve the performance and reliability of photovoltaic systems in the tech world.
Author Contributions
Funding
Institutional Review Board Statement
Informed Consent Statement
Data Availability Statement
Acknowledgments
Conflicts of Interest
References
- Abdelsalam, A.K.; Massoud, A.M.; Ahmed, S.; Enjeti, P.N. High-performance adaptive Perturb and observe MPPT technique for photovoltaic-based microgrids. IEEE Trans. Power Electron. 2011, 26, 1010–1021. [Google Scholar] [CrossRef]
- Katche, M.L.; Makokha, A.B.; Zachary, S.O.; Adaramola, M.S. A Comprehensive Review of Maximum Power Point Tracking (MPPT) Techniques Used in Solar PV Systems. Energies 2023, 16, 2206. [Google Scholar] [CrossRef]
- Mohanty, P.; Bhuvaneswari, G.; Balasubramanian, R.; Dhaliwal, N.K. MATLAB based modeling to study the performance of different MPPT techniques used for solar PV system under various operating conditions. Renew. Sustain. Energy Rev. 2014, 38, 581–593. [Google Scholar] [CrossRef]
- Abbas, S.Z.; Kousar, A.; Razzaq, S.; Saeed, A.; Alam, M.; Mahmood, A. Energy management in South Asia. Energy Strateg. Rev. 2018, 21, 25–34. [Google Scholar] [CrossRef]
- Ounnas, D.; Ramdani, M.; Chenikher, S.; Bouktir, T. An Efficient Maximum Power Point Tracking Controller for Photovoltaic Systems Using Takagi–Sugeno Fuzzy Models. Arab. J. Sci. Eng. 2017, 42, 4971–4982. [Google Scholar] [CrossRef]
- Eldin, S.A.S.; Abd-Elhady, M.S.; Kandil, H.A. Feasibility of solar tracking systems for PV panels in hot and cold regions. Renew. Energy 2016, 85, 228–233. [Google Scholar] [CrossRef]
- Das, N.; Wongsodihardjo, H.; Islam, S. Modeling of multi-junction photovoltaic cell using MATLAB/Simulink to improve the conversion efficiency. Renew. Energy 2015, 74, 917–924. [Google Scholar] [CrossRef]
- Manoharan, P.; Subramaniam, U.; Babu, T.S.; Padmanaban, S.; Holm-Nielsen, J.B.; Mitolo, M.; Ravichandran, S. Improved Perturb and Observation Maximum Power Point Tracking Technique for Solar Photovoltaic Power Generation Systems. IEEE Syst. J. 2021, 15, 3024–3035. [Google Scholar] [CrossRef]
- Abbas, S.Z.; Ali, Z.; Mahmood, A.; Haider, S.Q.; Kousar, A.; Razzaq, S.; Hassan, T.U.; Su, C.L. Review of Smart Grid and Nascent Energy Policies: Pakistan as a Case Study. Energies 2022, 15, 7044. [Google Scholar] [CrossRef]
- Keles, C.; Alagoz, B.B.; Akcin, M.; Kaygusuz, A.; Karabiber, A. A photovoltaic system model for Matlab/Simulink simulations. In Proceedings of the 4th International Conference on Power Engineering, Energy and Electrical Drives, Istanbul, Turkey, 13–17 May 2013; pp. 1643–1647. [Google Scholar] [CrossRef]
- Esram, T.; Chapman, P.L. Comparison of photovoltaic array maximum power point tracking techniques. IEEE Trans. Energy Convers. 2007, 22, 439–449. [Google Scholar] [CrossRef]
- Ali, Z. Fault Detection and Classification in Hybrid Shipboard Microgrids. In Proceedings of the 2022 IEEE PES 14th Asia-Pacific Power and Energy Engineering Conference (APPEEC), Melbourne, Australia, 20–23 November 2022; pp. 1–6. [Google Scholar]
- Vaikundaselvan, B.; Sivaraju, S.S.; Sivan Raj, C.; Palraj, P. Design and analysis of MPPT based buck boost converter for solar photovoltaic system. Int. J. Electr. Eng. Technol. 2020, 11, 253–270. [Google Scholar]
- Stember, L.H.; Huss, W.R.; Bridgman, M.S. A Methodology for Photovoltaic System Reliability & Economic Analysis. IEEE Trans. Reliab. 1982, R-31, 296–303. [Google Scholar] [CrossRef]
- Vinod; Kumar, R.; Singh, S.K. Solar photovoltaic modeling and simulation: As a renewable energy solution. Energy Rep. 2018, 4, 701–712. [Google Scholar] [CrossRef]
- Bouselham, L.; Hajji, M.; Hajji, B.; Bouali, H. A New MPPT-based ANN for Photovoltaic System under Partial Shading Conditions. Energy Procedia 2017, 111, 924–933. [Google Scholar] [CrossRef]
- Ali, Z.; Terriche, Y.; Hoang, L.Q.N.; Abbas, S.Z.; Hassan, M.A.; Sadiq, M.; Su, C.-L.; Guerrero, J.M. Fault Management in DC Microgrids: A Review of Challenges, Countermeasures, and Future Research Trends. IEEE Access 2021, 9, 128032–128054. [Google Scholar] [CrossRef]
- Javed, S.B.; Mahmood, A.; Abid, R.; Shehzad, K.; Mirza, M.S.; Sarfraz, R. Implementation of Generalized Photovoltaic System with Maximum Power Point Tracking. In Proceedings of the 2nd International Multi-Disciplinary Conference, Gujrat, Pakistan, 19–20 December 2016. [Google Scholar]
- Naik, J.; Dhar, S.; Dash, P.K. Adaptive differential relay coordination for PV DC microgrid using a new kernel based time-frequency transform. Int. J. Electr. Power Energy Syst. 2019, 106, 56–67. [Google Scholar] [CrossRef]
- Filho, N.d.M.; Cardoso Diniz, A.S.A.; Vasconcelos, C.K.B.; Kazmerski, L.L. Snail trails on PV modules in Brazil’s tropical climate: Detection, chemical Properties, bubble formation, and performance effects. Sustain. Energy Technol. Assess. 2022, 54, 31–35. [Google Scholar] [CrossRef]
- Drif, M.; Bahri, M.; Saigaa, D. A novel equivalent circuit-based model for photovoltaic sources. Optik 2021, 242, 167046. [Google Scholar] [CrossRef]
- Khamis, A.; Mohamed, A.; Shareef, H.; Ayob, A.; Aras, M.S.M. Modelling and simulation of a single phase grid connected using photovoltaic and battery based power generation. In Proceedings of the 2013 European Modelling Symposium, Manchester, UK, 20–22 November 2013; pp. 391–395. [Google Scholar] [CrossRef]
- Hayder, W.; Ogliari, E.; Dolara, A.; Abid, A.; Ben Hamed, M.; Sbita, L. Improved PSO: A comparative study in MPPT algorithm for PV system control under partial shading conditions. Energies 2020, 13, 2035. [Google Scholar] [CrossRef]
- Kenneth, A.P. Design of Dc-Dc Converter with Maximum Power Point Tracker Using Pulse Generating (555 Timers) Circuit for Photovoltaic Module. Int. J. Sci. Eng. Res. 2012, 3, 4. [Google Scholar]
- Tobias, R.R.; Mital, M.E.; Lauguico, S.; Guillermo, M.; Naidas, J.R.; Lopena, M.; Dizon, M.E.; Dadios, E. Design and Construction of a Solar Energy Module for Optimizing Solar Energy Efficiency. In Proceedings of the 2020 IEEE 12th International Conference on Humanoid, Nanotechnology, Information Technology, Communication and Control, Environment, and Management (HNICEM), Manila, Philippines, 3–7 December 2020. [Google Scholar] [CrossRef]
- Alturki, F.A.; Al-Shamma’a, A.A.; Farh, H.M.H. Simulations and dSPACE real-time implementation of photovoltaic global maximum power extraction under partial shading. Sustainability 2020, 12, 3652. [Google Scholar] [CrossRef]
- Gradella Villalva, M.; Rafael Gazoli, J.; Ruppert Filho, E. Modeling And Circuit-based Simulation Of Photovoltaic Arrays. Eletrônica Potência 2009, 14, 35–45. [Google Scholar] [CrossRef]
- Villalva, M.G.; Gazoli, J.R.; Ruppert Filho, E. Modeling and circuit-based simulation of photovoltaic arrays. In Proceedings of the 2009 Brazilian Power Electronics Conference, Bonito-Mato Grosso do Sul, Brazil, 27 September–1 October 2009; Volume 14, pp. 1244–1254. [Google Scholar] [CrossRef]
- Ali, S.W.; Verma, A.K.; Terriche, Y.; Sadiq, M.; Su, C.L.; Lee, C.H.; Elsisi, M. Finite-Control-Set Model Predictive Control for Low-Voltage-Ride-Through Enhancement of PMSG Based Wind Energy Grid Connection Systems. Mathematics 2022, 10, 4266. [Google Scholar] [CrossRef]
- Algarín, C.R.; Giraldo, J.T.; Álvarez, O.R. Fuzzy logic based MPPT controller for a PV system. Energies 2017, 10, 2036. [Google Scholar] [CrossRef]
- Soltani, S.; Kouhanjani, M.J. Fuzzy logic type-2 controller design for MPPT in photovoltaic system. In Proceedings of the 2017 Conference on Electrical Power Distribution Networks Conference (EPDC), Semnan, Iran, 19–20 April 2017; pp. 149–155. [Google Scholar] [CrossRef]
- Rafeeq Ahmed, K.; Sayeed, F.; Logavani, K.; Catherine, T.J.; Ralhan, S.; Singh, M.; Prabu, R.T.; Subramanian, B.B.; Kassa, A. Maximum Power Point Tracking of PV Grids Using Deep Learning. Int. J. Photoenergy 2022, 2022, 1123251. [Google Scholar] [CrossRef]
- Takruri, M.; Farhat, M.; Barambones, O.; Ramos-Hernanz, J.A.; Turkieh, M.J.; Badawi, M.; AlZoubi, H.; Sakur, M.A. Maximum power point tracking of PV system based on machine learning. Energies 2020, 13, 692. [Google Scholar] [CrossRef]

























| System Parameters | Values |
|---|---|
| No of cells in series () | 10 |
| No of cells in series () | 10 |
| Diode constant (a) | 1.3 |
| Boltzmann constant (K) | 1.38 × 10−23 |
| Short-circuit current/temp coefficient () | 0.0032 |
| Nominal temperature () | 298.15 |
| Nominal irradiance () | 1000 |
| Electron charge (q) | 1.602 × 10−19 |
| Nominal current () | 3.8 |
| Nominal voltage of open circuit () | 42.1 |
| Open-circuit voltage/temp coefficient () | −0.123 |
| Nominal short-circuit current () | 3.8 |
| Series resistance () | 0.473 |
| Parallel resistance () | 1367 |
| States | ON Switches | Van | Vbn | Vcn | Space Voltage Vectors |
|---|---|---|---|---|---|
| 0 | 462 | 0 | 0 | 0 | V0 (000) |
| 1 | 162 | 2(VDC/3) | −(VDC/3) | −(VDC/3) | V1 (100) |
| 2 | 132 | (VDC/3) | (VDC/3) | −2(VDC/3) | V2 (110) |
| 3 | 432 | −(VDC/3) | 2(VDC/3) | −(VDC/3) | V3 (010) |
| 4 | 435 | −2(VDC/3) | (VDC/3) | (VDC/3) | V4 (011) |
| 5 | 465 | −(VDC/3) | −(VDC/3) | 2(VDC/3) | V5 (001) |
| 6 | 165 | (VDC/3) | −2(VDC/3) | (VDC/3) | V6 (101) |
| 7 | 135 | 0 | 0 | 0 | V7 (111) |
| BP MSX 120 (Components) | System Values and SI Units |
|---|---|
| Short-circuit current | 3.56 (A) |
| Current at MPP | 3.87 (A) |
| Voltage at MPP | 33.7 (V) |
| Open circuit voltage | 42.1 (V) |
| Number of cells in series | 72 |
Disclaimer/Publisher’s Note: The statements, opinions and data contained in all publications are solely those of the individual author(s) and contributor(s) and not of MDPI and/or the editor(s). MDPI and/or the editor(s) disclaim responsibility for any injury to people or property resulting from any ideas, methods, instructions or products referred to in the content. |
© 2023 by the authors. Licensee MDPI, Basel, Switzerland. This article is an open access article distributed under the terms and conditions of the Creative Commons Attribution (CC BY) license (https://creativecommons.org/licenses/by/4.0/).
Share and Cite
Ali, Z.; Abbas, S.Z.; Mahmood, A.; Ali, S.W.; Javed, S.B.; Su, C.-L. A Study of a Generalized Photovoltaic System with MPPT Using Perturb and Observer Algorithms under Varying Conditions. Energies 2023, 16, 3638. https://doi.org/10.3390/en16093638
Ali Z, Abbas SZ, Mahmood A, Ali SW, Javed SB, Su C-L. A Study of a Generalized Photovoltaic System with MPPT Using Perturb and Observer Algorithms under Varying Conditions. Energies. 2023; 16(9):3638. https://doi.org/10.3390/en16093638
Chicago/Turabian StyleAli, Zulfiqar, Syed Zagam Abbas, Anzar Mahmood, Syed Wajahat Ali, Syed Bilal Javed, and Chun-Lien Su. 2023. "A Study of a Generalized Photovoltaic System with MPPT Using Perturb and Observer Algorithms under Varying Conditions" Energies 16, no. 9: 3638. https://doi.org/10.3390/en16093638
APA StyleAli, Z., Abbas, S. Z., Mahmood, A., Ali, S. W., Javed, S. B., & Su, C.-L. (2023). A Study of a Generalized Photovoltaic System with MPPT Using Perturb and Observer Algorithms under Varying Conditions. Energies, 16(9), 3638. https://doi.org/10.3390/en16093638

